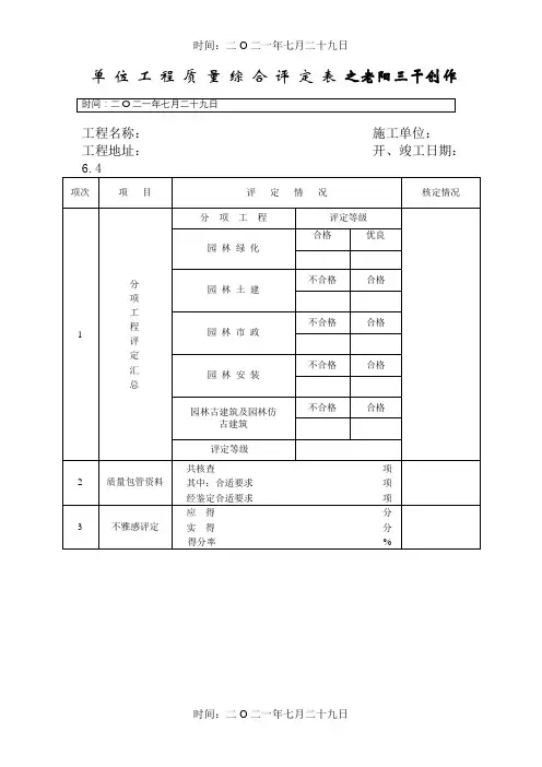
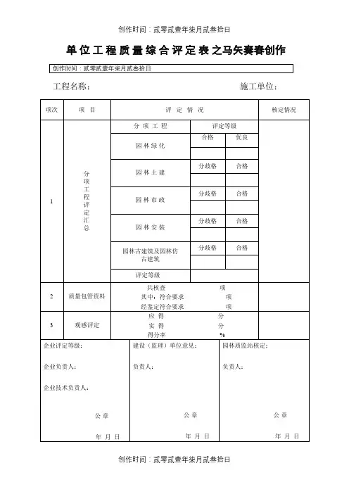
单位子单位工程观感质量量化评价表
- 格式:doc
- 大小:300.50 KB
- 文档页数:9
单位(子单位)工程观感质量检查记录表单位(子单位)工程观感质量检查记录表
金安区优质杂交水稻良种繁育基地工程名称施工单位肥西县建筑工程有限公司建筑工程一标
质量评价序号项目抽查质量状况好一般差 1 室外墙面 2 变形缝
建 3 水落管、屋面
筑 4 室内墙面与 5 室内顶棚结
6 室内地面构
7 楼梯、踏步、护栏 8 门窗 1 管道接口、坡度、支架
给排2 卫生器具、支架、阀门水与3 检查口、扫除口、地漏采暖
4 散热器、支架 1 配电箱、盘、板、接线盒
建筑2 设备器具、开关、插座电气
3 防雷、接地 1 风管、支架
通 2 风口、风阀
风 3 风机、空调设备与 4 阀门、支架空
5 水泵、冷却塔调
6 绝热 1 运行、平层、开关门
电 2 层门、信号系统梯
3 机房 1 机房设备安装及布局
智能2 现场设备安装建筑
3
观感质量综合评价好
检工程观感质量综合评价为好,验收合格。
查总监理工程师: 结施工单位项目经理: (建设单位项目负责人): 论年月日年月日。
单位(子单位)工程观感质量量化评价表 ———————————————————————————————— 作者: ———————————————————————————————— 日期: 建筑工程观感质量量化评价管理暂行办法 第一章 总则 第一条 为加强建筑工程质量管理,改革竣前检查工程观感质量的评价方式,提
高建筑工程观感质量,根据国家《建筑工程施工质量评价标准》(GB/T50375-2006)、山东省《建筑工程施工技术资料管理规程》,结合我市实际,制定本办法。 第二条 本办法所称建筑工程观感质量,是指对一些不便用数据表示的布局、表面、色泽、整体协调性、局部做法及使用方便等质量项目,由有资格的人员通过目测、体验或辅以必要的量测,根据检查项目的总体情况,综合对其外在质量给出的评价。 本办法所称建筑工程观感质量量化评价,是指建筑工程在完成装饰装修、屋面、安装等分部后,对工程外在有关检查项目质量满足规定要求的程度用数据表示出来,按各项目所占工程量的大小及影响整体能力重要程度,分别对各检查项目的外在质量规定所占比例分值。 第三条 本办法适用于青岛市行政区域内,质量监督机构对企业申报竣前检查的单位(子单位)工程观感质量所实施的量化评价。企业自检和有施工合同约定情况下的工程验收,亦可参考本办法执行。 第二章 单位(子单位)工程观感质量量化评价 第四条 评价范围与选点
(一)范围包括装饰装修工程、屋面工程、安装工程。 (二)选点要求:室外散水、台阶、外墙面和屋面全数检查;室内按有代表性的自然套(间)抽查10%,但不应少于3套(间);楼梯、踏步按每层梯段为一处,抽查总处数的10%,但不少于3处;过道按10延长米,但不少于3处;礼堂、厂房等大间按两轴线为1间,但不少于3间。 第五条 量化评价方法 (一)单位(子单位)工程观感质量量化评价:在各检查项目分别量化评价的基础上,通过加权平均方式得出单位(子单位)工程量化评价分值。 (二)检查项目量化评价:检查项目应根据各项目内检查点的观感状况得出检查项目量化评价分值。 (三)检查点的评价:检查点按观感“好”、“一般”、“差”给出评价。 第六条 量化评价分值的确定 (一)单位(子单位)工程量化分值:单位(子单位)工程观感质量量化评价总分值为100分,按检查项目进行分配,其中装饰装修工程的权重值为65分,屋面工程的权重值为10分,安装工程的权重值为25分。单位(子单位)工程量化评价得分为装饰装修工程、屋面工程、安装工程观感质量评分累加。各检查项目分值分配与单位(子单位)工程观感质量量化评分详见附件《单位(子单位)工程观感质量量化评价表》。 (二)检查项目量化评价分值:检查点为“好”达到90%(含)以上,其余检查点为“一般”的,取100%的标准分值;检查点为“好”达到80%(含)以上但不足90%,其余检查点为“一般”的,取90%的标准分值;检查点为“好”达到50%(含)以上但不足80%,其余检查点为“一般”的,取80%的标准分值;检查点为“好”达到30%(含)以上但不足50%,检查点为“差”低于20%(含20%)但不影响安全和使用功能,其余检查点为“一般”的,取70%的标准分值;其他情况下则取0%的标准分值。 第七条 单位(子单位)工程观感质量的评价结论分为A、B、C三级: A级:量化评价得分高于85分(含); B级:量化评价得分高于70分(含),低于85分; C级:量化评价得分低于70分或单位(子单位)工程存在一票否决项; 凡检查项目有下列情况之一的,均判为工程存在一票否决项: 1、外墙面渗漏; 2、卫生间地面渗漏; 3、屋面渗漏; 4、门窗渗漏; 5、栏杆、安全玻璃设置违反工程建设强制性标准条文; 6、室内净高、净开间超过最大负偏差、级差。 7、管道安装存在渗漏; 8、风口、风阀安装影响消防安全; 9、电气线路敷设存在裸线、插座回路串联现象。 第三章 观感质量量化评价与工程质量验收 第八条 企业组织单位(子单位)工程质量竣工验收时,应严格执行国家新的建
筑工程质量验收规范系列标准,并对验收结论负责。 第九条 质量监督机构对企业申报竣前检查的单位(子单位)工程实施观感质量量化评价。首次评价为初检,存在问题经整改后的重新评价为复检。 第十条 单位(子单位)工程竣前检查观感质量量化评价结论为C级的,建设单位不得组织工程竣工验收,企业应对工程存在的问题进行整改后重新申报评价,复检观感质量量化评价应在相应表格内注明。 第四章 观感质量量化评价与企业考核、评奖工程申报 第十一条 质量监督机构应建立年度竣前检查工程质量量化评价台帐,工程竣前检查小组将《单位(子单位)工程观感质量量化评价表》各项内容填写完毕且签字齐全后交工程监督员存档。 第十二条 实行量化评价结果与企业年终考核挂钩制度,具体指标是: α%100A竣工工程总个数级工程个数; β%100C竣工工程总个数级工程个数 竣工工程总个数指企业年度内在青岛市行政区域内竣工的工程总数。 (一)房地产开发企业每年指标α≥30%;甲级监理企业、本市一级及以上施工总承包、外地入青特级施工总承包企业每年指标α≥40%;乙级监理企业、本市二级施工总承包、其他外地入青施工总承包企业每年指标α≥30%;丙级监理企业、本市三级施工总承包每年指标α≥20%。 (二)企业应对同意申报竣前检查的工程的外观质量进行严格把关,每年度内指标β≤5%且初检单位(子单位)工程观感质量量化评价C级工程数量不得超过二个。 (三)对未完成上述(一)、(二)款指标的企业,年终不得评为质量管理先进单位,建设行政主管部门将按照《青岛市建筑市场主体管理考核办法》对企业进行相应扣分。 第十三条 凡申报各类质量奖项的工程,观感质量评价原则上应达到A级,其中申报“泰山杯”奖的工程,观感质量原则上初检得分不得低于86分;申报“鲁班”奖的工程,观感质量原则上初检得分不得低于88分。当不同单位(子单位)工程得分相同时,优先推荐检查项目不存在零分项、主要检查项目标准分值在90%以上的工程。 第六章 附则 第十四条 五市三区质量监督机构于次年一月十五日前,将年度竣前检查工程质
量量化评价台帐报市建管局质监站办公室。 第十五条 本办法由青岛市建筑工程管理局负责解释。 第十六条 本办法自二〇〇八年七月一日起施行。 附件:单位(子单位)工程观感质量量化评价表; 单位(子单位)工程观感质量量化评价表
工程名称 青特驱动桥3#联合厂房工程 施工单位 青岛博海建设集团有限公司
检查项目 检查点 应评分 分配分
判定结果 备
注 100% 90% 80% 70% 0%
装饰装修 工程(65分) 外墙 面 *抹灰及涂饰 √ √ √ √ √ √ ○ √ √ √ 10 √ *饰面砖(板) √ ○ √ √ √ √ √ √ √ √ √ *幕墙 大角、横竖线(角) 15 5 滴水槽(线) 4 变形缝 2 散水、台阶 √ √ √ √ √ √ √ ○ √ √ 2 √ 水落管 √ √ √ √ √ √ √ √ ○ √ 2 √ 内墙面 内墙抹灰及涂饰 √ ○ √ √ √ √ √ √ √ √ 10 饰面砖(板) 裱糊软包 护角、阴阳线 ○ √ √ √ √ √ √ √ √ √ 5 √ 地面 水泥砂浆 10 饰面砖(板)
楼梯、踏步 3 *卫生间防水 √ √ √ √ √ √ √ ○ √ ○ 5 √ 厕浴、阳台泛水 √ √ √ √ √ √ √ √ √ √ 2 √
天棚 抹灰天棚 √ √ ○ ○ √ ○ √ √ √ √ 5 √ 吊顶
其他 *门窗 √ √ ○ √ √ ○ √ ○ √ √ 6 √ 烟道、通气道 2 隔断 2 *栏杆 5 *安全玻璃 5 *室内净高、净开间 √ √ ○ √ √ ○ √ ○ √ √ 5 √ 细部工程 √ ○ ○ √ √ √ √ √ ○ √ 10 √
屋面工程(10分)
卷材(涂膜)屋面
*防水层 10 保护层 15 屋面坡向 10 排气道设置 5 分格缝 10
瓦屋面
金属板材铺设质量 40
平瓦及其他屋面 *防水层 10 细部构造 50 安装工程(25分)
给水排水 及采暖 *管道 √ ○ √ √ ○ √ √ √ √ ○ 15 √ 卫生洁具 ○ √ √ √ √ √ √ √ √ √ 7 √ 散热器 8 设备 ○ √ √ √ √ ○ ○ √ √ √ 5 √ 阀门、配件等 √ √ ○ √ √ √ √ √ ○ √ 5 √ 防腐、保温 √ ○ √ √ ○ ○ √ √ √ √ 5 √ 检查口、清扫口、地漏 √ √ √ √ √ √ √ √ √ √ 5
建筑电气 *线路敷设 √ √ ○ √ √ ○ √ √ ○ √ 20 √ 配电箱、盘、柜安装 √ ○ √ √ √ √ √ √ √ ○ 10 √ 设备器具、开关、插座 √ √ √ √ √ ○ √ √ √ √ 15
照明器具 ○ √ √ √ √ √ √ √ √ √ 10 √ 防雷、接地 √ √ ○ √ √ √ √ √ ○ √ 15 √
通风与空调
风管、部件的制作、安装 15 *风口、风阀 5 设备 7 *空调水管、冷媒管 15 阀门、配件等 3 防腐、保温 5
智能建筑
机房 5 终端设备安装 10 线路敷设 10 运行、管理 5
初检评价( ) 复检评价( ) 装饰装修工程:权重值65分 应评分合计: 实评分合计: 观感质量量化评分Ⅰ=实评分/应评分*65= 屋面工程:权重值10分 应评分合计: 实评分合计: 观感质量量化评分Ⅱ=实评分/应评分*10= 安装工程:权重值25分 应评分合计: 实评分合计: 观感质量量化评分Ⅲ=实评分/应评分*25= 单位工程观感质量量化评价得分=Ⅰ+Ⅱ+Ⅲ
分或一票否决项( ) 结 论
检查人员:
年 月 日 注:1、检查点观感质量表示符号:好(√)一般(○)差(х)。 2、表格中带有*检查项目为一票否决项。