房屋建筑工程安全监理规划 建筑相关推荐建筑施工组织设计安全施工建筑工程方事故预案表格方案
- 格式:pdf
- 大小:426.97 KB
- 文档页数:17
住宅楼工程安全监理规划某某某市银河住宅区某某某#住宅楼工程平安监理规划某某某某某某某某某某某工程咨询2022年4月8日现在建筑工程不时出现平安事故,从监理方面看,监理企业管理不标准,监理人员不严格执行标准标准,是原因之一,所以监理单位要高度重视平安问题,我公司工程监理部将认真贯彻“平安第一、预防为主”的平安生产方针。
要求施工单位把平安生产放在首位,必须建立切实可行的平安保证体系,配备必要的平安管理人员,催促承包商做好平安生产和文明施工工作,及时消除平安隐患和防止平安事故的发生。
1、平安施工管理目标保证所有人员的平安和健康,保证工程的平安和高效,杜绝重大事故的发生,遵守政府对施工现场的管理规定,争创文明工地。
熟悉和掌握相关法规、规章、规定,审查承包单位的平安文明施工保证体系,检查、催促承包单位严格执行平安保证体系,平安文明施工预警和事故处理。
2、平安施工监理程序 2.1认真贯彻执行“平安第一、预防为主”的方针,认真贯彻执行国家和地方行政主管部门公布的平安生产法律、法规和平安规定。
2.2催促并组织施工方对操作人员进行平安培训和分项分部工程平安技术交底。
2.3检查施工方各项平安措施到位情况和关键工序的平安防护措施。
2.4检查施工方的其它各项平安,如防火、防洪、防暑及防疫等。
2.5催促施工方建立健全平安生产体系,落实平安生产责任制。
2.6平安施工监理程序平安施工监理程序图:编制文明、平安施工监理规划、细那么承包单位编制文明、平安施工方案项目监理部审核业主审核平安文明施工交底承包单位落实文明、平安施工作业工作监理工程师审核并签署审核报告实施提出整改意见并落实整改措施监理工程师检查执行情况组织有关各方处理平安事故承包单位整改发现平安生产隐患及时发出整改通知发生平安事故提出书面报告业主业主3、施工准备阶段的平安监理措施 3.1工程总监理工程师不仅对工程工程的质量、进度与投资进行管理,同时还将负责工地的平安文明施工管理,任命工程总监理工程师兼任平安管理小组组长,负责整个工程的平安文明施工管理,任命各专业监理工程师为兼职平安员并设置专职平安员对日常平安文明施工进行监督管理。
危险性较大的分部分项工程安全管理办法第一条为加强对危险性较大的分部分项工程安全管理,明确安全专项施工方案编制内容,规范专家论证程序,确保安全专项施工方案实施,积极防范和遏制建筑施工生产安全事故的发生,依据《建设工程安全生产管理条例》及相关安全生产法律法规制定本办法。
第二条本办法适用于房屋建筑和市政基础设施工程(以下简称“建筑工程”)的新建、改建、扩建、装修和拆除等建筑安全生产活动及安全管理。
矚慫润厲钐瘗睞枥庑赖。
第三条本办法所称危险性较大的分部分项工程是指建筑工程在施工过程中存在的、可能导致作业人员群死群伤或造成重大不良社会影响的分部分项工程。
危险性较大的分部分项工程范围见附件一。
聞創沟燴鐺險爱氇谴净。
危险性较大的分部分项工程安全专项施工方案(以下简称“专项方案”),是指施工单位在编制施工组织(总)设计的基础上,针对危险性较大的分部分项工程单独编制的安全技术措施文件。
残骛楼諍锩瀨濟溆塹籟。
第四条建设单位在申请领取施工许可证或办理安全监督手续时,应当提供危险性较大的分部分项工程清单和安全管理措施。
施工单位、监理单位应当建立危险性较大的分部分项工程安全管理制度。
酽锕极額閉镇桧猪訣锥。
第五条施工单位应当在危险性较大的分部分项工程施工前编制专项方案;对于超过一定规模的危险性较大的分部分项工程,施工单位应当组织专家对专项方案进行论证。
超过一定规模的危险性较大的分部分项工程范围见附件二。
彈贸摄尔霁毙攬砖卤庑。
第六条建筑工程实行施工总承包的,专项方案应当由施工总承包单位组织编制。
其中,起重机械安装拆卸工程、深基坑工程、附着式升降脚手架等专业工程实行分包的,其专项方案可由专业承包单位组织编制。
謀荞抟箧飆鐸怼类蒋薔。
第七条专项方案编制应当包括以下内容:(一)工程概况:危险性较大的分部分项工程概况、施工平面布置、施工要求和技术保证条件。
(二)编制依据:相关法律、法规、规范性文件、标准、规范及图纸(国标图集)、施工组织设计等。
安全监理规划一、安全监理的依据:1、《建筑工程安全生产管理条例》;2、已批准的《监理规划》;3、施工组织设计;二、安全监理的具体工作:1、严格执行《建筑工程安全生产管理条例》,贯彻执行国家现行的安全生产法律、法规,建设行政主管部门的安全生产的规章制度和建设工程强制性标准;2、督促施工单位落实安全生产的组织保证体系,建立健全的安全生产责任制;3、督促施工单位对工人进行安全生产教育及分部分项工程的安全技术交底;4、审核施工方案及安全技术措施;5、检查并督促施工单位,按照建筑施工安全技术标准和规范要求,落实分部、分项工程或各工序的安全防护措施;6、监督检查施工现场的消防工作、冬季防寒、夏季防暑、文明施工、卫生防疫等各项工作;7、进行质量安全综合检查。
发现违章冒险作业的要责令其停止作业,发现安全隐患的应要求施工单位整改,情况严重的,应责令停工整改并及时报告建设单位;8、施工单位拒不整改或者不停止施工的,监理人员及时向建设行政主管部门报告。
三、施工阶段安全监理程序1、审查施工单位的有关安全生产的文件;(1)《营业执照》(2)《施工许可证》(3)《安全资质证书》(4)《建筑施工安全监督书》(5)安全生产管理机构的设置及安全专业人员的配备等;(6)安全生产责任制度及管理体系;(7)安全生产规章制度;(8)特种作业人员的上岗证及管理情况;(9)各工种的安全生产操作规程;(10)主要施工机械、设备技术性能及安全条件。
2、审核施工单位安全资质和证明文件(总包单位要统一分包单位的安全生产工作)。
3、审核施工单位的施工组织设计中的安全技术措施或者专项施工方案:(1)审核施工组织设计中安全技术措施的编写、审批:①安全技术措施应由施工企业工程技术人员编写;②安全技术措施应由施工企业技术、质量、安全、工会、设备等有关部门进行联合会审;③安全技术措施应有具有法人资格的施工企业技术负责人批准;④安全技术措施应由施工企业报建设单位审批认可;⑤安全技术措施变更或修改时,应按原程序由原编制审批人员批准。
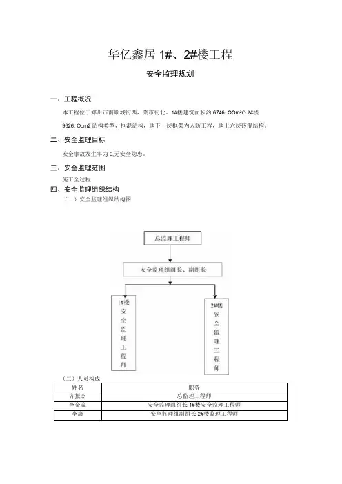
华亿鑫居1#、2#楼工程安全监理规划一、工程概况本工程位于郑州市南顺城街西,菜市街北。
1#楼建筑面积约6746∙ OOm2O 2#楼9626. Oom2结构类型,框混结构,地下一层框架为人防工程,地上六层砖混结构。
二、安全监理目标安全事故发生率为0,无安全隐患。
三、安全监理范围施工全过程四、安全监理组织结构(一)安全监理组织结构图五、安全监理工作内容(-)施工准备阶段1 .审查施工单位有无安全证书。
2 .审查施工单位提交的各项安全施工组织设计。
3 .审查施工单位拟进驻现场的管理人员及特殊工种作业人员上岗证。
4 .审查施工单位安全文明施工管理体系、安全保证体系及各项安全责任制度是否健全。
5 .审查施工现场是否具备安全生产条件、机械设备及安全设施到位情况。
6 .严把开工关。
(二)施工阶段1 .检查施工单位安全文明施工管理体系和保证体系、人员组成及到位情况。
2 .检验批及分项工程施工前及工序交接部位,严格监督施工单位进行安全技术交底。
3 .定期、不定期检查施工单位对施工人员进行安全教育情况。
4 .及时检查施工现场有无安全隐患存在。
5 .跟踪检查现场施工人员有无违反有关安全操作规程。
6 .检查施工单位各项安全责任制度的落实情况。
7 .监督施工单位对各类机械设备定期检查和保养。
六、安全监理程序1.组织措施:建立健全安全监理组织,完善职责分工及有关制度,落实安全控制责任制。
2 .技术措施:认真审核各专项安全施工组织设计和方案。
3 .经济措施:建议建设单位对安全达不到要求且据不整改的,给以经济处罚。
对表现好的项目部给予经济奖励。
4 .合同措施:安全达不到要求不得进行工序施工,对据不整改者不予办理工程款支付手续。
八、各级人员职责与权限L总监理工程师的职责(1) 总监理工程师代表监理单位履行监理合同中授予的各项权限,对监理工作有最后的决定权。
(2) 执行监理合同的指令和交办的任务,组织监理工作开展各项安全监理工作。
×××××工程安全监理规划一、工程概况(一)工程项目名称:(二)工程类别:(三)工程项目地点:(四)工程建设规模:建筑面积约平方米(五)工程合同造价总额:万元(六)工程项目计划工期天,计划201 年月日开工至201 年月日竣工;(七)工程项目建设实施的相关单位(八)工程建筑特点:(九)工程结构特点:(十)危险性较大的分部分项工程情况:(十一)监理服务期:自201 年月日至201 年月日,共天。
二、安全监理工作范围:按照委托监理合同,本工程为施工阶段监理,含施工图纸所包括的土建工程……等监理。
项目监理部在此范围,从开工至竣工开展安全监理工作。
三、安全监理工作内容(一)督促参与工程建设的各方执行国家和贵州省的安全法规。
审核施工承包单位编制的施工组织设计、安全技术措施、专项方案及应急抢险方案;(二)编制项目安全监理规划和安全监理实施细则;(三)督促施工承包单位建立、健全施工现场安全生产保证体系;督促施工单位制定完善、执行安全生产制度。
(四)审查专业分包和劳务分包单位资质。
(五)审查电工、焊工、架子工、起重机械工、塔吊司机及指挥人员、爆破工等特种作业人员资格,督促施工企业雇佣具备安全生产基础知识的一线操作人员。
(六)督促施工承包单位做好逐级安全交底工作。
(七)监督施工承包单位按照工程建设强制性标准和专项安全施工方案组织施工,制止违规施工作业。
(八)对施工过程中的高危作业等进行巡视检查,每天不少于一次。
发现严重违规施工和存在安全事故隐患的,应当要求承包单位整改,并检查整改结果,签署复查意见;情况严重的,由总监下达工程暂停令并报告建设单位;施工单位拒不整改的应及时向建设主管部门报告。
(九)督促施工承包单位进行安全自查工作;积极组织并参加施工现场的安全生产检查。
(十)复核施工单位施工机械、安全设施的安全保护记录及相关维修资料及验收手续,并签署意见。
未经安全监理人员签署认可的不准投入使用。
建设工程施工阶段安全监理规划工程名称:燕山大厦加层改造项目编制人:赵梅富编制时间:二00九年八月十七日审批人:苏伟审批时间:二00九年八月二十三日山东省建筑工程监理公司燕山大厦加层改造项目监理部安全监理规划一、工程概况:本工程为燕山大厦加层改造工程,西侧沿燕山路,北靠解放路。
该项目是有燕山集团投资的集娱乐、餐饮、办公、宾馆为一体的大型综合工程,建筑为一类高层建筑,耐火等级一级,本工程按民用建筑工程设计等级为一级,建筑结构设计使用年限为50年。
工程目前现状为框架结构,基础采用筏板基础,裙房3层,主楼8层,该建筑物进行加层扩建,需对现有建筑物进行结构加固补强,基础增设树根桩、承台及主体结构构件加固改造进行植筋、钢筋混凝土加固、框架柱加大截面、部分构造节点局部粘型钢、混凝土构件局部损伤和裂缝缺陷修补等。
将⑺轴-⒂轴部分由原来3层增加7层,扩建为地上10层的酒店。
改造后原主楼部分保持不变,地下室为1层,局部2层,改造后地下室北侧向北扩大7.7米,结构形式改为框架剪力墙结构,按六度抗震设防。
现改造后建筑面积21681.59平方米(原建筑面积10598平方米,加建建筑面积11083.59平方米);建筑高度44.3米,长83.21米,宽33.7米;该工程装饰装修:北侧路口平台台阶采用大理石,散水采用剁斧花岗石,厨房、卫生间采用地砖防水楼面,大堂、电梯厅、宴会厅及一层走廊采用磨光花岗石楼面。
厨房、卫生间墙面采用面砖防水墙面,其他房间采用水泥砂浆抹面内墙,外墙采用聚苯板复合保温及外墙饰面(铝板幕墙、玻璃幕墙);顶棚:地下室、楼梯间以及设备用房采用水泥砂浆顶棚,刷白色乳胶漆;厨房、卫生间采用PVC板吊顶,大堂、宴会厅、KTV包间采用矿棉板吸声吊顶;其他走廊、房间采用石膏板吊顶;踢脚除卫生间厨房外的墙面均为面砖踢脚,150高。
油漆:木门采用调和漆,金属构件裸露部位采用金属漆;单元入口设不可视对讲防盗门,分户门采用防火对讲门,内门采用普通胶合板夹板门;外窗、阳台封闭采用塑钢中空玻璃窗;安装工程包括电气照明、消防报警、消火栓、给排水、热水、防雷接地、电梯动力用电、中央空调、弱电系统及综合布线系统等。
阿荣旗荣安香苑工程安全监理规划编制审核内蒙古诚信建设监理有限责任公司年月日目录一、建设工程项目概况 (2)二、安全监理工作依据 (2)三、安全监理工作目标 (2)四、安全监理工作范围 (3)五、安全监理工作内容 (3)六、安全监理工作程序 (5)七、安全监理措施 (12)八、安全监理组织机构及人员配备计划 (12)九、监理人员安全生产责任制 (13)一、建设工程项目概况工程名称:荣安香苑工程地点:建筑面积:结构类型:计划工期:投资总额:质量要求:勘察单位:设计单位:主要施工单位:二、安全监理工作依据1、国家、地方有关安全生产、劳动保护、环境、消防等法律法规;2、国家、地方有关建设工程安全生产的法律法规;3、建设工程安全生产标准和规范;4、政府批准的工程建设文件和设计文件;5、建设工程监理合同和其他建设工程合同等;6、监理大纲。
三、安全监理工作目标1、生产安全事故控制目标:杜绝因工重伤、死亡事故的发生;消灭火灾、中毒、环境污染及重大机械安全事故等恶性事件。
2、安全达标目标:1)严格按照行业标准《建筑施工安全检查标准》(JGJ59-99)进行项目安全管理,按其标准年度汇总得分在75分以上;2)项目月度安全检查得分率在75分以上;3)重大安全隐患整改率达百分之百;4)力争创建施工现场安全生产无事故达标工地;3、文明施工目标:⑴防治大气污染1)施工现场采取措施硬化,其中主要道路、料场、生活办公区域必须进行硬化处理。
裸露的场地和集中堆放的土方应采取覆盖、固化或绿化等措施;2)不得在施工现场熔融沥青和焚烧含有有毒、有害化学成分的装饰废料、油毡、油漆、垃圾等各类废弃物;3)在土方、渣土和施工垃圾运输时应采用密闭式运输车辆或采取覆盖措施;4)严格控制施工扬尘,根据需要洒水降尘,确保达到国家或地方环保要求。
⑵防治废水污染1)施工现场应设置排水沟及沉淀池,现场废水不得直接排入市政污水管网;2)现场存放的油料、化学溶剂等应设有专门的库房,地面应进行防渗漏处理;3)厕所的化粪池应进行抗渗处理;4) 食堂、淋浴间的下水管线应设置隔离网,并应与市政污水管线可靠连接。
多肽工业园工程安全监理规划编制军华审核梅庭玉省建设工程监理咨询2016年8月3日目录一、建设工程项目概况 (2)二、安全监理工作依据 (2)三、安全监理工作目标 (2)四、安全监理工作围 (4)五、安全监理工作容 (4)六、安全监理工作程序 (5)1、工程开工报审基本程序 (5)2、分包单位资格审查基本程序 (6)3、工程暂停及复工管理基本程序 (6)4、项目管理机构质保体系报审基本程序 (7)5、施工组织设计(方案)报审基本程序 (7)6、安全技术措施审查基本程序 (8)7、安全专项施工方案审查基本程序 (9)8、安全隐患处理基本程序 (10)9、严重安全隐患处理及报告基本程序 (11)10 建筑起重机械安全管理工作程序 (12)七、安全监理措施 (13)八、安全监理组织机构及人员配备计划 (13)九、项目监理部监理人员安全生产责任制 (14)1、总监理工程师安全生产责任制 (14)2、专业监理工程师安全生产责任制 (15)3、监理员安全生产责任制 (16)一、建设工程项目概况工程名称:多肽工业园工程地点:市光谷六路神墩三路以南、高科路以东建筑面积:51893.85㎡结构类型:框架剪力墙计划工期:18个月投资总额:/质量要求:合格设计单位:华阳宏创建筑设计施工单位:市武湖建设工程二、安全监理工作依据1、国家、地方有关安全生产、劳动保护、环境、消防等法律法规;2、国家、地方有关建设工程安全生产的法律法规;3、建设工程安全生产标准和规;4、政府批准的工程建设文件和设计文件;5、建设工程监理合同和其他建设工程合同等;6、监理大纲。
三、安全监理工作目标1、生产安全事故控制目标:杜绝因工重伤、死亡事故的发生;消灭火灾、中毒、环境污染及重大机械安全事故等恶性事件。
2、安全达标目标:1)严格按照行业标准《建筑施工安全检查标准》(JGJ59-2011)进行项目安全管理,按其标准年度汇总得分在75分以上;2)项目月度安全检查得分率在75分以上;3)重大安全隐患整改率达百分之百;4)力争创建施工现场安全生产无事故达标工地;3、文明施工目标:⑴防治大气污染1)施工现场采取措施硬化,其中主要道路、料场、生活办公区域必须进行硬化处理。
江苏立德绿色建筑产业园一期工程平安监理规划江苏立德绿色建筑产业园一期工程监理规划〔平安〕2021 年6月27日至2021年11月28日内容提要:工程概况平安监理工作依据、范围、目标和内容工程平安监理组织机构与岗位平安职责平安监理工作程序、方法与措施平安监理工作制度初步认定的危险性较大的分局部项工程初步确定须复核验收的中大型施工机械和平安设施一览表初步确定需专门编制专项平安监理实施细那么一览表平安资料管理平安工地建设监理单位〔章〕:总监理工程师:监理单位技术负责人:日期:江苏立德绿色建筑产业园一期工程平安监理规划目录第一章工程概况 (1)工程地点 (1)工程规模 (1)工程参建单位 (1)施工工期 (1)监理效劳期 (1)工程平安状况环境分析 (1)自然条件分析 (1)平安管理条件分析 (2)技术条件分析 (2)不确定因素分析 (2)工程平安监理工作重点与难点 (3)第二章平安监理工作依据、范围、目标和内容 (3)平安监理工作依据 (3)平安监理工作范围 (4)平安监理工作目标 (4)平安监理工作内容 (4)施工准备阶段 (4)施工阶段 (5)缺陷责任期 (6)第三章工程平安监理组织机构与岗位平安职责 (6)工程平安监理组织机构 (6)岗位平安职责 (7)监理部平安生产管理领导小组职责 (7)总监理工程师平安职责 (7)副总监理工程师平安职责 (8)3平安监理工程师职责 (8)其他专业监理工程师 (9)监理员职责 (9)第四章平安监理工作程序、方法与措施 (10)平安监理工作程序 (10)平安监理工作根本程序 (10)开工报审程序 (12)施工单位资质报审程序 (12)平安技术措施及专项施工方案报审程序 (12)平安监理检查程序 (14)平安防护、文明施工措施工程费用报审程序 (15)平安隐患处理程序 (15)平安事故的处理程序 (16)江苏立德绿色建筑产业园一期工程平安监理规划平安监理工作方法 (17)建立平安管理组织机构和平安保证体系 (17)审核技术文件 (18)巡视、旁站、检查 (18)平安会议 (20)指令与报告 (20)平安监理的措施 (21)组织措施 (21)技术措施 (22)合同措施 (23)经济措施 (23)第五章平安监理工作制度 (23)平安监理责任制度 (23)5.2.平安监理审查制度 (23)平安监理施工机械、平安设施核验制度 (24)平安监理工作检查制度 (25)平安隐患处理制度 (26)平安事故报告处理制度 (26)平安监理会议制度 (27)平安专项经费审核制度 (28)平安监理教育培训制度 (29)平安监理资料管理制度 (30)平安监理工作考评制度 (30)第六章初步认定的危险性较大的分局部项工程 (31)第七章初步确定须复核验收的中大型施工机械和平安设施一览表 (33)第八章初步确定需专门编制专项平安监理实施细那么一览表 (34)第九章平安资料管理 (34)平安监理内业工作内容 (34)平安监理内业资料台帐 (34)平安监理文件处理流程 (35)9.2平安监理内业工作要求 (36)平安监理内业工作根本要求 (36)平安监理月报、日志要求 (37)平安检查资料要求 (37)平安监理会议资料要求 (39)平安监理培训与交底 (39)第十章平安工地建设 (40)活动目标 (40)活动内容 (40)监理部自身活动内容 (40)对施工单位检查、考核内容 (41)江苏立德绿色建筑产业园一期工程平安监理规划第一章工程概况工程地点大丰市经济开发区瑞村纬一路北侧1.2工程规模1、本工程为江苏大丰绿色建筑产业园一期工程。
建筑工程施工安全监理规划编制:证书编号:审核:注册号:批准:注册号:年月日安全监理规划目录一、编制依据二、安全责任主体单位三、工程概况四、安全监理工作范围五、安全监理工作内容六、安全监理工作目标七、项目监理机构八、安全监理工作的分工职责九、安全监理工作程序十、安全监理措施十一、安全监理工作制度十二、危险源较大工程安全监理规划一、编制依据1、委托监理合同;2、施工合同及施工安全协议书;3、设计文件、地勘资料;4、建设单位提供的施工现场及毗邻区域内供水、排水、供电、供气、通讯、广播电视等地下管线资料以及相邻建筑物、构筑物、地下工程的有关资料;5、《建筑法》、《建筑工程安全生产管理条例》以及相关的法律、法规和规范、规程。
二、安全责任主体单位1、建设单位:********亨达房地产开发有限公司2、设计单位:********设计院3、勘察单位:4、施工单位:贵州********建建筑工程有限责任公司5:监理单位:贵州广天建设管理咨询有限公司三、工程概况1、工程名称:贵州********纳福春天小区工程2、工程地址:********纳福大道3、建筑规模:主宅楼4、结构类型:剪力墙结构5、抗震等级:6四、安全监理工作范围根据建设单位与本公司签订的《建设工程委托监理合同》的约定,监理工作范围限于施工阶段的监理工作。
安全监理工作范围即为施工阶段的安全监理工作。
五、安全监理工作内容1、项目安全监理的准备工作;2、施工准备阶段的安全监理工作;3、施工过程的安全监理工作;施工阶段安全监理签订委托监理合同(包括安全监理条款)组建项目监理机构(统筹配置安全监理人员)熟悉项目特征资料、项目建设文件、有关施工承包单位资料有关建设工程安全监理法规、规范标准项目安全监理的准备工作分析识别、评价项目施工危险源编制项目监理规划(含安全监理规划)编制安全监理实施细则(按规定单独编制)配备安全监理的检测工具和有关安全管理资料文件协助建设单位签订安全协议书督促建立健全施工现场安全保证体系施工准备阶段安全监理审查施工组织设计的安全技术措施和专项施工方案审查分包单位安全资质和特种人员资格督促做好安全(技术)交底工作危险源施工的现场巡查监督施工过程安全监理施工安全隐患的及时处理施工安全设施、施工机械验收的核查组织参加现场安全检查或安全会议配合安全事故调查、分析安全事故原因安全资料管理六、安全监理工作目标无责任死亡事故,无责任安全事故。
房建工程安全监理规划长沙xx项目工程安全监理规划编制人:审核人:湖南省xx有限公司长沙xx工程项目监理部XX年5月目录一、工程概况 2 二、安全监理工作范围 2 三、安全监理工作主要内容 2 四、安全监理工作目标 6 五、安全监理工作依据 7 六、项目安全监理机构的组织形式 7 七、安全监理机构的人员配备计划 8 八、项目监理机构的岗位职责错误!未定义书签九、安全监理工作流程错误!未定义书签十、工程施工安全要求错误!未定义书签十一、安全文明施工监理方法及控制要点错误!未定义书签十二、事故调查及处理方法控制措施错误!未定义书签十三、安全文明施工管理错误!未定义书签十二、监理工作制度 281长沙xx项目工程安全监理规划一、工程概况长沙xx项目工程位于长沙市雨花区,东临万家丽路,南临振华路,西临支路八,北临环保大道长沙xx项目总用地面积约万平方米,总建筑面积约万平方米,其中高层住宅约万平方米,商务公寓约万平方米,办公楼约万平方米,独立商业及商墅配套约万平方米,地库约万平方米本工程的其他相关单位如下:建设单位:长沙xx置业有限公司设计单位:上海xx发展城建有限公司勘察单位:长沙xx设计院监理单位:湖南省xx有限公司施工单位:浙江xx建设集团有限公司湖南xx建设工程(集团)有限公司二、安全监理工作范围施工阶段依据监理合同、施工承包合同、国家有关法律,建设主管部门有关文件规定,安全监理工作范围是项目监理机构对工程项目施工阶段的现场进行安全生产,文明施工监督管理三、安全监理工作主要内容、施工准备阶段安全监理工作主要内容1、根据《建设工程安全生产管理条例》的规定,按照工程建设的强制性标准和建设工程监理规范的要求,编制包括安全生产监督管理方案的项目监理规2划,明确安全生产监督管理工作的范围、目标、内容、工作程序和制度措施,以及人员配备计划和职责等2、对中型及以上项目或危险性较大的分部分项工程,编制安全生产监理实施细则实施细则应当明确安全生产监督管理工作的特点、方法和措施、控制要点和目标等,并制定对施工单位安全技术措施的检查方案实施细则具体范围主要包括:、基坑支护与降水工程基坑支护工程是指开挖深度超过5m的基坑并采用支护结构施工的工程;或基坑虽未超过5m,但地质条件和周围环境复杂的工程、土方开挖工程土方开挖工程是指开挖深度超过5m(含5m)的基坑、槽的土方开挖、模板工程各类工具式模板工程,包括滑模、爬模、大模板等;水平混凝土构件模板支撑系统及特殊结构模板工程、起重吊装工程、脚手架工程(1)高度超过24m的落地式钢管脚手架;(2)附着式升降脚手架,包括整体提升与分片式提升; (3)悬挑式脚手架; (4)门型脚手架; (5)挂脚手架; (6)吊篮脚手架; (7)卸料平台、拆除、爆破工程采用人工、机械拆除或爆破拆除的工程、其他危险性较大的工程 (1)建筑幕墙的安装施工; (2)预应力结构张拉施工;3(3特种设备施工; (4) 6m以上的边坡施工; (5)人工挖(扩)孔桩施工:(6)采用新技术、新工艺、新材料,可能影响建设工程质量安全,已经行政许可,尚无技术标准的施工3、对以下工程,根据专家组论证审查的意见完善安全生产监督管理实施细则,督促施工单位按照专家组意见完善施工方案,并予以审查签认具体工程主要包括:、深基坑工程开挖深度超过5m或地下室三层以上,或深度虽未超过5m,但地质条件和周围环境及地下管线极其复杂的工程、地下暗挖工程地下暗挖及遇有溶洞、暗河、瓦斯、岩爆、涌泥、断层等地质复杂的隧道工程、高大模板工程水平混凝土构件模板支撑系统高度超过8m,或跨度超过18m,施工总荷载大于10KN/m2,或集中线荷载大于15KN/m的模板支撑系统、30m及以上高空作业的工程、城市房屋拆除爆破和其他土石大爆破工程、施工安全难度较大的起重吊装工程4、审核施工单位编制的施工组织设计中的安全技术措施和危险性较大的分部分项工程安全专项施工方案是否符合安全生产强制性标准要求,并签署意见审查的主要内容包括:、施工单位编制的地下管线保护措施方案是否符合标准规范要求;、基坑支护与降水、土方开挖、模板、起重吊装、脚手架、拆除等分部分项工程的安全生产技术措施和安全专项施工方案是否符合标准规范要求;、施工现场临时用电施工组织设计或者安全用电技术措施和电气防火措施是否符合标准规范要求;、冬季、雨季等季节性施工方案的制定是否符合实际需要;4、施工总平面布置图是否合理,办公、宿舍、食堂、道路等临时设施设置以及排水、防火措施是否符合安全技术标准和文明施工的要求5、检查下列施工单位的安全生产条件,督促施工单位建立、健全安全生产保证体系和规章制度、审查施工单位资质和安全生产许可证是否合法有效、审查项目经理、分包单位项目负责人和专职安全生产管理人员是否具备资格,专职安全生产管理人员的配备是否满足相关要求、审核特种作业人员是否取得特种作业操作资格证书、审核施工组织设计中的安全技术措施或者专项施工方案是否符合工程建设强制性标准主要包括:、安全生产应急预案;、临时用电施工方案;、塔式起重机安装拆除施工方案;、垂直提升机械设备安装拆除方案;、承重支模架安装拆除方案;、脚手架安装拆除方案;、深基坑围护方案;、土方开挖方案;、地下暗挖工程施工方案;、大型吊装工程施工方案;、钢结构、网架、索膜结构工程施工方案;、建筑幕墙工程施工方案;、爆破拆除施工方案;、安全防护、文明施工措施费用使用计划、检查施工单位搭设的临时设施是否编制方案,并经使用单位审核批准;活动板房使用前是否经生产厂家和使用单位共同验收合格;拟投入施工使用的大型施工机械(特别是塔式起重机等垂直运输机械,整体提升脚手架、模板等自升5式架设设施,打桩机械等大型施工机械)的检测检验、验收、备案手续以上审查均应出具审查意见,载入监理记录、发现勘察、设计文件不满足有关法律、法规、强制性标准的规定,或存在较大施工安全风险时,监理单位应及时向建设单位、施工单位提出施工实施阶段安全生产的主要监理工作内容1、监督施工单位按照施工组织设计中的安全技术措施和安全专项施工方案组织施工,及时制止违规施工作业主要内容有:每天巡视检查施工过程中的危险性较大工程作业情况每月组织全面检查不少于一次,重点是安全生产、文明施工责任是否落实,措施是否到位核查施工现场建筑施工机械和安全设施的验收、备案手续,并签署意见检查施工现场各种安全标志和安全网架设、临时用电设备、“五小”设施等安全防护、文明施工措施是否符合有关工程技术标准规范及法规、文件要求,并签认所发生费用督促施工单位进行安全自查工作和对职工进行岗前教育工作,落实“三级”安全教育制度;并对施工单位自查情况进行抽查参加建设单位组织的安全生产专项检查不定期抽查现场施工管理人员到岗和特种作业人员持证上岗情况 2、建立和完善监理单位安全生产内部管理制度在健全审查核验制度、检查验收制度和督促整改制度基础上,完善工地例会制度及资料归档制度在定期召开的工地例会上,评述施工现场安全生产管理现状以及存在的薄弱环节和问题,提出整改意见,并督促有关责任单位落实;指定专人负责监理内业资料的整理、分类,在监理日记、监理月报中,如实、全面记录当天、当月发现的安全施工问题和处理措施以及安全监理的其他工作内容四、安全监理工作目标1、死亡事故:控制为零;62、重大伤亡事故:控制为零;3、一般轻伤事故:控制在2次以下;五、安全监理工作依据《中华人民共和国安全生产法》《中华人民共和国建筑法》《中华人民共和国劳动法》《中华人民共和国工会法》《中华人民共和国职业病防治法》《中华人民共和国劳动法》《建设工程安全生产管理条例》《建筑施工安全检查标准》 59-99》。
工程安全监理规划江苏立德绿色建筑产业园一期工程监理规划〔安全〕2021 年6月27日至2021年11月28日内容提要:工程概况安全监理工作依据、范畴、目标和内容项目安全监理组织机构与岗位安全职责安全监理工作程序、方法与措施安全监理工作制度初步认定的危险性较大的分部分项工程初步确定须复核验收的中大型施工机械和安全设施一览表初步确定需专门编制专项安全监理实施细那么一览表安全资料治理平安工地建设监理单位〔章〕:总监理工程师:监理单位技术负责人:日期:目录第一章工程概况 (1)1.1工程地点 (1)1.2工程规模 (1)1.3项目参建单位 (1)1.4施工工期 (1)1.5监理服务期 (1)1.6项目安全状况环境分析 (1)1.6.1自然条件分析 (1)1.6.2安全治理条件分析 (2)1.6.3技术条件分析 (2)1.6.4不确定因素分析 (2)1.7项目安全监理工作重点与难点 (3)第二章安全监理工作依据、范畴、目标和内容 (3)2.1安全监理工作依据 (3)2.2安全监理工作范畴 (4)2.3安全监理工作目标 (4)2.4安全监理工作内容 (4)2.4.1施工预备时期 (4)2.4.2施工时期 (5)2.4.3缺陷责任期 (6)第三章项目安全监理组织机构与岗位安全职责 (6)3.1项目安全监理组织机构 (6)3.2岗位安全职责 (7)3.2.1监理部安全生产治理领导小组职责 (7)3.2.2总监理工程师安全职责 (7)3.2.3副总监理工程师安全职责 (8)3.2.4安全监理工程师职责 (8)3.2.5其他专业监理工程师 (9)3.2.6监理员职责 (9)第四章安全监理工作程序、方法与措施 (10)4.1安全监理工作程序 (10)4.1.1安全监理工作差不多程序 (10)4.1.2开工报审程序 (12)4.1.3施工单位资质报审程序 (12)4.1.4安全技术措施及专项施工方案报审程序 (12)4.1.5安全监理检查程序 (14)4.1.6安全防护、文明施工措施项目费用报审程序 (15)4.1.7安全隐患处理程序 (15)4.1.8安全事故的处理程序 (16)4.2安全监理工作方法 (17)4.2.1建立安全治理组织机构和安全保证体系 (17)4.2.2审核技术文件 (18)4.2.3巡视、旁站、检查 (18)4.2.4安全会议 (20)4.2.5指令与报告 (20)4.3安全监理的措施 (21)4.3.1组织措施 (21)4.3.2技术措施 (22)4.3.3合同措施 (23)4.3.4经济措施 (23)第五章安全监理工作制度 (23)5.1安全监理责任制度 (23)5.2.安全监理审查制度 (23)5.3安全监理施工机械、安全设施核验制度 (24)5.4安全监理工作检查制度 (25)5.5安全隐患处理制度 (26)5.6安全事故报告处理制度 (26)5.7安全监理会议制度 (27)5.8安全专项经费审核制度 (28)5.9安全监理教育培训制度 (29)5.10安全监理资料治理制度 (30)5.11安全监理工作考评制度 (30)第六章初步认定的危险性较大的分部分项工程 (31)第七章初步确定须复核验收的中大型施工机械和安全设施一览表 (33)第八章初步确定需专门编制专项安全监理实施细那么一览表 (34)第九章安全资料治理 (34)9.1安全监理内业工作内容 (34)9.1.1安全监理内业资料台帐 (34)9.1.2安全监理文件处理流程 (35)9.2安全监理内业工作要求 (36)9.2.1安全监理内业工作差不多要求 (36)9.2.2安全监理月报、日志要求 (37)9.2.3安全检查资料要求 (37)9.2.4安全监理会议资料要求 (39)9.2.5安全监理培训与交底 (39)第十章平安工地建设 (40)10.1活动目标 (40)10.2活动内容 (40)10.2.1监理部自身活动内容 (40)10.2.2对施工单位检查、考核内容 (41)第一章工程概况1.1工程地点大丰市经济开发区瑞村纬一路北侧1.2工程规模1、本工程为江苏大丰绿色建筑产业园一期项目。
(建设部《建筑工程安全生产监督管理工作导则》(建质〔2005〕184号)1、总则1.1 为加强建筑工程安全生产监管,完善管理制度,规范监管行为,提高工作效率,依据《建筑法》、《安全生产法》、《建设工程安全生产管理条例》、《安全生产许可证条例》等有关法律、法规,制定本导则。
1.2 本导则适用于县级以上人民政府建设行政主管部门对建筑工程新建、改建、扩建、拆除和装饰装修工程等实施的安全生产监督管理。
1.3 本导则所称建筑工程安全生产监督管理,是指建设行政主管部门依据法律、法规和工程建设强制性标准,对建筑工程安全生产实施监督管理,督促各方主体履行相应安全生产责任,以控制和减少建筑施工事故发生,保障人民生命财产安全、维护公众利益的行为。
1.4 建筑工程安全生产监督管理坚持“以人为本”理念,贯彻“安全第一、预防为主”的方针,依靠科学管理和技术进步,遵循属地管理和层级监督相结合、监督安全保证体系运行与监督工程实体防护相结合、全面要求与重点监管相结合、监督执法与服务指导相结合的原则。
2、建筑工程安全生产监督管理制度2.1 建设行政主管部门应当依照有关法律法规,针对有关责任主体和工程项目,健全完善以下安全生产监督管理制度:2.1.1 建筑施工企业安全生产许可证制度。
2.1.2 建筑施工企业“三类人员”安全生产任职考核制度。
2.1.3 建筑工程安全施工措施备案制度。
2.2.4 建筑工程开工安全条件审查制度。
2.1.5 施工现场特种作业人员持证上岗制度。
2.1.6 施工起重机械使用登记制度。
2.1.7 建筑工程生产安全事故应急救援制度。
2.1.8 危及施工安全的工艺、设备、材料淘汰制度。
2.1.9 法律法规规定的其它有关制度。
2.2 各地区建设行政主管部门可结合实际,在本级机关建立以下安全生产工作制度:2.2.1 建筑工程安全生产形势分析制度。
定期对本行政区域内建筑工程安全生产状况进行多角度、全方位分析,找出事故多发类型、原因和安全生产管理薄弱环节,制定相应措施,并发布建筑工程安全生产形势分析报告。
工程安全监理规划
编制
审核
××××××监理有限公司
年 月 日
目 录
一、建设工程项目概况 (2)
二、安全监理工作依据 (2)
三、安全监理工作目标 (2)
四、安全监理工作范围………………………………………………3
五、安全监理工作内容 (3)
六、安全监理工作程序 (5)
七、安全监理措施……………………………………………………12
八、安全监理组织机构及人员配备计划 (12)
九、监理人员安全生产责任制 (13)
一、建设工程项目概况
工程名称:
工程地点:
建筑面积:
结构类型:
计划工期:
投资总额:
质量要求:
勘察单位:
设计单位:
主要施工单位:
二、安全监理工作依据
1、国家、地方有关安全生产、劳动保护、环境、消防等法律法规;
2、国家、地方有关建设工程安全生产的法律法规;
3、建设工程安全生产标准和规范;
4、政府批准的工程建设文件和设计文件;
5、建设工程监理合同和其他建设工程合同等;
6、监理大纲。
三、安全监理工作目标
1、生产安全事故控制目标:杜绝因工重伤、死亡事故的发生;消灭火灾、中毒、环境污染及重大机械安全事故等恶性事件。
2、安全达标目标:
1)严格按照行业标准《建筑施工安全检查标准》(JGJ59-99)进行项目安全管理,按其标准年度汇总得分在75分以上;
2)项目月度安全检查得分率在75分以上;
3)重大安全隐患整改率达百分之百;
4)力争创建施工现场安全生产无事故达标工地;
3、文明施工目标:
⑴防治大气污染
1)施工现场采取措施硬化,其中主要道路、料场、生活办公区域必须进行硬化
处理。
裸露的场地和集中堆放的土方应采取覆盖、固化或绿化等措施;
2)不得在施工现场熔融沥青和焚烧含有有毒、有害化学成分的装饰废料、油
毡、油漆、垃圾等各类废弃物;
3)在土方、渣土和施工垃圾运输时应采用密闭式运输车辆或采取覆盖措施;
4)严格控制施工扬尘,根据需要洒水降尘,确保达到国家或地方环保要求。
⑵防治废水污染
1)施工现场应设置排水沟及沉淀池,现场废水不得直接排入市政污水管网;
2)现场存放的油料、化学溶剂等应设有专门的库房,地面应进行防渗漏处理;
3)厕所的化粪池应进行抗渗处理;
4) 食堂、淋浴间的下水管线应设置隔离网,并应与市政污水管线可靠连接。
⑶防治施工噪声污染
1)施工现场的强噪声设备宜设置在远离居民区的一侧;
2)对因生产工艺要求或其他特殊需要,确需在22时至次日6时期间进行强噪声
施工的,施工前建设单位和施工单位应到有关部门提出申请,经批准后方可
进行夜问施工,并公告附近居民;
3)夜间运输材料的车辆进入施工现场,严禁鸣笛,装卸材料应做到轻拿轻放;
4)对产生噪声和振动的施工机械、机具的使用,应当采取消声、吸声、隔声等
有效控制措施,以降低噪声。
特别是在装修阶段,白天噪声应控制在65分贝以
下,晚间控制在55分贝以下,以满足国家及属地环保部门的要求。
⑷防治施工固体废弃物污染措施
施工车辆运输砂石、土方、渣土和建筑垃圾,应采取密封、覆盖措施,避免泄露、遗撒,并按指定地点倾卸,防止固体废物污染环境。
四、安全监理工作范围
承担××××小区住宅工程(1-3#、10-14#、21-28#、34#、35#楼及10#、13-15#四栋楼的地下室部分)施工阶段的所有安全监理任务。
(按实际监理工作范围填写!)
五、安全监理工作内容
1、施工准备阶段安全监理工作的主要内容:
⑴协助建设单位办理建设工程安全报监备案手续。
⑵ 协助建设单位与承包单位签订建设工程安全生产协议书;
⑶审查专业分包和劳务分包单位的建筑企业资质和安全生产许可证;
⑷审查施工单位项目经理及其主要管理人员的安全培训上岗证;
⑸审查电工、焊工、架子工、起重机械工、塔吊司机及指挥人员、物料提升机及外用电梯(人货两用)司机、拆除爆破工等特种作业人员上岗资格;
⑹督促和检查施工承包单位建立健全施工现场安全管理体系;
⑺督促施工承包单位检查各分包单位安全生产管理制度和安全管理体系;
⑻审查施工承包单位编制的施工组织设计中的安全技术措施及针对高危作业的专项安全施工方案,核查高危作业安全施工作业方案及应将救援预案;
⑼督促施工承包单位做好逐级安全技术交底等。
⑽
检查施工单位拟投入施工使用的大型施工机械(特别是塔式起重机等垂直运输机械,整体提升脚手架、模板等自升式架设设施,打桩机械等大型施工机械)的检测检验、验收、备案手续。
2、施工过程中安全监理工作的主要内容:
⑴
监督施工承包单位按照工程建设强制性标准和已审查批准的施工组织设计、安全专项施工方案组织施工,及时制止违章指挥和违章作业。
⑵
对施工现场的安全生产情况特别是高危作业进行巡视检查,每天不少于一次。
加强对易发生事故的重点部位和环节现场监督检查频率,必要时实行安全旁站监理。
⑶
发现严重违章施工和存在安全事故隐患的,应当立即要求施工承包单位进行整改,并检查整改结果,签署复查意见;情况严重的,由总监理工程师下达工程暂停令并及时报告建设单位;对施工承包单位拒不整改或者拒不停止施工的,应及时向建设行政主管部门(安全监督机构)报告并做好详细记录。
⑷督促施工承包单位进行安全自查自纠工作(班组、项目部、公司三级检查)。
⑸ 参加建设单位组织安全生产大检查,并做好检查记录。
⑹
以项目监理部名义定期(一般为每两周)组织施工单位进行现场的安全生产检查工作,不定期抽查现场有关施工人员安全持证上岗情况。
⑺
核查施工承包单位施工机械、安全设施的验收手续及备案情况,以及施工单位对大型施工
机械的定期检查和维护保养情况。
对未按照规定进行检测、检验、验收、备案以及定期
检查和维护保养的,总监理工程师应当下达暂停使用指令,责令施工单位进行整改并报告建
设单位,对施工单位拒不整改的应当及时报告工程所在地的建设行政主管部门(安全监督
机构)并做好详细记录。
3、竣工验收阶段安全监理工作的主要内容:
在工程竣工或分项竣工签发交接书后,对未完成的工程和对工程缺陷的修补、修复及
重建过程进行安全监督管理。
六、安全监理工作程序
1、工程开工报审基本程序
工程开工报审基本程序
2、分包单位资格审查基本程序
分包单位资格审查基本程序3、工程暂停及复工管理基本程序
工程暂停及复工管理基本程序
4、项目管理机构质保体系报审基本程序
质保体系报审基本程序
5、施工组织设计(方案)报审基本程序
施工组织设计(方案)报审基本程序
6、安全技术措施审查基本程序。