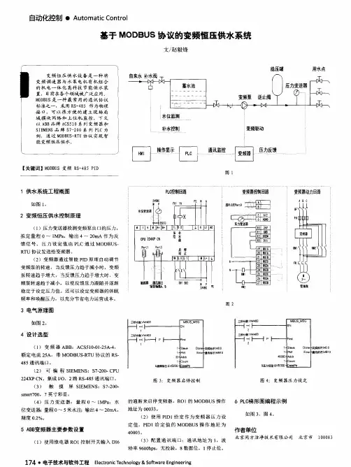
变频恒压供水系统协议
- 格式:docx
- 大小:108.26 KB
- 文档页数:5
三期厂区变频井恒压供水系统协议甲方:乙方:甲方三期厂区供水井需要安装恒压供水系统,由乙方承揽设计制作并安装、具体内容如下:一、恒压供水系统控制技术要求:现有机井两眼,配备150m扬程,流量50m3/h,电机功率:37kw深井水泵两套。
;两井之间距离520米,需提供厂区的生产用水(压力恒定保持在供水压力上限0.4~0.8Mpa,供水压力下线0.2~0.3Mpa),确定以下两个系统方案。
(位置排放及其他设计详见图纸)1、系统一:两个深水井各自配置系统电控箱一套,电器柜配置技术要求:采用变频恒压供水控制系统控制,变频器采用德国博世力士乐或四方电气技术有限公司生产的中文界面变频器,功率45kw,实现变频恒压供水,供水压力上限0.4~0.5Mpa,供水压力下线0.2~0.3Mpa,并设置第二压力上限为0.8Mpa,用水低谷时整套供水系统达到休眠状态,从而达到节电目的。
2、系统二:两台深水井分别配有单独变频控制系统电控箱,分为主控井和备用井,第二控制系统电控箱安装在主控井上,主控井恒压自动供水,按照系统一压力值(上限0.4~0.5mpa,供水压力下限0.25~0.3Mpa,可调)给厂区供水,供水需求大时主井全负荷工作至最高频率时自动开启备用井,达到供水需求时自动切断备用井。
并主控井和备用井都设有第二压力值(0.8Mpa)。
二、具体施工要求及价格:1、甲方提供配套深井水泵、压力水罐及管道安装,乙方负责变频恒压供水控制系统的所有配置及安装调试,(消防信号线沟槽由甲方开挖、回填,信号线的铺设安装由乙方负责)并培训甲方3人以上能熟练掌握实际操作及调试。
2、恒压供水控制系统的所有配置及安装调试的总计价格:____元,大写_____元整。
三、质量保证及验收标准:本协议交工验收,由甲方质检人员及被培训操作人员按上述要求验收;(变频供水系统甲方被培训操作人员签字)为交工验收合格。
本协议恒压供水控制系统的所有配置质保期为一年。
变频恒压供水控制系统方案1.方案介绍变频恒压供水控制系统基本由水泵、变频器、压力传感器和PLC控制器组成。
该系统可以对水泵的运行速度进行调节,以使供水系统的压力始终保持在设定值范围内。
当系统检测到压力超过设定值时,将降低水泵的运行速度,反之则提高运行速度。
2.系统原理变频恒压供水控制系统的原理基于水泵的调速运行。
通过变频器控制电机的转速,可以实现水泵的流量调节。
系统中的压力传感器会实时监测供水系统的压力,并将压力信号传给PLC控制器。
PLC控制器根据设定的压力范围和实际的压力信号来调节变频器的输出频率。
当实际压力超过设定范围时,PLC控制器会降低变频器的输出频率,降低水泵的运行速度;当实际压力低于设定范围时,则相反地提高运行速度。
3.系统优势(1)节能环保:相比传统的供水系统,在需求较低时能够降低水泵的运行速度,减少能耗和噪音。
在需求较高时,能够提高运行速度以满足压力需求,提高系统的响应性和供水能力。
(2)压力稳定:采用变频恒压供水控制系统可以实现对供水系统压力的精确控制,保证水压始终保持在设定值范围内,提高供水质量和稳定性。
(3)设备寿命长:通过变频器控制水泵的运行速度,可以减少启停次数,减轻设备的磨损,延长水泵和其他设备的使用寿命。
(4)自动监控保护:系统可以实时监测供水压力,一旦超过设定范围,系统会自动调节水泵的运行速度,确保供水稳定,同时还能提供报警功能,及时发现和排除故障。
4.实施步骤(1)系统设计:根据实际需求,确定供水系统的压力范围和变频器的参数配置。
(2)设备选型和采购:选购符合系统需求的水泵、变频器、压力传感器和PLC控制器等设备。
(3)设备安装和连接:安装和连接好水泵、变频器、压力传感器和PLC控制器等设备。
(4)系统调试和运行:通过调节变频器的参数和设定压力范围,实现系统的压力控制和供水调节。
(5)系统监测和维护:定期检查和维护系统的各个部件,确保系统正常运行。
总结:通过变频恒压供水控制系统的应用,可以实现供水系统的智能化、高效化和节能环保化。
变频器恒压供水系统方案变频器恒压供水系统是一种先进的水力设备,通过控制水泵的转速,使得水压保持在设定的恒定水平上。
这种系统的主要优点是能够满足不同用水需求下的稳定压力供应,从而提高供水质量和稳定性。
下面是一个关于变频器恒压供水系统的方案,以便更好地了解其运作原理和应用。
一、系统概述:二、系统原理:当用水需求增加时,传感器会监测到水压下降的信号,并将此信号传递给控制器。
控制器根据传感器的反馈信号,判断出水泵的负载情况,并相应地调节变频器的输出频率,使得水泵的转速增加,从而增加水的供应量,保持恒定水压。
相反,当用水需求减少时,传感器会监测到水压上升的信号,并传递给控制器。
控制器判断出水泵的负载情况,并相应地调节变频器的输出频率,使得水泵的转速减小,从而减少水的供应量,保持恒定水压。
三、系统特点:1.稳定性:变频器恒压供水系统能够自动调节供水量,保持稳定的水压,从而保证供水的稳定性。
2.节能性:系统根据实际需求调节水泵的转速,避免了过度供水,有效减少了能耗。
3.使用寿命长:系统通过控制水泵的运行状态,减少了水泵的启停次数,延长了水泵的使用寿命。
4.安全性:系统具备过载、过压、低压和短路等保护功能,确保供水系统的安全运行。
四、系统应用:变频器恒压供水系统广泛应用于城市居民楼、写字楼、商场、医院、学校等公共建筑的给水供应,以及工业生产中的供水系统。
由于该系统能够根据实际需求精确调节水泵的供水量,满足不同用水量的需求,因此特别适用于节水型社区和工厂。
五、系统优势:1.提高供水质量:系统能够根据实际需求调节供水量,保持恒定水压,避免了因水压变化而导致的水质问题。
2.减少能耗:系统根据实际需求调节水泵的运行状态,避免了过度供水,减少了能耗。
3.简化维护:系统能够自动控制水泵的运行状态,减少了人工干预和维护工作。
4.提高供水稳定性:系统能够根据实际需求调节供水量,保持稳定的水压,提高了供水的稳定性。
综上所述,变频器恒压供水系统是一种先进的水力设备,通过控制水泵的转速,使得水压保持在设定的恒定水平上。
变频恒压供水技术协议1. 引言本技术协议旨在详细阐述变频恒压供水技术的原理、应用范围、实施方案以及技术要求等内容,以确保供水系统的稳定性和高效性。
2. 技术原理变频恒压供水技术是通过控制水泵的转速,以实现恒定的供水压力。
该技术利用变频器对水泵的电机进行调速,根据供水系统的实时需求进行自动调节,从而保持供水压力的恒定。
3. 应用范围变频恒压供水技术适用于各类建筑物、工业园区、商业中心等供水系统。
无论是新建项目还是改造项目,都可以采用该技术来提高供水系统的稳定性和节能效果。
4. 实施方案4.1 变频器选型根据供水系统的需求,选用适当的变频器型号,确保其能够满足供水系统的负载要求。
变频器的额定功率应大于水泵的功率需求,以确保其稳定运行。
4.2 控制系统设计设计控制系统时,应考虑到供水系统的特点和需求。
通过编程设置合理的控制逻辑,包括压力传感器的信号采集、变频器的参数设定以及紧急停机保护等,以确保供水系统能够稳定运行。
4.3 安装调试在安装过程中,根据供水系统的具体情况,合理布置变频器和水泵,并确保电气连接正确可靠。
安装完成后,进行系统调试,包括设定合适的供水压力设定值、调整变频器参数等。
4.4 运行维护供水系统的运行维护工作包括定期检查供水压力、变频器运行状态、水泵的性能等,并及时进行必要的维修和保养工作,以保证供水系统的稳定运行。
5. 技术要求5.1 供水压力稳定通过变频恒压供水技术,供水系统应能够保持恒定的供水压力,无论负载变化如何,供水压力波动应在可接受范围内。
5.2 能耗降低通过变频器调速,供水系统能够根据实际需求灵活调节水泵的转速,从而降低能耗,提高供水系统的节能效果。
5.3 运行稳定可靠供水系统的各个部件应具备稳定性和可靠性,包括变频器、水泵、控制系统等。
系统运行中不应出现故障或异常情况。
5.4 易于操作和维护供水系统的操作界面应友好并易于操作,操作人员能够方便地进行参数设置、数据查询等操作。
变频恒压供水方案随着人们生活水平的提高和用水需求的不断增长,传统的水泵供水方式已经无法满足日益增长的水压需求。
为了解决这个问题,变频恒压供水方案应运而生。
本文将介绍变频恒压供水方案的原理、优势以及应用场景。
一、方案原理变频恒压供水方案采用的是变频技术和PID控制技术相结合的方式,实现对供水系统的智能控制和恒压供水。
其具体原理如下:1. 变频技术:水泵通过变频器控制电机的转速,根据实际用水情况调整电机的输出频率。
当用水量增加时,变频器会提高电机的转速,以增加水压;当用水量减少时,变频器会降低电机的转速,以降低水压。
通过实时监测用水需求,自动调整电机的转速,从而实现水压的恒定。
2. PID控制技术:PID控制是一种经典的控制算法,通过对比实际输出和期望输出的差异,不断调整控制信号,使系统达到稳定的状态。
在变频恒压供水方案中,PID控制器监测实际水压与设定水压之间的差异,并根据差异值来调节变频器的输出频率,以实现恒压供水。
二、方案优势采用变频恒压供水方案有以下几个优势:1. 节能高效:由于变频技术可以根据实际需求调整电机的转速,避免了传统水泵的定转速运行模式,有效降低了电能的消耗。
同时,PID控制技术可以精确控制水压,减少水泵的工作量,使水泵运行更加高效。
2. 稳定可靠:变频恒压供水方案能够实时监测水压变化,并及时调整电机的转速,使供水系统始终保持恒定的水压。
这不仅可以提供稳定可靠的用水体验,还可以避免因水压过高或过低而引发的故障和损坏。
3. 安全环保:采用变频恒压供水方案可以实现水泵的精确控制,避免了过高水压对管道和设备的损坏,延长了设备的使用寿命。
同时,由于变频技术的应用,减少了水泵的启停频率,降低了噪音和振动,提供了更加安静和舒适的供水环境。
三、方案应用变频恒压供水方案适用于各种场景,尤其是在住宅小区、商业楼宇、工业生产等对水压要求较高的场所。
具体应用包括:1. 住宅小区供水:可以根据住宅小区的用水需求,实现恒定的水压供应,提供舒适的生活用水环境。
城市恒压供水系统一、前言1、供水系统概述城市规模的不断扩大,高层建筑的不断增长,对于高层的用户来说,在白天或者用水高峰时供水系统的电动机负荷最大,常常需要满负荷或超负荷运行,而在晚上或休闲是,所需水量减少很多,但是电动机依然处于满负荷运行状态,这样既浪费了大量的资源,对电动机的损耗也较大。
所以需要根据不同的需求条件来调节电动机的转速以实现恒压供水。
在供水系统中,当用水量需要变化时,传统的调节方法是通过人工改变阀门的开度来调整, 但是此类方法无法对供水管道内的压力和水位变化做出及时、恰当的反应,往往会造成用水高峰期时供水压力不足,用水低峰期时供水压力过高,不仅十分浪费能源而且存在事故隐患(例如压力过高容易造成爆管事故)。
因此无法满足城市供水系统的要求。
采用变频调速的供水系统可以有效解决以上的问题。
根据用水量的大小,控制水泵的转速,即用水量增大时,调高变频,使水泵转速升高,增加供水量。
当用水量超过一台水泵的供水量时启动新的水泵以增加供水量,当用水量减少时,使水泵转速降低或减少投入运行的水泵数量,减少供水量。
2、供水系统功能城市供水系统的主要功能是在用水量不断变化的情况下,维持管内的压力在一定范围内,既能满足用水的需求,又能最大程度节约能源,延长设备寿命。
变频供水的控制器经历了从继电器- 接触器,到单片机,再到PLC。
而变频器也从多端速度控制、模拟量输入控制发展到专用变频器,为实现城市供水系统简单、高效、低能耗的功能,并且实现自动化的控制过程,采用PLC作为核心控制器是个较好的方案。
(完整word版)plc变频器控制恒压供水系统PLC具有体积小、设计周期短、数据处理和通信方便、易于维护和操作、明显降低成本等优点,可满足城市供水系统的控制要求.除此以外,PLC作为城市供水控制系统使设计过程变得更加简单,可实现的功能变得更多。
由于PLC的CPU强大的网络通信能力,是城市供水系统的数据传输与通信变得可能,并且也可以实现其远程监控.利用「1。
水泵变频改造项目合作协议甲方(委托方):_______乙方(受托方):_______根据《中华人民共和国合同法》及相关法律法规的规定,经双方友好协商,就甲方的水泵变频改造项目,达成以下协议条款:一、项目概述1.1 本项目为甲方的水泵变频改造项目,乙方负责项目的实施。
1.2 项目内容包括:对甲方指定地点的水泵进行变频改造,以达到节能降耗的目的。
二、项目实施2.1 乙方应按照甲方的要求,按时完成水泵变频改造工作,确保设备安全、完整地运抵甲方指定地点。
2.2 乙方在项目实施过程中应遵守相关法律法规,确保项目的顺利进行。
三、项目费用及支付3.1 乙方完成水泵变频改造项目的总费用为人民币_______元(大写:_______元整)。
3.2 甲方应按照以下支付方式进行付款:(1)在本协议签订之日起_______个工作日内,支付人民币_______元作为预付款。
(2)项目实施完成后,甲方应在验收合格后_______个工作日内支付剩余款项。
四、双方的权利和义务4.1 甲方应确保水泵变频改造项目的顺利进行,提供必要的支持和配合。
4.2 乙方应按照甲方的要求,完成水泵变频改造项目,确保设备安全、可靠地运行。
4.3 乙方应负责项目的售后服务,包括设备维修、保养等。
五、违约责任5.1 双方违反协议约定,应承担相应的违约责任。
5.2 由于不可抗力原因导致协议无法履行,双方互不承担违约责任。
六、争议解决6.1 双方在履行协议过程中发生的争议,应友好协商解决。
6.2 如协商无果,任何一方均有权向合同签订地人民法院提起诉讼。
七、其他约定7.1 本协议一式两份,甲乙双方各执一份。
7.2 本协议自双方签字(或盖章)之日起生效,有效期为_______年。
甲方(盖章):_______乙方(盖章):_______签订日期:_______。
变频供水设备合作协议书甲方(需求方):_________________乙方(供应方):_________________鉴于甲方需要采购并安装变频供水设备,乙方作为专业的变频供水设备供应商,双方本着平等自愿、互利共赢的原则,经友好协商,达成如下合作协议:一、产品规格与技术要求1. 乙方应按照甲方提供的技术参数和要求,提供相应的变频供水设备。
2. 设备应符合国家相关标准及行业规范,保证质量合格,性能稳定。
3. 设备的详细规格、型号、数量及技术要求详见附件《变频供水设备技术规格书》。
二、价格与支付方式1. 双方约定的变频供水设备总价为人民币______元。
2. 甲方需在合同签订后___天内支付总价的___%作为定金。
3. 设备安装调试完成并经甲方验收合格后,甲方应支付剩余的___%。
4. 具体的支付方式和期限以双方签署的《付款协议》为准。
三、交货与安装1. 乙方应在收到甲方定金后的___天内完成设备的生产,并在___天内将设备交付至甲方指定地点。
2. 乙方负责设备的运输及保险费用,确保设备安全无损地送达。
3. 设备到达后,乙方应在___天内完成安装调试工作。
四、质量保证与售后服务1. 乙方对所提供的变频供水设备提供___年的质保服务。
2. 在质保期内,如设备出现非人为因素导致的故障,乙方负责免费维修或更换。
3. 乙方应提供完善的售后服务,包括技术咨询、故障诊断、维修保养等。
五、违约责任1. 如一方未能履行合同中的任何条款,应向对方支付违约金,违约金的数额为违约行为所涉及金额的___%。
2. 如因不可抗力因素导致无法履行合同,双方应及时沟通,协商解决。
六、争议解决合同执行过程中发生的任何争议,双方应首先通过友好协商解决;协商不成时,可提交至甲方所在地人民法院诉讼解决。
七、其他事项1. 本合同自双方授权代表签字盖章之日起生效。
2. 本合同未尽事宜,双方可另行签订补充协议。
3. 本合同一式两份,甲乙双方各执一份,具有同等法律效力。
2024年变频供水设备合同范文合同编号:甲方:_____ 签定地点:_____ 乙方:_____ 签定时间:_____ 合同内容:一、乙方为甲方设计安装电脑自动化恒压供水设备台,设计安装按照甲方提供的技术参数要求。
供水量m3/h,扬程m。
二、系统配置包括:1、变频控制柜台,主机品牌,功率KW。
2、潜水电泵台,主体品牌,功率KW。
3、配套管路,m。
4、其它:_______________________________________。
三、以上内容设备定价为(不含税)(¥:)。
四、在设备安装前,甲方负责将设备动力电源安装到位,电源电压应符合正常运行范围。
五、乙方确保产品质量,并按约定时间完成调试。
自设备安装之日起,全套设备保修一年(人为损坏,自然灾害除外,如雷击等)。
一年后如出现故障,只收取维修成本费。
六、付款方式:合同签定之日,甲方付设备款元,待设备安装调试完毕正常运转后三日内一次性付清。
七、未尽事宜,甲乙双方协商解决。
该合同一式两份,双方各执一份。
甲方甲方:_____ 乙方:_____电话:_____ 电话:_________年____月____日2024年变频供水设备合同范文(二)合同编号:____________甲方(供货商):________________(以下简称甲方)地址:__________________联系人:__________________电话:__________________乙方(购货方):________________(以下简称乙方)地址:__________________联系人:__________________电话:__________________鉴于甲方具备供应变频供水设备的能力,乙方有意向购买该设备,双方经友好协商,达成如下合作意向。
一、产品规格甲方将向乙方供应以下变频供水设备:(具体产品型号、规格等)二、合同价格1.甲方同意按照下列价格向乙方供应变频供水设备:(具体设备价格和支付方式)2.如因特殊原因需要调整价格,双方应协商一致后签订补充协议。
responsi ble for the devel opment of com pany manageme nt, including t he deve lopme nt of settleme nt and settlement sta ndar ds of pr eparation, the busine ss unit cl earing w ork inspe ction and gui dance, busi nes s settlement a udit ; 23, is i n charge of the com pany busi nes s and costs calculation and a nalysis of new proje cts a nd to develop sta ndards and pr ovide t he ba sis for decisi on -making a nd re spons ible for t he comprehensiv e economic and techni cal indicat ors and statisti cs, a nalysis , summary and reporting ; 24, the company re sponsi ble for a udits of various types of busine ss contra cts, the princi pal of contra ct pri ce (pur cha se pri ce, freight, taxes, et c), payment method, payment, s ettlement, s uch as the reas ona blene ss of the data, a uthe nticit y, accura cy; 25 , strict e nforcement of national tax policy, is res ponsi ble for the m onthly re porti ng, i ncl udi ng tax calculations, statisti cs, g o through the re levant formalities, re ceive i nvoices; 26, the com pany res ponsi ble for all kinds of price (i ncl udi ng product price, material price s, Freight, engineering machinery jobs pri ce, pri ce, price) 's terms of market surveys , quotations, pri ce exce ption report; 27, i s responsible for the com pany's ma nagement, i ncl udi ng conference organiz ed by price , of histori cal pri ces , totals, et c; 28, a ccordi ng to the a nnual operating pla n, a nnual costs and undergo de com positi on, control, analysis a nd eval uation; res ponsibl e for costing and cost control, ens ure accounti ng num ber is reas ona ble, corre ct, and com plete accounti ng report a nd the com pany's other re ports compil ed a nd reported t o work;变频恒压供水系统技术方案2009-7-10 8:28:00 来源:深圳柏强工业控制设备有限公司一.系统介绍本系统变频恒压供水系统技术方案,此系统由单台变频控制 2 台 3KW 水泵,全自动 无人值守工作,实现对整个供水设备的自动控制,应用变频器实现恒压供水,同时保 留手动控制的功能。
合同编号:____甲方(供货方):____乙方(采购方):____根据《中华人民共和国合同法》及相关法律法规的规定,甲乙双方在平等、自愿、公平、诚实信用的原则基础上,就甲方供应乙方变频恒压系统产品及相关服务,乙方购买该产品及服务事宜,经友好协商,达成以下合同条款:一、产品及服务内容1.1 甲方同意向乙方供应包括但不限于变频恒压供水控制器、水泵、传感器等产品及相关技术支持和服务。
1.2 乙方同意购买甲方所供应的上述产品和服务。
二、数量和质量2.1 甲方应按照乙方提供的技术参数和需求,提供符合国家或行业标准的产品。
2.2 甲方提供的产品应保证全新、完好,且性能稳定。
2.3 乙方应按照甲方的产品说明书和操作规程正确使用产品。
三、价格和支付3.1 双方同意根据市场行情和产品实际成本,协商确定产品价格。
3.2 乙方应按照双方约定的付款方式及时支付产品购买款项。
3.3 甲方应在收到乙方付款后及时安排发货。
四、交货及验收4.1 甲方应按照双方约定的交货期限提供产品。
4.2 乙方应对收到的产品进行验收,确认产品数量和质量无误后进行签收。
4.3 如乙方对收到的产品有异议,应在验收期内提出,并书面通知甲方。
甲方应在接到通知后7个工作日内予以答复并采取补救措施。
五、售后服务5.1 甲方应对乙方提供的产品提供必要的操作培训和技术支持。
5.2 甲方应自产品交付之日起,提供一年的免费保修服务。
5.3 保修期内,如产品出现非人为损坏的问题,甲方应负责免费维修或更换。
5.4 保修期外,甲方应按照双方约定的费用提供维修服务。
六、合同的变更和解除6.1 任何一方要求变更或解除合同,应提前书面通知对方,并经双方协商一致。
6.2 因不可抗力导致合同无法履行,双方可协商变更或解除合同。
七、违约责任7.1 任何一方违反合同的约定,应承担相应的违约责任。
7.2 因甲方原因导致产品交付延误或产品质量问题,甲方应支付乙方相应的违约金。
7.3 因乙方原因导致合同无法履行,乙方应支付甲方相应的违约金。
PLC 恒压供水变频调速控制系统方案1、系统的描述该系统兼有自动与手动功能.自动控制时,能自动进行恒压调节,手动控制时,能随意启、停各台泵。
在运行过程中,均可经过指示灯的状态来判断变频器及泵的各种状态。
系统主要由二台45KW 的水泵、一台变频器(富仕)、一台PLC 、压力传感器及外围器件构成闭环系统。
本系统采用富仕公司FRENIC 系列变频器,该系列变频器可应用于泵与风机等多种场合。
采用PLC 的模拟量输入/输出功能采集安装在管道上的压力变送器反馈回来的压力信号,通过PLC 内部编程计算,将之与压力的设定值相比较,由比较结果来调节变频器的运行频率,从而实现控制水泵泵转速恒压供水的目的。
此外,当一台变频器处于满负荷工作仍无法达到设定压力时,PLC 会自动启动备用水泵,这是PLC 在该系统中的另一作用。
倘若仍无法达到设定压力时,系统会发出欠压报警信号。
当系统缺水时,PLC 会发出一个缺水报警信号,同时停止两台泵的运行。
系统示意图如图12.系统工作过程 2.1手动运行流程当SA4开关处于手动状态时,要想启动1号泵(及变频器所在的泵),可将SA1打到启动状态即可。
若想停止1#泵,只要将SA1开关打到原来状态,即打到停止状态,要启动、停止其他泵方法同上,SA2是启动、停止2#泵开关。
当系统处于手动状态时,仍然可以根据压力传感器反馈回来的实际压力大小来调节变频器的运行状况。
即使2#泵投入运行,1#泵仍然可以根据实际压力的大小来调节1#的运行状况。
2.2自动运行流程a) 当SA4开关处于自动状态时,按SB1按钮可启动系统,按SB2停止按钮可停止系统,当发生事故时可按SB3急停按钮可紧急停止系统。
b) 自动运行的各种状态系统自动运行时,按SB1启动按钮,将先启动1#泵,然后根据设定压力和实际压力来调节2#泵、投入和切除。
控制面板见图3.2。
欠压当1#泵满负荷运行(即变频器运行到上限频率50Hz )时,实际压力仍然达不到设定压力时,系统将经过一段时间的延时后,把2#泵投入运行,这是变频器会泵压力输出泵变频器设定值压力传感器图1 系统示意图根据实际压力来调整变频器的频率,经过调节后,会有下列几种情况:I.压力达到设定压力的要求而变频器的频率高于频率下限时,系统将稳定运行。
变频器恒压供水接线图及供水设置和设置方法以下所介绍的变频器恒压供水接线图及供水设置和设置方法采用的是型号为HDI系列的变频器,此变频器用途广泛,许多客户都有拿它来做自动调速、水泵自动控制、恒压供水等。
有关恒压供水的接线图及供水设置和设置方法请细看以下内容。
变频器恒压供水设置有关的参数如下:Pr033启动指令来源(Pr033=0面板,1 端子)Pr034=0运行频率来源 0:操作器(注:PID恒压控制此参数要求是0)Pr052=32 PID开启端子X3与COM短接,PID开启Pr117-Pr119睡眠频率设定Pr150-Pr152(先使用出厂设定值,供水压力恒定的情况下不需要更改)Pr153目标值(此参数设置为目标压力,数值根据远传压力表量程的百分比算)Pr154-Pr156(详情查看说明书22页)J1插针跳线应该在1-AI这个位置远传压力表信号接线端子为:+10V、AI、GND,中心线为AI;变频器恒压供水接线图:众所周知,使用恒压供水的好处有很多,一般来说主要体现在以下几点:⒈ 技术先进:采用了变频器和PLC(PC/智能控制器)的自动化控制,使设备根据各种供水要求实现智能化恒压变量供量供水;⒉ 高效节能:系统能按需设定压力,系统根据设定的压力自动调节水泵转速和水泵运行台数,使设备运行在高效节能的最佳状态;⒊ 供水压力稳定:系统实现闭环控制,能自动调节设定压力和系统压力的差值,是压力保持恒定;⒋ 操作稳定:系统由变频器或变频器加智能控制器自动控制,操作极为简单;⒌ 延长电机、水泵寿命:各泵皆为软启动,消除了启动时的冲击电流。
各泵循环启动,使备用水泵不会因长久不用而生锈或使用频繁而磨损。
对消防实现定期巡检;⒍ 完善的保护功能:具有过流、缺相、过压、过热、过载等多种保护,水泵运行如有故障,自动停止工作并报警输出;系统具有自检、故障判断、故障记忆、故障显示、自动启动备用泵等功能;⒎ 小流量睡眠功能:可配接附属小泵,使系统运行在夜间或其它小流量情况下,自动关闭主泵,开启附属小泵,从而避免因开大功率水泵而造成的浪费;⒏ 运行动作功能:变频器和控制器的编程与设定方便简单,容易掌握和操作变频器恒压供水接线图及供水设置和设置方法。
恒压供水变频方案1. 引言恒压供水系统在现代生活中得到广泛应用,它通过控制水泵的转速来保持供水网络中的水压恒定。
传统的恒压供水系统通常采用电磁起动器或星三角起动器来控制水泵的启停和转速。
然而,这种方法存在能耗高、噪声大、运行不稳定等问题。
为了解决这些问题,采用变频器控制水泵的转速成为了一种更为高效的恒压供水方案。
2. 变频器工作原理变频器是一种可调变频电力调整装置,通过对电机进行调速来控制水泵的转速。
其工作原理基于电压和频率之间的关系。
变频器将市电输入的固定频率电流转换为可调变频的输出电流,通过改变输出频率来控制电机的转速。
3. 恒压供水的需求恒压供水系统要求在网络负载变化的情况下,保持供水压力恒定。
传统的恒压供水系统难以调整水泵的转速,导致在低负载时供水压力过高,浪费能源;在高负载时供水压力不足,影响用户体验。
因此,采用变频器控制水泵转速可以实现根据需求自动调整供水压力,从而提高能源利用效率和用户满意度。
4. 恒压供水变频方案的优势相比传统的电磁起动器或星三角起动器,恒压供水变频方案具有以下优势: -能耗低:采用变频器控制水泵转速,可以根据实际需求调整功率输入,降低能耗。
- 运行稳定:变频器通过精确控制电机转速,确保水泵运行平稳,减少水击现象的发生,延长设备寿命。
- 噪声小:相对于传统的起动器装置,变频器工作噪声更低,提供更加安静的使用环境。
- 自动调节:根据网络负载的变化,变频器可以自动调整水泵的转速,保持供水压力恒定,提供更好的供水体验。
5. 恒压供水变频方案的实施步骤要实施恒压供水变频方案,可以按照以下步骤进行: 1. 进行系统分析:对供水系统的特点、负载变化情况进行分析,确定变频器的规格和配置要求。
2. 安装变频器:根据供水系统的需求,选择合适的变频器,并按照安装要求进行安装。
3.连接电机和变频器:将水泵的电机和变频器进行连接,并进行相关的电气接线工作。
4. 进行调试:对变频器进行参数设置和调试,确保变频器可以准确地控制水泵的转速。
技术协议
一、总则
1.1本协议书适用于山西柳林王家沟煤业有限公司变频恒压供水系统。
它包括了设备的功能设计、结构、性能、供货等方面的技术要求。
1.2如卖方没有以书面形式对技术规范书明确提出异议,那么卖方提供的产品应完全满足技术协议书的要求。
若供方所提供的协议书前后有不一致的地方,应以更有利于设备安装运行、工程质量为原则,由买方确定。
设备采用的专利涉及到的全部费用均被认为已包含在设备报价中,卖方应保证买方不承担有关设备专利的一切责任。
1.3本技术协议书所使用的标准如与卖方所执行的标准发生矛盾时,按较高标准执行。
二、设备概述
2.1变频恒压供水是指在供水管网中用水量发生变化时,出口压力保持不变的供水方式。
供水管网的出口压力值是根据用户需求确定的。
2.2变频恒压供水系统以管网水压 (或用户用水流量)为设定参数,通过微机控制变频器的输出频率从而自动调节水泵电机的转速,实现管网水压的闭环调节 (PID),使供水系统自动恒稳于设定的压力值:即用水量增加时,频率升高,水泵转速加快,供水量相应增大;用水量减少时,频率降低,水泵转速减慢,供水量亦相应减小,这样就保证了供水效率用户对水压和水量的要求。
2.3变频恒压供水系统是一项成熟的技术,我公司已为多家水处理厂进行设计和改造,并取得可观的经济和社会效益。
三、设备规范
3.1设备名称:变频恒压供水系统
3.2型号:HHY-50/72-Q3
3.3设备组成:主泵、副泵、稳压罐、系统机组、智能变频控制柜
3.4主要参数:
3.5位置:室内安装
3.6变频恒压供水系统型号说明
3.7该系统设备主泵有二台,全部可软启动,均可变频调速,若按正顺序启动则按逆顺序停止。
在三台水泵并联供水时,只有一台泵是变频调速泵,其余为恒速泵。
在水泵出水管附近安装压力传感器,并将出水口压力信号反馈给变频恒压控制柜,控制水泵按设计给定的压力自动选择水泵的开停及台数,由用户需水量决定水泵供水量。
四、变频调速水泵恒压供水的特点:
我公司的变频调速水泵恒压供水有如下特点:
4.1供水压力稳定:
系统实现闭环控制,传感器返回系统压力,通过与设定值的比较,输出相应频率,拖动水泵运行在相应的转速,使系统压力保持恒定。
4.2高效节能:
系统能按需设定压力,根据设定的压力自动调节水泵转速和水泵运行台数,使设备运行在高效节能的最佳工作状态。
4.3操作方便简单,稳定可靠:
系统由变频器和PLC自动控制,可实行无人操作,操作简单。
配有自动/手动开关控制,保证设备的安全连续运行。
4.4延长电机水泵寿命:
各泵皆为软启动,输出频率由0平滑地逐渐上升,电压从0逐渐上升到额定电压,停机时,输出频率从运行频率平滑地逐渐下降到0,电压从运行电压按比例逐渐下降到0,实现了软启动和软停止,消除了起动时的冲击电流,有效避免水锤,延长了设备的使用寿命。
各泵循环软起动,使各泵不会因长久不用而生锈或使用频繁而磨损。
4.5完善的保护功能:
具有短路、过流、过压、过热、过载等多种保护功能,水泵如有故障,自动停止工作并报警输出;系统具有自检、故障判断、故障记忆、故障显示、自动启动备用泵等功能。
4.6小流量附属小泵自动运行功能:
配接小流量附属小泵,使系统在夜间或其他小流量情况下,自动关闭主泵,开启附属小泵,从而避免了因开大功率水泵而造成的浪费。
4.7各泵均为环保型低噪音水泵。
4.8通讯串行口能和计算机连接,可实现计算机联网直接控制。
五.供货范围
变频恒压供水系统HHY-50/72-Q3一套/台
买方:(章)卖方:(章)
山西柳林王家沟煤业有限公司河北恒源泵业有限公司授权代表签字:授权代表签字:
电话:电话:0312--8331111 日期:2017年10月日日期:2017年10月日。