(完整版)金属学及热处理习题参考答案(1-9章)
- 格式:doc
- 大小:443.51 KB
- 文档页数:28
金属材料与热处理习题及答案第一章金属的结构与结晶一、判断题1、非晶体具有各同性的特点。
( √)2、金属结晶时,过冷度越大,结晶后晶粒越粗。
(×)3、一般情况下,金属的晶粒越细,其力学性能越差。
( ×)4、多晶体中,各晶粒的位向是完全相同的。
( ×)5、单晶体具有各向异性的特点。
( √)6、金属的同素异构转变是在恒温下进行的。
( √)7、组成元素相同而结构不同的各金属晶体,就是同素异构体。
( √)8、同素异构转变也遵循晶核形成与晶核长大的规律。
( √)10、非晶体具有各异性的特点。
( ×)11、晶体的原子是呈有序、有规则排列的物质。
( √)12、非晶体的原子是呈无序、无规则堆积的物质。
( √)13、金属材料与热处理是一门研究金属材料的成分、组织、热处理与金属材料性能之间的关系和变化规律的学科。
( √)14、金属是指单一元素构成的具有特殊的光泽延展性导电性导热性的物质。
( √)15、金银铜铁锌铝等都属于金属而不是合金。
( √)16、金属材料是金属及其合金的总称。
( √)17、材料的成分和热处理决定组织,组织决定其性能,性能又决定其用途。
( √)18、金是属于面心立方晶格。
( √)19、银是属于面心立方晶格。
( √)20、铜是属于面心立方晶格。
( √)21、单晶体是只有一个晶粒组成的晶体。
( √)22、晶粒间交接的地方称为晶界。
( √)23、晶界越多,金属材料的性能越好。
( √)24、结晶是指金属从高温液体状态冷却凝固为固体状态的过程。
( √)25、纯金属的结晶过程是在恒温下进行的。
( √)26、金属的结晶过程由晶核的产生和长大两个基本过程组成。
( √)27、只有一个晶粒组成的晶体成为单晶体。
( √)28、晶体缺陷有点、线、面缺陷。
( √)29、面缺陷分为晶界和亚晶界两种。
( √)30、纯铁是有许多不规则的晶粒组成。
( √)31、晶体有规则的几何图形。
( √)32、非晶体没有规则的几何图形。
第一章金属的晶体结构1-1作图表示出立方晶系( 1 2 3[-2 1 1]、[3 4 6]等晶向。
)、(0 -1 -2)、(4 2 1)等晶面和[-1 0 2]、答:1-2 立方晶系的 {1 1 1}晶面构成一个八面体,试作图画出该八面体,并注明各晶面的晶面指数。
答:{1 1 1} 晶面共包括( 1 1 1 )、(-1 1 1 )、(1 -1 1 )、(1 1 -1 )四个晶面,在一个立方晶系中画出上述四个晶面。
1-3某晶体的原子位于正方晶格的节点上,其晶格常数为a=b≠ c,c=2/3a 。
今有一晶面在 X、Y、Z 坐标轴上的结局分别为 5 个原子间距、 2 个原子间距和 3个原子间距,求该晶面的晶面指数。
答:由题述可得: X 方向的截距为×2a/3=2a 。
取截距的倒数,分别为1/5a ,1/2a ,1/2a5a, Y 方向的截距为2a,Z 方向截距为3c=3化为最小简单整数分别为故该晶面的晶面指数为(2,5,5 255 )1-4 体心立方晶格的晶格常数为a,试求出( 1 0 0 )、( 1 1 0 )、(1 1 1 )晶面的面间距大小,并指出面间距最大的晶面。
答:H( 1 0 0) ==a/2 H( 1 1 0) ==√2a/2H)==√3a/6(111面间距最大的晶面为( 1 1 0 )1-5 面心立方晶格的晶格常数为a,试求出( 1 0 0 )、( 1 1 0 )、(1 1 1 )晶面的面间距大小,并指出面间距最大的晶面。
答:H( 1 0 0) ==a/2H( 1 1 0) ==√2a/4H( 1 1 1) ==√3a/3面间距最大的晶面为( 1 1 1 )注意:体心立方晶格和面心立方晶格晶面间距的计算方法是:1、体心立方晶格晶面间距:当指数和为奇数是H=,当指数和为偶数时 H=2、面心立方晶格晶面间距:当指数不全为奇数是H=,当指数全为奇数是H=。
1-6 试从面心立方晶格中绘出体心正方晶胞,并求出它的晶格常数。
第一章金属的晶体结构马氏体沉淀硬化不锈钢,它是美国 ARMCO 钢公司在1949年发表的,其特点是强度高,耐蚀性好,易焊接,热处理工艺简单,缺点是延韧性和切削性能差,这种马氏体不锈钢与靠间隙元素碳强化的马氏体钢不同,它除靠马氏体相变外并在它的基体上通过时效处理析出金属间化合物来强化。
正因为如此而获得了强度高的优点,但延韧性却差。
1、试用金属键的结合方式,解释金属具有良好的导电性、正的电阻温度系数、导热性、塑性和金属光泽等基本特性.答:(1)导电性:在外电场的作用下,自由电子沿电场方向作定向运动。
(2)正的电阻温度系数:随着温度升高,正离子振动的振幅要加大,对自由电子通过的阻碍作用也加大,即金属的电阻是随温度的升高而增加的。
(3)导热性:自由电子的运动和正离子的振动可以传递热能。
(4) 延展性:金属键没有饱和性和方向性,经变形不断裂。
(5)金属光泽:自由电子易吸收可见光能量,被激发到较高能量级,当跳回到原位时辐射所吸收能量,从而使金属不透明具有金属光泽。
2、填空:1)金属常见的晶格类型是面心立方、体心立方、密排六方。
2)金属具有良好的导电性、导热性、塑性和金属光泽主要是因为金属原子具有金属键的结合方式。
3)物质的原子间结合键主要包括金属键、离子键和共价键三种。
4)大部分陶瓷材料的结合键为共价键。
5)高分子材料的结合键是范德瓦尔键。
6)在立方晶系中,某晶面在x轴上的截距为2,在y轴上的截距为1/2;与z轴平行,则该晶面指数为(( 140 )) .7)在立方晶格中,各点坐标为:A (1,0,1),B (0,1,1),C (1,1,1/2),D(1/2,1,1/2),那么AB 晶向指数为(-110),OC晶向指数为(221),OD晶向指数为(121)。
8)铜是(面心)结构的金属,它的最密排面是(111 )。
9) α-Fe、γ-Fe、Al、Cu、Ni、Cr、V、Mg、Zn中属于体心立方晶格的有(α-Fe 、 Cr、V ),属于面心立方晶格的有(γ-Fe、Al、Cu、Ni ),属于密排六方晶格的有( Mg、Zn )。
第一章金属的晶体结构1-1 作图表示出立方晶系(1 2 3)、(0 -1 -2)、(4 2 1)等晶面和[-1 0 2]、[-2 1 1]、[3 4 6]等晶向。
答:1-2 立方晶系的{1 1 1}晶面构成一个八面体,试作图画出该八面体,并注明各晶面的晶面指数。
答:{1 1 1}晶面共包括(1 1 1)、(-1 1 1)、(1 -1 1)、(1 1 -1)四个晶面,在一个立方晶系中画出上述四个晶面。
1-3 某晶体的原子位于正方晶格的节点上,其晶格常数为a=b≠c,c=2/3a。
今有一晶面在X、Y、Z坐标轴上的结局分别为5个原子间距、2个原子间距和3个原子间距,求该晶面的晶面指数。
答:由题述可得:X方向的截距为5a,Y方向的截距为2a,Z方向截距为3c=3×2a/3=2a。
取截距的倒数,分别为1/5a,1/2a,1/2a化为最小简单整数分别为2,5,5故该晶面的晶面指数为(2 5 5)1-4 体心立方晶格的晶格常数为a,试求出(1 0 0)、(1 1 0)、(1 1 1)晶面的面间距大小,并指出面间距最大的晶面。
答:H==a/2(1 0 0)==√2a/2H(1 1 0)==√3a/6H(1 1 1)面间距最大的晶面为(1 1 0)1-5 面心立方晶格的晶格常数为a,试求出(1 0 0)、(1 1 0)、(1 1 1)晶面的面间距大小,并指出面间距最大的晶面。
答:==a/2H(1 0 0)H==√2a/4(1 1 0)==√3a/3H(1 1 1)面间距最大的晶面为(1 1 1)注意:体心立方晶格和面心立方晶格晶面间距的计算方法是:1、体心立方晶格晶面间距:当指数和为奇数是H=,当指数和为偶数时H=2、面心立方晶格晶面间距:当指数不全为奇数是H=,当指数全为奇数是H=。
1-6 试从面心立方晶格中绘出体心正方晶胞,并求出它的晶格常数。
答:1-7 证明理想密排六方晶胞中的轴比c/a=1.633。
金属学与热处理课后答案第一章填表:晶格类型原子数原子半径配位数致密度体心立方2a43868%面心立方4a421274%密排六方6a211274%5、作图表示出立方晶系(1 2 3)、(0 -1 -2)、(4 2 1)等晶面和[-1 0 2]、[-2 1 1]、[3 4 6] 等晶向10、已知面心立方晶格常数为a,分离计算(100)、(110)、和(111)晶面的晶面间距;并求出【100】、【110】和【111】晶向上的原子罗列密度(某晶向上的原子罗列密度是指该晶向上单位长度罗列原子的个数)第1 页/共18 页答:(100):(110):(111):14、何谓组元?何谓相?何谓固溶体?固溶体的晶体结构有何特点?何谓置换固溶体?影响其固溶度的因素有哪些?答: 组元:组成合金最基本的、自立的物质。
相:合金中结构相同、成分和性能均一并以界面互相分开的组成部分。
固溶体:合金组元之间以不同的比例互相混合形成的晶体结构与某一组元相同的固相。
固溶体的晶体结构特点:固溶体仍保持着溶剂的晶格类型,但结构发生了变化,主要包括以下几个方面:1)有晶格畸变,2)有偏聚与有序,3)当低于某一温度时,可使具有短程有序的固溶体的溶质和溶剂原子在囫囵晶体中都按—定的顺序罗列起来,改变为长程有序,形成有序固溶体。
置换固溶体:溶质原子位于溶剂晶格的某些结点位置所形成的固溶体。
影响置换固溶体固溶度的因素:原子尺寸,电负性,电子浓度,晶体结构15、何谓固溶强化?置换固溶体和间隙固溶体的强化效果哪个大?为什么?答:固溶强化:在固溶体中,随着溶质浓度的增强,固溶体的强度、硬度提高,而塑性、韧性有所下降的现象。
间隙固溶体的强化效果大于置换固溶体的强化效果。
缘故:溶质原子与溶剂原子的尺寸差别越大,所引起的晶格畸变也越大,强化效果越好。
间隙固溶体晶格畸变大于置换固溶体的晶格畸变16、何谓间隙相?它与间隙固溶体及复杂晶格间隙化合物有何区别?答:间隙相:当非金属原子半径与金属原子半径的比值小于0.59时,形成的容易的晶体结构称为间隙相。
金属学与热处理习题及答案金属学与热处理习题及答案金属学是研究金属材料的结构、性质和加工工艺的学科,而热处理则是指通过加热和冷却来改变金属材料的性质和结构。
在学习金属学和热处理的过程中,习题是非常重要的一部分,通过解答习题可以加深对知识的理解和掌握。
下面将给出一些金属学与热处理的习题及答案。
习题一:金属的晶体结构1. 金属的晶体结构有哪几种?2. 铁素体和奥氏体的晶体结构分别是什么?3. 钨的晶体结构是什么?答案:1. 金属的晶体结构有面心立方结构、体心立方结构和简单立方结构。
2. 铁素体的晶体结构为体心立方结构,奥氏体的晶体结构为面心立方结构。
3. 钨的晶体结构为简单立方结构。
习题二:金属的机械性能1. 什么是屈服强度和抗拉强度?2. 强度和韧性之间的关系是什么?3. 金属的硬度和强度有什么区别?答案:1. 屈服强度是指材料在受力过程中开始发生塑性变形的应力值,抗拉强度是指材料在拉伸过程中最大的抗拉应力值。
2. 强度和韧性是互相矛盾的,一般来说,材料的强度越高,韧性越低。
3. 金属的硬度是指材料抵抗局部压痕的能力,而强度是指材料抵抗外力破坏的能力。
习题三:热处理工艺1. 什么是退火和淬火?2. 淬火的目的是什么?3. 淬火过程中的冷却介质有哪些?答案:1. 退火是将金属材料加热到一定温度,然后缓慢冷却的过程,目的是消除材料内部的应力和改善其机械性能。
淬火是将金属材料加热到一定温度,然后迅速冷却的过程,目的是使材料具有高硬度和高强度。
2. 淬火的目的是通过迅速冷却来使材料的组织发生相变,从而提高材料的硬度和强度。
3. 淬火过程中常用的冷却介质有水、油和盐溶液等。
习题四:金属的腐蚀与防护1. 什么是金属的腐蚀?2. 金属腐蚀的原因有哪些?3. 防止金属腐蚀的方法有哪些?答案:1. 金属的腐蚀是指金属在与外界介质接触时,发生化学反应而使其性能和结构受到破坏的过程。
2. 金属腐蚀的原因主要有氧化、电化学腐蚀和化学腐蚀等。
金属学与热处理第一章习题1.作图表示出立方晶系(1 2 3)、(0 -1 -2)、(4 2 1)等晶面和[-1 0 2]、[-2 1 1]、[3 4 6] 等晶向3.某晶体的原子位于正方晶格的节点上,其晶格常数a=b≠c,c=2/3a。
今有一晶面在X、Y、Z坐标轴上的截距分别是5个原子间距,2个原子间距和3个原子间距,求该晶面的晶面参数。
解:设X方向的截距为5a,Y方向的截距为2a,则Z方向截距为3c=3X2a/3=2a,取截距的倒数,分别为1/5a,1/2a,1/2a化为最小简单整数分别为2,5,5故该晶面的晶面指数为(2 5 5)4.体心立方晶格的晶格常数为a,试求出(1 0 0)、(1 1 0)、(1 1 1)晶面的晶面间距,并指出面间距最大的晶面解:(1 0 0)面间距为a/2,(1 1 0)面间距为√2a/2,(1 1 1)面间距为√3a/3三个晶面晶面中面间距最大的晶面为(1 1 0)7.证明理想密排六方晶胞中的轴比c/a=1.633证明:理想密排六方晶格配位数为12,即晶胞上底面中心原子与其下面的3个位于晶胞内的原子相切,成正四面体,如图所示则OD=c/2,AB=BC=CA=CD=a因△ABC是等边三角形,所以有OC=2/3CE由于(BC)2=(CE)2+(BE)2则有(CD)2=(OC)2+(1/2c)2,即因此c/a=√8/3=1.6338.试证明面心立方晶格的八面体间隙半径为r=0.414R解:面心立方八面体间隙半径r=a/2-√2a/4=0.146a面心立方原子半径R=√2a/4,则a=4R/√2,代入上式有R=0.146X4R/√2=0.414R9.a)设有一刚球模型,球的直径不变,当由面心立方晶格转变为体心立方晶格时,试计算其体积膨胀。
b)经X射线测定,在912℃时γ-Fe的晶格常数为0.3633nm,α-Fe的晶格常数为0.2892nm,当由γ-Fe转化为α-Fe时,求其体积膨胀,并与a)比较,说明其差别的原因。
金属学与热处理课后答案第一章金属键?并用其解释金属的特性答:金属键就是金属阳离子和自由电子之间的强烈的相互作用,可以决定金属的很多物理性质。
金属的延展性就是由于在金属被锻造的时候,只是引起了金属阳离子的重新排布,而由于自由电子可以在整块金属内自由流动,金属键并未被破坏。
再如由于自由电子的存在使金属很容易吸收光子而发生跃迁,发出特定波长的光波,因而金属往往有特定的金属光泽。
金属中的自由电子沿着电场定向运动,导电性;自由电子的运动及正离子的震动,使之具有导热性;温度升高,正离子或原子本身振动的幅度加大,阻碍电子的通过,使电阻升高,具有正的电阻温度系数用双原子模型说明金属中原子为什么会呈现周期性规则排列,并趋于紧密排列答:当大量金属原子结合成固体时,为使体系能量最低,以保持其稳定,原子间必须保持一定的平衡距离,因此固态金属中的原子趋于周期性规则排列。
原子周围最近邻的原子数越多,原子间的结合能越低(因为结合能是负值),把某个原子从平衡位置拿走,克服周围原子对它的作用力所需做的功越大,因此固态金属中的原子总是自发地趋于紧密排列。
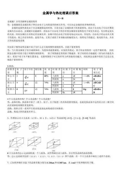
3.填表:晶格类型原子数原子半径配位数致密度间隙类型间隙半径间隙数目举例原子堆垛方式体心立方2a438 68% 八面体 a 18 α—Fe ABABAB四面体 a 24面心立方4a4212 74% 八面体 a 13 γ—Fe ABCABC四面体 a 8密排六方6a2112 74% 八面体 a 6 Mg ABABAB四面体8a 194什么是晶体结构?什么是晶格?什么是晶胞?答:晶体结构:指晶体中原子(离子,原子,分子集团)的具体的排列情况,也就是指晶体中这些质点在三维空间内有规律的周期性重复排列;晶格:将阵点用一系列平行的直线连接起来构成的空间格架。
晶胞:构成点阵的最基本单元。
5、作图表示出立方晶系(1 2 3)、(0 -1 -2)、(4 2 1)等晶面和[-1 0 2]、[-2 1 1]、[3 4 6] 等晶向6立方晶系的{1 1 1}晶面构成一个八面体,试作图画出该八面体,并注明各晶面的晶面指数。
第二章纯金属的结晶2-3 为什么金属结晶时一定要有过冷度?影响过冷度的因素是什么?固态金属熔化时是否会出现过热?为什么?答:(1)因为金属结晶时存在过冷现象,是为了满足结晶的热力学条件,过冷度越大,固、液两项的自由能差越大,相变驱动力越大。
(2)过冷度随金属的纯度不同和本性不同,以及冷却速度的差异可以再很大范围内变化。
金属不同,过冷度也不同;金属的纯度越高,则过冷度越大;冷却速度越大,过冷度越大,反之,越小。
(3)会,当液态金属的自由能低于固态时,这时实际结晶温度高于理论结晶温度T m,此时,固态金属才能自发的转变为液态金属,称为过热。
2-4试比较均匀形核与非均匀形核的异同点。
答;均匀形核是指:若液相中各区域出现新相晶核的几率是相同的;非均匀形核:液态金属中存在微小的固相杂质质点,液态金属与型壁相接触,晶核可以优先依附现成的固体表面形核。
在实际的中,非均匀形核比均匀形核要容易发生。
二者形核皆需要结构起伏,能量起伏,过冷度必须大于临界过冷度,晶胚的尺寸必须大于临界晶核半径。
2-5说明晶体成长形状与温度梯度的关系?答;正温度梯度下以平面状态的长大形态,服温度梯度下以树枝状长大。
2-6简述铸锭三晶区形成的原因及每个晶区的性能特点?(1)表层细晶区形成原因:①型壁临近的金属液体产生极大过冷度满足形核的热力学条件;②型壁可以作为非均匀形核的基地。
该晶区特点:组织细密,力学性能较好,但该晶区较薄,一般没有多大的实际意义。
(2)柱状晶区的形成原因:①液态金属结晶前沿有适当的过冷度,满足形核要求;②垂直于型壁方向散热最快,晶体向相反的方向生长;③外因是散热的方向性;④内因是晶体晶体生长的各向异性。
该晶区的特点:相互平行的柱状晶接触面及相邻垂直的柱状晶区的交界面较为脆弱,并常聚集着易熔杂质和非金属夹杂物,使铸锭在热压力加工时,容易沿着这些脆弱面开裂,组织比较致密。
(3)中心等轴晶区形成特定:①中心液体达到过冷,加上杂质元素的作用,满足形核的要求;②散热失去方向性,晶核自由生长,长大速度差不多,长成等轴区。
《金属学与热处理》(第二版)课后习题参考答案金属学与热处理第一章习题1.作图表示出立方晶系(1 2 3)、(0 -1 -2)、(4 2 1)等晶面和[-1 0 2]、[-2 1 1]、[3 4 6] 等晶向3.某晶体的原子位于正方晶格的节点上,其晶格常数a=b≠c,c=2/3a。
今有一晶面在X、Y、Z坐标轴上的截距分别是5个原子间距,2个原子间距和3个原子间距,求该晶面的晶面参数。
解:设X方向的截距为5a,Y方向的截距为2a,则Z方向截距为3c=3X2a/3=2a,取截距的倒数,分别为1/5a,1/2a,1/2a化为最小简单整数分别为2,5,5故该晶面的晶面指数为(2 5 5)4.体心立方晶格的晶格常数为a,试求出(1 0 0)、(1 1 0)、(1 1 1)晶面的晶面间距,并指出面间距最大的晶面解:(1 0 0)面间距为a/2,(1 1 0)面间距为√2a/2,(1 1 1)面间距为√3a/3三个晶面晶面中面间距最大的晶面为(1 1 0)7.证明理想密排六方晶胞中的轴比c/a=1.633证明:理想密排六方晶格配位数为12,即晶胞上底面中心原子与其下面的3个位于晶胞内的原子相切,成正四面体,如图所示则OD=c/2,AB=BC=CA=CD=a因△ABC是等边三角形,所以有OC=2/3CE由于(BC)2=(CE)2+(BE)2则有(CD)2=(OC)2+(1/2c)2,即因此c/a=√8/3=1.6338.试证明面心立方晶格的八面体间隙半径为r=0.414R解:面心立方八面体间隙半径r=a/2-√2a/4=0.146a面心立方原子半径R=√2a/4,则a=4R/√2,代入上式有R=0.146X4R/√2=0.414R9.a)设有一刚球模型,球的直径不变,当由面心立方晶格转变为体心立方晶格时,试计算其体积膨胀。
b)经X射线测定,在912℃时γ-Fe的晶格常数为0.3633nm,α-Fe的晶格常数为0.2892nm,当由γ-Fe转化为α-Fe时,求其体积膨胀,并与a)比较,说明其差别的原因。
复习自测题绪论及第一章金属的晶体结构自测题(一)区别概念1.屈服强度和抗拉强度;2.晶体和非晶体;3 刚度与强度(二)填空1.与非金属相比,金属的主要特性是2.体心立方晶胞原子数是,原子半径是,常见的体心立方结构的金属有。
3.设计刚度好的零件,应根据指标来选择材料。
是材料从状态转变为状态时的温度。
4 TK5 屈强比是与之比。
6.材料主要的工艺性能有、、和。
7 材料学是研究材料的、、和四大要素以及这四大要素相互关系与规律的一门科学;材料性能取决于其内部的,后者又取决于材料的和。
8 本课程主要包括三方面内容:、和。
(三)判断题1.晶体中原子偏离平衡位置,就会使晶体的能量升高,因此能增加晶体的强度。
( )2.因为面心立方和密排六方晶体的配位数和致密度都相同,因此分别具有这两种晶体结构的金属其性能基本上是一样的。
( )3.因为单晶体具有各向异性,多晶体中的各个晶粒类似于单晶体,由此推断多晶体在各个方向上的性能也是不相同的。
( )4.金属的理想晶体的强度比实际晶体的强度高得多。
5.材料的强度高,其硬度就高,所以其刚度也大。
(四)改错题1.通常材料的电阻随温度升高而增加。
3.面心立方晶格的致密度为0.68。
4.常温下,金属材料的晶粒越细小时,其强度硬度越高,塑性韧性越低。
5.体心立方晶格的最密排面是{100}晶面。
(五) 问答题1.从原子结合的观点来看,金属、陶瓷和高分子材料有何主要区别?在性能上有何表现?2.试用金属键结合的方式,解释金属具有良好导电性、导热性、塑性和金属光泽等基本特性。
(六) 计算作图题1.在一个晶胞中,分别画出室温纯铁(011)、(111)晶面及[111)、[011)晶向。
2.已知一直径为11.28mm,标距为50mm的拉伸试样,加载为50000N时,试样的伸长为0.04mm。
撤去载荷,变形恢复,求该试样的弹性模量。
3.已知a-Fe的晶格常数a=0.28664nm,γ-Fe的晶格常数a=0.364nm。
金属材料与热处理(第五版)练习题及答案第一章金属的结构与结晶一、判断题1、非晶体具有各同性的特点。
(V )2、金属结晶时,过冷度越大,结晶后晶粒越粗。
(V )3、一般情况下,金属的晶粒越细,其力学性能越差。
(X )4、多晶体中,各晶粒的位向是完全相同的。
(X )5、单晶体具有各向异性的特点。
( V )6 、金属的同素异构转变是在恒温下进行的。
( V )7、组成元素相同而结构不同的各金属晶体,就是同素异构体。
( V )8、同素异构转变也遵循晶核形成与晶核长大的规律。
( V )9、钢水浇铸前加入钛、硼、铝等会增加金属结晶核,从而可细化晶粒。
( X )10、非晶体具有各异性的特点。
( X )11 、晶体的原子是呈有序、有规则排列的物质。
( V )12 、非晶体的原子是呈无序、无规则堆积的物质。
( V )13 、金属材料与热处理是一门研究金属材料的成分、组织、热处理与金属材料性能之间的关系和变化规律的学科。
(V)14 、金属是指单一元素构成的具有特殊的光泽延展性导电性导热性的勺物质。
(V)15 、金银铜铁锌铝等都属于金属而不是合金。
(V)16 、金属材料是金属及其合金的总称。
(V)17 、材料的成分和热处理决定组织,组织决定其性能,性能又决定其用途。
(V)18 、金是属于面心立方晶格。
(V)19 、银是属于面心立方晶格。
(V)20 、铜是属于面心立方晶格。
(V)21 、单晶体是只有一个晶粒组成的晶体。
(V)22 、晶粒间交接的地方称为晶界。
(V)23 、晶界越多,金属材料的性能越好。
(V)24 、结晶是指金属从高温液体状态冷却凝固为固体状态的过程(V)25 、纯金属的结晶过程是在恒温下进行的。
(V)26 、金属的结晶过程由晶核的产生和长大两个基本过程组成D(V)27 、只有一个晶粒组成的晶体成为单晶体。
(V)28 、晶体缺陷有点、线、面缺陷。
(V)29 、面缺陷分为晶界和亚晶界两种。
(V)30 、纯铁是有许多不规则的晶粒组成。
(完整版)《⾦属学与热处理》复习题参考答案《⾦属学与热处理》复习题绪论基本概念:1.⼯艺性能:⾦属材料适应实际加⼯⼯艺的能⼒。
(分类)2.使⽤性能:⾦属材料在使⽤时抵抗外界作⽤的能⼒。
(分类)3.组织:⽤⾁眼,或不同放⼤倍数的放⼤镜和显微镜所观察到的⾦属材料内部的情景。
宏观组织:⽤⾁眼或⽤放⼤⼏⼗倍的放⼤镜所观察到的组织。
(⾦属内部的各种宏观缺陷)显微组织:⽤100-2000倍的显微镜所观察到的组织。
(各个组成相的种类、形状、尺⼨、相对数量和分布,是决定性能的主要因素)4:结构:晶体中原⼦的排列⽅式。
第⼀章基本概念:1.⾦属:具有正的电阻温度系数的物质,其电阻随温度升⾼⽽增加。
2.⾦属键;⾦属正离⼦和⾃由电⼦之间相互作⽤⽽形成的键。
3.晶体:原⼦(离⼦)按⼀定规律周期性地重复排列的物质。
4.晶体特性:(原⼦)规则排列;确定的熔点;各向异性;规则⼏何外形。
5.晶胞:组成晶格的最基本的⼏何单元。
6.配位数:晶格中任⼀原⼦周围与其最近邻且等距的原⼦数⽬。
7.晶⾯族:原⼦排列相同但空间位向不同的所有晶⾯称为晶⾯族。
8.晶向族:原⼦排列相同但空间位向不同的所有晶向称为晶向族。
9.多晶型性:当外部条件(如温度和压强)改变时,有些⾦属会由⼀种晶体结构向另⼀种晶体结构转变。
⼜称为同素异构转变。
10.晶体缺陷:实际晶体中原⼦排列偏离理想结构的现象。
11.空位:晶格结点上的原⼦由于热振动脱离了结点位置,在原来的位置上形成的空结点。
12.位错:晶体中有⼀列或若⼲列原⼦发⽣了有规则的错排现象,使长度达⼏百⾄⼏万个原⼦间距、宽约⼏个原⼦间距范围内的原⼦离开其平衡位置,发⽣了有规律的错动。
13.柏⽒⽮量:在实际晶体中沿逆时针⽅向环绕位错线作⼀个闭合回路。
在完整晶体中以同样的⽅向和步数作相同的回路,由回路的终点向起点引⼀⽮量,该⽮量即为这条位错线的柏⽒⽮量。
14.晶粒:晶体中存在的内部晶格位向完全⼀致,⽽相互之间位向不相同的⼩晶体。
第一章金属及合金的晶体结构一、名词解释:1 •晶体:原子(分子、离子或原子集团)在三维空间做有规则的周期性重复排列的物质。
2•非晶体:指原子呈不规则排列的固态物质。
3 •晶格:一个能反映原子排列规律的空间格架。
4•晶胞:构成晶格的最基本单元。
5. 单晶体:只有一个晶粒组成的晶体。
6•多晶体:由许多取向不同,形状和大小甚至成分不同的单晶体(晶粒)通过晶界结合在一起的聚合体。
7•晶界:晶粒和晶粒之间的界面。
8. 合金:是以一种金属为基础,加入其他金属或非金属,经过熔合而获得的具有金属特性的材料。
9. 组元:组成合金最基本的、独立的物质称为组元。
10. 相:金属中具有同一化学成分、同一晶格形式并以界面分开的各个均匀组成部分称为相。
11. 组织:用肉眼观察到或借助于放大镜、显微镜观察到的相的形态及分布的图象统称为组织。
12. 固溶体:合金组元通过溶解形成成分和性能均匀的、结构上与组元之一相同的固相二、填空题:1 .晶体与非晶体的根本区别在于原子(分子、离子或原子集团)是否在三维空间做有规则的周期性重复排列。
2•常见金属的晶体结构有体心立方晶格、面心立方晶格、密排六方晶格三种。
3•实际金属的晶体缺陷有点缺陷、线缺陷、面缺陷、体缺陷。
4•根据溶质原子在溶剂晶格中占据的位置不同,固溶体可分为置换固溶体和间隙固溶体两种。
5•置换固溶体按照溶解度不同,又分为无限固溶体和有限固溶体。
6 •合金相的种类繁多,根据相的晶体结构特点可将其分为固溶体和金属化合物两种。
7. 同非金属相比,金属的主要特征是良好的导电性、导热性,良好的塑性,不透明,有光—泽,正的电阻温度系数。
8. 金属晶体中最主要的面缺陷是晶界和亚晶界。
9. 位错两种基本类型是刃型位错和螺型位错,多余半原子面是刃型位错所特有的。
10. 在立方晶系中,{120}晶面族包括(120)、(120)、(102)、(102)、(210)、(210)> (201)、(201)、(012)、(012)、(021)、(021)、等晶面。
可编辑修改精选全文完整版复习自测题绪论及第一章金属的晶体结构自测题(一)区别概念1.屈服强度和抗拉强度;2.晶体和非晶体;3 刚度与强度(二)填空1.与非金属相比,金属的主要特性是2.体心立方晶胞原子数是,原子半径是,常见的体心立方结构的金属有。
3.设计刚度好的零件,应根据指标来选择材料。
是材料从状态转变为状态时的温度。
4 TK5 屈强比是与之比。
6.材料主要的工艺性能有、、和。
7 材料学是研究材料的、、和四大要素以及这四大要素相互关系与规律的一门科学;材料性能取决于其内部的,后者又取决于材料的和。
8 本课程主要包括三方面内容:、和。
(三)判断题1.晶体中原子偏离平衡位置,就会使晶体的能量升高,因此能增加晶体的强度。
( )2.因为面心立方和密排六方晶体的配位数和致密度都相同,因此分别具有这两种晶体结构的金属其性能基本上是一样的。
( )3.因为单晶体具有各向异性,多晶体中的各个晶粒类似于单晶体,由此推断多晶体在各个方向上的性能也是不相同的。
( )4.金属的理想晶体的强度比实际晶体的强度高得多。
5.材料的强度高,其硬度就高,所以其刚度也大。
(四)改错题1.通常材料的电阻随温度升高而增加。
3.面心立方晶格的致密度为0.68。
4.常温下,金属材料的晶粒越细小时,其强度硬度越高,塑性韧性越低。
5.体心立方晶格的最密排面是{100}晶面。
(五) 问答题1.从原子结合的观点来看,金属、陶瓷和高分子材料有何主要区别?在性能上有何表现?2.试用金属键结合的方式,解释金属具有良好导电性、导热性、塑性和金属光泽等基本特性。
(六) 计算作图题1.在一个晶胞中,分别画出室温纯铁(011)、(111)晶面及[111)、[011)晶向。
2.已知一直径为11.28mm,标距为50mm的拉伸试样,加载为50000N时,试样的伸长为0.04mm。
撤去载荷,变形恢复,求该试样的弹性模量。
3.已知a-Fe的晶格常数a=0.28664nm,γ-Fe的晶格常数a=0.364nm。
金属材料与热处理(第五版)练习题及答案第一章金属的结构与结晶一、判断题1、非晶体具有各同性的特点。
(V )2、金属结晶时,过冷度越大,结晶后晶粒越粗。
(V )3、一般情况下,金属的晶粒越细,其力学性能越差。
(X )4、多晶体中,各晶粒的位向是完全相同的。
(X )5、单晶体具有各向异性的特点。
( V )6 、金属的同素异构转变是在恒温下进行的。
( V )7、组成元素相同而结构不同的各金属晶体,就是同素异构体。
( V )8、同素异构转变也遵循晶核形成与晶核长大的规律。
( V )9、钢水浇铸前加入钛、硼、铝等会增加金属结晶核,从而可细化晶粒。
( X )10、非晶体具有各异性的特点。
( X )11 、晶体的原子是呈有序、有规则排列的物质。
( V )12 、非晶体的原子是呈无序、无规则堆积的物质。
( V )13 、金属材料与热处理是一门研究金属材料的成分、组织、热处理与金属材料性能之间的关系和变化规律的学科。
(V)14 、金属是指单一元素构成的具有特殊的光泽延展性导电性导热性的勺物质。
(V)15 、金银铜铁锌铝等都属于金属而不是合金。
(V)16 、金属材料是金属及其合金的总称。
(V)17 、材料的成分和热处理决定组织,组织决定其性能,性能又决定其用途。
(V)18 、金是属于面心立方晶格。
(V)19 、银是属于面心立方晶格。
(V)20 、铜是属于面心立方晶格。
(V)21 、单晶体是只有一个晶粒组成的晶体。
(V)22 、晶粒间交接的地方称为晶界。
(V)23 、晶界越多,金属材料的性能越好。
(V)24 、结晶是指金属从高温液体状态冷却凝固为固体状态的过程(V)25 、纯金属的结晶过程是在恒温下进行的。
(V)26 、金属的结晶过程由晶核的产生和长大两个基本过程组成D(V)27 、只有一个晶粒组成的晶体成为单晶体。
(V)28 、晶体缺陷有点、线、面缺陷。
(V)29 、面缺陷分为晶界和亚晶界两种。
(V)30 、纯铁是有许多不规则的晶粒组成。
第一章金属及合金的晶体结构一、名词解释:1.晶体:原子(分子、离子或原子集团)在三维空间做有规则的周期性重复排列的物质。
2.非晶体:指原子呈不规则排列的固态物质。
3.晶格:一个能反映原子排列规律的空间格架。
4.晶胞:构成晶格的最基本单元。
5.单晶体:只有一个晶粒组成的晶体。
6.多晶体:由许多取向不同,形状和大小甚至成分不同的单晶体(晶粒)通过晶界结合在一起的聚合体。
7.晶界:晶粒和晶粒之间的界面。
8.合金:是以一种金属为基础,加入其他金属或非金属,经过熔合而获得的具有金属特性的材料。
9.组元:组成合金最基本的、独立的物质称为组元。
10.相:金属中具有同一化学成分、同一晶格形式并以界面分开的各个均匀组成部分称为相。
11.组织:用肉眼观察到或借助于放大镜、显微镜观察到的相的形态及分布的图象统称为组织。
12.固溶体:合金组元通过溶解形成成分和性能均匀的、结构上与组元之一相同的固相。
二、填空题:1.晶体与非晶体的根本区别在于原子(分子、离子或原子集团)是否在三维空间做有规则的周期性重复排列。
2.常见金属的晶体结构有体心立方晶格、面心立方晶格、密排六方晶格三种。
3.实际金属的晶体缺陷有点缺陷、线缺陷、面缺陷、体缺陷。
4.根据溶质原子在溶剂晶格中占据的位置不同,固溶体可分为置换固溶体和间隙固溶体两种。
5.置换固溶体按照溶解度不同,又分为无限固溶体和有限固溶体。
6.合金相的种类繁多,根据相的晶体结构特点可将其分为固溶体和金属化合物两种。
7.同非金属相比,金属的主要特征是良好的导电性、导热性,良好的塑性,不透明,有光泽,正的电阻温度系数。
8.金属晶体中最主要的面缺陷是晶界和亚晶界。
9.位错两种基本类型是刃型位错和螺型位错,多余半原子面是刃型位错所特有的。
10.在立方晶系中,{120}晶面族包括(120)、(120)、(102)、(102)、(210)、(210)、(201)、(201)、(012)、(012)、(021)、(021)、等晶面。
11.点缺陷有空位、间隙原子和置换原子等三种;属于面缺陷的小角度晶界可以用亚晶界来描述。
三、判断题:1.固溶体具有与溶剂金属相同的晶体结构。
(√)2.因为单晶体是各向异性的,所以实际应用的金属材料在各个方向上的性能也是不相同的。
(×)3.金属多晶体是由许多位向相同的单晶体组成的。
(×)4.因为面心立方晶格的配位数大于体心立方晶格的配位数,所以面心立方晶格比体心立方晶格更致密。
(√)5.在立方晶系中,原子密度最大的晶面间的距离也最大。
(√)6.金属理想晶体的强度比实际晶体的强度稍强一些。
(×)7.晶体缺陷的共同之处是它们都能引起晶格畸变。
(√)四、选择题:1.组成合金中最基本的,能够独立存在的物质称为:(b)a.相;b.组元;c.合金。
2.正的电阻温度系数的含义是:(b)a.随温度升高导电性增大;b.随温度降低电阻降低;c.随温度增高电阻减小。
3.晶体中的位错属于:(c)a.体缺陷;b.面缺陷;c.线缺陷;d.点缺陷。
4.亚晶界是由:(b)a.点缺陷堆积而成;b.位错垂直排列成位错墙而构成;c.晶界间的相互作用构成。
5.在面心立方晶格中,原子密度最大的晶向是:(b)a.<100>;b.<110>;c.<111>。
6.在体心立方晶格中,原子密度最大的晶面是:(b)a.{100};b.{110};c.{111}。
7.α-Fe和γ-Fe分别属于什么晶格类型:(b)a .面心立方和体心立方;b .体心立方和面心立方;c .均为面心立方;d .均为体心立方8.固溶体的晶体结构与 相同。
(a )a .溶剂;b .溶质;c .其它晶型。
9.间隙相的性能特点是:(c )a .熔点高,硬度低;b .硬度高,熔点低;c .硬度高,熔点高五、问答题:1.常见的金属晶格类型有哪几种?回答要点:1)体心立方晶格;其晶胞是一个立方体,在立方体的八个顶角和中心各有一个原子。
2)面心立方晶格;其晶胞是一个立方体,在立方体的八个顶角和六个面的中心各有一个原子。
3)密排六方晶格;其晶胞是一个立方六柱体,在六方柱体的各个角上和上下底面中心各排列着一个原子,在顶面和底面间还有三个原子。
2.金属化合物具有什么样的性能特点?回答要点:熔点高、硬度高、脆性大。
3.指出下面四个晶面和四个晶向的指数填写在对应的括号内。
Bx FD A y Cz (100) (110) (112) (111) A: [100]B: [110] C: [201] D: [111]4.标出图2-1中给定的晶面指数与晶向指数:晶面OO′A′A、OO′B′B、OO′C′C、OABC、AA′C′C、AA′D′D;晶向OA、OB、OC、OD、OC′、OD′。
答:晶面OO′A′A:(010);晶面OO′B′B:(110);晶面OO′C′C:(100);晶面OABC:(001);晶面AA′C′C:(110);晶面AA′D′D:(210)。
晶向OA:[100];晶向OB:[110];晶向OC:[010];晶向OD:[120];晶向OC′:[011];晶向OD′:[122]。
5.在立方晶胞中标出以下晶面和晶向:晶面DEE′ D′:(210);晶面DBC′:(111)or (1 1 1)晶向D′ E′:[120];晶向C′ D:[011]。
第二章金属及合金的相图一、名词解释:1.枝晶偏析:固溶体合金结晶时,如果冷却较快,原子扩散不能充分进行,则形成成分不均匀的固溶体。
先结晶的树枝晶晶枝含高熔点组元较多,后结晶的树枝晶晶枝含低熔点组元较多。
结果造成在一个晶粒内化学成分分布不均,这种现象称为枝晶偏析或晶内偏析。
2.中间相:金属化合物也叫中间相,是不同组元间发生相互作用,形成了不同于任一组元的具有独特原子排列和性质的新相,这种新相可以用分子式来大致表示其组成,但这种分子式不一定符合传统化学价的概念。
3.固溶强化:通过形成固溶体使金属强度和硬度提高的现象。
4.脱溶反应:α’ →α+β,式中α’是亚稳定的过饱和固溶体,β是稳定的或亚稳定的脱溶物,α是一个更稳定的固溶体,晶体结构和α’一样,但其成分更接近平衡状态。
5.包晶偏析:包晶转变的产物β相包围着初生相α,使液相与α相隔开,液相和α相中原子之间的相互扩散必须通过β相,这就导致了包晶转变的速度往往是极缓慢的。
实际生产中的冷速较快,包晶反应所依赖的固体中的原子扩散往往不能充分进行,导致生成的β固溶体中发生较大的偏析,称之为包晶偏析。
二、填空题:1.固溶体的强度和硬度比溶剂的强度和硬度高。
2.Cu-Ni合金进行塑性变形时,其滑移面为{111} 。
3.固溶体出现枝晶偏析后,可用扩散退火加以消除。
4.以电子浓度因素起主导作用而生成的化合物称电子化合物。
5.共晶反应式为L d←→αc+βe,共晶反应的特点是发生共晶反应时三相共存,它们各自的成分是确定的,反应在恒温下平衡的进行。
三、判断题:1.间隙固溶体一定是无限固溶体。
(×)2.间隙相不是一种固溶体,而是一种金属间化合物。
(√)3.平衡结晶获得的20%Ni的Cu-Ni合金比40%的Cu-Ni合金的硬度和强度要高。
(×)4.在共晶相图中,从L中结晶出来的β晶粒与从α中析出的βⅡ晶粒具有相同的晶体结构。
(√)5.一个合金的室温组织为α+βⅡ+(α+β),它由三相组成。
(×)四、选择题:1.在发生L→α+β共晶反应时,三相的成分:(b)a.相同;b.确定;c.不定。
2.共析成分的合金在共析反应γ→α+β刚结束时,其组成相为:(d)a.γ+α+β;b.γ+α;c.γ+β;d.α+β3.一个合金的组织为α+βⅡ +(α+β),其组织组成物为:(b)a.α、β;b.α、βⅡ、(α+β);c.α、β、βⅡ。
4.具有匀晶型相图的单相固溶体合金:(b)a.铸造性能好;b.锻压性能好;c.热处理性能好;d.切削性能好5.二元合金中,共晶成分的合金:(a)a.铸造性能好;b.锻造性能好;c.焊接性能好;d.热处理性能好五、问答题:1.熟悉Pb-Sn二元合金相图,1)分析几类成分的合金的平衡结晶过程;画出室温平衡组织式意图;标上各组织组成物。
2)熟悉杠杠定律在合金组织组成物的相对量计算中的运用。
2.(略)第三章金属与合金的结晶一、名词解释:1.结晶:纯金属或合金由液体转变为固态的过程。
2.重结晶:也叫二次结晶,是金属从一种固体晶态转变为另一种固体晶态的过程,改变了晶体结构。
3.过冷度:理论结晶温度(T0)和实际结晶温度(T1)之间存在的温度差。
4.变质处理:在浇注前向金属液中加入少量变质剂促进形核的处里工艺。
二、填空题:1.金属结晶时,冷却速度越快,实际结晶温度就越低,过冷度越大。
2.纯金属的结晶过程是依靠两个密切联系的基本过程来实现的,这两个过程是形核和长大。
3.当对金属液体进行变质处理时,变质剂的作用是促进形核,细化晶粒。
4.液态金属结晶时,结晶过程的推动力是自由能差(△F)降低,阻力是自由能增加。
5.能起非自发生核作用的杂质,必须符合结构相似、尺寸相当的原则。
6.过冷度是指理论结晶温度与实际结晶温度之差,其表示符号为△T。
7.过冷是结晶的必要条件。
8.细化晶粒可以通过增加过冷度、添加变质剂和附加振动等途径实现。
9.典型铸锭结构的三个晶区分别为:表面细晶区、柱状晶区和中心等轴晶区。
三、判断题:1.纯金属的结晶过程是一个恒温过程。
(√)2.液态金属只有在过冷条件下才能够结晶。
(√)3.凡是由液体凝固成固体的过程都是结晶过程。
(×)4.室温下,金属晶粒越细,则强度越高,塑性越低。
(×)5.金属由液态转变成固态的结晶过程,就是由短程有序状态向长程有序状态转变的过程。
(√)6.纯金属结晶时,生核率随冷度的增加而不断增加。
(×)7.当晶核长大时,随过冷度增大,晶核的长大速度增大。
但当过冷度很大时,晶核长大的速度很快减小。
(√)8.当过冷度较大时,纯金属晶体主要以平面状方式长大。
(×)9.当形成树枝状晶体时,枝晶的各次晶轴将具有不同的位向,故结晶后形成的枝晶是一个多面体。
(×)10.在工程上评定晶粒度的方法是在放大100倍的条件,与标准晶粒度图作比较,级数越高,晶粒越细。
(√)11.过冷度的大小取决于冷却速度和金属的本性。
(√)四、选择题:1.金属结晶时,冷却速度越快,其实际结晶温度将:(b)a.越高;b.越低;c.越接近理论结晶温度。
2.为细化晶粒,可采用:(b)a.快速浇注;b.加变质剂;c.以砂型代金属型。
3.实际金属结晶时,通过控制生核速率N和长大速度G的比值来控制晶粒大小,在下列情况下获得细小晶粒:(a)a.N/G很大时;b.N/G很小时;c.N/G居中时。