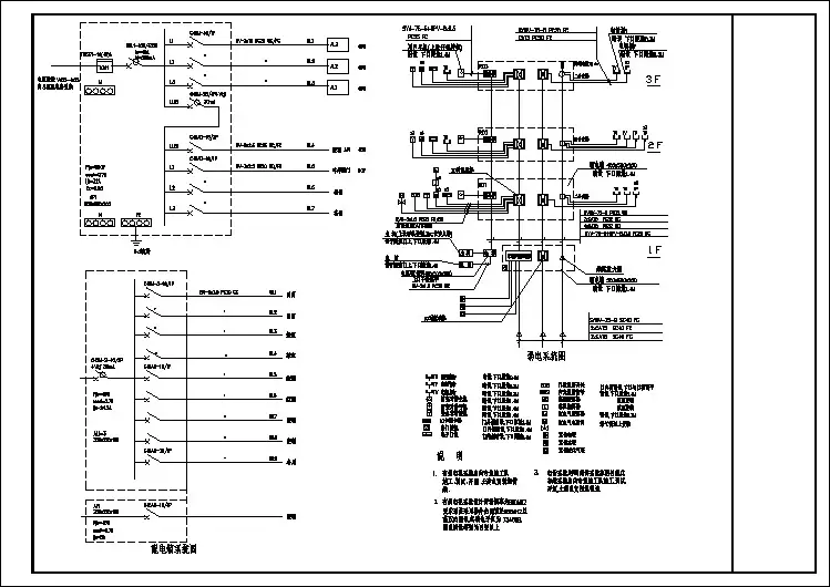
FAX: 3777624TEL: 3776850 3776851 3777619P.C.:518031同济大学建筑设计研究院图名比例 日期TITLESCALEDATE中华人民共和国 深圳市振华路100号深纺大厦C座东五楼 分项名称ITEM工程编号PROJECT NO.工程业主CLIENT设计总负责PROJECT CHIEF专业负责人CHIEF设计DESIGN制图DRAFTING校对CHECK工程审核人EXAMINATION备注NOTENUSIERYTIVOTNGJI图别图号TYPEDR NO图章SEAL日期专 业会 签 栏负责人建 筑结 构电 气给排水暖 通 APPROVECHIEFDATEPROFE.ARCHITECTURAL DESIGN & RESEARCH INST. OF TONGJI UNIV.工程名称PROJECT!""BV-3x10 SC25 WC/FC由小区配电房引来HSL1-100/4300L1Kc=0.95800x600x200KWHAP1L123Ijs=32APjs=16KWcos%%c=0.75L3In=40A"L1L2"DTS371-10(40)AC45N-40/1P暗设 下口距地1.4M有线电视系统应由专业施工队3.电话系统,呼叫对讲系统家居智能化能双向通讯,终端电平值为 73%%P5DB,要求系统采用器件必需满足860MHZ且施工 调试 开通 土建负责预埋管,2.线1...,.布线系统应由专业施工队施工,调试,说 明弱电系统图/2xCAT5 SC40 FC上口于梁底平主 机(上设呼唤按钮,及IC卡读入器)电源箱(留洞400x500x200)BV-2x1.5 PC20 WCSYWV-75-9 PC32 WC线路放大器弱电箱 500x600x200电 源主 机电 锁RD1 F明设 下口距地1.4M暗设 下口距地0.3MWL5AL14KWWL4AL24KWWL3AL34KW解码器RD1RD2TPTVx2TV解码器RD3TPTVx3TVWL1WL2PC25 FC终端电阻75四分支器解码器TPTVCAT5 PC20 FCSYWV-75-5 PC20 FCSYV-75-5+HPV-8x0.5 用户手机(上设开锁按钮)电视插座暗设 下口距地0.3M电话插座2 F3 F"cos%%c=0.75AL1~3Ijs=24.2A"空调WL6"WL5空调+Vigi 30mAPjs=4KW"""WL3插座WL4""WL2插座BV-3x2.5 PC20 CCC45N-2-16/1P照明WL1"空调WL7照明PEN"空调WL8"备用WL9空调L2"WL6L3"WL7车库闸门备用备用Id=500mAC45N-2-40/2P4KW1KWC45AD-16/3PC45AD-16/1PC45AD-16/1PC45AD-25/1PL123C45N-25/4P+Vigi30mATV有线电视系统设计传输频率为860MHZ图象质量等级为四级以上开通,土建负责预埋管线.4xCAT5 PC32 WC10对配线架家庭智能控制器TD//2xCAT5 SC40 FCSYWV-75-9 SC40 FC二分支器二分支器x2电源进线 VV22-4x25SYV-75-5+HPV-8x0.5 PC25 WC2xCAT5 PC32 WCx4TDx2x3x2设于防盗门上,下口距地1.4M设于防盗门上,下口距地1.4M电 锁20对配线架暗设 下口距地1.4M弱电箱 400x500x200TPTV电话插座电视插座防盗对讲手机防盗对讲主机暗设,下口距地0.3M暗设,下口距地0.3M暗设,下口距地1.4M暗设,下口距地1.4M暗设,下口距地1.4M门内侧暗设,下口与门框顶平门磁报警开关门内侧暗设,下口距地1.4M门内侧暗设,下口距地1.4M门外侧明设,下口距地1.4M电子门锁出门按钮IC卡读卡器紧急求助按钮声光报警信号明设,下口距地2.4M感烟探测器感温探测器吸顶安装吸顶安装明设,下口距地0.3M液化气探测器液化气电磁阀煤气管道上安装RVS-2x1.0 PC20 FC/CC建议采用CAT5布线BV-5x2.5 SC25 WC/FCBV-3x2.5 SC20 WC/FCC45AD-16/4P空调300x220x100AP1cos%%c=0.75Ijs=8APjs=4KWTD数据插座暗设,下口距地0.3Mx3DWQDWQ远传电表远传水表远传液化气表AP1Nx3