建筑工程工地复工检查表
- 格式:docx
- 大小:8.41 KB
- 文档页数:6
项目施工-建筑工程节后复工安全检查表(范本)(可以直接使用,可编辑优秀版资料,欢迎下载)建筑工程节后复工安全检查表隧道施工安全检查表受检单位: 隧道名称:检查组组长: 检查人员: 日期:年月日项目施工现场安全检查报告为进一步加强建筑安装施工安全生产工作,确保在以后安全施工过程中严防安全事故的发生,在公司领导层的高度重视下,将对所有项目部进行安全生产大检查,彻底排查安全隐患,对检查发现的问题和安全隐患,要落实整改的项目部,限期整改,并落实专人跟踪监督,确保安全隐患整改率达到100%。
凡安全隐患整改不到位或拒不整改的项目部要从严处罚,于2021年6月1日,开始对各项目进行安全检查。
一、基本情况公司根据《安全生产法》、《建筑工程安全管理条例》和《建筑施工安全检查标准》(等法律、法规及规范标准,采取听汇报,现场检查,集中批注等方法进行检查。
从检查情况来看,各项目部从整体是还是较可以,普遍存在使用不合格的铁梯及移动脚手架,在施工过程中,个人的PPE未按规范佩戴及安全意识较差。
二、存在问题经过检查,发现存在以下问题,主要表现在以下几个方面:1、使用移动脚手架,未按规定铺好操作面,使用木方和木板,还未将木方和木板固定,在剪刀叉四端也未固定。
2、佩戴安全帽时,普遍未将安全帽带扣上。
3、在切割和打支架,开孔时,未戴防护眼镜及口罩。
4、使用电动工具不规范。
5、因施工现场较复杂,个人安全意识差。
6、高空作业由少数工人未系安全带。
7、消防配置不够。
三、问题分析1、安全入场教育培训落实不到位,农民安全意识得不到有效提高.2、安全交底技术内容不详细,缺乏针对性,不能起到规范和指导施工的作用和效果.3、日常安全检查流于形式,不能消除安全隐患。
4、施工人员安全意识淡薄,施工现场“三违”行为频繁出现。
三、措施和办法首先针对检查排查出的安全隐患和问题,公司要求项目部对生产安全实行横迹管理,每周对施工现场安全进行安全检查,每天早上开工前进行安全技术交底及现场注意的安全事项,责令在限期内整改。
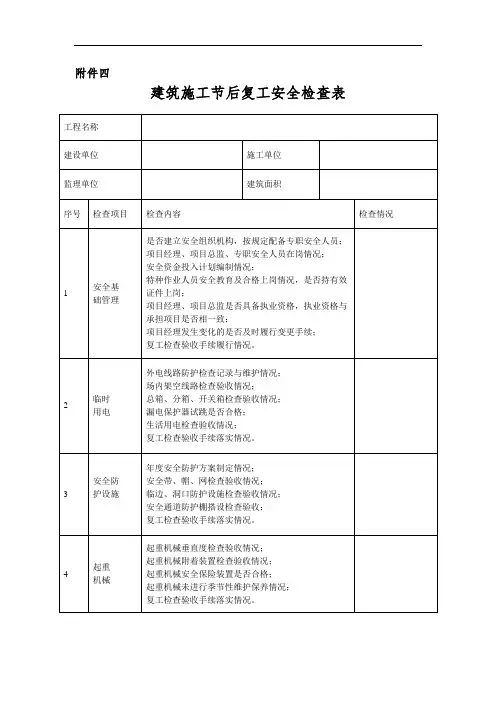
建筑工地复工检查表一、基本信息1.工地名称:2.工地地址:3.复工日期:4.负责人姓名及联系方式:二、安全检查1.安全设施a. 围挡、警示标志是否齐全、醒目b. 安全网、安全带等防护用品是否合格、齐全c. 脚手架、支撑结构是否稳定、符合要求2.电气设备a. 电线电缆是否裸露、破损b. 开关插座是否漏电、松动c. 施工机械接地是否良好3.消防安全a. 消防器材是否齐全、有效b. 消防通道是否畅通无阻c. 是否存在违规使用明火、易燃易爆物品等行为4.其他a. 高处作业防护措施是否到位b. 施工现场是否存在其他安全隐患三、疫情防控检查1.人员管理a. 复工人员是否全部完成核酸检测,结果是否阴性b. 复工人员是否持有健康证明,且健康证明是否有效c. 是否有来自中高风险地区的人员,是否已按照疫情防控要求进行管理2.现场管理a. 施工现场是否设置隔离区、观察区等疫情防控区域b. 施工现场是否定期进行消毒、通风等防疫措施c. 施工现场是否配备足够的口罩、消毒液等防疫物资3.其他a. 是否建立疫情防控应急预案,并进行演练b. 是否与当地卫生部门保持联系,及时报告疫情防控情况四、环保检查1.扬尘治理a. 施工现场是否设置扬尘治理设施,如喷淋系统、挡风墙等b. 施工过程中是否采取有效措施减少扬尘产生2.噪音污染a. 施工机械是否配备消音器,是否定期维护保养b. 施工过程中是否采取有效措施减少噪音污染3.废水排放a. 施工现场是否设置沉淀池、污水收集池等设施b. 废水是否经处理后达标排放五、复工验收意见1.验收人员签字:2.验收日期:3.验收意见:备注:本检查表仅作为建筑工地复工检查的基本参考,具体检查内容应根据实际情况进行调整和完善。
同时,复工前务必确保所有检查项均符合要求,确保复工安全、有序进行。
施工项目节后复工十个检查表1、生活区管理
施工单位:工程名称:
施工单位检查人员签字:监理单位检查人员签字:建设单位检查人员签字:日期:
2、现场、料具管理
施工单位:工程名称:
施工单位检查人员签字:监理单位检查人员签字:建设单位检查人员签字:日期:
3、现场围挡
施工单位:工程名称:
施工单位检查人员签字:监理单位检查人员签字:建设单位检查人员签字:日期:
4、安全防护
施工单位:工程名称:
施工单位检查人员签字:监理单位检查人员签字:建设单位检查人员签字:日期:
5、安全管理
施工单位:工程名称:
施工单位检查人员签字:监理单位检查人员签字:建设单位检查人员签字:日期:
6、脚手架
施工单位:工程名称:
施工单位检查人员签字:监理单位检查人员签字:建设单位检查人员签字:日期:
7、施工用电
施工单位:工程名称:
施工单位检查人员签字:监理单位检查人员签字:建设单位检查人员签字:日期:
8、塔吊、起重吊装
施工单位:工程名称:
施工单位检查人员签字:监理单位检查人员签字:建设单位检查人员签字:日期:
9、机械安全
施工单位:工程名称:
施工单位检查人员签字:监理单位检查人员签字:建设单位检查人员签字:日期:
10、保卫消防
施工单位:工程名称:
施工单位检查人员签字:监理单位检查人员签字:建设单位检查人员签字:日期:。