水闸过流计算
- 格式:doc
- 大小:43.00 KB
- 文档页数:3
专题9. 闸孔出流过流能力计算实际工程的水闸,闸底坎一般为宽顶堰和曲线型实用堰,闸门类型主要有平板闸门和弧形闸门。
闸孔出流的形式有自由出流和淹没出流两种。
如下图所示图9-1''c t h h > 闸孔自由出流 9-2 ''c t h h = 闸孔自由出流9-3''c t h h < 闸孔淹没出流判别标准分别为:当''c t h h ≥时,下游发生远离式水跃或临界式水跃,此时闸孔出流为自由出流;当''c t h h <时,下游发生淹没式水跃,此时的闸孔出流为淹没出流。
其中,''c h 为收缩断面水深c h 的共轭水深,t h 为下游水深。
1.自由出流对于自由出流,其计算公式如下02Q be gH μ= (9-1)式中:Q 为过堰流量,m 3/s ;μ为闸孔出流的流量系数;b 为闸孔净宽,m ;e 为闸门开度,m ; 0H 为闸前总水头,m 。
对于平板闸门,流量系数可用下式计算0.600.176eHμ=- (9-2) 应用范围: 0.10.65eH<<。
对于弧形闸门,流量系数可用下式计算(0.970.81)(0.560.81)180180eHθθμ︒︒=--- (9-3) θ为闸门下缘切线与水平线的夹角,适用于: 002590θ<<, 0.10.65eH<<。
2.淹没出流由上面分析可以看出,闸孔淹没出流的条件为t ch h ''>。
当闸孔为淹没出流时,泄流能力比同样条件下的自由出流小,在实际计算时,是将平底闸孔自由出流的式(9—1)右端乘上一个淹没系数s σ,即:02s Q be gH σμ= (9—4)式中 :s σ—淹没系数,可由eH及z H ∆可查图9.4得到,z ∆为闸上、下游水位差。
图9-4闸孔出流的淹没系数【工程任务】矩形渠道中修建一水闸,闸底板与渠底齐平,闸孔宽b 等于渠道宽度b 为3m ,闸门为平板门。
水闸过流计算①开敞式水闸过流计算a .当hs ≤ 0.72H 0时,过闸水流为自由出流,流量公式Q =εmB 错误!H 03/2;b .当0.72H0<hs≤0.9H 0时,过闸水流为淹没出流, 流量公式2/3002H g mB Q σε= 单孔闸:s s b b b b 0401171.01⎪⎪⎭⎫ ⎝⎛--=σ 多孔闸,闸墩墩头为圆弧形时:()b z b z b zz b zb d b b b d b b d b b d b b NN ++⎥⎥⎥⎥⎦⎤⎢⎢⎢⎢⎣⎡++--=+⎪⎪⎭⎫ ⎝⎛+--=+-=221171.011171.0110040000400εεεεε 4.000131.2⎪⎪⎭⎫ ⎝⎛-=H h H h s s σ式中: B 0---闸孔总净宽(m);Q ---过闸流量(m 3/s );H 0---计入行近流速水头的堰上水头(m );g---重力加速度,可采用9.81(m/s 2); m ---堰流侧收缩系数;b 0---闸孔净宽(m);b s ---上游河道一半水深处的宽度(m);N---闸孔数;εz ---中闸孔侧收缩系数;d z ---中闸墩厚度(m);εb ---边闸孔侧收缩系数;b b ---边闸墩顺水流向边缘线至上游河道水边线之间的距离(m);σ---堰流淹没系数;hs ---由堰顶算起的下游水深(m)。
c.9.0/0≥H h s 当时,为高淹没出流,其流量计算公式: ()20000065.0877.02⎪⎪⎭⎫ ⎝⎛-+=-=H h h H g h B Q s s s μμ 式中:μ0---淹没堰流的综合流量系数;其它符号意义同前。
对于平底闸,当设有胸墙时为孔流,流量计算公式: ee e e h r H h H h gH h B Q 16200718.24.0111112=⎥⎥⎦⎤⎢⎢⎣⎡⎪⎭⎫ ⎝⎛-+='+'-'='=λλεεεφμμσ 式中:h e---孔口高度(m);μ---孔流流量系数;φ---孔流流速系数,采用1.0; ε′---孔流垂直收缩系数;λ---计算系数,适用于25.00<<eh r 范围; r ---胸墙底圆弧半径(m); σ′---孔流淹没系数,由规范表中查得。
水闸水力计算说明一、过流能力计算1.1外海进水外海进水时,外海水面高程取5.11m ,如意湖内水面高程取1.0m 。
中间三孔放空闸,底板高程为-4.0m ,两侧八孔防潮闸底板高程为2.0m ,每孔闸净宽度为10m 。
表2 内海排水时计算参数特性表1.1.1中间三孔放空闸段 a.判定堰流类型27.511.948==Hδ式中δ为堰壁厚度,H 为堰上水头。
2.5<5.27<10,为宽顶堰流。
b.堰流及闸孔出流判定11.95=H e =0.549≤0.65,为闸孔出流。
式中,e 为闸门开启高度,H 为堰、闸前水头。
c.自由出流及淹没出流判定闸孔出流收缩断面水深h c=ε1e=5.0×0.650=3.25m 。
式中,e 为闸门开启高度,为5.0m ;ε1为垂向收缩系数,查《水利计算手册》(2006年第二版)中表3-4-1得0.650。
收缩断面处水流速为υc=)(20c h H g -ϕ=)(25.311.981.9295.0-⨯⨯⨯=10.19m/s 。
式中,ψ为闸孔流速系数,查《水利计算手册》(2006年第二版)中表3-4-3,取0.95;H 0为闸前总水头,为9.11m ; hc 为收缩断面水深。
收缩断面水深hc 的共轭水深hc”=)181(22-+c c c gh h ν=)125.381.919.1081(225.32-⨯⨯+=6.83m ;下游水深ht=5.0m <hc”=6.83m ,故为自由出流。
d.过流量计算根据闸孔自由出流流量计算公式Q 1=002gH be μ=11.981.92530503.0⨯⨯⨯⨯⨯=1008.71m³/s 。
式中,μ0为流量系数,平板闸门流量系数可按经验公式 μ0=0.60-0.176He=0.60-0.176×0.549=0.503; b 为闸孔宽度,为3×10=30m 。
1.1.2两侧八孔防潮闸段 a.判定堰流类型43.1511.348==Hδ>10,过渡为明渠流。
水闸水力计算说明一、过流能力计算1.1外海进水外海进水时,外海水面高程取5.11m ,如意湖内水面高程取1.0m 。
中间三孔放空闸,底板高程为-4.0m ,两侧八孔防潮闸底板高程为2.0m ,每孔闸净宽度为10m 。
表2 内海排水时计算参数特性表1.1.1中间三孔放空闸段 a.判定堰流类型27.511.948==Hδ式中δ为堰壁厚度,H 为堰上水头。
2.5<5.27<10,为宽顶堰流。
b.堰流及闸孔出流判定11.95=H e =0.549≤0.65,为闸孔出流。
式中,e 为闸门开启高度,H 为堰、闸前水头。
c.自由出流及淹没出流判定闸孔出流收缩断面水深h c=ε1e=5.0×0.650=3.25m 。
式中,e 为闸门开启高度,为5.0m ;ε1为垂向收缩系数,查《水利计算手册》(2006年第二版)中表3-4-1得0.650。
收缩断面处水流速为υc=)(20c h H g -ϕ=)(25.311.981.9295.0-⨯⨯⨯=10.19m/s 。
式中,ψ为闸孔流速系数,查《水利计算手册》(2006年第二版)中表3-4-3,取0.95;H 0为闸前总水头,为9.11m ; hc 为收缩断面水深。
收缩断面水深hc 的共轭水深hc”=)181(22-+c c c gh h ν=)125.381.919.1081(225.32-⨯⨯+=6.83m ;下游水深ht=5.0m <hc”=6.83m ,故为自由出流。
d.过流量计算根据闸孔自由出流流量计算公式Q 1=002gH be μ=11.981.92530503.0⨯⨯⨯⨯⨯=1008.71m³/s 。
式中,μ0为流量系数,平板闸门流量系数可按经验公式 μ0=0.60-0.176He=0.60-0.176×0.549=0.503; b 为闸孔宽度,为3×10=30m 。
1.1.2两侧八孔防潮闸段 a.判定堰流类型43.1511.348==Hδ>10,过渡为明渠流。
D-2 水闸水力学计算程序作者 陈靖齐(水电部天津勘测设计院) 校核 潘东海(水电部天津勘测设计院)一、概述:(一)水闸过水能力计算的难题是流量系数μ,经验方式很多,各家不同,甚至一本参考书,列出几种公式,几种算例,深入研究流量系数不是本程序范围,本程序仅对现有公式择优选一。
(二)一般计算流量时,不计行进流速V 0=Q/BH ,本程序用迭代法,考虑了V 0,即Q →V 0→H 0,再算Q ,较符合实际过程,精度│△Q │< 0.001m 3/s 。
(三)求e 用迭代法。
二.功能:本程序能计算平底平板闸门、平底弧形闸门、实用堰平板闸门、实用堰弧形闸门四种情况下的流量,闸门开启度e 。
三.公式和算法: (一)流量公式(平底平板闸门可求淹没系数σ) 或(其他三种情况)式中:μ0—流量系数,因闸门形式,底坎形式,相对开度e/H 而异; e —闸门开度(m ); B —闸门宽(m ); H 0—闸前水深(m ); H S —下游水深(m );g —重力加速度(9.8m/s 2)。
(二)流量系数:本程序取武水的一套较完整的流量系数公式。
1,平底、平板闸门μ0=0.6-0.176e/H [清华、武水](华水多—尾项)2,平底、弧形闸门μ0=0.97-0.56e/H-(1-e/H )×0.258θ[武水]式中:θ--弧形闸门下缘入流角(弧度值)。
25°≤θ≤90°,0.1≤e/H ≤0.65 R —弧形闸门半径; C —转轴高;02gH eB Q σμ=)(s h h g eB Q -=002μRe c COS -=-1θ3,实用堰上平板闸门4,实用堰上弧形闸门(三)淹没出流问题1,平板平底闸门,淹没系数σ=σ[(hs-hc ″)/(H-hc )],其关系为一条曲线,本程序已使其离散和数据化存数据库中,可自动插值。
式中: hs —下游水深(m );hc ″—水跃后水深(m ); hc —收缩断面宽度:hc=ε eFrc=Uc 2/ghc 收缩断面Frude 数e —平板闸门侧收缩系数表,本程序已存数据库中。
水闸过流和闸宽计算水闸过流和闸宽计算是水利工程中非常重要的计算内容之一、水闸是用于控制水流的流量和水位的工程设施,能够实现水流的阻断或调节。
而水闸过流和闸宽的计算则关系到水闸的设计和运行,是水利工程设计、施工和管理中必不可少的内容。
一、水闸过流计算水闸过流计算是指在已知水位差和水闸几何参数的情况下,计算水闸流量的过程。
根据水闸的型式和不同的流量计算公式,水闸过流计算方法也有所不同。
1.矩形槽水闸过流计算:矩形槽水闸是指水闸闸门槽的横截面为矩形形状的水闸。
根据斯吕瓦特兹公式,可以计算矩形槽水闸过流量Q的公式为:Q = Bh √2g (2gh + h²)⁽¹/²⁾其中,Q为过流量,B为闸门槽底宽,h为水位差,g为重力加速度。
2.梯形槽水闸过流计算:梯形槽水闸是指水闸闸门槽的横截面为梯形形状的水闸。
根据斯吕瓦特兹公式,可以计算梯形槽水闸过流量Q的公式为:Q = ξBh √2g (2gh + h²)⁽¹/²⁾其中,ξ为梯形槽的修正系数,一般取值为0.65、其他参数的含义同上。
3.圆柱管水闸过流计算:圆柱管水闸是指水闸闸门槽为圆柱管形状的水闸。
根据圆柱管的流量计算公式,可以计算圆柱管水闸的过流量Q的公式为:Q = πr² √2gh其中,r为圆柱管的半径,其他参数的含义同上。
以上是一些常见的水闸过流计算方法,还有其他类型的水闸过流计算方法可以根据实际应用情况进行选择。
二、水闸闸宽计算水闸闸宽计算是指在已知水位差和水闸流量的情况下,计算水闸的闸宽的过程。
水闸闸宽的计算方法与不同的水闸类型和形式有关。
1.矩形水闸闸宽计算:矩形水闸是指水闸的闸门宽度和闸门高度均为常数的水闸。
根据闸宽计算公式,可以计算矩形水闸闸宽B的公式为:B = Q / vh其中,vh为矩形水闸的过水深度。
2.梯形水闸闸宽计算:梯形水闸是指闸门宽度从上游到下游逐渐增大的水闸。
水利常用专业计算公式一、枢纽建筑物计算1、进水闸进水流量计算:Q=B0δεm(2gH03)1/2式中:m —堰流流量系数ε—堰流侧收缩系数2、明渠恒定均匀流的基本公式如下:流速公式:u=RiC流量公式Q=Au=A RiC流量模数K=A RC式中:C —谢才系数,对于平方摩阻区宜按曼宁公式确定,即C =6/1n 1RR —水力半径(m );i —渠道纵坡;A —过水断面面积(m 2);n —曼宁粗糙系数,其值按SL 18确定。
3、水电站引水渠道中的水流为缓流。
水面线以a1型壅水曲线和b1型落水曲线最为常见。
求解明渠恒定缓变流水面曲线,宜采用逐段试算法,对棱柱体和非棱柱渠道均可应用。
逐段试算法的基本公式为△x=f21112222i -i 2g v a h 2g v a h ⎪⎪⎭⎫ ⎝⎛+-⎪⎪⎭⎫ ⎝⎛+式中:△x ——流段长度(m );g ——重力加速度(m/s ²);h 1、h 2——分别为流段上游和下游断面的水深(m );v 1、v 2——分别为流段上游和下游断面的平均流速(m/s );a 1、a 2——分别为流段上游和下游断面的动能修正系数;f i ——流段的平均水里坡降,一般可采用⎪⎭⎫ ⎝⎛+=-2f 1f -f i i 21i 或⎪⎪⎭⎫ ⎝⎛+=∆=3/4222224/312121f f v n R v n 21x h i R 式中:h f ——△x 段的水头损失(m ); n 1、n 2——分别为上、下游断面的曼宁粗糙系数,当壁面条件相同时,则n 1=n 2=n ; R 1、R 2——分别为上、下游断面的水力半径(m );A 1、A 2——分别为上、下游断面的过水断面面积(㎡);4、各项水头损失的计算如下:(1)沿程水头损失的计算公式为⎪⎪⎭⎫ ⎝⎛+∆=3/4222223/412121f v n v n 2x h R R (2)渐变段的水头损失,当断面渐缩变化时,水头损失计算公式为:L f 2122c f c i g 2v g 2v f h h h -+⎪⎪⎭⎫ ⎝⎛-=+=ω 5、前池虹吸式进水口的设计公式(1)吼道断面的宽高比:b 0/h 0=1.5—2.5;(2)吼道中心半径与吼道高之比:r 0/h 0=1.5—2.5;(3)进口断面面积与吼道断面面积之比:A 1/A 0=2—2.5;(4)吼道断面面积与压力管道面积之比:A 0/A M =1—1.65;(5)吼道断面底部高程(b 点)在前池正常水位以上的超高值:△z=0.1m —0.2m ;(6)进口断面河吼道断面间的水平距离与其高度之比:l/P=0.7—0.9;6、最大负压值出现在吼道断面定点a 处,a 点的最大负压值按下式确定:γανp *w 20a h g 2h h -+++Z +∆Z =∑、B式中:Z —前池内正常水位与最低水位之间的高差(m );h 0—吼道断面高度(m );∑w h —从进水口断面至吼道断面间的水头损失(m ); γ/p *—因法向加速度所产生的附加压强水头(m )。
⽔利⼯程常⽤计算公式⽔利专业常⽤计算公式、枢纽建筑物计算3 1/21、进⽔闸进⽔流量计算: Q=B 0 Ss m ( 2gH o )式中:m —堰流流量系数s —堰流侧收缩系数2、明渠恒定均匀流的基本公式如下:流速公式:u = C . Ri流量公式Q = Au = AC .. Ri流量模数K = A CR式中:C —谢才系数,对于平⽅摩阻区宜按曼宁公式确定,即C = 1R 1/6nR —⽔⼒半径(m );i —渠道纵坡;2A —过⽔断⾯⾯积(m );n —曼宁粗糙系数,其值按 SL 18确定。
3、⽔电站引⽔渠道中的⽔流为缓流。
⽔⾯线以 al 型壅⽔曲线和bl 型落⽔曲线最为常见。
求解明渠恒定缓变流⽔⾯曲线,宜采⽤逐段试算法,对棱柱体和⾮棱柱渠道均可应⽤。
逐段试算法的基本公式为2、h 2业 2gi-i f式中:△ x 流段长度(m );g -------- 重⼒加速度(m/s2);h 1、h 2 -------------- 分别为流段上游和下游断⾯的⽔深( m );v 1、v 2 ---------------- 分别为流段上游和下游断⾯的平均流速( m/s );a 1、a 2――分别为流段上游和下游断⾯的动能修正系数;i f ――流段的平均⽔⾥坡降,⼀般可采⽤△ x= 2g式中:h a —计算断⾯处的⼤⽓压强⽔柱⾼(m ); 2 2 .n 2V 2R ;/3或i f fl式中:h f—△ x段的⽔头损失(m;n 1、n2――分别为上、下游断⾯的曼宁粗糙系数,当壁⾯条件相同时,则R 1、R2――分别为上、下游断⾯的⽔⼒半径(m);A 1> A分别为上、下游断⾯的过⽔断⾯⾯积(m2);4、各项⽔头损失的计算如下:(1)沿程⽔头损失的计算公式为式中:0 —吼道断⾯中⼼半径(m)计算结果,须满⾜下列条件:h B、aH v—⽔的⽓化压强⽔柱⾼(m m=n2=n;也x 'n2v2R4732 2n 2V2R4/3(2)渐变段的⽔头损失,当断⾯渐缩变化时,⽔头损失计算公式为:'v;V2 ' -hs= hc+hf =f c———+ if LQ 2g⼃5、前池虹吸式进⽔⼝的设计公式(1)吼道断⾯的宽⾼⽐:b o/h o=1.5 —2.5 ;(2)吼道中⼼半径与吼道⾼之⽐:r o/h o=1.5 —2.5 ;(3)进⼝断⾯⾯积与吼道断⾯⾯积之⽐:A/A0=2 — 2.5 ;(4)吼道断⾯⾯积与压⼒管道⾯积之⽐:A0/A M=1—1.65 ;(5)吼道断⾯底部⾼程(b点)在前池正常⽔位以上的超⾼值:△z=0.1m(6)进⼝断⾯河吼道断⾯间的⽔平距离与其⾼度之⽐:l/P=0.7 —0.9 ;6、最⼤负压值出现在吼道断⾯定点a处,a点的最⼤负压值按下式确定:“2P/h B、a ⼆w h°—、h w -2g式中:前池内正常⽔位与最低⽔位之间的⾼差(m;h o —吼道断⾯咼度(m);h w —从进⽔⼝断⾯⾄吼道断⾯间的⽔头损失(m);*P /—因法向加速度所产⽣的附加压强⽔头(m)0.2m;式中:h a —计算断⾯处的⼤⽓压强⽔柱⾼( m );最⼩淹没深度S,可按下式估算:S/h 。
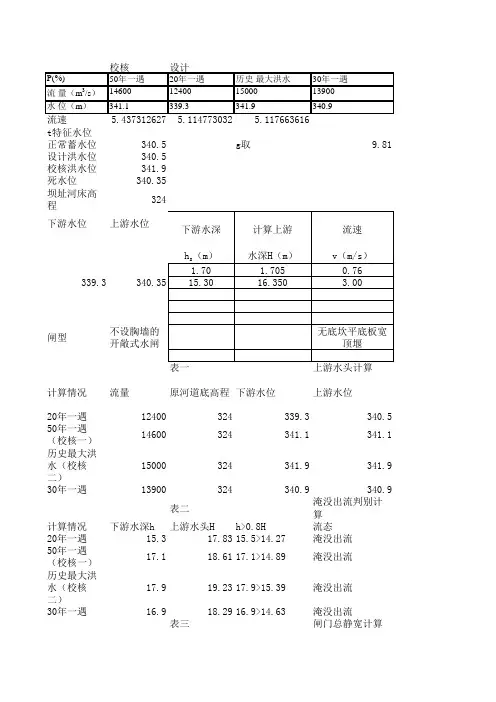
校核设计P(%)50年一遇20年一遇历史最大洪水30年一遇流量(m3/s)14600124001500013900水位(m)341.1339.3341.9340.9流速 5.437312627 5.114773032 5.117663616t特征水位正常蓄水位340.5g取9.81设计洪水位340.5校核洪水位341.9死水位340.35坝址河床高程下游水位上游水位339.3闸型计算情况流量原河道底高程下游水位上游水位20年一遇12400324339.3340.5 50年一遇(校核一14600324341.1341.1历史最大洪水(校150********.9341.9 30年一遇139********.9340.9表二淹没出流判别计算计算情况下游水深h上游水头H h>0.8H流态20年一遇15.317.8315.5>14.27淹没出流50年一遇(校核一17.118.6117.1>14.89淹没出流历史最大洪水(校17.919.2317.9>15.39淹没出流30年一遇16.918.2916.9>14.63淹没出流表三闸门总静宽计算计算情况流量下游水深上游水头hs/H020年一遇1240015.317.830.857941711 50年一遇(校核一1460017.118.610.919016455历史最大洪水(校1500017.919.230.930600741 30年一遇1390016.918.290.923859917拟选孔数孔宽总静宽中礅厚方案一1112132 1.4方案二1510150 1.4方案一:过流能力校核计算情况b0bs b0/bs侧收缩系数计算中孔1213.40.8955223880.982靠缝礅孔12140.8571428570.975边孔12720.1666666670.909总侧收缩系数0.963636364计算情况堰上水头hs/H0淹没系数σ侧收缩系数ε20年一遇17.830.860.9079384210.963636364 50年一遇(校核一18.610.920.7767727480.963636364历史最大洪水(校19.230.930.7394644620.963636364 30年一遇18.290.920.7618394230.963636364方案二:过流能力校核计算情况b0bs b0/bs侧收缩系数计算中孔1011.40.8771929820.98靠缝礅孔10120.8333333330.973边孔10820.121951220.909总侧收缩系数0.962计算情况堰上水头hs/H0淹没系数σ侧收缩系数ε20年一遇17.830.860.9079384210.962 50年一遇(校核一18.610.920.7767727480.962历史最大洪水(校19.230.930.7394644620.962 30年一遇18.290.920.7618394230.962行进水头v2/2上游水头H0(m)下游水深hs(m)上游水深H(过水断面积行进流速v(m15.316.52424.35 5.114773 1.33337917.8317.117.12685.15 5.437313 1.50684918.6117.917.92931.025 5.117664 1.33488719.2316.916.92659 5.227529 1.39281718.29淹没系数侧收缩系数堰流系数总静宽上游一半水深宽度bs(m)0.9079384210.960.385110.7729168.40.7767727480.960.385143.0435171.20.7394644620.960.385146.8784172.90.7618394230.960.385142.4456170.9缝礅厚边礅厚布置型式闸孔总宽2 1.23,2,2150.82 1.23,3,3174.4堰流系数m Q校核过流能力0.38514832.150.1961410.38513523.86-0.073710.38513531.6-0.097890.38512929.5-0.06982堰流系数m Q校核过流能力0.38516826.10.3569430.38515341.920.0508170.38515350.70.023380.38514667.660.055227。
节制闸(过流计算书)
计算者:
校核者:
一、基本资料:
闸前水位:10.6m ;闸后水位:10.5m ;闸底板高程:8.0m ;涵洞为两孔,单孔孔口尺寸为2.5x2.5m ;洞身段约长度为8.5m ;渠道纵坡i=1/15000。
二、涵洞水流形态的判别:
按照《涵洞》第44页表3-2选取15.11=K
对无压流:
1K a
H 对半有压流:1K a
H 104.15.26.2K a H == 故属于无压涵洞。
三、长短洞的判别:
按照经验公式计算短洞极限长度:
()()m H H m L k 30~5.1212~5163~64===
k L m L 5.8=
属于无压短洞。
四、出流情况的判别: 75.096.06
.25.2H iL -h 0t == 属于淹没出流。
五、无压短洞过流计算:
根据《涵洞》无压短洞过流能力可按下面公式计算:
2
/30H g 2σmb Q =
式中 σ—淹没系数
m —流量系数
b —过流断面计算宽度
查《涵洞》第95页表3-24得: 489.0=σ
查《涵洞》第93页表3-21得:357.0=m
m b 0.5=
s m /2.166.28.925357.0489.0H g 2σmb Q 32/32
/30k =⨯⨯⨯⨯⨯==
闸前水位为10.6m ,闸后水位为10.5m ,闸门全开的条件下,计算过闸流量为16.2m 3/s ,满足过流要求。
水闸过流计算
①开敞式水闸过流计算
a.当hs ≤ 0.72H 0时,过闸水流为自由出流,流量公式Q =εmB 2gH 03/2;
b.当0.72H 0<hs≤0.9H 0时,过闸水流为淹没出流, 流量公式2/30
02H g mB Q σε= 单孔闸:s s b b b b 0401171.01⎪⎪⎭
⎫ ⎝⎛--=σ 多孔闸,闸墩墩头为圆弧形时:
()b z b z b z
z b z
b d b b b d b b d b b d b b N
N ++⎥⎥⎥⎥⎦
⎤⎢⎢⎢⎢⎣⎡++--=+⎪⎪⎭⎫ ⎝⎛+--=+-=221171.011171.0110040000400εεεεε 4.000131.2⎪⎪⎭⎫ ⎝⎛-=H h H h s s
σ
式中:
B 0---闸孔总净宽(m);
Q---过闸流量(m 3/s);
H 0---计入行近流速水头的堰上水头(m);
g---重力加速度,可采用9.81(m/s 2);
m---堰流侧收缩系数;
b 0---闸孔净宽(m);
b s ---上游河道一半水深处的宽度(m);
N---闸孔数;
εz ---中闸孔侧收缩系数;
d z ---中闸墩厚度(m);
εb ---边闸孔侧收缩系数;
b b ---边闸墩顺水流向边缘线至上游河道水边线之间的距离(m);
σ---堰流淹没系数;
h s ---由堰顶算起的下游水深(m)。
c.9.0/0≥H h s 当时,为高淹没出流,其流量计算公式: ()
20000065.0877.02⎪⎪⎭
⎫ ⎝⎛-+=-=H h h H g h B Q s s s μμ 式中:
μ0---淹没堰流的综合流量系数;
其它符号意义同前。
对于平底闸,当设有胸墙时为孔流,流量计算公式: e
e e e h r H h H h gH h B Q 16
20
0718.24.0111
112=⎥⎥⎦
⎤⎢⎢⎣⎡⎪⎭⎫ ⎝⎛-+='+'-
'='=λλεεεφμμσ 式中:
h e ---孔口高度(m);
μ---孔流流量系数;
φ---孔流流速系数,采用1.0;
ε′---孔流垂直收缩系数;
λ---计算系数,适用于25.00<<
e
h r 范围; r---胸墙底圆弧半径(m);
σ′---孔流淹没系数,由规范表中查得。
②涵闸过流计算
按半有压涵洞的过流能力计算
()D H g A m Q 1012β-= 式中:
m 1---半压力流时的流量系数;
A---涵洞断面面积(m 2); β1---修正系数;
D---涵洞高度(m)。