温控箱MD18使用说明书
- 格式:ppt
- 大小:241.50 KB
- 文档页数:8
32第五章 功能参数表FP-00设定非0值,即设定了参数保护密码,参数菜单必须在正确输入密码后才能进入,将FP-00设定为0即可取消密码。
功能码中符号说明如下:“○”:表示该参数的设定值在变频器处于停机、运行状态中,均可更改; “×”:表示该参数的设定值在变频器处于运行状态中,不可更改; “*”:表示该参数的数值是实际检测记录值,不能更改;“—”:表示该参数是“厂家参数”,仅限于制造厂家设置,禁上用户进行操作。
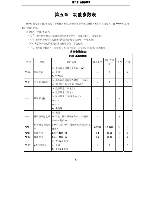
功能参数简表F0组 基本功能组代号名称设定范围最小单位出厂设定值更改序号F0-00控制方式0:无速度传感器矢量控制(SVC)1:保留 2:V/F控制1×F0-01命令源选择源0:操作面板运行命令通道(LED灭) 1:端子运行命令通道(LED亮) 1○1F0-02频率源选择0:数字设定(不记忆) 1:数字设定(记忆)2:脉冲设定(DI4输入有效) 3:AI1 4:AI2 5:多段速 1×2F0-03辅助频率源选择 0:无效1:有效(辅助频率源为AI2,并且仅对应F0-02选择为0,1,2)1×3F0-04 数字设定预置频率 0.00~上限频率(对频率源为数字设定有效) 0.00Hz 50.00Hz ○ 4 F0-05 加速时间 0.0s~3000.0s 0.1 20.0S ○ 5 F0-06减速时间0.0s~3000.0s 0.120.0S○6F0-07V/F曲线选择0:直线V/F曲线1:保留 2:平方V/F曲线1×7F0-08 V/F控制转矩提升0.0:(自动)0.0%~30.0%0.1% 0.0% ○ 8F0-09 DI1端子功能选择1 1 × 9F0-10 DI2端子功能选择1 4 × 10F0-11 DI3端子功能选择1 12 × 11F0-12 DI4端子功能选择0:无功能1:正转运行(FWD)2:反转运行(REV)3:三线式控制4:正转点动(FJOG)5:反转点动(RJOG)6:端子UP7:端子DOWN8:自由停车9:故障复位(RESET)10:保留11:外部故障常开输入12:多段速端子113:多段速端子214:外部故障常闭输入15:保留16:AI1与AI2给定切换17~18:保留19:UP/DOWN设定清零(端子、键盘)20:运行命令切换端子21:保留(输入选择PULSE时,DI4选择任何功能均无效,只能对应PULSE输入)1 13 × 12F0-13 DO输出选择 0:无输出1:变频器运行中2:故障输出3:频率到达1 1 ○ 13F0-14 AO输出选择 0:运行频率1:设定频率2:输出电流3:PULSE输入(对应设定)4:AI1(对应设定)5:AI2(对应设定)1 0 ○ 14F0-15 启动方式 0:直接启动1:转速跟踪再启动1 0 × 1533F0-16 停机方式 0:减速停车1:自由停车1 0 ○ 16F1组 电机参数F1-00 电机类型选择 0:普通异步电动机1:变频异步电动机2:永磁同步电动机(保留)1 0 × 17F1-01 额定功率 0.1kW~1000.0kW 0.1 机型确定 × 18 F1-02 额定电压 0V~440V 1 380V × 19 F1-03 额定电流 0.00A~655.35A 0.01 机型确定 × 20 F1-04 额定频率 0.00Hz~最大频率 1 50.00Hz × 21 F1-05 额定转速 0rpm~30000rpm 1 1460rpm × 22 F1-06 定子电阻 0.001Ω~65.535Ω 0.001Ω机型确定 ○ 23 F1-07 转子电阻 0.001Ω~65.535Ω 0.001Ω机型确定 ○ 24 F1-08 漏感抗 0.01mH~655.35mH 0.01 mH机型确定 ○ 25 F1-09 互感抗 0.01mH~655.35mH 0.1 mH机型确定 ○ 26 F1-10 空载电流 0.01A~650.00A 0.01A 机型确定 ○ 27F1-11 调谐选择 0:无操作1:静止调谐2:完整调谐1 0 × 28F2组 矢量与VF控制参数F2-00 矢量控制速度环比例增益11~100 1 30 ○ 29F2-01 矢量控制速度环积分时间10.01s~10.00s 0.01s 0.50s ○ 30F2-02 矢量控制PI参数切换频率10.00~F2-05 0.01Hz 5.00Hz ○ 31F2-03 矢量控制速度环比例增益21~100 1 25 ○ 32F2-04 矢量控制速度环积分时间20.01s~10.00s 0.01s 1.00 ○ 33F2-05 矢量控制PI参数切换频率2F2-02~50.00Hz 0.01Hz10.00Hz ○ 34F2-06 矢量控制转差补偿系数50%~200% 1% 100% ○ 3534F2-07 矢量控制速度环滤波时间/VF控制AVR选择 0.000s~1.000s0.001s0.002s ○ 36F2-08 矢量控制转矩上限5.0%~200.0% 0.1% 150.0% ○ 37F2-09 V/F控制转差补偿系数0.0%~200.0% 0.1% 0.0% ○ 38F2-10 V/F控制振荡抑制增益0~100 1 0 ○ 39F3组 端子输入输出F3-00 端子控制方式(FWD/REV)0:两线式1:三线式1 0 × 40F3-01 端子UP/DOWN速率0.01Hz/s~100.00Hz/s 0.01Hz/s 1.00Hz/s ○ 41F3-02 AI最小输入 0.00V~10.00V 0.01V 0.00V × 42F3-03 AI最小输入对应设定-100.0%~100.0% 0.1% 0.0% × 43F3-04 AI中间1输入 0.00V~10.00V 0.01V 5.00V × 44F3-05AI中间1输入对应 -100.0%~100.0%0.1% 50.0% × 45F3-06 AI中间2输入 0.00V~10.00V 0.01V 8.00V × 46 F3-07AI中间2输入对应-100.0%~100.0% 0.1% 80.0% × 47 F3-08 AI最大输入 0.00V~10.00V 0.01V 10.00V × 48F3-09 AI最大输入对应设定-100.0%~100.0% 0.1% 100.0% × 49F3-10 PULSE(脉冲)输入最大频率0.00kHz~50.00kHz 0.01Hz50.00kHz ○ 50F3-11 输入滤波时间 0.01s~10.00s 0.01s 0.01s ○ 51 F3-12 AO零偏系数 -100.0%~100.0% 0.1% 0.1% ○ 52 F3-13 AO增益 -10.00~10.00 0.01 1.00 ○ 5335F4组 启停控制参数F4-00 停机直流制动开始频率0.00Hz~50.00Hz0.01Hz0.00Hz ○ 54F4-01 停机直流制动等待时间0.0s~36.0s0.1s 0.0s ○ 55F4-02 停机直流制动电流0%~100% 1% 0% ○ 56F4-03 停机直流制动时间0.0s~36.0s 0.1s 0.0s ○ 57F4-04 制动使用率 0%~100% 1% 100% ○ 58F5组 保护功能F5-00 电机过载保护选择0:禁止1:允许1 1 ○ 59F5-01 电机过载保护系数0.50~10.00 0.01 1.00 ○ 60F5-02 过压失速增益 0(无过压失速)~100 1 0 ○ 61 F5-03 过压失速点 120%~150% 1% 130% ○ 62 F5-04 过流失速增益 0(无过流失速)~100 1 20 ○ 63 F5-05 过流失速点 100%~200% 1% 150% ○ 64F5-06 故障自动复位次数0~3 1 0 ○ 65F5-07 故障自动复位间隔J时间0.1s~100.0s 0.1s 1.0s ○ 66F5-08 输入缺相保护选择0:禁止1:允许1 1 ○ 67F5-09 变频器掉载保护选择0:禁止1:允许1 1 × 6836F5-10 故障记录类型 0:无故障1:逆变单元保护(ERR01)2:加速过电流(ERR02)3:减速过电流(ERR03)4:恒速过电流(ERR04)5:加速过电压(ERR05)6:减速过电压(ERR06)7:恒速过电压(ERR07)8:控制电源故障(ERR08)9:欠压故障(ERR09)10:变频器过载(ERR10)11:电机过载(ERR11)12:输入缺相(ERR12)13:输出缺相(ERR13)14:散热器过热(ERR14)15:外部故障(ERR15)16:保留17:保留18:电流检测故障(ERR18)19:电机调谐故障(ERR19)20:保留21:EEPROM存储异常(ERR21)22:变频器硬件故障(ERR22)23:电机对地短路故障(ERR23)24:保留- 0 * 69F5-11 故障时刻频率 - 0.01Hz0.00Hz * 70 F5-12 故障时刻电流 - 0.01A 0.00A * 71F5-13 故障时刻母线电压-0.1V 0.0V * 72F6组 辅助功能F6-00 最大输出频率 50.00Hz~300.00Hz 0.01Hz50.00Hz × 73 F6-01 上限频率 下限频率~最大输出频率 0.01Hz50.00Hz ○ 74 F6-02 下限频率 0.00~上限频率 0.01Hz0.00Hz ○ 75 F6-03 载波频率 0.5kHz~16.0kHz 0.1kHz与机型有关 ○ 76 F6-04 点动频率 0.00Hz~50.00Hz 0.01Hz 2.00Hz ○ 77 F6-05 点动加速时间 0.0s~3000.0s 0.1 20.0s ○ 78 F6-06 点动减速时间 0.0s~3000.0s 0.1 20.0s ○ 7937F6-07 反转控制 0:允许反转1:禁止反转 10 ○ 80F6-08 正反转死区时间 0.0s~3000.0s 0.1s 0.0s ○ 81F6-09 启动保护功能 0:保护1:不保护1 0 ○ 82F6-10 频率到达检出宽度0.0%~100.0%(最大输出频率) 0.1% 0.0% ○ 83F6-11 MF.K功能选择 0:无功能1:本地操作与远程操作切换2:正反转切换3:点动1 0 × 84F6-12 STOP/RESET键功能所有状态RESET复位功能有效0:端子控制时,STOP停机功能无效1:端子控制时,STOP停机功能有效1 0 ○ 85F6-13 上电对地短路保护检测0:无效1:有效1 1 × 86F6-14 多段速0 负最大输出频率~最大输出频率 0.1Hz 0.0Hz ○ 87 F6-15 多段速1 负最大输出频率~最大输出频率 0.1Hz 5.0Hz ○ 88 F6-16 多段速2 负最大输出频率~最大输出频率 0.1Hz 10.0Hz ○ 89 F6-17 多段速3 负最大输出频率~最大输出频率 0.1Hz 15.0Hz ○ 90 F6-18 散热器温度 0℃~150℃ 1℃ * 91F6-19 软件版本号 00.00~99.99 0.01 当前软件版本号* 92FF 厂家参数FF-00 厂家密码 0~65535 1 - ○ 93FP 用户密码与参数初始化FP-00 用户密码 0~65535 1 0 ○ 103FP-01 参数初始化 0:无操作1:恢复出厂设定值2:清除故障记录1 0 × 10438。
MD-18混凝土慢速冻融试验机使用说明书天津市港源试验仪器厂免费电话:400 995 1717(使用前请详细阅读说明书)重要安全信息本信息可以帮助您安全使用港源公司产品,请遵循并保留港源产品随附所有资料。
客户的安全对于港源公司很重要,我们开发的产品安全、有效。
港源产品为机电一体化产品。
电源线、测试线以及其它功能部件在使用不当的情况下仍会引起潜在的安全危险,可能会导致人身伤害或财产损失。
要减少这些危险,请按照产品的说明操作,遵循产品所有操作说明中的警告信息并仔细阅读本文。
仔细按照本文中包含的和随产品提供的资料进行操作,有助于您免受危险并拥有一个安全的工作环境。
需要立即采取操作的情况产品可能由于使用不当或疏忽而损坏。
某些产品损坏程度严重的,经过港源公司专业人员检查及修理后才可以继续使用。
请经常检查设备情况,如果您发现经下列出的任何情况(虽然很少发生)或者对产品有任何安全方面的考虑,请停止使用该产品并断开电源,直到您可以与港源公司取得联系以得到进一步的指导为止。
●●电源线、插头、测试线破裂或损坏。
●●有冒烟或从主机中发出异味。
●●产品机箱内部进水。
●●测量时测试线正负极对接。
●●产品以任何方式的跌落或受到损坏。
●●当按照操作说明操作时产品不正常动作。
注:如果对于港源公司提供的产品发现这些情况,请停止使用该产品,直到您联系产品生产商并获取进一步说明或得到合适的替换件为止。
一般安全准则请始终遵守以下预防措施以降低人身伤害和财产损失的风险。
维修请勿试图自己维修,除非港源技术中心提示您这样操作。
电源线请勿将电源线缠绕在其他物品上,这样做会绷紧电源线,从而可能导制电源破损裂、或弯曲。
这样会出现安全隐患。
避免电源线接触到液体(试验中会接触有腐蚀性液体)液体有时会导致短路。
流体也可能导制电源线终端的连接器接头逐渐腐蚀,这样最终会导制过热。
插头的插座设备使用三线插头,请选择三线的电源插座使用。
若设备使用的电源插座有损坏或腐蚀迹象,请勿使用该插座。
Dell PowerVault MD Series 存储阵列存储复制适配器(SRA)最佳实践指南(客户端)注、小心和警告注: “注”表示可以帮助您更好地使用计算机的重要信息。
小心: “小心”表示可能会损坏硬件或导致数据丢失,并说明如何避免此类问题。
警告: “警告”表示可能会造成财产损失、人身伤害甚至死亡。
版权所有© 2015 Dell Inc. 保留所有权利。
本产品受美国、国际版权和知识产权法律保护。
Dell™和 Dell 徽标是 Dell Inc. 在美国和/或其他司法管辖区的商标。
所有此处提及的其他商标和产品名称可能是其各自所属公司的商标。
2015 - 09Rev. A00目录1 安装和配置 Storage Replication Adapter (SRA) (4)下载 SRA (4)安装过程 (4)受密码保护的存储阵列 (5)NVSRAM 设置 (5)SRA 设备管理服务 (9)更改 SraConfigurationData.xml 中的服务器设置 (9)在 NesSvc.ini 中更改虚拟内存 (10)2 异步远程复制 (11)基于 iSCSI 的远程复制 (11)支持四个远程复制组 (11)10 分钟同步间隔的效果 (11)常规卷建议 (11)命令行选项 (12)Site Recovery Manager 和 ESX/ESXi 中的高级设置 (12)ESX/ESXi 主机设置 (13)3 确定快照存储库大小 (14)快照组存储库 (14)快照卷存储库 (14)SRA 如何使用快照 (15)4 获得帮助 (16)说明文件列表 (16)Dell 说明文件 (16)VMware 说明文件 (16)联系 Dell (16)找到您的系统服务标签 (17)31安装和配置 Storage Replication Adapter (SRA)下载 SRADell MD Series SRA 与 VMware Site Recovery Manager (SRM) 配合使用,以便在分离的 vCenter Server 环境之间进行数据中心故障转移。
2008-1电脑温控温度调整方法
产品出厂前,使用温度都已按标准调整完毕,一般不需调整,如必须调整温度,也只能从低温往高的温度调整,如反之将原设计的高温柜向低温调整,将会对设备造成损伤,甚至会带来严重后果。
切记!
一.低温调高温度:
1.同时按+
2.再按设定键
3.按-24-18℃;
4.按
5
6.再同时按
注:当电脑温控设定好各项运行数据后,为防止他人误操作,所以要锁定。
二.冷冻改冷藏、调整温差、调整化霜温度:
1.同时按+
2.再按设定键
3.按-18+2℃;
4.按
5.按4
6.调整好按也就是化霜间隔时间);
7.按46;
8.按
9.按15分钟至18分钟,如不对应进行调整;
10.再按
11.再同时按
注:当电脑温控设定好各项运行数据后,为防止他人误操作,所以要锁定。
CD/MD型钢丝绳式电动葫芦说明书中国天津起重设备有限公司前言尊敬的客户:您好,感谢您使用我公司产品,请您在安装使用之前一定要仔细阅读本说明书,以帮助您正确安装,使用该产品。
希望您提出宝贵意见。
多谢!目录1. 产品一般介绍.................................................. 错误!未定义书签。
2. 安装说明....................................................... 错误!未定义书签。
3. 维护保养....................................................... 错误!未定义书签。
4. 型号说明....................................................... 错误!未定义书签。
5. 主要性能参数及结构尺寸......................................... 错误!未定义书签。
6. 备件图......................................................... 错误!未定义书签。
7. 轴承表......................................................... 错误!未定义书签。
8. CD和MD型电动葫芦的选择......................................... 错误!未定义书签。
9. 附图........................................................... 错误!未定义书签。
1. 产品一般介绍CD 和MD 型电动葫芦,它具有重量轻、结构简单、形式新颖、工作平稳等特点,当带有运行小车时,它可以在水平方向做直线往复运行和曲线循环运行,既可以在工字钢做成的架空轨道上使用,也可以与其它金属结构配套成为电动或手动单梁、双梁、悬臂、龙门以及堆垛等起重机。
数据手册ADBMS1818集成菊花链接口的18单元电池监控器产品特性◆可测量多达18串电池电压◆ 3 mV最大总测量误差◆用于高压系统的可堆叠架构◆内置isoSPI接口◆ 1 Mb隔离串行通信◆使用单根双绞线,长达100米◆低EMI敏感性和辐射◆双向断线保护◆290 μs内可完成系统中所有单体电池电压测量◆同步电压和电流测量◆16位Δ-Σ型ADC,集成可编程三阶噪声滤波器◆可编程PWM电池被动均衡,电流最高可达200 mA ◆9个通用数字I/O或模拟输入◆温度或其他传感器输入◆可配置为I2C或SPI主控器◆SLEEP模式电源电流:6 μA ◆64引脚eLQFP封装应用◆备用电池系统◆电网储能◆住宅储能◆UPS◆高功率便携式设备概述ADBMS1818是一款多通道电池堆监控器,可测量多达18串电池电压,总测量误差(TME)小于3.0 mV。
ADBMS1818具有0 V至5 V的电池测量范围,适合大多数电池应用。
可在290 μs内完成所有18个电池电压测量,并可以选择较低的数据采集速率以实现高降噪抑制。
可将多个ADBMS1818器件串联,以便同时监测更长串的高压电池组。
每个ADBMS1818都有一个isoSPI TM 接口,用于实高速抗干扰局域通信。
多个器件以菊花链形式连接,通过最顶端或底端的器件连接到主处理器。
该菊花链可双向操作,即使通信路径出错,也能确保通信完整性。
电池堆可直接用于为ADBMS1818供电,也可采用隔离电源对其供电。
ADBMS1818包括针对每个电池的被动均衡,可对每个单元进行单独的脉宽调制(PWM)占空比控制。
其他特性包括一个板载5 V稳压器、9个通用I/O接口以及SLEEP模式(在此模式下,功耗降至6 μA)。
所有注册商标和商标均属各自所有人所有。
受美国专利保护,包括8908779、9182428和9270133。
典型应用电路图1. 典型应用电路图2. 电池18测量误差与温度的关系修订版0目录产品特性 (1)应用 (1)概述 (1)典型应用电路 (1)技术规格 (3)ADC直流规格 (3)基准电压源规格 (4)通用直流规格 (5)ADC时序规格 (6)SPI直流规格 (7)isoSPI直流规格 (7)IsoSPIIDLE/唤醒规格 (8)IsoSPI脉冲时序规格 (8)SPI时序要求 (8)isoSPI时序规格 (9)绝对最大额定值 (10)ESD注意事项 (10)引脚配置和功能描述 (11)典型性能参数 (13)功能框图 (19)相对于LTC6811-1的改进 (20)工作原理 (21)状态图 (21)ADBMS1818内核状态说明 (21)isoSPI状态说明 (22)功耗 (22)ADC操作 (23)数据采集系统诊断 (29)看门狗和放电定时器 (35)用于电池平衡的S引脚脉冲宽度调制 (36)放电定时器监控器 (37)ADBMS1818上使用GPIO的I2C/SPI主机 (37)使用S引脚控制设置实现S引脚脉冲发送 (41)S引脚静音 (43)串行接口概述 (43)4线式串行外设接口(SPI)物理层 (43)2线式隔离接口(isoSPI)物理层 (43)数据链路层 (53)网络层 (53)存储器映射 (61)应用信息 (68)直流供电 (68)内部保护和滤波 (68)电池均衡 (72)电池测量期间的放电控制 (74)数字通信 (75)增强应用 (83)读取外部温度探头信息 (85)典型应用 (86)相关器件 (87)外形尺寸 (88)订购指南 (89)除非另有说明,技术规格在T A = 25°C的条件下测得。
篇一:温控器说明书安全指导在安装、操作和运行本温控器前,请仔细阅读本说明书,并妥善保管。
本温控器有危险电压,并监控电力变压器,如果不按照本说明书的规定操作可能会导致财产损失或人员严重受伤甚至死亡。
只有合格的技术人员才允许操作本温控器,在进行操作之前,要熟悉说明书中所有安全说明、安装、操作和维护规程。
本温控器的正常运行取决于正确的运输、安装、操作和维护。
1、温控器是电子计量产品,其使用寿命为五年,每年需进行周期检验。
2、本温控器只能按照本公司规定的目的和方法使用。
未经授权的修改和使用非本公司所出售或推荐的零配件都有可能导致本系统出现故障,甚至损坏。
3、使用前请您详细阅读该说明书。
设计部门的工作人员请重点参阅性能指标、外形尺寸、机械安装及电气连接;安装人员请重点参阅外形尺寸、机械安装、电气连接及异常现象处理;使用人员请重点参阅基本操作及异常现象处理。
4、每台温控器在使用前应进行功能测试,以保证使用的可靠性及测量、控制的精度。
5、温控器在运输时应采用原包装,以免造成机械损坏。
6、温控器不使用时,请进行防潮处理。
7、温控器使用时应注意电源等级(无特殊说明时,一般为ac220v)。
8、当您准备使用温控器时,请仔细阅读该说明书的电气连接部分,确认连接无误后再给温控器送电!9、为保证温控器输入信号质量,温控器正常运行前务必拧紧传感器插头。
10、在干式变压器进行耐压测试前,必须将传感器插头与温控器分离,以避免温控器被损坏。
11、切勿用打火机等明火对传感器探头进行模拟温升试验,否则会损坏pt100传感器。
12、避免在含有二氧化硫(so2)或其他腐蚀性气体的环境中使用本温控器,否则会使继电器的触点失效。
温控器属于电子精密仪表,请客户妥善保管和放置,如确有问题,本说明书上或温控器面膜上有我公司的服务电话,请客户与本公司联系,公司有专人负责处理,谢谢合作。
同时感谢您使用我公司的温控器产品,不足之处请您提出宝贵意见。
1目录概述????????????3性能指标??????????3型号简介??????????4功能介绍??????????4机械安装??????????6 电气连接??????????10 基本操作??????????12 485通讯 ??????????16 外形尺寸??????????6 异常现象处理????????18概述bwd-3k206系列干式变压器温度控制器是专为干式变压器安全运行而研制生产的高新技术产品。
目录一、产品简介 (1)1.1产品型号命名规则 (1)1.2功能代号命名规则 (1)1.3产品铭牌 (3)1.4产品外观 (4)1.5技术规范 (7)1.6产品设计执行标准 (9)1.7安全事项 (9)1.8注意事项 (11)1.9日常检查和保养 (13)二、控制面板介绍 (14)2.1控制面板概述 (14)2.2控制面板及安装支架结构尺寸 (15)2.3控制面板操作说明 (17)2.4参数设置方法 (17)2.5功能码区内与区间的切换方法 (18)2.6面板显示内容介绍 (19)三、安装接线 (20)3.1外围接线图 (20)3.2变频器安装 (22)3.3接线 (22)3.4控制端子功能简介 (25)3.5主回路的电压、电流和功率的测量方法 (29)3.6功率回路推荐配线 (31)3.7保护导体(地线)的截面积 (33)3.8总体接线示意图 (33)3.9传导和辐射干扰对策 (38)四、简易操作与运行指南 (44)4.1产品基本知识 (44)4.2简易操作指南 (45)4.3基本控制运行指南 (48)五、功能参数 (54)5.1基本参数 (54)5.2运行控制 (64)5.3多功能输入输出端子 (71)5.4模拟量输入输出 (80)5.5多段速度控制 (86)5.6辅助功能 (91)5.7故障与保护 (95)5.8电机参数 (100)5.9通讯参数 (105)5.10PID参数 (106)5.11转矩控制参数区 (112)附录1 常见故障处理 (115)附录2 产品一览表及结构型式一览表 (119)附录3 制动电阻推荐选型表 (123)附录4 通讯手册 (124)附录5 供水系统参考连线图 (136)附录6 功能码速查表 (139)附录7 输入滤波器型号及尺寸 (168)升级记录: (173)敬告用户: (174)产 品 简 介一、产品简介本使用手册简要介绍了E810系列变频器的安装接线、参数设定及操作使用的有关事项,务请妥善保管。
Contents1.INTRODUCTION (1)2.OVERVIEW (1)3.PC SOFTWARE OPERATION (SITE INSTALLER) (2)4.FAN CONTROLLER OPERATION (4)4.1 OPERATION PROCESS (4)4.1.1. MANUAL/AUTO KEY SWITCH (4)4.1.2. KEY SWITCH IN “MANUAL” (4)4.1.3. KEY SWITCH IN “AUTO” (4)4.1.4. FAULT MONITORING (4)4.1.5. RESET (4)4.1.6. TEST LED (4)5.BASIC SYSTEM LA YOUT (5)5.1. FC18 AND CFC301 ON SAME PANEL AND LOOP (5)5.2. FC18 AND CFC301 ON SAME PANEL BUT DIFFERENT LOOPS (5)5.3. FC18 AND CFC301 ON DIFFERENT NETWORKED PANELS (5)5.4. FC18 AND MCOM/MCIM ON SAME PANEL AND LOOP (5)5.5. FC18 AND MCOM/MCIM ON SAME PANEL BUT DIFFERENT LOOPS (6)5.6. FC18 AND MCOM/MCIM ON DIFFERENT NETWORKED PANELS (6)6.FC6 SPECIFICATION (7)6.1. ELECTRICAL SPECIFICATIONS (7)6.2. MECHANICAL SPECIFICATIONS (7)ii FC18 FAN CONTROLLER PR209-166-505-08January 2018 1FC18 Fan controller user manualFC18 FAN CONTROLLER 1.Introduction•The FC18 Fan Controller can be connected to a Cooper analogue addressable fire alarm control panel by means of the comms Loop utilizing only one address.•There are 6 channels per Fan Controller capable of controlling & indicating 6 individual Fans.•All FC18 Fan Controllers are programmed individually by means of the unique easy to use Cooper Site Installer PC software.•Each channel is programmed to an output device and feedback input device that can reside on any loop on any panel on the network to control & monitor the status of the Fan.•The CFC301 which takes 2 addresses on the loop,one for the control output which appears as a ZMU and one for the feedback input which appears as a technical input.•The MCIM can also be used as the feedback input.•The MCOM can also be used as the control output but is limited to 20 per loop.•The MCOM-S can also be used as the control output and is limited to 60 per loop but as it auto-learns and behaves like a sounder it will activate during an evacuation.•The MCOM-FC can also be used as the control output and is limited to 60 per loop but even though it auto-learns as a sounder it will not react to evacuations.Status LED•Power LED (Green) when Fan Control is working normally, the LED on•Fire Activation LED (Red) Operates when fire alarm is received from main panel Controls:Key switch •Auto/Manual key switch: used to select auto or manual control •Select Auto Mode: Green LED. The Fan Control operation is initiated by the state of the Fire Panel •Select Manual Mode: Red LED, The Fan Control operation is controlled by the “Stop/Start” buttons on the individual channels Reset button •Press the button to reset Fan Control. Reset from the main panel will not reset the fan controllerT est LED •Pressing the test LED button will start the control panelself-test Channel 1-6:Start/stop buttons•Start button: press the button, start one device.(Requires to start two channels of the one device)•Stop button: press the button to stop one device.(Requires to stop two channels of the one device)LED indication •ON LED (Red) Activated when the device receives feedback and the Start button has been pressed,otherwise, off.•Fault LED (Amber) Activated when No Feedback has been received after Start has been pressed or Stop button has been pressed but feedback has been received and/or Open Circuit/Short circuit has been reported, otherwise off.•OFF LED (Green) Activated when the stop button has been pressed and No Feedback has been received or no feedback is being received, otherwise off.2.OverviewPR209-166-505-08 January 20182FC18 FAN CONTROLLER 1.Start “Site Installer” program.Figure 1.2.Right click Fan Controller icon (Figure 2).Figure 2.3.Select “Edit Fan Controller” to go into the configuration screen.Figure 3.4.Once in the configuration screen Select “Add Master”.Figure 4.Figure 5.3.PC software operation (Site installer)PR209-166-505-08 January 20183FC18 Fan controller user manualFC18 FAN CONTROLLER 5.Select the output channel, one to six in the configuration screenSelect the “Enabled” in the configuration screen Select the “Loop Mode” in the configuration screen Select the “Confirm” in the configuration screenFigure 6. In the Panel, Loop and Address icons (drop down boxes) across from the Loop Mode, select where the control device you are going to use (CFC301 ZMU, MCOM,MCOM-S, MCOM-FC) is located on the system.In the Panel, Loop and Address icons (drop down boxes) across from the Confirm, select where the feedback device you are going to use (CFC301 Technical Input, MCIM) is located on the system. This only needs to beset if there is feedback from the fan itself.If you use 6 channels, you need to open the 6 channels which will allow you to write 6 rules.6.Select in the configuration screen which cause and effect is needed for the output to activate.Figure 7.GlobalBy addressBy zone groupSelect up to 3 stages to have a combination of different cause and effect results.Figure 8.PR209-166-505-08 January 20184.Fan controller operation 4.1. Operation process4.1.1. Manual/auto key switchA key switch is provided on the front of the Fan Controller to enable/disable the buttons on the front fascia. Thiskey switch must be kept secure and only accessible by authorised personnel who have been trained to use itor by the Fire Brigade. The purpose of this key switch is to prevent unauthorised activations of fans (i.e. by the general public).If the system enters a fire condition that effects the cause and effect rules of the fan controller while it is in manual mode it will not activate the fan control outputs but will remember the fire condition. Once the fan controlleris back in the auto mode it will activate the fan control outputs as per the fire condition and the cause and effect rules.4.1.2. Key switch in “manual”When the fan controller key switch is set in manual mode it enables the Start/Stop buttons for all 6 channels. The fan controller can be placed into manual mode even when the system is in a fire condition. This allows the Customer or the Fire Brigade to manually activate or deactivate the fan associated with each channel of the fan controller. Pressing the “Start” button will cause the control device for that channel to activate which will turn the fan on.If the fan has no feedback mechanism then the “On” LED will turn on automatically when the “Start” buttonis pressed. If the fan does have a feedback mechanism then the fan controller will expect to see the on signal from the feedback device within 25s. If the on signal is received within the time limit the “On” LED will turn on and the “Off” LED will turn off, but if the on signal isn’t received then the “Fault” LED will turn on. If the feedback signal arrives after the 25s it will result in the “Fault” LED to turn off, the “On” LED to be turned on and the “Off” LED to turn off to show the current status of the fan. Pressing the “Stop” button will cause the control device for that channel to deactivate which will turn the fan off. The fan controller expects to see the off signal from the feedback device within 25s. If the off signal is received within the time limit the “Off” LED will turn on and the “On” LED will turn off, but if the off signal isn’t received then the “Fault” LED will turn on. If the feedback signal arrives after the 25s it will result in the “Fault” LED to turn off, the “Off” LED to be turned on and the “On” LED to turn off to show the current status of the fan.4.1.3. Key switch in “auto”When the fan controller key switch is set in automatic mode it disables the Start/Stop buttons for all 6 channels will only allow the channels to be activated by the cause and effect programming of the Fire system.When the Fire system receives a fire alarm signal that effects the cause and effect rules of the Fan Controllerit will turn on the “Fire Activation” LED and activate the associated fan as if someone had pressed the start button for that channel (see manual Key Switch in “manual”for more details).4.1.4. Fault monitoringIf the fan controller receives a fault condition from either the control device or the feedback device (if the fan has feedback) it will result in the “Fault” LED turning on. This also includes short circuit and open circuit conditions between the feedback device and the fan itself.4.1.5. ResetA reset from any panel in the Fire system will not reset the Fan Controller itself but may result in the control and feedback devices being reset. This will require the Fan Controller to be manually reset using the “Reset” button. The key switch must be in the manual position in order for the reset button to work.Pressing the “Reset” button will reset the Fan Control back to its quiescent condition and all output devices will turn off.4.1.6. Test LEDPressing the “Test LED” button in auto or manualmode will cause all of the LEDs to flash 3 times and then return to showing the current state of the fan controller channels.PR209-166-505-08January 20184FC18 FAN CONTROLLER 5FC18 Fan controller user manualFC18 FAN CONTROLLER 5.Basic system layout5.1. FC 18 and CFC301 on same panel and loopFigure 9. 5.2. FC6 and CFC301 on same panel but di erent loopsFigure 10. 5.3. FC 18 and CFC301 on di erent n etworked panelsFigure 11.5.4. FC6 and MCOM/MCIM on same panel and loopFigure 12.PR209-166-505-08 January 20186FC18 FAN CONTROLLER FC18 Fan controller user manual5.5. FC 18 and MCOM/MCIM on same panel but di erent loopsFigure 13. 5.6. FC 18 and MCOM/MCIM on di erent networked p anelsFigure 14. PR209-166-505-08 January 20187FC18 Fan controller user manualFC18 FAN CONTROLLER 6.FC 18 6.1. ElectricalLoop load Minimum Nominal Maximum Quiescent current 310μA EnvironmentalOperating temperature -10°C +60°C Humidity (Non condensing)95%rh External 24 volt supply 18v 24v 28v External current 150mA CompatibilitySuitable for use with Cooper analogue addressable re systems 6.2. MechanicalPR209-166-505-08 January 2018Eaton is a registered trademark.All trademarks are property of their respective owners.Eaton EMEA Headquarters Route de la Longeraie 71110 Morges, Switzerland Eaton.euEaton Eaton Electrical Systems Ltd. Wheatley Hall Road Doncaster South Yorkshire DN2 4NB United Kingdom© 2017 Eaton All Rights Reserved Printed in UK Publication No. PR209-166-505-08 / CSSC-510 Article No.January 2018。
ds18温控箱课程设计一、课程目标知识目标:1. 学生能理解DS18温控箱的工作原理,掌握温度传感器DS18B20的基本特性;2. 学生能掌握数字温度控制系统的设计方法,了解相关电路的连接方式;3. 学生了解PID控制算法的基本原理及其在温度控制中的应用。
技能目标:1. 学生能独立操作DS18B20进行温度检测,并能将检测数据传输至微控制器;2. 学生能运用编程软件,设计并实现温度控制程序,使DS18温控箱达到预期温度;3. 学生能通过实际操作,分析并解决温度控制过程中出现的问题。
情感态度价值观目标:1. 学生培养对电子制作和编程的兴趣,增强实践操作的自信心;2. 学生通过团队协作,培养沟通与协作能力,提高解决问题的能力;3. 学生认识到科技创新在现实生活中的应用,激发对科学研究的热情。
分析课程性质、学生特点和教学要求,本课程目标旨在使学生在掌握温度控制相关知识的基础上,提高实践操作能力和团队协作能力。
通过本课程的学习,为学生今后的电子制作、编程学习和科学研究奠定基础。
课程目标具体、可衡量,便于教师进行教学设计和评估。
1. 温度传感器DS18B20基础知识:介绍DS18B20的原理、特性、引脚功能及其在温度测量中的应用。
- 相关教材章节:第三章第二节“温度传感器及其应用”2. 数字温度控制系统设计:讲解基于DS18B20的温度控制系统的硬件设计,包括电路连接、微控制器选型等。
- 相关教材章节:第四章“微控制器接口技术”;第五章“温度控制系统设计”3. PID控制算法原理:阐述PID控制算法的基本原理、参数调整方法及其在温度控制中的应用。
- 相关教材章节:第六章第二节“PID控制算法及应用”4. 温度控制程序设计:教授如何使用编程软件,设计并实现温度控制程序,包括数据读取、PID算法实现等。
- 相关教材章节:第七章“编程软件及其应用”;第八章“温度控制程序设计”5. 实践操作与问题分析:指导学生进行DS18温控箱的搭建与调试,分析并解决实际操作过程中遇到的问题。
YL —7 □系列智能型温度控制器使用说明书★使用此产品前,请仔细阅读“使用说明书”,才能操作无误;并请妥善保存,以便随时参考。
XX生产的YL— 7□系列智能型温控仪表,生产流程严格按欧盟CE标准控制,仪表线路板插件、贴片元件焊接后,需经过低温老化(-20℃)→高温老化(+75℃)→常规通电老化→专用检测仪表功能校验→实际负载功能检测等五道程序,从而确保产品硬件具有抗谐波干扰范围广,以及在高温或低温环境条件下,仪表的元件参数临界点稳定性能好、工作寿命长等优点。
YL— 7□系列智能型温控仪表的控温软件运用模糊专家精算技术,采用“双曲线伺服控制”方法,使仪表已建立的P、I、D值主控曲线,在普遍状况下能广泛适应各种“常规”控温环境,快速跟踪、锁定温度设定点和修正偏差点;同时对一些因加热器功率偏大或偏小、升降温速率偏快或偏慢、散热系数偏高或偏低、同一加热部件多炉分布且因不同的控温点而产生的热效应串扰现象等“较特殊”的控温环境,通过激活仪表的“自整定”功能,仪表能快速地调取出一组适用新控温环境的最优化P、I、D参数,从而有效地抑制温度上冲和快速止跌,达到最佳控温效果,满足不同环境的控温要求。
广泛适用于注塑、挤出、吹膜、吹瓶、封切、烫金、包装、印刷、食品等机械设备;以及恒温干燥、金属热处理、锅炉等设备的温度控制。
本系列产品已通过欧盟CE认证。
产品特点:* 一键式启动自整定功能,不需进入仪表菜单,直按“*快速自整定,AT* 热电偶、热电阻、模拟量等多种标准信号自由输入,量程自由设置。
* 零位偏差用户可自较正,软件调零满度,冷端单独测温,放大器自稳零,显示精度可达±0.2%FS。
* 主控输出可选:“R”—继电器触点(标准AC220V)驱动交流接触器;“S”— DC12V脉冲电平触发驱动单、三相固态继电器“I”— 4-20mA模拟量连续电流驱动单、三相移相调压模块;“U”— DC0-5V模拟量连续电压驱动单、三相移相调压模块。
A18系列智能模糊控制温控仪使用说明书一、 主要特点:操作简便、易学易用。
输入可自由选择热电偶或热电阻,测量准确。
采用具备自整定功能的模糊控制调节算法,控制准确且无需人工调整参数。
设计理念先进,主输出采用模块化结构,规格齐全,交货迅速方便。
二、 仪表的主要技术指标输入规格:K、S、R、E、J、N、PT100测量范围:K (0-1300℃)、S (0-1700℃)、R (0-1650℃)、E (0-800℃)、B(0-1800℃) J (0-1000℃)、WRE (0-2300℃)、PT100 (-200-600℃)精度:0.3%±1字(0.3%±1℃)。
测量显示分辨率:1℃报警范围:全量程继电器输出:触点容量AC220V/5A阻性负载。
固态继电器:触发信号>12V。
20mA可控硅触发:信号>100mA电源:开关电源AC85V-264V 45-65Hz功耗:小于3W工作环境:温度0-50℃,湿度<85%,无腐蚀性无强磁场干扰的场合。
三、型号定义四、操作方法:1、设置给定值◄在基本显示状态下,如果参数没有锁上,可通过按“▲” “▼”和 “”键来修改下显示窗显示的设定温度控制值。
500系列仪表同时具有数据快速增减法和小数点移位法。
按“▼”减小数据,按“▲”增加数据,可修改数值位的小数点同时闪动(如同光标)。
按键并保持不放,可以快速地增加或减少数值,并且速度会随小数点右移自动加快(3级速◄度)。
而按“”键则可直接移动修改数据的位置(光标),按“▲”或“▼”键可修改闪动位置的数值;操作快捷。
给定值可设置的最大数受HAL(上限报警)值的限制。
例如:当HAL设为400℃时,则给定值的最大设定值为400℃2、设置参数在基本显示状态下按“SET”键并保持约2秒钟,即进入参数表设置状态。
在参数设置状态下按“SET”键,仪表将依次显示各参数,例如上限报警(HA L)、参数锁(LO C)等。
如◄◄果参数没有锁上,用“▲” “▼”和 “”等键可修改参数值。
Bentene温度控制器R18y使用说明书警告本温控器有危险电压,并监控危险的电力变压器。
如果不按本手册的规定操作可能会导致财产损失或人员严重受伤甚至死亡。
只有合格的技术人员才允许操作本温控器,在进行操作前,要熟悉使用手册中所有安全说明、安装、操作和维护规程。
本温控器的正常运行取决于正确的运输、安装、操作和维护。
1.本温控器的输入电源为:220VAC,50Hz;2.请确保所有电气连接正确、牢固;3.本温控器接通电源后,请不要接触外露的带电部件;4.端子1、2、3、4、5、6、7、8、9、10带有危险电压;5.图二中的风机输出端子3、4、5、8、9、10与公共端6、7间不能短路;6.对变压器进行高压测试时,请先将温控器与变压器分离,以免损坏温控器!注意1.使用前请仔细阅读说明书。
2.本温控器只能按本公司规定的目的使用。
未经授权的修改和使用非本公司所出售或推荐的零配件都可能导致本系统出故障,甚至失效;3.避免在含有二氧化硫(SO2)、硫化氢(H2S)或其他腐蚀性气体的大气中使用本温控器,否则会使继电器触点失效;4.整机安装好后,连接好有关引线,在确定无误的情况下方可送电运行。
5.传感器探头请勿用打火机烧烤(火焰温度在800℃左右)。
6.不要在继电器输出触点上施加比最大额定值大的电压、电流;7.请将使用说明书放在容易拿到的地方,并送给所有使用者。
8.本说明书若有进一步修改和更改,恕不另行通知。
9.当实际产品为特殊/定做产品时,若说明书内容与“七特殊机型附页”内容相冲突时,以“七特殊机型附页”内容为准。
温控器属精密仪表,请客户妥善保管和放置,如确有问题,使用说明书上或贴在温控器侧面的产品合格证上有我公司的售后服务电话,请客户直接与本公司联系,公司将有专人负责处理,谢谢合作。
同时感谢您使用本公司产品,不足之处敬请您提出宝贵意见,以使我们以后的工作做得更好。
一产品概述本仪器是我公司为新式风冷干式变压器而设计的新一代电脑温度控制器,它采用美国生产的单片计算机为控制核心,结合最先进的数据存贮技术设计而成,从而使整个产品的性能迈上了一个新台阶。