公路桥梁钢构防腐解决方案脂肪族聚脲防腐涂料
- 格式:doc
- 大小:58.50 KB
- 文档页数:5
钢结构防腐蚀施工方法钢结构在建筑、桥梁等工程中扮演着重要的角色,然而钢材容易受到氧化和腐蚀的影响,降低其使用寿命。
因此,为了确保钢结构的持久性和安全性,必须采取适当的防腐蚀措施。
本文将介绍几种常见的钢结构防腐蚀施工方法。
1. 环氧涂层环氧涂层是一种常用的防腐蚀方法,适用于各种钢结构表面,并提供良好的保护效果。
施工过程中,首先需要对钢结构表面进行处理,包括除锈、喷砂或水压清洗等。
然后,涂上一层环氧底漆以提高附着力。
最后,涂上环氧面漆形成保护层。
环氧涂层能够有效防止氧化和腐蚀,同时还具备耐磨损和耐腐蚀的特性。
2. 热浸镀锌热浸镀锌是另一种广泛应用于钢结构防腐蚀的方法。
在这个过程中,将钢材浸入熔融的锌中,使其表面形成一层锌层。
这种方法能够有效地隔离钢材与外部环境的接触,防止氧化和腐蚀。
热浸镀锌具有成本低、易于施工和使用寿命长的优点。
3. 有机涂层有机涂层是一种采用有机涂料进行防腐蚀处理的方法。
有机涂层可以根据不同的要求选择不同的涂料,如聚脲、聚酯、聚氨酯等。
这些涂层具有良好的耐候性和耐腐蚀性,能够有效保护钢结构免受外界环境的侵蚀。
在施工过程中,首先需要对钢材进行预处理,如除锈和喷砂,然后涂上底漆和面漆形成一层保护层。
4. 射涂射涂是一种特殊的防腐蚀施工方法,适用于较大面积的钢结构。
这种方法采用高速喷射设备将防腐涂料喷射到钢材表面,形成一层均匀厚实的保护层。
射涂施工快捷方便,可以有效地涂覆复杂形状的钢结构,提供卓越的防腐蚀效果。
除了上述介绍的施工方法外,还有一些其他的防腐蚀方法,如电镀、喷塑、热喷涂等。
选择适当的防腐蚀方法需要考虑多个因素,如使用环境、预算和施工条件等。
总结起来,钢结构防腐蚀的施工方法多种多样,包括环氧涂层、热浸镀锌、有机涂层和射涂等。
这些方法都能够有效地保护钢结构免受氧化和腐蚀的影响,延长其使用寿命。
在进行防腐蚀施工时,需严格按照相应的工艺要求进行操作,以确保施工质量和效果。
只有这样,才能保证钢结构的安全和可靠性。
桥是在水上一种架空的人造通道。
由上部结构和下部结构两部分组成。
上部结构包括桥身和桥面;下部结构包括桥墩、桥台和基础。
它们高悬低卧,形态万千,有的雄距山岙野岭,古朴雅致;有的跨越岩壑溪间,山川增辉;有的坐落闹市通衢,造型奇巧;有的一桥多用,巧夺天工。
不管风吹雨淋,无论酷暑严冬,它们总是默默无闻地为广大的行人、车马跨江过河,飞津济渡。
一、一般规定本技术要求适用于大桥工程钢结构防腐涂装。
以下引用标准是对本技术要求的补充,当本技术要求与以下引用标准有不一致处,应以本技术要求为准。
二、大桥钢结构防腐涂装工程引用标准(1)、GB/T 470-2008 锌锭(2)、GB1031-2009 表面粗糙度参数及其数值(3)、GB/T 11375-1999 热喷涂操作安全(4)、GB/T 1725-2007 色漆、清漆和塑料不挥发物含量的测定(5)、GB/T 1730-2007 色漆和清漆摆杆阻尼试验(6)、GB/T 1732-1993 漆膜耐冲击测定法(7)、GB/T 1763-1979 漆膜耐化学试剂性测定法(8)、GB/T 1765-1979 测定耐湿热、耐盐雾、耐候性(人工加速)的漆膜制备法(9)、GB/T 1766-2008 色漆和清漆涂层老化的评级方法(10)、GB/T 1768-89 漆膜耐磨性测定法(11)、GB/T 1771-2007 色漆和清漆耐中性盐雾性能的测定(12)、GB/T 1865-2009 色漆和清漆人工气候老化和人工辐射曝露(滤过的氙气辐射(13)、GB/T 3190-2008 变形铝及铝合金化学成分(14)、GB/T 4956-2003 磁性金属基体上非磁性覆盖层厚度测量磁性方法(15)、GB/T 5210-2006 色漆和清漆,拉开法附着力试验(16)、GB6514-2008 涂装作业安全规程涂漆工艺安全及其通风净化(17)、GB6753.4-1998 色漆和清漆用流出杯测定流出时间(18)、GB7692-1999 涂装作业安全规程涂漆前处理工艺安全及其通风净化(19)、GB 8640-1988 金属热喷涂涂层表面洛氏硬度实验方法(20)、GB/T 8642-1988 热喷涂抗拉结合强度的测定(21)、GB/T 8923 第1~4 部分涂覆涂料前钢材表面处理表面清洁度的目视评定(22)、GB/T 9286-1998 色漆和清漆漆膜的划格试验(23)、GB/T 9793-1997 金属和其他无及覆盖层热喷涂锌、铝及其合金(24)、GB 9795-88 热喷涂铝及铝合金涂层(25)、GB 9796-88 热喷涂铝及铝合金涂层试验方法(26)、GB/T 11373-1989 热喷涂金属件表面预处理通则(27)、GB/T 11374-1989 热喷涂涂层厚度的无损测量方法(28)、GB/T 11375-1999 金属和其它无机覆盖层热喷涂操作安全(29)、GB/T 12608-2003 热喷涂火焰和电弧喷涂用线材、棒材和芯材分类和供货技术条件(30)、GB/T 13288 第1~5 部分涂覆涂料前钢材表面处理喷射清理后的钢材表面粗糙度特性(31)、GB/T 13452.2-2008 色漆和清漆漆膜厚度的测定(32)、GB/T 13912-2002 金属覆盖层钢铁制品热浸镀锌技术要求及试验方法(33)、GB/T 14522-2008 机械工业产品用塑料、涂料、橡胶材料人工气候加速试验方法荧光紫外灯(34)、GB 18719-2002 热喷涂术语、分类(35)、GB/T 19352.1~19352.4 热喷涂结构的质量要求(36)、JT/T 722-2008 公路桥梁大桥钢结构防腐涂装技术条件(37)、TB/T1527-2004 铁路钢桥保护涂装(38)、HG/T 3656-1999 大桥钢结构桥梁漆(39)、HG/T 3688-2000 富锌底漆(40)、HG/T 3792-2005 交联型氟树脂涂料(41)、JB/T 7509-1994 热喷涂涂层空隙率试验法(42)、JB/T 8427-1996 大桥钢结构腐蚀防护热喷涂锌、铝及其合金涂层选择与应用导则及其他国家、行业标准三、技术要求3.1、总体要求3.1.1 本桥大桥钢结构防腐涂装体系有效使用寿命总体要求不低于30 年。
关于桥梁钢制护栏防腐涂层的说明
一、概况
桥梁钢制护栏主要包括波形梁护栏、金属梁柱式护栏两种。
护栏防腐依据《高速公路交通工程钢构件防腐技术条件》(GB/T 18226-2015)规定及环保要求采用环氧锌基聚酯复合涂层:
波形梁板、防阻块及紧固件环氧锌基涂层厚度不低于46μm,聚酯涂层厚度不低于70μm,复合涂层总厚度不低于116μm。
立柱外壁的环氧锌基涂层厚度不低于46μm,聚酯涂层厚度不低于70μm,复合涂层总厚度不低于116μm,立柱内壁的环氧锌基涂层厚度不低于56μm,聚酯涂层厚度不低于60μm,复合涂层总厚度不低于116μm。
二、存在的问题
经调查国内防腐涂层生产厂家,由于受生产设备限制,对于波形梁立柱、防阻块以及金属梁柱式护栏无法采用环氧锌基聚酯复合涂层。
三、解决措施
考虑国内生产厂家生产能力因素,将钢制护栏环氧锌基聚酯复合涂层调整为先热浸镀锌后流化床浸塑(聚乙烯)处理。
防腐层要求:钢管、钢板及钢带平均镀锌层质量275g/m2(平均镀锌层厚度不低于39um),涂塑(聚乙烯)层厚度>250μm;紧固件及连接件平均镀锌层质量120g/m2(平均镀锌层厚度不低于17um),涂塑(聚乙烯)层厚度>250μm。
聚脲防腐工艺
聚脲防腐工艺是一种新型的防腐涂料工艺,它以聚脲树脂为主要成分,通过加入多种助剂和填料制成高性能防腐涂料。
这种防腐工艺具有以下特点:
1. 耐腐蚀性能好:聚脲防腐涂料具有优异的耐腐蚀性能,能够有效地防止钢结构、管道、储罐等设备的腐蚀和损坏。
2. 耐候性能好:聚脲防腐涂料具有优异的耐候性能,能够在恶劣的气候条件下长期保持其防腐性能。
3. 附着力强:聚脲防腐涂料与金属表面具有较强的附着力,不易脱落。
4. 快速固化:聚脲防腐涂料具有快速固化的特点,能够在常温下迅速固化成膜,提高施工效率。
5. 环保无毒:聚脲防腐涂料无毒环保,符合相关环保法规和标准要求。
聚脲防腐工艺的施工步骤主要包括表面处理、底漆涂装、中涂涂装和面漆涂装等步骤。
表面处理是关键步骤之一,需要将金属表面进行除锈、打磨、清洗等处理,确保表面干净、光滑、无油污和杂质。
底漆涂装可以提高涂层的附着力和耐腐蚀性能,中涂涂装和面漆涂装则可以提高涂层的厚度和耐腐蚀性能。
需要注意的是,在使用聚脲防腐涂料时,应遵循相关的施工规范和安全注意事项,避免产生安全风险。
同时,应定期检查和维护防腐涂层,及时发现并解决潜在的防腐问题,以延长金属设备的使用寿命。
聚脲防腐施工方案聚脲防腐施工方案一、施工前准备1. 准备材料:聚脲膜、底漆、中涂剂、面漆等。
2. 清理工地:清除表面的杂物、油污等。
3. 检查基面:检查基面是否平整、无裂缝、无结构性损伤等。
二、底漆处理1. 底漆选择:根据基面情况和工程要求选择适合的底漆。
2. 搅拌均匀:将底漆充分搅拌均匀,确保质地均匀一致。
3. 应用方法:采用刷涂、辊涂或喷涂等方法进行底漆处理。
4. 应用面积:一般建议每遍底漆涂刷面积不宜超过50平方米。
三、中涂层施工1. 中涂剂选择:根据要求选择适合的聚脲中涂剂。
2. 搅拌均匀:将中涂剂充分搅拌均匀,确保质地均匀一致。
3. 应用方法:采用刷涂、辊涂或喷涂等方法进行中涂层施工。
4. 涂刷厚度:每遍涂刷厚度一般在80-100微米之间。
四、聚脲面涂层施工1. 面漆选择:根据要求选择适合的聚脲面漆。
2. 搅拌均匀:将面漆充分搅拌均匀,确保质地均匀一致。
3. 应用方法:采用刷涂、辊涂或喷涂等方法进行聚脲面涂层施工。
4. 涂刷厚度:每遍涂刷厚度一般在80-100微米之间。
五、施工注意事项1. 温度控制:施工环境温度应在5°C-35°C之间,不得进行低温或高温施工。
2. 表面处理:应保证基面的干净、干燥,无水分、油污等。
3. 涂刷厚度:每遍涂刷的厚度应均匀,且不得超过制定的标准厚度。
4. 干燥时间:每遍涂刷后需保持足够的干燥时间,以保证涂层的质量。
5. 施工环境:施工现场应通风良好,避免有害气体积聚。
6. 施工人员:施工人员应熟悉聚脲防腐施工技术要求,具备相关证书和经验。
六、施工质量控制1. 施工过程检查:定期对施工过程进行检查,确保每个步骤都符合施工要求。
2. 施工记录:每个步骤的施工记录应详细记录,包括材料使用量、施工日期等。
3. 施工验收:施工完成后进行验收,确保施工质量达到要求。
七、安全措施1. 防护措施:施工人员应佩戴好防护眼镜、口罩、手套等个人防护装备。
2. 废弃物处理:废弃的材料和工具应妥善处理,避免环境污染。
桥梁混凝土构件的防腐涂装方案随着桥梁的使用时间的增长,其混凝土构件表面容易出现开裂、脱落、氧化等问题,因此进行防腐涂装可以有效延长桥梁的使用寿命。
本文将介绍桥梁混凝土构件防腐涂装方案的设计原则、常用涂装材料和涂装工艺等内容。
一、设计原则1.考虑构件的使用环境和特点,选择适合的涂装材料和涂装工艺。
2.根据构件的结构形式和外观要求,确定涂装的厚度和涂层层次。
3.尽量选择耐久性较好的材料,以减少维修周期和费用。
4.严格控制涂装工艺,确保涂层的质量。
二、常用涂装材料1.密胺漆:具有良好的耐化学腐蚀性能和耐候性能,适用于桥梁的混凝土表面涂装。
2.丙烯酸涂料:具有优良的耐候性能和耐腐蚀性能,适用于混凝土构件的涂装。
3.环氧涂料:具有较好的耐腐蚀性能和附着力,适用于桥梁的混凝土表面涂装。
4.硅酮树脂涂料:具有良好的耐腐蚀性能和耐高温性能,适用于桥梁的涂装。
5.氨基漆:具有良好的抗腐蚀性和耐高温性能,适用于桥梁的涂装。
三、涂装工艺1.表面处理:混凝土构件表面应进行除尘、除油等基础处理工作,以确保涂层的附着力。
2.底涂:采用底漆对混凝土构件表面进行底涂,提高涂层的附着力和耐腐蚀性。
3.中涂:在底涂干燥后,对混凝土构件进行中涂,增强涂层的厚度和耐候性。
4.面涂:在中涂干燥后,对混凝土构件进行面涂,使涂层更加均匀、光滑。
四、涂装质量控制1.严格按照涂装工艺要求进行操作,确保每一道工序的质量。
2.对混凝土构件表面进行质量检测,确保涂料能够完全覆盖并附着在构件表面。
3.对涂层进行质量检测,包括厚度测量、附着力测试等,确保涂层的质量符合要求。
4.定期进行涂层的检修和维护,及时修补损坏的涂层,以延长涂层的使用寿命。
总之,桥梁混凝土构件的防腐涂装方案需要根据具体情况进行设计,选择适合的涂装材料和涂装工艺,同时严格控制涂装质量,以确保涂层的耐腐蚀性和使用寿命。
这些方案在桥梁维护中起到重要的作用,可以延长桥梁的使用寿命,减少维修成本。
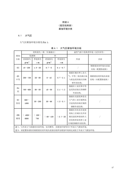
附录A(规范性附录)腐蚀环境分类A.1 大气区大气区腐蚀环境分级见表A.1。
表A.1 大气区腐蚀环境分级腐蚀分级材料损失(第一年暴露后)温性气候下的典型环境(仅作参考)低碳钢锌外部内部质量损失g•m-2厚度损失μm质量损失g•m-2厚度损失μmC2 10~200 1.3~25 0.7~5 0.1~0.7 /钢箱梁封闭环境内表面结构(配置除湿机)C3 中等200~40025~505~150.7~2.1暴露在城市和工业大气,中等二氧化硫污染与低盐度沿海区的钢桥外部结构。
钢箱梁封闭环境内表面结构(未配置除湿机)C4 高400~65050~8015~30 2.1~4.2暴露在工业区和中等盐度的沿海区的钢桥外部结构。
/C5 很高650~150080~20030~60 4.2~8.4暴露在高湿度和恶劣大气的工业区域和高含盐度的沿海区域的钢桥外部结构。
/CX 极端〉1500~5500〉200~700〉60~180〉8.4~25暴露在具有高含盐度的海上区域以及具有极高湿度和侵蚀性大区的热带亚热带工业区域的钢桥外部结构。
/注1:与外部大气相通的内部环境,如风嘴等,其腐蚀环境等同于外部大气腐蚀环境。
注2:未配置除湿机的钢箱梁封闭环境内表面结构所处腐蚀环境相近或低于外部大气腐蚀环境。
A.2 浸水区和埋地区浸水区和埋地区腐蚀环境分级见表A.2表A.2 浸水区和埋地区腐蚀环境分级分类 环境 环境和结构的案例Im1 淡水 内陆淡水河流上的桥梁干湿交替区与水下区钢结构Im2 海水或微咸水 没有阴极保护的海洋环境的桥梁干湿交替区与水下区钢结构Im3 土壤 埋入土壤的桥梁钢结构Im4 海水或微咸水 带有阴极保护的海洋环境的桥梁干湿交替区与水下区钢结构 注:注意腐蚀性类别Im1和Im3,如果采用阴极保护与涂料体系联合防护,要进行相应性能测试。
附录B(资料性附录)防腐涂层体系特殊设计要求B.1 设计要求由水性涂料、石墨烯涂料等环保、高性能涂料,以及环保性低但防腐效果优良的热喷金属涂层等构成的桥梁钢结构防腐涂层体系,其性能应达到5.1.1的要求,并且具有实际桥梁工程应用案例,同时由相关方包括业主、设计单位、涂料供应商以及施工单位组织专家论证会讨论,达成意见一致后方可实施。
聚脲防腐施工方案1. 简介聚脲防腐是一种常用于钢结构表面防腐的材料,具有优异的耐化学性和耐候性能。
本文档将介绍聚脲防腐施工方案,包括施工准备、涂覆工艺和质量控制等内容。
2. 施工准备在进行聚脲防腐施工之前,需要进行以下准备工作:•清洁表面:使用砂轮或喷砂等方法,将表面的油污、锈蚀物等清除干净,确保表面光洁。
•表面修补:处理表面的凹坑、毛刺等缺陷,确保涂层的附着力和光滑度。
•防护措施:对周围设备、管道等进行覆盖保护,避免涂料溅落。
•环境控制:确保施工环境温度适宜,并控制湿度和风速等参数,避免施工质量受到影响。
3. 涂覆工艺聚脲防腐的涂覆工艺一般包括以下步骤:3.1 底漆涂覆底漆涂覆是为了增加涂层的附着力和防腐性能,具体步骤如下:1.搅拌底漆:将底漆充分搅拌均匀,确保涂料的稠度和质地。
2.涂刷底漆:使用刷子或辊涂法均匀涂刷底漆,覆盖表面。
3.干燥时间:根据底漆的干燥时间,等待足够的时间,以确保底漆干燥。
3.2 中层涂覆中层涂覆是为了增加涂层的厚度和防腐性能,具体步骤如下:1.搅拌中层涂料:将中层涂料充分搅拌均匀,确保涂料的稠度和质地。
2.涂刷中层涂料:使用刷子或辊涂法均匀涂刷中层涂料,覆盖表面。
3.干燥时间:根据中层涂料的干燥时间,等待足够的时间,以确保中层涂料干燥。
3.3 面漆涂覆面漆涂覆是为了增加涂层的装饰性和耐候性,具体步骤如下:1.搅拌面漆:将面漆充分搅拌均匀,确保涂料的稠度和质地。
2.涂刷面漆:使用刷子或辊涂法均匀涂刷面漆,覆盖表面。
3.干燥时间:根据面漆的干燥时间,等待足够的时间,以确保面漆干燥。
4. 质量控制为了确保聚脲防腐施工质量,需要进行以下质量控制措施:•涂层厚度检测:使用涂层厚度仪等设备进行涂层厚度的检测,确保涂层符合设计要求。
•试验检测:进行耐腐蚀性、耐候性等试验检测,验证涂层的性能指标。
•喷涂均匀性检查:对涂层进行目视检查,确保涂层的均匀性和外观质量。
•施工记录:记录施工过程中的关键参数和操作步骤,作为施工质量的依据。
聚脲----一种极强的耐候耐磨防腐防水材料聚脲是由异氰酸酯组份与氨基化合物组份反应生成的一种弹性体物质。
分为纯聚脲和半聚脲,他们的性能都是不一样的,聚脲的最基本的特性就是防腐、防水、耐磨等。
聚脲涂膜既可以承受一个大锤的全力打击和最严重的磨损,同时又具有足够的柔韧性,在发生明显胀缩导致混凝土开裂或钢结构变形之处,涂膜也不会断裂,即便是在管线突出、下陷等异常条件下,依然能够完整覆护在整个工件表面。
这些优异性能保证了聚脲在工程应用方面的长寿性和可靠性,其长达30~50年的使用期突出显示了聚脲所具有的极高性价比。
材料介绍由异氰酸酯组分与氨基化合物反应生成的一类化合物。
异氰酸酯组分可以是单体、聚合物、异氰酸酯的衍生物、预聚物和半预聚物。
聚脲可由二胺与二异氰酸酯或尿素聚合而成。
聚亚壬基脲是代表性的聚脲高分子。
由壬二胺与尿素缩合制备,其性质与聚酰胺(如耐纶6)相似,可以熔融纺丝,熔融温度230~235℃,密度较小(1.066克/厘米3),具有良好的耐热性、染色性和耐腐蚀性,纤维抗拉强度0.0441~0.0539牛顿/旦,伸长率23%,适宜制造渔网和针织品。
特点不含催化剂,快速固化,可在任意曲面、斜面及垂聚脲防水涂料直上喷涂成型,不产生流挂现象,5秒钟凝胶,1分钟即可达到步行强度。
·对湿气、温度不敏感,施工时不受环境温度、湿度的影响(可在-2 8℃下施工;可在冰面上喷涂固化)。
·双组分,100%固含量,不含任何挥发性有机物(VOC),对环境友好,无污染施工,卫生施工无害使用。
·热喷涂或浇注,一次施工厚度范围可从数百微米到数厘米,克服了以往多次施工的弊病。
·优异的理化性能,极高的抗张抗冲击强度、柔韧性、耐磨性、防湿滑、耐老化、防腐蚀。
·具有良好的热稳定性,可在120℃下长期使用,可承受350℃的短时热冲击。
·原形再现性好,涂层连续、致密,无接缝,无针孔,美观实用耐久。
科技成果——环氧锌基聚酯复合涂层钢构件腐蚀防护技术技术类别减碳技术适用范围交通运输行业,适用于公路钢护栏、桥梁及输变电铁塔等钢构件表面的腐蚀防护与美化行业现状在我国的公路工程项目中,使用了大量的钢构件产品,仅公路安全护栏每公里就消耗钢材100多吨,且需要做防腐处理。
目前,护栏防腐处理主要采用热浸镀锌工艺,平均每吨护栏耗能约134kgce,并产生酸碱等废弃物污染环境。
环氧锌基聚酯复合涂层钢构件防腐技术可替代热浸镀锌工艺进行护栏防腐处理,具有绿色低碳环保的特点,符合国家产业政策。
目前,采用该技术生产的高速公路护栏已在10多项高速公路工程试验段进行应用,效果良好,具有较大的推广潜力。
成果简介1、技术原理该技术采用粉末涂料材料体系与抛丸处理工艺,在金属表面形成可自修复的致密防护层。
这种致密层是由底基层、中间层、表面层相互铰链组成的复合涂层。
与传统的热浸镀锌工艺相比,该工艺处理能耗显著降低,并减少金属锌的消耗,实现在不降低防腐性能的前提下,减少二氧化碳排放的目的。
2、关键技术(1)金属基材表面活化和强化技术采用在线全向高速喷丸设备,通过精选喷丸级配,除去钢材构件表面锈渍和污迹的同时,在构件表面形成特殊的表面体积结构,零污染、低能耗。
(2)金属基材与环氧锌基涂层嵌锚结构化技术采用独特的前处理技术对金属基材表面活化和强化后,再经纳米浸透液进行表面渗透改性,形成纳米复合过渡层,使涂层材料易渗进钢铁基材内部,基材界面同涂层混合一体,附着力显著提高,在外涂层受到破坏时,内部防腐材料仍发挥保护作用。
图1 环氧锌基聚酯复合涂层钢构件生产工艺流程图(3)纳米复合涂层高性能防腐蚀技术采用纳米复合涂层系统设计理念,通过添加纳米二氧化硅、金红石型纳米二氧化钛等功能材料,在金属基材表面依次涂装形成纳米复合过渡层(底层)、纳米复合环氧锌基涂层(中层)和纳米复合聚酯涂层(表层)三层高性能防腐蚀体系,涂层具有表面自清洁、自修复、屏蔽效应、牺牲阳极保护等功效。
公路工程中的桥梁防腐涂料规范要求公路桥梁作为重要的基础设施,承载着交通运输的重任。
然而,由于恶劣的气候条件和长期的外界环境侵蚀,桥梁的结构存在风险,进而影响交通安全和桥梁的使用寿命。
为了解决这个问题,桥梁工程中的防腐涂料起到了至关重要的作用。
本文将介绍公路工程中桥梁防腐涂料的规范要求。
1. 涂料种类在公路桥梁施工的防腐涂料应符合相关国家标准和公路工程规范要求。
主要的涂料种类包括有机涂料、无机涂料和复合涂料。
其中,有机涂料主要包括环氧涂料、聚脲涂料和聚脂涂料等。
无机涂料主要包括锌基涂料和铝基涂料。
复合涂料则是有机涂料和无机涂料的组合。
根据桥梁的具体使用环境和结构特点,选择合适的涂料种类是关键。
2. 涂料性能公路桥梁防腐涂料的性能要符合相关标准要求。
首先是涂料的附着力,它要能够牢固地附着在桥梁表面,以确保防腐效果。
其次是涂料的耐候性和抗紫外线性能,这些性能决定了涂料的耐久性和使用寿命。
此外,涂料的耐磨性、耐酸碱性和耐化学腐蚀性也是必要的性能要求。
3. 涂料施工涂料的施工应符合公路交通施工和安全规范。
在施工前,要对桥梁表面进行清洁和处理,以保证涂料能够有效地附着。
涂料的施工方法一般包括喷涂、刷涂和滚涂等。
各种施工方法的选择应根据涂料种类和涂料特性来决定。
此外,施工过程中还需要注意控制涂料的厚度和均匀性,以提高涂层的质量。
4. 涂料检测为了保证桥梁防腐涂料的质量,对涂料进行检测是必要的。
常用的涂料检测项目包括附着力检测、耐候性检测、干膜厚度检测以及涂层外观检测等。
通过检测可以及时发现涂料存在的问题,并采取相应的修复措施,以确保涂料的质量和施工效果。
总结:在公路工程中,桥梁防腐涂料的规范要求十分重要。
正确选择合适的涂料种类和保证涂料的性能,合理施工以及进行涂料的检测,能够有效地保护桥梁结构,延长桥梁的使用寿命,提高交通安全性。
因此,在公路工程中,相关部门和施工单位应严格按照规范要求,选用合适的桥梁防腐涂料,确保施工质量和维护工作的顺利进行。
公路桥梁混凝土结构防腐技术规程一、前言公路桥梁混凝土结构建设是公路建设中不可或缺的一环,而混凝土结构的防腐工作是保障其长期使用的关键。
本技术规程旨在规范公路桥梁混凝土结构防腐工作,提高其使用寿命和安全性。
二、防腐材料选择1.防腐涂料(1)涂料种类:根据桥梁结构的不同,涂料种类也会有所不同。
一般公路桥梁混凝土结构的防腐涂料选择有环氧涂料、聚氨酯涂料、丙烯酸涂料、丁基橡胶涂料等。
(2)涂料性能:防腐涂料的性能直接影响混凝土结构的防腐效果。
涂料应具有良好的附着力、耐磨性、耐候性、耐化学腐蚀性、防水性等性能。
2.防腐涂膜(1)涂膜种类:常用的涂膜有单层涂膜、双层涂膜、三层涂膜等。
其中,三层涂膜的防腐效果最好,但造价较高。
(2)涂膜性能:涂膜的性能也是影响防腐效果的关键。
涂膜应具有良好的耐腐蚀性、耐紫外线辐射性、耐热性等性能。
三、防腐涂料施工1.表面处理(1)混凝土表面必须清洁干净,不能有油污、水分和松散物质等。
(2)对于已有腐蚀的混凝土表面,应使用喷砂机进行处理,将表面锈迹、老化物质等清除干净。
2.底漆施工(1)底漆是防腐涂料施工的第一步,也是保证涂料附着力的关键。
底漆应根据涂料种类选择相应的底漆,并按照涂料说明书进行配制和施工。
(2)底漆施工时应均匀涂刷,保证涂层厚度均匀。
3.中间涂层施工(1)中间涂层是防腐涂料的第二步,对于混凝土结构的防腐效果也非常重要。
中间涂层应根据涂料种类选择相应的中间涂层,并按照涂料说明书进行配制和施工。
(2)中间涂层施工时应均匀涂刷,保证涂层厚度均匀。
4.面漆施工(1)面漆是防腐涂料的最后一步,也是保证涂料的美观度的关键。
面漆应根据涂料种类选择相应的面漆,并按照涂料说明书进行配制和施工。
(2)面漆施工时应均匀涂刷,保证涂层厚度均匀。
四、防腐涂膜施工1.涂膜种类选择(1)根据混凝土结构的不同,涂膜种类选择也会有所不同。
一般公路桥梁混凝土结构的涂膜种类选择有环氧涂膜、聚氨酯涂膜、丙烯酸涂膜、丁基橡胶涂膜等。
桥梁钢箱梁防腐技术规程一、前言桥梁钢箱梁是一种常见的桥梁结构,由于其优异的承载能力和稳定性,被广泛应用于公路、铁路等交通建设中。
然而,在实际使用中,桥梁钢箱梁常常会受到氧化、腐蚀等因素的影响,导致其使用寿命缩短,甚至出现安全隐患。
因此,对桥梁钢箱梁进行防腐处理是非常必要的。
本文旨在对桥梁钢箱梁的防腐技术进行详细规范,包括防腐材料的选择、涂覆方法、涂层厚度、涂层质量检验等方面,以确保桥梁钢箱梁的使用寿命和安全性。
二、防腐材料的选择2.1 防腐涂料的种类常用的防腐涂料主要包括酚醛漆、环氧漆、聚氨酯漆等。
其中,环氧漆是一种应用较广泛的防腐涂料,具有优异的耐水、耐腐蚀性能。
2.2 防腐涂料的品质在选用防腐涂料时,应选择质量优良、符合国家标准的产品。
应检查防腐涂料的生产日期、生产厂家、质量标准等信息,以确保其质量和合格性。
2.3 防腐涂料的施工条件涂料施工应在气温适宜、湿度低的环境下进行,以免影响涂层的附着力和防腐效果。
同时,应选择合适的涂料稀释剂和添加剂,以调整涂料的粘度和干燥时间,以便于施工和涂层质量的控制。
三、涂覆方法3.1 表面处理在进行涂层施工前,应对桥梁钢箱梁表面进行必要的处理,以确保涂层的附着力和防腐效果。
一般来说,表面处理包括除锈、打磨等步骤。
3.2 涂层施工涂层施工应按照涂料说明书的要求进行,应注意涂层的均匀性和厚度,以确保涂层的保护效果。
涂层施工应采用适当的涂刷、喷涂等方法,以确保涂料能够充分覆盖桥梁钢箱梁表面,并形成均匀致密的涂层。
四、涂层厚度涂层厚度是影响涂层防腐效果的重要因素。
一般来说,涂层厚度越大,涂层的防腐性能越好。
涂层的厚度应按照涂料说明书的要求进行,一般要求涂层厚度大于100μm。
五、涂层质量检验涂层施工完毕后,应进行涂层质量检验,以确保涂层的质量和防腐效果。
5.1 涂层附着力测试涂层的附着力是影响涂层防腐效果的重要因素。
涂层附着力测试应采用适当的测试方法,如铅笔硬度测试、划格测试等,以检测涂层的附着力和质量。
桥梁防腐措施桥梁作为交通基础设施的重要组成部分,承担着极其重要的职责。
然而,由于常年暴露于外界环境中,桥梁构件很容易受到腐蚀的影响,从而降低了其使用寿命和安全性。
因此,实施有效的防腐措施对于桥梁的维护和保护至关重要。
本文将重点探讨桥梁防腐措施的相关内容。
一、防腐涂料防腐涂料是目前最常用的桥梁防腐材料之一。
它能够形成一层具有良好抗腐蚀性能的保护膜,有效地隔离桥梁构件与外界环境的接触。
常见的防腐涂料有环氧涂料、聚氨酯涂料等。
在选择合适的涂料时,需要考虑到桥梁的使用环境和使用寿命,以及涂料的附着力、耐候性等性能指标。
二、电镀防腐电镀防腐是通过在金属表面镀上一层防腐涂层,以增加金属的耐腐蚀性能。
它采用电化学的原理,利用电流的作用使金属离子在电解质溶液中还原成金属沉积于工件表面。
电镀防腐主要应用于桥梁的钢结构上,能够有效地提高钢材的耐腐蚀性,延长桥梁的使用寿命。
三、防腐包覆层防腐包覆层是一种通过将具有抗腐蚀性能的材料包裹在桥梁构件表面来实现防腐的方法。
常见的防腐包覆材料有聚乙烯薄膜、聚氨酯塑料等。
它们具有良好的耐腐蚀性能和机械强度,能够有效地隔离桥梁构件与外界环境的接触,延缓其腐蚀速度。
四、防腐封闭防腐封闭是指在桥梁建设过程中,对构件内部进行防腐处理,以防止腐蚀介质的渗透和侵蚀。
常见的防腐封闭方法有涂覆防腐漆、注浆、防腐胶等。
这些方法能够有效地减少桥梁构件内部的湿度和氧气,从而减缓其腐蚀速度,延长使用寿命。
五、定期检测与维护除了以上的防腐措施,定期的检测与维护也是保证桥梁防腐效果的重要环节。
通过定期的检测,可以及时发现桥梁构件上的腐蚀问题,并采取相应的维修措施,防止腐蚀进一步扩大。
同时,定期的维护和保养能够保持桥梁防腐措施的有效性,延长其使用寿命。
综上所述,桥梁防腐措施是确保桥梁安全和延长使用寿命的重要手段。
在选择桥梁防腐方案时,应考虑到桥梁的使用环境、使用寿命以及相关技术要求等因素,并结合防腐材料的性能指标进行合理选择。
桥梁防腐技术规程一、前言桥梁是重要的交通建筑,其防腐工作直接关系到桥梁的使用寿命和安全性。
本文旨在介绍桥梁防腐技术规程,包括防腐涂料选择、防腐施工流程、防腐检测等方面,以提高桥梁防腐工作的质量和效率。
二、防腐涂料选择桥梁防腐涂料的选择应根据桥梁的材料、用途、环境等因素综合考虑。
常用的桥梁防腐涂料有以下几种:1.环氧涂料环氧涂料是一种常用的防腐涂料,具有良好的耐腐蚀性和耐候性。
适用于桥梁的钢结构、混凝土结构等部位的防腐工作。
2.氟碳涂料氟碳涂料是一种高档的防腐涂料,具有极强的耐候性和耐化学腐蚀性。
适用于桥梁的特殊部位,如海上桥梁、高海拔桥梁等。
3.聚氨酯涂料聚氨酯涂料是一种具有优异耐候性和耐化学性能的防腐涂料,适用于桥梁的钢结构、混凝土结构等部位的防腐工作。
4.热喷涂锌热喷涂锌是一种物理防腐方式,具有良好的耐腐蚀性和耐候性。
适用于桥梁的钢结构等部位的防腐工作。
三、防腐施工流程桥梁防腐涂料的施工流程应按照以下步骤进行:1.表面处理桥梁的防腐涂料施工前需要进行表面处理,包括除锈、除油、除尘、打磨等工作。
表面处理的质量直接影响涂层的附着力和耐久性。
2.底漆涂装底漆是防腐涂料的重要组成部分,应在表面处理后尽快涂装。
底漆的主要作用是增强涂层的附着力和耐久性。
3.中涂涂装中涂是防腐涂料的重要组成部分,可以增加涂层的厚度和防腐性能。
中涂的涂装应注意涂装厚度和涂装速度。
4.面漆涂装面漆是防腐涂料的最外层,主要作用是美化桥梁的外观和增强涂层的耐久性。
面漆的选择应根据桥梁的颜色和环境等因素综合考虑。
5.涂膜检测涂层施工完成后,应对涂层进行涂膜检测,包括涂层厚度、附着力、耐候性等方面的检测。
涂膜检测的结果将直接影响涂层的质量和使用寿命。
四、防腐检测桥梁防腐检测是保障桥梁使用寿命和安全性的重要手段。
常见的桥梁防腐检测方法包括以下几种:1.涂膜检测涂膜检测是对涂层质量的检测,包括涂层厚度、附着力、耐候性等方面的检测。
2.金属材料检测金属材料的检测是对桥梁结构材料的检测,包括金属厚度、腐蚀程度等方面的检测。
脂肪族聚脲防腐涂料—
公路桥梁钢构防腐解决方案
一、概述
非封闭型公路桥梁钢结构主要处于城市大气环境,其次就是内河和海岸大气环境及化工大气环境。
不仅要受到较高盐雾、较高潮湿空气的作用,还要长期受到紫外线照射。
二、参考标准、规范
(1)GB8923-88 涂装前钢材表面锈蚀等级和除锈等级
(2)GB/T12612-1990 多功能钢铁表面处理液通用技术条件
(3)GB50221-95 钢结构工程质量检验评定标准
(4)GB50046-95 工业建筑防腐蚀设计规范
(5)GB50205-95 钢结构工程施工及验收规范
(6)GB9286-88 色漆和清漆漆膜的划格试验
(7)JTT-722-2008 公路桥梁钢结构防腐涂装技术条件
(8)ISO/EN12944 色漆和清漆钢结构防腐保护体系
(9)SSPC 美国钢结构防护涂层协会标准
(10)BS5493 1997 钢铁结构构件防腐保护涂层应用指南(英国)
三、第三代聚脲——脂肪族聚脲特性简介
脂肪族聚脲涂料是金铂尔化工自主研发的,也是SPUA工业领域出现的最新慢反应的高性能涂层材料,克服了传统聚脲凝胶时间过快和需要专门设备进行施工的弊端,被称为第三代聚脲。
它不仅保存了传统聚脲涂料的优异性能,还具备许多其它优点:
1.施工简便性,刷涂、喷涂及无气喷涂均可;
2.附着力好,长期使用不起泡、不脱落、不空鼓;
3.防腐性能十分突出,可耐受水、酸、碱、盐、油等介质的侵蚀;
4.涂层具极好的抗冲耐磨性,耐冻融性,使用环境的适应性强;
5.耐候性优异,涂层丰满装饰性强,防腐蚀和防护一体化设计;
6.快干,一次成膜厚,提高生产效率,降低人工费用;
7.高固含,低碳环保;
7, 重涂或修补施工简易,无需特殊处理。
四、应用范围
1, 公路桥梁钢结构等;
2, 建设钢结构、机场钢结构等;
3, 通航设施、电信设备等重要设施
五、涂装系统
(一)涂料配套体系的设计
第一步确定腐蚀环境
下表依据ISO12944色漆与清漆防腐蚀标准第二部分涂层分类列出了几种典型的腐蚀环
境:表1
对于公路桥梁钢结构来说,其面临的腐蚀环境为C3-C4。
因此我们涂层设计主要集中在重防腐领域。
第二步确定配套体系的使用年限(耐久性)
高耐久性设计寿命15-25年以上
较高耐久性设计寿命 5-15年
一般耐久性设计寿命5年以下
第三步选择配套体系
根据JTT-722-2008公路桥梁钢结构防腐涂装技术条件、钢结构的材质及脂肪族聚脲材料的特殊性,针对不同使用环境及使用年限,根据ISO12944-2007第五部分涂层使用年限分类,我们建议采用以下几种体系:表2
特别申明:
定期检测和小修小补保养工作,是十分必要的,将有助于达到涂料配套体系所对应的至第一次大修前的使用年限。
(二)涂装工艺说明
1、涂装前的表面处理
表面处理相关知识
钢材在轧制过程中,经热处理后表面会产生一层氧化皮,在加工、运输、存放等过程中,钢材表面往往产生焊渣、毛刺、尘土以及油和其他污染物。
要使漆膜能牢固地附着在工件的表面上,在涂装前就必须对工件表面进行清理,否则,不仅影响涂层与基体金属的结合力和抗腐蚀性能,而且还会使基体金属在即使有涂层防护下也能继续腐蚀,使涂层剥落,影响工件的机械性能和使用寿命。
因此工件涂漆前的表面处理是获得质量优良的防护层,延长产品使用寿命的重要保证和措施。
表面处理方式
手工处理:如刮刀、钢丝刷或砂轮等。
用手工除去工件表面的锈迹和氧化皮。
喷砂处理:对钢材以机械喷砂法进行除锈处理,除尽铁锈、氧化皮、油脂等杂物。
表面处理要求
表面处理质量控制应达到GB8923除锈等级要求,一般认为使用年限小于5年的喷砂达到Sa2.0,使用年限大于5年的需喷砂到Sa2.5.
2、涂装工艺流程
表面处理——底漆施工——中层漆施工——聚脲防腐面漆施工
3、涂装方法
A,大面积喷涂推荐用无气喷涂方式施工
B,细长、小面积及复杂形状构件可采用空气喷涂或刷涂施工
C,不易喷到的部位应采用刷涂施工进行预涂装或第一道底漆后补涂
(三)涂装注意事项
1、涂料的涂装严格按照产品说明的重量比例配制、涂装施工及保养;
2、施工时将双组分充分搅拌至完全均匀,并在规定的时间内用完;
3、施工表面温度应高于露点温度3℃以上;
4、施工现场应良好通风,严禁烟火;
5、未用完的固化剂组分应充氮气后密封保存,严禁混入水分或潮气;
6、为确保涂层质量,施工时,如遇风沙、雨、雪、雾天气时应停止防腐层的露天施工;
7、施工最佳环境温度为5-38℃,相对湿度小于85%;
8、涂装后的设备应在防腐层完全固化(一般夏季5~7天,冬季7~10天)后交付使用,未
固化的涂层应防止雨水浸淋。
9、冬季施工每道涂层需彻底干燥,层间重涂时间比夏季施工要求长。
10、为确保层间最佳附着力,底漆固化后需打磨再施工中涂,中涂固化后需打磨方可施
工面漆。
11、冬季施工应尽量避免傍晚或晚上进行,低湿低温施工会引起粉化、开裂、起翘、剥
落等弊病。
12、施工人员进行必要的安全防护、佩戴防护目镜、手套、口罩等劳保用品,避免接触
和吸入漆雾。
六、脂肪族聚脲防腐面漆性能指标
涂料施工时能一次喷涂达到目标膜厚,不存在重涂问题。
五、涂料贮存和运输
1、本品系易燃易爆危险化学品,应远离热源、隔绝火源,避免剧烈撞击。
2、本产品需在通风、阴凉、干燥处保存,有效贮存期为6个月,超过贮存期,则按本
产品标准规定的项目进行检验,若符合技术要求仍可使用。
3、运输时,应严禁雨淋、日晒,并应符合运输部门的有关规定。
注:
此说明书是试验和经验的积累,详细施工细请按施工设计要求实施。