电动伸缩门说明书
- 格式:docx
- 大小:657.09 KB
- 文档页数:31
电动伸缩门开门电机说明书点击次数:5016更新时间:2013-03-29 15:24:01【打印此页】【关闭】请先选择您所使用的电机为哪种(通常市面上比较常见的电动伸缩门所使用的开门机大部分为威捷电机,如果您不清楚您所使用的电机是哪种牌子就直接点击百胜电机(通用型)查看使用说明)威捷电机说明书百胜电机说明书晶源电机使用说明书1、WJ(MJ201)第二代一体化机器人使用说明书目录1.产品概述2.产品功能3.产品参数4.产品示意图5.产品安装步骤6.磁铁安装示意图7.电器接线图8.防爬安装示意图9.故障分析10.包装清单一、产品概述1、该产品集机械与电子与一体。
将原来两个独立的开门机合二为一,并将所以电子控制功能集成在一起,安装简单,方便;外形简洁,美观。
2、低温自动加温装置。
确保环境低至-40度依然能够正常工作,加温装置自动开启进行加温。
3、智能化的限位方式。
该产品摒弃了原机器人产品上安装困难的限位开关,并且简化了磁铁的安装,限位更可靠、安全。
二、功能特点1、全遥控控制开门、关门、停止;2、开、关门后启动时都具有软启动;3、智能限位功能;4、手动离合;5、低温自动加热功能;6、总运行时间保护功能;7、红外线防撞功能;8、红外线防爬装置接口;9、热保护装置,延长电机使用寿命;三、技术参数1、环境温度:-40度- +55度2、相对温度:小于等于百分之90 不凝霜3、电源电压/频率:AC220V±10%/50Hz4、电机额定输入功率:370W*25、电机额定电流:*26、电机绝缘等级:B7、电机热保护温度:120度8、输出转速:n=45rpm9、电机工作制:S210、电机升温启动温度:0度±5度11、加温功率:小于等于60W*2如作图所示:1.起步同步调节螺丝2.电机3.固定螺丝4.5分11齿条轮5.离合轴6.52接链条松紧调节螺丝7.链条松紧调节螺丝8.探测器固定支架9.5分12齿链条10.探测器固定支架固定螺丝11.探测器紧固螺丝12.探测器13.减速箱14.电控盒五、产品安装步骤(一)整机安装步骤:1.将机芯放置尺寸合理的机头板上;2.打开离合器,挂上链条;3.调节机芯使机芯固定螺丝孔和机头板固定孔对齐;4.将固定螺丝放到固定孔中,稍微拧动螺丝,不拧紧;5.调节机芯底座上的四枚无头内六角螺丝,直到链条的摆动幅度为两指宽即可;6.调节完后拧紧机芯底座的四枚固定螺丝;7.最好合上离合。
电动伸缩门规格参数
电动伸缩门是一种自动化门类产品,广泛应用于商务楼宇、写字楼、酒店、医院、学校、工厂等场所。
以下是电动伸缩门的规格参数介绍:
1. 门体材质:门体采用铝合金型材制作,表面喷塑、静电粉涂或阳极氧化处理;
2. 门扇结构:门扇采用双层结构,内层填充聚氨酯发泡材料,保温隔音;
3. 开启方式:电动伸缩门采用电动驱动,可通过遥控、刷卡、感应器、按钮等多种方式进行操作;
4. 尺寸要求:门体高度一般不超过3米,宽度最大可达10米,具体尺寸可根据实际需要进行定制;
5. 密封性能:门扇周围采用封条密封,有效防止风沙、灰尘、噪音和异味的侵入;
6. 安全保护:门体下部配有安全光栅或气囊保护,当有物体或人员进入门扇区域时,门体会自动停止或反弹;
7. 驱动方式:电动伸缩门驱动方式有双轨、四轨和六轨等多种选择,可根据实际情况选择合适的驱动方式;
8. 电源要求:电动伸缩门供电一般为220V/50Hz,具体功率根据门体尺寸和驱动方式进行计算。
总之,电动伸缩门具有美观、实用、安全、方便等特点,能够为各类场所提供高效、便捷的出入口解决方案。
红门20D电动伸缩门6米合同编号:__________合同签订日期:__________甲方(买方):__________乙方(卖方):__________第一条产品名称、规格、数量和质量1.1 产品名称:红门20D电动伸缩门1.2 产品规格:6米1.3 数量:甲方购买乙方红门20D电动伸缩门6米产品共一套。
1.4 质量标准:乙方应保证所提供的产品符合国家相关法律法规及行业标准,并保证产品在正常使用条件下的安全、可靠和功能性。
第二条价格和支付方式2.1 产品单价为人民币(大写):____元整(小写):_____元。
2.2 甲方应按照本合同约定的付款方式向乙方支付产品价款。
2.3 付款方式:(1)甲方在本合同签订后7个工作日内,向乙方支付产品价款的30%作为预付款。
(2)乙方在完成产品生产并准备发货前,向甲方提供产品全款发票,甲方在收到发票后7个工作日内支付剩余的70%价款。
第三条交付及验收3.1 乙方应按照甲方的要求,在合同约定的时间内将产品运输到甲方指定的地点。
3.2 甲方应在收到产品后7个工作日内进行验收,并将验收结果通知乙方。
3.3 若甲方对产品有异议,应在验收合格期内提出,并书面通知乙方。
乙方应在接到异议通知后7个工作日内负责解决。
若甲方逾期提出异议,视为乙方产品已经符合约定要求。
第四条售后服务4.1 乙方提供产品的安装、调试、培训等服务。
4.2 产品保修期为一年,自验收合格之日起计算。
保修期内,乙方负责免费维修或更换因产品质量问题导致的损坏零部件。
4.3 保修期外,乙方提供有偿维修服务,维修费用按照乙方当时的收费标准执行。
第五条违约责任5.1 任何一方违反本合同的约定,导致合同无法履行或者造成对方损失的,应承担违约责任,向对方支付违约金,并赔偿损失。
5.2 若乙方未按照约定时间、地点交付产品,甲方有权解除本合同,并要求乙方支付违约金。
第六条争议解决6.1 本合同的签订、履行、解释及争议解决均适用中华人民共和国法律。
CRT-K01B单电机伸缩门控制器说明书一、技术参数:1、输入电压:220V±15%2、电机额定电流:7A3、遥控方式:无线遥控,百万组编码安全可靠。
4、遥控距离:空旷50-100米(无障碍物)二、主要功能:1、手动控制“开”、“停”、“关”。
2、遥控控制“开”、“停”、“关”、“锁键”。
【如遥控器按了“锁键”,“开”、“关”两键就不能操作了,当只有按遥控器按“停”止键解锁后,遥控功能才恢复正常】。
遥控锁键设定需常按“锁键”3秒钟,才能设置上锁功能。
3、红外防撞保护:配合专用的红外线控头,门在关的过程中遇到障碍物可自动停止,并向相反运行5秒然后停止。
红外防撞开关类型是NPN常开型,就是负极输出常开信号的开关。
4、限位开关极性选择(配合拨码开关第【3】位可选用常开型限位和常闭型限位功能)。
出厂设定为常开型限位。
5、单双限位选择功能(配合拨码开关第4位可选用双限位和单限位功能)。
出厂设定为双限位功能,【如选择单限位功能,限位开关接+12V公共点和开限位端口就行了】。
本控制器内部延时100秒后会自动关闭动作,这主要是为了防止限位开关失效后的一种保护。
6、自动关门设定功能说明:【1】第一种状态:门往开的方向运行,到开限位后门停止,然后延时2秒门自动往关门方向运行,门在关的过程中遇到障碍物可自动停止,并向相反方向运行5秒然后停止,延时2秒钟后门自动往关门方向运行,直到关限位后自动停止。
(配合拨码开关第【2】位可选择)。
【2】第二种状态:门往开的方向运行12秒后门自动停止,然后延时2秒门自动往关门方向运行,门在关的过程中遇到障碍物可自动停止,并向相反方向运行5秒然后停止,延时2秒钟后门自动往关门方向运行,直到关限位后自动停止。
(配合拨码开关第【1】位可选择)这个功能是为了有的只需要进人和自行车之内的,不用开很宽,就可以通行,此功能可实现刷卡进门,然后自动关门动作。
7、红外关闭:当红外切除端口输入低电平时则自动切除红外防撞功能。
电动门、伸缩门遥控控制器使用说明书本遥控控制器适用于平移门、对开平移门、伸缩门、对开伸缩门、道闸、对开道闸,单相电机设备控制等门种作常规的“开、停、关、限位”控制;通过遥控器操作,可使控制面板所有按键功能被锁定,防止外人通过控制盒盗开大门;遥控为固定码。
一、购入时请注意1、检查控制器外壳是否破损或变形2、检查包装中有无合格证3、打开控制器后是否有零散物,电路板是否异常二、安装场所(请专业人士安装调试)安装的场所及环境不适宜会缩短本产品的使用寿命,请安装于下列场所:1、周围温度:-10℃~+45℃且通风情形良好2、无滴水及湿气低的场所3、无日光照射,高温及严重落尘的场所4、无腐蚀性气体及液体的场所5、无振动、无磁场干扰的场所6、儿童不易操作到,保养及检查容易的场所三、产品型号:OM-AC390系列电气参数:输入电压:220V±15% 输出电压:220V±15%每路电机额定电流:20A 每路警灯额定电流:5A遥控方式:无线电编码遥控距离:空旷100米(无障碍物)四、产品维护1、用户应对红外开关每月检测一次,以确保遇阻返回功能正常2、遥控器使用DC12V,23A电池,使用寿命一年,注意更换电池。
切勿受潮、摔打、撞击,如欲修改密码,请注意主机与遥控器的编码一定要一致。
3、主机遥控距离正常在40米左右,若遥控器距离太短,请检查主机安装位置是否被金属物遮蔽或电池电量是否充足,遥控距离受天气影响较大,在恶劣环境下,遥控距离有所缩短,此为正常现象。
五、电气连接注意:1、应严格遵照接线端子上标识接,“火线”、“零线”不能接反2、遵守安全规定!电力线和控制线一定要分开布线3、干簧管信号线须用屏蔽线,屏蔽层须良好接地,中间不可有接头。
导线要套入PVC管或铁管内,做好防水防潮处理4、开机必须检查,电机是否安全接地5、确认所有接线正确无误后接上电源如图所示,按下面要求接线:备注:1、开门、关门反向接反对调电机线V、W。
不锈钢铝合金工地电动伸缩门说明书全文共四篇示例,供读者参考第一篇示例:不锈钢铝合金工地电动伸缩门是一种常见于工地和建筑现场的安全设施,它具有防盗、防火、防腐蚀等多重功能,为工地提供了有效的安全保障。
本说明书将介绍该产品的详细特点、安装方法、使用注意事项以及维护保养方法,供用户参考。
一、产品特点:1.材质优质:该伸缩门由不锈钢和铝合金制成,具有良好的耐腐蚀性和耐磨性,能够在恶劣环境下长时间使用。
2.电动操作:该门采用电动驱动方式,操作方便快捷,可以远程控制,提高了工作效率和安全性。
3.伸缩设计:门体可以根据实际需要伸缩,适用于不同尺寸的门洞,灵活性强。
4.防盗防火:门体结构坚固,具有防盗、防火功能,有效保护工地内的设备和材料。
5.外观美观:不锈钢铝合金表面经过特殊工艺处理,具有优美的外观和现代感,提升了工地整体形象。
二、安装方法:1.确定安装位置:根据实际需要确定伸缩门的安装位置和尺寸,确保门与门洞尺寸匹配。
2.安装门轨:首先安装门轨,确保门体可以顺利伸缩,并且门体在运行过程中不出现卡顿。
3.安装门体:将门体和门轨连接,固定门体,调试门体的伸缩功能,确保正常运行。
4.连通电源:将门体的电动设备连接电源,并进行测试,确保电动操作正常。
5.完成安装:安装完成后,检查门体的安装稳固性和运行情况,如有异常情况及时处理。
三、使用注意事项:1.定期检查:定期检查门体的运行情况,如有异常声音或阻力,请及时处理。
2.避免超负荷:门体的承载能力有限,请勿超过负荷限制,以免造成损坏。
3.保持清洁:定期清洁门体表面,避免灰尘和杂物堆积,影响门的运行和外观。
4.避免碰撞:请注意门体运行时的周围环境,避免碰撞和损坏。
5.避免雨淋:不锈钢铝合金门体在雨水中长时间浸泡容易造成腐蚀,建议避免雨淋。
四、维护保养方法:1.润滑保养:定期对门轨和门体的移动部分进行润滑,保持门体运行顺畅。
2.紧固螺丝:定期检查门体的固定螺丝是否松动,如有松动请及时拧紧。
电动伸缩门规格、配置及技术指标
电动伸缩门的规格、配置和技术指标如下:
1、电动门规格:
主管料采用50×51异型管材,交叉杆采用38×38方管。
门体结构示意图如下:
2、电动门机器配置:
无轨机器配置包括双电机、底板、探测器、主控板、磁力导行线、红外线遇阻返弹探头、传达室控制器、双面固定显示屏和手遥控发射器两只。
3、电动门技术指标:
1)门体伸开后,每个节距应小于等于410mm;
2)导线布置应合理,导线中间不允许有接头;
3)机头应有警示标志,用反光膜制作;
4)机头上的电机装置必须有防雨装置;
5)外露面不应有明显划伤、污渍,凸凹不平的缺陷;
6)门体完全伸开后,门立框的晃动量应小于等于20mm;
7)门体缩合后,相邻门立框的上下间距差应小于等于
10mm;
8)门体缩合后,相邻立框的高低相关:组装框应小于等
于10mm,弯曲框应小于等于10mm;
9)门体缩合后,各铰接杆不齐偏差应小于等于5mm;
10)遥控器的距离应大于等于30m。
电动伸缩门操作方法电动伸缩门是一种方便、高效的门控系统,广泛应用于商业、工业和住宅等场所。
它通过电动驱动系统实现门体的自动伸缩和关闭,不仅提高了门的安全性和便利性,还可以有效控制人员进出和车辆通行。
下面将详细介绍电动伸缩门的操作方法。
1. 开启和关闭电动伸缩门的开启和关闭可以通过多种方式实现,例如遥控器、密码键盘、刷卡器、感应器等。
其中,遥控器是最常用的操作方式之一,用户只需按下遥控器上的开关按钮,门体就可以自动伸缩或关闭。
密码键盘则需要用户输入正确的密码才能开启门体,这种方式适用于需要严格控制进出的场所。
刷卡器则需要用户刷卡才能通过门体,这是一种较为便捷的操作方式。
另外,一些电动伸缩门还配备有感应器,当有人或车辆靠近门体时,感应器可以自动检测到并开启门体,无需用户操作。
2. 手动操作在遇到停电或其他紧急情况时,电动伸缩门可以通过手动操作方式开启或关闭。
通常情况下,电动伸缩门都配备有手动开启按钮,用户只需按下按钮,门体就可以自动释放锁定装置,然后通过推拉或转动门体来实现手动开启或关闭。
这种设计可以有效应对紧急情况,确保用户的安全。
3. 定时功能一些电动伸缩门还具备定时功能,用户可以设置门体的开启和关闭时间,以适应不同场合的需求。
比如在商场营业时间内,可以设置门体在早上8点自动开启,在晚上10点自动关闭;而在办公楼的工作日内,可以设置门体在早上9点自动开启,在下午6点自动关闭。
这种定时功能可以节省能源,减少人力管理成本,提高门体的智能化程度。
4. 防夹功能为了确保用户的安全,电动伸缩门通常还配备有防夹功能。
当门体在关闭过程中检测到有障碍物阻碍关闭时,系统会自动停止闭合,并反向打开门体。
这项功能有效避免了因门体关闭时夹到人员或车辆而造成的安全事故,保障了用户的身体和财产安全。
5. 安全警示在电动伸缩门的操作过程中,系统通常还会配备有声光警示功能来提醒周围的人员注意。
比如在门体开启或关闭时,系统可能会发出蜂鸣声并闪烁警示灯,提醒周围的人员留意门体的动作,避免发生意外事故。
电动门、伸缩门遥控控制器使用说明书-CAL-FENGHAI.-(YICAI)-Company One1电动门、伸缩门遥控控制器使用说明书本遥控控制器适用于平移门、对开平移门、伸缩门、对开伸缩门、道闸、对开道闸,单相电机设备控制等门种作常规的“开、停、关、限位”控制;通过遥控器操作,可使控制面板所有按键功能被锁定,防止外人通过控制盒盗开大门;遥控为固定码。
一、购入时请注意1、检查控制器外壳是否破损或变形2、检查包装中有无合格证3、打开控制器后是否有零散物,电路板是否异常二、安装场所(请专业人士安装调试)安装的场所及环境不适宜会缩短本产品的使用寿命,请安装于下列场所:1、周围温度:-10℃~+45℃且通风情形良好2、无滴水及湿气低的场所3、无日光照射,高温及严重落尘的场所4、无腐蚀性气体及液体的场所5、无振动、无磁场干扰的场所6、儿童不易操作到,保养及检查容易的场所三、产品型号:OM-AC390系列电气参数:输入电压: 220V±15% 输出电压: 220V±15%每路电机额定电流:20A 每路警灯额定电流: 5A遥控方式:无线电编码遥控距离:空旷100米(无障碍物)四、产品维护1、用户应对红外开关每月检测一次,以确保遇阻返回功能正常2、遥控器使用DC12V,23A电池,使用寿命一年,注意更换电池。
切勿受潮、摔打、撞击,如欲修改密码,请注意主机与遥控器的编码一定要一致。
3、主机遥控距离正常在40米左右,若遥控器距离太短,请检查主机安装位置是否被金属物遮蔽或电池电量是否充足,遥控距离受天气影响较大,在恶劣环境下,遥控距离有所缩短,此为正常现象。
五、电气连接注意:1、应严格遵照接线端子上标识接,“火线”、“零线”不能接反2、遵守安全规定!电力线和控制线一定要分开布线3、干簧管信号线须用屏蔽线,屏蔽层须良好接地,中间不可有接头。
导线要套入PVC管或铁管内,做好防水防潮处理4、开机必须检查,电机是否安全接地5、确认所有接线正确无误后接上电源如图所示,按下面要求接线:备注:1、开门、关门反向接反对调电机线V、W。
电动伸缩门、栏杆操作规程
1、开启、关闭伸缩门、栏杆由当班门卫负责,并在看清大门周围环
境后才能操作。
2、伸缩门、栏杆的开启、关闭,各自遥控器上都有相应的“开”、“关”。
按动“开”或“关”后,应立即将手指移至“停”的键位上,注意观察大门附近的行人和车辆,如有异常,立即按下“停”键。
3、伸缩门如果不能电动控制,应将漏电开关断开,拨下电源插头,
然后用专用的螺丝刀拧开离合器,可使伸缩门人力推动。
4、栏杆如果不能电动控制,应将漏电开关断开,拨下电源插头,然
后用锁匙打开其侧门,用手搅动旋转手柄,即可将栏杆升起,直至垂直位置。
5、正常工作日的白天,应将伸缩门、栏杆完全打开,并关断漏电开
关。
6、节假日的白天和每天的18:00之后将伸缩门关闭1/3把栏杆放下,
用控制栏杆的开启而放行车辆。
深夜后应将伸缩门全部关闭。
7、伸缩门、栏杆每周最少清洁一次。
8、凡违反上述规定,损坏和造成事故的,将视情节轻重,追究当班
人的责任。
电动伸缩门开门电机说明书点击次数:5016 更新时间:2013-03-29 15:24:01 【打印此页】【关闭】请先选择您所使用的电机为哪种(通常市面上比较常见的电动伸缩门所使用的开门机大部分为威捷电机,如果您不清楚您所使用的电机是哪种牌子就直接点击百胜电机(通用型)查看使用说明)威捷电机说明书百胜电机说明书晶源电机使用说明书1、WJ(MJ201)第二代一体化机器人使用说明书目录1.产品概述2.产品功能3.产品参数4.产品示意图5.产品安装步骤6.磁铁安装示意图7.电器接线图8.防爬安装示意图9.故障分析10.包装清单一、产品概述1、该产品集机械与电子与一体。
将原来两个独立的开门机合二为一,并将所以电子控制功能集成在一起,安装简单,方便;外形简洁,美观。
2、低温自动加温装置。
确保环境低至-40度依然能够正常工作,加温装置自动开启进行加温。
3、智能化的限位方式。
该产品摒弃了原机器人产品上安装困难的限位开关,并且简化了磁铁的安装,限位更可靠、安全。
二、功能特点1、全遥控控制开门、关门、停止;2、开、关门后启动时都具有软启动;3、智能限位功能;4、手动离合;5、低温自动加热功能;6、总运行时间保护功能;7、红外线防撞功能;8、红外线防爬装置接口;9、热保护装置,延长电机使用寿命;三、技术参数1、环境温度:-40度- +55度2、相对温度:小于等于百分之90 不凝霜3、电源电压/频率:AC220V±10%/50Hz4、电机额定输入功率:370W*25、电机额定电流:*26、电机绝缘等级:B7、电机热保护温度:120度8、输出转速:n=45rpm9、电机工作制:S210、电机升温启动温度:0度±5度11、加温功率:小于等于60W*2如作图所示:1.起步同步调节螺丝2.电机3.固定螺丝4.5分11齿条轮5.离合轴6.52接链条松紧调节螺丝7.链条松紧调节螺丝8.探测器固定支架9.5分12齿链条10.探测器固定支架固定螺丝11.探测器紧固螺丝12.探测器13.减速箱14.电控盒五、产品安装步骤(一)整机安装步骤:1.将机芯放置尺寸合理的机头板上;2.打开离合器,挂上链条;3.调节机芯使机芯固定螺丝孔和机头板固定孔对齐;4.将固定螺丝放到固定孔中,稍微拧动螺丝,不拧紧;5.调节机芯底座上的四枚无头内六角螺丝,直到链条的摆动幅度为两指宽即可;6.调节完后拧紧机芯底座的四枚固定螺丝;7.最好合上离合。
电动伸缩门开门电机说明书点击次数:5016 更新时间:2013-03-29 15:24:01 【打印此页】【关闭】请先选择您所使用的电机为哪种?(通常市面上比较常见的电动伸缩门所使用的开门机大部分为威捷电机,如果您不清楚您所使用的电机是哪种牌子就直接点击百胜电机(通用型)查看使用说明)威捷电机说明书百胜电机说明书晶源电机使用说明书1、WJ (MJ201 )第二代一体化机器人使用说明书目录1. 产品概述2. 产品功能3. 产品参数4. 产品示意图5. 产品安装步骤6. 磁铁安装示意图7. 电器接线图8. 防爬安装示意图9. 故障分析10. 包装清单一、产品概述,并将所以电子控制功1、该产品集机械与电子与一体。
将原来两个独立的开门机合二为能集成在一起,安装简单,方便;外形简洁,美观。
2、低温自动加温装置。
确保环境低至-40度依然能够正常工作,加温装置自动开启进行加温。
3、智能化的限位方式。
该产品摒弃了原机器人产品上安装困难的限位开关,并且简化了磁铁的安装,限位更可靠、安全。
二、功能特点1、全遥控控制开门、关门、停止;2、开、关门后启动时都具有软启动;3、智能限位功能;4、手动离合;5、低温自动加热功能;6、总运行时间保护功能;7、红外线防撞功能;8、红外线防爬装置接口;9、热保护装置,延长电机使用寿命;三、技术参数环境温度:-40度-+55度相对温度:小于等于百分之 90不凝霜电源电压/频率:AC220V ± 10%/50Hz电机额定输入功率:370W*2电机额定电流:1.7A*2电机绝缘等级:B电机热保护温度:120度输出转速:n=45rpm电机工作制:S2、电机升温启动温度:0度土 5度、加温功率:小于等于 60W*21、2、3、4、5、6、7、8、9、10111. 起步同步调节螺丝2. 电机3. 固定螺丝4. 5分11齿条轮5. 离合轴6. 52接链条松紧调节螺丝7. 链条松紧调节螺丝8. 探测器固定支架9. 5分12齿链条10.探测器固定支架固定螺丝11.探测器紧固螺丝12.探测器13.减速箱14.申控盒01m J30■3.0五、产品安装步骤(一)整机安装步骤:1. 将机芯放置尺寸合理的机头板上;2. 打开离合器,挂上链条;3. 调节机芯使机芯固定螺丝孔和机头板固定孔对齐;4. 将固定螺丝放到固定孔中,稍微拧动螺丝,不拧紧;5. 调节机芯底座上的四枚无头内六角螺丝,直到链条的摆动幅度为两指宽即可;6. 调节完后拧紧机芯底座的四枚固定螺丝;7. 最好合上离合。
电动伸缩门操作规程
1;电动伸缩门关闭(伸出)操作前,必须确认门的前方和两侧是否有人,确认无人后,方可操作,以避免电动伸缩门伸出过程中碰伤或刮伤行人事故发生。
2;电动伸缩门开启(缩回)操作前,,必须确认门的两侧是否有人,确认无人后,方可操作,以避免电动伸缩门缩回过程中卷入夹伤或者刮伤行人事故发生。
3;每日要经常检查和清理电动伸缩门下面或者的垃圾或者异物,防止碰撞或者夹入滑轮中。
4;每日检查伸缩门拉杆内部的电缆线是否有缠绕,破损,老化等异常,如有异常,立刻停止使用,通知公司电工进行断电,并通知厂长安排维修。
豪华电动伸缩门说明书豪华电动伸缩门使用说明书安全技术要求1、必须使用合格专业电工安装电机。
2、提供本电机的电源必须安装15A以上漏电保护开关及220V/50HZ。
3、电机及控制器系统安装必须接地线,在电机地线标签处或电机外壳接地线,接地线接口要将油漆刮干净,保证可靠导通。
简介一、主要功能:1、当雨水及霜挡住透镜或损坏时,本产品会自动识别检测,关闭防撞功能,正常开关门体,当光电开关恢复正常后,控制器能自动识别,恢复正常功能。
2、时间保护,当门体到位后,因其它原因电机不能停止的情况下,控制器设置最长时间为120秒,不易损坏电机。
3、限位锁保护,当门体到位后,误按开、关键,易不会冲过终点。
4、线控及全遥控兼容,可带防撞、防爬报警功能。
二、电器参数:输入电压:220V+-5% 额定电流:10A 遥控方式:无线点编码遥控距离:?30米遥控手制电池:12V23A三、产品维护及安装注意事项:1、环境温度适宜在-30度~+45度之间使用。
2、安装电控应检查电压是否符合使用要求,接地线是否稳固。
3、要保持光电开关透镜清洁,防止关门时误操作。
4、当遥控距离变短时,要检查电池电量是否充足,必要时要更换电池。
5、初装时出现限位开关到位不停机,要检查限位开关是否装错或磁钢是否装好。
6、限位开关底部离地面10~15mm为宜,磁钢高度要与地面一致。
7、如配防爬装置,按电路板插座方向插好。
第 1 页共 4 页豪华电动伸缩门使用说明书主板接线图遥控手制及主板编码方法:手制用焊接编码,主板及台式发射器用短路块插接,编码时手制、主板、台式发射器必须要一致,产品出厂前已设定,如需要更改或更换遥控时,参照下图,下图编码方法只是例举。
磁钢安装如下第 2 页共 4 页豪华电动伸缩门使用说明书开门磁铁终点线开门方向关门方向关防撞磁铁关门磁铁终点线铁钢安装如上3三芯电线全遥控的接线方法(建议使用此方法,方便、省线):第 3 页共 4 页豪华电动伸缩门使用说明书(门尾接线盒)防爬报警系统的安装和说明1、门尾接线盒安装方法2、防爬条件编号防爬条件(必须同时满足以下条件)1 关门到关门限位处停机启动报警器报警功能(按任何键可停止报警声) 第 4 页共 4 页。
DH-K01B单电机伸缩门控制器说明书一、技术参数1、输入电压:220V±15%2、电机额定电流:7A3、遥控方式:无线遥控,百万组编码安全可靠。
4、遥控距离:空旷50-100米(无障碍物)二、主要功能:1、手动控制“开”、“停”、“关”。
2、遥控控制“开”、“停”、“关”、“锁键”。
【如遥控器按了“锁键”,“开”、“关”两键就不能操作了,当只有按遥控器按“停”止键解锁后,遥控功能才恢复正常】。
遥控锁键设定需常按“锁键”3秒钟,才能设置上锁功能。
3、红外防撞保护:配合专用的红外线控头,门在关的过程中遇到障碍物可自动停止,并向相反运行5秒然后停止。
红外防撞开关类型是NPN常开型,就是负极输出常开信号的开关。
4、限位开关极性选择(配合拨码开关第【3】位可选用常开型限位和常闭型限位功能)。
出厂设定为常开型限位。
5、单双限位选择功能(配合拨码开关第4位可选用双限位和单限位功能)。
出厂设定为双限位功能,【如选择单限位功能,限位开关接+12V公共点和开限位端口就行了】。
本控制器内部延时100秒后会自动关闭动作,这主要是为了防止限位开关失效后的一种保护。
6、自动关门设定功能说明:【1】第一种状态:门往开的方向运行,到开限位后门停止,然后延时2秒门自动往关门方向运行,门在关的过程中遇到障碍物可自动停止,并向相反方向运行5秒然后停止,延时2秒钟后门自动往关门方向运行,直到关限位后自动停止。
(配合拨码开关第【2】位可选择)注明:如使用这个功能强烈要求要安装红外防撞开关。
【2】第二种状态:门往开的方向运行12秒后门自动停止,然后延时2秒门自动往关门方向运行,门在关的过程中遇到障碍物可自动停止,并向相反方向运行5秒然后停止,延时2秒钟后门自动往关门方向运行,直到关限位后自动停止。
(配合拨码开关第【1】位可选择)这个功能是为了有的只需要进人和自行车之内的,不用开很宽,就可以通行,此功能可实现刷卡进门,然后自动关门动作。
电动伸缩门开门电机说明书点击次数:5016 更新时间:2013-03-29 15:24:01 【打印此页】【关闭】请先选择您所使用的电机为哪种?(通常市面上比较常见的电动伸缩门所使用的开门机大部分为威捷电机,如果您不清楚您所使用的电机是哪种牌子就直接点击百胜电机(通用型)查看使用说明)威捷电机说明书百胜电机说明书晶源电机使用说明书1、WJ (MJ201 )第二代一体化机器人使用说明书目录1. 产品概述2. 产品功能3. 产品参数4. 产品示意图5. 产品安装步骤6. 磁铁安装示意图7. 电器接线图8. 防爬安装示意图9. 故障分析10. 包装清单一、产品概述,并将所以电子控制功1、该产品集机械与电子与一体。
将原来两个独立的开门机合二为能集成在一起,安装简单,方便;外形简洁,美观。
2、低温自动加温装置。
确保环境低至-40度依然能够正常工作,加温装置自动开启进行加温。
3、智能化的限位方式。
该产品摒弃了原机器人产品上安装困难的限位开关,并且简化了磁铁的安装,限位更可靠、安全。
二、功能特点1、全遥控控制开门、关门、停止;2、开、关门后启动时都具有软启动;3、智能限位功能;4、手动离合;5、低温自动加热功能;6、总运行时间保护功能;7、红外线防撞功能;8、红外线防爬装置接口;9、热保护装置,延长电机使用寿命;三、技术参数环境温度:-40度-+55度相对温度:小于等于百分之 90不凝霜电源电压/频率:AC220V ± 10%/50Hz电机额定输入功率:370W*2电机额定电流:1.7A*2电机绝缘等级:B电机热保护温度:120度输出转速:n=45rpm电机工作制:S2、电机升温启动温度:0度土 5度、加温功率:小于等于 60W*21、2、3、4、5、6、7、8、9、10111. 起步同步调节螺丝2. 电机3. 固定螺丝4. 5分11齿条轮5. 离合轴6. 52接链条松紧调节螺丝7. 链条松紧调节螺丝8. 探测器固定支架9. 5分12齿链条10.探测器固定支架固定螺丝11.探测器紧固螺丝12.探测器13.减速箱14.申控盒01m J30■3.0五、产品安装步骤(一)整机安装步骤:1. 将机芯放置尺寸合理的机头板上;2. 打开离合器,挂上链条;3. 调节机芯使机芯固定螺丝孔和机头板固定孔对齐;4. 将固定螺丝放到固定孔中,稍微拧动螺丝,不拧紧;5. 调节机芯底座上的四枚无头内六角螺丝,直到链条的摆动幅度为两指宽即可;6. 调节完后拧紧机芯底座的四枚固定螺丝;7. 最好合上离合。
(二)探测器安装步骤:Mt耍未勺地I.I''-!一1. 先将探测器固定支架固定在机头板上;2. 再将探测器固定支架上的两个紧固螺丝放松;3. 将探测器插入固定支架当中,直到探测器低端与地面之间的距离为25MM即可,要求距离为20mm~30mm ;(注意:要使探测器上带刻度的那一面对着安装人员)4. 最好拧紧探测器固定支架上的两个紧固螺丝,确保稳固。
(三)磁铁安装步骤:1. 选择合适的铁氧体磁铁Y25BH (详见下图示)2. 用冲击钻打合适的磁铁安装圆孔(详见下图详细磁铁安装图)3. 选择磁铁极性,使所有磁铁的极性方向一致(详见下图磁铁极性埋设图)4. 放置好磁铁后,用水泥浆固定并在此检查磁铁极性是否统一一致。
关门方向/ 40mm Om40mm200mm-230mm 靠墙*q关门限位磁铁区域/ 40mm 200mm~ 1500 mm咸铁主y J 2^H注:磁铁埋设极性必须保持一致, 按方式一或方式二安装说明:1. N ---- 为圆柱铁氧体永久磁铁固定位,X ------- 为磁铁固定位;2. 横向设定限位磁铁,纵向设定行驶路线感应磁铁;3. 横向磁铁必须与纵向设定磁铁成垂直埋设;4. 使用10mm 钻头定位,25mm 钻头打孔;5. 请严格按照给出的数据进行安装;6. 图中所标示的400mm 可调节范围250~400mm ,7. —表示若干磁铁;8. 磁铁极性埋设如右图所示:特别提醒:在停止或停电等状况下,为保证机头可以正常限位,必须使机头能够停在离开门限位磁铁或关门限位磁铁40CM以上距离。
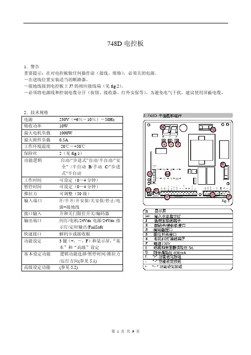
七、电气接线图© Sra|||6®®D o _ {__J-・ BOUTUJ-J匚二I 丄丄。
旦口Q B列促■废调药抵中-畜(左)CT1ran-T 卜ffl面回 o 吕界&3^1 M I T g25VJ o电机电容”曲賞焙二关门金共:W2 揍玉控7T1111pooooolaife w^电机电容注意:电机必须接地及露电开关,且接地电阻R W 4,要求选用3*1.5方450V 电源线。
特别提醒:为避免左右电机接反,特规定黑色端子为右电机接线端:绿色端子为左电机接线端。
开门限位灯绿色指示灯,关门限位灯为红色指示灯。
纠偏幅度调节左图所示为电控板上两个纠偏幅度调节开关,拨动开关动开关21为左电机纠偏幅度调节开关,拨为右电机纠偏幅度调节开关。
注意:出厂时两个拨动开关都处于中间位置,如果用户有需要可自行调节。
如下图为左电机纠偏3种状态曲线示意图八、防爬安装示意图注意事项:1、发射探头与接收探头的方向。
2、防爬装置在关门限位后启动。
3、关门防爬拨动开关可解除报警功能。
1、遥控器接收天线和遥控器天线没1、将遥控器接收天线和遥控天线完遥控距离过短有完全拉出2、更换遥控器电池2、遥控器电池电量不足2、BSh伸缩门开门机说明书返回顶部导航安装警示• BS系列开门机是需要专业人员安装。
常见的安装责任1)注意!根据说明书来认真操作,对个人安全非常重要。
错误的安装或产品的吴用都可能对人身和财产导致严重的损害。
2)在安装产品前请仔细地阅读说明书。
3)由于包装材料(塑料,聚苯乙烯等)是潜在的危险源,必须放在小孩够不到的地方。
4)保存好说明书以备日后使用。
5)本产品是严格按本文件中所示的使用指南设计和制造的,任何不按照指南中规定的使用或操作都可能损坏产品或者产品危害。
6)BS公司对于不恰当的使用或者超出规定范围的使用而导致的后果概不负责。
7)在有爆炸危险的区域里不要安装该产品;可燃性的气体都是严重的安全危害隐患。
8)机械配件必须符合国家的有关标准。
9)如果在施工中忽视精密元件的工艺要求或使这些元件变形而导致出现的问题,BS公司概不负责。
10 )安装必须遵守国家的有关标准。
11 )系统检修前,应切断电源。
12 )检测接地系统是否正常。
13 )安全装置(例如:光电开关,传感器等),应防止损伤。
14 )非本公司生产的配套产品安装在该系统中,如出现安全问题和不能正常运行,本公司不负责任。
15 )仅对原装部分维修。
16 )不要对该系统的不成部分做任何改动。
17 )安装者必须向用户详细介绍操作方法和应急状态下的有关规定。
18 )安装产品时严禁儿童和其他无关人员靠近。
19 )将遥控器放置在儿童拿不到的地方,以防小孩发生意外事故。
20 )严禁用户自己尝试维修或私自调整系统,应联系专业人士。
21 )说明书里没有明文规定的都是不允许的。
一、简介BSh开门机是我公司吸取国内、外同类产品的有点,结合伸缩门使用特点,经过多年的实践,改进设计的一种机电一体化高科技产品。
(专利号:96240975.8 ZL97244548.X98216064.X ),BSh开门机具有外形美观、启动力矩大、运行平稳可靠、安装维护方便等特点,是电动遥控大门不可缺少的驱动装置。
二、主要技术参数:电压:AC150V-260V 50Hz电机转速:1400转/分输出转速:46.6转/分运行电流:w 3.5A运行速度:12m/分-20m/分适应门重:300KG-2000KG三、BS系列开门机工作原理及主要特点:1、工作原理BS开门机由高强度铸铁机箱、高质量单相电机,涡轮,蜗杆快速离合器组成,电机主轴通过蜗杆带动涡轮和输出链条。
再有链条带动主动轮牵引门体即可运行。
2、主要特色:(1 )超低压运行,工作电压在150V时,输出功率可达原设计50%以上,180V即可正常工作;(2 )电机内部设置过热保护期,电机连续运行后温度达到稳定值时,电机自动断电,进入保护状态;(3)本机设有快速离合器,停电时只需将离合器手柄旋转100度即可人力推动大门;(4 )整机运行稳定,停电无惯性,限位准确。
敬请注意:本机采用高级润油脂,无须更换或添加润滑油。
四、伸缩门安装与调试:请按图1所示,将BSh开门机安装在底板上。
用钥匙将离合器脱开,装好链条,调整4只升降螺栓,使开门机保持水平,链条松紧适度, 然后拧紧螺母即可。
将感应开关管插入底板孔内,图2所示,将感应开关管的三根导线联接在开门机上方对应的接线端子上,调整感应开关管上下位置,保持离地面预埋磁钢间隙在20~30mm 范围内。
1^1五、BSh在无轨伸缩门的应用无轨伸缩门具有安装方便,抗风能力强、适应性好,总成本减少等优点,是目前伸缩门发展方向,我们经过不懈努力,以研发出无轨伸缩门底板,并已开始批量生产,您只需按图1将BSh开门机安装在底板上,即可组装一台无轨伸缩门机头。
空科门帆六、提示警告请将控制盒安装在合适的地方,按图4的电器接线图接线。
-使用前,应仔细核对电源、电压、频率等数据是否符合要求,•检查电器接地是否良好,电器是否按接线图要求接线,•请注意:应先用随机的专用钥匙将离合器脱开,推动伸缩门,使开门机空转,若开门机运转正常,再用随机专用钥匙将离合器合上,-接通电源,启动开门机,观察门体运行情况,-调整磁铁直至伸缩门开、关位置符合您的设置要求,警口:BS系列开门机是需专业人员安装。
七、维护警告:•使用应注意检查电源接地是否量好;零部件良好;做好保养维护,•长期使用,易损件可向本公司购买。
3、JY开门机安装使用说明书(JY2009B )返回顶部导航JY电动开门机,JY-2009B 是我公司研制的新一代优秀产品。
产品具有电压适应范围宽、起动力矩大、断电即停、无惯性、轻巧离合、操作方便、免加油、免维护、改进设计新产品采用了机电一体化等高科技手段、外形美观、运行平稳、安装方便。
是现代门控设备性能优秀的驱动系统。
二、工作原理及性能特点:JY开门机是由高强度铸铝组装,采用优质的4级双层式电机,由涡轮、蜗杆、快速离合器等器件组成减速系统,电机产生动力经减速后由链条轮或输出齿轮输出动力,驱动伸缩门或平移门。
A、超低压运行:电压欠压20%时,欠压10%电压时依然可以正常工作。
B、温度保护器:当工作温度135度时电机会自动切断电源,当温度低于该温度时则自动恢复工作,永不烧电机。
C、快速离合器:操作方便、轻巧、只需用专用钥匙将其顺时针旋转180度即可分离,反之则合上。
D、整体运行平稳、停机无惯性,限位准确。
E、适应频繁正反转。