液压机技术规格书DOC
- 格式:doc
- 大小:113.50 KB
- 文档页数:13
液压机技术参数
液压机技术参数:
1、最大推力/力矩:液压机的力矩由马达的出力驱动,不同的液压机配备不同的马达,因此其最大推力和力矩将不同,通常而言技术参数中会标明马达的型号以便用户进行参考。
2、最大行程:液压机的作动片必须遵循其特定的行程,即其最大有效行程就是液压机的行程范围,一般以毫米为单位,且最大行程会影响到液压机的工作表现。
3、最大压力:液压机需要工作压力来达成其作动任务,最大压力决定了机器在一定时间下作动片所能达到的最大推力和力矩,一般而言压力可以达到峰值100MPa,也可以达到峰值250MPa。
4、工作流量:工作流量主要描述液压机进行作动片的运动时,其所必需的液压油的流量,通常而言,液压机的最大流量一般以立方毫米/秒为单位显示。
5、作动速度:液压机的作动速度一般以毫米/秒的方式表现,其取决于马达的速度和液压油的速度,作动速度影响了液压机在一定时间内作动片所能达到的最大推力和力矩。
6、重量:重量影响到液压机是否能够运输或安装,一般而言轻重量是技术参数里必备的一项,其重量一般以千克为单位进行表示。
7、控制方式:液压机的控制方式可以有不同的变形,一般而言,液压机的控制方式有手动控制、电控制和液控制等多种变形,具体的控制方式要根据液压机的使用情况而定。
8、配件:液压机的配件一般包括液压油箱、液压泵、液压控制器等,这些配件都是液压机运行的关键部件,因此,技术参数里也会逐一列出液压机所使用的配件,以便用户选择更合适的配件。
yz32-500K液压机说明书1、没有经过培训的员工,不得单独操作压机。
2、对压机的机、电、液原理,对压机的安装、试车、操作、保养、维修有深入了解,并经现操作培训,经过专门考核,确认其能力可胜任此职,方准操作压机。
3、液压油的质量、洁净度以及工作粘度决定了压机液压系统工作的可靠性,以及压机的效率、寿命、经济性。
必须采用抗磨液压油,这种液压油可使液压系统的压力稳定及减少油温对粘度的影响,增强系统的耐磨和耐蚀能力,对泵和液压阀可靠的工作是极有好处的。
强烈建议采用上述液压油,若采用别种液压油需与上述油特性一致,经可方可使用。
4、向油箱注油时应采用10微米的过滤装置,绝对不允许无过滤装置直接注油。
5、液压机设有回油过滤和单独的过滤冷却系统,过滤精度均为10微米。
为使油液清洁,减少故障,在一般的情况下各过滤系统一年更换4支滤芯是必须的,只准采用新滤芯,不准旧滤芯擦洗使用。
过滤芯必须采用高质量滤芯,如微精的过滤芯。
适用低价劣质的过滤芯,不但不能起到过滤作用,反而或损害压机!6、系统允许的最低油温为25摄氏度,最佳工作温度为35摄氏度到45摄氏度,超过45℃对系统是不利的。
若超过规定值应对系统进行检杳,及时排除。
7、为保证电气系统正常工作,必须保持电压稳定,其波动值不应超过或低于额定电压的百分之5到百分之10。
8、电气柜、接线盒、操作台的门或盖子在机器工作时必须关上或盖上,不准敞开使用,以免积污。
9、当液压系统出现故障时(例如动作不正常、油压不稳、油压太低、系统振动、油温升高过快等),要及时分析原因,排除故障,不允许机器带病工作,造成大事故。
10、注意蓄能器的性能,若发现充气压力不足或胶囊损坏时,应及时处理。
11、经常检查和定期紧固管接头,以防松动漏油。
12、操作者不准对各液压元件私自拆换,当出现故障时,应由设备维修技术人员及时对设备排除故障进行维修。
要想使液压机正常工作,日常的维护和遵守操作规范是十分重要的。
架空乘人装置技术规格书一、设备的运行环境及使用条件1、乘人装置工作时周围空气中的甲烷、煤尘和硫化氢、二氧化碳等不得超过《煤矿安全规程》中所规定的安全含量;2、环境温度不超过40℃,相对湿度不超过90%;3、煤矿巷道工作坡度不超过15º;4、无强烈振动和冲击以及巷道容易变形的地方;5、无破坏绝缘的腐蚀气体和导电尘埃的环境中;6、无滴水的地方;二、设计规范1、《煤矿安全规程》第368条、第400条和第416条2、中华人民共和国煤炭行业标准(AQ1038-2007)3、《煤矿架空乘人装置企业标准》三、巷道基本情况1、总长1000米,最大坡度8.5°。
巷道宽4.5米,高3.4米.2、巷道有8处变坡。
3、巷道内有一处转弯,转弯角度90°,转弯内弧半径25米四、设备运行参数1、运行速度:0—1.2m/s 无级可调2、最大运输能力:360人次/h3、同时乘座人数:166人4、乘人间距:12米5、托绳轮间距:8米6、驱动主轮:1.5米,7、迂回轮直径:1.5米8、钢丝绳间距:0.9米9、钢丝绳距地面高度:2米10、托轮横梁底面安装高度(垂直巷道腰线方向):2.14米11、吊椅长度:1.7米12、钢丝绳为湘钢产品,型号:6x19S+FC1670-¢24-ZZ(无油)13、系统工作电压:380V/660V14、液压油泵型号:HPV105,排量:105mL/r,最大流量 155.4L/min,额定工作压力25Mpa15、液压马达型号:A2FE90,排量:90mL/r,额定工作压力25Mpa16、减速机型号:B3 09VHC-63-HX,速比63,额定输出扭矩35700N.m17、三相异步电动机型号:YBK2-225M-4 额定功率:45kw 额定电压:380/660V18、工作制动器型号为 BYWZ4B-300/50,制动力矩为630Nm19、安全制动器型号为YQO50-C112,制动器为50KN20、机头机尾配备吊椅存储装置五、架空乘人装置的控制要求1 电气控制部分的设计1.1 可达到的控制要求:1.1.1 运行信息显示:日期、时间、速度、驱动压力、泵控压力、补泵压力、制动压力、油箱温度、紧急停车区域、安全保护项目等;1.1.2 机头机尾之间相互打点;1.1.3 机头机尾之间相互通话;1.1.4 运行控制智能化:系统的运行控制由PLC可编程控制器实现自动检测和自动控制;1.1.5 安全保护控制智能化:系统的安全保护控制由PLC可编程控制器实现自动检测和自动控制;1.1.6 提供远程控制安装接口;1.1.7 异地呼叫:当猴车巷道内安装有程控电话时,利用程控电话与猴车电控系统并网,实现机头异地呼叫功能,当全巷道安装有背景音乐系统时,可实现全巷道异地呼叫功能(选配)。
遂宁市东乘车辆有限公司冲压车间液压机招标技术文件本冲压线由1台1600T、3台800T液压机组成,具体技术指标及招标要求如下:备注:上表中空白处各招标单位根据自身情况填写2.其他要求:(1)机身:机身采用分体框架式结构,确保刚性,四根拉杆采用液压予紧,滑块采用斜楔式四角八面导轨,调整精度高,刚性好,调整后不易发生精度跑偏现象,此外导轨经淬火处理,硬度在HRC55以上,耐磨性能良好,使用寿命长。
导轨材料选用铜合金。
(2)T型槽、顶杆孔、定位孔等尺寸及位置由甲方提供,经乙方确认后制造。
(3)主油缸:为三缸结构,中间为柱塞缸,两边为活塞缸,活塞杆采用优质碳素钢锻件,表面淬火处理。
密封元件为进口元件,确保密封可靠。
(4)液压垫单顶冠采用三缸结构,其中中间油缸为活塞缸, 密封元件为进口元件,确保密封可靠。
液压垫独立驱动,液压垫顶出起始点可由滑块行程控制,液压垫采用快速系统控制,可实现快速顶出。
安装绝对值式直线位移传感器,压机能方便地实现液压垫行程转换位置的数字设定及数字显示,操作简便实用。
(5)滑块和液压垫的润滑装置分上下独立控制,均采用电脑程控不回收自动润滑。
(日本流遍技术)。
压机配有集油盒。
设有故障显示装置。
具有油位报警功能。
(6)油箱设有油位指示,并有油温、油位超限报警,大冲线16000kN液压机油采用冷却器进行强制冷却,冷却强度满足正常工况下的使用要求。
其余液压机采用循环水冷却。
带有油温加热装置,确保低温时在5分钟内能工作。
(7)上置式油箱:油箱布置在上梁后部,油泵电机组和液压控制阀块在油箱上平面上有序排列,其中的主油泵电机组为立式安装(油泵型号统一方便互换)。
设有液压油过滤器和磁过滤器,满足液压系统的使用要求。
(8)液压机(除16000kN拉伸液压机外) 采用全吨位低噪声冲裁缓冲装置:缓冲方式为上置式,以利于移动台侧向移动;冲裁缓冲作用点可调,调节方式为电动自动调节。
通过触摸屏设置即可完成调节。
全自动液压滚丝机技术规格书一、使用的条件用于地面车间,工作环境温度-io。
C〜+4(rc。
二、名称及数量设备名称:全自动液压滚丝机;需求数量:1台。
三、技术要求1.功能描述:滚丝机是一种多功能冷挤压成形机床。
滚丝机能在其滚压力范围内冷态下对工件进行螺纹标准件加工、直纹、斜纹滚压等处理;校直、缩径、滚光和各种成形滚压。
2.设备主要技术参数:(1)布局形式:卧式;(2)控制形式:数控;(3)动力形式:液压;(4)滚压螺纹范围:最大直径§60mm,最小直径§8mm;(5)滚丝轮范围:外径$120-210mm,孔径$75mm,最大宽度150mm;(6)最大滚压力:≥200KN;(7)主电机功率:≥11KW;(8)液压电机功率:≥4.OKW;(9)主轴倾斜角:约±10。
;(10)电源电压:380V50HZ;3.机床在其滚压范围内标配标准件螺纹滚轮、斜纹滚轮、直纹滚轮、梯形螺纹滚轮。
4.主机体为一箱型铸件,侧机体为一框形铸件,主机体与侧机体以螺丝结构合为一体,螺丝强度不低于8.8级Q5.液压系统具有抗污能力好,自吸力强等优点,主要管路采用高压胶管,具有耐冲力、防震动、经久耐用。
6.机床结构合理并选用优质材料,提高刚性,确保作业平稳,有效减轻振动。
7,冷却方式采用机械油冷却方式,有效保证对切削区域的充分冷却,延长使用寿命。
8.设有安全防护装置。
9,电机、减速机、泵、阀、电气元件采用国际或国内知名品牌产品Q四、供货范围1.提供全自动液压滚丝机一台,专用检修工具一套,另提供标准螺纹滚轮各1套(牙距1.5mm、2mm、2.5mm、3mm、3.5mm>4mm)o2.供货时应对其供应的设备提供现场使用维护所必须的图纸(含电气原理图、液压原理图、机械结构图等,其中零部件须注明规格型号);提供所必须的质量文件;提供完整的三套书面和一套电子版安装维护使用说明书,随机提供产品合格证及试验报告,免费负责现场安装(含地基施工)调试及人员培训。
双柱、四柱万能液压机技术参数出处:本站整理日期:2008-1-22产品名称型号公称压力(吨) 滑块行程(毫米) 滑块下平面至工作台的最大距离(毫米) 工作台尺寸(前后×左右)(毫米) 液体最大工作压力(公斤/厘米²) 滑块工作速度(毫米/秒) 最大拉伸深度度(毫米) 电机净重(吨) 外形尺寸(长×宽×高)(毫米) 生产厂主电机总容量台数双柱万能液压机 Y31-25T 25 250 450 左右320前后320 250 5 12 3 1 920kg 900×1084×1888 浙江湖州机床厂四柱式万能液压机 YA32-40A 40 350 500 460×460 25 50(空载)10(负荷) 5.5 5.5 1 1.6 1160×720×2254 南通锻压机床厂 YB32-40 40 520 320 400×400 10 5.5 1.5 1230×1115×2250 浙江安吉机床厂 YB32-40T 40 320 520 左右400前后400 250 10 5.5 瓩 1 1.5 1115×1230×2250 浙江湖州机床厂 YZ32-40 40 400 600 400×400 250 10 5.5 1 1.95 2406×1305×1484 重庆液压机床厂液压机 YA32-45 45 300 600 600×820 300 4-10.8 154 5.5 5.5 1 2.5 1400×820×2165 永新仪表专用设备厂 YA32-45 45 300 600 600×820 300 4-10.8 154 5.5 5.5 1 2.5 1400×820×2165 四柱式万能液压机 SY4-45A 45 250 580 420×390 320 31.5 1 1.4 2170×623×1002 重庆液压机床厂四柱液压机 Y52-50A 50 400 600 420×420 3202.5 2.2 2.2 1 1.1 1030×640×2220 成都液压机厂 Y32-50B 50 400 600 420×420 250 4.5 5.5 5.5 1 1.5 1360×1050×2220 Y32-50C 50 400 600 420×420 250 10 5.5 5.5 1 2 1360×1050×2220 四柱式万能液压机 YC32-63T 63 500 800 左右570前后500 250 10 5.5 瓩 1 2.5 1700×2000×2900 浙江湖州机床厂四柱液压机 YG32-63 63 500 800 500×500 250 107.5 7.5 1 2.5 1850×1700×3385 成都液压机厂 YB32-63A 63 400 600 520×490 250 9 7.58.3 2 2.5 1975×1150×2590 汉阳锻压机床厂 YC32-100 100 600 900 630×630 265 16.1 200 11 1 3.2 宜昌市机床工业公司四柱式万能液压机 YB32-100B 100 600 900 720×580 25 22-14 11 11 1 2.2 2160×1540×3020 南通锻压机床厂四柱万能液压机 YE32-100T 100 600 900 左右630前后630 250 6.3 10 瓩 1 4.5 1900×1400×3310 浙江湖州机床厂 Y32-100T 100 600 900 左右630前后630 250 6.3 10 瓩 1 4.32 1700×1250×3310 YF32-100T 100 600 900 左右630前后630 250 10 7.5 瓩 1 4.2 1830×1930×3310 四柱液压机 YG32-100A 100 600 900 630×630 260 12 11 11 1 4.3 2045×1530×3200 成都液压机厂 YG32-100B 100 600 900 630×630 260 10 11 11 1 4.3 2045×1530×3200 YG32-100G 100 600 1120 1200×1200 260 18 15 15 1 11.5 3200×2000×4020 四柱式万能液压机 Y32-100HY 100 600 900 800×430 250 ≥80 300 10 10 1 3.5 950×580×3030 山东海阳锻压机床厂四柱万能液压机YX32-100 100 600 900 720×580 250 10 15 15 1 3 900×580×3270 徐州锻压设备制造厂SY4-100 100 400 900 630×630 265 3 5.5 1 3.5 2990×1336×2042 重庆液压机厂四柱液压机 YB32-100A 100 600 900 720×580 250 10 13 13.8 2 3 2160×1150×3162 汉阳锻压设备厂四柱万能液压机 YB32-150A 150 400 1045 600×615 300 2.6 7.5 1 4 3138×2065×2505 重庆液压机厂液压机 Y32-160 160 600 1000 700×700 250 1.6 250 7.5 8.25 2 5 2370×1950×3700 永新仪表专用设备厂四柱液压机 YG32-160 160 600 900 680×680 260 10 11 14 2 6 2076×1600×3330 成都液压机厂 YG32-160A 160 600 900 800×800 260 10 11 11 1 8 2200×1600×3330 YG32-160G 160 600 1120 1200×1200 260 18 15 15 1 11.5 3200×200×4020 四柱万能液压机 YC32-160 160 500 910 660×690 250 8 15 1 6 3420×1720×2370 重庆液压机厂四柱式万能液压机 YA32-200D 200 700 1100 930×875 25 100-12 22 22 1 10 2825×2060×3725 南通锻压机床厂 YT32-200A 200 710 1200 900×900 25 90-18 2222 1 10 2410×1600×3791 四柱万能液压机 YB32-200T 200 710 1120 左右900前后900 250 10 15.55 瓩 1 10 2865×2100×3541 浙江湖州机床厂 YX32-200 200 710 1120 1000×940 250 8 22 22 1 13 2780×2120×3950 徐州锻压设备制造厂四柱液压机 YG32-200A 200 710 1120 900×900 250 18 250 22 22 1 11 2860×1860×4280 成都液压机厂 YH32-200 200 710 1120 900×900 100 5 11 3000×910×3875 合肥锻压机床厂四柱万能液压机 YB32-300 300 800 1240 1210×1140 200 6.8 400 22 1 16 5660×2000×3400 重庆锻压机床厂四柱式万能液压机 YA32-315 315 800 1240 1400×900 210 ≥80 400 15 15 1 15.6 1600×1500×5000 山东海阳锻压机床厂 Y32-315 315 800 1240 1400×900 210 ≥80 15 15 1 15.5 1600×1500×5000 YA32-315D 315 800 1250 1260×1120 25 100-8 22 22 1 15 3235×2060×4295 南通锻压机床厂 YT32-315A 315 800 1250 1120×1120 25 100-12 22 22 1 17 2760×2525×4223 四柱万能液压机 YA32-315F 315 800 1250 左右1260前后1160 250 8 22.6 瓩 1 14 1660×1160×4900 浙江湖州机床厂四柱液压机 YB32-315 315 800 1120×1120 1222 15 3235×2060×4295 山东淄博锻压机床厂 YB32-315YG32-315 315 800 1250 1120×1120 280 12 300 22 22 1 13.5 3200×1860×4920 成都液压机厂 YG32-315A 315 800 1250 1400×1400 280 12 300 22 22 1 30 4060×1860×4920 YH32-315A 315 800 1250 1220×1220 >100 22 16 3400×1200×4850 合肥锻压机床厂四柱万能液压机 YX32-315 315 800 1250 1260×1160 250 10 22 22 1 15 3100×2120×4295 徐州锻压设备制造厂四柱液压机 YD32-315 315 800 1250 1120×1120 255 12 300 22 1 14.5 宜昌市机床工业公司 YJ-011 315 800 1250 1600×1200 255 12 22 22 1 18 YD32-315 315 800 1250 1260×1160 250 10 22 22 1 15 2745×2160×4295 汉阳锻压设备厂 YS32G-315B 315 800 1250 1400×1250 250 10 22 1 29 3100×1800×4455 四柱式双动薄板拉伸液压机Y28-250/315 315 900 1100 900×920 320 ≥80 450 22 24.2 2 29 3170×2150×4350 山东海阳锻压机床厂四柱式万能液压机 YA32-500 500 900 1300 2000×1500 200 ≥80 450 22 44 2 23 2500×2000×6000 四柱液压机 YB32-500 500 900 1400×1400 10 44 34 3400×3600×5220 山东淄博锻压机床厂 YB32-500 四柱万能液压机YC32-500 500 900 1500 1200×1238 280 5.8 30 1 21.5 5111×2450×3400 重庆锻压机床厂四柱液压机 YG32-500 500 900 1500 1400×1400 250 10 300 44 44 2 35 4060×3525×4995 成都液压机厂 Y32-500 500 900 1500 1400×1400 ≥150 60 37 4070×1648×5760 合肥锻压机床厂 YH32-500 500 900 1500 1400×1400 200 45 30 4390×1700×5348 HD-022 500 900 1500 2000×1500 >150 60 45 4700×1848×5810 四柱万能液压机 YX32-500 500 900 1500 1400×1400 250 10 22 44 2 35 3800×3500×5220 徐州锻压设备制造厂 YX32G-500 500 900 1800 1400×1400 250 >25 4 180 4 ≈37 2100×1400×5220 YX32-500B 500 900 1500 2000×1420 250 10 22 44 2 41 4520×3620×5220 四柱液压机 YD33-500 500 900 1500 1400×1400 250 10 44 44 2 35 4000×2800×5220 汉阳锻压设备厂 YS32G-500B 500 900 1500 2240×1400 250 10 60 60 2 45 4780×3350×5320 YA32-630 630 900 1500 1600×1600 >150 60 37 4390×2150×5880 合肥锻压机床厂 YX32-630 630 1100 2100 3000×2250 250 10 30 60 2 85 5000×2350×6300 徐州锻压设备制造厂 YX32-800 800 1000 1800 2400×1600 250 10 89 55 YB32-100 1000 600 720×580 10 5 3.5 2160×1150×3162 山东淄博锻压机床厂 YH32-1000 1000 1000 1600 2000×1800 >100 75 70 7000×3000×7500 合肥锻压机床厂 YX32-1000 1000 900 1500 1500×1500 260 4-12 37 74 2 50 4410×3210×6000 徐州锻压设备制造厂YS32-1000 1000 1000 1800 2500×1800 250 8-18 30 91.5 3 72.5 4400×3200×6700 YB32-200 2000 710 900×900 12 18.5 10 2825×2060×3725 山东淄博锻压机床厂四柱拉伸液压机 HD-026 5000 900 1820 1400×1400 >150 60 45 4070×1648×7500 合肥锻压机床厂联动液压机 XZD-LD1500 1500 900 1500 6820×900 250 4 30 60 3 120 徐州锻压设备制造厂 XZD-LD3000 3000 900 1500 9900×1400 250 4 30 180 6 210XZD-LD3500 3500 900 1500 11900×1400 250 4 30 210 7 250 XZD-LD1000 1000 900 1500 5200×1420 250 5 30 60 2 80 汽车纵梁专用液压机 HD-019 1250 800 1240 1220×54204 62 56.8 4400×5640×5560 合肥锻压机床厂 HD-030 2000 900 1500 1400×65005 98.2 120 9050×7800×5740 HD-031 3000 900 1500 1400×1000 5 162180 8000×11000×5740 HD-034 5000 700 2000 1600×11500 6 375 450 9000×1300×6530 车门包边液压机 HD-038 315 800 1500 2500×2000 10 26名句赏析!!!!!不限主题不限抒情四季山水天气人物人生生活节日动物植物食物山有木兮木有枝,心悦君兮君不知。
液压铸造机技术特性一、功能描述及主要技术参数1、设备整体性能描述本设备用于铝及铝合金大方锭及圆锭铸造。
该铸造机的铸造重量设计为每次额定铸造量10~75T,铸造速度为20-200mm/min,快升快降速度为10-1000mm/min,而且整台铸造机在工作状态下所有速度均可以实现无级调速。
升降平台的下降及提升装置设计为液压驱动,采用外部导向,导向材料为经过特殊处理的结构钢,导向结构采用四根对称方导柱加耐磨导向滑块的可调式导向键组成,具有自动调节平台平衡的作用,在最大载荷时平台倾斜不超过1mm。
油缸采用活塞式双作用液压缸。
铸造台在所有工作速度时均可上下平稳移动,在设定的铸造速度中没有察觉到的振动、颤抖与爬行之现象。
使用消泡性能优良的液压油,液压缸采用国内名牌产品。
结晶器框架为两侧双液压缸倾翻式冷却水框架,铸造完成后铸造平台可倾翻至85-90度位置,结晶器平台的倾动速度是恒定的,在工作范围内没有震动现象。
铸造平台设有特殊复位装置,复位精度可达到1 mm。
冷却水的温度、流量采用进口的意大利OMAL公司WAFER气控组合阀及上海高科技企业上海一诺的流量计,通过标准信号反馈与主控PLC联接实行全自动控制。
本铸造机所有与水接触钢结构与重要部件均采用喷丸及防腐处理,以保证铸造系统使用15年以上的正常使用寿命。
本液压铸造机采取大小两套柱塞泵双油路驱动工作系统——A系统和B系统,其中A系统为工作系统(铸造系统),B系统为快速升降系统,用于在铸造工作完成以后,将铸锭快速升至起吊工作区,或在铸造初始时将引锭头快速升至结晶器定位区域与结晶器定位。
在A系统出现故障时,B系统(也配置了平衡阀组合系统)可在应急状况下替代A系统完成铸造工作(B 系统具有了备用工作系统的功能),本系统配置液压油温控调节器,液压油独立过滤系统。
所有的阀件均采用德国博士 力士乐、柱塞变量泵采用美国威格士,流量计采用德国威士容积式齿轮流量计。
本设备电气控制系统采用德国西门子公司生产的S7-300模块化可编程控制器及MP370 彩色触摸式高性能可视图形操作液晶界面,其它的电气元件均采用进口或国内外资企业的名牌产品组成。
液压机的说明书目录前言....................................................机器主要用途和工作重要条件..............................机器主要结构形式........................................产品主要功能简介........................................机器主要用途及性能简介..................................安全警示................................................技术参数................................................操作前注意事项..........................................使用规程................................................质量保证................................................涂装....................................................随机文件................................................售后服务................................................前言液压机简介:液压机由主机及控制机构两大部分组成。
液压机主机部分包括机身、主缸、顶出缸及充液装置等。
动力机构由油箱、高压泵、低压控制系统、电动机及各种压力阀和方向阀等组成。
动力机构在电气装置的控制下,通过泵和油缸及各种液压阀实现能量的转换,调节和输送,完成各种工艺动作的循环。
液压机的分类:利用帕斯卡定律制成的利用液体压强传动的机械,种类很多。
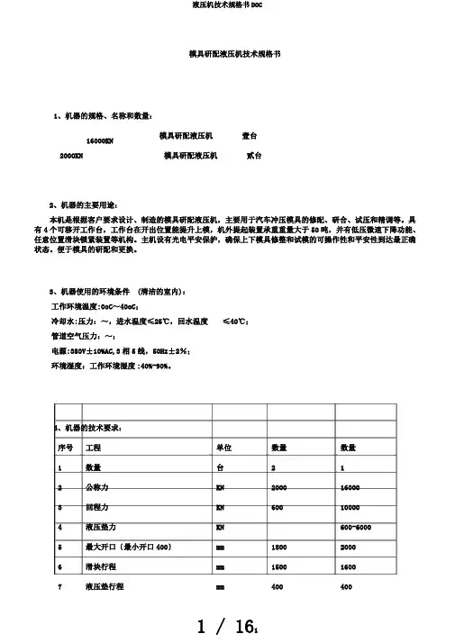
模具研配液压机技术规格书1、机器的规格、名称和数量:模具研配液压机壹台16000KN2000KN模具研配液压机贰台2、机器的主要用途:本机是根据客户要求设计、制造的模具研配液压机,主要用于汽车冲压模具的修配、研合、试压和精调等。
具有4个可移开工作台,工作台在开出位置能提升上模,机外提起装置承重重量大于50吨,并有低压微速下降功能、任意位置滑块锁紧装置等机构。
主机设有光电平安保护,确保上下模具修整和试模的可操作性和平安性到达最正确状态。
便于模具的研配和更换。
3、机器使用的环境条件(清洁的室内):工作环境温度:0oC~40oC;冷却水:压力:~,进水温度≤25℃,回水温度≤40℃;管道空气压力:~;电源:380V±10%AC,3相5线,50Hz±2%;环境湿度:工作环境湿度:40%-90%。
4、机器的技术要求:序号工程单位数量数量1数量台212公称力KN2000160003回程力KN600100004液压垫力KN600-60005最大开口〔最小开口400〕mm180020006滑块行程mm150016007液压垫行程mm4004008工作台有效尺寸,前后×左右mm2500×46002500×4600 9滑块底面有效尺寸,前后×左右mm2500×46002500×4600序号工程单位数量数量1710×3510 10液压垫有效尺寸,前后×左右mm根据实际情况1710×3510尽可能最大11移开工作台移动方式左右移左右移12移开工作台高度mm42042013移开工作台最大承载T505014移开工作台重复定位精度mm±±15工作台移动速度mm/s404016研配压机地面以上高度mm≤≤17上模重量(含垫板附件)T505021滑块快降速度mm/s≥400≥400 22滑块慢降速度mm/s15-3015-30 23微下降速度mm/s≤≤24回程速度mm/s≥350≥350 25慢速回程mm/s≤10≤10 26液压垫上升速度mm/s9027液压垫退回速度mm/s18028微动行程〔一次按压动作〕mm≤≤29滑块重复定位精度mm±±5、技术标准:〔设备标准均符合国家有关机械标准或用户可接受的国际机械标准〕Q/12YJ4319-2003专用液压机精度〔特级〕等同于日本JISB6403-1994液压机特级精度JB3818-1999液压机技术条件JB9967-1999液压机噪声限值JB3915-85液压机平安技术条件机械电气设备通用技术条件液压机产品质量分等标准其余未列标准按照相关国家标准执行设备的结构及功能简述本机床由主机、液压传动系统、润滑系统和电气控制系统组成。
液压挖掘机技术规格书液压挖掘机是一种用于挖掘土方、岩石、煤矿等工程施工设备。
它的使用范围广泛,能够应用在各种地形、地质等不同环境下。
然而,为了保障施工安全性和完美性,购买液压挖掘机前需要了解其技术规格书。
液压挖掘机技术规格书是一份详细的文档,它包含了该设备的设计、制造、性能、工作能力以及技术规范等信息。
以下是一些液压挖掘机技术规格书应包含的内容:1. 稳定性和移动能力:液压挖掘机在工程施工中要求其具有良好的稳定性和移动能力,因此规格书需要列出机器的移动速度、越野能力、坡度等方面的参数,以确保设备在工作过程中不出现倾覆、翻滚等情况。
2. 操作能力:液压挖掘机的操作能力直接关系到其工程施工效率,因此规格书也应包含其最小回转半径、操作范围、抓拾力和挖掘深度等相关参数。
3. 安全设计和控制装置:液压挖掘机是一种大型施工设备,安全性是考虑的主要因素之一。
规格书需要详细说明其安全装置如哪些,其工作机制如何以及如何使用。
4. 硬件和软件:规格书需要明确设备硬件和软件中所包含的相关技术规格和参数,如发动机油耗、制冷装置、机器人决策等方面的参数。
5. 维护和保养:规格书中应该列出设备的保养方法和周期,以及维护方法等方面的内容。
液压挖掘机技术规格书的主要目的是为购买方提供关于其购买设备的一些详细信息。
购买者可根据规格书查看其设备是否满足施工要求,从而判断设备是否适合自己的工作环境和需要。
因此,在购买设备之前,需要注意仔细阅读其技术规格书,确保设备的选择是正确的。
总之,液压挖掘机技术规格书是液压挖掘机的重要文件之一,其详细介绍了该设备的各个参数和技术指标,能够帮助购买者更好地根据自身需求选择适合的设备,从而最大化施工效率和安全性。
液压挖掘机技术规格书1. 引言液压挖掘机是一种广泛应用于土木工程、矿山开采和建筑行业的重型工程机械。
本技术规格书旨在提供液压挖掘机的详细技术规格,包括结构、参数、性能和安全要求等方面的内容。
2. 结构与工作原理液压挖掘机采用液压驱动方式,主要由上车架、下车架、工作装置和电控系统等组成。
上车架包括驾驶室、发动机、液压泵、液压缸等部件;下车架主要由履带、行走马达、行走链轮等组成。
工作装置则包括臂架、斗杆、斗等。
液压挖掘机的工作原理是通过液压泵将液体压力转化为机械能,推动液压缸实现运动。
3. 技术参数液压挖掘机的技术参数直接影响着其工作性能和适用范围。
以下是一些常见的技术参数:3.1 尺寸和重量•机身总长:XYZ mm•机身总宽:XYZ mm•机身总高:XYZ mm•机身总重:XYZ kg•最大挖掘半径:XYZ mm3.2 动力系统•发动机型号:XYZ•发动机额定功率:XYZ kW•最大行走速度:XYZ km/h3.3 液压系统•主泵型号:XYZ•主泵额定压力:XYZ MPa•液压缸数量:XYZ3.4 斗杆参数•斗杆长度:XYZ mm•斗杆挖掘半径:XYZ mm•斗杆最大升高高度:XYZ mm•斗杆最大倾斜角度:XYZ 度4. 主要性能参数液压挖掘机的性能参数直接关系到其工作能力和效率。
4.1 挖掘性能•最大挖掘力:XYZ kN•最大挖掘半径:XYZ mm•最大挖掘深度:XYZ mm4.2 抓取性能•斗容量:XYZ m³•斗开启直径:XYZ mm4.3 行走性能•最大牵引力:XYZ kN•最大爬坡度:XYZ 度4.4 切割力性能•切割力:XYZ kN•标准切割厚度:XYZ mm5. 安全要求液压挖掘机作为一种重型机械设备,其安全性能至关重要。
以下是一些常见的安全要求:•操作员宜穿戴符合相关标准的安全防护设备,包括安全帽、安全鞋等。
•挖掘机应配备相应的安全防护装置,如防滑梯、防滚架等。
•操作员应经过专业培训,并持有相应的操作证书。
液压设备通用技术要求一、液压设备通用技术要求范围本部分提供了用于工业制造过程的机械设备上液压系统的一般规则,以此作为对买方和卖方的一种指导,从而保证系统的安全性、连续稳定性、维修便捷和经济寿命长。
二、液压设计规范与标准1)GB/T 786.1-1993 《液压气动图形符号(ISO 1219-1:1991)》2)GB 4208-1993 《外壳防护等级(1P代码)(eqvIEC 529:1989)》3)GB/T 5226.1-1996 《工业机械电气设备第一部分:通用技术条件(eqvIEC 204-1:1992)》4)GB/T 14039-1993 《液压系统工作介质固体颗粒污染等级代号(eqv ISO4406:1987)》5)GB/T 17446-1998 《流体传动系统及元件术语(idt ISO 5598:1985)》6)GB/T 17489-1998 《液压颗粒污染分析从工作系统管路中提取液样(idtISO 4021:1992)》7)JB/T 5244-1991 《液压阀用电磁铁》8)ISO 1219-2:1995 《流体传动系统和元件图形符号和回路图第2部分:回路图》9)ISO 4400:1994 《流体传动系统和元件带接地点的三脚电插头特性和要求》10)ISO 6149-1:1993《流体传动和一般用途的管接头带ISO 261螺纹及O形密封圈的油口和螺纹端头第1部分:在锪孔沟槽中装有O形密封圈的油口》11)ISO 6162:1994 《液压传动用在2.5 MPa至40MPa(25 bar至400 bar)压力下的四螺钉对开法兰型式Ⅰ米制系列和型式Ⅰ英制系列》12)ISO 6164:1994 《液压传动用在25 MPa至40MPa(250bar至400bar)压力下的四螺钉整体方法兰》13)ISO 6952:1994 《流体传动系统和元件带接地点的两脚电插头特性和要求》14)ISO 7790:1997 《液压传动02、03和05规格的四油口叠加阀和四油口方向控制阀夹紧尺寸》15)ISO 8434-1994 《流体传动和一般用途的金属管接头》16)ISO 10763:1994 《液压传动平管口、无缝的和焊接的精密钢管尺寸和标称工作压力》17)ISO/TR 11688-1:1995 《声学对低噪声机器和装置设计的推荐做法第1部分:方案》18)ISO 12151《液压传动和一般用途的管接头》不仅限于以上标准,液压系统的设计、制作、安装和调试等应符合国家和行业的相关规范和要求。
YL32—100T三梁四柱数控液压机技术参数:1. 公称力:KN 10002. 液体工作力:Mpa 253. 定出力:KN 2004. 滑块有效行程:mm 3605. 工作台有效面积:mm 630×5606. 最大开口高度:mm 6507. 空程快降速度:mm /s 608. 慢降速度:mm/s 159. 压制速度:mm /s 1010. 回程速度:mm /s 6011. 电机功率:Kw 7.512. 机器总量:Kg 约300013. 机器外形尺寸:mm 高2450×左右880×前后56014. 主缸缸径:mm 23015. 活塞杆直径: mm 15016. 立柱直径;mm 8017. 主缸外径:mm 27018. 上梁厚度:mm 24019. 中梁厚度:mm 19020. 下梁厚度:mm 24021. 底座筋板厚度:mm 50YL32—200T三梁四柱液压机技术参数:1. 公称力:KN 20002. 液体工作力:Mpa 253. 滑块有效行程:mm 3504. 工作台有效面积:mm 660×6605. 最大开口高度:mm 6006. 空程快降速度:mm /s 2607. 慢降速度:mm/s 358. 压制速度:mm /s 259. 回程速度:mm /s 14010. 电机功率:Kw 1111. 机器外形尺寸:mm 高2200×左右930×前后66012. 主缸缸径:mm 32013. 活塞杆直径: mm 29014. 立柱直径;mm 10015. 主缸外径:mm 37716. 上梁厚度:mm 26017. 中梁厚度:mm 20018. 下梁厚度:mm 26019. 底座筋板厚度:mm 50二、液压缸工艺:1. 缸底、钢筒、活塞、活塞杆整体锻打,材料:45#钢。
2. 活塞导向套、支撑导向环镶注磷铜代替传统的尼龙材料,大大的提高了导向的稳定性和耐磨性。
液压挖掘机技术规格书液压挖掘机是一种多功能、高效率、高可靠性的工程机械,广泛应用于土方、矿山、公路、铁路、水利工程等领域。
本规格书介绍液压挖掘机的技术规格和性能参数。
二、技术规格1、整机参数型号:XXX总重:XXXXKG发动机功率:XXXXKW铲斗容量:XXXXM铲斗宽度:XXXXMM最大行走速度:XXXXKM/H最大挖掘深度:XXXXMM最大卸载高度:XXXXMM2、液压系统参数主泵型号:XXXX主泵流量:XXXXL/MIN主泵压力:XXXXBAR液控阀型号:XXXX油缸直径:XXXXMM液压油箱容积:XXXXL3、行走系统参数行走马达型号:XXXX行走马达流量:XXXXL/MIN行走马达压力:XXXXBAR行走齿轮型号:XXXX行走轮数:XXXX4、回转系统参数回转马达型号:XXXX回转马达流量:XXXXL/MIN回转马达压力:XXXXBAR回转齿轮型号:XXXX回转轴承型号:XXXX5、驾驶室参数驾驶室内部噪声:XXXX分贝空调制冷量:XXXXW空调制热量:XXXXW座椅材质:XXXX三、性能参数1、工作能力最大挖掘力:XXXXKN最大铲斗收紧力:XXXXKN最大铲斗倾翻力:XXXXKN 2、燃油消耗量标准工况燃油消耗量:XXXXL/H实际工况燃油消耗量:XXXXL/H3、操作性能最大爬坡度数:XX°最大旋转半径:XXXXMM最小离地高度:XXXXMM以上为液压挖掘机技术规格书的基本内容,仅供参考。
具体参数和性能以实际产品为准。
HJS32-315四柱油压机技术协议一、基本参数二、特点和性能1、机械部份:1)机身采用三梁四柱式结构,上梁、工作台通过立柱和紧固螺母、调整螺母结合成一个固定机架,机架精度靠调节螺母调整,具有良好的强度、刚度和精度保持性,上梁、工作台、滑块等大件为钢板焊接件,材料为Q235-B,经计算机优化设计,采用二氧化碳气体保护焊,焊后消除应力,焊缝经打磨,无焊渣和流疤现象,机身外观平整,无明显凹凸现象。
2)滑块采用四柱导向方式,具有良好的导向性能和精度保持性,滑块下方布有T形槽,用于安装模具,立柱为45#钢,导向表面热处理硬度为HRC45-50。
3)上梁为箱形结构件,经计算机优化设计,上梁内装有主工作油缸,上面装有充液油箱。
4)工作台为箱形结构件,经计算机优化设计,工作台面上方布有T形槽。
5)主油缸为一只活塞缸,布置在上横梁孔内,油缸体的材料为45号锻钢。
2、液压系统:1)液压动力机构安装在机身右方,由泵、电机、阀集成块,油箱等组成,动力机构中包括油液过滤,油温油位显示等多种装置,主油泵为恒功率轴向柱塞泵,输出流量可随压力的变化而变化。
2)液压系统采用二通插装阀,具有体积小、结构紧凑、流阻小、流量大、动作灵敏、工作可靠、密封性能好等特点。
主缸下腔有二级支承系统,确保在某一元件突然失灵的情况下滑块不会下落。
主缸和顶出缸压力可在5MPa~25MPa间调节,系统中设有安全阀,以限制液压系统的最高压力。
3)油箱为钢板焊接结构,油箱侧面开有清洗窗口,设有油标。
空气滤清器、阀集成块等在油箱盖板上方有序排列。
4)主要液压管路设有布局合理的抗震管夹,以防止高压管道的震动和泄漏,管道安装前进行酸洗和钝化处理,以保证油液的清洁度。
3、电气系统:1)设有独立的电气控制柜,按钮集中控制。
本机电源为AC380V,50HZ;控制电源为AC220V;先导阀电磁铁电源为DC24V。
2)采用PLC可编程序控制器。
在PLC输出点与电磁阀之间,通过中间继电器连接3)提供湖机液压机运行控制软件V1.0。
200T液压机技术方案关键信息项:1、液压机型号:200T2、技术规格3、性能指标4、控制系统5、安全保护装置6、安装调试要求7、培训与售后服务8、价格与付款方式1、技术规格11 液压机的最大压力为 200 吨。
111 工作台尺寸满足具体尺寸要求。
112 行程范围为具体行程范围。
113 开口高度符合具体开口高度标准。
2、性能指标21 工作速度:快进速度为快进速度数值,工进速度为工进速度数值,回程速度为回程速度数值。
211 精度要求:压力控制精度在±精度数值%以内,位置控制精度在±精度数值mm 以内。
212 稳定性:在连续工作工作时长小时内,设备性能稳定,无明显故障。
3、控制系统31 采用先进的 PLC 控制系统,具备自动化操作功能。
311 具备手动和自动两种操作模式,可自由切换。
312 控制系统能够实时显示设备的工作状态、压力、行程等参数。
4、安全保护装置41 安装紧急停止按钮,确保在紧急情况下能够迅速停机。
411 配备过载保护装置,当压力超过设定值时自动停机。
412 设有安全光幕,防止操作人员误操作造成伤害。
5、安装调试要求51 卖方负责设备的安装调试工作,确保设备正常运行。
511 安装调试时间为安装调试时长,在规定时间内完成并交付使用。
512 安装调试完成后,进行设备的验收测试,测试结果需符合技术规格和性能指标的要求。
6、培训与售后服务61 卖方为买方提供免费的技术培训,使操作人员能够熟练掌握设备的操作和维护方法。
611 培训时间为培训时长,培训内容包括设备的结构原理、操作方法、维护保养等。
612 设备质保期为质保期时长,在质保期内,卖方免费提供设备的维修和更换零部件服务。
613 质保期后,卖方提供长期的技术支持和维修服务,费用另行协商。
7、价格与付款方式71 设备总价为总价金额元(含税)。
711 付款方式:合同签订后,买方支付预付款预付款比例%;设备安装调试完成并验收合格后,支付验收款比例%;质保期满后,支付质保金比例%。
模具研配液压机技术规格书1、机器的规格、名称和数量:16000KN 模具研配液压机壹台2000KN 模具研配液压机贰台2、机器的主要用途:本机是根据客户要求设计、制造的模具研配液压机,主要用于汽车冲压模具的修配、研合、试压和精调等。
具有4个可移动工作台,工作台在开出位置能提升上模,机外提起装置承重重量大于50吨,并有低压微速下降功能、任意位置滑块锁紧装置等机构。
主机设有光电安全保护,确保上下模具修整和试模的可操作性和安全性达到最佳状态。
便于模具的研配和更换。
3、机器使用的环境条件(清洁的室内):3.1工作环境温度: 0ºC~ 40ºC;3.2冷却水:压力:0.25~0.3MPa,进水温度≤25℃,回水温度≤40℃;3.3管道空气压力:0.4~0.55MPa;3.4电源: 380V±10% AC,3相5线,50Hz±2%;3.5环境湿度:工作环境湿度:40%-90%。
4、机器的技术要求:序号项目单位数量数量1 数量台2 12 公称力KN 2000 160003 回程力KN 600 100004 液压垫力KN 600-60005 最大开口(最小开口400)mm 180020006 滑块行程mm 150016007 液压垫行程mm 400 4008 工作台有效尺寸,前后×左右mm 2500×4600 2500×46009 滑块底面有效尺寸,前后×左右mm 2500×4600 2500×4600序号项目单位数量数量10 液压垫有效尺寸,前后×左右mm 1710×3510根据实际情况尽可能最大1710×351011 移动工作台移动方式左右移左右移12 移动工作台高度mm 420 42013 移动工作台最大承载T 50 5014 移动工作台重复定位精度mm ±0.05 ±0.0515 工作台移动速度mm/s 40 4016 研配压机地面以上高度mm ≤≤17 上模重量(含垫板附件) T 50 5021 滑块快降速度mm/s ≥400 ≥40022 滑块慢降速度mm/s 15-3015-3023 微下降速度mm/s ≤0.5--2 ≤0.5--224 回程速度mm/s ≥350 ≥35025 慢速回程mm/s ≤10 ≤1026 液压垫上升速度mm/s 9027 液压垫退回速度mm/s 18028 微动行程(一次按压动作)mm ≤0.05 ≤0.0529 滑块重复定位精度mm ±0.05 ±0.055、技术标准:(设备标准均符合国家有关机械标准或用户可接受的国际机械标准)Q/12YJ4319-2003 专用液压机精度(特级)等同于日本JISB6403-1994 液压机特级精度JB3818-1999 液压机技术条件JB9967-1999 液压机噪声限值JB3915-85 液压机安全技术条件GB5226.1-2002 机械电气设备通用技术条件JB/GQ.F2013-86 液压机产品质量分等标准其余未列标准按照相关国家标准执行6. 设备的结构及功能简述6.1 本机床由主机、液压传动系统、润滑系统和电气控制系统组成。
6.2 本机的控制系统设有调整(寸动)、微动调模、半自动三种工作方式。
工作方式由转换开关进行选择,按钮集中控制及触摸屏控制。
机床的液压垫工艺操作形式为:带顶出、不带顶出和拉伸,当作为顶出工艺时,具有顶出延时功能,延时时间可以预置和调整。
并可实现定程、定压两种成形工艺(2000KN模具研配液压机不带液压垫)。
6.3 本机的液压主控制系统采用插装式集成阀,插装阀。
该系统结构紧凑,动作灵敏可靠,抗污染能力强,液流阻力小,维修方便,寿命长。
6.4 主泵采用引进德国力士乐公司生产的A7V系列比例变量泵,额定压力为31.5MPa,提高了动作的可靠性及使用寿命,同时减少了液压冲击。
6.5 本机的电气控制系统采用进口PLC可编程序控制器控制,配合进口10.4寸彩色触摸屏,可实现机床各种工艺动作循环。
该系统使控制更为灵活,动作准确可靠。
可在屏幕上方便的对滑块、微调机构等参数进行预置。
显示滑块、微调机构的各项参数数值。
可显示压力机工作信息及故障信息。
存储模具参数并编号不少于50套,按已存编号模具参数实现换模调整。
6.6 主缸采用两个活塞油缸,油缸密封采用进口奥地利爱科诺莫斯(ECONOMOS)密封圈,大大延长了密封件的使用寿命,并避免了缸口的漏油。
使维修和更换密封更加方便。
6.7液压垫油缸采用三缸结构形式,一字布置,中间加一活塞油缸便于快速回程、顶出,两边油缸采用柱塞缸结构。
液压垫独立驱动,液压垫顶出起始点可由滑块行程控制,液压垫具有快速顶出功能。
并安装绝对值式直线位移传感器,可方便地实现液压垫行程转换位置的数字设定,和压边力的电液比例控制,延时保压,操作简便实用。
液压垫导向采用八平面导向。
6.8 为便于更换模具,本机带有移动工作台。
移动工作台上的顶杆孔和T型槽的位置和尺寸由甲方提供。
移动工作台上平面划矩型十字中心线,深20mm,宽28mm。
移动工作台采用电机、减速机加链轮链条传动,采用变频控制。
并使用定位装置定位,以使其复位精度达到±0.02mm。
移动工作台的起落由一组(四个)顶起缸完成(顶起高度保证移动工作台运行平稳无干涉),移动工作台夹紧由夹紧缸完成,并保证夹紧力满足生产使用的要求。
配有移动工作台和下横梁贴合检测装置(对角布置2个),当移动台下平面和下横梁上平面之间的间隙大于0.3mm时,主机不许工作,并通过触摸屏报警显示。
6.9 主机设有一个可移动操作台(副操纵台),前、后立柱上各设有二个电源插座。
一个是(一插一方AC220V/2A)插座,另一个是(一插一方AC24V/5A)插座。
6.10 本机主动力系统油箱放在主机的顶部,电气控制柜和主电气操纵箱放在机器右前方。
可以使机器减少占地面积。
6.11 本机设有上死点锁紧装置和任意位置锁紧装置、光电安全保护装置(机身前后各一套,保护高度600mm)和安全维修平台、移动式安全栓、任意位置滑块锁紧装置等机构。
顶部装有标高指示灯(红色),副操纵台设有双手操作按钮、液压系统设有过载保护装置和液压支撑保险回路,(支撑主油缸下腔的插装阀配置带阀芯关闭位置电检测功能,每个工作行程开始前检测支承阀是否关闭,确保系统安全)可以有效地保护机器和操作者的安全。
符合液压机安全技术条件的要求。
6.12 机顶设有安全防护栏,侧面设有安全爬梯,登高保护开关与主系统连锁;上横梁周边设有挡油圈,油箱设有放油装置。
6.13本机的液压系统油箱设有油位指示、液压油过滤、循环和油温冷却装置(采用水冷却)。
保证机床正常工作油温在15--60℃之间。
6.14 本机设有滤油器堵塞、油位指示、油温及润滑等多种故障指示灯和故障报警功能。
6.15 本机设有预警电路,每次半自动循环动作开始和移动工作台移动时,运行开始时,都有铃声或蜂鸣器通知操作者,以提起注意。
6.16为确保机床正常工作,滑块导轨的润滑采用南京贝奇尔公司生产的不回收式稀油强制自动程控循环润滑系统,润滑油流回集油盒作为废油返回润滑油箱,定期人工清理,各润滑点油量可根据需要进行人工调节。
6.17 本机的液压系统中,在关键部位都有压力检测点。
通过压力检测点可以快速的诊断液压机出现的故障和监测液压机的工作状态。
并配有活动的压力检测表。
6.18 本机滑块和液压垫的压力控制采用比例压力控制系统,并可实现数字显示和数字设置。
比例溢流阀采用德国力士乐公司产品,压力测量元件采用先行测控公司的压力传感器。
这套比例压力控制系统可以使滑块压力从公称力的20%~100%内无级调节,且显示精度达到0.1MPa,保压时间可以预置。
滑块的装模高度可以预设,且为数字显示。
6.19 本机的滑块和液压垫的行程位移可以实现数字显示、数字控制。
位移传感器采用美国MTS位移传感器,测量和显示精度达到0.01mm。
并设有上、下极限限位装置。
6.20 本机采用电气操纵箱集中按钮控制和触摸屏控制,主操纵箱放置在主机前右侧支柱上。
操纵面板下方装有选择开关及按钮,各种故障报警指示灯和控制仪表均放在上方。
6.21 气路:主要气路具有压力检测、显示功能。
7、机器主要构成及性能简介本机器主要由主机和控制机构两部分组成,主机包括机身、机架平台、移动工作台、主缸、液压垫、微调装置、安全装置等。
控制机构包括动力机构、管路、操纵机构、限程装置、电气控制箱、电气操纵台等部分组成。
7.1.主机主机机身为拉杆预紧组合框架结构,主要由:上横梁、滑块、下横梁、液压垫、左右侧支柱、拉杆、移动工作台、低压微速下降装置、机械式微调装置、任意位置滑块锁紧装置、主油缸、液压垫油缸、移动工作台顶起缸、移动工作台夹紧缸、上死点锁紧装置、检修平台等组成。
7.1.1 机身采用分体组合框架结构,确保刚性,四根拉杆采用液压预紧;上梁、滑块、下梁、支柱、移动工作台及液压垫均为焊接件,采用优质Q235-A钢板,CO2气体保护焊工艺焊成,焊后进行高温退火消除内应力。
其中下横梁(底座)、立柱、上梁通过拉杆预紧构成组合龙门框架;中间两条立柱的外侧布置了4条整体可调斜楔式直角八面导轨作为滑块的导向。
导轨面积大间隙小,抗偏载能力强,精度保持性好。
(机身立柱上的导向板经渗氮处理,硬度在HRC48以上)主机设有移动工作台导轨(内外导轨为可更换式),主机侧前面布置有电气操纵台及电气控制箱。
主工作油缸,均布在上横梁内;液压垫缸,均布在下梁内;整机的设计全部采用计算机优化设计,机床的强度高、刚度好,外形美观,主要结构件采用钢板焊接结构,焊后经高温回火、随炉冷却以彻底消除焊接应力;焊缝经打磨无焊渣和流疤现象;再经抛丸处理;(主要结构件经超声波探伤检测)主要结构件经我厂90年代引进,97年安装完成的德国科堡五面体龙门加工中心、意大利帕马落地铣镗床、日本池贝公司油缸加工机床等国际先进设备进行精加工,保证了整体机身外观平整美观、精度高、刚性好。
(后附关键加工设备目录及其性能参数)7.1.2上横梁上横梁采用钢板焊接式结构,采用高温退火以消除焊接内应力,并经抛丸处理,以高精度进口机床进行机加工。
上横梁内装有主油缸,其上装有安全维修平台、液压传动装置及油箱,上横梁与左右支柱用拉杆联接并采用可靠的定位,以确保整机的精度。
7.1.3滑块滑块置于机身中间,为钢板焊接结构,采用高温退火以消除焊接内应力,并经抛丸处理,以高精度进口机床进行机加工。
其上平面与主油缸联接,四角装有斜楔式四角八面可调式导轨(并带有伸缩防护罩),间隙可调,精度保持性好,抗偏载能力强。
滑块在调整方式上升时可实现先慢上后快上升,快慢行程可调。