施工现场质量保证条件评分表
- 格式:docx
- 大小:53.71 KB
- 文档页数:17
质量安全生产管理考核评分汇总表2、优秀及较差项目填写评分表中“备注”中的项目,或填表人认为较为优秀或较差的其他项目.-1-表1 施工现场安全生产管理考核评分标准企业名称:-2--3--4-表2施工现场工程质量检查评分标准工程名称::-5--6-注:一票否决后,得分为零安全生产检查评分工作的说明一、标准化工地质量、安全生产检查评分工作由建筑工程质量监督站组织实施。
考评情况由监督员及现场管理人员报质监站备案.考核依据《建筑施工安全检查标准》部分保证项目的主要内容(表1、表2),对房屋建筑工程和市政工程进行现场检查。
施工单位对考核评定得分有异议的,可在7个工作日内向城乡建设局申诉,由其决定是否重新现场评分。
二、安全机构根据工程进度进行现场评价检查:(一)房屋建筑工程,现场检查评分应在工程基础阶段(正负零以下的施工完成60%以上工程量)、主体阶段(正负零以上的施工完成60%以上工程量)、装修阶段(室内外抹灰的施工完成60%以上工程量)进行多次现场检查,每次现场检查应由2名及以上人员参加,间隔日期应在30日及其以上.施工工期不能满足间隔日期要求的,每次现场检查的间隔日期可由实施现场检查工作的安全机构的主要负责人决定。
(二)市政工程自工程开工之日起至竣工结束,现场检查不得少于三次,参加人员人数及间隔日期按照上款规定执行。
(三)安全机构每次进行现场检查,应当场计算检查得分,并将得分填写在《标准化工地安全生产检查评分表》(附表3)上,施工现场项目负责人签字。
施工现场项目负责人无正当理由,不履行签字义务的,安全机构可以评定该工程本次现场检查得分为零,并在15日内将有关情况书面报告市(行署)或农垦、森工总局安全机构备案.(四)安全机构进行的现场检查,可事先通知,也可随机进行,检查过程中对于3分及其以上的扣分点,应照相或录像(因施工现场未设置而扣分的除外)。
(五)现场初次检查分数在85分以下的,经施工单位书面申请,安全机构允许在规定的期限内整改后重新进行一次现场检查,并作为此次现场评价的最终分数。
(监理单位):(建设单位):(质监机构):(工程名称)(工程部位)已于年月日验收合格(详见验收记录),该阶段应进行的分户验收已于年月日验收合格并经监督机构抽查合格(详见分户验收及监督抽查表),质量常见问题专项治理工作也已于年月日通过监理单位评价(详见附件《住宅工程质量常见问题专项治理评价报告》)。
现已组织完成现场施工质量的自我评价,自评分(详见附表),已具备质量标准化达标验收条件。
特申请对(工程部位)进行质量标准化达标复核验收。
施工项目经理(签章):日期:复核意见(评价报告见附件)监理单位总监理工程师(签章)日期复核意见(评价报告见附件)建设单位总监理工程师(签章)日期推荐意见:质监机构质量监督工程师(签名)日期:邵阳市城规建设监理有限公司(监理单位):邵阳市国土资源局(建设单位):邵阳市建设工程质量监督站(质监机构):邵阳市广播电视大学新校区建设工程的地基与基础(工程部位)已于 2014 年 03 月 28 日验收合格(详见验收记录)。
现已组织完成现场施工质量的自我评价,自评 95.05 分(详见附表),已具备质量标准化达标验收。
特申请工程地基与基础(工程部位)质量标准化达标复核验收。
施工项目经理(签章):日期:复核意见(评价报告见附件)监理单位总监理工程师(签章)日期:复核意见(评价报告见附件)建设单位总监理工程师(签章)日期:推荐意见:质监机构质量监督工程师(签名):日期:附表2-1 验收单元权重值表施工阶段权重分值地基与桩基20结构工程50屋面装饰安装30注:屋面装饰安装阶段屋面、装饰和安装权重分配分别为30、40、30附表2-2 评价项目权重值表序号评价项目地基与桩基结构工程屋面装饰安装1 施工现场质量保证条件10 10 102 性能检测40 40 303 质量记录35 20 154 尺寸偏差及限值实测10 20 255 观感质量 5 10 20说明:(1)用各检查评分表检查评分后,将所得分值换算为本表分值,再按规定变为表2-1的权重值。
评分方法一、各分项评分满分分值未100分,各表评分的实得分应为相应评分表中各评分项目实得分之和。
二、评分表中的各评分项目的实得分不应采用负值,扣减分数总和不得超过该评分项目应得分分值。
三、各分项评分表中如有实得分为零的评分项目,该分项评分表实得分为零。
四、评分项目有缺项的,其评分的实得分应按下式换算遇有缺项的项目可评项目的实得分之和=x100 评分的实得分可评项目的应得分值之和五、单项评分实得分应为其7个分项实得分的加权平均值。
本办法中附表1—1至附表1—6相应分项的权数分别为0。
1、0。
16、0.16、0.16、0。
16、0。
16、0。
1.六、安全生产业绩评分实得分应为各项分项目实得分之和。
七、当评分项目涉及到重复奖励或处罚时,其加、扣分数应以该评分项可加、扣分数的最高分计算,不得重复加分或扣分。
建筑施工现场安全质量标准化考核评分表评分方法一、安全检查评分汇总表满分为100分,当所检查项目有缺项时,按缺项计算其得分分值。
计算公式:各项检查得分之和÷各检查项应得分之和×100%=实得分值(即百分率)二、汇总表所得分值乘以60%记入考核评分表中序号1内.三、《建设工程安全质量标准化达标施工现场考核评分表》满分为100分。
70分(含)以上为合格;80分(含)以上为优良.建筑施工现场安全质量标准化考核评分汇总表注:该表最后实际得分乘以60%计入考核评分表中序号1内安表1文明施工检查评分表安表落地式外脚手架查评分表安表3悬挑式脚手架检查评分表安表4吊篮脚手架检查评分表安表5附着式升降脚手架(整体提升架或爬架)检查评分表安表6基坑支护安全检查评分表安表7模板工程安全检查评分表安表8“三宝”、“四口”防护检查评分表安表9施工用电检查评分表安物料提升机(龙门架、井字架)检查评分表安表11外用电梯(人货两用电梯)检查评分表安表12塔吊检查评分表安表13起重吊装安全检查评分表安表14施工机具检查评分表安表15。
表4.2.3施工现场质量保证条件评分表表5.1.3地基及桩基工程性能检测评分表表5.2.3地基及桩基工程质量记录评分表表5.3.3地基及桩基工程尺寸偏差及限值实测评分表表5.4.3地基及桩基工程观感质量评分表表6.1.3结构工程性能检测评分表表6.2.3结构工程质量记录评分表……………………………………………………………精品资料推荐…………………………………………………续表6.2.3结构工程质量记录评分表6.3.3 结构工程尺寸偏差及限值实测评分表表6.4.3结构工程观感质量评分表表7.1.3屋面工程性能检测评分表表7.2.3屋面工程质量记录评分表表7.3.3屋面工程尺寸偏差及限值实测评分表表7.4.3屋面工程观感质量评分表表8.1.3装饰装修工程性能检测评分表表8.2.3 装饰装修工程质量记录评分表表8.3.3装饰装修工程尺寸偏差及限值实测评分表表8.4.3装饰装修工程观感质量评分表安装工程实际工作量分配表表9.1.3 建筑给水排水及采暖工程性能检测评分表表9.1.6建筑给排水及采暖工程质量记录评分表表9.1.9建筑给水排水及采暖工程尺寸偏差及限值实测评分表表9.1.12 建筑给水排水及采暖工程观感质量评分表表9.2.3建筑电气安装工程性能检测评分表表9.2.6 建筑电气安装工程质量记录评分表表9.2.9建筑电气安装工程尺寸偏差及限值实测评分表表9.2.12 建筑电气安装工程观感质量评分表表9.3.3通风与空调工程性能检测评分表表9.3.6通风与空调工程质量记录评分表表9.3.9通风与空调工程尺寸偏差及限值实测评分表表9.3.12通风与空调工程观感质量评分表表9.4.3电梯安装工程性能检测评分表表9.4.6电梯安装工程质量记录评分表表9.4.9电梯安装工程尺寸偏差及限值实测评分表表9.4.12电梯安装工程观感质量评分表表9.5.3智能建筑工程性能检测评分表表9.5.6智能建筑工程质量记录评分表表9.5.9智能建筑工程尺寸偏差及限值实测评分表表9.5.12智能建筑工程观感质量评分表表10.1.5工程结构质量综合评价表表10.2.5单位工程质量综合评价表表10.3.1单位工程质量各项目评价得分汇总表工程施工现场质量管理及质量责任制度审查表表3-1工程主要工序明细表表3-2地基及桩基工程性能检测评分表表4-17。
工程名称施工阶段检查日期年月日施工单位评价单位序号检查项目应得分判定结果实得分备注100%85%70%1地基地基强度、压实系数、注浆体强度50地基承载力502复合地基桩体强度、桩体干密度(50)复合地基承载力(50)3桩基单桩竖向抗压承载力(50)桩身完整性(50)检查结果权重值35分。
应得分合计:实得分合计:地基及桩基工程性能检测评分=实得分应得分×35=评价人员:年月日工程名称施工阶段检查日期年月日施工单位评价单位序号检查项目应得分判定结果实得分备注10085%70%l混凝土实体混凝土强度50结构实体钢筋保护层厚度502钢结构焊缝内部质量(60)高强度螺栓连接副紧固质量60钢结构涂装防腐20防火203砌体砌体垂直度每层50全高≤lOm50>10m(50)4地下防水层渗漏水(100)检查结果权重值30分。
应得分合计:实得分合计:结构工程性能检测评分=实得分应得分×30=评价人员:年月日注:1当一个工程项目中同时有混凝土结构、钢结构、砌体结构,或只有其中两种时,其权重值按各自在项目中占的工程量比例进行分配,但各项应为整数。
当砌体结构仅为填充墙时,只能占10%的权重值。
其施工现场质量保证条件、质量记录、尺寸偏差及限值实测和观感质量的权重值分配与性能检测比例相同。
2当有地下防水层时,其权重值占结构权重值的5%,其他项目同样按5%来计算。
工程名称施工阶段检查日期年月日施工单位评价单位序号检查项目应得分判定结果实得分备注100%85%70%2钢结构材料合格证及进场验收记录钢材、焊材、紧固连接件原材料出厂合格证(出厂检验报告)及进场验收记录及钢材、焊接材料复试报告10加工件出厂合格证(出厂检验报告)及进场验收记录10防火、防腐涂装材料出厂合格证(出厂检验报告)及进场验收记录10施工记录焊接施工记录5构件吊装记录5预拼装检查记录5高强度螺栓连接副施工扭矩检验记录5焊缝外观及焊缝尺寸检查记录5柱脚及网架支座检查记录5隐蔽工程验收记录5检验批、分项、分部(子分部)工程质量验收记录5施工试验螺栓最小荷载试验报告5高强螺栓预拉力复验报告5高强度大六角头螺栓连接副扭矩系数复试报告5高强度螺栓连接摩擦面抗滑移系数检验报告5网架节点承载力试验报告10工程名称施工阶段检查日期年月日施工单位评价单位序号检查项目应得分判定结果实得分备注100%85%70%3砌体结构材料合格证及进场验收记录水泥、砌块、外加剂合格证(出厂检验报告)、进场验收记录及水泥、砌块复试报告30施工记录砌筑砂浆使用施工记录10隐蔽工程验收记录15检验批、分项、分部(子分部)工程质量验收记录15施工试验砂浆配合比试验报告10砂浆试件强度评定及砂浆试件强度试验报告10水平灰缝砂浆饱满度检测记录104地下防水层材料合格证及进场验收记录防水材料合格证、进场验收记录及复试报告(30)施工记录防水层施工及质量验收记录(40)施工试验防水材料配合比试验报告(30)检查结果权重值25分。
表4.2.3施工现场质量保证条件评分表表5.1.3地基及桩基工程性能检测评分表表5.2.3地基及桩基工程质量记录评分表表5.3.3地基及桩基工程尺寸偏差及限值实测评分表表5.4.3地基及桩基工程观感质量评分表表6.1.3结构工程性能检测评分表表6.2.3结构工程质量记录评分表建筑工程施工质量评价标准(表格)续表6.2.3结构工程质量记录评分表6.3.3 结构工程尺寸偏差及限值实测评分表表6.4.3结构工程观感质量评分表表7.1.3屋面工程性能检测评分表表7.2.3屋面工程质量记录评分表表7.3.3屋面工程尺寸偏差及限值实测评分表表7.4.3屋面工程观感质量评分表表8.1.3装饰装修工程性能检测评分表表8.2.3 装饰装修工程质量记录评分表表8.3.3装饰装修工程尺寸偏差及限值实测评分表表8.4.3装饰装修工程观感质量评分表安装工程实际工作量分配表表9.1.3 建筑给水排水及采暖工程性能检测评分表表9.1.6建筑给排水及采暖工程质量记录评分表表9.1.9建筑给水排水及采暖工程尺寸偏差及限值实测评分表表9.1.12 建筑给水排水及采暖工程观感质量评分表表9.2.3建筑电气安装工程性能检测评分表表9.2.6 建筑电气安装工程质量记录评分表表9.2.9建筑电气安装工程尺寸偏差及限值实测评分表表9.2.12 建筑电气安装工程观感质量评分表表9.3.3通风与空调工程性能检测评分表表9.3.6通风与空调工程质量记录评分表表9.3.9通风与空调工程尺寸偏差及限值实测评分表表9.3.12通风与空调工程观感质量评分表表9.4.3电梯安装工程性能检测评分表表9.4.6电梯安装工程质量记录评分表表9.4.9电梯安装工程尺寸偏差及限值实测评分表表9.4.12电梯安装工程观感质量评分表表9.5.3智能建筑工程性能检测评分表表9.5.6智能建筑工程质量记录评分表表9.5.9智能建筑工程尺寸偏差及限值实测评分表表9.5.12智能建筑工程观感质量评分表表10.1.5工程结构质量综合评价表表10.2.5单位工程质量综合评价表表10.3.1单位工程质量各项目评价得分汇总表工程施工现场质量管理及质量责任制度审查表表3-1工程主要工序明细表表3-2地基及桩基工程性能检测评分表表4-17。
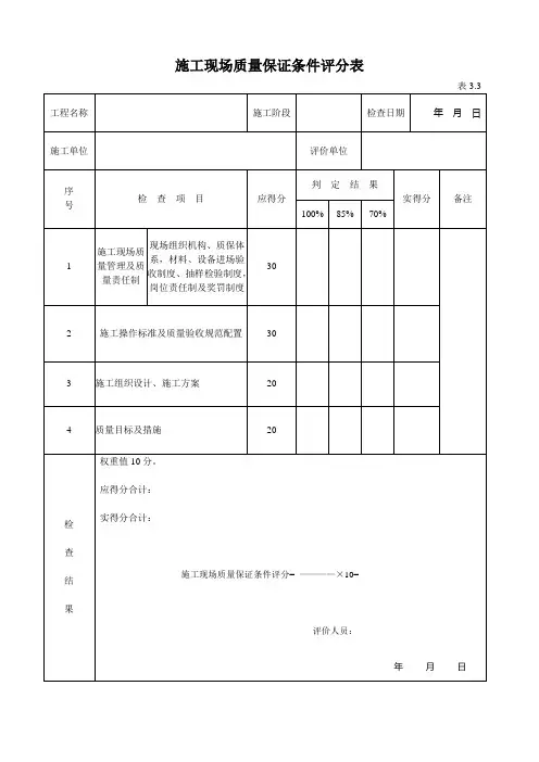
施工现场质量保证条件评分表
填表说明
施工现场质量保证条件检查评价方法
一、施工现场质量保证条件应符合下列检查标准:
1、质量管理及责任制度健全,能落实的为一档,实得分取100%的标准分值;质量管理及责任制度健全,能基本落实的为二档,实得分取85%的标准分值;有主要质量管理及责任制度,能基本落实的为三档,实得分取70%的标准分值。
2、施工操作标准及质量验收规范配置。
工程所需的工程质量验收规范齐全、主要工序有施工工艺标准(企业标准、操作规程)的为一档,实得分取100%的标准分值;工程所需的工程质量验收规范齐全、1/2及其以上主要工序有施工工艺标准(企业标准、操作规程)的为二档,实得分取85%的标准分值;主要项目有相应的工程质量验收规范、主要工序施工工艺标准(企业标准、操作规程)达到1/4不足1/2为三档,实得分取70%的标准分值。
3、施工组织设计、施工方案编制审批手续齐全、可操作性好、针对性强,并认真落实的为一档,实得分取100%的标准分值;施工组织设计、施工方案、编制审批手续齐全,可操作性、针对性较好,并基本落实的为二档,实得分取85%的标准分值;施工组织设计、施工方案经过审批,落实一般的为三档,实得分取70%的标准分值。
4、质量目标及措施明确、切合实际、措施有效性好,实施好的为一档,实得分取100%的标准分值;实施较好的为二档,实得分取85%的标准分值;实施一般的为三档,实得分取70%的标准分值。
二、施工现场质量保证条件检查方法应符合下列规定:
检查有关制度、措施资料,抽查其实施情况,综合进行判定。
三、施工现场质量保证条件评分应符合表4.2.3的规定。
兰州市实验幼儿园新区分园工程
施工质量评价评分表
二0一三年五月二十日
建筑工程施工质量评价评分汇总表.
工程名称兰州市实验幼儿园新区分园施工阶段主体结构检查日期2013年5月20日结构类型框架结构建筑面积6217㎡王晓评价施工单李恒甘肃第六建设集团股份有限公评价单项目经甘肃方圆工程监理有限责任公
项目名称及分
地基及桩结构工程结构工程尺结构工程地基及桩地基及桩结构工程施工现场地基及桩感质量评工程尺寸检查项工程观感偏差及限值量保证条能检测评工程性能工程质量量记录评差及限值评分测评分测评分量评分录评分测评分权重10152530153520535
18.3
23.86
29.7
8.95
4.25
12.75
34.48
35
14.13
评价结果
根据《建筑工程施工质量评价标准GB/T 50375-200,达到优良标准评价单位(章评价人
施工现场质量保证条件评分表
2
地基及桩基工程性能检测评分表
地基及桩基工程质量记录评分表
地基及桩基工程尺寸偏差及限值实测评分表
地基及桩基工程观感质量评分表
结构工程性能检测评分表
2
注:1、当一个工程项目中同时有混凝土结构、钢结构、砌体结构,或只有其中两种时,其权重值按各自在项目中的工程量比例进行分配,但各项应为整数。
当砌体结构仅为填充墙时,只能占10%的权重值。
其施工现场质量保证条件、质量记录、尺寸偏差及限制实测和观感质量的权重值分配与性能检测比例相同。
来计算。
5%,其他项目同样按5%、当有地下防水层时,其权重值占结构权重值的2.
结构工程质量记录评分表
结构工程尺寸偏差及限值实测评分表
结构工程观感质量评分表。
《建筑工程施工质量评论标准》GB/T50375-2006 在创优工程上的实质应用工程项目质量目标管理是创优工程施工现场管理的中心,现场管理的建设、施工和监理单位的三方机构应依据预约目标的要求,细化每个子目标达到预期的举措,动向地对项目施工质量进行管理,力求对每道工序质量管理都能有效提高实质的操作质量。
我们倡导“专心做事,精心计划,科学求证,兼顾安排,严格管理。
”,减少项目决议层对目标求高的心理激动,科学、合理地均衡项目投资、工期和质量三大目标的关系,合理协调参建各方的经济利益,真实形成工程质量优良优价的气氛,使工程质量整体水平有一个质的飞腾。
《建筑工程施工质量评论标准》GB/T50375-2006 于 2006 年 11 月 1 日实行后,在建筑行业中未惹起较大的反应,它虽是一个介绍性的评论标准,但它第一次较科学和完好地论述了建筑工程施工质量评论的方法和内容,规范了创优活动,使工程建设各方都能依照标准界定责任,评判质量的好坏,有序展开对建筑工程施工质量的连续改良工作。
本文侧重议论在没有有资质的评论机构对工程的施工质量进行系统的质量评论的状况下,施工现场建设、施工和监理单位三方管理机构怎样应用《建筑工程施工质量评论标准》实行对工程施工质量的评论,并对评论结果的公正性和正确性肩负个人责任,使创优活动真实能够推动建设、施工和监理单位的质量管理更趋科学、有效。
一、公司应认识到工程创优的紧急性,以及长久发展的社会责任我们谈到的建筑产品优良优价已经是建筑行业喊了几十年的口号的事了,但市场主体追赶收益最大化的意志是亘古不变的。
在中央电视台访谈节目上万科公司老总王石说过一句话“房地产市场不停刷新地价王、房价王,预示着这一行业过热,期望买房人最好过个 3-4 年再买,那时的房子质量会有一个质的提高” 。
透过这句话反应出建设行业潜伏的危机,红火的房地产市场因为人们居住的刚性需要更加旺盛,催生了这一行业中的公司大发展,而公司的管理能力没有同步发展,建筑产品的质量重复在较低水平上的生产,与人们希望的建筑产品的质量相去甚远,这将会截止购房者的心理需求,同时也会产生很多的房子质量纠葛,带来社会不睦睦的隐患。
四川省结构优质工程评审标准第一章总则一、为贯彻落实《中华人民共和国建筑法》、《建设工程质量管理条例》,引导和激励施工企业提高建设工程质量,向社会提供质量可靠、群众满意的结构优质工程,结合本省实际,制定本标准。
二、本标准适用于四川省行政区域内新建建设工程结构工程的评审。
三、申报参评省结构优质工程,坚持企业自愿原则,经市、州建设行政主管部门或建设工程质量监督机构推荐。
四、结构优质工程为四川省建设工程结构质量最高荣誉奖。
五、评审标准总分为100分(各检查项目分值见下表),经专家对工程复查,总得分85以上可推荐至省结构优质工程评审委员会评审。
结构优质工程评价项目权重值分配表第二章结构工程质量评价一、施工现场质量保证条件评价(一)施工现场质量保证条件检查评价项目1、施工现场应具备基本的质量管理及质量责任制度:(1)现场项目部组织机构健全,建立质量保证体系并有效运行;(2)材料、构件、设备的进场验收制度和抽样检验制度;(3)岗位责任制度及奖惩制度。
2、施工现场应配制基本的施工操作标准及质量验收规范:(1)建设工程施工质量验收规范的配制;(2)施工工艺标准(企业标准、操作规程)的配置。
3、施工前应制定较完善的施工组织设计、施工方案。
4、施工前应制定质量目标及措施。
(二)施工现场质量保证条件检查评价方法1、质量管理及责任制度健全,能很好落实的为一档,取100%的标准分值;质量管理及责任制度健全,能落实的为二档,取85%的标准分值;有主要质量管理及责任制度,能基本落实的为三档,取70%的标准分值。
2、施工操作标准及质量验收规范配置。
工程所需的工程质量验收规范齐全、有施工工艺标准(企业标准、操作规程)的为一档,取100%的标准分值;工程所需的工程质量验收规范齐全、一半及其以上主要工序有施工工艺标准(企业标准、操作规程)的为二档,取85%的标准分值;主要项目有相应的工程质量验收规范为三档,取70%的标准分值。
3、施工组织设计、施工方案编制审批手续齐全、可操作性好、针对性强,并认真落实的为一档,取100%的标准分值;施工组织设计、施工方案编制审批手续齐全,可操作性、针对性较好,并落实的为二档,取85%的标准分值;施工组织设计、施工方案编制审批手续齐全,并基本落实的为三档,取70%的标准分值。