高压电工特种作业试题.
- 格式:doc
- 大小:262.01 KB
- 文档页数:68
(新版)高压电工作业(特种作业)考试题库(完整版)单选题1.当消弧线圈的电感电流大于接地电容电流时,接地处具有多余的电感性电流,这种补偿方式称为()。
A、过补偿B、欠补偿C、全补偿答案:A解析:过补偿是电力系统中由于大部分用电负荷都是感性的,未补偿前功率因数为滞后,如果为补偿无功电流而投入的电容器过多,则会使功率因数变为超前,这就是过补偿。
2.在正弦交流电路中,电压、电流、电动势都是随时间()。
A、非周期性变化的B、按正弦规律变化的C、恒定不变的答案:B解析:在正弦交流电路中,电压、电流、电动势都是随时间按正弦规律变化的。
3.两个电阻值为R的等值电阻并联,其等效电阻(即总电阻)等于()Ω。
A、1.5RB、RC、0.5R答案:C解析:两个电阻值为R的等值电阻并联,其等效电阻(即总电阻)等于0.5R,R=R1+R2/2=0.5R。
4.变压器的额定电流等于绕组的额定容量除以该绕组的额定电压及相应的相系数()。
A、单相和三相均为√3B、单相和三相均为1C、三相为1,单相为√3答案:A解析:变压器额定电流计算:I=S÷(V×√3)=S÷1.7321V,S:变压器的视在功率,单位是KVA,V:变压器额定电压,单位是KV。
变压器的额定电流等于绕组的额定容量除以该绕组的额定电压及相应的相系数单相和三相均为√3(1.7321)。
5.使用验电器验电前,除检查其外观、电压等级、试验合格期外,还应()。
A、自测发光B、在带电的设备上测试其好坏C、自测音响答案:B6.磁场中某点的磁感应强度B与磁导率μ的比值,称为该点的()。
A、电磁力FB、磁场强度HC、磁通量Φ答案:B解析:磁场中某点的磁感应强度B与磁导率μ的比值,称为该点的磁场强度H。
在研究磁场时,常用磁感应强度B来表示磁场的强弱和方向。
B的单位是特[牛/(安·米)]。
在磁介质中,当磁感应强度为B,磁化强度为M时,磁场强度H的定义式为H=B/μ0-M,H的单位是安/米。
河北省高压电工特种作业人员考试习题集第一章安全生产管理一、单项选择题1、拒绝违章指挥和强令冒险作业是从业人员的( )。
A、权利;B、义务;C、职责。
答案:A2、特种作业操作证有效期为( )年,在全国范围内有效。
A、3;B、4;C、6。
答案:C3、特种作业操作证每( )年复审1次。
A、2;B、3;C、4。
答案:B4、离开特种作业岗位( )以上的特种作业人员,应当重新进行实际操作考试,经确认合格后方可上岗作业。
A、一年;B、半年;C、三个月。
答案:B(详见规定《规定》第三十二条。
)5、“三违”指违章指挥,违章作业,( )。
A、违反劳动纪律;B、违反作业规程;C、违反操作规程。
答案:A二、判断题1、“安全第一、预防为主、综合治理”是我国安全生产的基本方针。
( )答案:√2、“安全第一、预防为主、综合治理”,三者是目标、原则和手段、措施有机统一的辩证关系。
( )答案:√3、特种作业人员必须经专门的安全技术培训并考核合格,取得《中华人民共和国特种作业操作证》后,方可上岗作业。
( )答案:√4、特种作业人员转借、转让、冒用特种作业操作证的,给予警告,并处200元以上1000元以下的罚款。
( )答案:×《规定》第四十二条:处2000元以上10000元以下的罚款。
5、特种作业人员应当接受与其所从事的特种作业相应的安全技术理论培训和技术操作培训。
( )答案:√《规定》第九条:特种作业人员应当接受与其所从事的特种作业相应的安全技术理论培训和实际操作培训。
6、未经安全生产培训合格的从业人员,不得上岗作业。
( )答案:√7、任何单位和个人发现事故隐患,均有权向安全监管监察部门和有关部门报告。
( )答案:√8、从业人员未按规定佩戴和使用劳动防护用品的,不得上岗作业。
( )答案:√9、培训和考核是提高专业电工安全技术水平,使之获得独立操作能力的唯一途径。
( )答案:×10、电工作业人员经专业安全技术培训考试后就可上岗操作。
高压电工作业考试题库一、选择题1.高压电工作业中,以下哪个防护措施是错误的?A.佩戴绝缘鞋B.佩戴绝缘手套C.佩戴绝缘帽D.佩戴绝缘工作服2.高压电线路的维修,以下哪个步骤是错误的?A.确认电路已断电B.佩戴绝缘防护用品C.进行线路绝缘测试D.进行维修操作3.高压电工作业中,以下哪个行为是不允许的?A.使用带电工具进行维修B.不经过检修人员许可进行操作C.在高温环境下进行作业D.穿戴完整的防护装备4.高压电工作业时,操作人员发现有电器设备漏电,正确的做法是:A.立即停止作业,通知上级B.继续作业,忽略漏电现象C.自行进行维修D.在通电状态下使用绝缘工具进行操作5.高压电工作业中,操作人员应具备以下哪种资质?A.高中毕业证书B.电工职业资格证书C.电脑维修证书D.驾驶证二、判断题判断下列说法的正误。
1.高压电工作业时,需佩戴适当的防护用品,包括绝缘鞋、绝缘手套等。
正误2.高压电线路维修操作前,需要确认电路已经断电。
正误3.高压电工作业时,操作人员应经过专业培训和考核。
正误4.高压电线路发生漏电时,操作人员应立即停止作业并报告上级。
正误5.高压电工作业中,电工职业资格证书是必须要具备的。
正误三、简答题1.请简要阐述高压电工作业的危险性。
2.高压电工作业中,常见的防护措施有哪些?3.高压电线路出现故障时,操作人员应该如何正确处置?4.高压电工作业人员需要具备哪些专业知识和技能?5.请简要介绍高压电工作业的现场管理措施。
四、案例分析题请根据以下案例,选择正确的应对方式,并简要说明理由。
案例:高压电线路发生故障,需要进行紧急维修。
操作人员已经佩戴好绝缘防护用品,但没有确认电路已断电。
应该如何应对该情况?A.立即停止作业,并通知上级。
B.继续进行维修操作,因为已经佩戴了绝缘防护用品。
C.进行线路绝缘测试,确认电路是否断电,然后再进行维修。
D.不进行任何操作,等待其他人员处理。
理由:正确答案是C。
在高压电线路维修前,必须确认电路已断电,否则会产生严重的安全风险。
考试类型:高压电工作业单选题第1题:干式变压器属于()变压器。
A、稳压B、隔离C、节能型您选择的答案:正确答案:C第2题:35kV架空铜导线的最小允许截面应选()m㎡。
A、35B、25C、16您选择的答案:正确答案:A第3题:用摇表测量电气设备绝缘时,“线路”(L)接线柱应接在()。
A、电机绕组或导体B、电气设备外壳或地线上C、电缆的绝缘层您选择的答案:正确答案:A第4题:消弧线圈对接地电容电流采用全补偿会引起()。
A、串联谐振过电压B、并联谐振过电压C、串联谐振过电流您选择的答案:正确答案:A第5题:1伏安等于()微伏安。
A、1000B、1000000C、1000000000您选择的答案:正确答案:B第6题:10kV变压器台停电检修时应先断开()。
A、高压侧开关B、低压侧总开关C、低压侧各分路开关您选择的答案:正确答案:C第7题:测量高压线路绝缘应选用()V伏摇表。
A、1000B、2500C、5000您选择的答案:正确答案:B第8题:电力电缆敷设到位后,首次绑扎可采用铁丝等材料将电缆定型,在进行二次整理时将绑扎材料更换为(),并定尺绑扎。
A、过塑铁丝B、铜丝线C、塑料绑线您选择的答案:正确答案:A第9题:高压断路器型号第一单元代表名称,如L表示()断路器。
A、直流B、六氟化硫C、真空您选择的答案:正确答案:B第10题:变压器采用星形接线方式时,绕组的线电压()其相电压。
A、等于B、大于C、小于您选择的答案:正确答案:B第11题:配电装置中,电气设备的网状遮栏高度不低于()m,底部离地不应超过0.1m。
A、1.3B、1.5C、1.7您选择的答案:正确答案:C第12题:严禁带负荷操作隔离开关,因为隔离开关没有()。
A、快速操作机构B、灭弧装置C、装设保护装置您选择的答案:正确答案:B第13题:低压照明用户受电端电压的波动幅度不应超过额定电压的()。
A、±(5%至10%)B、±5%C、10%您选择的答案:正确答案:A第14题:电动工具的使用场所,环境多变而复杂,在使用手持移动式Ⅰ类电动工具时,应根据工作场所危险性的大小安装()的快速型RCD。
第一章安全生产管理一、判断题:1、工作票是准许在电气设备上工作的书面命令,是执行保证安全技术措施的书面依据,一般有三种格式。
(×)2、对某支路的电气设备合闸时,其倒闸顺序是先合隔离开关,其次是负荷开关,最后是断路器。
(√)3、停电检修作业后,送电之前,原在配电室内悬挂的临时接地线,应由值班员拆除。
(√)4、工作负责人为了工作方便,在同一时间内可以写两张操作票。
(×)5、倒闸操作时,不允许将设备的电气和机械闭锁装置拆除。
(√)6、操作票应进行编号,已操作过的应注明“已执行”保存期不宜少于6个月。
(√)7、操作票中,一项操作任务需要书写多页时,须注明转接页号,且页号相连。
(√)8、有人值班的变配电所中的电力电缆线路,每班中应进行多次巡视检查。
(×)9、操作隔离开关时应准确迅速,一次分(或合)闸到底,中间不得停留。
(√)10、操作隔离开关时,一旦发生带负荷误分隔离开关,在刚拉闸时即发现电弧,应立即合上,停止操作。
(√)11、操作中如发生疑问,可按正确的步骤进行操作,然后把操作票改正过来。
(×)12、正常情况下,第一种操作票应在工作的当天交给值班员。
(×)13、操作要按操作顺序填写,一张操作票只能填写一个操作任务。
(√)14、高压检修工作的停电必须将工作范围的各方面进线电源断开,且各方面至少有一个明显的断开点。
(√)15、工作许可人不得签发工作票。
(√)16、在发生严重威胁设备及人身安全的紧急情况下,可不填写工作票及操作票,值班人员立即断开有关的电源。
(√)17、临时接地线的连接要使用专用的线夹固定,其接地端通常采用绑扎连接,各连接点必须要牢固。
(×)18、进行检修作业时,断路器和隔离开关分闸后,要及时断开其操作电源。
(√)19、工作票签发人不得兼任所签发工作票的工作负责人。
(√)20、工作许可制度是指在电气设备上进行任何电气作业,都必须填写工作票,并根据工作票布置安全措施和办理开工,终结等手续。
1.高压电工作业【精选100题】1、【单选题】电气设备有三种工作状态,即运行()检修状态。
A、备用B、热备用C、试验【答案】A【解析】电气设备分为运行、备用(冷备用及热备用)、检修三种状态。
热备用状态:是指设备隔离开关在合闸位置,只断开断路器的设备。
冷备用状态:是指设备断路器,隔离开关均在断开位置,未作安全措施。
2、【单选题】高压电容器应在额定电压下运行,当长期运行电压超过额定电压的()时,高压电容器组应立即停运。
A、1.3倍B、1.2倍C、1.1倍【答案】C【解析】检查电容器是否在额定电压下运行,长期运行电压不得超过额定电压的1.1倍;发现长期超过额定电压的1.1倍时,应立即停运。
检查电容器是否在额定电流下进行,其最大电流不应超过额定电流的1.3倍,一旦超过,应立即停运。
3、【单选题】下列电缆编号属于35KV线路间隔的是()。
A、1U123CB、1Y123BC、1E123【答案】A【解析】下列电缆编号属于35kV线路间隔的是1U123。
4、【单选题】在变压器内部发生故障(如绝缘击穿相间短路匝间短路铁芯事故等)产生()时,接通信号或跳闸回路,进行报警或跳闸,以保护变压器。
A、固体B、液体C、气体【解析】在油浸式变压器邮箱内部发生故障(包括轻微的闸间短路和绝缘破坏引起的经电弧电阻的接地短路)时,由于故障点电流和电弧的作用,将使变压器油及其他绝缘材料因局部受热而分解产生大量的气体,因气体比较轻,它们将从油箱向油枕的上部,当严重故障时,油会迅速膨胀并产生大量的气体,此时将有剧烈的气体夹杂着油流冲向油枕的上部。
利用油箱内部放障的上述特点,可以构成反应于上述气体而动作的保护装置,称为瓦斯保护。
在变压器内部发生故障(如绝缘击穿、铁芯事故等)产生气体时,接通信号或跳闸回路,进行报警或跳闸,以保护变压器。
5、【单选题】工作期间()必须始终在工作现场,对工作班人员的安全认真监护,及时纠正违反安全的动作。
A、工作许可人B、被监护人员C、工作负责人【答案】C【解析】工作负责人的安全责任是:(1)正确的、安全的组织工作。
高压电工特种作业试题第一章安全生产管理一、判断题:1、工作票是准许在电气设备上工作的书面命令,是执行保证安全技术措施的书面依据,一般有三种格式。
(×)2、对某支路的电气设备合闸时,其倒闸顺序是先合隔离开关,其次是负荷开关,最后是断路器。
(√) 3、停电检修作业后,送电之前,原在配电室内悬挂的临时接地线,应由值班员拆除。
(√) 4、工作负责人为了工作方便,在同一时间内可以写两张操作票。
(×)5、倒闸操作时,不允许将设备的电气和机械闭锁装置拆除。
(√)6、操作票应进行编号,已操作过的应注明“已执行”保存期不宜少于6个月。
(√)7、操作票中,一项操作任务需要书写多页时,须注明转接页号,且页号相连。
(√) 8、有人值班的变配电所中的电力电缆线路,每班中应进行多次巡视检查。
(×) 9、操作隔离开关时应准确迅速,一次分(或合)闸到底,中间不得停留。
(√)10、操作隔离开关时,一旦发生带负荷误分隔离开关,在刚拉闸时即发现电弧,应立即合上,停止操作。
(√)11、操作中如发生疑问,可按正确的步骤进行操作,然后把操作票改正过来。
(×)12、正常情况下,第一种操作票应在工作的当天交给值班员。
(×) 13、操作要按操作顺序填写,一张操作票只能填写一个操作任务。
(√)14、高压检修工作的停电必须将工作范围的各方面进线电源断开,且各方面至少有一个明显的断开点。
(√)15、工作许可人不得签发工作票。
(√)16、在发生严重威胁设备及人身安全的紧急情况下,可不填写工作票及操作票,值班人员立即断开有关的电源。
(√)17、临时接地线的连接要使用专用的线夹固定,其接地端通常采用绑扎连接,各连接点必须要牢固。
(×)18、进行检修作业时,断路器和隔离开关分闸后,要及时断开其操作电源。
(√) 19、工作票签发人不得兼任所签发工作票的工作负责人。
(√)20、工作许可制度是指在电气设备上进行任何电气作业,都必须填写工作票,并根据工作票布置安全措施和办理开工,终结等手续。
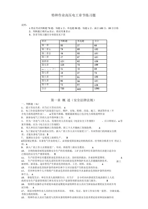
特种作业高压电工章节练习题说明:1理论考试判断题70题,每题1分,单选题30题,每题1分,满分100分,80分合格 2、 判断题正确用A 表示,错误用B 表示 3、 各章节练习题目分布情况见下表第一章 概 述(安全法律法规)一、判断题(41)1、 建立劳动关系,应当订立劳动合同。
A2、 电工作业是指对电气设备进行运行、维护、安装、检修、改造、施工、调试等作业(不 含电力系统进网作业)。
A 答案不准确,根据最新规定已包含电力系统进网作业3、 新参加电气工作的人员不得单独工作。
A4、 作为一名电气工作人员,发现任何人员有违反《电业安全工作规程》 ,应立即制止。
A 答案不准确,应为《电力安全工作规程》5、 用人单位应当按时缴纳工伤保险费,职工个人不缴纳工伤保险费。
A6、 为了保证电气作业的安全性,新入厂的工作人员只有接受工厂、车间等部门的两级安全教 育,才能从事电气作业。
B7、 强调安全会在一定程度上妨碍生产。
B&国家规定要求:从事电气作业的电工,必须接受国家规定的机构培训、经考核合格者方可 持证上岗。
A9、 新入厂的工作人员要接受厂、车间、班组等三级安全教育。
A10、 合理的规章制度是保障安全生产的有效措施,工矿企业等单位有条件的应该建立适合自 已情况的安全生产规章制度。
B11、 生产经营单位对遭受职业危害的从业人员,及时组织救治,并承担所需费用。
12、 生产经营单位应当优先采用有利于防治职业危害和保护从业人员健康的新技术、 新材料、新设备,逐步替代产生职业危害的技术、工艺、材料、设备。
A 13、 不具备职业危害防护条件的单位和个人可以接受产生职业危害的作业。
14、 任何单位和个人不得将产生职业危害的作业转移给不具备职业危害防护条件的单位 和个人。
A15、 事故发生后,单位负责人接到报告后,应当于 2小时内向事故发生地县级以上人民 政府安全生产监督管理部门和负有安全生产监督管理职责的有关部门报告。
高压电工特种作业证考试题库完整1.对于10kV的设备,人体与带电体的距离无遮拦者不得小于0.7m。
2.装有气体继电器的变压器,从变压器油箱的一边向储油柜的一边应有1%~1.5%的上升坡度。
3.电气设备的冷备用状态指断路器和隔离开关处于断路器分闸,隔离开关分闸位置的状态。
4.电流互感器的两相接线需要装用二台电流互感器。
5.高压配电室和高压电室耐火等级不应低于二级。
6.一张操作票可以填写一项操作任务。
7.电压互感器的额定电压指一次线圈接用线路的8.10kV 电源供电。
8.两台变压器并列进行的正确做法是高、低压联络开关均接通。
9.绝缘电阻指的是直流电阻。
10.对于电击而言,工频电流与高频电流比较,其危险性是工频危险性较大。
11.爆炸危险环境1区的固定式白炽灯应选用正压型防爆灯具。
12.不应在已经停电的本单位不能控制的电气设备上装设临时接地线。
13.低压开关设备的安装高度一般是1.3-1.5m。
14.《劳动防护用品监督管理规定》生产经营单位所提供的劳动防护用品,必须符合国家标准或行业标准。
15.调查由电监会负责。
16.《生产安全事故报告和调查处理条例》规定,重大事故由国务院电力监管机构组织事故调查组进行调查。
17.标识牌底色应该是白底红边,上面写有“止步,高压危险!”的字样。
18.人体通过数十毫安电流短时间内致命的最危险原因是引起心室纤维性颤抖。
19.生产经营单位不得以货币或其他物品替代应当按规定配备的劳动防护用品,这是《劳动防护用品监督管理规定》规定的。
20.《电力安全事故应急处置和调查处理条例》的目的是规范电力安全事故的调查处理,控制,减轻和消除电力安全事故损害。
21.根据《生产安全事故报告和调查处理条例》规定,事故等级划分标准的部分项目需要调整时,国家院电力监管机构提供方案,报国务院批准。
22.电力电运行中,电流不应长时间超过电额定电流的1.5倍。
23.生产经营单位应当督促从业人员正确佩戴和使用劳动防护用品,这是《劳动防护用品监督管理规定》规定的。
一、判断题1. “禁止合闸,有人工作!”属于禁止类标示牌。
()答案:√2. “注意安全!”属于警告类标示牌。
()答案:√3. 《职业病防治法》的立法目的是为了预防控制和消除职业病危害。
()答案:√4. 10kV及以下架空线路不得跨越火灾和爆炸危险环境。
()答案:√5. Ⅱ类设备是安全电压型的设备。
()答案:×6. PE线不得穿过漏电保护器,但PEN线可以穿过漏电保护器。
()答案:×7. PE线和PEN线上都不得装设单极开关和熔断器。
()答案:√8. TN-S系统中,三相四孔插座的保护接线孔应连接专用的PE线。
()答案:√9. 安全电压的插销座应该带有接零或接地插头或插孔。
()答案:×10. 安全帽从产品制造完成之日计算,玻璃钢和胶质安全帽的有效期限为3年,超过有效期的安全帽应报废。
()答案:×11. 安装漏电保护器以后,可以取消原有的接地保护或接零保护。
()答案:×12. 安装在环网柜里的带熔断器的高压负荷开关,一般装有当熔断器一相熔体熔断时负荷开关自动掉闸的击发机构。
()答案:√13. 摆脱电流是人能自主摆脱带电体的最大电流,人的工频摆脱电流约为10A。
()答案:×14. 包扎时应由伤口低处向上,通常是由左向右、从下到上进行缠绕。
()答案:√15. 保护接零适用于电源中性点直接接地的三相四线配电网和三相五线配电网。
()答案:√16. 爆炸危险场所的工作零线应当与保护零线合用。
()答案:×17. 爆炸性气体、蒸气、薄雾属于Ⅱ类爆炸危险物质。
()答案:√18. 备用或暂时不使用的电力电缆线路,应连续接在电力系统上加以充电(热备用),其继电保护调整到无时限动作位臵。
()答案:√19. 比较重大的电力电缆设备缺陷消除以后,应将发生缺陷的时间、地点、处理措施和施工负责人等记录在电力电缆履历卡内。
()答案:√20. 避雷针是防止雷电侵入波的防雷装臵。
技能认证特种作业考试电工高压电工(习题卷8)第1部分:单项选择题,共57题,每题只有一个正确答案,多选或少选均不得分。
1.[单选题]110KV及以下线路保护测控装置,当开关在跳位而(),延时10秒报TWJ异常。
A)线路有流B)线路无压C)线路有压答案:A解析:2.[单选题]检修工作时凡一经合闸就可送电到工作地点的断路器和隔离开关的操作手把上应悬挂:()。
A)禁止合闸,有人工作B)止步,高压危险C)禁止攀登,高压危险答案:A解析:检修工作时凡一经合闸就可送电到工作地点的断路器和隔离开关的操作手把上应悬挂:禁止合闸,有人工作,这是禁止性标志。
3.[单选题]采取在电源中性点经消弧线圈接地方式,其目的是减小()。
A)接地电流B)接地电压C)接地有功答案:A解析:采取在电源中性点经消弧线圈接地方式,其目的是减小接地电流。
4.[单选题]所有断路器,隔离开关均断开,在有可能来电端挂好地线,说明设备处于()状态。
A)检修B)运行C)备用答案:A解析:检修状态 系指某回路中的高压断路器及高压隔离开关(或自动开关及刀开关)均已断开,同时按保证安全的技术措施的要求悬挂了临时接地线,并悬挂标示牌和装好临时遮栏,处于停电检修的状态。
5.[单选题]()的作用是将悬式绝缘子组装成串,并将一串或数串绝缘子连接起来悬挂在横担上。
A)支持金具B)连接金具C)接续金具答案:B解析:连将绝缘子、悬垂线夹、耐张线夹及保护金具等连接组合成悬垂或耐张串组的金具,称为连接金具。
连接金具的作用是将悬式绝缘子组装成串,并将一串或数串绝缘子连接起来悬挂在横担上。
6.[单选题]接地电阻测量仪用120r/min的速度摇动摇把时,表内能发出()Hz、100V左右的交流电压。
A)50B)110C)120答案:B解析:接地电阻测量仪用120r/min的速度摇动摇把时,表内能发出( 110 )Hz、100V左右的交流电压。
摇表的使用(1)校表。
测量前应将摇表进行一次开路和短路试验,检查摇表是否良好。
1.【单选】已知在四个电阻串联的电路中,通过其中一个电阻的电流为10A,则该电路中的电流为(B)A。
A. 2.5B. 10C. 202.【单选】交流电气设备的铭牌上所注明的额定电压和额定电流都是指电压和电流的(C)。
A. 瞬时值B. 最大值C. 有效值3.【单选】已知一段电路两端的电压为15V,通过该段电路的电流为8A,则该段电路的电功率P等于(C)W。
A. 60B. 100C. 1204.【单选】在电阻并联的电路中,电路的端电压U等于(B)。
A. 各并联支路端电压的平均值B. 各并联支路的端电压C. 各并联支路的端电压之和5.【单选】下列关于高压阀型避雷器特点描述正确的是(A)。
A. 串联的火花间隙和阀片多,而且随电压的升高数量增多B. 并联的火花间隙和阀片少,而且随电压的升高数量增多C. 串联的火花间隙和阀片少,而且随电压的升高数量减小6.【单选】(C)的作用是警告工作人员不得接近设备的带电部分,提醒工作人员在工作地点采取安全措施,以及禁止向某设备合闸送电等。
A. 绝缘台B. 绝缘垫C. 标示牌7.【单选】在工作中,电能的常用单位符号是(C)。
A. WB. kWC. kW/h8.【单选】电路闭合时,电源的端电压(C)电源电动势减去电源的内阻压降。
A. 大于B. 小于C. 等于9.【单选】表示磁场强弱和方向的物理量是(C)。
A. 磁通B. 磁力线C. 磁感应强度10.【单选】降低杆塔接地电阻,线路的跳闸率(A)。
A. 降低B. 增大C. 不变化11.【单选】装、拆接地线必须由(B)完成。
A. 一人B. 两人C. 三人12.【单选】在(B)中,电动势、电压、电流的大小和方向随时间按正弦规律变化。
A. 直流电路B. 正弦交流电路C. 脉冲电路13.【单选】在感性负载交流电路中,采用(B)的方法可提高电路功率因数。
A. 串联电阻B. 并联电容C. 串联电容14.【单选】流过导体单位截面积的电流叫电流密度,其单位为(B)。
企业单位高压电工特种作业证考试题库(附答案)1、【单选题】低压电网中的TN-C-S系统,整个系统内。
(B)A、中性线(零线)N和保护线PE是合用的B、中性线(零线)N与保护线PE是部分合用的C、中性线(零线)N与保护线PE是分开的2、【单选题】如图,正常运行时,母联断路器3QF断开,断路器IQF、2QF闭合,是标准的。
图片(C)A、进线备自投接线B、变压器备自投接线C、低压母线分段备自投接线3、【单选题】电气设备相位漆标识的黄、绿、红颜色分别代表相位。
(A)A、ABCB、BCAC、CAB4、【单选题】高压电动机发生单相接地故障时,只要接地电流大于,将造成电动机定子铁芯烧损。
(A)A、IOAB、5AC、15A5、【单选题】指正常情况下没有断开的备用电源或备用设备,而是工作在分段母线状态,靠分段断路器取得相互备用。
(B)A、明备用B、暗备用C、冷备用6、【单选题】是以屏面布置图为基础,以原理图为依据而绘制成的接线图,是一种指导屏柜上配线工作的图纸。
A、安装接线图B、屏面布置图C、归总式原理图7、【单选题】是将系统的高电压改变为标准的低电压(100V 或100∕√3V),供测量仪表、继电保护自动装置、计算机监控系统用。
(C)A、变压器B、电流互感器C、电压互感器8、【单选题】是指那些绝缘强度能长期承受设备的工作电压,并且在该电压等级产生内部过电压时能保证工作人员安全的用具。
(B)A、绝缘安全用具B、基本安全用具C、一般防护安全用具图片9、【单选题】IokV变、配电所应在上装设阀型避雷器。
(A)A、每组母线和每回路架空线路B、每组母线和单回路架空线路C、单组母线和每回路架空线路10、【单选题】中断供电时将造成人身伤亡,属于负荷。
(C)A、三类B、二类C、一类11、【单选题】为了保证频率偏差不超过规定值,必须维持电力系统的平衡,采取相应的调频措施。
(A)A、有功功率B、无功功率C、电流12、【单选题】交流高压真空接触器适用于交流系统中的场合。
第一章安全生产管理一、判断题:1、工作票是准许在电气设备上工作的书面命令,是执行保证安全技术措施的书面依据,一般有三种格式。
(×)2、对某支路的电气设备合闸时,其倒闸顺序是先合隔离开关,其次是负荷开关,最后是断路器。
(√)3、停电检修作业后,送电之前,原在配电室内悬挂的临时接地线,应由值班员拆除。
(√)4、工作负责人为了工作方便,在同一时间内可以写两张操作票。
(×)5、倒闸操作时,不允许将设备的电气和机械闭锁装置拆除。
(√)6、操作票应进行编号,已操作过的应注明“已执行”保存期不宜少于6个月。
(√)7、操作票中,一项操作任务需要书写多页时,须注明转接页号,且页号相连。
(√)8、有人值班的变配电所中的电力电缆线路,每班中应进行多次巡视检查。
(×)9、操作隔离开关时应准确迅速,一次分(或合)闸到底,中间不得停留。
(√)10、操作隔离开关时,一旦发生带负荷误分隔离开关,在刚拉闸时即发现电弧,应立即合上,停止操作。
(√)11、操作中如发生疑问,可按正确的步骤进行操作,然后把操作票改正过来。
(×)12、正常情况下,第一种操作票应在工作的当天交给值班员。
(×)13、操作要按操作顺序填写,一张操作票只能填写一个操作任务。
(√)14、高压检修工作的停电必须将工作范围的各方面进线电源断开,且各方面至少有一个明显的断开点。
(√)15、工作许可人不得签发工作票。
(√)16、在发生严重威胁设备及人身安全的紧急情况下,可不填写工作票及操作票,值班人员立即断开有关的电源。
(√)17、临时接地线的连接要使用专用的线夹固定,其接地端通常采用绑扎连接,各连接点必须要牢固。
(×)18、进行检修作业时,断路器和隔离开关分闸后,要及时断开其操作电源。
(√)19、工作票签发人不得兼任所签发工作票的工作负责人。
(√)20、工作许可制度是指在电气设备上进行任何电气作业,都必须填写工作票,并根据工作票布置安全措施和办理开工,终结等手续。
(√)21、任何单位和个人不得干预本系统的值班调度员发布或执行调度命令,值班调度员有权拒绝各种干预。
(√)22、带负荷操作隔离开关可能造成弧光短路。
(√)23、在进行全站停电操作时,应先将电容器组的开关断开,然后再停各分路的出线开关。
(√)24、在电气施工中,必须遵守国家有关安全的规章制度,安装电气线路时应根据实际情况以方便使用者的原则来安装。
(×)25、一切调度命令是以值班调度员发布命令时开始,至受令人执行完后报值班调度员后才算全部完成。
(√)26、配电所运行管理条例中规定两票制度必须严格执行,其所指的两票是倒闸操作票和交接班当值票。
(×)27、检修人员未看到工作地点悬挂接地线,工作许可人(值班员)也未以手触试停电设备、检修人员应进行质问并有权拒绝工作。
(√)28、国家规定要求:从事电气作业的电工,必须接受国家规定的机构培训、经考核合格者方可持证上岗。
(√)29、作为一名电气工作人员,对发现任何人员有违反《电业安全工作规程》,应立即制止。
(√)二、选择题1、倒闸操作应由二人进行,一人唱票与监护,另一人(C)。
A、操作B、复诵C、复诵与操作2、在变电站外线路工作,一经合闸即可送电到施工线路的线路开关和刀闸操作手柄上应悬挂(B)标示牌。
A、禁止合闸、有人工作B、禁止合闸,线路有人工作C、在此工作3、紧急事故处理时可不需填写(C),但应事后将有关事项记入值班日志,并及时汇报。
A、第二种工作票B、第一种工作票C、倒闸操作票4、电气设备检修时,工作票的有效期限以(C)为限。
A、一般不超过两天B、当天C、批准的检修期限5、一式二份的工作票,一份由工作负责人收执,作为进行工作的依据,一份由(C)收执,按值移交。
A、工作票签发人B、工作负责人C、运行值班员6、在高压设备上作业时应由(B)人或以上进行。
A、3B、2C、47、因故需暂时中断作业时,所装设的临时接地线(A)。
A、保留不动B、全部拆除C、待后更换8、电气设备由事故转为检修时,应(B)。
A、直接检修B、填写工作票C、汇报领导后进行检修9、在办理停电、送电手续时,严禁(A)停电、送电。
A、约定时间B、规定时间C、延长时间10、在高压室内的二次接线和照明回路工作,需将高压设备停电或做安全措施时应使用(A)。
A、第一种工作票B、第二种工作票C、口头指令11、防止电气误操作的措施包括组织措施和(C)措施。
A、安全B、绝缘C、技术12、倒闸操作前,应先在(B)进行模拟操作。
A、实际设备上B、模拟图板上C、操作票上13、在变配电站停电检修或安装时,(A)负责完成安全技术措施与安全组织措施A、值班员B、监护人C、检修人员14、操作票填写中,合上或拉开的隔离开关,刀开关统称为(C)。
A、开关B、负荷开关C、刀闸第二章触电事故及现场急救一、判断题:1、检查触电者是否有心跳的方法是将手放在触电者的心脏位置。
(×)2、据统计数据显示,触电事故的发生有一定的规律性,其中在专业电工中,低压触电高于高压触电,农村触电事故高于城镇。
(√)3、电流通过人体会对人体的内部组织造成破坏,严重时导致昏迷,心室颤动乃至死亡。
(√)4、在使触电者脱离电源的过程中,救护人员最好用一只手操作,以防自身触电。
(√)5、人身触电急救时,如果触电者有呼吸,无心跳则应该实施胸外挤压法急救。
(√)6、在对触电者进行急救时,如果有心跳,也有呼吸,但呼吸微弱。
此时应让触电者平躺着,解开衣领,在通风良好处,让其自然呼吸慢慢自恢复,不宜对其施加其它急救。
(×)7、人体触电时,大脑易损期最为敏感,也最容易受到伤害而发生昏迷,而导致血液循环中止死亡。
(×)8、在抢救触电者脱离电源时,未采取任何绝缘措施,救护人员不得直接触及触电者的皮肤或潮湿衣服。
(√)9、人体触电时,电流流经人体的途径不同会引起不同的伤害,通过中枢神经会引起人立即昏迷。
(×)10、跨步触电是人体遭受电击中的一种,其规律是离接地点越近,跨步电压越高,危险性也就越大。
(√)11、电弧表面温度可达到3000℃~ 4000℃。
(√)二、选择题1、当设备发生碰壳漏电时,人体接触设备金属外壳所造成的电击称作(C)电击。
A、静电B、直接接C、间接接触2、人遭到电击时,由于人体触电的部位不同,其电流经过人体的路径也不同,其中电流流过(A)危害最大A、心脏B、头部C、中枢神经3、人体触电时,电流灼伤和电弧烧伤是由于电流的(C)效应造成的。
A、火花B、机械C、热量4、触电急救,首先要使触电者迅速(A)。
A、脱离电源B、恢复呼吸C、保持清醒5、当人体发生触电时,通过人体电流越大就越危险,通常将(A)电流作为发生触电事故的危险电流界限。
A、摆脱B、感知C、室颤6、电流对人体的伤害可以分为电伤、(C)两种类型。
A、电烫B、电烙C、电击第三章防触电技术一、判断题:1、保护接地、重复接地、工作接地、保护接零等,都是为了防止间接触电最基本的安全措施。
(×)2、所谓绝缘防护,是指绝缘材料把带电体封闭或隔离起来,借以隔离带电体或不同电位的导体,使电气设备及线路能正常工作,防止人身触电。
(√)3、临时遮栏设置在可能发生人体接近带电体的巡视通道和检修设备的周围。
(×)4、中性点经高阻接地属于非有效接地系统。
(√)5、保护接零适用于电压0.23kV/0.4kV低压中性点直接接地的三相四线配电系统中。
(√)6、接地是消除静电的有效方法。
在生产过程中应将各设备金属部件电气连接,使其成为等电位体接地。
(√)7、变配电设备应有完善的屏护装置。
安装在室外地上的变压器,以及安装在车间或公共场所的变配电装置,均需装设遮栏作为屏护。
(√)8、接地线用绿/黄双色表示。
(√)9、10kV三相供电系统一般采用中性点不接地或高电阻接地方式。
(√)10、中性点直接接地系统,发生单相接地时,既动作于信号,又动作于跳闸。
(√)11、人体触电时,通过人体电流的大小和通电时间的长短是电击事故严重程度的基本决定因素,当通电电流与通电时间之乘积达到30mA.1s时即可使人致死。
(×)12、在潮湿、有导电灰尘或金属容器内等特殊的场所,不能使用正常电压供电,应该选用安全电压36V、12V、6V等电源供电。
(×)13、对于高压电气设备,无论是否有绝缘或双重绝缘,均应采取屏护或其它防止接近的措施。
(√)14、漏电保护器按检测电流分类。
可分为泄流电流型、过电流型和零序电流型等几类。
(×)15、消弧线圈对接地电容电流的补偿实际应用时都采用过补偿方式。
(√)16、保护接地的目的是为了防止人直接触电,保护人身安全。
(×)17、中性点经消弧线圈接地属于有效接地系统。
(×)18、漏电保护器对两相触电不能起保护作用,对相间短路也起不到保护作用。
(√)19、把电气设备正常情况下不带电的金属部分与电网的保护零线进行连接,称作保护接零,目的是为了防止间接触电。
(√)20、临时接地线的连接要使用专用的线夹固定,其接地端通常采用绑扎连接,各连接点必须要牢固。
(×)21、为了防止直接触电可采用双重绝缘、屏护、隔离等技术措施以保障安全。
(√)22、为了避免剩余电流动作保护器误动作,要求其不动作电流不低于额定动作电流的3/4。
(×)二、选择题:1、IT系统中的I表示(C)。
A、中性点直接接地B、重复接地C、中性点不接地2、箱式变电站所在接地应共用一组接地装置,接地网的接地引线应不少(B)条。
A、3B、2C、43、箱式变电站所在接地应共用一组接地装置,其接地电阻应小于(B)Ω。
A、10B、4C、154、电气设备的绝缘是一个重要的技术指标,是安全检查的重要内容,电气绝缘检查主要是检查绝缘是否老化破损,受潮和(B)等。
A、绝缘层厚度B、绝缘电阻C、设备服役年限5、(B)是为了人身安全,将电气装置中平时不带电,但可能因绝缘损坏而带上危险的对地电压的外露导电部分,与大地可靠连接。
A、保护接零B、保护接地C、工作接地6、TN系统表示电源中性点(C)。
A、不接地B、经阻抗接地C、直接接地7、我国规定的安全电压额定值等级为(C)。
A、50V,42V,36V,24V,12VB、48V,36V,24V,12V,6C、42V,36V,24V,12V,6V8、保护接零属于(C)系统。
A、TTB、ITC、TN9、Ⅱ类设备的防触电保护是采取(A)措施。
这种设备不采用保护接地的措施,也不依赖于安装条件。
A、双重绝缘B、安全电压C、变压器油绝缘10、高压电气设备停电检修时,防止检修人员走错位,误入带电间隔及过分接近带电部分,一般采用(C)进行防护。