产品制作流程表
- 格式:xls
- 大小:54.50 KB
- 文档页数:1
Rev:02
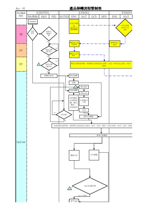
1.臺北EV試產成功,因業務需求提出移轉東莞進行DV試產驗証.
2.試產OK后跟蹤前三批生產狀況后交與品管與制造.
3.依產品特性,DV 之FPY達到95%以上,Qual run與MP同時進行.
4.圖中黃色底色及虛線條部分流程管制已在KYE 量產過之機種,●臺北→→→→東莞流程
5.圖中無底色及實線條部分流程管制新產品驗證作業過程,○昆長盈→→→協盈流程
6.由台北直接轉東莞進行ES之產品,其各段在東莞進行模式與Qual run相同僅數量差異,故其流程不再在本表中贅述。
移轉
移轉
備注:
1.上述表格中,延用舊有表格部分不再提供格式。
2. 跨流程及新增表單見附件。
新產品試產機構檢測項目Check List 設備治工具驗證記錄報告
3.標"*"請依實際需求作報告.
1.上述表格中,延用舊有表格部分不再提供格式。
新產品試產機構檢測項目Check List。
企业产品生产销售流程表
1.研发设计:确定产品概念、目标市场、竞争分析,进行产品设计和功能规划。
2.采购:根据生产需求,采购原材料和零部件。
3.生产制造:按照生产计划,经过加工、组装等流程,制造出成品。
4.品质检测:对成品进行质量检查,确保产品符合预设标准和客户要求。
5.包装运输:对成品进行包装,并安排物流运输至目的地。
6.销售推广:通过各种渠道和方式,如线上平台、实体店铺等,进行产品推广和销售。
7.客户服务:提供售后服务和客户关系管理,处理客户咨询、投诉等问题。
8.数据分析与改进:对销售数据、客户反馈等信息进行分析,优化产品设计和生产流程,提升客户满意度。
在流程中还需注意法律法规和安全要求,确保产品符合相关标准和规定。
同时要持续关注市场动态和客户需求,及时调整和改进产品策略。
以上是一个基本的生产销售流程,具体流程可能因企业规模、行业特点等因素而有所不同。
产品制造流程产品制造流程是指将产品从设计到最终制造出来的整个过程。
这个过程涉及到材料采购、生产加工、质量检验、包装运输等多个环节,需要各个环节的紧密配合和协同合作,以确保产品能够按时、按质地完成制造。
下面将从产品设计、材料采购、生产加工、质量检验、包装运输等几个方面来介绍产品制造流程。
首先是产品设计。
产品设计是产品制造的第一步,它决定了产品的外观、功能、性能等特点。
设计师需要根据市场需求和客户要求进行设计,然后制作出产品设计图纸和样品。
设计图纸需要经过多次修改和确认,直至最终确定。
样品需要进行模型制作和测试,以验证产品设计的可行性和实用性。
接下来是材料采购。
材料采购是产品制造的重要环节,它直接影响到产品的质量和成本。
采购部门需要根据产品设计图纸确定所需的材料种类、规格和数量,然后与供应商进行洽谈和谈判,最终确定采购合同。
在采购过程中,需要注意材料的质量、价格、交货期等因素,确保能够按时、按质地供应所需的材料。
然后是生产加工。
生产加工是将原材料加工成成品的过程,它包括了原材料的加工、组装、调试等环节。
生产车间需要根据产品设计图纸和工艺流程进行生产安排,确保生产进度和质量。
在生产过程中,需要对生产过程进行监控和检验,及时发现和解决生产中的问题,确保产品能够按时、按质地完成生产。
接着是质量检验。
质量检验是产品制造的关键环节,它决定了产品的质量和合格率。
质量部门需要对原材料和成品进行检验,确保其符合产品设计要求和标准。
在生产过程中,需要对生产过程进行抽检和全检,及时发现和解决生产中的质量问题。
在产品成品后,还需要进行成品检验和测试,确保产品的质量和性能符合要求。
最后是包装运输。
包装运输是产品制造的最后环节,它直接影响到产品的外观和完好率。
包装部门需要根据产品的特点和运输方式进行包装设计,确保产品能够安全、完整地运输到客户手中。
在运输过程中,需要对产品进行跟踪和监控,及时解决运输中的问题,确保产品能够按时、按质地到达客户手中。
APQP项目清单项目名称:项目编号:项目组长:QR-00-0QR-00-0QR-00-0市场调查表-营销功能QR-01-01市场调研报告-营销功能APQP产品建议书顾客名称:市场营销计划-营销功能计划周期:APQP会议记录QR-03-01APQP项目负责人任命书QR-03-02APQP项目开发时间进度制订(项目组长):审核(管理者代表):批准(总经理):QR-04-01APQP项目小组成员职责分配表QR-04-02APQP工作保证计划(项目责任矩阵表)第一阶段:计划和项目确定日期:年月日APQP产品责任书项目编号:APQP可靠性和质量目标及标准分析、环保要求日期:年月日APQP初始材料清单及价格表QR-1-04APQP初始零件清单及价格表QR-1-05APQP外协件提交批准要求供方名称:表单流程:需方→供方确认(影印留底)→需放代表→归入项目档案。
QR-1-06-01供方概况登记表-供方评价和选择送样通知书-供方评价和选择编号:送样通知书-供方评价和选择编号:早期供方名单-供方评价和选择APQP初始过程流程图日期:年月日项目编号:工序名称:APQP初始特殊特性清APQP初始材料清单APQP初始量具和试验设备清单APQP初始设备、工装清单APQP计划和项目确定-第一阶段审核表QR-1-13APQP工作保证计划(项目责任矩阵表)第二阶段:产品设计和开发日期:年月日APQP项目开发培训方案产品名称:项目编号:APQP-A-8样件-控制计划检查清单顾客或厂内零件号项目编号QR-2-01-03BAPQP顾客样品评审确认书评审日期:编号:顾客公司工程部确认章部长(签名):日期:QR-2-02APQP-A-2设计信息检查清单(新产品开发可行性评估表)QR-2-03APQP设备需求表(主要设备盘点清单)APQP工装需求表(工装盘点清单)APQP新增设备、工装和模具配置计划日期:APQP设备安装验收移交单APQP工装夹治具验收单APQP量具试验装备要求(主要量仪盘点清单)APQP新增量具、试验装备配置计划日期:APQP-A-3新设备、工装和试验装置检查清单QR-2-10APQP新产品成本预估表修订日期:QR-2-11-01APQP新产品成本预算报告产品名称:产品件号:APAP项目可行性分析报告客户名称:APQP小组可行性承诺顾客:日期:零件编号:零件名称:可行性的考虑产品质量策划小组并不打算在进行可行性评价时面面俱到,但已考虑了以下问题。
产品工艺表范本全文共四篇示例,供读者参考第一篇示例:产品工艺表是指对产品生产过程中所需的各种工艺流程、工艺参数、检验要求等进行系统化记录的表格或文件。
它通常包括产品的制造工艺流程、工艺参数、检验标准、材料要求等内容,是生产过程中的重要参考依据。
下面我们将为大家介绍一份关于产品工艺表的范本。
产品名称:XXX产品制定日期:XXXX年XX月XX日一、产品描述2. 产品材料:(列出产品所使用的主要材料及材料规格)3. 产品尺寸:(列出产品的尺寸要求)4. 产品外观要求:(列出产品的外观要求,如颜色、光泽度等)二、制造工艺流程1. 材料采购:(列出主要材料的采购供应商及采购数量)2. 材料验收:(列出材料验收标准及方法)3. 材料切割:(列出材料切割的工艺参数)4. 加工工艺:(列出产品加工工艺,包括冲压、焊接、折弯等)5. 表面处理:(列出产品的表面处理工艺,如喷涂、电镀等)6. 组装装配:(列出产品的装配工艺流程)7. 检验要求:(列出产品的检验项目及检验标准)8. 包装运输:(列出产品的包装方式及运输要求)三、工艺参数1. 温度:(列出各个环节中需要控制的温度范围)5. 其他:(列出其他需要控制的工艺参数)四、检验要求五、材料要求以上就是关于产品工艺表的范本,制定一份适合自己产品的工艺表是提高生产效率和产品质量的重要步骤,希望上述范本能对大家有所帮助。
第二篇示例:产品工艺表是指一个产品从设计到生产过程中所需要的所有工艺步骤和相关信息的列表。
它是产品制造的重要工具,能够帮助生产者清晰地了解每一道工序的具体要求,确保产品质量和生产效率。
本文将介绍产品工艺表的基本概念、内容要点以及如何制作一份完善的产品工艺表范本。
一、产品工艺表的基本概念产品工艺表是产品设计和生产管理中的重要文件,它对于确保产品质量、提高生产效率、降低成本具有重要意义。
一个完善的产品工艺表应包含以下内容:1. 工艺步骤:产品的生产过程需要按照一定的工艺步骤进行,这些步骤应该按顺序排列在工艺表中,以确保生产的顺利进行。
产品设计流程表是一个用于记录和跟踪产品设计过程的工具。
它可以帮助团队成员了解每个阶段的任务、责任和时间安排,以确保项目按时完成并满足预期的质量标准。
以下是一个典型的产品设计流程表的示例:
产品设计流程表
阶段一:需求分析
任务:收集和整理产品需求,进行市场调研,了解目标用户和竞争对手。
责任人:产品经理
时间:2周
阶段二:概念设计
任务:根据需求分析结果,设计产品的概念和基本功能。
责任人:设计师和产品经理
时间:1周
阶段三:详细设计
任务:对产品进行详细的规划和设计,包括界面、交互、功能等。
责任人:设计师和开发团队
时间:2周
阶段四:原型制作
任务:根据详细设计,制作产品的原型并进行测试。
责任人:设计师和测试团队
时间:1周
阶段五:用户测试
任务:邀请目标用户对原型进行测试,收集反馈意见。
责任人:产品经理和测试团队
时间:2周
阶段六:优化和改进
任务:根据用户测试的反馈,对产品进行优化和改进。
责任人:设计师和产品经理
时间:1周
阶段七:开发与实现
任务:根据优化后的设计,进行产品的开发和实现。
责任人:开发团队
时间:根据项目复杂度和资源而定
阶段八:上线与发布
任务:完成产品的最终测试,上线并发布给用户。
责任人:产品经理和运营团队
时间:根据项目复杂度和资源而定。
手表的工艺流程手表是一种精密的机械装置,它不仅仅是一种时间测量工具,更是一种艺术品和奢侈品。
手表的制作工艺非常复杂,需要经过多道工序才能完成。
下面我们就来详细介绍一下手表的工艺流程。
1. 设计。
手表的制作首先需要进行设计。
设计师会根据品牌的风格和定位,结合市场需求和流行趋势,设计出手表的外观和结构。
设计师需要考虑到手表的功能、材质、尺寸、颜色等方面,力求使手表既具有实用功能,又具有美观的外观。
2. 材料选择。
手表的制作需要用到各种不同的材料,包括金属、陶瓷、玻璃、皮革等。
在选择材料时,制表师需要考虑到材料的质量、耐磨性、耐腐蚀性等特性,以及材料的成本和加工难度。
不同的手表品牌和款式会选择不同的材料,以体现出不同的品牌形象和产品定位。
3. 零部件制作。
手表的制作需要大量的零部件,包括机芯、表壳、表盘、指针、表带等。
这些零部件需要经过精密的加工和装配,才能组装成完整的手表。
机芯是手表的核心部件,需要经过精密的加工和调试,保证手表的准确度和稳定性。
4. 加工和装配。
手表的零部件需要经过多道加工工序,包括铣削、打磨、抛光、喷砂等,才能达到精密的要求。
然后将各个零部件进行装配,组装成完整的手表。
在装配过程中,需要严格控制每个零部件的尺寸和装配位置,以确保手表的外观和功能完美无缺。
5. 调试和检测。
装配完成的手表需要进行调试和检测。
制表师会对手表的机芯进行调试,确保其运行准确无误。
同时还需要对手表的外观和功能进行全面检测,包括防水性能、耐磨性能、抗冲击性能等。
只有通过了严格的检测,手表才能出厂销售。
6. 包装和配饰。
手表制作完成后,还需要进行包装和配饰。
手表的包装需要体现出品牌的高端形象和产品的精美质感,同时还需要保护手表不受损坏。
配饰包括手表盒、说明书、保修卡等,这些配饰也需要体现出品牌的品质和服务。
总结。
手表的制作工艺非常复杂,需要经过多道工序才能完成。
制表师需要具备精湛的技术和丰富的经验,才能制作出高品质的手表。
产品制作流程清单一、前期准备阶段在产品制作过程中,前期准备是至关重要的一步。
以下是前期准备阶段的主要步骤:1. 确定产品需求:明确产品的功能、外观设计、性能要求以及市场定位等。
2. 市场调研:通过调查和分析市场需求,了解潜在用户的需求和竞争对手的情况,为产品制作提供参考依据。
3. 制定产品规划:根据市场调研结果,制定产品的规划方案,包括产品定位、目标市场、核心功能等。
4. 确定项目计划:制定详细的项目计划,明确产品制作的时间节点、任务分工和资源配置等。
5. 确定预算:根据项目计划和产品规划,制定产品制作的预算,包括原材料、人力资源、设备等费用的预估。
二、产品设计阶段产品设计是产品制作过程中的关键环节,下面是产品设计阶段的主要步骤:1. 原型设计:根据产品需求和规划,进行产品的原型设计,可以通过手绘或者使用专业的设计软件进行模型的制作。
2. 结构设计:在原型设计的基础上,进行产品的结构设计,包括确定各个部件的连接方式、材料选择等。
3. 外观设计:根据产品的定位和目标市场,进行产品的外观设计,包括颜色、形状、大小等。
4. 功能设计:根据产品的功能需求,设计产品的各项功能模块,并进行相应的功能测试和优化。
5. 评审和修改:对设计的产品原型进行评审,根据评审结果进行相应的修改和调整,直到达到预期效果。
三、原材料采购阶段原材料采购是产品制作过程中的重要环节,以下是原材料采购阶段的主要步骤:1. 制定采购计划:根据产品设计和规划,制定原材料的采购计划,包括采购数量、质量要求、供应商选择等。
2. 寻找供应商:通过市场调研和询价等方式,寻找合适的供应商,确保原材料的质量和价格符合要求。
3. 签订合同:与供应商协商并签订合同,明确双方的责任和权益,确保供应商按时、按质供货。
4. 质量检验:对采购的原材料进行质量检验,确保原材料符合产品制作的要求。
5. 入库管理:对采购的原材料进行入库管理,包括分类、标识、储存等,以便于后续的生产使用。
**品牌服装新产品开发制作流程图单位设计团队总监设计师面辅料面辅料仓库制版样衣市场开发样衣展厅节点 A B C D E F G1 23 45 6 7 8 9开始市场考察申请面辅材料面辅料采购面辅料入库面辅料配发制作工艺单根据款式风格确定开发方向制作产品规划制定时间表审核面辅料开发新版型开发款式开发1011121314151617编制单位****服装设计有限公司流程所有者结束电脑入账、陈列纸版制作审核样衣裁剪制作样衣筛选、版型审核筛选订货款式参与参与样衣复色、定价定货会任务名称任务程序、重点及标准相关资料/表格确定研发方向程序1、产品企划案2、产品开发任务表◇设计师收集国内外相关新产品信息、**品牌服装的产品销售信息、客户需求信息、竞争对手信息及行业流行信息等,并进行分析整理,掌握同类产品最新流行趋势,确定新产品研发方向;◇讨论并制作新产品企划方案(包括:款式、色彩、面料、辅料、版型、工艺、价格等)及新产品开发任务及时间表,报设计师团队总监审核后实施;◇同时与采购部、制版样衣沟通进行面辅料及新版型的开发。
重点◇制定准确的新产品企划标准◇符合公司品牌定位,适合当季流行趋势图稿论证和材料配发程序1、面辅料申请单2、设计图稿3、材料配发一览表◇根据开发任务及不同系列风格进行图稿设计;◇对设计图稿进行论证、修改,审核面辅料与设计风格协调统一;◇申请采购面辅料并与图稿一同发放。
重点◇设计图稿论证标准◇达到系列开发要求**品牌服装新产品开发制作工作标准(续表)任务 名称 节点 任务程序、重点及标准 相关资料/表格标准产品制作 程序1、工艺单2、母版3、样衣◇制版样衣工艺研发组根据新产品风格制作工艺单;◇制版样衣版型组根据新产品风格制作母版并进行纸版分割后交设计部审核;◇制版样衣样衣组裁剪和样衣的制作;◇制版样衣进行样衣筛选、版型和工艺论证,交研发中心总监审核。
重点 ◇产品制作 标准◇产品与设计意图相吻合样衣筛选与 复色◇样衣展厅管理员对制版样衣交接样衣进行电脑入账,并按系列风格进行分类、陈列;1、样衣出入库单◇市场开发组织设计师和制版样衣共同对订货款式进行筛选与修正; ◇技术支持组对样衣进行核价并报批;◇样衣小组对所选款式进行样衣复色,参加订货会。
一般产品的制作流程下载温馨提示:该文档是我店铺精心编制而成,希望大家下载以后,能够帮助大家解决实际的问题。
文档下载后可定制随意修改,请根据实际需要进行相应的调整和使用,谢谢!并且,本店铺为大家提供各种各样类型的实用资料,如教育随笔、日记赏析、句子摘抄、古诗大全、经典美文、话题作文、工作总结、词语解析、文案摘录、其他资料等等,如想了解不同资料格式和写法,敬请关注!Download tips: This document is carefully compiled by theeditor. I hope that after you download them,they can help yousolve practical problems. The document can be customized andmodified after downloading,please adjust and use it according toactual needs, thank you!In addition, our shop provides you with various types ofpractical materials,such as educational essays, diaryappreciation,sentence excerpts,ancient poems,classic articles,topic composition,work summary,word parsing,copy excerpts,other materials and so on,want to know different data formats andwriting methods,please pay attention!一般产品的制作流程。
1. 需求调研。
确定产品需求,包括市场需求、消费者偏好和技术要求。
新产品制样作业流程
一、立项申请
1. 产品经理根据市场情况或客户需求,提出新产品开发需求,填写《新产品立项申请表》。
2. 立项申请表经过评审后,由公司批准立项。
二、样品开发
1. 产品经理与设计部门沟通产品设计要求。
设计部门进行产品设计并提供设计图纸。
2. 采购部门根据设计图纸,采购样品所需的原材料和辅料。
3. 加工部门根据设计图纸,进行样品的加工制作。
制作过程中发现问题及时反馈设计部门修改设计方案。
4. 检验部门对制作好的样品进行检验,检查其与设计要求的符合性。
5. 若样品检验不通过,加工部门根据反馈进行改进,直至样品检验通过。
三、样品确认
1. 产品经理根据样品进行测试和评估,如果样品能满足设计要求,则签字确认。
2. 样品获得确认后,由文控部门进行样品档案管理。
四、小批量试产
1. 采购部门按批量生产需要,采购所需原材料。
2. 加工部门在样品确认的基础上,进行小批量试产。
3. 检验部门对试产产品进行抽检。
4. 若试产产品质量通过确认,则可进行批量生产;如果不通过,则需要返工改进。
五、批量生产
1. 根据试产结果和市场反馈,确定批量生产计划。
2. 采购部门采购足够的原材料。
3. 加工部门按计划组织生产。
4. 检验部门进行出厂检验。
5. 包装部门进行包装。
6. 仓储部门入库,并进行发货。
以上是新产品制样作业的基本流程,各部门需要紧密配合,确保产品质量,提高工作效率。
在实际操作中,需要根据具体情况进行灵活调整。
护肤品制作工艺流程护肤品制作工艺流程:护肤品是指通过外用方式应用于皮肤上的一类产品,并能改善皮肤的整体质量和健康度。
以下是护肤品制作的一般工艺流程:一、原材料准备阶段:1. 确定产品类型:根据市场需求,确定要生产的护肤品类型,如洗面奶、乳液、面膜等。
2. 选择原材料:根据产品类型,选择适合的原料,如活性成分、防腐剂、稳定剂等。
3. 采购原材料:根据产品配方,采购所需的原材料,并确保原材料的质量符合标准。
二、生产工艺阶段:1. 材料配制:按照产品配方表中的比例,将原材料称量并放入制作容器中,如搅拌机。
2. 混合搅拌:将容器中的原材料进行搅拌混合,确保各种成分充分融合。
3. 加热处理:如果产品需要加热,根据产品要求将容器中的原料加热至指定温度。
4. 容器消毒:将容器进行严格的消毒处理,以确保产品的卫生和安全。
5. 充填包装:将制作好的产品充填到指定包装中,如瓶子、罐子、管状等。
6. 印刷贴标:将产品包装进行印刷,并贴上相应的标签和说明书。
7. 包装成箱:将包装好的产品装箱,便于储存和运输。
三、质量检测阶段:1. 外观检查:对包装好的产品进行外观检查,确保包装无损、标签清晰。
2. 感官评价:对产品进行气味、质地、颜色等感官方面的评价。
3. 物理化学指标检测:对产品进行相关的物理化学指标检测,如pH值、稠度、稳定性等。
4. 微生物检测:对产品进行微生物检测,确保产品不受细菌和霉菌的污染。
5. 安全性评估:对产品进行安全性评估,确保产品对皮肤的刺激性和过敏性低。
四、包装和储存阶段:1. 包装:将质检合格的产品进行包装,并按照规定贴上相应的标签和说明书。
2. 储存:将包装好的产品储存到适宜的环境中,确保产品质量的稳定。
3. 货运:将储存好的产品进行运输,确保产品不受损坏。
通过以上工艺流程,护肤品制造商可以生产出质量优良、安全可靠的护肤品产品,并满足消费者的需求。
同时,制造商还应不断改进制作工艺,提高产品的质量和功能,以适应市场的不断变化。
生产流程跟单表格模板
一、产品信息
产品名称:
产品编号:
产品规格:
产品颜色:
参考图片:
二、生产流程
1. 生产准备阶段
•[ ] 确认订单信息
•[ ] 准备原材料
•[ ] 准备生产设备
2. 生产加工阶段
•[ ] 切割原材料
•[ ] 组装生产
•[ ] 进行加工工艺
3. 质量检验阶段
•[ ] 抽检产品
•[ ] 测试产品性能
•[ ] 检查产品外观
4. 包装出库阶段
•[ ] 包装产品
•[ ] 标注产品信息
•[ ] 完成出库手续
三、跟单记录
序号工序名称负责人完成时间备注
1 生产准备阶段
2 生产加工阶段
3 质量检验阶段
4 包装出库阶段
5 总结与反馈
四、注意事项
1.严格按照流程操作,确保生产质量和效率。
2.在跟单记录中及时填写完成情况,确保生产进度顺利。
3.遇到问题及时向主管汇报,协调解决方案。
4.关注生产过程中的安全防护措施,确保工作安全。
以上是生产流程跟单表格模板的内容,提醒每位负责人认真执行,确保生产流程顺利进行并达到预期目标。
APQP新产品设计开发全套表格模板(含部分范本)XXXXXXX 有限公司 APQP 全套表单APQP 设计开发过程全套记录表格清单序号编号名称1 TTQR8.1-01 运行策划和控制方案2 TTQR8.1-02 质量计划书3 TTQR8.1-03 保密检查情况记录4 TTQR8.3-01 设计和开发总策划5 TTQR8.3-02 产品开发项目立项书6 TTQR8.3-03 新品开发计划7 TTQR8.3-04 设计任务书8 TTQR8.3-05APQP 小组成员及职责技能表9 TTQR8.3-06 初始材料清单10 TTQR8.3-07APQP 计划阶段评审报告11 TTQR8.3-08 产品设计开发输入评审12 TTQR8.3-09 DFMEA13 TTQR8.3-10 产品特殊特性清单14 TTQR8.3-11 产品标准规范15 TTQR8.3-12 总成图、零件图、装配图16 TTQR8.3-13 设计和开发评审17 TTQR8.3-14 产品保证计划18 TTQR8.3-15 设计验证计划19 TTQR8.3-16 初始过程流程图20 TTQR8.3-17 样件控制计划21 TTQR8.3-18 样品验证报告22 TTQR8.3-19 新设备工装检测设备检查表及开发计划进度表23 TTQR8.3-20 产品安全防护表24 TTQR8.3-21 产品材料用量规格表(BOM)25 TTQR8.3-22 工程规范审查确认26 TTQR8.3-23 产品防错一览表27 TTQR8.3-24 可制造性和装配性设计28 TTQR8.3-25 模具配置申请表29 TTQR8.3-26 模具设计任务书30 TTQR8.3-27 模具制造报价单31 TTQR8.3-28 模具供方评定表32 TTQR8.3-29 模具加工合同33 TTQR8.3-30 模具跟踪评审验收记录34 TTQR8.3-31 设计和开发验证记录35 TTQR8.3-32 小组可行性承诺36 TTQR8.3-33 产品设计和开发输出评审XXXXXXX 有限公司 APQP 全套表单序号编号名称37 TTQR8.3-34 APQP 产品设计阶段评审报告38 TTQR8.3-35 产品/过程质量体系评审39 TTQR8.3-36 过程设计和开发输入评审40 TTQR8.3-37 产品特性重要度分级表41 TTQR8.3-38 产品和过程特殊特性清单42 TTQR8.3-39 特性矩阵图43 TTQR8.3-40 过程流程图44 TTQR8.3-41 车间平面定置管理图及检查表45 TTQR8.3-42 PFMEA 表46 TTQR8.3-43 试生产控制计划47 TTQR8.3-44 生产设备清单48 TTQR8.3-45 检测设备清单49 TTQR8.3-46 工艺规范及评审报告50 TTQR8.3-47 过程作业指导书51 TTQR8.3-48 测量系统分析计划52 TTQR8.3-49 初始过程能力研究计划53 TTQR8.3-50 包装作业指导书(包装规范)54 TTQR8.3-51 OTS 样件全尺寸报告55 TTQR8.3-52 OTS 样件材质试验结果56 TTQR8.3-53 OTS 样件性能试验结果57 TTQR8.3-54 过程设计开发输出评审58 TTQR8.3-55 APQP 设计阶段评审报告59 TTQR8.3-56 试生产计划60 TTQR8.3-57 试生产准备检查表(确认设备、工装、人员)61 TTQR8.3-58 试过程工艺参数检测记录62 TTQR8.3-59 试生产验证测试报告63 TTQR8.3-60 试生产总结报告64 TTQR8.3-61 节拍产能分析报告65 TTQR8.3-62 初始过程能力研究报告66 TTQR8.3-63 生产控制计划67 TTQR8.3-64 设计开发确认表68 TTQR8.3-65 零件提交保证书69 TTQR8.3-66 产品质量策划总结和认定70 TTQR8.3-67 APQP 试生产阶段评审报告71 TTQR8.3-68 工程变更申请单72 TTQR8.3-69 工程变更通知单73 TTQR8.3-70 嵌入式软件开发评估表XXXXXXX 有限公司 APQP 全套表单嵌入式软件开发评估表项目名称:一、推进流程应用工作量TQR8.3-70NO.序号阶段1 项目准备2 系统配置3 流程调研4 设定流程5 模拟调试6 管理员培训7 用户培训8 系统启用工作内容现有系统配置情况检查系统相关模块的基本数据情况检查制定实施阶段计划,约定每个阶段的时长,准确划分各阶段时间节点预定培训实施期间培训日期安排建立相关组织结构, 建立相关角色调整全局配置项建立权限分配方案落实需要上线的流程列表,这些流程主要包括:党委发文流程、纪委发文流程、公司发文流程、部门发文流程(报告、函、请示、通知)、公司收文流程,以及:用印申请流程、出差申请流程、会议管理流程等培训流程图的标准画法收集流程图,交流流程信息、修改流程图、流程图定稿建立流程,谁提交,谁批准,谁执行建立流程表单,及相应说明, 建立流程处理签建立存档管理,配置相关归档目录建立权限管理对所有流程进行模拟测试,特别是各个重要公文流程,必须进行遍历测试根据模拟测试发现的情况,对流程设置进行检讨和调整对流程管理员进行培训,使其掌握流程异常情况处理、流程微调技巧根据项目实际整理培训资料落实培训人员、场地、时间安排三场用户培训,需用户积极配合协调建立起与系统运行相适应的管理规章制度发布正式启用系统的通知系统检查与实施补充问题收集、反馈、调整阶段评估验证9 项目收尾项目回顾、权限收回总评XXXXXXX 有限公司 APQP 全套表单二、新功能开发流程序号 1 2 3 4 5 67阶段工作内容需求调研、分析需求确认了解用户业务,获取用户对功能、性能等方面的需求用户方、开发方对需求进行审核确认这些功能包括:安全认证、电子印章、规章制度管理、业务整合总体设计系统初步设计总体设计评审详细设计详细设计评审用户方、开发方对总体设计审核确认对系统功能、操作界面、处理逻辑、数据库、代码体系等进行详细设计开发组对详细设计方案审核确认编写程序、单元测试系统管理(设置,备份还原)操作人员管理及权限管理编程、单元测试安全认证电子印章规章制度管理业务整合(初步)业务整合(深入)8集成测试系统集成测试、系统测试,编程与测试可以交叉进行到用户现场安装调试开发好的系 9 安装调试统,并与用户一起试走业务流程,对系统进行功能确认测试10系统初始化将系统初始化;准备业务基础数据并录入系统;11 用户培训对用户操作人员、系统管理人员进行详细培训12项目跟踪与总结系统 bug 控制,操作指导合计阶段评估验证XXXXXXX 有限公司 APQP 全套表单设计评审报告产品名称:研制单位:产品负责人:拟制日期:XXXXXXX 有限公司 APQP 全套表单设计评审申请表部门评审项目名称评审日期设计所 XXXxx 年 xx 月 xx 日产品研发工程师产品内部代号评审地点技术中心三楼会议室一、建议参加评审单位及人员设计所:模具中心:工艺技术部:技术管理部:品质中心:检测中心:企划部:车载事业部:营销中心:物流部:财务部:设备部:其它:二、申请评审内容三、室主任审批意见四、总工程师审批意见XXXXXXX 有限公司 APQP 全套表单提供评审的文件、资料清单序号1 2 3 4 5 6 7 8 9 10文件资料名称产品立项书新品开发计划产品设计任务书初始材料清单初始过程流程图初始特殊特性清单产品三维草图DFMEA 试验计划其它(如:顾客要求)编审人或资料来源营销中心企划部研发工程师研发工程师研发工程师研发工程师研发工程师研发工程师研发工程师备注评审意见汇总及问题解决措施一、评审意见汇总(请研发工程师根据评审意见表上所列各项建议和意见进行汇总,未列入的评审意见视为不采纳)==由于设计评审意见太过随意,此处对其进行汇总,未列入里头的意见视为不采纳XXXXXXX 有限公司 APQP 全套表单二、存在问题及解决措施一览表序号问题内容1 2 3 4 5 6 7 8 9 10 11 12 13 14 15 16措施建议要求完成追踪负责人日期结论XXXXXXX 有限公司 APQP 全套表单评审结果1、评审结论:2、研制单位意见:评审组组长:3、主管领导复审决定:主管:签字:年月日年月日年月日XXXXXXX 有限公司 APQP 全套表单评审组名单姓名职务/职称XXX 设计室主任高工XXX 工艺技术部经理高工XXX 模具副主任工程师单位设计所工艺技术部模具中心签名是否有评审意见是否√√√备注:未提交《设计评审意见表》视为“同意该产品的所有设计”XXXXXXX 有限公司 APQP 全套表单附件 1设计评审意见表评审项目名称产品内部代号序号存在问题描述评审日期措施建议评审者/单位:XXXXXXX 有限公司 APQP 全套表单产品开发项目立项书项目名称: (例如:XXXXX) 项目类别: (例如:汽车继电器)XXXXXXX 有限公司 APQP 全套表单项目来源及概况项目名称项目来源申请部门申请人承办部门承办人一、市场调研与分析、顾客输入(公司决策的会议纪要等文件或销售人员市场调查、出差报告可作为附件): 1. 开发背景(基于何种目的):2. 市场需求情况(产品的年预计需求量、主要针对怎样的客户或市场等):3. 特定的客户需求(希望的目标价格、开发进度等):4.市场竞争情况:5.竞争对手样品、样本、安全认证或专利等资料的提供(可作为附件)。