动车卫生间水盆密封试验报告 test Report
- 格式:docx
- 大小:6.09 MB
- 文档页数:4
卫浴质检报告样本1. 引言本质检报告样本旨在为卫浴产品的质量检验提供参考。
卫浴产品是日常生活中必不可少的重要设备,其质量安全直接关系到用户的健康和生活质量。
通过进行科学的质检,可以对卫浴产品进行全面的评估,确保其符合相关质量标准和法规要求。
2. 质检目的卫浴质检的目的是为了评估产品的质量,保障用户的安全和满意度。
通过对卫浴产品进行质量检验,可以发现潜在的质量问题,并采取相应的改进措施,提高产品品质和用户体验。
3. 质检内容卫浴产品的质检内容通常包括以下方面:3.1 外观质量外观是用户第一眼接触到的产品特征,其质量直接影响用户的购买决策。
外观质检主要包括检查产品表面的平整度、色差、划痕、气泡等缺陷,确保产品的外观符合设计要求。
3.2 功能性能卫浴产品的功能性能对用户的使用体验至关重要。
功能性能质检包括对产品的水压、温度控制、流量等性能指标进行测试,确保产品的功能正常且符合标准要求。
3.3 安全性能卫浴产品的安全性能直接关系到用户的健康和安全。
安全性能质检包括对产品的防溅水、防漏电、防烫伤等安全性能指标进行测试,确保产品在正常使用时不会对用户造成伤害。
3.4 耐久性能卫浴产品通常需要长时间使用,因此其耐久性能十分重要。
耐久性能质检包括对产品的使用寿命、耐压性、耐腐蚀性等指标进行测试,确保产品能够承受长时间的使用而不损坏。
4. 质检方法卫浴产品的质检通常采用以下方法进行:4.1 目视检查目视检查是最常用的质检方法之一,检查人员通过肉眼观察产品的外观,发现可能存在的缺陷并记录。
4.2 功能性能测试功能性能测试是通过使用专门的设备对产品的功能性能进行测试,如对淋浴头进行水压测试、对淋浴花洒进行喷水量测试等。
4.3 安全性能测试安全性能测试是通过对产品的电气性能、耐温性能等进行测试,判断其是否符合相关安全标准。
4.4 耐久性能测试耐久性能测试是通过对产品进行长时间的使用测试,判断其在长期使用情况下的耐久性能和质量。
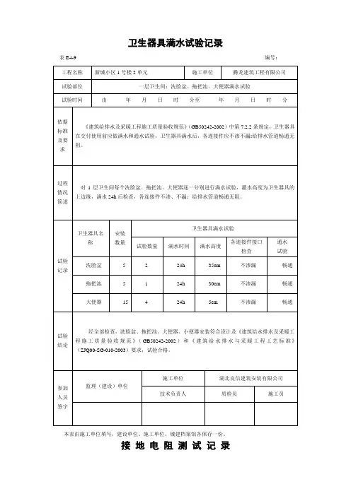
卫生器具满水试验记录表E4-9 编号:
本表由施工单位填写,建设单位、施工单位、城建档案馆各保存一份。
接地电阻测试记录表E5-1 编号:
电气绝缘电阻测试记录表E5-2编号:
管道强度、严密性试验记录
表E4-3 编号:
管道通水试验记录
表E4-4 编号:
管道吹(冲)洗(脱脂)试验记录
表E4-5 编号:
管道灌水试验记表
表E4-1 编号:
防水工程试水检查记录表E2-3编号:
本表由施工单位填写,建设单位、施工单位、城建档案馆各保存一份。
室内排水管道通球试验记录
表E4-6 编号:
本表由施工单位填写,建设单位、施工单位、城建档案馆各保存一份。
厕所、厨房、阳台等有防水要求的地面泼水、蓄水试验检查记录
厕所、厨房、阳台等有防水要求的地面泼水、蓄水试验检查记录
厕所、厨房、阳台等有防水要求的地面泼水、蓄水试验检查记录
厕所、厨房、阳台等有防水要求的地面泼水、蓄水试验检查记录
厕所、厨房、阳台等有防水要求的地面泼水、蓄水试验检查记录
厕所、厨房、阳台等有防水要求的地面泼水、蓄水试验检查记录
厕所、厨房、阳台等有防水要求的地面泼水、蓄水试验检查记录
厕所、厨房、阳台等有防水要求的地面泼水、蓄水试验检查记录
厕所、厨房、阳台等有防水要求的地面泼水、蓄水试验检查记录
厕所、厨房、阳台等有防水要求的地面泼水、蓄水试验检查记录
厕所、厨房、阳台等有防水要求的地面泼水、蓄水试验检查记录
厕所、厨房、阳台等有防水要求的地面泼水、蓄水试验检查记录。
卫浴设施质量验收报告尊敬的报告委托人,首先,我要感谢您给我提供了这个关于卫浴设施质量验收的报告题目。
我会根据您的要求编写一份符合规范和准确反映质量验收结果的报告。
以下是我为您准备的卫浴设施质量验收报告。
卫浴设施质量验收报告一、引言本报告是根据您对卫浴设施的质量验收委托而编写的。
我们对您所提供的卫浴设施进行了全面的验收,并通过以下章节对验收结果进行详细说明。
二、卫浴设施概述卫浴设施是指包括洗手盆、浴缸、淋浴设备、马桶等在内的设施,其质量验收是为了确保设施的正常使用和安全性。
三、验收标准我们参考了相关的国家标准和行业规范,制定了卫浴设施质量验收的标准,包括外观检查、功能性检测、水暖接口检验等。
四、外观检查我们首先对卫浴设施的外观进行了检查。
经过仔细观察,我们发现卫浴设施的外观整体均符合标准要求,没有明显的缺陷、裂痕或其他损伤。
五、功能性检测在功能性检测方面,我们对每个卫浴设施的功能进行了测试。
以下是我们的测试结果:1. 洗手盆:水流稳定,排水顺畅,未发现渗漏现象。
2. 浴缸:浴缸内部光滑,无明显瑕疵,排水迅速。
3. 淋浴设备:喷头的水流均匀,水温控制准确。
4. 马桶:冲水功能正常,排水迅速而稳定。
六、水暖接口检验为了确保卫浴设施的安装质量,我们对水暖接口进行了检验。
经过检验,我们确认所有接口都严密可靠,不存在漏水或渗漏的问题。
七、验收结论经过对卫浴设施的全面质量验收,我们认为该设施符合验收标准,并没有出现质量问题。
您可以放心使用这些设施。
八、改进建议尽管卫浴设施符合验收标准,但我们仍然建议您定期进行设施的维护和保养,以确保设施长期使用的良好状态。
九、致谢最后,我们要感谢您给予我们这次质量验收的机会。
如果您对本报告有任何疑问或需要进一步的信息,请随时向我们咨询。
附录:照片和检测数据(提供必要的附件,以支持报告内容)。
此为我根据您提供的题目“卫浴设施质量验收报告”编写的报告,希望您满意。
如果您需要进一步的帮助或有其他要求,请随时告诉我。
卫浴产品质量验收报告尊敬的客户,感谢您购买我们公司的卫浴产品。
为确保产品质量和您的满意度,我们经过严格的质量检验和验证,并将结果列在本报告中。
以下是对购买的卫浴产品进行的详细质量验收报告:1. 产品信息产品名称:[产品名称]产品型号:[产品型号]产品批次:[产品批次]规格尺寸:[产品规格尺寸]数量:[产品数量]2. 外观质量在验收过程中,我们对卫浴产品的外观进行了细致的观察和评估。
产品外观应符合以下标准:- 无明显划痕或损坏- 表面光滑平整,无色差- 无气泡、缺陷或变形根据我们的检查,所购买的卫浴产品外观完好无损,符合以上规定。
3. 功能性能我们对卫浴产品的功能性能进行了全面的测试。
产品应满足以下要求:- 所有操作按钮、开关和控制系统运作正常- 前后左右的旋转或调节灵活平稳- 无渗漏或滴漏问题- 提供恒定的水流或水温- 马桶冲洗功能正常经过我们的检验,所购买的卫浴产品全部达到了以上功能性能要求,并且在各项测试方面表现良好。
4. 安全性能我们对卫浴产品的安全性能进行了详细的检查。
产品应满足以下标准:- 产品的电气部分符合相关安全规定- 产品无尖锐、锋利的边缘或部件- 产品无易碎或可导致伤害的材料根据我们的验证,所购买的卫浴产品在安全性能方面也完全符合要求,并能确保用户的安全和舒适。
5. 包装和配件在验收过程中,我们还对卫浴产品的包装和配件进行了仔细检查。
产品的包装和配件应满足以下要求:- 包装完好无损,有足够的保护措施- 配件齐全,无缺损或损坏我们检查的结果显示,所购买的卫浴产品的包装完好,并且配件齐全无损。
6. 售后服务我们致力于为客户提供完善的售后服务。
如果您在使用过程中遇到任何问题,请随时与我们联系。
我们将竭诚为您提供解决方案和支持。
总结:经过全面的质量验收测试,所购买的卫浴产品在外观、功能性能、安全性能以及包装和配件方面均符合相关要求。
我们相信这些产品将能够满足您的需求,并为您带来优质的使用体验。
至
卫生器具满水和通水试验记录
GD-C4-654
单位(子单位)工程名称
施工单位检验批编号GD-C5-7128001分部/子分部/分项 (或系统/子系统)施工部位
一层卫生间
施工依据文件名称及编号最小/实际抽样
数量
全/2
质量验收依据文件名称及编号
检测日期
年 月 日
年 月 日测试计量器具(仪表、仪器)及其附属设备(器具)的名称/型号、规格/量程/分辨精度/出厂编号/制造厂商/其他要素:
卫生器具名称、型号、规格/安装位置
给水配件 通水状况满水试验时器具及其 排水配件的渗漏状况
排水口、溢流 口通水状况检测调试说明:
综合评价结论/备注施工单位检测调试负责人
监理(建设)单位
施工单位项目专业监理工程师
(建设单位项目专业负责人)签名:
专业工长
专业质检员
施工班组长
蹲便器/卫生间小便斗/卫生间
通畅通畅连接件无渗漏连接件无渗漏给排水及溢流口畅通给排水及溢流口畅通。
卫生器具满水试验记录
表E4-9 编号:
本表由施工单位填写,建设单位、施工单位、城建档案馆各保存一份。
接地电阻测试记录
表E5-1 编号:
本表由施工单位填写,建设单位、施工单位、城建档案馆各保存一份。
电气绝缘电阻测试记录
表E5-2编号:
本表由施工单位填写,建设单位、施工单位、城建档案馆各保存一份。
管道强度、严密性试验记录
表E4-3 编号:
本表由施工单位填写,建设单位、施工单位、城建档案馆各保存一份。
管道通水试验记录
表E4-4 编号:
本表由施工单位填写,建设单位、施工单位、城建档案馆各保存一份。
管道吹(冲)洗(脱脂)试验记录
表E4-5 编号:
本表由施工单位填写,建设单位、施工单位、城建档案馆各保存一份。
管道灌水试验记表
表E4-1 编号:
本表由施工单位填写,建设单位、施工单位、城建档案馆各保存一份。
防水工程试水检查记录
表E2-3编号:
本表由施工单位填写,建设单位、施工单位、城建档案馆各保存一份。
室内排水管道通球试验记录
表E4-6 编号:
本表由施工单位填写,建设单位、施工单位、城建档案馆各保存一份。
水池进水密封试验报告模板
报告编号:
试验日期:
试验项目:
试验目的:
试验方法:
试验过程:
1.准备工作:
a.在水池底部放置试验物品,并确保物品与水池底部的密封性。
b.关闭水池的进水管道。
2.开始试验:
a.打开水池底部的取水阀门,观察是否有漏水现象。
b.持续观察一段时间,检查水池内是否有水渗入试验物品,并记录观测结果。
3.结束试验:
a.关闭取水阀门,并清理试验物品及水池。
b.记录试验结果,并分析试验物品的密封性能。
试验数据:
试验结果:
结论及建议:
试验人员签字:日期:
审核人员签字:日期:。
流体润滑与密封技术试验为了让密封件得最终用户对产品持有高度的信赖,相信所提供的特定型号的密封的性能符合国际标准的要求,每个密封或系统在投放市场之前,须由密封件制造商进行适当的试验。
包括拆装试验、水压试验、气压试验和运行试验。
一、实验目的1.通过对釜用双端面密封的拆装,了解双端面密封的结构。
2.了解机械密封水压试验的步骤。
3.了解机械密封气压试验的步骤。
4.了解机械密封运转试验的步骤和有关的判定方法。
通过以上4个部分对API 682规定的实验程序有个大致的了解。
二、实验设备拆装试验:釜用集装式双端面机械密封。
水压试验:釜用集装式双端面机械密封,人工打压泵运行试验:连接电机的双端面机械密封,气源等。
气压试验:平衡储罐,阀门,压力表,单端面机械密封。
三、实验步骤1)拆装试验本次实验所用的是集装式釜用双端面机械密封,如图1所示,分别为轴承座部分和双端面机械密封部分。
集装式的优点是在只要确定轴尺寸和釜的连接尺寸就可以在外面直接将机械密封组装好,省去了现场安装机械密封的麻烦。
图11.先看图纸分析拆卸次序,并将橡胶垫在地上铺好,以盛放零件2.将轴承座与机封整体的连接螺钉拧下,然后将整个轴承座直接拿下来,整齐地放到橡胶垫上,在拿下轴承座的过程中要防止静环掉落。
3.拆除上面一组动静环和下动环以及弹簧、动静环、O型圈和挡圈,然后将固定在轴套上的动环座上的顶丝拧下,拆下动环座。
过程中注意不要触碰密封面,并将密封面朝上摆放。
4.然后将下静环座上的静环用两个内六角拿出。
5.仔细用丝绵擦拭拆卸下的各个部件,并用酒精加擦镜纸擦拭动静环的密封面,在O型圈上涂抹硅脂。
6.全部擦拭好之后,先将动环座用顶丝固定到轴套上,然后安装上弹簧、动环、O型圈和挡圈,并注意卡口位置对齐。
7.在地上将两块木板相间20cm左右竖放,在轴承座上的空螺栓孔内对称地插入两个拆下的长螺钉,然后将轴承座反转后放到竖立的木板上,过程中保证两根长螺钉不从螺栓孔中掉出。
卫生器具满水试水试验记录
工程名称:休宁县保障性住房13#楼试验时间:年月日
卫生器具满水试水试验记录
工程名称:休宁县保障性住房13#楼试验时间:年月日
卫生器具满水试水试验记录
工程名称:休宁县保障性住房13#楼试验时间:年月日
卫生器具满水试水试验记录
工程名称:休宁县保障性住房13#楼试验时间:年月日
卫生器具满水试水试验记录
工程名称:休宁县保障性住房13#楼试验时间:年月日
卫生器具满水试水试验记录
工程名称:休宁县保障性住房16#楼试验时间:年月日
卫生器具满水试水试验记录
工程名称:休宁县保障性住房16#楼试验时间:年月日
卫生器具满水试水试验记录
工程名称:休宁县保障性住房16#楼试验时间:年月日
卫生器具满水试水试验记录
工程名称:休宁县保障性住房16#楼试验时间:年月日
卫生器具满水试水试验记录
工程名称:休宁县保障性住房16#楼试验时间:年月日。