kV高压环网柜交接试验报告
- 格式:doc
- 大小:80.50 KB
- 文档页数:2
环网柜实验报告环网柜实验报告一、引言环网柜是一种用于电力配电系统的高压设备,它能够实现电力的双向流动和智能管理。
本实验旨在对环网柜的性能进行测试和评估,以验证其在电力系统中的可靠性和稳定性。
二、实验目的1. 测试环网柜的电流传输能力,评估其在高负载情况下的稳定性。
2. 测试环网柜的电压传输能力,评估其在不同电压条件下的可靠性。
3. 测试环网柜的智能管理功能,验证其对电力系统的监测和控制能力。
三、实验装置1. 环网柜:采用市场上常见的环网柜设备,具备双向电流传输和智能管理功能。
2. 电流负载:通过外部负载装置模拟真实的电力负载情况。
3. 电压测试仪:用于测量环网柜输出的电压稳定性和波动情况。
4. 控制系统:用于对环网柜进行监测和控制,以验证其智能管理功能。
四、实验步骤1. 连接电流负载:将电流负载装置与环网柜的输出端口连接,设置合适的负载电流。
2. 测试电流传输能力:逐步增加负载电流,记录环网柜输出电流的变化情况,并评估其稳定性和可靠性。
3. 连接电压测试仪:将电压测试仪与环网柜的输出端口连接,设置适当的测量参数。
4. 测试电压传输能力:在不同电压条件下,记录环网柜输出电压的稳定性和波动情况,并进行评估。
5. 测试智能管理功能:通过控制系统对环网柜进行监测和控制,验证其对电力系统的智能管理能力。
五、实验结果与分析1. 电流传输能力:实验结果显示,在高负载情况下,环网柜能够稳定传输电流,且输出电流波动较小,说明其具备良好的负载适应能力。
2. 电压传输能力:实验结果表明,在不同电压条件下,环网柜能够稳定输出电压,且电压波动范围较小,说明其具备良好的电压调节能力。
3. 智能管理功能:通过控制系统对环网柜进行监测和控制,实验结果显示环网柜能够准确监测电力系统的状态,并根据需要进行调节和控制,具备较高的智能管理能力。
六、实验结论本实验验证了环网柜在电力系统中的可靠性和稳定性。
实验结果表明,环网柜具备良好的电流传输能力和电压传输能力,能够稳定输出电流和电压,并具备智能管理功能,能够对电力系统进行有效监测和控制。
10KV环网柜试验报告模板
专业性和真实性高
1报告概述
本报告是对10KV环网柜的试验报告,旨在评估电气设备的安全性,绝缘性和可靠性。
10KV环网柜是一种作为高压环网变电站配备的配电设备,在各种工厂、仓库、楼宇的电气设计、布置中,它负责开关和测量电力信号,具有重要的控制和保护作用。
2试验前准备
2.1环网柜的结构
2.2试验条件
(1)环网柜应满足供电系统的设计规程,并满足技术标准、示范施工要求和设计文件的规定。
(2)环网柜的绝缘系统的绝缘强度应有效的地达到技术精度,并满足保护和制动的要求。
(3)操作器应有良好的动作特性,电气动作可靠。
(4)环网柜的功能及参数应符合所选用的配电系统。
3试验方法
3.1绝缘强度试验
绝缘强度试验,主要检测产品的高压释放特性,即在一定的时间内能够承受的电压。
绝缘强度试验主要有静绝缘强度试验、动绝缘强度试验和电绝缘强度试验。
3.2漏电流试验。
10kV 高压环网柜交接试验报告工程单位:金盘站10kV金湖甲线(大和石材至湖下# 6 变台开关分线箱)改造工程安装位置:公路局前分线箱(Z4)1.铭牌:型号DFW-12 额定电压(kV) 12 额定频率(HZ) 50 部位AH1 AH2 AH3 AH4 AH5 AH6 额定电流(A) 630 630 630 ——————开关编号————————————网柜编号1108220801 出厂日期2011.09制造厂广东广特电气有限公司2. 绝缘电阻试验:温度: 19 ℃湿度:50%试验日期:2011 年12 月16 日部位相别AH1 AH2 AH3 AH4 AH5 AH6 A—B、C地10000 10000 10000 ——————B—A、C地10000 10000 10000 ——————C—A、B 地10000 10000 10000 ——————3. 工频耐压试验:温度: 19 ℃湿度:50%试验日期:2011 年12 月16 日相别试验项目部位试验(kV)AH1 AH2 AH3 AH4 AH5 AH6 试验时间(S) 试验结果A 相对地42 42 42 ——————60 无击穿放电断口42 42 42 ——————60 无击穿放电B 相对地42 42 42 ——————60 无击穿放电断口42 42 42 ——————60 无击穿放电C 相对地42 42 42 ——————60 无击穿放电断口42 42 42 ——————60 无击穿放电4.相序检查:正确5、使用仪器、仪表:器具名称编号检验证编号检验单位有效期ZS-2503A 绝缘电阻表092524 DCG20115724 省计量院2012 年11 月YDJM50 试验变压器(XCJH 5∕220 操作箱)20000910(100752)DCG20115709 省计量院2012 年11 月5. 试验结果: 合格试验人员:试验负责人:第 1 页。
10KV环网柜试验报告模板标题:10KV环网柜试验报告日期:(填写试验日期)试验对象:10KV环网柜试验目的:1.验证10KV环网柜的电气性能是否符合设计要求;2.检验10KV环网柜的各个功能模块是否正常运行;3.记录试验数据,为后期的运维提供参考。
试验仪器和设备:1.10KV测试电源;2.数字电力仪表;3.温度计;4.多功能测试仪。
试验步骤:1.对10KV环网柜进行外观检查,确认各个部件是否完好无损。
2.进行绝缘测试:a.使用数字电力仪表对10KV环网柜的绝缘电阻进行测量,记录数据。
b.使用数字电力仪表对10KV环网柜的介质损耗因数进行测量,记录数据。
3.进行电气性能测试:a.使用10KV测试电源对环网柜的额定电压进行输出,检测其输出电压是否稳定。
b.使用多功能测试仪对10KV环网柜的电压、电流、功率参数进行测试,记录数据。
c.设定不同负载情况下,对10KV环网柜进行过载测试,检测其保护装置的响应时间,并记录数据。
4.进行温度测试:a.使用温度计对10KV环网柜的各个部件的表面温度进行测量,记录数据。
b.设定不同负载情况下,对10KV环网柜进行长时间运行测试,测量环网柜各个部件的温度变化情况,并记录数据。
5.进行功能测试:a.检验环网柜的各个开关、指示灯是否正常运行。
b.检验环网柜的联锁功能是否正常。
c.检验环网柜的远程通信功能是否正常。
试验结果和数据分析:1.绝缘测试结果:a.绝缘电阻和介质损耗因数均符合设计要求。
2.电气性能测试结果:a.输出电压稳定性良好,符合额定要求。
b.各项电参数(电压、电流、功率)均符合设计要求。
c.过载测试中,保护装置能够及时响应,保护环网柜的安全运行。
3.温度测试结果:a.各个部件的表面温度均在设计要求范围内。
b.在长时间运行测试中,环网柜的温度变化符合设计要求。
4.功能测试结果:a.各个开关、指示灯运行正常。
b.联锁功能和远程通信功能正常运行。
结论:建议:定期对10KV环网柜进行维护保养,以确保其长期稳定运行。
环网柜试验报告一、试验目的。
本次试验旨在对环网柜进行全面的性能测试,包括电气性能、机械性能和环境适应性等方面的评估,以验证其在实际运行中的可靠性和稳定性。
二、试验对象。
环网柜是一种用于配电系统中的设备,主要用于对电能进行分配和控制。
本次试验的对象为某型号环网柜,其额定电压为10kV,额定电流为630A。
三、试验内容。
1. 电气性能试验,包括对环网柜的额定电压下的绝缘电阻、耐压、开关操作性能等进行测试;2. 机械性能试验,包括对环网柜的机械强度、运行稳定性等进行测试;3. 环境适应性试验,包括对环网柜在高温、低温、潮湿等环境条件下的性能进行测试。
四、试验过程与结果。
1. 电气性能试验:在额定电压下,对环网柜进行了绝缘电阻测试,结果表明绝缘电阻符合标准要求;对环网柜进行了耐压测试,结果表明环网柜在额定电压下能够正常运行;对环网柜进行了开关操作性能测试,结果表明开关操作灵活可靠。
2. 机械性能试验:对环网柜进行了机械强度测试,结果表明环网柜结构牢固,能够承受一定的外部冲击;对环网柜进行了运行稳定性测试,结果表明环网柜在运行过程中稳定性良好。
3. 环境适应性试验:对环网柜在高温、低温、潮湿等环境条件下进行了性能测试,结果表明环网柜能够适应各种恶劣环境条件下的运行要求。
五、结论。
经过全面的试验评估,本次试验结果表明该型号环网柜在电气性能、机械性能和环境适应性方面均符合设计要求,能够满足实际应用中的需求。
六、建议。
在实际使用过程中,建议对环网柜进行定期的维护和检测,以确保其长期稳定运行。
七、附录。
1. 环网柜技术参数表。
2. 试验数据记录表。
以上为本次环网柜试验的报告内容,如有任何疑问或需进一步了解,请与我们联系。
10kV高压开关柜试验报告[object Object]一、试验目的本次试验旨在对10kV高压开关柜进行全面的功能性试验,以验证其在正常运行情况下的性能和可靠性。
二、试验内容1.基本功能试验:包括开关柜的分、合、跳闸操作试验,分合闸时间试验,分合闸位置试验等。
2.电流互感器试验:检查电流互感器的接线是否正确,是否能正常工作。
3.电压互感器试验:检查电压互感器的接线是否正确,是否能正常工作。
4.遥控试验:使用遥控装置对开关柜进行遥控操作试验,检查遥控功能是否正常。
5.保护试验:对开关柜的各种保护装置进行试验,包括过电流保护、短路保护、接地保护等。
6.隔离开关试验:对开关柜的隔离开关进行试验,检查其分合闸是否正常。
7.漏电流试验:对开关柜的漏电流进行试验,检查其漏电流是否在规定范围内。
8.绝缘电阻试验:对开关柜的绝缘电阻进行试验,检查其绝缘性能是否满足要求。
三、试验结果及分析1.基本功能试验结果:开关柜的分、合、跳闸操作正常,分合闸时间符合要求,分合闸位置准确。
2.电流互感器试验结果:电流互感器的接线正确,能够准确地测量电流。
3.电压互感器试验结果:电压互感器的接线正确,能够准确地测量电压。
4.遥控试验结果:遥控装置能够正常对开关柜进行遥控操作。
5.保护试验结果:各种保护装置能够准确地工作,及时跳闸保护电气设备。
6.隔离开关试验结果:隔离开关的分合闸操作正常。
7.漏电流试验结果:开关柜的漏电流在规定范围内,符合要求。
8.绝缘电阻试验结果:开关柜的绝缘电阻满足要求,能够保障设备的安全运行。
四、结论经过全面的试验,本次对10kV高压开关柜的功能性试验结果良好,各项指标均符合要求,证明开关柜在正常运行情况下性能可靠,能够满足电气设备的运行要求。
建议将该开关柜投入使用,并定期进行维护和检修,以保障设备的长期稳定运行。
五、存在问题及改进措施在试验过程中,未发现开关柜存在明显的问题。
然而,为了进一步提高设备的可靠性和安全性,建议在投入使用后定期对开关柜进行维护和检修,及时排除潜在问题,确保设备长期稳定运行。
10KV高压开关柜交接试验分析摘要:为确保10kV高压开关柜交接实验符合规程要求,设备运行正常,一般电气交接试验在高压室建成后进行,试验内容为检验设备运行、性能效果等,有着重要作用。
鉴于此,笔者结合实践研究,对10kV高压开关柜交接试验展开分析。
关键词:10kV高压开关柜;交接试验;研究分析10kV高压开关柜交接试验过程中存在的影响因素较多,如:试验环境、设备、试验操作等,试验结果关系着变电站高压开关柜调节效果。
因此,做好交接试验有助于提高工作质量,保证供电稳定性。
一、10kV高压电气设备接线内容及形式电气交接试验中,高压开关柜交接试验关系着高压开关柜运行与电气设备运行。
在实际操作时,高压开关柜交接试验过程复杂、繁琐,要求做好各环节操作控制。
耐压试验作为损坏性项目,试验时需要增加操作压力才能确定电气设备抗压性。
当试压到一定范围后,检查设备能否正常应用。
绝缘试验主要检查高压开关柜开关质量与地面绝缘性。
除了以上两项外,还需进行流电阻试验,试验目的是检验高压开关柜线路连接后的直流电流回路电阻状态。
通常110kV变电站主变压器分为多台,变压器分布呈并列形式且各变压器带有10kV馈线线路用于连接各电气设备。
对此,以10kV和连接母线为例展开分析,变低开关与变压器实现连接,开关与高压式连接呈母联开关。
高压室中,10kV开关柜分为11个10kV馈线开关柜、2个电容开光柜、1个变低开关柜。
根据标准交接试验要求具体操作过程为:绝缘电阻检测、耐压检测、回路直流电阻检测。
绝缘电阻检测包括绝缘性检测、开关端口性检测。
耐压检即是1min对设备展开3kV高压施压,得到设备耐压性效果。
回路直流电阻指的是检测开关闭合后的回路直流电阻。
单位安排专业人员进行电气试验,2名操作技术与2名监督人员。
首先,线路各项短路接地,该环节需保证接地线为分闸条件。
其次,通过兆欧表摇开关断口,此时若电阻达到1200MΩ以上表示绝缘符合标准要求,提高电压的到3kV,持续时间为1min加压后摇绝缘电阻,若电阻达到1200MΩ表示耐压试验和绝缘电阻满足要求。
高压环网柜试验报告10KV高压环网柜出厂试验报告产品型号出厂编号本产品根据GB3906-2006《3~35 交流金属封闭开关设备》国家标准及本产品技术条件、试验大纲的要求,出厂前作如下检验和试验序检验技术要求检验方法检验结论号项目外观箱体内外表面应平整光洁、美观、无锈蚀、无目测检查磕碰损伤。
1 外观检查标志产品铭牌、接线标记、警示标志正确、清晰、目测检查完整。
检查负荷开关与接地开关联锁机构是否可靠。
检查防误防误操作目测及手2 入带电间隔是否可靠。
防止带电挂接地线和带接地线合功能检查动操作闸。
带电显示装置、电磁锁是否正常。
检查零部件应符合图纸要求;产品配线应符合接线方目测结构与接线正确3 案,接线正确,工艺美观,柜内的元件应符合各自的标校验台性检查准和技术条件。
母线安装及标识母线截面积选择应符合规定的选择原则;母排无加工裂目测 4 正确性纹,表面镀层良好;母排排列及涂漆颜色符合要求。
机械操作手动操作 5 负荷开关和接地开关各操作5次应无拒分、拒合现象。
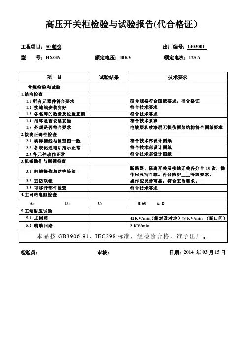
试验回路电阻?150μΩ HXGN?-12/630-20 6 主回路电阻 A: B: C: 测试仪?250μΩ HXGN?-12/125-31.5相对地及相间42KV/1min 高压回路负荷开关断口48KV/1min工频耐压工频耐压控制回路和辅助回路导电部分与开关底座之间 7 试验测试仪 2.0KV/1min 低压回路不同回路各导电部分之间、同一导电回路各分断点之间2.5KV/1min各回路导电部件与地及相间的 8 绝缘电阻验证兆欧表MΩ 实测: 绝缘电阻?1000MΩ各接地点牢靠,标志清晰,接地连接地电阻 9 接地电阻测试mΩ 实测: 测试仪续性满足?100mΩ卷尺 10 主回路电气间隙主回路带电部件对地及相间的距离?125mm专用塞规 11 防护等级 ?IP20(,12) ?IP30(,2.5) ?IP40(,1)12 随机文件及备件随机文件资料、配件、备件等均齐全正确目测目测 13 产品包装包装方式、牢固度、标志符合产品相关要求结论检验员: 校核: 试验日期:10KV户内交流移开式金属封闭开关设备出厂试验报告产品型号出厂编号本产品根据GB3906-2006《3~35 交流金属封闭开关设备》国家标准及本产品技术条件、试验大纲的要求,出厂前作如下检验和试验序检验技术要求检验方法检验结论号项目外观箱体内外表面应平整光洁、美观、无锈蚀、无目测检查磕碰损伤。
摘要:完成10 kV高压室的新建和改造工作后,根据规范规定,供电单位通常需对电气设备进行验收和交接试验,检测电气设备的性能,确保其使用功能的正常发挥。
为了保证10 kV高压开关柜交接试验的规范性,从高压室电气接线方式、10 kV高压开关柜交接试验操作流程等方面对该问题进行了详细分析和探讨。
关键词:10 kV高压室;开关柜;交接试验;电气设备中图分类号:TM591 文献标识码:A DOI:高压室设备交接试验的内容较多,其中,10 kV高压开关柜交接试验为重要内容之一。
由于该项工作主要由供电局负责,在交接试验过程中采用了有效的方法。
但是从实际情况看,不少操作均对试验结果产生了不良的影响。
因此,本文结合交接试验的具体情况,并结合笔者的实际经验,对10 kV高压开关柜交接试验提出了看法和见解。
1 10 kV高压电气设备的接线方式一般情况下,110 kV变电站中的主变压器有两三台,变压器的排列方式为并列方式,而且每一台变压器均带有10 kV 馈线线路12条,分别用于连接不同的电气设备。
本文探讨的10 kV高压室内电气设备接线,即并联于上述12条10 kV 母线上,同时,实现了高压室通过变低开关与变压器的互联。
需要注意的是,开关与临近高压室的连接主要由母联开关实现。
在该高压室内,共有16个10 kV高压开关柜,即12个10 kV馈线开关柜、2个电容开关柜和1个变低开关柜。
本文以16个10 kV高压开关柜为例开展电气试验,但不包含电阻柜、曲折变和高压室避雷器等电气设备的试验。
按照电气设备交接试验的操作流程规范,在进行交接试验时,包括3个主要方面,即绝缘电阻试验、耐压试验和回路直流电阻测试。
其中,绝缘电阻试验主要检测绝缘性能、开关断口性能;耐压试验属于破坏性试验,是指持续1 min 对设备进行38 kV高压施压,以检测设备的耐压能力;回路直流电阻是指检测开关闭合后的回路直流电阻。
需高度重视10 kV高压开关柜的电气试验,操作前需安排专人负责实际操作,包括2个操作人员和1个监护人员。
试验报告项目名称:玉溪印刷有限责任公司10kV 配电室工程交接试验委托单位:玉溪印刷有限责任公司湖南鸿昌电力工程建设有限责任公司二〇一四年八月十六日参加人员:目录前言 (Ⅱ)10kV 配电室2#变压器出线柜真空断路器试验报告 (2)10kV 配电室2#变压器出线柜上隔离开关试验报告 (7)10kV 配电室2#变压器出线柜下隔离开关试验报告 (11)10kV 配电室2#变压器出线柜电流互感器试验报告 (14)10kV 配电室2#变压器出线柜零序电流互感器试验报告 (20)10kV 配电室2#变压器出线柜金属氧化物避雷器试验报告 (23)10kV 配电室2#变压器出线柜电缆试验报告 (25)10kV 配电室3#变压器出线柜真空断路器试验报告 (28)10kV 配电室3#变压器出线柜隔离开关试验报告 (33)10kV 配电室3#变压器出线柜电流互感器试验报告 (36)10kV 配电室3#变压器出线柜零序电流互感器试验报告 (42)10kV 配电室3#变压器出线柜金属氧化物避雷器试验报告 (45)10kV 配电室3#变压器出线柜电缆试验报告 (48)10kV 配电室2#树脂浇注干式变压器试验报告 (50)10kV 配电室3#树脂浇注干式变压器试验报告 (57)10kV 配电室2#变压器出线柜保护测控装置检验报告 (63)10kV 配电室3#变压器出线柜保护测控装置检验报告 (25)1、试验目的通过此次试验,按照《GB50150-2006 电气装置安装工程电气设备交接试验标准》及《DL/T995-2006 继电保护和电网安全自动装置检验规程》等相关规范的要求,检验设备的电气性能及相关参数是否满足规程要求,及时发现设备缺陷,保障设备安全、稳定、长周期运行。
现场绝缘试验实施导则绝缘电阻、吸收比和极2、引用标准GB50150-2006电气装置安装工程电气设备交接试验标准GB/T16927.1-1997高电压试验技术一般试验要求GB/T16927.2-1997高电压试验技术测量系统GB 11032-2000交流无间隙金属氧化物避雷器DL/T474.1-2006化指数DL/T474.2-2006现场绝缘试验实施导则直流高电压试验DL/T474.3-2006现场绝缘试验实施导则介质损耗因数tag δ试验DL/T474.4-2006现场绝缘试验实施导则交流耐压试验DL/T474.5-2006现场绝缘试验实施导则避雷器试验DL/T474.6-2006现场绝缘试验实施导则变压器操作感应耐压试验DL/T995-2006继电保护和电网安全自动装置检验规程GB/T7261-2008继电保护和安全自动装置基本试验方法3、机械防误闭锁检查机械防误闭锁机构工作正常,在误操作情况下也能可靠闭锁,且相关元件无变形,符合设计要求。