10、给水设备安装工程检验批记录表(水箱安装)
- 格式:doc
- 大小:114.00 KB
- 文档页数:5
竣工验收表格大全(共98种表格)目录1.建筑给水排水及采暖工程概况表 (3)2.建筑给水排水及采暖工程施工现场质量管理记录 (4)3.建筑给水排水及采暖分部工程质量验收记录 (6)4.建筑给水排水及采暖工程质量控制资料核查记录 (8)5.建筑给排水及采暖工程安全和功能检验资料核查及主要功能抽查记录 (10)6.建筑给排水及采暖观感质量检查记录 (12)7.设备进场验收记录 (14)8.材料(设备)合格证明文件汇总表 (16)9.管道工程隐蔽验收记录 (18)10.管道支、吊架安装记录 (20)11.管道焊接检验记录 (22)12.楼板(屋面)立管洞盛水试验记录 (24)13.钢管伸缩器预拉伸安装记录 (26)14.塑料排水管伸缩器安装预留伸缩量记录 (28)15.设备基础交接验收记录 (30)16.管道保温记录 (32)17.设备单机试运转记录 (34)18.锅炉烘炉记录 (36)19.锅炉煮炉记录 (38)20.阀门、散热器安装前水压试验记录 (40)21.承压管道系统(设备)强度和严密性水压试验记录 (42)22.给水、热水及采暖管道系统冲洗记录 (45)23.卫生器具满水试验记录 (47)24.地漏排水试验记录 (49)25.室内排水管道通球试验记录 (51)26.给水、排水系统及卫生器具交付使用前通水试验记录 (53)27.敞开水箱满水试验记录 (55)28.消火栓系统试射试验记录 (57)29.采暖系统试运行和调试 (59)30.安全阀及报警联动系统动作测试记录 (61)31.室内给水系统子分部工程质量验收记录 (63)32.给水管道及配件安装分项工程质量验收记录 (65)33.给水管道及配件安装工程检验批质量验收记录 (67)34.室内消火栓系统安装分项工程质量验收记录 (69)35.室内消火栓系统安装检验批质量验收记录 (71)36.给水设备安装分项工程质量验收记录 (73)37.给水设备安装分项工程质量验收记录 (75)38.室内排水系统安装子分部工程质量验收记录 (77)39.室内排水管道及配件安装分项工程质量验收记录 (79)40.室内内排水管道及配件安装工程检验批质量验收记录 (81)41.室内雨水管道及配件安装分项工程质量验收表 (84)42.室内雨水管道及配件安装 (86)43.室内热水供应系统安装子分部工程质量验收记录 (89)44.管道及配件安装分项工程质量验收记录 (91)45.室内热水管道及配件安装分项工程检验批质量验收记录 (93)46.室内热水系统辅助设计安装分项工程质量验收表 (95)47.室内热水辅助设备安装分项工程检验批质量验收记录 (97)48.卫生器具安装子分部工程质量验收记录 (99)49.卫生器具安装分项工程质量验收记录 (101)50.卫生器具安装工程检验批质量验收记录 (103)51.卫生器具给水配件安装分项工程质量验收记录 (105)52.卫生器具给水配件安装工程检验批质量验收记录 (107)53.卫生器具排水管道安装分项工程质量验收记录 (109)54.卫生器具排水管道安装分项工程检验批质量验收记录 (111)55.室内采暖系统子分部工程质量验收记录 (113)56.室内采暖系统管道及配件安装分项工程质量验收记录 (115)57.室内采暖系统管道及配件安装工程检验批质量验收记录 (117)58.辅助设备及散热器安装分项工程质量验收记录 (120)59.室内采暖系统辅助设备及散热器安装分项工程检验批质量验收记录 (122)60.金属辐射板安装分项工程质量验收记录 (124)61.室内采暖系统金属辐射板安装工程质量批质量验收记录 (126)62.低温热水地板辐射采暖系统安装分项工程质量验收记录 (128)63.低温水地板辐射采暖系统安装分项工程检验批质量验收记录 (130)64.室内采暖系统水压试验及调试分项工程质量验收记录 (132)65.室内采暖系统水压试验及调试安装分项工程检验批质量验收记录 (134)66.室外给水管网系统子分部工程质量验收记录 (136)67.给水管道安装分项工程质量验收记录 (138)68.室外给水管道安装工程检验批质量验收记录 (140)69.消防水泵接合器及室外消灭栓安装分项工程质量验收记录 (143)70.消防水泵接合器及室外消灭栓安装工程检验批质量验收记录 (145)71.管沟及井室分项工程质量验收记录 (147)72.室外给水管沟及井室安装工程检验批质量验收记录 (149)73.室外排水管网安装子分部工程质量验收记录 (151)74.排水管道安装分项工程质量验收记录 (153)75.室外排水管道安装工程检验批质量验收记录 (155)76.排水管沟与井池分项工程质量验收记录 (157)77.室外排水管沟及井池安装工程检验批质量验收记录 (159)78.室外供热管网子分部工程质量验收记录 (161)79.管道及配件安装分项工程质量验收记录 (163)80.室外供热管网管道及配件安装分项工程检验批质量验收记录 (165)81.系统水压试验及调试分项工程质量验收记录 (168)82.室外供热管网管道系统水压试验及调试分项工程检验批质量验收记录 (170)83.建筑中水系统及游泳池水系统安装子分部工程质量验收记录 (172)84.建筑中水系统管道及辅助设备安装分项工程质量验收记录 (174)85.建筑中水系统管道及辅助设备安装工程检验批质量验收记录 (176)86.游泳池水系统安装分项工程质量验收记录 (178)87.游泳池水系统安装工程检验批质量验收记录 (180)88.供热锅炉及辅助设备安装子分部工程质量验收记录 (182)89.锅炉安装分项工程质量验收记录 (184)90.锅炉安装工程检验批质量验收记录 (186)91.辅助设备及管道安装分项工程质量验收记录 (190)92.锅炉辅助设备及管道安装分项工程检验批质量验收记录 (192)93.安全附件安装分项工程质量验收表 (197)94.锅炉安全附件安装工程检验批质量验收记录 (199)95.烘炉、煮炉和试运行分项工程质量验收记录 (201)96.锅炉烘炉、煮炉和试运行检验批质量验收记录 (203)97.热换站安装分项工程质量验收记录 (205)98.换热站安装分项工程检验批质量验收记录 (207)建筑给水排水及采暖工程概况表SN1.1建筑给水排水及采暖工程施工现场质量管理记录SN1.2建筑给水排水及采暖分部工程质量验收记录SN1.3建筑给水排水及采暖工程质量控制资料核查记录SN1.4建筑给排水及采暖工程安全和功能检验资料核查及主要功能抽查记录SN1.5建筑给排水及采暖观感质量检查记录SN1.6设备进场验收记录SN2.1材料(设备)合格证明文件汇总表SN2.2管道工程隐蔽验收记录SN2.3管道支、吊架安装记录SN2.4管道焊接检验记录SN2.5楼板(屋面)立管洞盛水试验记录SN2.6钢管伸缩器预拉伸安装记录SN2.7塑料排水管伸缩器安装预留伸缩量记录SN2.8设备基础交接验收记录SN2.9管道保温记录SN2.10设备单机试运转记录SN2.11锅炉烘炉记录SN2.12锅炉煮炉记录SN2.13阀门、散热器安装前水压试验记录SN2.14承压管道系统(设备)强度和严密性水压试验记录SN2.15非承压管道灌水试验记录SN2.16给水、热水及采暖管道系统冲洗记录SN2.17卫生器具满水试验记录SN2.18地漏排水试验记录SN2.19。
给水隐蔽工程验收记录(大全)(二)引言概述:隐蔽工程是建设项目中的一项重要工程,其中给水隐蔽工程是保障建筑物供水系统正常运行的关键环节。
为了确保给水隐蔽工程的质量,验收工作是必不可少的环节。
本文将从基础设施、材料设备、工程结构、安装质量和工程安全等五个大点展开,详细阐述给水隐蔽工程验收的相关内容。
正文内容:一、基础设施1.测量验收点位的准确性:确保测量点位准确可靠,能够满足给水设备的安装要求。
2.基坑土方工程的合理开挖与夯实:核实基坑开挖是否符合设计要求,土方夯实是否达到规定的标准。
二、材料设备1.验收给水管道:检查给水管道的材质、直径、芯层和外观等是否符合设计和规范要求。
2.确认阀门的安装位置和数量:核实阀门的种类、规格、安装位置和数量与设计图纸相符。
3.检查水泵设备:验证水泵设备的型号、容量、电机功率等是否符合设计要求。
4.验证给水设备的配件:检验给水设备的配件是否完备,配件的材质和质量是否符合规定。
三、工程结构1.检查给水间隔砖墙施工:确保砌筑砖墙的垂直度、水平度、强度和槽洞的规范。
2.确认水箱隔墙施工:核实水箱隔墙的材料、尺寸和施工工艺是否符合规定。
3.验收楼板、墙面和地面施工:检查楼板、墙面和地面的水平度、垂直度、平整度和防水措施等是否满足要求。
四、安装质量1.水管连接和焊接质量验收:检查给水管道的连接方法和焊接质量,确保连接牢固、无渗漏。
2.检测管道压力:进行给水管道压力试验,验证管道的耐压性能和密封性能是否符合要求。
3.水泵安装质量验收:核实水泵设备的安装位置、固定方式和管道连接质量等是否符合要求。
五、工程安全1.现场安全交底:工作人员进行现场安全交底,明确施工中的安全规范和注意事项。
2.施工过程的防火措施:检查施工过程中的防火设施和措施是否到位,确保施工安全。
3.施工期间的材料、设备储存和使用:核实施工期间材料、设备的储存和使用是否符合规范。
总结:给水隐蔽工程的验收是建设项目中不可或缺的一环,而且要确保验收工作的严谨性和细致性。
室内给水管道及配件安装工程检验批质量验收记录表
GB 50242—2002
室内消火栓系统安装工程检验批质量验收记录表
GB 50242—2002
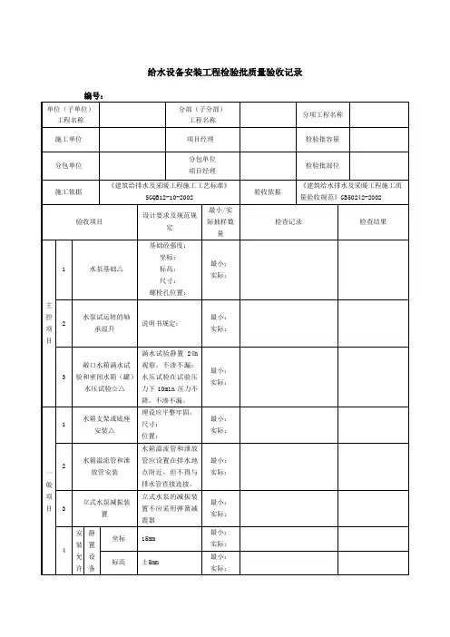
给水设备安装工程检验批质量验收记录表
GB 50242—2002
GB 50242—2002
雨水管道及配件安装工程检验批质量验收记录表
GB 50242—2002
GB 50242—2002
GB 50242-2002
GB 50242-2002
室内采暖管道及配件安装工程检验批质量验收记录表
GB 50242—2002
室内采暖辅助设备及散热器及金属辐射板安装工程检验批质量验收
记录表
低温热水地板辐射采暖安装工程检验批质量验收记录表
GB 50242—2002
GB 50242—2002
GB 50242—2002
GB 50242—2002
0506
GB 50242—2002
室外排水管沟及井池工程检验批质量验收记录表
GB 50242-2002
室外供热管道及配件安装工程检验批质量验收记录表
建筑中水系统及游泳池水系统安装工程检验批质量验收记录表
锅炉安装工程检验批质量验收记录表
GB 50242-2002
GB 50242-2002
工艺管道安装工程检验批质量验收记录表
GB50242-2002
(Ⅱ)
锅炉安全附件安装工程检验批质量验收记录表
GB 50242-2002
换热站安装工程检验批质量验收记录表
GB 50242—2002
0510。
建筑中水系统及雨水利用系统管道及配件安装检验批质量验收记录一、工程概况项目名称:xxxx建筑工程项目地点:xxxx施工单位:xxxx监理单位:xxxx施工日期:xxxx年xx月xx日-xxxx年xx月xx日二、检验依据1.《建筑给水排水设计规范》2.《建筑给水排水工程施工及验收规范》3.《建筑生活污水及雨水利用工程技术规范》4.《建筑雨水利用工程施工及验收规范》5.相关图纸、设计文件及合同约定三、检验基本原则1.符合设计要求2.合规施工3.材料符合要求4.安装质量符合标准5.提供合格的验收记录和文件四、检验内容及方法1.管道材料及配件的合格证明文件是否齐全2.管道材料及配件的型号、规格、质量是否符合设计要求3.管道安装位置是否符合设计要求4.管道安装是否符合相关标准5.管道连接是否紧固密实6.阀门、管件及附件的安装质量是否符合要求7.管道支架安装是否牢固稳定8.管道清洗、保温等工序是否符合规范要求9.雨水利用设备的安装是否符合要求10.雨水管道的布置是否合理11.雨水收集设备的功能是否良好12.其他相关检验内容五、检验结果及处理意见1.管道材料及配件的合格证明文件齐全,型号、规格、质量均符合设计要求。
2.管道安装位置符合设计要求,安装质量符合标准,连接紧固密实。
3.阀门、管件及附件的安装质量符合要求,管道支架安装牢固稳定。
4.管道清洗、保温等工序符合规范要求。
5.雨水利用设备安装符合要求,雨水管道布置合理,雨水收集设备功能良好。
六、存在问题及整改措施1.标出存在的问题及整改措施2.确保问题整改到位七、质量验收结论依据以上检验结果及整改措施,经过施工单位整改后,建筑中水系统及雨水利用系统管道及配件安装质量符合要求,达到设计及验收标准。
八、备注1.若有其他需要备注的内容,需在此处明确说明。
2.附上相关的图片、纸质资料等。
以上为建筑中水系统及雨水利用系统管道及配件安装检验批质量验收记录,检验记录应详尽、真实,是验收工作中的重要证据之一、相关项目应按照验收结果及整改措施进行后续工作,确保施工质量符合要求和标准。
自动喷水灭火系统报警阀组及其它组件安装工程检验批质量验收记录表
GD50261-2005
GD2405SZ004
0 1 Array深圳市建设局、深圳市档案局监制深圳市文档服务中心印制
自动喷水灭火系统工程质量验收表(Ⅱ)
GD2302SZ005
0 1
自动喷水灭火系统工程质量验收记录
GD2302SZ004
0 1
自动喷水灭火系统供水设施安装工程检验批质量验收记录表
GB50261-2001
GD2405SZ001
0 1
自动喷水灭火系统管网安装工程检验批质量验收记录表
GB50261-2005
GD2405SZ002
0 1
自动喷水灭火系统喷头安装工程检验批质量验收记录表
GD50261-2005
GD2405SZ003
0 1 Array深圳市建设局、深圳市档案局监制深圳市文档服务中心印制。
φεδχβ给水管道及配件安装报审、报验表B 2001工程名称项目工程致:(项目监理机构)我方已完成某某建设项目给水管道及配件安装工作,请予以审查或验收。
附件:φεδχβ隐蔽工程质量检验资料φεδχβ检验批质量检验资料φεδχβ分项工程质量检验资料φεδχβ施工试验室证明资料φεδχβ其他施工项目经理部(盖章)项目技术负责人(签字):年 月 日审查或验收意见:项目监理机构(盖章)专业监理工程师(签字):年 月 日给水管道及配件安装检验批质量验收记录05010101001单位(子单位)工程名称项目工程分部(子分部)工程名称建筑给水排水及供暖(室内给水系统)分项工程名称给水管道及配件安装施工单位项目负责人检验批容量分包单位分包单位项目负责人检验批部位某某建设项目施工依据建筑给水排水及供暖施工方案验收依据《建筑给水排水及采暖工程施工质量验收规范》GB50242-2002主控项目验收项目设计要求及规范规定最小/实际抽样数量检查记录检查结果1给水管道 水压试验设计要求/2给水系统 通水试验第4.2.2条/3生活给水系统管道冲洗和消毒第4.2.3条/4直埋金属给水管道 防腐第4.2.4条/一般项目1给排水管铺设的平行、垂直净距第4.2.5条/2金属给水管道及管件焊接第4.2.6条/3给水水平管道 坡度坡向第4.2.7条/4管道支、吊架第4.2.9条/5水表安装第4.2.10条/6水平管道纵、横方向弯曲允许偏差钢管每米1mm /全长25m 以上≯25mm /塑料管复合管每米 1.5mm /全长25m 以上≯25mm /铸铁管每米2mm /全长25m 以上≯25mm /立管垂直度允许偏差钢管每米3mm /5m 以上≯8mm /塑料管复合管每米2mm /5m 以上≯8mm /铸铁管每米3mm /5m 以上≯10mm /成排管段和成排阀门在同一平面上间距3mm /7管道及设备保温厚度+0.1δ-0.05δ/表面平整度卷材5mm /涂抹10mm/施工单位检查结果专业工长:项目专业质量检查员:年 月 日监理单位验收结论专业监理工程师:年 月 日φεδχβ给水设备安装报审、报验表B 2001工程名称项目工程致:(项目监理机构)我方已完成某某建设项目给水设备安装工作,请予以审查或验收。