冲床装置专用安全光幕(正式版)
- 格式:docx
- 大小:142.13 KB
- 文档页数:4
安全光栅也就是光电保护装置(也称安全保护器、冲床保护器、红外线安全保护装置等). 在现代化工厂里,人与机器协同工作,在一些具有潜在危险的机械设备上,如冲压机械、剪切设备、金属切削设备、自动化装配线、自动化焊接线、机械传送搬运设备、危险区域(有毒、高压、高温等),容易造成作业人员的人身伤害。
目录安装光电安全保护装置,可以有效地避免安全事故的发生,避免操作工人及第三方的危险,减少事故综合成本,有利于公司自身、操作工人及社会。
用途(1)对于滑块能在行程的任意位置制动停止的压力机,可实现全程保护,或与凸轮开关配合,实现30度----180度之间行程的保护。
(2)对于滑块不能在行程的任意位置制动停止的压力机,只能在单次工作时实现上死点保护,即上一行程结束后,下一行程尚未启动,如果光电保护装置处于遮光状态,下一行程无法启动(必须保证足够的安全距离)。
(3)该装置主要应用于锻压机械设备上。
(4)用于工业机械手,注塑机,包装设备,切纸机械,压滤机,自动化设备,焊装流水。
(5)可用于检测和防盗。
2组成发光器由若干发光单元组成,发射红外光线。
受光器顺恩斯安全光幕由若干受光单元组成,接收红外光线,与发光器对应,形成保护光幕,产生通光、遮光信号,通过信号电缆传输到控制器。
安全光栅组成控制器为发光器、受光器供电,并处理受光器产生的通光、遮光信号,产生控制信号,控制机床的制动控制回路或其它设备的报警装置,实现机床停车或安全报警。
控制器又可分为内置式控制器(Q)和外置式控制器(W);内置式控制器结构小巧紧凑,可安装在机床或其它设备的电气柜内;外置式控制器结构美观牢固,可直接安装在机床床壁上或其它设备上。
订货时,根据安装的方便性,二者选择其一。
信号电缆用来传输控制器和发光器、受光器之间的信号。
控制电缆用来连接控制器和机床、设备的控制单元,以实现机床、设备的安全控制。
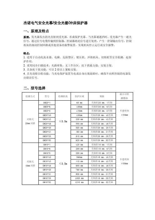
3分类安全光栅A 系列(0-3500mm,适合3.5米以内的台面或区域)安全光栅B系列(0-10000mm,适合10米以内的台面或区域)安全光栅C系列(0~2.5米,小型安全光幕,高度仅80mm)NPN安全光栅系列PNP安全光栅系列测量光栅交叉光栅检测光栅可编程光栅折弯机专用安全光栅:兴兆业安全光栅DSP LASER是一种独特的安全防护系统,其系统与折弯机配套使用,大大增强折弯机弯模时对人手指的保护。
冲压机械安全防护装置范文冲压机械是工业生产中常用的设备,用于对金属材料进行冲剪、成型等加工。
由于其操作过程中存在一定的危险性,因此必需配备安全防护装置,确保操作人员的安全。
本文将介绍冲压机械的安全防护装置,并讨论其作用和设计要求。
一、固定式光幕固定式光幕是一种常用的安全防护装置,主要由光幕发射器和接收器组成。
在机械的工作区域周围设置多个光幕,通过发射器发出红外光束,接收器接收到光束后判断是否有物体遮挡,从而实现对机械运行的安全监控。
当有物体遮挡光束时,机械会自动停止运行,确保操作人员的安全。
二、安全门安全门是冲压机械最常见的防护装置之一。
安全门通常用于控制机械的进出口,限制操作人员的接触。
安全门通常采用双门设计,即在机械运行时,只能同时开启一个门,从而避免操作人员误入工作区域。
安全门还配备安全开关,当门被打开时,机械会自动停止运行,起到保护作用。
三、警示灯和声音报警装置警示灯和声音报警装置是冲压机械的辅助安全装置。
当机械发生故障或操作不当时,警示灯会闪烁或发出不同颜色的光,以吸引操作人员的注意。
声音报警装置通常设置在机械控制柜附近,当机械发生故障时会发出警报声,提醒操作人员及时采取应对措施。
四、急停按钮急停按钮是冲压机械的应急停止装置,通常设置在操作人员容易触碰到的地方。
当机械发生危险情况时,操作人员只需按下急停按钮,机械会立即停止运行,保证操作人员的安全。
五、动态防护装置动态防护装置是一种根据操作人员的位置和动作自动调整防护区域的装置。
它可以根据操作人员的位置移动,并实时调整防护区域,确保操作人员和机械之间的安全距离。
动态防护装置主要由激光传感器和控制系统组成,通过激光传感器对操作人员进行实时监控,及时调整防护区域。
六、操作工装监控装置操作工装监控装置是一种用于监控操作人员和工装的安全装置。
它可以实时监控操作人员和工装的位置和状态,并根据设定的安全范围进行报警或停机控制。
操作工装监控装置通常包括摄像头、传感器和控制系统,通过摄像头对操作区域进行监控,并通过传感器检测工装的位置和状态,实现对操作人员和工装的安全控制。
冲压设备的安全装置冲压设备是一种广泛应用于工业生产中的设备,具有高效、高速、高精度的特点。
然而,由于其高速运行的特点,冲压设备也存在一定的安全风险。
为了确保操作人员和设备的安全,冲压设备需要配备一系列安全装置。
本文将介绍几种常见的冲压设备安全装置,包括防护罩、安全光幕、急停按钮、紧急制动装置等。
1. 防护罩防护罩是冲压设备最常见的安全装置之一。
它能够将设备的危险区域与操作人员隔离开来,防止意外发生。
防护罩通常由坚固的金属材料制成,具有一定的防护能力。
在操作冲压设备时,操作人员必须将防护罩关闭,并且配备防护开关,只有当防护罩关闭到位时,设备才能正常运行。
2. 安全光幕安全光幕是一种利用红外光线进行触发的安全装置。
安全光幕通常由发射器和接收器组成,发射器发射出一束红外光线,接收器接收到红外光线后,如果被挡住,就会触发设备停机。
安全光幕通常用于对设备周围的危险区域进行安全防护,比如冲床的冲压区域。
3. 急停按钮急停按钮是一种紧急制动装置,用于在紧急情况下立即停止冲压设备。
急停按钮通常位于操作面板上,操作人员只需按下按钮,设备即可立即停止运行。
急停按钮的位置应设置在操作人员容易触及的地方,并且在操作面板上标有醒目的标识。
4. 紧急制动装置紧急制动装置是一种在紧急情况下能够迅速制动设备的装置。
这种装置通常采用机械制动原理,通过刹车盘或刹车阻尼器将设备迅速制动到停止状态。
紧急制动装置通常与急停按钮联动,当急停按钮按下时,紧急制动装置会立即生效,确保设备停止运行。
5. 安全扳手安全扳手是一种专门用来解决设备堵塞的安全装置。
当冲压设备出现堵塞时,操作人员可以使用安全扳手来清理堵塞物,而不必接触设备的运动部件。
安全扳手通常具有防护罩的功能,能够保护操作人员的手部安全。
总之,冲压设备的安全装置是确保操作人员和设备安全的重要保障。
除了上述介绍的几种安全装置外,还有许多其他类型的安全装置,如安全传感器、安全控制器等。
在选择和使用冲压设备的安全装置时,需要根据具体情况进行综合考虑,并确保其符合相关安全标准和要求。
安全光幕全方位解析安全光幕干扰+解决方案安全光幕在工业中具备诸多应用,为增进大家对安全光幕的了解,本文将对安全光幕、安全光幕应用、安全光幕所受干扰以及安全光幕干扰解决方案加以简介。
如果你对本文涉及的内容存在一定兴趣,不妨继续往下阅读。
一、安全光幕简介安全光幕是经过安全认证的光幕产品,由两部分组成。
投光器发射出调制的红外光,由受光器接收,形成了一个保护网,当是有物体进入保护网,当从中有光线被物体挡住,通过内部控制线路,受光器电路马上作出反应,即在输出部分输出一个信号用于机床如冲床,压力机等紧急刹车。
光幕有着非常广泛的应用,比如在需要不断送取料的冲压设备上,如果安装接触式安全防护门,则需要操作人员频繁地开关防护门,这样不但增加了操作人员的工作量,而且降低了生产效率。
在这种情况下,采用光栅和光幕就是最佳的选择。
二、安全光幕的应用ESPE电敏保护装置在制造业的安全系统中的应用愈发表现出强劲的势头,一些高端制造工厂的大型工位都已全面应用二维甚至三维的保护系统。
更多的生产设备,在需要频繁介入的场合,充分考虑物料飞溅、火花、粉尘等发散式风险后,几乎都会选择使用安全光幕作为解决方案。
使用安全光幕的好处在于:1.电敏保护装置技术产业链成熟,产品分类明确,各类分辨率及安全性能等级均能满足要求;2.安全技术发展快,各个方面的改进技术不断突破瓶颈并形成规范,未来标准化道路清晰;3.安全光幕作为主动防御的技术,在多数情况下允许自动复位,能够有效解决生产制造过程中的落地问题,大大降低操作复杂程度,提高生产效率。
部分安全光幕和扫描仪产品三、安全光幕的信号干扰作为安全的电敏保护装置,安全光幕在带来便捷使用的同时,信号干扰问题也是必须要关注的问题之一。
安全光幕的信号干扰通常来自两个方面:1.光幕与环境的干扰:如果在安全光幕发出的光束附近有反射面,被动反射会使光幕接收端收到错误的反射信号,导致保护区域内的入侵不能被识别。
2.邻近光幕之间的相互干扰:由于安全光幕被大量的在邻近区域内使用,以及光幕元件自身的保护距离比较长,就容易产生邻近光幕发射端和接收端信号的相互错位。
冲压机械安全防护装置范本一、冲压机械概述冲压机械是冲压工艺中常用的设备之一,用于将金属板材或其他材料按照模具的形状进行冲压加工。
冲压机械具有高速度、高压力和高能量等特点,操作过程中存在较大的安全风险。
为了确保操作人员的人身安全,冲压机械应配备相应的安全防护装置。
二、冲压机械安全防护装置的分类冲压机械的安全防护装置可以分为以下几类:1. 机械防护装置:主要包括安全围栏、护罩、护盖等,用于隔离操作人员和机器设备的危险区域,防止操作人员的身体部位接触到旋转部件、运动部件等。
2. 光幕安全装置:通过一组光电传感器和控制系统,监控冲压机械的危险区域,当有人员进入到危险区域时,光幕安全装置会自动停机或减速停机,避免人员受伤。
3. 双手控制装置:要求操作人员同时使用双手才能进行操作,一旦其中一只手离开操作按钮,机械设备会立即停机,避免操作人员被夹伤。
4. 安全继电器:安全继电器是一种电气安全装置,用于监测冲压机械的各种工作状态,一旦发现异常,安全继电器会立即切断电源,停止机械设备的运行。
5. 按钮和开关:冲压机械上配备了一系列的按钮和开关,在操作过程中,只有按下了相应的按钮或开关,机械设备才能正常运行,避免误操作造成安全事故。
三、冲压机械安全防护装置的设计要求冲压机械的安全防护装置设计应符合以下要求:1. 安全性要求:安全防护装置应能够防止操作人员接触到运动部件和旋转部件,确保操作人员的人身安全。
2. 可靠性要求:安全防护装置应具备可靠的功能,能够准确监测和控制冲压机械的工作状态,一旦发现异常情况,能够及时停机或采取相应的措施。
3. 灵活性要求:安全防护装置应具有一定的灵活性,适应不同类型、规格的冲压机械,能够根据实际需求进行调整和改变。
4. 易操作性要求:安全防护装置应设计合理,方便操作人员使用,避免操作人员因使用不便而发生误操作。
5. 维护性要求:安全防护装置应具备易于维护和维修的特点,方便定期检查和保养,确保其正常运行。
冲床装置专用安全光幕
危险机械有很多,冲床、剪切机、折弯机、大型机械等等,这些危险机械都需要安全光栅,然而,并不是所有的机械都是用一样的冲床保护器,不同的危险机械,对于安全光栅的要求是不同的,下面,就具体说说一般的冲床保护器的要求。
1.防震安全光栅
有些大型冲压机械震动力强这些大家都知道,那么选用的安全光幕就不能使用一般的,选用好一点防震功能好一点的安全光幕更加合适!要不,如果我们选购的安全光栅没有防震功能,那么,我们的安全光栅是很容易损坏的。
2.防水防油冲床保护器
有的机械可能会是多水多油的,这时候,如果有安装安全光栅的时候,我们就需要防水防油的冲床保护器,如果,在多水多油的运行环境中,我们的安全光幕没有防水功能的话,是很容易因为短路而无法正常运行的。
3.防尘安全光幕
第 1 页
本文部分内容来自互联网,不为其真实性及所产生的后果负责,如有异议请联系我们及时删除。
冲压作业的安全防护装置冲压作业的安全防护装置形式较多,按结构分为机械式、按钮式、光电式、感应式等。
这里重点介绍光电式保护装置。
光电保护器是目前保护冲压机械操作者人身安全的一种最有效的安全保护装置,它比防护栅栏、机械拉手、机械拨手等保护装置的保护效果更好,避免在生产过程中因操作不当或机器出现故障而导致安全事故的发生。
适用于普通冲床(本公司配有整套改装装置,可使普通冲床更安全运行。
)、高性能冲床、机械压力机、液压式压力机、压膜机、剪板机、工业机械手、包装设备及其他自动化设备,也可用于多面区域保护或防盗。
一、光电保护器的组成光电保护器一般分为对射式和反射式两种类型。
对射式光电保护器是指发光单元、受光单元分别在发光器、受光器内,发光单元发出的光直射到受光单元,从而形成保护光幕的光电保护装置。
对射式光电保护器由控制器、发光器、受光器及发光传输线和受光传输线五部分组成。
反射式光电保护器是指发光单元、受光单元都在同一传感器内,发光单元发出的光通过反射器反射回受光单元,从而形成保护光幕的光电保护装置。
发光器及反射器两部分之间形成安全保护屏。
每当在安全保护屏受干扰或设备工作不正常时,发光器都发射信号,传送给压力机控制系统以防止可能发生的危险运动,停止锤头下行的危险。
反射式光电保护器由控制器、传感器、反射器、传输线四部分组成。
二.功能要点:本仪器具有自检功能,发送器出现错误信信息时,压机工作状态不受影响。
光电安全保护光波作用区间,即有效敏感区,可通过下式进行计算:S=v′t(秒)=安全保护区(毫米)S为有效敏感区V为滑块滑行速度T为滑块停止时间(百万分之一秒)这样由液压系统响应,可直接控制其有效敏感区。
无论怎样,Rexroth 高速响应阀和伺服回路可使光电保护光波尽可能地出现在模具空间内。
这样为操作工人提供了非常安全的工作环境。
在许多情况下为提高生产率也采用光电开关,当操作工人从光电安全保护光波作用区间内抽回手,模具中放好工件时即产生信号起动压力机工作,不再用脚踏板及手动开关。
安全光幕的原理和应用1. 什么是安全光幕安全光幕(Safety Light Curtain),又称为防护光幕或光栅,是一种通过红外线光线阵列来检测和保护人员和设备安全的设备。
它被广泛应用于工业生产线中,用于监测和防止人员和物体进入危险区域,以避免发生潜在的伤害和事故。
2. 安全光幕的工作原理安全光幕通过发射和接收光线来实现其工作。
它通常由发射器和接收器组成,发射器会连续发射红外线光束,而接收器则用于接收并检测这些光束。
当有物体进入安全光幕的监测范围内时,光束会被物体遮挡,接收器将无法接收到完整的光束信号。
安全光幕会立即检测到这一变化,并发出警报信号或触发紧急停机装置。
这种监测方式类似于人眼的视觉,在光束被遮挡时能够快速反应。
3. 安全光幕的应用3.1 工业制造在工业制造环境中,安全光幕被广泛应用于防护机器人、压力机、注塑机、激光切割机等危险设备周围。
它可以监测工作区域内的人员和物体,一旦有人员或物体不慎进入危险区域,安全光幕会立即触发停机装置,以防止事故的发生。
3.2 物流仓储在物流仓储行业中,安全光幕常常用于货物装卸区域的安全保护。
它可以监测货物进出的通道,一旦检测到有人员或物体在通道内,会立即触发警报系统,以提醒工作人员注意安全。
同时,安全光幕也可以确保装卸过程中不会夹到人员手部或其他物体,保障工作安全。
3.3 机场与铁路站点在机场和铁路站点,安全光幕也被广泛应用于乘客的安全管理。
它可以用于监测乘客进出安全通道,一旦有人员或物体进入禁止区域,安全光幕会立即触发报警系统,以确保安全秩序和防范恶意行为的发生。
3.4 其他领域的应用除了上述应用领域外,安全光幕还可以在许多其他领域发挥作用。
例如,它可以用于自动售货机、自动门、自动扶梯等场所的安全保护,以防止意外事故的发生。
4. 安全光幕的优点•高度灵敏:安全光幕能够快速检测到光束被遮挡的情况,能够及时触发报警或停机装置,减小事故的发生概率。
•无接触检测:安全光幕是通过红外线进行检测,无需接触被监测物体,不会对工作过程产生影响。
冲压设备的防护装置范本1. 安全门:冲压设备应配备安全门,用于限制人员进入危险区域。
安全门应具备以下特点:- 防护门必须能够完全关闭,并能自动上锁。
- 安全门开启后,设备应停止运行并发出警示信号。
- 安全门应具备防止误开启的装置,如双重门锁或安全开关。
- 安全门应有透明的观察窗,方便操作人员观察内部情况。
2. 光幕:冲压设备边缘部位应配备光幕,用于检测人员接近并阻止设备运行。
光幕的要求如下:- 光幕应能识别人员进入危险区域,并及时发出停机指令。
- 光幕应能感知到各个方向的入侵,并能够可靠地发出信号。
- 光幕应安装在合适的高度,以确保能够及时检测到低位置的人员。
- 光幕的检测范围应覆盖整个设备的危险区域,且不能有盲区。
3. 报警系统:冲压设备应配备报警系统,用于提醒操作人员及时采取措施。
报警系统的要求如下:- 报警系统应能够监测设备的运行状态,并能及时发出警报。
- 报警系统应配备可见和可听的报警设备,以便于人员能够立即发现并及时采取行动。
- 报警系统应具备触发机制,能够在设备发生故障或违规操作时立即启动报警。
4. 急停按钮:冲压设备应设置急停按钮,用于紧急情况下快速切断设备的电源。
急停按钮的要求如下:- 急停按钮应便于操作人员使用,位置应明显且易于触发。
- 急停按钮按下后,设备应停止运行,并且无法通过其他操作恢复运行。
- 急停按钮应具备明显的外观标识,以便于紧急情况下快速找到并操作。
5. 安全围栏:冲压设备的周围应设置安全围栏,用于限制人员进入危险区域。
安全围栏的要求如下:- 安全围栏应具备足够的高度和强度,能够有效防止人员进入危险区域。
- 安全围栏应设置合适的出入口,便于操作人员进入和离开设备。
- 安全围栏应具备防止误开启的装置,如双重门锁或安全开关。
- 安全围栏应配备警示标识,以提醒人员不得靠近或进入危险区域。
6. 安全标识:冲压设备应设置合适的安全标识,用于提醒操作人员注意安全。
安全标识的要求如下:- 安全标识应包括设备的危险部位、禁止行为、紧急措施等内容。
【安谐】安全光栅常见分类
安全光栅安全光幕冲床保护器NPN安全光栅PNP安全光栅
安全光栅有不同的名字,同时也有不同的分类,本文,小编就说说安全光栅常见分类。
按尺寸分
通用型安全光幕:像安谐的通用型安全光栅尺寸为35*50mm,这种通用型的安全光栅主要应用于冲床,同时,保护的范围会比较广,可以做到保护宽度为0-20m。
小型安全光栅:小型的就是体积比较小的安全光幕,一般应用于自动化机械上面。
超薄光电护手:超薄的是针对于一些特殊客户的定制要求,这种超薄安全光幕,保护宽度为0-4M。
按保护精度来分
保护手指:保护精度精准,可以做到保护手指,像安谐的10mm间距安全光栅的就可以做到保护手指。
保护手掌:可以做到保护手指,像安谐的20mm间距安全光栅的就可以做到保护手掌。
保护手臂:可以做到保护手指,像安谐的40mm间距安全光栅的就可以做到保护手臂。
按输出方式来分
NPN输出:又称为NPN安全光栅
PNP输出:又称为PNP安全光栅
继电器输出:需要带控制器的安全光幕。
冲床安全防护装置管理制度模版第一章总则第一条目的和依据本管理制度的目的是为了保障冲床操作人员的人身安全,防止冲床工作中的意外事故发生,依据国家相关法律法规、行业标准以及公司的安全规定制定。
第二条适用范围本管理制度适用于公司所有冲床操作人员,涉及到冲床的生产作业和设备维护。
第三条定义1. 冲床:机械冲压加工设备,用于对金属材料进行成型、切割等工艺操作。
2. 冲床安全防护装置:用于保护冲床操作人员的机械安全装置,包括但不限于安全门、光幕、安全警示灯等。
第四条职责分工1. 公司负责冲床操作人员的培训和安全管理。
2. 冲床操作人员应按照相关要求正确使用冲床安全防护装置,发现问题及时报告。
3. 维保人员负责对冲床安全防护装置进行定期检查和维护。
第二章冲床安全防护装置的要求第五条安全门1. 冲床设备应配备安全门,确保在冲床运行过程中人员不得进入工作区域。
2. 安全门应能够快速关闭,具有防护作用并能够有效防止操作人员误触冲床。
第六条光幕1. 冲床设备应配备光幕,用于检测工作区域是否有人员驻留,并在检测到人员时启动保护程序,停止冲床运行。
2. 光幕应保证能够全面覆盖工作区域,并能够及时识别到人员,保障工作安全。
第七条安全警示灯1. 冲床设备应配备安全警示灯,用于提示操作人员设备的运行状态。
2. 安全警示灯颜色应明确,红色表示设备处于运行状态,绿色表示设备处于停止状态。
第八条其他安全防护装置除了安全门、光幕和安全警示灯外,冲床设备还应配备其他适当的安全防护装置,以提高工作的安全性。
具体的防护装置根据冲床设备的特点和生产情况确定。
第三章冲床安全防护装置的管理第九条安装要求1. 安全门、光幕、安全警示灯等安全防护装置的安装应符合国家标准和设备生产厂家的要求。
2. 所有安全防护装置应安装在适当的位置,并能够正常启动和工作。
第十条检查和维护1. 冲床设备的操作人员应定期检查冲床安全防护装置的正常工作情况,如发现任何异常应立即报告,并停止使用冲床设备。
mlc510r40-1200说明书LEUZE安全光幕MLC310R40-1200也就是光电安全保护装置(也称安全保护器、冲床保护器、红外线安全保护装置等)。
由两部分组成。
投光器发射出调制的红外光,由受光器接收,形成了一个保护网,当是有物体进入保护网,当从中有光线被物体挡住,通过内部控制线路,受光器电路马上作出反应,即在输出部分输出一个信号用于机床如冲床,压力机等紧急刹车。
LEUZE安全光幕MLC310R40-1200使用说明:接收器上有两个运行状态指示灯:1、LED1·红色/绿色2、LED2·红色3、OSSD图标4、传输通道图标C2LEUZE安全光幕MLC310R40-1200优势特点:1、采用技术成熟的同步红外线扫描,优异的光学性能和2.5°的发散角,容易对准和维护2、外形小巧,采用铝铸合金外壳,非常坚固,轻巧3、20/40mm的多种规格分辨率4、保护高度范围宽4-128cm5、电气连接.4针M12接头6、紧凑的尺寸,横截面积仅为25×25mmLEUZE安全光幕MLC310R40-1200规格参数:基础数据:系列MLC 300设备类型接收器包含2 件BT-NC滑块应用手部保护, 出入口保护, 危险区保护功能:功能包基本型功能自动启动/重启, 传输通道切换特性参数:SIL1, IEC 61508SILCL1, IEC/EN 62061性能等级(PL)c, EN ISO 13849-1PFHD5.06E-08 每小时使用寿命20 年, EN ISO 13849-1保护区数据:分辨率40 mm保护区高度1,200 mmLEUZE安全光幕MLC310R40-1200采购订货认准“上海维特锐”,公司供应 LEUZE全系列传感器产品,工厂直供,种类齐全,价格公道,货源品质更安全放心,货期靠谱,确保您交货无忧!。
冲床装置专用安全光幕随着社会的快速发展,机械加工设备的使用越来越广泛。
冲床作为一种常用的加工设备,在工业生产中扮演着非常重要的角色。
但由于操作不当或设备的故障,冲床在使用过程中会造成很大的伤害或损失。
为了确保使用者的安全和设备的正常运转,冲床装置专用安全光幕被广泛地应用于冲床设备中。
安全光幕的作用安全光幕通常被用于冲床设备的安全保护。
它是由一组发射器和接收器组成的,通过红外线在发射器和接收器之间形成一道薄膜,用于检测并保护人们的安全。
当操作人员不慎挡住光射线时,安全光幕能够及时地感测到,并立刻停止机器设备的运行,保护人员不受到任何伤害。
安全光幕的使用范围安全光幕主要适用于冲床设备上的自动化生产线。
对冲床设备制作过程中高速旋转运动影响危险大的轴、杆、锤头、刀具等部件,需要配置安全光幕。
同时,对于普通的冲床设备,也应该考虑在必要的部位配置安全光幕。
安全光幕的种类目前市面上主流的安全光幕种类有两种:单光束安全光幕及双光束安全光幕。
单光束安全光幕单光束安全光幕是安全光幕技术的最早期代之一。
它由一根发射端和一根接收端组成,发射端向接收端发射红外光束,在一定范围内对运动物体进行不间断的感测与监控。
在使用中,由于光束的粗细和发射端和接收端的距离等因素的影响,会出现误打误撞的情况,从而影响了使用效果。
为了解决这一问题,后来出现了双光束安全光幕。
双光束安全光幕双光束安全光幕不同于单光束安全光幕的是,它采用了两根红外发射器,两根对应的红外接收器,并且每个接收器的接收距离都非常短,这样可以排除误判的情况。
如果在使用过程中,某一组光幕中任何一根发射器或接收器与其对应的光束发生偏差或损坏,双光束安全光幕就会停止正常的工作,停止设备运行,确保了操作人员和设备的安全。
安全光幕的安装方法安装安全光幕需要注意以下几个方面:安全距离安全光幕的遮挡距离有许多的标准和规范。
操作人员需要按照具体的操作条件和使用规范选择安全距离。
如果难以判断或没有明确的使用规范,可以根据设备的最高运转速度及装置的动力和冲击力等因素进行大致的计算。
文件编号:TP-AR-L5692
In Terms Of Organization Management, It Is Necessary To Form A Certain Guiding And Planning Executable Plan, So As To Help Decision-Makers To Carry Out Better Production And Management From Multiple Perspectives.
(示范文本)
编订:_______________
审核:_______________
单位:_______________
冲床装置专用安全光幕
(正式版)
冲床装置专用安全光幕(正式版)
使用注意:该安全管理资料可用在组织/机构/单位管理上,形成一定的具有指导性,规划性的可执行计划,从而实现多角度地帮助决策人员进行更好的生产与管理。
材料内容可根据实际情况作相应修改,请在使用时认真阅读。
危险机械有很多,冲床、剪切机、折弯机、大型
机械等等,这些危险机械都需要安全光栅,然而,并
不是所有的机械都是用一样的冲床保护器,不同的危
险机械,对于安全光栅的要求是不同的,下面,就具
体说说一般的冲床保护器的要求。
1.防震安全光栅
有些大型冲压机械震动力强这些大家都知道,那
么选用的安全光幕就不能使用一般的,选用好一点防
震功能好一点的安全光幕更加合适!要不,如果我们
选购的安全光栅没有防震功能,那么,我们的安全光
栅是很容易损坏的。
2.防水防油冲床保护器
有的机械可能会是多水多油的,这时候,如果有安装安全光栅的时候,我们就需要防水防油的冲床保护器,如果,在多水多油的运行环境中,我们的安全光幕没有防水功能的话,是很容易因为短路而无法正常运行的。
3.防尘安全光幕
灰尘较大和化学物质很多的厂房机械上是不能使用安全光幕的,因为安全光幕的镜面和外表容易产生腐蚀,所以不能使用!如果是多尘的工作环境的话,我们就需要用到防尘的冲床保护器。
4.抗干扰安全光栅
安全光栅是通过红外线的发射和接收来实现运行的,那么在一些有强光源的场合也要注意,强烈的光源容易对安全光幕造成干扰,要避开,尽量营造一个
合适的使用场合!如果是强光环境的话,一定要用抗干扰的安全光栅。
此处输入对应的公司或组织名字
Enter The Corresponding Company Or Organization Name Here。