无线电通信波段划分
- 格式:doc
- 大小:334.00 KB
- 文档页数:8
问答题1.简述无线电通信按所用波段可分为哪几类?答:无线电通信按所用波段可分为长波通信、中波通信、短波通信、超短波通信和微波通信等。
2.简述无线长波通信的应用领域。
答:长波通信多用于海上通信、水下通信、地下通信和导航等;由于传播稳定,受太阳耀斑或核爆炸引起的电离层骚扰的影响小,也可用作防电离层骚扰的备用通信手段。
六、论述题1.阐述无线通信的基本原理。
答:由电荷产生电场,电流产生磁场,电荷和电流交替消长的振动可在其周围空间产生互相垂直的电场与磁场、并以光速向四周辐射的电磁波。
电磁波以直线形式在均匀介质中传播,遇到不同介质或障碍物时,会产生反射、吸收、折射、绕射或极化偏转等现象。
为把信息通过无线电波送往远方,必须以电波作为载体,即用变更电波的幅度、频率或相位使信息附加到载频上去,分别称为调幅、调频或调相,统称调制。
经过调制的电波可在传输媒质中传输到达接收地点,然后再将所需信息提取出来还原,称为解调(反调制)。
以上介绍的就是无线通信的基本原理。
2.用信道的相干时间(td)或多普勒频移(fd)来描述发送电波信号时信道时变的快慢衰落。
答:当发送信号的码元时间Ts与多普勒频移fd的乘积远小于1时,即fdTs<<1,此时在每个码元时间内,信号的时变因素可以忽略,称此时发送信号经历慢衰落;当发送信号的码元时间Ts与多普勒频移fd的乘积与1可比时,此时每个码元时间内,信号的时变因素不可以忽略,发送信号经历快衰落。
1.简述无线通信信道的基本特征。
答:无线通信信道的基本特征主要表现在三个方面:一是带宽有限,它取决于可使用的频率资源和信道的传播特性;二是干扰和噪声影响大,这主要是无线通信工作的电磁环境所决定的;三是在移动通信中存在多径衰落,在移动环境下,接收信号起伏变化。
2.简述无线分集技术的含义。
答:分集有两重含义:一是分散传输,使接收端能获得多个统计独立的、携带同一信息的衰落信号;二是集中处理,即接收机把收到的多个统计独立的衰落信号进行合并,以降低衰落的影响。
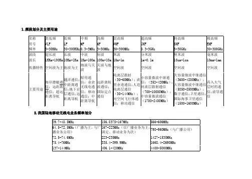
文军维修中国无线电频率分配表1.频段划分及主要用途 2.我国陆地移动无线电业务频率划分 3.业余无线电通信频率使用划分表*共用为业余业务作为主要业务和其他业务共用频段;专用为业余业务作为专用频段;次要为业余作为次要和其他业务共用频段。
其中2-9或12可用于自然灾害通讯;160MHz-162MHz 为气象频段。
4.无绳电话使用频率划分表一名称甚低频低频中频高频甚高频超高频特高频极高频符号VLF LF MF HF VHF UHF SHF EHF 频率3-30KHz 30-300KHz 0.3-3MHz 3-30MHz 30-300MHz 0.3-3GHz 3-30GHz 30-300GHz 波段超长波长波中波短波米波分米波厘米波毫米波波长1KKm-100Km 10Km-1Km 1Km-100m100m-10m10m-1m 1m-0.1m 10cm-1cm 10mm-1mm 传播特性空间波为主地波为主地波与天波天波与地波空间波空间波空间波空间波主要用途海岸潜艇通信;远距离通信;超远距离导航越洋通信;中距离通信;地下岩层通信;远距离导航船用通信;业余无线电通信;移动通信;中距离导航远距离短波通信;国际定点通信电离层散射(30-60MHz );流星余迹通信;人造电离层通信(30-144MHz );对空间飞行体通信;移动通信小容量微波中继通信;(352-420MHz );对流层散射通信(700-10000MHz );中容量微波通信(1700-2400MHz )大容量微波中继通信(3600-4200MHz );大容量微波中继通信(5850-8500MHz );数字通信;卫星通信;国际海事卫星通信(1500-1600MHz )再入大气层时的通信;波导通信29.7-48.5MHz156.8375-167MHz 566-606MHz64.5-72.5MHz (广播为主,与广播业务公用)167-223MHz (以广播业务为主,固定、移动业务为次)798-960MHz (与广播公用)72.5-74.6MHz 223-235MHz 1427-1535MHz 75.4-76MHz 335.4-399.9MHz 1668.4-2690MHz 137-144MHz 406.1-420MHz 4400-5000MHz146-149.9MHz 450.5-453.5MHz 150.05-156.7625MHz460.5-463.5MHz序号频率(MHz)用途序号频率(GHz)用途1 1.8-2.1共用15 1.24-1.30次要2 3.5-3.9共用16 2.30-2.45次要37.0-7.1专用17 3.30-3.50次要410.1-10.15次要18 5.65-6.35次要514-14.25专用1910-10.5次要614.25-14.35共用2024-24.25次要718.068-18.168共用2147-47.25共用821-21.45专用2275.5-76共用924.89-24.99共用2376-81次要1028-29.7共用24142-144共用1150-54次要25144-149次要12144-146专用26241-248次要13146-148共用27248-250共用14430-440次要28文军维修5.无绳电话使用频率划分表二 *表一为我国无委会1985年制定,表二为1992年制定。
1.频段划分及主要用途
2.我国陆地移动无线电业务频率划分
3.业余无线电通信频率使用划分表
注:共用为业余业务作为主要业务和其他业务共用频段;专用为业余业务作为专用频段;次要为业余作为次要和其他业务共用频段。
其中2-9或12可用于自然灾害通讯;160MHz-162MHz为气象频段。
4.无绳电话使用频率划分表一
5.无绳电话使用频率划分表二
注:表一为我国无委会1985年制定,表二为1992年制定。
规定无绳电话频道间隔为25KHz,座机发射功率不得超过50mW,手机发射功率不得超过20mW。
发射类别为F3E;F1D;G3E.
6.广播及电视频率划分表
7.玩具无线电遥控及通信频率表
注:通信设备发射类别:H1A;R1A;J1A;A1A;F1A;H3E;R3E;J3E;A3E;F3E.
8.发射特性国际代号说明
囧!我被这个价格雷到了,去欧酷网查看雷人价,点击进入>>>。
精心整理波段划分最早用于搜索雷达的电磁波波长为23cm,这一波段被定义为L波段(英语Long的字头),后来这一波段的中心波长变为22cm。
当波长为10cm的电磁波被使用后,其波段被定义为S波段(英语Short的字头,意为比原有波长短的电磁波)。
在主要使用3cm电磁波的火控雷达出现后,3cm波长的电磁波被称为X波段,因为X代表座标上的某点。
为了结合X波段和S波段的优点,逐渐出现了使用中心波长为5cm的雷达,该波段被称为C波段(C 即Compromise,英语“结合”一词的字头)。
“(Ka K“以往”我国的频率划分方法ExtremelyLowFrequency(ELF) 0KHz to 3KHz VeryLowFrequency(VLF) 3KHz to 30KHz RadioNavigation&Maritime/AeronauticalMobile 9KHz to 540KHz LowFrequency(LF) 30KHz to 300KHz MediumFrequency(MF) 300KHz to 3MHz AMRadioBroadcast 540KHz to 1630KHz HighFrequency(HF) 3MHz to 30MHz ShortwaveBroadcastRadio 5.95MHz to 26.1MHz VeryHighFrequency(VHF) 30MHz to 300MHz LowBand:TVBand1-Channels2-6 54MHz to 88MHzL-bandC-bandX-bandKu-bandKa-bandX-Rays微波波段极低频短波通信频率功能的划分极低频短波通信实际使用的频率范围:1.6MHz~30MHz1600kHz~1800kHz:主要是些灯塔和导航信号,用来给鱼船和海上油井勘探的定位信号1800kHz~2000kHz:160米的业余无线电波段,在秋冬季节的夜晚有最好的接收效果。
波段划分最早用于搜索雷达的电磁波波长为23cm,这一波段被定义为L波段(英语Long的字头),后来这一波段的中心波长变为22cm。
当波长为10cm的电磁波被使用后,其波段被定义为S波段(英语Short的字头,意为比原有波长短的电磁波)。
在主要使用3cm电磁波的火控雷达出现后,3cm波长的电磁波被称为X波段,因为X 代表座标上的某点。
为了结合X波段和S波段的优点,逐渐出现了使用中心波长为5cm的雷达,该波段被称为C波段(C即Compromise,英语“结合”一词的字头)。
在英国人之后,德国人也开始独立开发自己的雷达,他们选择1.5cm作为自己雷达的中心波长。
这一波长的电磁波就被称为K波段(K = Kurtz,德语中“短”的字头)。
“不幸”的是,德国人以其日尔曼民族特有的“精确性”选择的波长可以被水蒸气强烈吸收。
结果这一波段的雷达不能在雨中和有雾的天气使用。
战后设计的雷达为了避免这一吸收峰,通常使用比K波段波长略长(Ka,即英语K-above的缩写,意为在K 波段之上)和略短(Ku,即英语K-under的缩写,意为在K波段之下)的波段。
最后,由于最早的雷达使用的是米波,这一波段被称为P波段(P为Previous的缩写,即英语“以往”的字头)。
该系统十分繁琐、而且使用不便。
终于被一个以实际波长划分的波分波段系统取代,这两个系统的换算如下。
原P波段= 现A/B 原L波段= 现C/D 原S波段= 现E/F 原C波段= 现G/H 原X波段= 现I/J 原K波段= 现K 波段我国现用微波分波段代号Extremely Low Frequency (ELF) 0 KHz to 3 KHz Very Low Frequency (VLF)3 KHz to 30 KHz Radio Navigation & Maritime/Aeronautical Mobile 9 KHz to 540 KHz Low Frequency (LF) 30 KHz to 300 KHz Medium Frequency (MF) 300 KHz to 3 MHz AM Radio Broadcast 540 KHz to 1630 KHz High Frequency (HF)3 MHz to 30 MHz Shortwave Broadcast Radio 5.95 MHz to 26.1 MHz Very High Frequency (VHF)30 MHz to 300 MHz Low Band: TV Band 1 - Channels 2-6 54 MHz to 88 MHz Mid Band: FM Radio Broadcast 88 MHz to 174 MHz High Band: TV Band 2 - Channels 7-13 174 MHz to 216 MHz Super Band (mobile/fixed radio TV) 216 MHz to 600 MHz Ultra-High Frequency (UHF) 300 MHz to 3000 MHz Channels 14-70 470 MHz to 806 MHzL-band500 MHz to 1500 MHz Personal Communications Services (PCS) 1850 MHz to 1990 MHz Unlicensed PCS Devices1910 MHz to 1930 MHz Superhigh Frequencies (SHF) (Microwave) 3 GHz to 30 GHzC-band 3.6 GHz to 7 GHz X-band 7.25 GHz to 8.4 GHz Ku-band 10.7 GHz to 14.5 GHz Ka-band17.3 GHz to 31 GHz Extremely High Frequencies (EHF) (Millimeter Wave Signals) 30 GHz to 300 GHz Additional Fixed Satellite 38.6 GHz to 275 GHz Infrared Radiation 300 GHz to 810 THz Visible Light 810 THz to 1620 THz Ultraviolet Radiation 1.62 PHz to 30 PHz X-Rays 30 PHz to 30 EHz Gamma Rays30 EHzto3000 EHz微波波段极低频短波通信频率功能的划分极低频短波通信实际使用的频率范围:1.6 MHz~30 MHz1600 kHz~1800 kHz:主要是些灯塔和导航信号,用来给鱼船和海上油井勘探的定位信号1800 kHz~2000 kHz:160米的业余无线电波段,在秋冬季节的夜晚有最好的接收效果。
射频波段和对应频率射频(Radio Frequency)是指在无线通信中使用的频率范围,通常指的是30 kHz到300 GHz的频率范围。
射频波段广泛应用于无线通信、广播电视、雷达、导航系统等领域。
不同的射频波段有不同的特性和应用。
1. 低频射频波段(30 kHz - 300 kHz)低频射频波段主要用于低频通信和无线电广播。
在这个频段中,信号传输的距离较远,但传输速率较低。
例如,AM(调幅)广播电台所使用的频率范围就在这个射频波段内。
2. 中频射频波段(300 kHz - 3 MHz)中频射频波段常用于无线电通信和无线电广播。
在这个频段中,信号传输的距离相对较短,但传输速率较高。
例如,调频广播电台和短波广播电台所使用的频率范围就在这个射频波段内。
3. 高频射频波段(3 MHz - 30 MHz)高频射频波段广泛应用于无线电通信、无线电广播和短波通信。
在这个频段中,信号传输的距离较远,但传输速率较低。
例如,短波广播电台和业余无线电通信所使用的频率范围就在这个射频波段内。
4. 超高频射频波段(30 MHz - 300 MHz)超高频射频波段是无线通信中常用的频率范围,广泛应用于无线电通信、电视广播和雷达系统。
在这个频段中,信号传输的距离相对较短,但传输速率较高。
例如,蜂窝移动通信(如GSM和CDMA)和无线局域网(如WiFi)所使用的频率范围就在这个射频波段内。
5. 极高频射频波段(300 MHz - 3 GHz)极高频射频波段是无线通信中常用的频率范围,广泛应用于无线电通信、卫星通信和雷达系统。
在这个频段中,信号传输的距离相对较短,但传输速率很高。
例如,移动通信(如4G和5G)和卫星通信所使用的频率范围就在这个射频波段内。
6. 特高频射频波段(3 GHz - 30 GHz)特高频射频波段广泛应用于无线通信、雷达系统和卫星通信。
在这个频段中,信号传输的距离较短,但传输速率非常高。
例如,无线局域网(如WiMax)和雷达系统所使用的频率范围就在这个射频波段内。
Frequency band,中文译为“频段”,是指无线电通信中一段连续的频率范围。
在电磁波谱上,不同的频率对应不同的无线电波长,而频段则用来划分和管理这些无线电信号的使用。
例如:
超高频(Ultra High Frequency, UHF)频段通常指300 MHz至3 GHz之间的频率。
高频(High Frequency, HF)频段覆盖了3 MHz至30 MHz。
微波(Microwave)频段用于卫星通信、雷达系统等,通常包括几个子频段,如C波段(4到8 GHz)、X波段(8到12 GHz)、Ku波段(12到18 GHz)等。
频段的选择取决于应用需求和技术特性,例如传输距离、数据速率、穿透能力以及抗干扰性等因素。
各国政府通过电信监管机构对不同频段进行分配和许可,确保各类无线通信服务不会相互干扰,并且有效地利用有限的频谱资源。
中国无线电频率分配表1.频段划分及主要用途用途通信;远距离通信;超远距离导航距离通信;地下岩层通信;远距离导航信;业余无线电通信;移动通信;中距离导航波通信;国际定点通信60MHz);流星余迹通信;人造电离层通信(30-144MHz);对空间飞行体通信;移动通信420MHz);对流层散射通信(700-10000MHz);中容量微波通信(1700-2400MHz)(3600-4200MHz);大容量微波中继通信(5850-8500MHz);数字通信;卫星通信;国际海事卫星通信(1500-1600MHz)的通信;波导通信2.我国陆地移动无线电业务频率划分广告:>>29.7-48.5MHz 156.8375-167MHz 566-606MHz3.业余无线电通信频率使用划分表*共用为业余业务作为主要业务和其他业务共用频段;专用为业余业务作为专用频段;次要为业余作为次要和其他业务共用频段。
其中2-9或12可用于自然灾害通讯;160MHz-162MHz为气象频段。
4.无绳电话使用频率划分表一5.无绳电话使用频率划分表二*表一为我国无委会1985年制定,表二为1992年制定。
规定无绳电话频道间隔为25KHz,座机发射功率不得超过50mW,手机发射功率不得超过20mW。
发射类别为F3E;F1D;G3E.6.广播及电视频率划分表7.玩具无线电遥控及通信频率表*通信设备发射类别:H1A;R1A;J1A;A1A;F1A;H3E;R3E;J3E;A3E;F3E.8.发射特性国际代号说明。
无线电波段划分及传播式频率从几十Hz(甚至更低)到3000GHz左右(波长从几十Mm 到0.1mm左右)频谱围的电磁波,称为无线电波。
电波旅行不依靠电线,也不象声波那样,必须依靠空气媒介帮它传播,有些电波能够在地球表面传播,有些波能够在空间直线传播,也能够从大气层上空反射传播,有些波甚至能穿透大气层,飞向遥远的宇宙空间。
发信天线或自然辐射源所辐射的无线电波,通过自然条件下的媒质到达收信天线的过程,就称为无线电波的传播。
无线电波的频谱,根据它们的特点可以划分为表所示钓几个波段。
根据频谱和需要,可以进行通信、广播、电视、导航和探测等,但不同波段电波的传播特性有很大差别。
光速÷频率=波长无线电波波段划分波段名称波长围(m)频段名称频率围超长波长波中波短波1,000,000~10,00010,000~1,0001,000~100100~~1010~10.1~0.010.01~0.001甚低频低频中频高频甚高频特高频超高频极高频3~30KHz30~300KHz 300~3,000KHz 3~30MHz30~300MHz 300~3,000MHz 3~30GHz30~300GHz超短波米波分米波厘米波电波主要传播式电波传输不依靠电线,也不象声波那样,必须依靠空气媒介帮它传播,有些电波能够在地球表面传播,有些波能够在空间直线传播,也能够从大气层上空反射传播,有些波甚至能穿透大气层,飞向遥远的宇宙空间。
任一种无线电信号传输系统均由发信部分、收信部分和传输媒质三部分组成。
传输无线电信号的媒质主要有地表、对流层和电离层等,这些媒质的电特性对不同波段的无线电波的传播有着不同的影响。
根据媒质及不同媒质分界面对电波传播产生的主要影响,可将电波传播式分成下列几种:地表传播对有些电波来说,地球本身就是一个障碍物。
当接收天线距离发射天线较远时,地面就象拱形大桥将两者隔开。
那些走直线的电波就过不去了。
只有某些电波能够沿着地球拱起的部分传播出去,这种沿着地球表面传播的电波就叫地波,也叫表面波。
短波波段划分短波波段划分是一种对无线电频谱进行分段的方法,旨在提供广播和通信服务。
短波波段通常指的是频率范围在3 MHz至30 MHz之间的无线电信号,但对于不同的国家和地区,短波波段的具体划分可能会有所不同。
在世界范围内,短波波段的划分一般是根据国际电信联盟(ITU)的规定进行实施的。
ITU将短波波段分为若干个频带,目的是为了协调全球无线电通信和广播服务的使用。
这些频带通常以国际频率(kHz)进行命名,例如,4.75-5.06 MHz频带被称为“49米波段”。
在短波波段划分中,不同的频带被指派给不同的服务和用途。
其中最重要的是广播服务和业余无线电通信。
广播服务通常分为国家和国际频段。
国家频段主要提供给各国的广播电台使用,用于向本国观众传播新闻、音乐、娱乐等节目。
而国际频段则是为国际短波广播服务保留的,许多世界知名的国际广播电台都在这些频段内进行国际广播。
此外,业余无线电通信也是短波波段的重要应用之一。
业余无线电爱好者可以通过短波频段进行全球范围的通信。
那些对无线电技术和通信感兴趣的人们可以通过获得相关的业余无线电操作执照,拥有使用短波频段进行通信的权限。
频谱的划分对于业余无线电通信非常重要,因为它保证了不同的频段可以被不同的通信模式、功率级别和服务使用。
除了广播和业余无线电通信外,短波波段还可以用于其他通信和科学研究用途。
例如,它可以用于海上船舶和航空器之间的通信,也可以用于无线电定位和导航系统。
科学家可以利用短波频段来进行大气层和电离层的研究,从而更好地了解这些自然现象。
由于短波信号可以在大气中反射和穿透,因此它具有较远的传输距离和较大的传播稳定性。
总之,短波波段的划分是为了有效地利用无线电频谱资源,提供多种通信和广播服务。
国际电信联盟通过制定统一的规定,确保了全球范围内的无线电通信和广播顺利进行。
对于广播、业余无线电通信以及科学研究来说,短波频段的使用具有非常重要的意义。
频率划分及波段应用频率划分是指将频率范围划分为不同的波段或频段,以便于电磁信号传输和通信。
在电磁波谱中,各种频率波段被广泛用于不同的应用,包括无线通信、广播、电视等。
本文将就频率划分及波段应用进行详细介绍。
首先,让我们来了解一下常见的频率划分和波段应用。
1. 低频波段:低频波段指的是频率较低的电磁波,一般包括几十赫兹至几百千赫兹的范围。
这个频段主要用于无线电广播和长波通信,能够传播较长距离。
2. 中频波段:中频波段指的是频率在几百千赫兹至几千兆赫兹之间的电磁波。
这个频段主要用于AM 广播、航空通信和短波通信。
3. 高频波段:高频波段指的是频率在几百兆赫兹至几千兆赫兹的电磁波。
这个频段主要用于无线电通信、卫星通信、雷达和移动通信,如GSM、3G、4G、5G 等。
4. 超高频波段:超高频波段指的是频率在数十兆赫兹至数百兆赫兹的电磁波。
这个频段主要用于无线电通信、无线局域网、蓝牙、Wi-Fi 等。
5. 极高频波段:极高频波段指的是频率在几十兆赫兹至几百兆赫兹之间的电磁波。
这个频段主要用于微波通信、雷达、无线电天线和卫星广播。
6. 太高频波段:太高频波段指的是频率在几百兆赫兹至几千兆赫兹范围内的电磁波。
这个频段主要用于卫星通信、雷达、无线电通信和无线电天线。
7. 过高频波段:过高频波段指的是频率在几千兆赫兹至数十千兆赫兹范围内的电磁波。
这个频段主要用于雷达、微波通信、无线电通信、无线电天线和卫星广播。
以上是常见的几个频率波段及其应用,每个波段都有其特定的应用领域和特点。
下面我们将详细介绍每个波段的应用。
低频波段主要用于无线电广播、长波通信和地球物理探测。
根据不同国家和地区的规定,低频波段被广泛用于AM 广播、超长波通信和卫星通信。
由于低频波段的传播距离较远,穿透力较强,因此适合用于广播和通信。
中频波段主要用于AM 广播、航空通信和短波通信。
中频信号传输稳定可靠,穿透力较强,适合用于航空通信和短波通信。
高频波段主要用于无线电通信、卫星通信、雷达和移动通信。
中国无线电频率划分及主要用途1.频段划分及主要用途
2.我国陆地移动无线电业务频率划分
3.业余无线电通信频率使用划分表
*共用为业余业务作为主要业务和其他业务共用频段;专用为业余业务作为专用频段;次要为业余作为次要和其他业务共用频段。
其中2-9或12可用于自然灾害通讯;160MHz-162MHz为气象频段。
4.无绳电话使用频率划分表一
5.无绳电话使用频率划分表二
*表一为我国无委会1985年制定,表二为1992年制定。
规定无绳电话频道间隔为25KHz,座机发射功率不得超过50mW,手机发射功率不得超过20mW。
发射类别为F3E;F1D;G3E.
6.广播及电视频率划分表
7.玩具无线电遥控及通信频率表
*通信设备发射类别:H1A;R1A;J1A;A1A;F1A;H3E;R3E;J3E;A3E;F3E.
8.发射特性国际代号说明。
波段划分对照表波段划分对照表是指将无线电频谱分为不同频段,以便于各种无线电通信系统之间的协调和避免干扰。
下面是一份常用的波段划分对照表:VLF(极低频):3 kHz - 30 kHzLF(低频):30 kHz - 300 kHzMF(中频):300 kHz - 3 MHzHF(高频):3 MHz - 30 MHzVHF(甚高频):30 MHz - 300 MHzUHF(超高频):300 MHz - 3 GHzSHF(极高频):3 GHz - 30 GHzEHF(极超高频):30 GHz - 300 GHz根据这个划分,不同类型的通信系统可以在不同的频段上进行操作,以免相互干扰,并保证通信效果的稳定和可靠性。
在每个频段内,不同频率段也有一些特定的用途和应用。
继续划分的频段如下:HF(高频):- 3 MHz - 4 MHz:航海通信- 5.3305 MHz:短波广播- 7 MHz - 10 MHz:业余无线电- 13.553 MHz - 13.567 MHz:国际时间信号- 14 MHz - 14.350 MHz:业余无线电- 26.957 MHz - 27.283 MHz:CB(公民无线电)通信VHF(甚高频):- 30 MHz - 50 MHz:无线电广播- 50 MHz - 54 MHz:业余无线电- 54 MHz - 72 MHz:电视广播- 87.5 MHz - 108 MHz:FM广播- 118 MHz - 137 MHz:民航通信- 144 MHz - 146 MHz:业余无线电- 156.025 MHz - 162.025 MHz:海上安全通信(船舶和海岸站)- 173.2 MHz - 173.4 MHz:抢救救援通信- 400 MHz - 470 MHz:无线电对讲机UHF(超高频):- 400 MHz - 420 MHz:航空导航- 430 MHz - 440 MHz:业余无线电- 450 MHz - 470 MHz:无线电对讲机- 470 MHz - 806 MHz:电视广播、手机通信- 890 MHz - 915 MHz:CDMA手机通信- 1.710 GHz - 1.885 GHz:联通手机通信- 2.11 GHz - 2.17 GHz:移动、联通、电信手机通信- 3 GHz - 4 GHz:卫星通信SHF(极高频):- 3 GHz - 6 GHz:无线局域网通信- 7 GHz - 8 GHz:卫星通信、业余无线电- 10 GHz - 40 GHz:雷达、卫星通信、微波通信EHF(极超高频):- 30 GHz - 300 GHz:微波通信、卫星通信、毫米波通信、红外线通信以上仅为一般的波段划分对照表,实际使用中可能会有不同的细分和具体用途。
无线电波的波长(频率)与波段
电磁波的电场(或磁场)随时间变化,具有周期性。
在一个振荡周期中传播的距离叫波长。
振荡周期的倒数,即每秒钟振动(变化)的次数称频率。
很显然,波长与频率的乘积就是每秒钟传播的距离,即波速。
令波长为λ,频率为f,速度为V,得:
λ=V/f波长入的单位是米(m),速度的单位是米/秒(m/sec),频率的单位为赫兹(Hertz,Hz)。
整个电磁频谱,包含从电波到宇宙射线的各种波、光、和射线的集合。
不同频率段落分别命名为无线电波(3KHz—3000GHz)、红外线、可见光、紫外线、X 射线、丫射线和宇宙射线。
在19世纪末,意大利人马可尼和俄国人波波夫同在1895年进行了无线电通信试验。
在此后的100年间,从3KHz直到3000GHz频谱被认识、开发和逐步利用。
根据不同的持播特性,不同的使用业务,对整个无线电频谱进行划分,共分9段:甚低频(VLF)、低频(LF)、中频(MF),高频(HF)、甚高频(VHF)\特高频(uHF)\超高频(sHF)\极高频(EHF)和至高频,对应的波段从甚(超)长波、长波、中波、短波、米波、分米波、厘米波、毫米波和丝米波(后4种统称为微波)。
见下表。
无线电频谱和波段划分
由于不同的无线电(波段)有不同的传播特性。
因而具有不同的用途。
见下表。
各波段无线电波的主要用途。
波段划分最早用于搜索雷达的电磁波波长为23cm,这一波段被定义为L波段(英语Long的字头),后来这一波段的中心波长变为22cm。
当波长为10cm的电磁波被使用后,其波段被定义为S波段(英语Short的字头,意为比原有波长短的电磁波)。
在主要使用3cm电磁波的火控雷达出现后,3cm波长的电磁波被称为X波段,因为X代表座标上的某点。
为了结合X波段和S波段的优点,逐渐出现了使用中心波长为5cm的雷达,该波段被称为C波段(C即Compromise,英语“结合”一词的字头)。
在英国人之后,德国人也开始独立开发自己的雷达,他们选择1.5cm作为自己雷达的中心波长。
这一波长的电磁波就被称为K波段(K = Kurtz,德语中“短”的字头)。
“不幸”的是,德国人以其日尔曼民族特有的“精确性”选择的波长可以被水蒸气强烈吸收。
结果这一波段的雷达不能在雨中和有雾的天气使用。
战后设计的雷达为了避免这一吸收峰,通常使用比K波段波长略长(Ka,即英语K-above的缩写,意为在K波段之上)和略短(Ku,即英语K-under的缩写,意为在K波段之下)的波段。
最后,由于最早的雷达使用的是米波,这一波段被称为P波段(P为Previous的缩写,即英语“以往”的字头)。
该系统十分繁琐、而且使用不便。
终于被一个以实际波长划分的波分波段系统取代,这两个系统的换算如下。
原P波段= 现A/B 波段原L波段= 现C/D 波段原S波段= 现E/F 波段原C波段= 现G/H 波段原X波段= 现I/J 波段原K波段= 现K 波段我国现用微波分波段代号我国的频率划分方法Extremely Low Frequency (ELF) 0 KHz to 3 KHz Very Low Frequency (VLF) 3 KHz to 30 KHz Radio Navigation & Maritime/Aeronautical Mobile 9 KHz to 540 KHz Low Frequency (LF) 30 KHz to 300 KHz Medium Frequency (MF) 300 KHz to 3 MHz AM Radio Broadcast 540 KHz to 1630 KHz High Frequency (HF) 3 MHz to 30 MHz Shortwave Broadcast Radio 5.95 MHz to 26.1 MHz Very High Frequency (VHF) 30 MHz to 300 MHz Low Band: TV Band 1 - Channels 2-6 54 MHz to 88 MHz Mid Band: FM Radio Broadcast 88 MHz to 174 MHz High Band: TV Band 2 - Channels 7-13 174 MHz to 216 MHz Super Band (mobile/fixed radio TV) 216 MHz to 600 MHz Ultra-High Frequency (UHF) 300 MHz to 3000 MHz Channels 14-70 470 MHz to 806 MHz L-band 500 MHz to 1500 MHz Personal Communications Services (PCS) 1850 MHz to 1990 MHz Unlicensed PCS Devices 1910 MHz to 1930 MHz Superhigh Frequencies (SHF) (Microwave) 3 GHz to 30 GHz C-band 3.6 GHz to 7 GHz X-band 7.25 GHz to 8.4 GHz Ku-band 10.7 GHz to 14.5 GHz Ka-band 17.3 GHz to 31 GHz Extremely High Frequencies (EHF) (Millimeter Wave Signals) 30 GHz to 300 GHz Additional Fixed Satellite 38.6 GHz to 275 GHz Infrared Radiation 300 GHz to 810 THz Visible Light 810 THz to 1620 THz Ultraviolet Radiation 1.62 PHz to 30 PHz X-Rays 30 PHz to 30 EHz Gamma Rays 30 EHz to 3000 EHz微波波段极低频短波通信频率功能的划分极低频短波通信实际使用的频率范围:1.6 MHz~30 MHz1600 kHz~1800 kHz:主要是些灯塔和导航信号,用来给鱼船和海上油井勘探的定位信号1800 kHz~2000 kHz:160米的业余无线电波段,在秋冬季节的夜晚有最好的接收效果。
2000 kHz~2300 kHz:此波段用于海事通信,其中2182 kHz保留为紧急救难频率。
2300 kHz~2498 kHz:120米的广播波段。
2498 kHz~2850 kHz:此波段有很多海事电台。
2850 kHz~3150 kHz:主要是航空电台使用。
3150 kHz~3200 kHz:分配给固定台。
3200 kHz~3400 kHz:90米的广播波段,主要是一些热带地区的电台使用。
3400 kHz~3500 kHz:用于航空通信。
3500 kHz~4000 kHz:80米的业余无线电波段。
4000 kHz~4063 kHz:固定电台波段。
4063 kHz~4438 kHz:用于海事通信。
4438 kHz~4650 kHz:用于固定台和移动台的通信4750 kHz~4995 kHz:60米的广播波段,主要由热带地区的一些电台使用。
最好的接收时间是秋冬季节的傍晚和夜晚。
4995 kHz~5005 kHz:有国际性的标准时间频率发播台。
可在5000 kHz听到。
5005 kHz~5450 kHz:此频段非常混乱,低端有些广播电台,还有固定台和移动台。
5450 kHz~5730 kHz:航空波段。
5730 kHz~5950 kHz:此波段被某些固定台占用,这里也可以找到几个广播电台。
5950 kHz~6200 kHz:49米的广播波段。
6200 kHz~6525 kHz:非常拥挤的海事通信波段。
6525 kHz~6765 kHz:航空通信波段。
6765 kHz~7000 kHz:由固定台使用。
7000 kHz~7300 kHz:全世界的业余无线电波段,偶尔有些广播也会在这里出现。
7300 kHz~8195 kHz:主要由固定台使用,也有些广播电台在这里播音。
8195 kHz~8815 kHz:海事通信频段。
8815 kHz~9040 kHz:航空通信波段,还可以听到一些航空气象预报电台。
9040 kHz~9500 kHz:固定电台使用,也有些国际广播电台的信号。
9500 kHz~9900 kHz:31米的国际广播波段。
9900 kHz~9995 kHz:有些国际广播电台和固定台使用。
9995 kHz~10005 kHz:标准时间标准频率发播台。
可在10000 kHz听到。
10005 kHz~10100 kHz:用于航空通信。
10100 kHz~10150 kHz:30米的业余无线电波段。
10150 kHz~11175 kHz:固定台使用这个频段。
11175 kHz~11400 kHz:用于航空通信。
11400 kHz~11650 kHz:主要是固定电台使用,但是也有些国际广播电台的信号。
11650 kHz~11975 kHz:25米的国际广播波段,整天可以听到有电台播音。
11975 kHz~12330 kHz:主要是由一些固定电台使用,但是也有些国际广播电台的信号。
12330 kHz~13200 kHz:繁忙的海事通信波段。
13200 kHz~13360 kHz:航空通信波段。
13360 kHz~13600 kHz:主要是由一些固定电台使用。
13600 kHz~13800 kHz:22米的国际广播波段。
13800 kHz~14000 kHz:由固定台使用。
14000 kHz~14350 kHz:20米的业余无线电波段。
14350 kHz~14490 kHz:主要是由一些固定电台使用。
14990 kHz~15010 kHz:标准时间标准频率发播台。
可在15000 kHz听到。
15010 kHz~15100 kHz:用于航空通信,也可以找到一些国际广播电台。
15100 kHz~15600 kHz: 19米的国际广播波段,整天可以听到有电台播音。
15600 kHz~16460 kHz:主要是由固定电台使用。
16460 kHz~17360 kHz:由海事电台和固定电台共享。
17360 kHz~17550 kHz:由航空电台和固定电台共享。
17550 kHz~17900 kHz:16米的国际广播波段,最佳的接收时间是在白天。
17900 kHz~18030 kHz:用于航空通信。
18030 kHz~18068 kHz:主要是由固定电台使用。
18068 kHz~18168 kHz:17米的业余无线电波段。
18168 kHz~19990 kHz:用于固定电台,也可以找到一些海事电台。
19990 kHz~20010 kHz:标准时间标准频率发播台,可在20000 kHz听到,接收的最佳时间在白天。
20010 kHz~21000 kHz:主要用于固定台,也有些航空电台。
21000 kHz~21450 kHz:15米的业余无线电波段。
21450 kHz~21850 kHz:13米的国际广播波段,最佳的接收时间是在白天。
21850 kHz~22000 kHz:由航空电台和固定电台共享。
22000 kHz~22855 kHz:主要是由一些海事电台使用。
22855 kHz~23200 kHz:主要是由一些固定电台使用。
23200 kHz~23350 kHz:由航空台使用。
23350 kHz~24890 kHz:主要是由一些固定电台使用。
24890 kHz~24990 kHz:15米的业余无线电波段。
24990 kHz~25010 kHz:用于标准时间标准频率发播台,目前还没有电台在这个频段上操作。
25010 kHz~25550 kHz:用于固定、移动、海事电台。
25550 kHz~25670 kHz:此频段保留给天文广播,目前还没有电台。
25670 kHz~26100 kHz:13米的国际广播波段。