常用润滑剂新旧牌号对照表
- 格式:doc
- 大小:97.00 KB
- 文档页数:2
液压油知识
一、液压油应具备的性能
1、有适宜的粘度及良好的粘湿性能。
2、润滑性好。
3、具有良好的氧化安定性。
4、防属防锈性好。
5、具有良好的消泡性,空气释放性。
6、对水具有良好的分离性,不易乳化。
7、与密封材料的适应性好。
8、抗燃性高。
9、剪切安定性好。
10、蒸气压低。
11、热膨胀系数低。
二、液压油分类:
HH—无抗氧剂液压油,较AN(全损耗油)高。
HL-液压油。
HM-抗磨液压油。
HV-低温液压油。
HG-液压导轨油。
HS-低温液压油。
CKB-抗氧防锈工业闭式齿轮油。
CKC-中负荷工业闭式齿轮油。
CKD-重负荷工业闭式齿轮油。
CKE-轻负荷蜗轮蜗杆油。
FC-轴承油。
FD-轴承油。
三、通用润滑脂:
◎优○良△尚可х劣
常用润滑剂新旧牌号对照表。
常用润滑油添加剂的代号与名称对照:T101 101 清净剂低碱值石油磺酸钙T102 102 清净剂中碱值石油磺酸钙T103 103 清净剂高碱值石油磺酸钙T104 104 清净剂低碱值合成磺酸钙T105 105 清净剂中碱值合成磺酸钙T106 106 清净剂高碱值合成磺酸钙T106A 106A 清净剂高碱值合成磺钙T107 107 清净剂超碱值合成磺酸镁T108 108 清净剂硫磷化聚异丁烯钡盐T108A 108A 清净剂硫磷化聚异丁烯钡盐T109 109 清净剂烷基水杨酸钙T111 111 清净剂环烷酸镁T114 114 清净剂高三值环烷酸钙T121 121 清净剂中碱值硫化烷基酚钙T122 122 清净剂高三值硫化烷基酚钙T151 151 分散剂单烯基丁二酰亚胺T152 152 分散剂双烯基丁二酰亚胺T153 153 分散剂多烯基丁二酰亚胺T154 154 分散剂聚异丁烯丁二酰亚胺(高氮)T155 155 分散剂聚异丁烯丁二酰亚胺(低氮)T201 201 抗氧抗腐剂硫磷烷基酚锌盐T202 202 抗氧抗腐剂硫磷丁辛基锌盐T203 203 抗氧抗腐剂硫磷双辛基碱性锌盐T203A 203A 抗氧抗腐剂硫磷双辛基碱性锌盐T204 204 抗氧抗腐剂硫磷二烷基锌盐T205 205 抗氧抗腐剂硫磷二烷基锌盐T301 301 极压抗磨剂氯化石蜡T304 304 极压抗磨剂酸性亚磷酸二丁酯T305 305 极压抗磨剂硫磷酸含氮衍生物T306 306 极压抗磨剂磷酸三甲酚酯T307 307 极压抗磨剂硫代磷酸胺盐T308 308 极压抗磨剂异辛基酸性磷酸酯十八胺盐T309 309 极压抗磨剂硫代磷酸三茜酸T321 321 极压抗磨剂硫化异丁烯T322 322 极压抗磨剂二苄基二硫化物T323 323 极压抗磨剂氨基硫代酯T341 341 极压抗磨剂环烷酸铅T351 351 极压抗磨剂二丁基二硫代氨基甲酸钼T352 352极压抗磨剂二丁基二硫代氨基甲酸锑T353 353极压抗磨剂二丁基二硫代氨基甲酸铅T361 361极压抗磨剂硼酸盐极压抗磨剂硼化油酰胺极压抗磨剂A-型有机铜化合物极压抗磨剂磷酸三(2,3-二氯丙烷)酯WH-E 有机硫化物T401 401 油性剂硫化鲸鱼油T402 402 油性剂二聚酸T403 403 油性剂油酸乙二醇酯T403A 403A 油性剂油酸乙二醇酯T404 404 油性剂硫化棉籽油T405 405 油性剂硫化烯烃棉籽油-1T405A 405A 油性剂硫化烯烃棉籽油-2T406 406 油性剂苯骈三氮唑脂肪酸胺盐油性剂亚磷酸三苯脂油性剂磷酸三乙酯油性剂油酸丁酯油性剂硬脂酸丁脂油性剂苯二甲酸二辛酯油性剂风吹菜油油性剂油酸油性剂SOS 油性剂油性剂SOAE 油性剂T451 451 摩擦改进剂磷酸酯T461 461 摩擦改进剂硫磷酸钼摩擦改进剂油酸环氧酯减摩剂FJM-1型节能材料减摩剂异氰尿酸三聚氰铵减摩剂TRIWON节能减摩剂减摩剂有机钼节能减摩剂减摩剂有机硼节能减摩剂减摩剂GRT 节能减摩剂减摩剂YGC 节能减摩剂减摩剂SAI 同T501 501 抗氧剂2,6 二叔丁基对甲酚T502 502 抗氧剂2,6- 二叔丁基混合酯T511 511 抗氧剂4,4- 亚甲基双(2,6- 二叔丁基酚)T521 521 抗氧剂2,6- 二叔丁基-α二甲氨基对甲酚T531 531 抗氧剂N- 苯基-α萘胺T532 532 含苯三唑衍生物复合剂抗氧剂四[β(3,5-二叔丁基-4-羟基苯基丙)酸]季戊四醇酯抗氧剂β- (3,5-叔丁基-4-m羟基苯基丙)酸十八碳醇酯抗氧剂硫化氨基甲酸锌抗氧剂二酚基丙烷T551 551 金属减活剂噻二唑衍生物T561 561 金属减活剂噻二唑衍生物T601 601 粘度指数改进剂聚乙烯基正丁基醚T602 602 粘度指数改进剂聚甲基丙烯酸酯T603 603 粘度指数改进剂聚异丁烯T603A 603A 粘度指数改进剂聚异丁烯T603B 603B 粘度指数改进剂聚异丁烯T603C 603C 粘度指数改进剂聚异丁烯T603D 603D 粘度指数改进剂聚异丁烯T611 611 粘度指数改进剂乙丙共聚物T612 612 粘度指数改进剂乙丙共聚物(6.5%)T612A 612A 粘度指数改进剂乙丙共聚物(8.5%)T613 613 粘度指数改进剂乙丙共聚物(11.5%)T614 614 粘度指数改进剂乙丙共聚物(13.5%)T631 631 粘度指数改进剂聚丙烯酸酯粘度指数改进剂丁二酰亚胺乙丙共聚物粘度指数改进剂分散型乙丙共聚物粘度指数改进剂苯乙烯-双烯共聚物T621/622 粘度指数改进剂分散型乙丙共聚物(高/低氮)粘度指数改进剂顺丁橡胶粘度指数改进剂无规聚丙烯粘度指数改进剂聚异丁烯T701 701 防锈剂石油磺酸钡T701B 防锈剂合成磺酸钡防锈剂重烷基苯磺酸钡T702 702 防锈剂石油磺酸钠T702A 防锈剂合成磺酸钠防锈剂重烷基苯磺酸钠T703 703 防锈剂十七烯基咪唑啉烯基丁二酸盐T704 704 防锈剂环烷酸锌T705 705 防锈剂二壬基萘磺酸钡盐T706 706 防锈剂苯骈三氮唑T707 707 防锈剂合成磺酸镁T708 708 防锈剂烷基磷酸咪唑啉盐T743 743 防锈剂氧化石油脂钡皂T746 746 防锈剂烯基丁二酸酯防锈剂烯基丁二酸酯防锈剂羊毛脂镁皂防锈剂失水山梨糖醇单油酸酯防锈剂油酸三乙醇胺酯防锈剂磺化蓖麻油防锈剂蓖麻酯钾防锈剂三古丁胺防锈剂羊毛脂防锈剂T8-MC防锈润滑剂防锈剂CY-11水溶性防锈剂T801 801 降凝剂烷基萘T803 803 降凝剂聚α烯烃T803A 803A 降凝剂聚α烯烃-1T803B 803B 降凝剂聚α烯烃-2T805 805 降凝剂聚α烯烃-3T806 806 降凝剂α- 烯烃4T814 814 降凝剂聚丙烯酸酯T901 901 抗泡剂甲基硅油T911 911 抗泡剂丙烯酸与醚共聚物T912 912 抗泡剂丙烯酸与醚共聚物EL 系列抗泡剂蓖麻油聚氧乙烯醚T1001 1001 抗乳化剂胺与环氧化物缩合物T1002 1002 抗乳化剂环氧乙烷、丙烷嵌段聚醚抗乳化剂聚环氧乙烷-环氧丙烷醚平平加乳化剂脂肪醇聚氧乙烯醚OP 系列乳化剂烷基酚聚氧乙烯醚NP 系列乳化剂壬基酚聚氧乙烯醚乳化剂磺化油DIH乳化剂磺化油乳化剂山梨糖醇酐单油酸酯T代表:添加剂T1XX: 代表清净剂,指磺酸盐系列产品,包括:石油磺酸盐(T101,T103);合成磺酸盐(T104等)T11X: 代表酚盐系列添加剂T15X--T16X: 代表分散剂T3XX: 代表挤压抗磨剂,例如:T301, T307, T321T20X: 代表抗氧抗磨,抗腐剂:例如:T202T40X: 代表摩擦改进剂,油性剂;例如:T405,T406T5XX: 代表抗氧剂T6XX: 代表粘度指数改进剂;例如:T601,T602,T603,T611,T615,T618T7XX: 代表防锈剂T8XX: 代表降凝剂T9XX: 代表抗泡剂T12XX: 代表金属钝化剂1.值得提出的是添加剂也不是万能的,它不能使劣质油品变成优质油品,添加剂只是提高油品质量的主要因素之一。
润滑油牌号对照表润滑油40℃温度下ISO-VG粘度mm2/s.标准DIN51519润滑油选用实例合成油1)VG1000DegolGS1000TRIBOL800/100OptiflexA1000 VG680DegolGS68PolydeaPGLP680GlygoyleHE 680TRIBOL800/680OptiflexA 680 VG460DegolGS46EnersynSG-XP460PolydeaPGLP460GlygoyleHE 460TRIBOL800/460OptiflexA 460 VG320DegolGS32GlygoyleHE 320TRIBOL800/320OptiflexA 320 VG220DegolGS22EnersynSG-XP220PolydeaPGLP220Glygoyle30TRIBOL800/220OptiflexA 220 VG150DegolGS15PolydeaPGLP150Glygoyle22TRIBOL800/150OptiflexA 150 VG100TRIBOL800/100矿物油2)VG1000TRIBOL1100/1000OptigearBM1000有良好的抗老化性能,可有效地提高齿轮箱的机械效率。
工作温度适用范围为-20℃止+90℃(瞬时可达110℃)。
2)矿物基齿轮油根据DIN51502标准定名为CLP。
这类润滑油可达到DIN51517第3部分规定地最低要求。
工作温度适用范围为-10℃至+90℃(瞬时可达100℃)。
美孚力富SHC 220、460、1500Mobilith SHC 220、460、1500美孚力富SHC 220、460、1500是工业用合成滑脂,由复合锂皂基、合成基础油,防锈及氧化遏止剂与高性能极压剂配制而成。
其基础油为高粘度、稳定的合成油,配上抗高温的增稠剂及稳定的添加剂,令润滑性能优异及带来极长的使用寿命。
美孚高温滑脂SHC 32、100Mobiltemp SHC 32、100美孚高温滑脂SHC 32及100是非皂基及合成基础油配制而成,低温启动性良好,转动扭距低,能承受水冲洗,能在广阔温度范围下保持硬度。
工业润滑剂的十九大分类
国际标准化组织(ISO)于1981年9月发布了“润滑剂、工业润滑油及其相关产品的分类标准(ISO 6743/0)”。
国家标准GB498—87颁布的同年,我国颁布了GB7631.1—87《润滑剂和有关产品(L)类的分类第一部分:总分组》。
该标准根据尽可能地包括润滑剂和有关产品的应用场合这一原则,将润滑剂分为19个组。
其组别名称和代号分别如下:
组别代号组别名称
A 全损耗系统油
B 脱模油
C 齿轮油
D 压缩机油(包括冷冻机和齿轮泵)
E 内燃机油
F 主轴、轴承和离合器油
G 导轨油
H 液压油
M 金属加工油
N 电器绝缘油
P 风动工具油
Q 热导油
R 暂时保护防腐蚀油
T 汽轮机油
U 热处理油
X 润滑脂
Y 其他应用场合油
Z 蒸汽气缸油
S 特殊润滑剂应用油。
新旧油品名称对照表名称曾用名或地方俗名重柴油(燃料油) 1号、2号重柴油120号橡胶溶剂油、溶解汽油、香汽油、溶剂汽油、卡洛橡胶工业溶剂油纱油CC柴油机油低增压柴油机油CD柴油机油中增压柴油机油车用机油、汽车机油、电机油、滑机油、内燃机油、引汽油机油擎油、毛必鲁、阿夫多尔柴油机油机油、迪赛尔机油、拖拉机机油10号机械油、100度红车油、锭子油、缝纫机油、纺锤油、L-AN15号机械油(HL-15号液压油)2号锭子油L-AN32号机械油(HL-32液压油)20号机械油、3号锭子油、纺锤油L-AN46号机械油(HL-46液压油)30机械油、30号工业油、300度红车油、轻质机械油L-AN68号机械油(HL-68液压油)40号机械油、40号工业油、400度红车油、中质机械油L-AN100号机械油(HL-100液压油)50号机械油、50号机械油、500度红车油13号机械油13号特殊机械油、锭子油AY、枢轴油、专用锭子油汽轮机油透平油、特尔滨油、涡轮机油、发电机油、减速透平油变压器油绝缘油、方棚油、油开关油、电盒油、转司法马油电容器油电容绝缘油冰箱油、电冰箱油、制冰机油、氨冷冻机油、飞昂冷冻冷冻机油机油、冷藏库机油10号、13号、18号、19号压缩机油、鼓风机油、空压机空气压缩机油回转式压缩机油油、风泵油、冷泵油11号饱和汽缸油2号饱和汽缸油、蒸汽机油、锅驼机油24号饱和汽缸油维字汽缸油、24号蒸汽机油、锅驼机油、维斯考金38号饱和汽缸油6号过热汽缸油、蒸汽机油、锅驼机油52号饱和汽缸油特种过热汽缸油、瓦波尔齿轮油、齿轮传动油、闸箱油、黑机油、考帮油、600油、普通车辆齿轮油轧盒油、重机油、齿轮箱油、黑油、牙齿油、尼古劳尔双曲线齿轮油、海波齿轮油、复桥油、耐压齿轮油、螺中、重负荷车辆齿轮油旋伞齿轮油主轴油车轴油、轴承油、轮轴油、黑车油、地轴油乳化质、调水油、金工油、溶解油、奶子油、切削油、乳化油切削油膏、乳化切削油、肥皂油、大宝尔油硫化切削油切割油、金工油工业凡士林凡士林、防锈油膏制动液涩带油、刹车油黄油、软黄油、水泵脂、黄干油、油膏、凝结油、黄牛钙基脂油、古利斯、索利多尔钠基脂轴承脂、滚珠黄油、弹子盘牛油石墨脂黑铅油、石墨膏油1、轻中载荷滑动轴承润滑油的选择工作温度10-60℃,轴颈压力3MPa以下:主轴轴颈线速度>9m/s,润滑油40℃粘度5-27mm2/s,适用的润滑油L-AN5、L-AN10、L-AN15全损耗系统用油;主轴轴颈线速度9-5m/s,润滑油40℃粘度15-50mm2/s,适用的润滑油L-AN15、L-AN32全损耗系统用油或L-TSA46汽轮机油;主轴轴颈线速度5-2.5m/s,润滑油40℃粘度32-60mm2/s,适用的润滑油L-AN32、L-AN46全损耗系统用油或L-TSA46汽轮机油;主轴轴颈线速度2.5-1m/s,润滑油40℃粘度42-70mm2/s,适用的润滑油L-AN46、L-AN68全损耗系统用油或L-TSA46汽轮机油或20号汽油机油;主轴轴颈线速度1-0.3m/s,润滑油40℃粘度42-80mm2/s,适用的润滑油L-AN46、L-AN68全损耗系统用油或L-TSA46汽轮机油或20号汽轮机油;主轴轴颈线速度0.3-0.1,油40℃粘度70-150mm2/s,适用的润滑油L-AN68、L-AN100、L-AN150全损耗系统用油或30号汽油机油;主轴轴颈线速度<0.1m/s,油40℃粘度80-150mm2/s,适用的润滑油L-AN100、L-AN150全损耗系统用油或30号、40号汽油机油。
国产润滑油添加剂单剂名称代号对照表类代名称清净剂T低碱值石油磺酸钙T中碱值石油磺酸钙T高碱值石油磺酸钙T低碱值合成磺酸钙T中碱值合成磺酸钙T高碱值合成磺酸钙T超碱值合成磺酸钙T聚异丁烯硫磷化钡盐T烷基水杨酸钙T中碱值环烷酸钙T高碱值环烷酸钙T高碱值环烷酸钙T硫化烷基酚钙T中碱值硫化烷基酚钙T高碱值硫化烷基酚钙分散剂T单烯基丁二酰亚胺T聚异丁烯丁二酰亚胺T双丁二酰亚胺T聚异丁烯多丁二酰亚胺(低氮) T高分子量聚异丁烯丁二酰亚胺抗氧抗腐剂T烷基芳基硫代磷酸锌T二烷基硫代磷酸锌(ZDDP)T硫磷双辛基碱性锌盐、长链伯烷基二硫代磷T硫磷伯仲醇基锌盐、碱式硫磷双辛伯烷基锌T硫磷丙辛仲伯烷基锌盐极压抗磨剂T氯化石蜡T氯化烷基芳基硼酸钙T亚磷酸二正丁酯T硫磷酸含氮衍生物T TCP、磷酸三甲酚酯T硫代磷酸胺盐T酸性磷酸脂胺盐,如丁基异辛基磷酸十二胺T硫代磷酸三苯酯T硼化硫代磷酸酯胺盐T硼酸酯胺盐,硫代亚磷酸O,O-二(十二烷T硫化异丁烯T二苄基二硫化物T氨基硫代酯T多烷基苄硫化物T二丁基二硫代氨基甲酸钼T二烷基二硫代氨基甲酸锑T二丁基二硫代氨基甲酸铅T油状硼酸钾油T硫化鲸鱼油性剂和摩擦改进剂T二聚酸T油酸乙二醇酯T硫化棉籽油T硫化烯烃棉籽油T苯三唑脂肪酸胺盐T双唑脂肪胺衍生物T膦酸酯T硫磷酸钼T二烷基二硫代磷酸氧钼T烷基硫代磷酸钼T烷基硫代磷酸钼抗氧剂和金属减活剂T2,6-二叔丁基对甲酚T混合型液体屏蔽酚T硫化烷基酚抗氧剂T硫化烷基酚液体抗氧剂T2,6-二叔丁基-4-羟基苯基丙酸酯T N-苯基-α-萘胺T烷基二苯胺T苯三唑衍生物T杂环衍生物T噻二唑衍生物粘度指数改进剂T聚乙烯基正丁基醚T聚甲基丙烯酸酯T聚异丁烯T乙丙共聚物T乙丙共聚物防锈剂T石油磺酸钡T石油磺酸钠T十七烯基咪唑啉烯基丁二酸盐T环烷酸锌T二壬基萘磺酸钡T苯并三氮唑T合成磺酸镁T烷基磷酸咪唑啉盐T氧化石油脂钡皂T十二烯基丁二酸T十二烯基丁二酸半酯降凝剂T烷基萘T聚α烯烃T富马酸酯与醋酸乙烯酯共聚物T聚丙烯酸酯抗泡剂T甲基硅油T丙烯酸与醚共聚物T丙烯酸与醚共聚物抗乳化T胺的四聚氧丙撑衍生物T环氧乙烷、丙烷嵌段聚醚。
润滑剂与润滑油牌号详解摘要主要叙述了国产润滑剂的分组、命名和代号,以及各组产品的主要性能和用途;并对部分国外润滑剂的牌号、性能和用途作了简单介绍。
目的是使设备维修、从事润滑人员能按照各类设备制造厂的要求,正确选用所需的润滑剂。
叙词润滑剂分类性能应用0前言随着科学技术的发展,机械设备对润滑剂的质量要求越来越高。
我国及世界各国为了满足机械设备的润滑要求,已经制订了一些润滑剂产品的新技术标准,生产出了一批润滑剂新产品。
因此,及时掌握润滑剂的新技术标准及其应用范围,对设备的润滑管理是非常必要的。
本文对润滑剂的新、旧国家标准作了系统的介绍,并对各类产品的技术指标及其应用作了必要的叙述,便于设备润滑管理人员了解润滑剂的基本知识,并能按照各类机械设备的特点和新旧情况,正确选择新、旧牌号的润滑材料,搞好设备的润滑管理,延长设备的使用寿命。
随着改革开放的不断深入,进口设备日益增多,本文对目前比较通用的国外润滑剂产品标准及其与国内标准的对应关系也作了必要的介绍,有利于设备润滑管理人员选择所规定的油品或选择合适的代用油品,既能保证设备润滑的需要,又能节约成本,提高经济效益。
1润滑剂的分组、命名和代号1987年,我国颁布了GB498—87《石油产品及润滑剂的总分类》,根据石油产品的主要特征对石油产品进行分类,其类别名称分为燃料、溶剂和化工原料、润滑剂和有关产品、蜡、沥青、焦等六大类。
其类别名称的代号取自反映各类产品主要特征的英文名称的第一个字母,见表1。
表1石油产品的总分类由表1可知,润滑剂和有关产品的代号为英文字母“L”。
1.1润滑剂的分组及组别代号国家标准GB498—87颁布的同年,我国颁布了GB7631.1—87《润滑剂和有关产品(L)类的分类第一部分:总分组》。
该标准根据尽可能地包括润滑剂和有关产品的应用场合这一原则,将润滑剂分为19个组。
其组别名称和代号见表2。
GB7631.1—87根据GB498—87《石油产品及润滑剂的总分类》的规定而制定,系等效采用ISO6743/0—1981《润滑剂、工业润滑油和有关产品(L类)的分类—第0部分:总分组》,它代替了GB500—65。
润滑油-新旧油牌号对照新旧油品名称对照表名称曾用名或地方俗名重柴油(燃料油) 1号、2号重柴油橡胶工业溶剂油120号橡胶溶剂油、溶解汽油、香汽油、溶剂汽油、卡洛纱油CC柴油机油低增压柴油机油CD柴油机油中增压柴油机油汽油机油车用机油、汽车机油、电机油、滑机油、内燃机油、引擎油、毛必鲁、阿夫多尔柴油机油机油、迪赛尔机油、拖拉机机油L-AN15号机械油(HL-15号液压油)10号机械油、100度红车油、锭子油、缝纫机油、纺锤油、2号锭子油L-AN32号机械油(HL-32液压油)20号机械油、3号锭子油、纺锤油L-AN46号机械油(HL-46液压油)30机械油、30号工业油、300度红车油、轻质机械油L-AN68号机械油(HL-68液压油)40号机械油、40号工业油、400度红车油、中质机械油L-AN100号机械油50号机械油、50号机械油、500(HL-100液压油)度红车油13号机械油13号特殊机械油、锭子油AY、枢轴油、专用锭子油汽轮机油透平油、特尔滨油、涡轮机油、发电机油、减速透平油变压器油绝缘油、方棚油、油开关油、电盒油、转司法马油电容器油电容绝缘油冷冻机油冰箱油、电冰箱油、制冰机油、氨冷冻机油、飞昂冷冻机油、冷藏库机油空气压缩机油回转式压缩机油10号、13号、18号、19号压缩机油、鼓风机油、空压机油、风泵油、冷泵油11号饱和汽缸油2号饱和汽缸油、蒸汽机油、锅驼机油24号饱和汽缸油维字汽缸油、24号蒸汽机油、锅驼机油、维斯考金38号饱和汽缸油6号过热汽缸油、蒸汽机油、锅驼机油52号饱和汽缸油特种过热汽缸油、瓦波尔普通车辆齿轮油齿轮油、齿轮传动油、闸箱油、黑机油、考帮油、600油、轧盒油、重机油、齿轮箱油、黑油、牙齿油、尼古劳尔中、重负荷车辆齿轮油双曲线齿轮油、海波齿轮油、复桥油、耐压齿轮油、螺旋伞齿轮油主轴油车轴油、轴承油、轮轴油、黑车油、地轴油乳化油乳化质、调水油、金工油、溶解油、奶子油、切削油、切削油膏、乳化切削油、肥皂油、大宝尔油硫化切削油切割油、金工油工业凡士林凡士林、防锈油膏制动液涩带油、刹车油钙基脂黄油、软黄油、水泵脂、黄干油、油膏、凝结油、黄牛油、古利斯、索利多尔钠基脂轴承脂、滚珠黄油、弹子盘牛油石墨脂黑铅油、石墨膏油1、轻中载荷滑动轴承润滑油的选择工作温度10-60℃,轴颈压力3MPa以下:主轴轴颈线速度>9m/s,润滑油40℃粘度5-27mm2/s,适用的润滑油L-AN5、L-AN10、L-AN15全损耗系统用油;主轴轴颈线速度9-5m/s,润滑油40℃粘度15-50mm2/s,适用的润滑油L-AN15、L-AN32全损耗系统用油或L-TSA46汽轮机油;主轴轴颈线速度5-2.5m/s,润滑油40℃粘度32-60mm2/s,适用的润滑油L-AN32、L-AN46全损耗系统用油或L-TSA46汽轮机油;主轴轴颈线速度2.5-1m/s,润滑油40℃粘度42-70mm2/s,适用的润滑油L-AN46、L-AN68全损耗系统用油或L-TSA46汽轮机油或20号汽油机油;主轴轴颈线速度1-0.3m/s,润滑油40℃粘度42-80mm2/s,适用的润滑油L-AN46、L-AN68全损耗系统用油或L-TSA46汽轮机油或20号汽轮机油;主轴轴颈线速度0.3-0.1,油40℃粘度70-150mm2/s,适用的润滑油L-AN68、L-AN100、L-AN150全损耗系统用油或30号汽油机油;主轴轴颈线速度<0.1m/s,油40℃粘度80-150mm2/s,适用的润滑油L-AN100、L-AN150全损耗系统用油或30号、40号汽油机油。
常用润滑油添加剂的代号与名称对照T代表:添加剂T1XX: 代表清净剂,指磺酸盐系列产品,包括:石油磺酸盐(T101,T103);合成磺酸盐(T104等)T11X: 代表酚盐系列添加剂T15X--T16X: 代表分散剂T3XX: 代表挤压抗磨剂,例如:T301, T307, T321T20X: 代表抗氧抗磨,抗腐剂:例如:T202T40X: 代表摩擦改进剂,油性剂;例如:T405,T406T5XX: 代表抗氧剂T6XX: 代表粘度指数改进剂;例如:T601,T602,T603,T611,T615,T618T7XX: 代表防锈剂T8XX: 代表降凝剂T9XX: 代表抗泡剂T12XX: 代表金属钝化剂1.值得提出的是添加剂也不是万能的,它不能使劣质油品变成优质油品,添加剂只是提高油品质量的主要因素之一。
添加剂的贡献不仅取决于它的特殊组分,而且取决于基础油的质量(即基础油要有一定的精制深度或类型,即是溶剂精制、加氢精制、蜡异构化或合成油)和加入油品的添加剂配方技术,这二者缺一不可。
2.清净剂(Detergent),加到燃料或润滑剂中能使发动机部件得到清洗并保持发动机部件干净的化学品。
在发动机油配方中,清净剂大多是用碱性金属皂来中和氧化或燃烧中生成的酸。
如:高碱值线型烷基苯合成磺酸钙、长链线型烷基苯高碱值合成磺酸钙(TBN300)、长链线型烷基苯高碱值合成磺酸钙(TBN400)、高碱值硫化烷基酚钙、长链线型烷基苯高碱值合成磺酸镁。
3.分散剂(Dispersant),能使固体污染物以胶体状态悬浮于油中的化学品,防止油泥、漆膜和淤渣等物质沉积在发动机部件上。
分散剂通常是非金属(无灰),一般与清净剂复合使用。
如:T154A聚异丁烯基丁二酰亚胺、T154B硼化聚异丁烯基丁二酰亚胺、T161A高分子量聚异丁烯基丁二酰亚胺、T161B硼化高分子量聚异丁烯基丁二酰亚胺、T151A聚异丁烯基丁二酰亚胺、T164A高分子量聚异丁烯基丁二酰亚胺、T165A高分子量聚异丁烯基丁二酰亚胺。
润滑油-新旧油牌号对照新旧油品名称对照表名称曾用名或地方俗名重柴油(燃料油) 1号、2号重柴油橡胶工业溶剂油120号橡胶溶剂油、溶解汽油、香汽油、溶剂汽油、卡洛纱油CC柴油机油低增压柴油机油CD柴油机油中增压柴油机油汽油机油车用机油、汽车机油、电机油、滑机油、内燃机油、引擎油、毛必鲁、阿夫多尔柴油机油机油、迪赛尔机油、拖拉机机油L-AN15号机械油(HL-15号液压油)10号机械油、100度红车油、锭子油、缝纫机油、纺锤油、2号锭子油L-AN32号机械油(HL-32液压油)20号机械油、3号锭子油、纺锤油L-AN46号机械油(HL-46液压油)30机械油、30号工业油、300度红车油、轻质机械油L-AN68号机械油(HL-68液压油)40号机械油、40号工业油、400度红车油、中质机械油1、轻中载荷滑动轴承润滑油的选择工作温度10-60℃,轴颈压力3MPa以下:主轴轴颈线速度>9m/s,润滑油40℃粘度5-27mm2/s,适用的润滑油L-AN5、L-AN10、L-AN15全损耗系统用油;主轴轴颈线速度9-5m/s,润滑油40℃粘度15-50mm2/s,适用的润滑油L-AN15、L-AN32全损耗系统用油或L-TSA46汽轮机油;主轴轴颈线速度5-2.5m/s,润滑油40℃粘度32-60mm2/s,适用的润滑油L-AN32、L-AN46全损耗系统用油或L-TSA46汽轮机油;主轴轴颈线速度2.5-1m/s,润滑油40℃粘度42-70mm2/s,适用的润滑油L-AN46、L-AN68全损耗系统用油或L-TSA46汽轮机油或20号汽油机油;主轴轴颈线速度1-0.3m/s,润滑油40℃粘度42-80mm2/s,适用的润滑油L-AN46、L-AN68全损耗系统用油或L-TSA46汽轮机油或20号汽轮机油;主轴轴颈线速度0.3-0.1,油40℃粘度70-150mm2/s,适用的润滑油L-AN68、L-AN100、L-AN150全损耗系统用油或30号汽油机油;主轴轴颈线速度<0.1m/s,油40℃粘度80-150mm2/s,适用的润滑油L-AN100、L-AN150全损耗系统用油或30号、40号汽油机油。
润滑油牌号润滑油40℃温度下ISO-VG粘度mm2/s标准DIN51519ARAL(亚拉)MOBIL(美孚)Tribol(嘉实多)嘉实多BPVG1000DegolGS1000TRIBOL800/1000OptiflexA 1000VG680DegolGS680GlygoyleHE680TRIBOL800/680OptiflexA 680VG460DegolGS460GlygoyleHE460TRIBOL800/460EnersynSG-XP460VG320DegolGS320GlygoyleHE320TRIBOL800/320OptiflexA 320合成油润滑油牌号对照表VG220Degol GS220Glygoyle HE30TRIBOL 800/220VG150Degol GS150Glygoyle HE22TRIBOL 800/150VG100TRIBOL 800/100VG1000TRIBOL 1100/1000VG680Degol BG680Mobilgear 636TRIBOL 1100/680Enersyn GR-XF 680VG460DegolBG460Mobilgear 634TRIBOL 1100/460Enersyn GR-XF 460VG320Degol BG320Mobilgear 632TRIBOL1100/320VG220Degol BG220Mobilgear 630TRIBOL1100/220VG150Degol BG150Mobilgear 629TRIBOL1100/150VG100Degol BG100Mobilgear 627TRIBOL1100/100AralubFD 00FDP 00Mobilplex 44TRIBOL5000Aralub HL27Mobilux2Mobilux3MOLUBALLO YBRB 572新标准采⽤的粘度牌号ISO采⽤的粘度牌号N2ISO VG 2N3ISO VG 3N5ISO VG 5N7ISO VG 7N10ISO VG 10N15ISO VG 15N22ISO VG 22N32ISO VG 32N46ISO VG 46N68ISO VG 68常⽤润滑油新旧牌号(粘度等级)对照参考表按40℃粘度分矿物油齿轮润滑脂锂基皂化着减磨轴承润滑脂1)合成齿轮油(聚⼄⼆醇)根据DIN51502标准定名为PG。
机械油新旧粘度牌号对比机械油新旧粘度牌号对比2008-07-25 10:52:03| 分类:油漆 | 标签: |字号大中小订阅N5号油主要用于超高速纺织机械和高速轻负荷机械的润滑。
还可以用作金属加工工艺中的热处理油和调配高速切削油的基础油等。
N7号油用于润滑纺织工业中15000r/m以上的细纱锭子,细纺机和捻线机的推力轴承,在机械制造业中润滑8000-12000r/m高速轻负荷机械,如高速车床、内圆磨床的主轴承、各种小型风动工具,以及润滑0.5kW以下的小型电机,还可以作缝纫机油用,也可作金工切削乳化液及有色金属轧制油的基础油等。
N10号油相当于旧的7号机械油,主要用于润滑纺织工业中10000~13000r/m的细纱锭子及轻型针织机,在机械制造业中用于润滑5000~8000r/m以上的小型电机,还可以作为皮革工业鞣制皮革的柔和剂、橡胶工业的软化剂,也可以润滑控制仪器和测量仪器等,此外,还可用于润滑缝纫机,或用作有色金属冷轧工艺润滑油的基础油。
N15号油相当于旧的10号机械油(2号锭子油),用于润滑纺织工业中10000r/m以下的轻负荷机械,如粗纱锭子、滚纱和锭子主轴,细纹机锭子、走锭精纺机锭子主轴,以及络经机、浆纱机、穿扣机和织布机等,机械制造工业中用来润滑1500~5000r/m的轻负荷机械,如普通车床的床头箱、仪表车床的主轴箱、单轴自动车床的主轴箱、变压箱、以及各种磨床的砂轮主轴承,还可用来润滑小型电机、鼓风机和风动工具。
此外,还可用作金属加工热处理的淬火油、切削用乳化油和防锈油的基础油,并可代替软麻油使用。
N15号油还可以作为液压油,用于普通低压液压设备中。
如普通机床的液压系统、液压千斤顶、液压打包机、液压榨油机和登陆艇大门机的液压系统。
N22号和N32号油相当于旧的机械油(3号锭子油),用于润滑转速为1500r/m以上的机床主轴、中小型高速切削机床、钻床、磨床、铣床和螺纹加工机等齿轮箱;滑动速度为0.5m/s,负荷在0.1MPa以下的机床水平导轨;小型木材加工机械的齿轮箱;可作液压油用于铸造设备、木材加工机械、启动打包机等机械的液压装置,在纺织工业中用来润滑粗纺机、梳棉机、滚纱机、织布机及拼条机等。
. 液压油粘度牌号
粘度指数高于100—170的机油粘温曲线变化平缓,具有良好的粘温性,在较低温度时,这些粘度指数改进剂中的高分子有机化合物分子在油中的溶解度小,分子蜷曲成紧密的小团,因而油的粘度增加很小;而在高温时,它在油中的溶解度增大,蜷曲状的线形分子膨胀伸长,从而使粘度增长较大,所以说粘度指数越高,粘度随温度变化越小。
根据粘度指数不同将润滑油分为三级:35—80为中粘度指数润滑油;80—110为高粘度指数润滑油;110以上为特高级粘度指数润滑油。
;.。
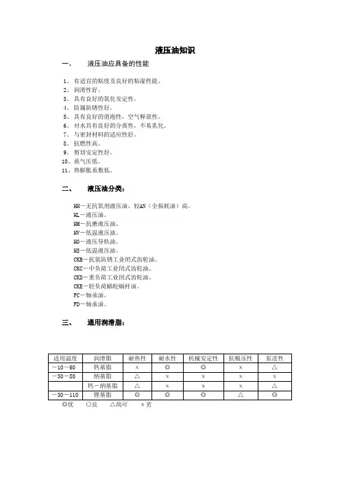
液压油知识
一、液压油应具备的性能
1、有适宜的粘度及良好的粘湿性能。
2、润滑性好。
3、具有良好的氧化安定性。
4、防属防锈性好。
5、具有良好的消泡性,空气释放性。
6、对水具有良好的分离性,不易乳化。
7、与密封材料的适应性好。
8、抗燃性高。
9、剪切安定性好。
10、蒸气压低。
11、热膨胀系数低。
二、液压油分类:
HH—无抗氧剂液压油,较AN(全损耗油)高。
HL-液压油。
HM-抗磨液压油。
HV-低温液压油。
HG-液压导轨油。
HS-低温液压油。
CKB-抗氧防锈工业闭式齿轮油。
CKC-中负荷工业闭式齿轮油。
CKD-重负荷工业闭式齿轮油。
CKE-轻负荷蜗轮蜗杆油。
FC-轴承油。
FD-轴承油。
三、通用润滑脂:
◎优○良△尚可х劣
常用润滑剂新旧牌号对照表。