百合固金丸工艺规程
- 格式:doc
- 大小:233.89 KB
- 文档页数:18
XXXXXXXXXX有限公司生产工艺规程1 目的:建立百合、蜜百合生产工艺规程,用于指导现场生产。
2 范围:百合、蜜百合生产过程。
3 职责:生产部、生产车间、质保部。
4 制定依据:《药品生产质量管理规范》(2010修订版)《中国药典》2020年版第一增补本。
5 产品概述5.1 产品基本信息5.1.1产品名称:百合、蜜百合5.1.2规格:统5.1.3性状:本品呈长椭圆形,长2~5cm,宽l~2cm,中部厚1.3~4mm。
表面类白色、淡棕黄色或微带紫色,有数条纵直平行的白色维管束。
顶端稍尖,基部较宽,边缘薄,微波状,略向内弯曲。
质硬而脆,断面较平坦,角质样。
气微,味微苦。
5.1.4企业内部代码:5.1.5性味与归经:甘,寒。
归心、肺经。
5.1.6功能与主治:养阴润肺,清心安神。
用于阴虚燥咳,劳嗽咳血,虚烦惊悸,失眠多梦,精神恍惚。
5.1.7用法与用量:6~12g。
5.1.8贮藏:置通风干燥处。
5.1.9包装规格:3g/袋;5g/袋;10g/袋;60g/罐;80g/罐;100g/罐;0.5kg/袋;1kg/袋;10kg/袋;15kg/袋;18kg/袋;20kg/袋;25kg/袋;30kg/袋;50kg/袋。
5.1.10贮存期限:36个月5.2 生产批量:5-10000kg5.3辅料:蜂蜜。
每100kg百合,用炼蜜5kg。
5.4生产环境:一般生产区6 工艺流程图:6.1 百合生产工艺流程图:注:※为质量控制要点。
6.2 蜜百合生产工艺流程图:注:※为质量控制要点。
6.3生产操作过程与工艺条件:6.3.1 领料6.3.1.1饮片车间根据批准的批生产指令,按照“生产过程物料管理程序”,凭填写品名、编码、领料量、数量的指令单到原料库领取百合原料。
6.3.1.2领料过程中必须核对原药材品名、编码、件数、数量、合格标志等内容。
6.3.2 净制:6.3.2.1取原料,置于不锈钢挑选台上,按照《净制岗位标准操作规程》手工挑选,除去杂质。
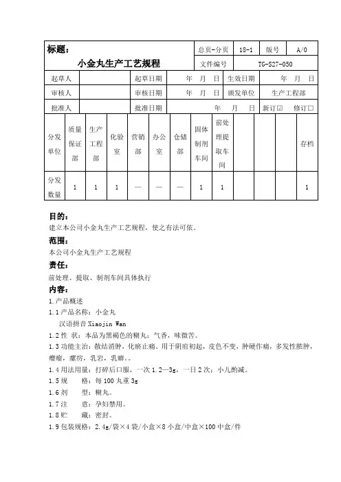
目的:建立本公司小金丸生产工艺规程,使之有法可依。
范围:本公司小金丸生产工艺规程责任:前处理、提取、制剂车间具体执行内容:1.产品概述1.1产品名称:小金丸汉语拼音Xiaojin Wan1.2性状:本品为黑褐色的糊丸;气香,味微苦。
1.3功能主治:散结消肿,化瘀止痛。
用于阴疽初起,皮色不变,肿硬作痛,多发性脓肿,瘿瘤,瘰疠,乳岩,乳癖。
1.4用法用量:打碎后口服,一次1.2—3g,一日2次;小儿酌减。
1.5规格:每100丸重3g1.6剂型:糊丸。
1.7注意:孕妇禁用。
1.8贮藏:密封。
1.9包装规格:2.4g/袋×4袋/小盒×8小盒/中盒×100中盒/件1.10 处方来源:中华人民共和国药典2000版一部1.11批准文号:国药准字Z1.12有效期:三年。
药业有限公司物料加工工序、物料、人员走向物料成品入库 质量检验 ※控制点内为三十万级4.生产过程和工艺条件4.1灭菌:4.1.1 按生产指令领取制造处方量的麝香、乳香(制)、没药(制)、木鳖子、天南星、地龙、香墨、栀子8味药材,按“DZG-2.5多功能中成药灭菌柜”操作SOP进行灭菌。
4.1.2 灭菌时铺料厚度: 3-4㎝厚。
4.1.3 灭菌温度:110℃。
4.1.4 灭菌时间:30min。
4.1.5 药材灭菌后真空干燥30min,水份在≤5%4.1.6 上料、出料程序:上料宜自上而下,出料宜自下而上,防止异物落入盘中。
4.1.7 灭菌后的药材要盛装在洁净的塑料袋内,扎口,并注明品名、批号、规格、数量、日期、操作人、复核人等,并做记录,转中间站待验区摆放整齐,挂上“待验”标志,请验微生物。
检测水份。
微生物控制在:细菌数≤80个/g;霉菌数≤80个/g;大肠杆菌和活螨不得检出。
水份≤5%4.1.8灭菌结束按灭菌工序清场SOP对本工序进行清场。
4.2粉碎:4.2.1核对麝香、乳香(制)、没药(制)等十二味灭菌后药材名称、批号、规格、数量、合格报告单。
XXXXXXXXX有X限公司生产工艺规程1 目的:建立百合、蜜百合生产工艺规程,用于指导现场生产。
2 范围:百合、蜜百合生产过程。
3 职责:生产部、生产车间、质保部。
4 制定依据:《药品生产质量管理规范》(2010修订版)《中国药典》2020年版第一增补本。
5 产品概述5.1 产品基本信息5.1.1产品名称:百合、蜜百合5.1.2规格:统5.1.3性状:本品呈长椭圆形,长2~5cm,宽l ~2cm,中部厚 1.3~4mm。
表面类白色、淡棕黄色或微带紫色,有数条纵直平行的白色维管束。
顶端稍尖,基部较宽,边缘薄,微波状,略向内弯曲。
质硬而脆,断面较平坦,角质样。
气微,味微苦。
5.1.4企业内部代码:5.1.5性味与归经:甘,寒。
归心、肺经。
5.1.6功能与主治:养阴润肺,清心安神。
用于阴虚燥咳,劳嗽咳血,虚烦惊悸,失眠多梦,精神恍惚。
5.1.7用法与用量:6~12g。
5.1.8贮藏:置通风干燥处。
5.1.9包装规格:3g/袋;5g/袋;10g/袋;60g/罐;80g/罐;100g/罐;0.5kg/ 袋;1kg/袋;10kg/袋;15kg/袋;18kg/袋;20kg/袋;25kg/袋;30kg/袋;50kg/袋5.1.10贮存期限:36个月5.2 生产批量:5-10000kg5.3辅料:蜂蜜。
每100kg百合,用炼蜜5kg。
5.4生产环境:一般生产区6 工艺流程图:6.1 百合生产工艺流程图:注:※为质量控制要点6.2 蜜百合生产工艺流程图:注:※为质量控制要点6.3生产操作过程与工艺条件:6.3.1 领料6.3.1.1饮片车间根据批准的批生产指令,按照“生产过程物料管理程序”,凭填写品名、编码、领料量、数量的指令单到原料库领取百合原料。
6.3.1.2领料过程中必须核对原药材品名、编码、件数、数量、合格标志等内容。
6.3.2 净制:6.3.2.1取原料,置于不锈钢挑选台上,按照《净制岗位标准操作规程》手工挑选,除去杂质。
专利名称:一种包衣处理的百合固金丸的制备方法专利类型:发明专利
发明人:白杨
申请号:CN201410509341.1
申请日:20140928
公开号:CN104224740A
公开日:
20141224
专利内容由知识产权出版社提供
摘要:本发明涉及一种包衣处理的百合固金丸的制备方法,步骤如下:(1)将百合固金丸原料经粉碎后,制得原料粉末,然后加入炼蜜,混合均匀,制丸,制得百合固金丸;(2)在百合固金丸表面包覆一层包衣层,制得包衣百合固金丸;(3)在包衣百合固金丸表面包覆一层健脾药料层,制得包衣处理的百合固金丸。
本发明通过对传统百合固金丸进行药用辅料薄膜包衣材料进行包衣和包覆健脾药料层,得到了副作用较小的包衣处理的百合固金丸,经实际应用,长期服用该包衣处理的百合固金丸不仅能够达到服用百合固金丸治疗效果,并且导致胃寒、阻碍消化的副作用也得到极大的降低。
申请人:白杨
地址:250013 山东省济南市历下区解放路105号济南市中心医院
国籍:CN
代理机构:济南金迪知识产权代理有限公司
代理人:朱家富
更多信息请下载全文后查看。
中药丸剂1概述1.1中药丸剂系指饮片细粉或提取物加适宜的黏合剂或其他辅料制成的球形或类球形制剂,分为蜜丸、水蜜丸、水丸、糊丸、蜡丸和浓缩丸等类型。
1.2对中药丸剂的质量要求,除外观应圆整均匀,色泽一致,蜜丸细腻滋润,软硬适中,蜡丸表面光滑无裂纹,丸内无蜡点和颗粒,以及各品种项下规定的检查项目外,还应检査“水分”、“重量差异”、“装量差异”或“装量”、“溶散时限”和“微生物限度”。
2、水分检查法2.1简述2.1.1中药丸剂多系饮片原粉和蜂蜜等黏合剂制成,若含水量超过一定限度时易发霉变质,故《中国药典》规定本检查项目。
2.1.2丸剂的水分检査,系指在规定的条件下用适宜的方法测定供试品中的含水量(%)2.1.3蜡丸、包糖衣及薄膜衣丸剂不检査水分。
2.2仪器与用具、操作方法、注意事项、记录与计算等详见水分测定法标准操作规范。
2.3结果与判定除另有规定外,水分在表1规定的限度内判为符合规定。
凡大蜜丸,烘干法与甲苯法测定结果不一致时,以甲苯法为准。
表1丸剂水分检査限度3、重量差异检查法3.1简述在中药丸剂生产中,由于工艺、设备等原因,使生产出的丸剂每丸的重量有一定的差异。
本项检查的目的在于控制每丸重量的差异在一定的范围内,保证用药剂量的准确。
凡进行装量差异检查的单剂量包装丸剂,不再进行重量差异检查。
“单剂量包装”系指按规定一次服用的包装剂量。
各品种[用法与用量]项下规定服用范围者,不超过一次服用最髙剂量包装的丸剂,也应按“单剂量包装”检查,不再进行重量差异检査。
3.2仪器与用具321分析天平感量Im g (适用于标示重量或平均重量0.1g以上的丸剂)或感量0.1mg(适用于标示重量或平均重量0.1g及0.1g以下的丸剂)。
3.2.2药匙。
3.3操作方法以1 0丸为一份(丸重1 . 5 g及1 . 5 g以上的以1丸为一份),取供试品10份,分别称定重量。
3.4注意事项3.4.1包糖衣丸剂应检查丸芯的重量差异,并符合规定,包糖衣后不再检查。
HPLC法测定百合固金颗粒中芍药苷和甘草苷张鑫;王云霞【摘要】建立同时测定百合固金颗粒中芍药苷和甘草苷含量的高效液相色谱法.采用Welch UltimateXB-C18色谱柱(250 mm×4.6 mm,5μm),流动相为乙腈-0.1%磷酸(体积比为14:86),流速为1.0 mL/min,柱温为30℃,检测波长为230 nm.百合固金颗粒中芍药苷在14.91~149.12 ng,甘草苷在34.75~347.52 ng范围内均有良好线性,线性相关系数分别为0.9995,0.9992,平均回收率分别为96.7%,95.9%,测定结果的相对标准偏差小于3%(n=6).该方法操作简单,专属性强,准确度高,重复性好,可以有效地控制百合固金颗粒的质量.%A method was established for the simultaneous determination of paeoniflorin and liquoritin content in Baiheguji granules by HPLC.Welch UltimateXB-C18 colum (250 mm× 4.6 mm,5 μ m) was adopted with acetonitrile0.1% phosphoric acid (14:86) as the mobile phase at flow rate of 1.0 mL/min.Detection wave length was 230 nm,colum temperature was 30 ℃.The content of Paeoniflorin and Liquoritin was linear with the peak area in the range of 14.91-149.12 ng and 34.75-347.52 ng,respectively,and the correlation coefficient was 0.999 5,0.999 2,respectively.The average recovery were96.7%,95.9%,respectivly,and the relative standard deviation of detection results was less than with 3%(n=6).The method has advantages of simple operation,high accuracy stability and good reproducibility.It can be used for quality control of Baiheguji granules effectively.【期刊名称】《化学分析计量》【年(卷),期】2017(026)001【总页数】4页(P88-91)【关键词】百合固金颗粒;芍药苷;甘草苷;含量测定;HPLC【作者】张鑫;王云霞【作者单位】西安市食品药品检验所,西安710054;西安市食品药品检验所,西安710054【正文语种】中文【中图分类】O657.7百合固金颗粒源于处方百合固金汤[1–3],是由百合、地黄、熟地黄、麦冬、玄参、白芍、甘草等十味药加辅料而制成,具有养阴润肺、化痰止咳作用。
量。
责任:总工办负责组织制定;生产部遵照执行;质量管理部负责监督。
范围:适用于丸剂的生产。
目录1.产品名称及剂型2.产品概述3.处方和依据4.工艺流程图及质量控制点5.制剂操作过程及工艺条件6.原辅料规格(等级)、质量标准和检验方法7.中间产品的质量标准和检验方法8.成品的质量标准和检验方法9.包装材料、包装规格和质量标准10.说明书、产品包装文字说明和标志11.工艺卫生要求12.设备一览表及主要设备生产能力13.技术安全和劳动保护14.劳动组织和岗位定员15.物料平衡的计算方法16.原辅料、包装材料消耗定额17.动力消耗定额18.综合利用和环境保护19.丸剂生产过程控制管理制度20.产品留样观测21.附页1.品名及剂型1.1.品名:丸剂汉语拼音:1.2.剂型:丸剂2.产品概述批准文号2.2.产品特点:2.3.性状:。
2.4.功能主治2.5.用法用量:2.6.规格:3.处方和依据3.1.处方3.2.处方依据:4.工艺流程图及质量控制点证。
质量监控点2:检查粉碎后药粉细度是否达到80目要求。
质量监控点3:检查所有药粉是否混合均匀。
质量监控点4:检查干燥、选丸后,药丸外观、水分、重差、溶散时限是否符合要求。
质量监控点5:检查铝塑包装的装量差异,热封是否紧密。
质量监控点6:检查外包装的外观质量,生产残损或剩余印有批号的说明书和小盒、大箱是否计数销毁;入库成品是否有产品合格证或寄库证。
5.制剂操作过程及工艺条件5.1.配料工序:5.1.1.配料前,操作人员首先检查是否有上批清场合格证(合格证必须在有效期内),核对原辅料品名、规格、批号、重量是否准确无误,称量器具调零。
5.1.2.配料:将领来的饮片按生产指令规定数量分别进行称重,配料。
将配好的药材装入洁净无纺布中,扎紧袋口,拴挂标签;注明生产日期、批号、品名、规格、重量及操作人和复核人签字;由质监员检查合格后,转入下一工序。
5.1.3.清场:生产结束后对车间生产环境、配料盘及各种工具进行清扫冲洗,按照《配料岗位清场标准操作程序》进行;由质监员检查清场情况,确认合格后,签发清场合格证。
文件制修订记录1.0产品概述1.1.1 名称:百合 1.1.2 代码:Y022-11.1.3 性状:本品呈长椭圆形,长2~5cm ,宽1~2cm ,中部厚1.3~4mm 。
表面类白色、淡棕黄色或微带紫色,有数条纵直平行的白色维管束。
顶端稍尖,基部较宽,边缘薄,微波状,略向内弯曲。
质硬而脆,断面较平坦,角质样。
气微,味微苦。
1.2.1 名称:蜜百合 1.2.2 代码:Y022-21.2.3 性状:本品形如百合,表面类白色、淡棕黄色或微带紫色,,略带黏性。
具蜜香气,味先甜后微苦。
1.3 性味与归经:甘,寒。
归心、肺经。
1.4 功能与主治:养阴润肺,清心安神。
用于阴虚燥咳,劳嗽咳血,虚烦惊悸,失眠多梦,精神恍惚。
1.5 规格:125g/包;250g/包;500 g/包。
1.6 用法用量: 6~l2g 。
1.7 批量:百合40kg 。
蜜百合20kg 。
1.9 贮藏:置通风干燥处。
2.0标准依据:中华人民共和国药典2010版一部123页。
3.0生产工艺流程图 3.1 百合生产工艺流程图3.2 蜜百合生产工艺流程图:4.0生产工艺操作要求:4.1净制4.1.1 拣选4.1.1.1 目的:除去泥土、灰屑、杂质、非药用部分、异物等。
4.1.1.2操作:按中药材拣选岗位标准操作规程操作,除去泥土、灰屑、杂质、非药用部分、异物,备用。
4.1.1.3 药材净选后不得直接接触地面。
4.2 炙制4.2.1目的:炙制药材增强功效。
4.2.2.蜜炙操作:先称取炼蜜加20%的沸水稀释,再与百合丝拌匀、闷透,放入炒药机中,按中药材炙制岗位标准操作规程操作,炒干至不粘手,取出,摊凉。
4.2.3 参数:100公斤百合片用炼蜜5公斤;120℃炒20分钟。
4.2.4 炼蜜操作:取适量蜂蜜置锅中,用文火加热至微沸,除去泡沫及上浮蜡质,过滤;再倒回锅中,炼至起鱼眼泡,用手捻之较生蜜略有粘性。
4.3 分装:4.3.1目的:把中药饮片分装成规定的规格,便于包装。
中药百合规范化生产标准操作规程(SOP)1 主要内容与适用范围1.1 主要内容本操作规程规定了中药百合规范化生产的综合技术要求。
1.2 适用范围本操作规程适用于江西省万载县白水乡和自然条件类似的产区。
1.3 栽培品种为百合科植物百合Lilium brownii F.E.Brown var.viridulum Baker。
2 引用标准下列标准所包含的条文,通过本操作规程的引用构成本操作规程的条文。
在参照标准被修订的情况下,使用本标准操作规程时以相应的最新版本国家标准条文为参照,必要时须以《中药材生产质量管理规范》为指导,对本操作规程部分条文进行修改。
2.1 GB3095-1996 环境空气质量标准2.2 GB5084-1992 农田灌溉水质标准2.3 GB15618-1995 土壤环境质量标准2.4 GB3838-1988 地面水环境质量标准2.5《中华人民共和国农药管理条例》(1997年5月8日发布)2.6《农药安全使用规定》(1982年6月5日发布)2.7《药用植物及制剂进出口绿色行业标准》(2001年4月23日发布)2.8《中华人民共和国种子检验管理办法》(2002年试行)2.9《中华人民共和国药典》(2010年版一部)(以下简称《药典》)2.10《中药材生产质量管理规范(GAP)》3 栽培适宜区域3.1产地气候条件本操作规程中所指百合种植基地位于素有“百合之乡”的美称的万载县白水乡文义村、永新村、白水村和月形村,是全国4大百合基地这一。
境内属江南丘陵山区,主要土质是厚中层红壤和红壤性土质,气候温和湿润、雨量充沛、日照充足,无霜期长255d,年均气温18.3℃,夏季平均气温在28℃左右,冬季的平均气温也不会超过4℃。
年均降水量1503.2mm。
3.2土壤条件该地区土壤一般为花岗岩、石英岩、石砾岩等风化及第四纪沉淀而成的红色粘土和泥质岩类风化物发育而成的红壤,土层深厚,pH值在6-7之间。
有机质含量平均为37.7g/kg,全氮含量平均为1.98g/kg,有效磷含量平均为245.5g/kg,有效钾含量平均为450.0g/kg。
甘南藏药制药标准系----产品工艺规程1 主题容与适用围本规程规定了洁白丸生产工艺规程。
本规程适用于洁白丸的生产和质量控制。
2 引用标准《药品生产质量管理规》(201年版)《中华人民国药典》(201年版)3 术语和定义本规程不涉及术语和定义。
4 产品概述4.1 产品名称HC·ZY---BZX·E01 第2页共19页4.1.1 通用名洁白丸4.1.2 汉语拼音Jiebai Wan4.2 剂型水蜜丸4.3 处方依据、批准文号、处方4.3.1 处方依据《中华人民国药典》一部546页4.3.2 批准文号XXXXHC·ZY---BZX·E01 第3页共19页4.3.4 产品工艺流程图(见附录A)5 生产工艺5.1 药材前处理5.1.1 领料a)领料数量依据批生产指令单的数量。
b)领料时凭有审核签字的领料单领料。
5.1.2 原药材炮制a) 诃子:经挑拣,除去杂质,洗净,制成适宜的粗粒,干燥,置净料袋,称重封口,每袋附状态标识后入中间站存放。
b) 翼首草:除去杂质,洗净,干燥,置净料袋,称重封口,每袋附状态标识后入中间站存放。
C) 南寒水石:经挑拣,除去杂质,煅,干燥,置净料袋,称重封口,每袋附状态标识后入中间站存放。
d) 五灵脂:经挑拣,除去杂质,置净料袋,称重封口,每袋附状态标识后入中间站存放。
e) 土木香:经挑拣,除去杂质,洗净,低温干燥,净料袋,称重封口,每袋附状态标识后入中间站存放。
f) 石榴子:经挑拣,除去杂质,洗净,干燥,置净料袋,称重封口,每袋附状态标识后入中间站存放。
g) 木瓜:经挑拣,除去杂质,洗净,干燥置净料袋,称重封口,每袋附状态标识后入中间站存放。
HC·ZY---BZX·E01 第4页共19页h) 沉香:经挑拣,除去杂质,洗净,低温干燥,置净料袋,称重封口,每袋附状态标识后入中间站存放。
i)丁香:经挑拣,除去杂质,洗净,低温干燥,置净料袋,称重封口,每袋附状态标识后入中间站存放j) 石灰华:经挑拣,除去杂质,干燥,置净料袋,称重封口,每袋附状态标识后入中间站存放。
目录2、生产工艺流程4、质量监控:见“SCGL501501 百合生产关键工序质量监控要点”。
5. 原辅料、半成品、成品质量标准。
5.1 百合原料质量标准:见“ZLJS100101 原药材质量标准”。
5.2 百合中间产品质量标准:见“ZLJS400101 饮片中间产品质量标准”。
5.3 百合成品质量标准:见“ZLJS500101 饮片成品质量标准”。
6、包材质量标准和文字说明6.1 包材质量标准:见“ZLJS300101~ZLJS300601包装材料质量标准”6.2 包装说明文字:品名:百合规格:产地:重量:产品批号:生产日期:贮藏:置干燥处,防蛀,防霉生产企业:7、生产区的工艺卫生要求7.1 生产区卫生要求:执行“CSGL001401一般生产区环境卫生管理规程”,7.2 生产区清洁工作要求:执行“CSSOP000301一般生产区厂房清洁规程”, 7.3 生产区人员卫生要求:执行“SCGL000101一般生产区个人卫生规程”,7.4 生产区工作服管理要求:执行“SCGL005701一般生产区工作服管理规程”9、技术经济指标核算9.2包装材料物料平衡使用量+残损量+剩余量塑料袋物料平衡= ×100%(99.0-101.0%) 本批领用量使用数+残损数+剩余数标签物料平衡= ×100%(99.0-101.0%) 本批领用数10、技术安全及劳动保护10.1 员工转岗或新工上岗前均要进行安全操作培训,熟悉本岗位的操作要点、质控要点及注意事项。
10.2 严格按工艺规程和岗位标准操作程序操作,切忌擅改工艺和岗位操作方法,工作应严肃认真。
10.3 电机设备严禁用水直接冲洗,清洁时亦不可用湿布擦拭。
在确保一切准备工作就绪后方可开机,以防轧手等事故发生。
10.4 设备定期保养,严格按设备维护保养管理制度操作使用。
10.5 拣选、切药、干燥、筛分等产尘、产湿岗位应有除尘排湿装置。
11、劳动组织和岗位定员11.1 劳动组织11.1.1 由生产部下达生产指令,车间依此组织生产。
1、目的:建立一个片剂的生产工艺规程,使生产过程操作规范化,确保产品的质量稳定,达到国家的质量标准。
2、适用范围:适用于公司所有片剂的生产过程。
3、责任人:工艺员,生产主管,片剂生产所有岗位操作员,质量主管。
4、操作法:4.1 处方:4.2 生产工艺:限额卡下达→领料→称量复核→粉碎→配料→总混→制粒→烘干→整粒→半成品检测(水份含量,主药含量测定)→压片→中间品检测(片重,重量差异,片径,片厚,硬度,脆碎度测定) →挑拣→包衣→晾干→铝塑包装(或瓶装内包装) →挑拣→外包装→检验→入库.4.3质量控制:4.3.1质量控制点:主要控制点为制粒和压片两道工序;4.3.2 辅料分类及作用:4.3.3 常用辅料:4.3.5制粒:4.3.5.1制湿颗粒:(1)、制软才:a、原辅料细粉(已过筛80-100目)置混合机中,加适量的润湿剂或粘合剂,进行混合;b、粉末细,质地轻松、干燥,在水中溶解度小以及粘性较差时润湿剂或粘合剂的用量要多些;反之则少些;c、粘合剂本身温度高时较粘,用量可少;反之则用量多些;d、制软材混合时间越长粘性越大,制成的颗粒亦较硬;e、所制软材以用手紧握能成团而不粘手,用手轻压能裂开为度;(2)、制湿颗粒:使软才通过筛网而成颗粒;f、使用筛目:一般使用14-20目的筛子,对粘性大的产品,先使用8-10目筛网进行第一次制粒,然后再通过12-14目的筛子即可;g、若物料粘性强时,也可采用分次投料制粒法,即先将80%左右的物料制成软才,然后加入剩下的20%,混合均匀,制粒即可;h、湿颗粒质量标准:要求湿颗粒置于手掌中应有沉重感,细粉少,湿粒大小整齐,色泽均匀,无长条者为宜;(3)、湿颗粒干燥:a、对热敏性物质,干燥温度控制在50-60℃,以防物质变质;对热稳定的物质,温度则可提高到80-100℃,以缩短干燥时间;b、湿颗粒干燥时,在烘盘底上铺一层薄布,将湿颗粒置于其上,厚度以不超过2cm为宜;c、在干燥过程中,需定时翻动并轮流交换上下烘盘,以便使湿颗粒受热均匀;d、颗粒干燥好的标准:用手掌握颗粒,在手放松后颗粒不应粘结成团,手掌也不应有细粉粘附;或以食指和拇指取干颗粒搓捻时应粉碎,无潮湿感觉;e、干颗粒质量要求:将湿颗粒置于手中簸动时应有沉重感,细粉少,颗粒大小整齐,色泽均匀,无长条者为宜;另若所制片型大则颗粒粗大些,片型小则颗粒细小些;(4)、整粒:a、筛目选择:一般使用YK-160型摇摆式颗粒机进行整粒;若颗粒较疏松,宜选用较大筛网,以免破坏颗粒和增加细粉;若颗粒较粗硬,则应使用较小的筛网,,以免过筛后的颗粒过于粗硬;一般使用12-20目筛网;b、所需的润滑剂与崩解剂在整粒过程中同步加入;若在干颗粒中加挥发油,则最好加于润滑剂与颗粒均匀后筛出的部分颗粒中,混匀后,再与全部干4.3.6 压片:4.3.6.1准备工作:a、主药含量:干颗粒在压片前应进行含量测定,其含量应符合规定要求;b、水份含量:它对片剂成型及质量有很大的影响,可用水份快速测定仪进行测定;干颗粒中的水份通常为1-3%,过多过少均不利于压片;c、松紧度:干颗粒的松紧度与压片时片重差异和物理外观均有关系;硬颗粒在压片时易生斑点,松颗粒易成细粉,压片时易发生裂片现象;其松紧度以手用力一捻能粉碎成细粒者为宜;d、粗细度:一般干颗粒中以含有20-40%为宜,若粗颗粒过多,压成片剂重量差异大,片剂厚薄不均匀,表面粗糙,色泽不匀,硬度也不符合要求;若用细粒或细粉过多,则易产生裂片、松片、边角毛缺及粘冲等情况;4.3.6.2片重计算公式:M=Z1/Z2 × W + m说明:M为片重合格范围;Z1为每片主药百分含量;Z2为测得颗粒中主药的百分含量;m为压片前平均每片加入辅料量;4.3.6.3 常见的压片方法:可分为干法压片、湿法制粒压片法两种;a、干法压片:可分为粉末直接压片、结晶药物直接压片和干法制粒压片,该法主要适合于对湿热敏感的产品制片;表1 粉末压片常见辅料b、湿法制粒压片可分为:常见的湿法制粒压片和空白制粒压片两种方法;若片剂中含有对湿热不稳定而剂量又较小的药物时,可将辅料及其它对湿热稳定的药物先用湿法制粒,干燥并整粒后再将不耐热的药物与颗粒混合均匀后压4.3.6.4 压片:压片时,先开始试压,以确保片重、片厚、片径、硬度、脆碎度、崩解时限等项目符合要求,其它详见‘工艺规程’;4.3.7包衣:4.3.7.1目的及种类:4.3.7.2包衣物料:4.3.7.3包糖衣:4.3.7.4包薄膜衣:4.3.7.4.1 成模材料:4.3.7.4.2 革除有机溶剂的措施:(见表)4.3.7.4.2 包衣过程:a、可分为直接将包衣液包于片心上或包完粉衣层、糖衣层后再包薄膜衣(包半薄膜衣);b、使用材料:仅用包衣液将待包的片心放入转动的锅中,均匀喷入包衣液,热风干燥;重复数次,达到所需厚度即可。
目的:使生产技术人员遵循此规程,指导百合固金丸(大蜜丸)的生产,并保证其产品质量。
适用范围:百合固金丸(大蜜丸)。
责任人:生产负责人、质量负责人、车间主任、岗位操作人员、QA。
目录1.0 产品名称、生产处方与依据2.0 工艺流程图与生产区域平面布局示意图3.0 操作过程4.0 生产工艺条件与技术参数5.0 质量监控6.0 质量标准7.0 原辅料、中间产品、成品的储存注意事项8.0 半成品、成品容器、包装材料的要求及贮存方法9.0 技术经济指标计算及原辅包材的消耗定额10.0 工序损耗限度与物料平衡11.0 设备一览表及主要设备生产能力12.0 技术安全及劳动保护12.1 技术安全12.2 劳动保护13.0 工艺卫生14.0 劳动组织与岗位定员1.0 产品名称、生产处方与依据1.1 产品名称:百合固金丸 Baihe Gujin Wan1.2 剂型:大蜜丸1.3 性状: 本品为黑褐色的大蜜丸;味微甜1.4 功能主治: 养阴润肺,化痰止咳。
用于肺肾阴虚,燥咳少痰,咽干喉痛。
1.5 规格: 每丸重9克1.6 用法用量: 口服。
大蜜丸一次1丸,一日2次。
1.7 贮藏:密封1.8 有效期: 36个月1.91.101.11 依据:本处方出自《中华人民共和国药典》2010年版一部。
批准文号:2.0 工艺流程图与生产区域平面布局示意图:2.1 工艺流程图:物料工序检验入库中间站3.1.1 百合3.1.1.1 领料 按生产指令领取百合,检验外观、核对数量、检验单。
3.1.1.2 拣选 除去杂质,挑出非药用部分。
3.1.1.3 包装 前处理后药材用编织袋装好,封口,附上物料签,经检验合格后入净药库。
3.1.2 地黄3.1.2.1 领料按生产指令领取地黄,检验外观、核对数量、检验单。
3.1.2.2 拣选除去杂质,挑出非药用部分。
3.1.2.3 洗切洗净,闷润,切厚片。
3.1.2.4 干燥用热风循环烘干箱干燥(温度70-80℃,时间8-10小时)。
3.1.2.4 包装前处理后药材用编织袋装好,封口,附上物料签,经检验合格后入净药库。
3.1.3 熟地黄3.1.3.1 领料按生产指令领取地黄,检验外观、核对数量、检验单。
3.1.3.2 拣选除去杂质,挑出非药用部分。
3.1.3.3 洗切洗净,闷润,切厚片,晾干。
3.1.3.4炮炙取净生地黄,加酒拌匀,置适宜的容器内,密闭,隔水加热,或用蒸汽加热炖透,炖至酒吸尽,取出,晾晒至外皮黏液稍干时,切厚片,干燥,既得,每100kg地黄,用黄酒30-50kg。
3.1.3.5 干燥用热风循环烘干箱干燥(温度70-80℃,时间8-10小时)。
3.1.3.5 包装前处理后药材用编织袋装好,封口,附上物料签,经检验合格后入净药库。
3.1.4 麦冬3.1.4.1 领料按生产指令领取麦冬,检验外观、核对数量、检验单。
3.1.4.2 拣选除去杂质,挑出非药用部分。
3.1.4.3洗净拣选后药材分件用流动饮用水冲洗至表面无泥沙、异物,润透,轧扁。
3.1.4.4 干燥(温度70-80℃,时间8-10小时)用热风循环烘干箱干燥。
3.1.4.5包装前处理后药材用编织袋装好,封口,附上物料签,经检验合格后入净药库。
3.1.5 玄参3.1.5.1 领料按生产指令领取玄参,检验外观、核对数量、检验单。
3.1.5.2 拣选除去残留根茎及杂质,挑出非药用部分。
3.1.5.3 洗切拣选后的药材分件用流动饮用水冲洗至表面无泥沙、异物,洗净,润透,切薄片。
3.1.5.4 干燥用热风循环烘干箱干燥(温度60℃,时间8-10小时)。
3.1.5.5包装前处理后药材用编织袋装好,封口,附上物料签,经检验合格后入净药库。
3.1.6 川贝母3.1.6.1 领料按生产指令领取川贝母,检验外观、核对数量、检验单。
3.1.6.2 拣选除去杂质,挑出非药用部分。
3.1.6.3包装前处理后药材用编织袋装好,封口,附上物料签,经检验合格后入净药库。
3.1.7 当归3.1.7.1 领料按生产指令领取当归,检验外观、核对数量、检验单。
3.1.7.2 拣选除去杂质,挑出非药用部分。
3.1.7.3 洗切洗净,润透,切薄片,干燥。
3.1.7.4 干燥用热风循环烘干箱干燥(温度70-80℃,时间8-10小时)。
3.1.7.5 包装前处理后药材用编织袋装好,封口,附上物料签,经检验合格后入净药库。
3.1.8 白芍3.1.8.1 领料按生产指令领取白芍,检验外观、核对数量、检验单。
3.1.8.2 拣选除去杂质,挑出非药用部分。
3.1.8.3 洗切洗净,润透,切薄片,干燥。
3.1.8.4 干燥用热风循环烘干箱干燥(温度70-80℃,时间8-10小时)。
3.1.8.5 包装前处理后药材用编织袋装好,封口,附上物料签,经检验合格后入净药库。
3.1.9 桔梗3.1.9.1 领料按生产指令领取桔梗,检验外观、核对数量、检验单。
3.1.9.2 拣选除去杂质,挑出非药用部分。
3.1.9.3 洗切洗净,润透,切厚片。
3.1.9.4 干燥桔梗片用热风循环烘干箱干燥(温度70-80℃,时间8-10小时)。
3.1.9.5 包装前处理后药材用编织袋装好,封口,附上物料签,经检验合格后入净药库。
3.1.10甘草3.1.7.1 领料按生产指令领取甘草,检验外观、核对数量、检验单。
3.1.7.2 拣选除去杂质,挑出非药用部分。
3.1.7.3 洗切洗净,润透,切厚片,干燥。
3.1.7.4 干燥用热风循环烘干箱干燥(温度70-80℃,时间8-10小时)。
3.1.7.5 包装前处理后药材用编织袋装好,封口,附上物料签,经检验合格后入净药库。
3.2 称量、配料3.2.1 粉碎配料按批生产指令准确称量、配料,称量结果二人复核。
3.2.1辅料配料按批生产指令准确称量,称量结果二人复核。
3.3 粉碎、过筛3.3.1 将粉碎配料药材于混合槽中充分混合。
3.3.2 将充分混合后的粉碎配料药材用粉碎机组进行粉碎,粉碎筛网目数100目,粉碎后的药粉装入洁净、干燥内有二层塑料袋的周转桶中,填写物料签,注明产品名称、产品批号、数量、生产日期、操作者,放于二层塑料袋中间,扎紧袋口,盖好桶盖,经QA取样作微生物限度检查,合格后转入下道工序;如微生物限度检查不合格,进行Co60照射(辐照灭菌时的最大吸收剂量应不大于6kGy)后,重新取样检验,合格后备用。
3.4 炼蜜3.4.1 按批生产指令领取蜂蜜,复核数量、检验报告单。
3.4.2 将蜂蜜外包装用水冲洗除去外包装上污物,在烘化室蒸汽管道上60-80℃烘化。
3.4.3 烘化后的蜂蜜经过粗滤筛倒入配料罐中,经过滤罐、板式过滤后泵入贮蜜罐中。
3.4.4 将贮蜜罐中蜂蜜泵入真空减压浓缩罐中,真空减压浓缩至中蜜(真空度压力0.060-0.080Mpa,温度50-60℃,含水量17.5-18.5%)。
3.4.5 炼蜜结束后将炼制的蜂蜜泵入搅拌式保温贮蜜罐中,附上物料签,注明产品名称、产品批号、数量、生产日期、操作者。
3.5 称量按批生产指令准确称量百合固金丸粉碎混合粉、炼蜜(中蜜),称量结果二人复核。
3.6 总混将粉碎混合药粉于混合机内,总混40分钟,总混后药粉装于洁净、干燥容器内,封口,附上物料签,注明产品名称、产品批号、数量、生产日期、操作者。
3.7 合坨3.7.1 制备润滑剂将液体石蜡与色拉油按10:1的比例于洁净容器中搅拌使混合均匀。
3.7.2 温蜜将炼蜜(中蜜)在搅拌式贮蜜罐中加热使温度达到80-100℃。
3.7.3 合坨将80-100℃炼蜜与混合粉按0.7-0.9:1的比例(每100g药粉用炼蜜70-90g)在槽形混合机中分数次混合(一次混合量不超槽形混合机容积的2/3),每次搅拌10分钟(10转/分)使混合均匀,混合后药坨取出装于均匀涂抹润滑剂的不锈钢槽中,称重,复核无误后记录,再将不锈钢盘中的药坨倒于均匀涂抹润滑剂的凉药台上, 附上物料签,注明产品名称、产品批号、数量、生产日期、操作者。
3.7.4 凉坨将凉药台上的药坨掰成小块,凉至室温。
3.8 制丸3.8.1 模具用大蜜丸机制丸,选用9g的模具。
3.8.2 制丸将酒精适量倒入酒精槽中,调整酒精量的大小,使酒精均匀滴落在导条架及制丸刀上,将凉至室温的药坨添加于大蜜丸机加料斗中,调整出条孔径21.0-23.0mm,调整推料电机转速及切丸速度使其匹配,使出丸园整、光滑,制成每丸重9g,丸重差异±5%,接取制丸于涂抹润滑剂的周转盘中,每盘装量不超400丸(约3.6kg),附上物料签,注明产品名称、产品批号、数量、生产日期、操作者。
3.8.3 制丸过程中适时的将润滑剂均匀涂抹于导条架及制丸刀上,将周转盘均匀涂抹润滑剂后再接取制丸。
3.8.4 凉丸将制丸于晾丸室放置5小时以上,室温应控制在18-26℃,相对湿度应控制在45-65%。
3.9 中间体检验经中间体检验,合格后转入下道工序。
3.10 内包装(铝塑包装)3.10.1 按批生产指令领取百合固金丸内包装用铝箔、PVC硬片。
3.10.2 内包装规格每板10丸。
3.10.3 泡罩包装机。
3.10.4 安装产品批号钢号(××××××××)、铝箔、PVC硬片,调节泡罩包装机电脑温度控制仪,将热合温度设定在160-190℃预热30分钟;冲切速度11-14次/分;将凉丸进行铝塑封装,封装后的铝塑板应无皱褶、漏孔、漏气、缺粒、缺损及异物等现象,板体上产品批号正确、清晰、完整,位置适中;压板过程中将缺丸或空板的及时捡出,取出药丸重新铝塑。
3.11 外包装3.11.1 按批包装指令领取百合固金丸说明书、小盒、大箱。
3.11.2 说明书折叠。
3.11.3 小盒打印产品批号××××××××生产日期××××××××有效期至××××××××3.11.4大箱打印毛重××kg产品批号××××××××生产日期××××××××有效期至××××××××3.11.5 包装规格 10丸/盒×100盒/箱3.11.6 包装方法一板药、一张说明书、一张责任票装入一小盒内,每100盒装成1件,放入一张填写齐全的合格证,上下用垫板隔开,用封口胶带封箱,打包(两道平行)。