无损检测收费标准
- 格式:pdf
- 大小:113.07 KB
- 文档页数:3
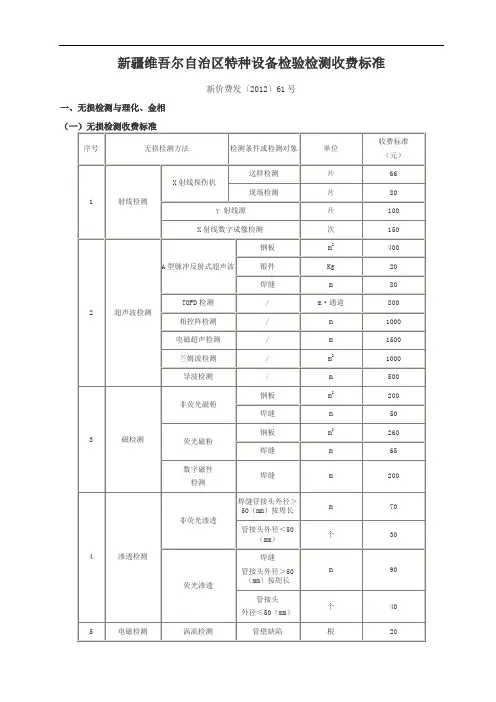
无损检测收费标准Company Document number:WTUT-WT88Y-W8BBGB-BWYTT-19998无损检测收费标准一、射线检测项目检测费(元/片)X射线 80γ射线 100注:(1)用X射线检测时,若透照厚度大于20mm,每增加5mm,每张片加收10元;(2)γ源全景曝光或X射线周向中心曝光时,每张片减收20%。
二、超声波检测项目检测费钢板(元/米2) 90复合钢板(元/米2) 110锻件(元/米2) 130焊缝(元/米) 70注:(1)探测件厚度小于12mm时,加收20%;(2)双面检测时,双面收费;(3)有色金属工件、奥氏体钢锻件及高压螺栓加收100%;孔槽较多的锻件,加收50%;角焊缝加收30%;(4)不锈钢堆焊层,按复合钢板收费标准加收50%;(5)缺陷自身高度测定,每处缺陷收费300元。
(6)不足1平方米按1平方米计,不足1立方米按1立方米计。
三、磁粉检测项目检测费焊缝(元/米) 60锻件(元/米2) 100钢板(元/米2) 100杆状件(元/根) 30注:(1)用油做悬浮剂或用荧光磁粉时加收50%;用其它非黑色磁粉时,加收20%;(2)管道焊缝加收50%;(3)螺栓检测加收50%。
(4)不足1平方米按1平方米计,不足1立方米按1立方米计。
四、渗透检测项目检测费焊缝(元/米) 80面状检测面(元/米2) 130注:(1)水洗法减收50%;荧光法加收50%;(2)钢管焊缝收费:DN≤100mm的单个焊口,其焊缝长度按0.5m计;DN>100mm以上的焊口,直径每增加100mm,折合焊缝增加1m。
(3)不足1平方米按1平方米计,不足1立方米按1立方米计。
五、电磁检测项目检测费(元/米)收费标准 60注:检测长度不足1米按1米计。
六、声发射检测项目检测费(元/三个探头)收费标准 500注:每增加一对探头,加收50%。
七、热像 / 红外检测项目检测费(元/米)收费标准 500注:检测长度不足1米按1米计。
无损检测项目收费标准项目 检测部位计算单位 收费标准(元)备注内 窥 镜内窥镜测头接管长度L (m )≤2 检测长度(米)150 检测长度不足1米的按1米计收。
2<L ≤5 300 5<L ≤15500内窥镜拍片,每片收60元。
声 发 射 检 验Ⅰ 类 压 力 容 器V ≤10 台400010<V ≤20 6000 20<V ≤50 800050<V ≤100 10000 100<V ≤200 12000200<V ≤400 12000+40(V-200) 400<V ≤1000 20000+50(V-400) >100050000+60(V-1000)Ⅱ类容器声发射检验收费按同容积Ⅰ类容器的1.5倍计收; Ⅲ类容器声发射检验收费按同容积Ⅰ类容器的2.0倍计收;采用声发射检验进行缺陷评定的,按上述收费标准加收同容积Ⅰ类声发射检验收费数额。
采用声发射检验进行在线监测检验的,在上述收费标准基础上与用户协商确定费用。
涡流探伤 米 80 检测长度不足1米的按1米的按1米计收。
热像/红外检测 米 90 电磁检测米500 金属材料元素分析低碳钢元素 100 微量样品是指样品量不足以进行常规分析的样品。
合金钢 100 微量样品 200 碳硫仪 50 取样样 100 金 相 分 析 宏观 张 80 微观金相不含试样取样费; 扫描电镜不含试样加工费;金相分析包括磨样、抛光、侵蚀、分析核2份包括金相照片的分析报告。
宏观金相 100 微观金相 项 500 现场复型金相 点 700 扫描电镜件 900 应 力 测 试 应变片纸基 点 30胶基 50 应变花纸基 60 胶基90 光谱 分析 半定量光谱分析 元素 10 现场光谱分析试验加收100%。
钢丝绳探伤 钢丝绳(直径Φ8~22) 米 10 检测长度不足l米的按1米计收钢丝绳(直径Φ20~60)42 其它理化项目铁素体含量 点 15缺陷照相 张 50 蠕变测量点3001、需携设备外出进行无损检测的,加收出机台班费:金相分析均为250元/台班,内窥镜检测、光谱分析、声发射检验、应力测试均为1000元/台班,磁粉、渗透探伤均为150元/台班,2、在有毒、易燃、窒息、助燃介质的环境中检测,在上述标准基础上加收30%。
注:(1)特种设备焊接作业实作考核费不含试件及其他实验项目费用;
(2)表中未涵盖的特种设备作业人员项目,考核费参照锅炉作业项目收费标准执行。
六、说明
(一)需要登高(或地下)检验(不含制造监督检验)工作的业务(电梯检验除外),其工作位置最高点≥ 3米或最低点≤ -3米(以土建基础±0为基准,下同)的,加收20%的检验费;其工作位置最高点≥ 7米或最低点≤-7米的,加收30%的检验费;其工作位置最高点≥ 7米或最低点≤ -7米后每递增4米或递减4米,加收5%的检验费;因工作位置加收的检验费最高不超过60%(电站锅炉不超过40%)。
进入有毒、易燃、易爆介质的设备内检验,或接触粉尘、高温、噪声、有毒有害环境检验的,加收20%的检验费。
(二)检验检测过程中对发现问题的特种设备(电站锅炉、气瓶除外),在处理和整改后,若再进行检验检测时,按不超过收费标准的10%收取复检费。
(三)承压类特种设备检验收费,涉及按百分比收费的,均以产品出厂价格(不
含辅机附属设备)或工程总造价(含设备造价、设备施工费、保温)为计费基价,安装监督检验收费计费基价为非含税价;
耐压试验、气密性试验所需介质费用由受检单位承担;无损检测、理化检测和壁厚测定等项目按本收费标准的相关条款执行;其它检验检测收费标准由双方协商议定。
(四)受检单位对检验报告有异议的,在规定的期限内可提出复检,其检验
费由责任方承担。
注:现场光谱分析加收100%,检测费低于2000元的按2000元收取,其他各项检测费低于500元的按500元收取。
二、附则
(一)上述法定检验检测收费应严格按照本通知及国家相关安全技术规范规定的检验周期进行。
(二)特种设备在安装、修理、改造后经检验不合格及定期检验不合格需进行复检的,收费标准按相应检验费的20%收取。
同年度内或同一次改造、重大维修的仅限收取第一次的复检费用,复检费用由责任方承担。
对新安装、改造或重大维修的特种设备已收取相关监督检验费用的,同年度内不得再收取定检费用。
特种设备的零配件更换、维修费用据实收取。
(三)新安装、改造或重大维修的电梯、游乐设施、客运索道监督检验收费按定期检验标准的1.2倍收取,费用由安装、改造或维修单位缴纳。
(四)检验现场的准备与清理工作费用由受检单位支付,如:除锈、除垢、管道、系统隔离,炉墙、保温层、容器衬垫的拆装,脚手架的搭拆,耐压试验、气密试验所需介质,盛装易燃、有毒或窒息性介质的容器检验前的置换、中和、消毒、清洗等。
(五)检验费中不包括无损检测、理化、金相费用,检测费按照相应标准另行收取。
在高温、粉尘环境中检验,或需接触、进入有毒、易燃、易爆介质设备的,检验费加收20%。
(六)检验人员到达现场后,因受检单位原因不能开展工作的,受检单位应向检验单位支付误工补偿费,具体标准由双方协商确定。
检验机构到驻地以外县(市)检验的,其交通、食宿费用由受检单位承担。
x射线检测收费标准x射线检测是一种常见的无损检测方法,广泛应用于工业领域的质量控制和安全检测。
为了规范x射线检测服务的收费标准,保障客户权益,提高检测服务的质量和效率,我们制定了以下收费标准:1. 基本收费标准。
x射线检测的基本收费标准根据检测项目的复杂程度和工作量来确定。
一般而言,对于简单的检测项目,收费标准较低;而对于复杂的检测项目,收费标准相应较高。
具体收费标准将根据实际情况进行评估,并与客户协商确定。
2. 附加费用。
除了基本收费标准之外,还会根据以下情况收取附加费用:(1)加急服务,如果客户需要加急完成检测任务,将会收取相应的加急费用。
(2)特殊材料检测,对于特殊材料的检测,可能需要额外的设备和技术支持,因此将会收取额外的费用。
(3)远程服务,如果需要进行远程x射线检测服务,将会根据距离和通讯成本收取远程服务费用。
3. 折扣优惠。
为了回馈老客户和吸引新客户,我们将提供一定的折扣优惠政策。
具体优惠幅度将根据客户的合作历史、合作频率和合作项目来确定。
同时,我们也将定期推出一些促销活动,为客户提供更多的实惠。
4. 结算方式。
我们支持多种结算方式,包括现金支付、银行转账、支付宝、微信支付等。
客户可以根据自己的实际情况选择合适的结算方式进行支付。
5. 服务质量保障。
我们承诺提供高质量、高效率的x射线检测服务,确保客户的权益。
在检测过程中,我们将严格按照国家相关标准和规定进行操作,保证检测结果的准确性和可靠性。
总结:以上就是我们制定的x射线检测收费标准,我们将严格执行这些标准,保障客户的利益,提供优质的服务。
同时,我们也欢迎客户对我们的收费标准提出意见和建议,我们将不断优化和完善我们的服务,为客户提供更好的x射线检测服务。
附件七:无损检测、理化检测、应力测试收费标准项目收费标准备注X射线80元/片用X射线检测时,若透照厚度大于20㎜,每增加5射线检测㎜,每张片加收10元;缺r射线100元/片陷自身高度测定,每处缺陷收费300元。
(1)探测件厚度小于12mm钢板90元/平方米时,加收20%。
(2)双面扫查检测时,加倍收费。
(3)有色金属工件,奥氏体钢复合钢板110元/平方米锻件高压螺栓加收100%;孔槽较多的锻件,加收超声波检测50%;角焊缝加收30%。
(4)不锈钢堆焊层,按复合钢锻件130元/平方米板收费标准加收50%。
(5)缺陷自身高度测定,每处缺陷收费300元。
(6)不焊缝70元/米焊缝60元/米足1平方米按1平方米计,每条焊缝长度不足1米按1米计。
锻件100元/平方米(1)用油做悬浮剂或用荧光磁粉时加收50%;用其它非黑色磁钢板100元/平方米粉时,加收20%。
(2)管道焊缝磁粉检测CNG气瓶100元/只杆状件30元/根非索道用钢丝绳磁力探伤2元/米加收50%。
(3)螺栓检测加收50%。
(4)不足1平方米按1平方米计,每条焊缝长度不足1米按1米计。
焊缝80元/米(1)水洗法减收50%;荧光法加收50%。
(2)不足1渗透检测平方米按1平方米计,每面状检测130元/平方米条焊缝长度不足1米按1米计。
电磁检测60元/米检测长度不足1m按1m计。
声发射检测500元/三个探头每增加一对探头,加收50%。
14续表:项目收费标准备注热像/红外检测500元/米检测长度不足1m按1m计。
内窥镜检测200元/米(1)若需拍片,每片收50元。
(2)检测长度不足1m按1m计。
(1)检测DN800m以m下管件时,加测厚检测4元/点收50%。
(2)使用高温探头时,检测费加收100%。
硬度检测10元/点拉伸、弯曲90元/件机械性能试验收费标准冲击常温70元/件时效150元/件低温120元/件不含试样加工费压扁、扩口70元/件金属材料元素分析常规常量元素100元/样微量元素200元/样取样100元/样金相分析金相实验室500元/点现场700元/点复膜100元/点制样元样100/1、金相分析包括磨样、抛光、侵蚀、两份报告(包括照片)。
特种设备收费项目及收费标准一、特种设备行政许可(三)特种设备作业人员考核焊工30元/项,其他作业人员20元/证。
(四)特种设备检验检测人员考核特种设备检验人员和无损检测人员20元/项。
二、特种设备检验(一)监督检验监督检验在设备制造厂或安装地点进行,检验地点距检验机构本部超过50公里时,按实际情况加收差旅费或由受检单位支付。
1. 锅炉制造监督检验工业锅炉为设备整机出厂价格的0.8%~1%。
电站锅炉为设备整机出厂价格的0.7%~0.9%。
2. 压力容器制造监督检验2.1 固定式与移动式压力容器制造监督检验备注:(1)一般压力容器为整机价格。
(2)汽车罐车、长管拖车、铁路罐车包括安全附件在内的本体价格。
(3)制造监督检验最低收费:一类容器50元/台,二类容器100元/台,三类容器200元/台。
(4)产品有超标缺陷,返修需复检,复检费加收20%。
(5)搪玻璃釜产品检验收费按上述标准80%计收。
2.2 气瓶产品制造监督检验备注:气瓶出厂价中应含瓶阀等附件价格。
3. 压力管道元件制造监督检验4. 大型游乐设施制造监督检验6. 锅炉安装、改造、重大维修监督检验7. 压力容器安装、改造、重大维修监督检验1)压力容器现场安装的监督检验,一类、二类、三类容器(不包括球罐)均按现场组装费用总额的2%收取,球罐按现场组装费用总额的3%收取。
2)一类、二类容器改造、重大维修监督检验的收费按改造、重大维修的造价2%收费,三类容器按改造、重大维修的造价5%收费。
8. 压力管道安装、改造、重大维修监督检验1)压力管道安装监督检验(1)长输管道安装监督检验对GA1类,按工程建设总投资的1.5~2%收取;对GA2类按工程建设总投资的1~1.5%收取。
(2)公用管道安装监督检验GB1类按8~10元/米收取,GB2类按6~8元/米收取。
(3)工业管道安装监督检验GC1类管道按8~10元/米收取,GC2类管道按6~8元/米收取,GC3类管道按4~6元/米收取。
无损检测收费标准精选文档TTMS system office room 【TTMS16H-TTMS2A-TTMS8Q8-无损检测收费标准一、射线检测项目检测费(元/片)X射线 80γ射线 100注:(1)用X射线检测时,若透照厚度大于20mm,每增加5mm,每张片加收10元;(2)γ源全景曝光或X射线周向中心曝光时,每张片减收20%。
二、超声波检测项目检测费钢板(元/米2) 90复合钢板(元/米2) 110锻件(元/米2) 130焊缝(元/米) 70注:(1)探测件厚度小于12mm时,加收20%;(2)双面检测时,双面收费;(3)有色金属工件、奥氏体钢锻件及高压螺栓加收100%;孔槽较多的锻件,加收50%;角焊缝加收30%;(4)不锈钢堆焊层,按复合钢板收费标准加收50%;(5)缺陷自身高度测定,每处缺陷收费300元。
(6)不足1平方米按1平方米计,不足1立方米按1立方米计。
三、磁粉检测项目检测费焊缝(元/米) 60锻件(元/米2) 100钢板(元/米2) 100杆状件(元/根) 30注:(1)用油做悬浮剂或用荧光磁粉时加收50%;用其它非黑色磁粉时,加收20%;(2)管道焊缝加收50%;(3)螺栓检测加收50%。
(4)不足1平方米按1平方米计,不足1立方米按1立方米计。
四、渗透检测项目检测费焊缝(元/米) 80面状检测面(元/米2) 130注:(1)水洗法减收50%;荧光法加收50%;(2)钢管焊缝收费:DN≤100mm的单个焊口,其焊缝长度按0.5m计;DN>100mm以上的焊口,直径每增加100mm,折合焊缝增加1m。
(3)不足1平方米按1平方米计,不足1立方米按1立方米计。
五、电磁检测项目检测费(元/米)收费标准 60注:检测长度不足1米按1米计。
六、声发射检测项目检测费(元/三个探头)收费标准 500注:每增加一对探头,加收50%。
七、热像 / 红外检测项目检测费(元/米)收费标准 500注:检测长度不足1米按1米计。
无损检测收费标准一、射线检测项目????检测费(元/片)X射线????80γ射线????100注:(1(2)γ项目注:(1(2(3;角焊缝加收(4(5)缺陷自身高度测定,每处缺陷收费300元。
(6)不足1平方米按1平方米计,不足1立方米按1立方米计。
三、磁粉检测项目????检测费焊缝(元/米)????60锻件(元/米2)????100钢板(元/米2)????100杆状件(元/根)????30注:(1)用油做悬浮剂或用荧光磁粉时加收50%;用其它非黑色磁粉时,加收20%;(2)管道焊缝加收50%;(3(4项目注:(1(2)(3项目收费标准????60注:检测长度不足1米按1米计。
六、声发射检测项目????检测费(元/三个探头)收费标准????500注:每增加一对探头,加收50%。
七、热像/红外检测项目????检测费(元/米)收费标准????500注:检测长度不足1米按1米计。
项目注:(1(2项目注:(1(2十、硬度检测项目????检测费(元/点)收费标准????10说明:进入易燃、易爆、腐蚀性介质的设备或工件内部进行专项无损检测时,加收20%检测费;检测高度大于3米小于等于7米加收30%检测费;大于7米加收50%检测费。
我通过了解,别人说是是以“米”论价,在200mm宽度范围内,是20元/米,超过了是30元/米,应该是探原材料的价格,不知道是否公道?轴类φ≤50mm????80元/米????50<φ≤100mm????100元/米????100<φ≤200mm????120元/米????200<φ≤300mm????150元/米????300<φ≤400mm????200元/米????400<φ≤500mm????250元/米????。
无损探伤检测收费标准
无损探伤检测是一种非破坏性的检测方法,广泛应用于航空航天、石化、船舶、桥梁、核电等领域。
在实际应用中,无损探伤检测的收费标准是一个备受关注的问题。
针对这一问题,我们制定了以下收费标准,以期为广大客户提供更加合理、透明的服务。
首先,针对不同的无损探伤检测项目,我们制定了不同的收费标准。
具体收费
标准将根据项目的复杂程度、所需设备和人力资源等因素进行综合考量。
在此基础上,我们将向客户提供详细的报价方案,确保客户能够清晰了解每个项目的收费情况。
其次,我们将根据客户的需求和要求,提供定制化的服务。
针对一些特殊项目,可能需要额外的设备和技术支持,因此我们将根据实际情况进行收费。
我们将竭诚为客户提供最专业、最贴心的服务,确保每个项目都能够得到最佳的检测效果。
除此之外,我们还将针对长期合作客户提供一定的优惠政策。
我们深知客户的
支持和信任对我们的重要性,因此我们愿意为长期合作客户提供更加优惠的收费标准,以表达我们的诚意和感谢之情。
最后,我们将严格遵守行业规范和标准,确保收费过程的公开透明。
我们将提
供详细的收费清单和报告,确保客户能够清晰了解每一项费用的来源和用途。
同时,我们也欢迎客户对我们的收费标准提出建议和意见,我们将以客户满意为最终目标,不断优化和完善我们的收费政策。
综上所述,我们将严格按照以上收费标准为客户提供无损探伤检测服务,确保
每个项目都能够得到最专业、最合理的收费方案。
我们将以诚实守信、专业负责的态度,为客户提供高质量的服务,与客户共同发展,共创美好未来。
感谢您对我们的信任和支持!。
附件七:无损检测、理化检测、应力测试收费标准项目收费标准备注X射线80元/片射线检测r射线100元/片用X射线检测时,若透照厚度大于20㎜,每增加5㎜,每张片加收10元;缺陷自身高度测定,每处缺陷收费300元。
钢板90元/平方米复合钢板110元/平方米锻件130元/平方米超声波检测焊缝70元/米(1)探测件厚度小于12mm时,加收20%。
(2)双面扫查检测时,加倍收费。
(3)有色金属工件,奥氏体钢锻件高压螺栓加收100%;孔槽较多的锻件,加收50%;角焊缝加收30%。
(4)不锈钢堆焊层,按复合钢板收费标准加收50%。
(5)缺陷自身高度测定,每处缺陷收费300元。
(6)不足1平方米按1平方米计,每条焊缝长度不足1米按1米计。
焊缝60元/米锻件100元/平方米钢板100元/平方米CNG气瓶100元/只杆状件30元/根磁粉检测非索道用钢丝绳磁力探伤2元/米(1)用油做悬浮剂或用荧光磁粉时加收50%;用其它非黑色磁粉时,加收20%。
(2)管道焊缝加收50%。
(3)螺栓检测加收50%。
(4)不足1平方米按1平方米计,每条焊缝长度不足1米按1米计。
焊缝80元/米渗透检测面状检测130元/平方米(1)水洗法减收50%;荧光法加收50%。
(2)不足1平方米按1平方米计,每条焊缝长度不足1米按1米计。
电磁检测60元/米检测长度不足1m按1m计。
声发射检测500元/三个探头每增加一对探头,加收50%。
1415续表:项 目收费标准备 注热像/红外检测500元/米检测长度不足1m 按1m 计。
内窥镜检测200元/米(1)若需拍片,每片收50元。
(2)检测长度不足1m 按1m 计。
测厚检测4元/点(1)检测DN800mm 以下管件时,加收50%。
(2)使用高温探头时,检测费加收100%。
硬度检测10元/点拉伸、弯曲90元/件常温70元/件时效150元/件冲击低温120元/件机械性能试验收费标准压扁、扩口70元/件不含试样加工费常规常量元素100元/样微量元素200元/样金属材料元素分析取样100元/样实验室500元/点金相现场700元/点复膜100元/点金相分析制样100元/样1、金相分析包括磨样、抛光、侵蚀、两份报告(包括照片)。
无损检测收费标准
根据物价局及行业收费标准,我司从事xx年度常规工程工艺管道无损检测(射线、超声波、磁粉、渗透),现对本年度检测工程价格如下:
一、(射线检测)各种管道规格对应的底片数量:
二、磁粉(MT)、渗透检测(PT):≤Φ325单价40元/口;≥Φ325单价40元/米(周长);超声波(UT)≤Φ325单价50元/口;≥Φ325单价50元/米(周长)。
三、台班计费:当每次检测工作量不足3500元时,按台班3500元每次收取检测费。
(每天工作量=底片张数×单价)
四、焊接接头返修计费:1、返修接头需单独检测时,按每天3500元计费。
2、返修接头跟下次新接头一起检测时,按张数计费,总计费((返修底片+新接头底片)×单价)不足3500元时,按台班3500元。
注:1:本报价包含射线检测费、人工费、运输费、税费。
不包含因焊口质量不合格造成的返修、扩探检测费用。
我公司不负责高空作业所需的脚手架搭设工作及野外作业附加措施费用等。
联系人:***电话:
***邮箱:****@
****检验有限公司
xx年5月17日。