混凝土浇捣令
- 格式:doc
- 大小:39.50 KB
- 文档页数:1
混凝土浇捣令在建筑施工的进程中,混凝土浇捣是一项至关重要的工作环节。
为了确保混凝土浇捣的质量和施工安全,需要严格执行混凝土浇捣令制度。
这一制度就像是一道保障工程质量的坚固防线,对整个施工过程起着关键的监督和控制作用。
混凝土浇捣令,简单来说,就是在进行混凝土浇捣作业之前,必须经过一系列的检查和审批程序,确认各项准备工作已经就绪,具备了浇捣混凝土的条件,才能下达的一道指令。
它不仅是一份书面文件,更是一份责任的承诺和质量的保障。
在下达混凝土浇捣令之前,需要对多个方面进行细致的检查和准备。
首先是施工方案。
施工方案就如同施工过程的“导航图”,必须详细、合理、可行。
它要包括混凝土的配合比设计、浇捣的顺序和方法、施工缝的设置、振捣的要求等等。
只有施工方案经过了严格的审核和批准,才能为后续的施工提供正确的指导。
其次是原材料的准备。
水泥、砂、石、外加剂等原材料必须质量合格,并且数量充足。
水泥要保证其强度和安定性符合要求;砂和石的级配要合理,含泥量不能超标;外加剂的种类和掺量要准确无误。
这些原材料就像是烹饪中的食材,只有品质优良,才能做出美味的“佳肴”——高质量的混凝土。
模板和钢筋工程也是检查的重点。
模板要安装牢固,尺寸准确,拼缝严密,能够承受混凝土的侧压力和振捣的冲击力,并且表面要平整光滑,以保证混凝土的成型质量。
钢筋的规格、数量、间距、锚固长度等都要符合设计要求,并且绑扎牢固,位置准确,不能有松动和移位的现象。
模板和钢筋就像是混凝土结构的“骨架”,只有它们坚固可靠,才能支撑起整个建筑物的重量。
混凝土搅拌和运输设备也要处于良好的运行状态。
搅拌机要能够正常搅拌,计量设备要准确无误,运输车辆要保证数量足够,并且能够及时将混凝土运送到施工现场。
在运输过程中,还要采取有效的措施防止混凝土离析和坍落度损失。
施工现场的条件同样不容忽视。
施工现场要清理干净,无杂物和积水;水电供应要正常,能够满足施工的需要;照明设备要齐全,保证夜间施工的安全;安全防护措施要到位,防止发生意外事故。
混凝土浇筑令(填写规范)施工单位:成都建工集团有限公司序号:
浇捣要求:1.浇捣前模板清理干净,交税湿润;2.后台主量器具校核,保证计量准确;3.施工缝处浇水湿润,按要求接浆;4.严格控制水灰比,按要求配料,振捣密实。
注:所有红色部分为手填内容
混凝土浇筑令
施工单位:成都建工集团有限公司序号:
浇捣要求:1.浇捣前模板清理干净,交税湿润;2.后台主量器具校核,保证计量准确;3.施工缝处浇水湿润,按要求接浆;4.严格控制水灰比,按要求配料,振捣密实。
(此文档部分内容来源于网络,如有侵权请告知删除,文档可自行编辑修改内容,供参考,
感谢您的配合和支持)。
混凝土浇捣令制度
为进一步加强混凝土浇捣的报验工作,规范混凝土浇捣的报验程序,控制混凝土的浇捣质量,特制定《混凝土浇捣令制度》。
1、混凝土工程必须实行混凝土浇捣令制度,由施工单位填报,《混凝土浇捣令》填写必须清楚完整。
2、监理公司、工程部在接到施工单位上报的浇捣令,经检查验收后,应立即签复明确意见。
3、浇捣令由工程部土建工程师签发,浇捣令未经监理公司和工程部相关人员签字同意后,不得进行混凝土的浇捣,若有违反的,将按《桃花源别墅工程奖罚细则》进行处罚,并按合同有关条款处理。
4、浇捣令经各方验收人员签字后,施工单位、监理公司、工程部各留存一份。
附:《混凝土浇捣令》
杭州余杭绿城房地产开发有限公司
工程部
二○○六年四月六日
附表:混凝土浇捣令
南区区块标段第号
说明:本表由施工单位填报,一式三份,施工单位、监理公司、工程部各留存一份。
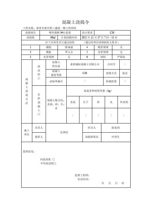
工程名称:嘉善至嘉兴第三通道一期工程西段浇捣部位哑铃港桥3#台盖梁设计要求C30浇捣量96m3 计划浇捣时间2011年12月27日7时~11时以下内容是否已通过验收(通过的项目请填验收人姓名)1 钢筋陈瑞建 4 暧管预埋无2 模板罗元全 5 电管预埋无3 水管预埋无 6 材料严国忠混凝土浇筑方法商品砼□混凝土供应商嘉善城际混凝土有限公司合同号/ 混凝土强度等级C30 浇筑方式泵送试验单编号/ 料源距离/自拌混凝土□混凝土配合比:水泥:砂:石:水每盘各种材料用量(kg)水泥石子砂水外加剂/ / / / /施工单位负责人沈国民经办人陈宽鸿值班人浇捣班组长叶厚生监理意见:同意浇筑□不同意浇筑□监理工程师:发出时间:年月日时工程名称:嘉善至嘉兴第三通道一期工程西段浇捣部位2号墩4.5.6.7号桩接桩设计要求C30浇捣量6m3 计划浇捣时间2011年11月25日15时~16时以下内容是否已通过验收(通过的项目请填验收人姓名)1 钢筋陈瑞建 4 暧管预埋无2 模板罗元全 5 电管预埋无3 水管预埋无 6 材料严国忠混凝土浇筑方法商品砼□混凝土供应商嘉善城际混凝土有限公司合同号/ 混凝土强度等级C30 浇筑方式泵送试验单编号/ 料源距离/自拌混凝土□混凝土配合比:水泥:砂:石:水每盘各种材料用量(kg)水泥石子砂水外加剂/ / / / /施工单位负责人沈国民经办人陈宽鸿值班人浇捣班组长叶厚生监理意见:同意浇筑□不同意浇筑□监理工程师:发出时间:年月日时工程名称:嘉善至嘉兴第三通道一期工程西段浇捣部位哑铃港桥1号墩立柱设计要求C30浇捣量8m3 计划浇捣时间2011年12月16日9时~11时以下内容是否已通过验收(通过的项目请填验收人姓名)1 钢筋陈瑞建 4 暧管预埋无2 模板叶顺生 5 电管预埋无3 水管预埋无 6 材料严国忠混凝土浇筑方法商品砼□混凝土供应商嘉善城际混凝土有限公司合同号/ 混凝土强度等级C30 浇筑方式非泵送试验单编号/ 料源距离/自拌混凝土□混凝土配合比:水泥:砂:石:水每盘各种材料用量(kg)水泥石子砂水外加剂/ / / / /施工单位负责人沈国民经办人陈宽鸿值班人浇捣班组长叶厚生监理意见:同意浇筑□不同意浇筑□监理工程师:发出时间:年月日时工程名称:嘉善至嘉兴第三通道一期工程西段浇捣部位0号台驳坎基础设计要求C20浇捣量21m3 计划浇捣时间2011年12月20日8时~10时以下内容是否已通过验收(通过的项目请填验收人姓名)1 钢筋无 4 暧管预埋无2 模板罗元全 5 电管预埋无3 水管预埋无 6 材料严国忠混凝土浇筑方法商品砼□混凝土供应商嘉善城际混凝土有限公司合同号/ 混凝土强度等级C20 浇筑方式泵送试验单编号/ 料源距离/自拌混凝土□混凝土配合比:水泥:砂:石:水每盘各种材料用量(kg)水泥石子砂水外加剂/ / / / /施工单位负责人沈国民经办人陈宽鸿值班人浇捣班组长叶厚生监理意见:同意浇筑□不同意浇筑□监理工程师:发出时间:年月日时工程名称:嘉善至嘉兴第三通道一期工程西段浇捣部位哑铃港桥0#台盖梁设计要求C30浇捣量76m3 计划浇捣时间2012年1 月9日16时~19时以下内容是否已通过验收(通过的项目请填验收人姓名)1 钢筋陈瑞建 4 暧管预埋无2 模板罗元全 5 电管预埋无3 水管预埋无 6 材料严国忠混凝土浇筑方法商品砼□混凝土供应商嘉善城际混凝土有限公司合同号/ 混凝土强度等级C30 浇筑方式泵送试验单编号/ 料源距离/自拌混凝土□混凝土配合比:水泥:砂:石:水每盘各种材料用量(kg)水泥石子砂水外加剂/ / / / /施工单位负责人沈国民经办人陈宽鸿值班人浇捣班组长叶厚生监理意见:同意浇筑□不同意浇筑□监理工程师:发出时间:年月日时工程名称:嘉善至嘉兴第三通道一期工程西段浇捣部位0号台驳坎压顶设计要求C20浇捣量10.5m3 计划浇捣时间2012年1月11日8时~10时以下内容是否已通过验收(通过的项目请填验收人姓名)1 钢筋无 4 暧管预埋无2 模板罗元全 5 电管预埋无3 水管预埋无 6 材料严国忠混凝土浇筑方法商品砼□混凝土供应商嘉善城际混凝土有限公司合同号/ 混凝土强度等级C20 浇筑方式泵送试验单编号/ 料源距离/自拌混凝土□混凝土配合比:水泥:砂:石:水每盘各种材料用量(kg)水泥石子砂水外加剂/ / / / /施工单位负责人沈国民经办人陈宽鸿值班人浇捣班组长叶厚生监理意见:同意浇筑□不同意浇筑□监理工程师:发出时间:年月日时工程名称:嘉善至嘉兴第三通道一期工程西段浇捣部位3号台驳坎压顶设计要求C20浇捣量10.5m3 计划浇捣时间2012年4月8日14时~16时以下内容是否已通过验收(通过的项目请填验收人姓名)1 钢筋无 4 暧管预埋无2 模板罗元全 5 电管预埋无3 水管预埋无 6 材料严国忠混凝土浇筑方法商品砼□混凝土供应商嘉善城际混凝土有限公司合同号/ 混凝土强度等级C20 浇筑方式泵送试验单编号/ 料源距离/自拌混凝土□混凝土配合比:水泥:砂:石:水每盘各种材料用量(kg)水泥石子砂水外加剂/ / / / /施工单位负责人沈国民经办人陈宽鸿值班人浇捣班组长叶厚生监理意见:同意浇筑□不同意浇筑□监理工程师:发出时间:年月日时工程名称:嘉善至嘉兴第三通道一期工程西段浇捣部位W23.W22.W21检查井底板及预制顶板设计要求C25浇捣量 4.9m3 计划浇捣时间2012年4月11日14时~16时以下内容是否已通过验收(通过的项目请填验收人姓名)1 钢筋无 4 暧管预埋无2 模板罗元全 5 电管预埋无3 水管预埋无 6 材料严国忠混凝土浇筑方法商品砼□混凝土供应商嘉善城际混凝土有限公司合同号/ 混凝土强度等级C25 浇筑方式泵送试验单编号/ 料源距离/自拌混凝土□混凝土配合比:水泥:砂:石:水每盘各种材料用量(kg)水泥石子砂水外加剂/ / / / /施工单位负责人沈国民经办人陈宽鸿值班人浇捣班组长叶厚生监理意见:同意浇筑□不同意浇筑□监理工程师:发出时间:年月日时混凝土浇捣令工程名称:嘉善至嘉兴第三通道一期工程西段浇捣部位W23~W21管道平基设计要求C20浇捣量12m3 计划浇捣时间2012年4月12日13时~16时以下内容是否已通过验收(通过的项目请填验收人姓名)1 钢筋无 4 暧管预埋无2 模板罗元全 5 电管预埋无3 水管预埋无 6 材料严国忠混凝土浇筑方法商品砼□混凝土供应商嘉善城际混凝土有限公司合同号/ 混凝土强度等级C20 浇筑方式泵送试验单编号/ 料源距离/自拌混凝土□混凝土配合比:水泥:砂:石:水每盘各种材料用量(kg)水泥石子砂水外加剂/ / / / /施工单位负责人沈国民经办人陈宽鸿值班人浇捣班组长叶厚生监理意见:同意浇筑□不同意浇筑□监理工程师:发出时间:年月日时混凝土浇捣令工程名称:嘉善至嘉兴第三通道一期工程西段浇捣部位W23~W21管道垫层设计要求C10浇捣量11m3 计划浇捣时间2012年4月7日14时~16时以下内容是否已通过验收(通过的项目请填验收人姓名)1 钢筋无 4 暧管预埋无2 模板罗元全 5 电管预埋无3 水管预埋无 6 材料严国忠混凝土浇筑方法商品砼□混凝土供应商嘉善城际混凝土有限公司合同号/ 混凝土强度等级C10 浇筑方式泵送试验单编号/ 料源距离/自拌混凝土□混凝土配合比:水泥:砂:石:水每盘各种材料用量(kg)水泥石子砂水外加剂/ / / / /施工单位负责人沈国民经办人陈宽鸿值班人浇捣班组长叶厚生监理意见:同意浇筑□不同意浇筑□监理工程师:发出时间:年月日时混凝土浇捣令工程名称:嘉善至嘉兴第三通道一期工程西段浇捣部位W23~W21管道道座设计要求C20浇捣量12m3 计划浇捣时间2012年4月15日9时~11时以下内容是否已通过验收(通过的项目请填验收人姓名)1 钢筋无 4 暧管预埋无2 模板罗元全 5 电管预埋无3 水管预埋无 6 材料严国忠混凝土浇筑方法商品砼□混凝土供应商嘉善城际混凝土有限公司合同号/ 混凝土强度等级C20 浇筑方式泵送试验单编号/ 料源距离/自拌混凝土□混凝土配合比:水泥:砂:石:水每盘各种材料用量(kg)水泥石子砂水外加剂/ / / / /施工单位负责人沈国民经办人陈宽鸿值班人浇捣班组长叶厚生监理意见:同意浇筑□不同意浇筑□监理工程师:发出时间:年月日时混凝土浇捣令工程名称:嘉善至嘉兴第三通道一期工程西段浇捣部位W13.W14.W15检查井底板及预制顶板设计要求C25浇捣量 4.9m3 计划浇捣时间2012年4月23日9时~11时以下内容是否已通过验收(通过的项目请填验收人姓名)1 钢筋叶银山 4 暧管预埋无2 模板罗元全 5 电管预埋无3 水管预埋无 6 材料严国忠混凝土浇筑方法商品砼□混凝土供应商嘉善城际混凝土有限公司合同号/ 混凝土强度等级C25 浇筑方式非泵送试验单编号/ 料源距离/自拌混凝土□混凝土配合比:水泥:砂:石:水每盘各种材料用量(kg)水泥石子砂水外加剂/ / / / /施工单位负责人沈国民经办人陈宽鸿值班人浇捣班组长叶厚生监理意见:同意浇筑□不同意浇筑□监理工程师:发出时间:年月日时混凝土浇捣令工程名称:嘉善至嘉兴第三通道一期工程西段浇捣部位设计要求浇捣量计划浇捣时间年月日时~时以下内容是否已通过验收(通过的项目请填验收人姓名)1 钢筋 4 暧管预埋2 模板 5 电管预埋3 水管预埋 6 材料严国忠混凝土浇筑方法商品砼□混凝土供应商嘉善城际混凝土有限公司合同号/ 混凝土强度等级浇筑方式非泵送试验单编号/ 料源距离/自拌混凝土□混凝土配合比:水泥:砂:石:水每盘各种材料用量(kg)水泥石子砂水外加剂/ / / / /施工单位负责人沈国民经办人陈宽鸿值班人浇捣班组长监理意见:同意浇筑□不同意浇筑□监理工程师:发出时间:年月日时。
工程名称:南靖县书洋镇曲江村河坑拆迁安置房18#楼施工单位:福建宇隆建设工程有限公司
工程名称:南靖县书洋镇曲江村河坑拆迁安置房18#楼施工单位:福建宇隆建设工程有限公司
工程名称:南靖县书洋镇曲江村河坑拆迁安置房18#楼施工单位:福建宇隆建设工程有限公司
工程名称:南靖县书洋镇曲江村河坑拆迁安置房18#楼施工单位:福建宇隆建设工程有限公司
工程名称:南靖县书洋镇曲江村河坑拆迁安置房18#楼施工单位:福建宇隆建设工程有限公司。
混凝土浇捣令制度
为进一步加强混凝土浇捣的报验工作,规范混凝土浇捣的报验程序,控制混凝土的浇捣质量,特制定《混凝土浇捣令制度》。
1、混凝土工程必须实行混凝土浇捣令制度,由施工单位填报,《混凝土浇捣令》填写必须清楚完整。
2、监理公司、工程部在接到施工单位上报的浇捣令,经检查验收后,应立即签复明确意见。
3、浇捣令由工程部土建工程师签发,浇捣令未经监理公司和工程部相关人员签字同意后,不得进行混凝土的浇捣,若有违反的,将按《桃花源别墅工程奖罚细则》进行处罚,并按合同有关条款处理。
4、浇捣令经各方验收人员签字后,施工单位、监理公司、工程部各留存一份。
附:《混凝土浇捣令》
杭州余杭绿城房地产开发有限公司
工程部
二○○六年四月六日
附表:混凝土浇捣令
说明:本表由施工单位填报,一式三份,施工单位、监理公司、工程部各留存一份。
混凝土浇捣令制度
为进一步加强混凝土浇捣的报验工作,规范混凝土浇捣的报验程序,控制混凝土的浇捣质量,特制定《混凝土浇捣令制度》。
1、混凝土工程必须实行混凝土浇捣令制度,由施工单位填报,《混凝土浇捣令》填写必须清楚完整。
2、监理公司、工程部在接到施工单位上报的浇捣令,经检查验收后,应立即签复明确意见。
3、浇捣令由工程部土建工程师签发,浇捣令未经监理公司和工程部相关人员签字同意后,不得进行混凝土的浇捣,若有违反的,将按《桃花源别墅工程奖罚细则》进行处罚,并按合同有关条款处理。
4、浇捣令经各方验收人员签字后,施工单位、监理公司、工程部各留存一份。
附:《混凝土浇捣令》
杭州余杭绿城房地产开发有限公司
工程部
二○○六年四月六日
附表:混凝土浇捣令
南区区块标段第号
说明:本表由施工单位填报,一式三份,施工单位、监理公司、工程部各留存一份。