质量检验管理及流程大纲纲要大纲.doc
- 格式:doc
- 大小:532.54 KB
- 文档页数:9
质量检验工作管理制度内容一、总则为规范和提高质量检验工作的管理水平,确保产品质量和顾客满意度,特制定本管理制度。
二、适用范围本制度适用于公司的质量检验工作,包括产品质量检验和过程质量控制。
三、质量检验工作目标1. 提高产品质量,确保产品符合国家标准和客户要求;2. 减少次品率,降低成本;3. 及时发现和解决质量问题,确保生产过程的稳定和可控;4. 建立和完善质量目标体系,提高公司整体的管理水平。
四、组织机构公司设立质量检验部,负责统筹和协调各部门的质量检验工作。
质量检验部设立质量检验经理,直接向总经理汇报。
五、质量检验岗位职责1. 质量检验经理:负责制定和实施公司的质量检验计划、制度和标准,监督和指导各部门的质量检验工作,提出改进建议;2. 质量检验员:负责生产过程的抽检和成品的检验工作,及时发现和解决质量问题;3. 质量检验统计员:负责收集和统计质量数据,分析质量趋势和质量问题,提供参考意见。
六、质量检验流程1. 采购质量检验:质量检验员在收货后进行质量抽样检验,确保采购材料符合要求;2. 生产过程质量控制:由生产部门和质量检验员共同负责,根据工艺要求和产品标准进行过程控制和抽检;3. 成品质量检验:生产完成后,质量检验员对成品进行全面检验,并出具检验证书;4. 报废品处理:对不合格产品做出标识并妥善处理,确保不合格品不进入市场;5. 质量数据统计和分析:质量检验统计员对质量数据进行收集和分析,并形成报告,提供给管理层参考。
七、质量检验设备公司提供必要的质量检验设备和仪器,并定期对设备进行检查、校准和维护,确保设备正常运行。
八、质量保证1. 对于质量问题,应及时进行整改和改进建议,并保存相应的记录;2. 对于质量异常的产品,应及时通知相关部门进行处理,确保产品质量符合要求;3. 对于连续出现的质量问题,应开展相应的质量培训和改善措施。
九、质量检验记录1. 质量检验记录应准确、完整和可追溯,包括检验报告、抽检标准、检验数据等;2. 质量检验记录应保存一定的时间,在需要时能够提供给有关部门查阅。
质量检验流程及操作指南在制造业中,质量检验是非常关键的环节。
一方面,确保产品能够满足客户和市场的需求,另一方面,减少废品率和投诉率,提高企业的经济效益。
本文为你介绍质量检验的流程以及操作指南。
流程第一步:准备在进行质量检验之前,需要准备好以下几方面工作:1.检查设备是否正常运转:检查设备的工作状态,确认设备的各个按钮、开关是否灵活可用。
2.检查原材料和半成品是否齐全及完好无损:检查原材料和半成品的数量和品质是否符合生产要求。
3.检查检测工具是否具备检测条件:检查测量工具、仪器等检测设备是否准确可靠、能够检测到所需检测数据。
第二步:执行1.对质量参数进行检测:对产品的外观、尺寸、质量、性能等重要质量参数进行检测,以确保产品的质量符合标准。
2.记录检测数据:对于每一项检测,要求制定操作者记录下检测数据,方便日后对于质量控制记录和分析。
3.区分不合格品:对于未通过质量检验的产品,需对产品进行分类,并对不合格品进行返工或报废。
第三步:1.分析检测数据:对于检测数据进行分析,分析出质量问题和原因,并改进相应的质量检验流程。
2.完善检验数据记录:对于记录数据的质量进行和归纳,优化数据报告,提高数据分析的质量和效率。
操作指南进行质量检验,需要有一些经验和技巧来辅助操作。
下面是本文为您提供的操作指南:1. 精细化操作在对产品的质量进行检测的过程中,应注意对各项指标要求的精细化,严格把握检测数据,确保数据准确和科学,避免对于产品质量的判断有偏差或错误。
2. 标准化操作执法质量检验,对于操作要求也要高度标准化。
操作人员应严格按照工作要求履行检测工作,保证公正和客观,确保质量检测结果的准确可靠。
3. 信息化操作使用现代化的数据管理系统,对于检测数据进行实时数据处理、记录、查询和分析等数据管理工作,方便检测数据的各项操作流程优化、快速识别以及更好的控制与改善。
高质量的产品是一家企业的生命线,因此质量检验工作是非常重要的,本文透过质量检验流程及操作指南的介绍,希望能够引导和帮助企业加强质量检验工作,提高产品的质量和市场竞争力。
钢结构工程质量检验大纲(范本模板)一、引言本大纲旨在为钢结构工程质量检验提供一个范本模板,以确保工程的合格性和安全性。
二、质量检验目的本次质量检验的目的是:- 验证钢结构工程的设计、制造和安装是否符合相关国家标准和规范;- 确保钢结构工程的质量满足项目要求,以保证工程的安全和稳定性;- 监督施工过程,确保施工符合工程图纸和规范要求。
三、质量检验内容本次质量检验将包括以下内容:1. 钢材质量检查:检查钢材的成分、力学性能和外观质量;2. 焊接质量检查:检查焊缝的焊接工艺、焊接质量和焊接连接的强度;3. 安装质量检查:检查钢结构件的安装位置、变形和固定方式等;4. 表面处理质量检查:检查钢结构表面的腐蚀防护、喷涂质量和涂层厚度等;5. 尺寸偏差检查:检查钢结构件的尺寸偏差是否满足规范要求;6. 特殊构件检查:检查特殊构件的制造和安装质量,如螺栓连接、锚固件等;7. 结构稳定性检查:检查钢结构的整体稳定性和局部稳定性。
四、质量检验方法本次质量检验将采用以下方法:1. 目视检查:对钢材和焊缝等进行目视检查,确保其质量符合标准要求;2. 可视检测:利用无损检测技术,对焊缝和构件进行检测,发现和评估缺陷;3. 拆卸检查:对特殊构件进行拆卸检查,验证其制造和安装质量;4. 精密测量:使用测量工具,对尺寸偏差进行精确测量;5. 力学性能测试:对钢材和焊缝进行力学性能测试,评估其强度和韧性。
五、质量检验标准本次质量检验将参考以下标准:- 国家相关钢结构标准和规范;- 工程项目的设计要求和技术规范;- 钢材、焊材和涂料等相关产品的质量标准。
六、质量检验报告根据质量检验结果,将编制质量检验报告,报告内容应包括:- 检验项目和方法;- 检验结果和评价;- 发现的问题和建议。
七、质量检验责任本次质量检验由专业质检机构或具备相应资质和经验的工程师负责执行。
他们应确保全程监督,做到公正、客观和严谨。
八、质量检验时间安排质量检验时间应在施工过程中合理安排,以确保及时发现和解决质量问题,避免对工期造成影响。
质量查验流程四、查验流程(一)质量查验流程流程总则:由工程部达成的分部、分项工程质量评定、核验,归入企业正常的质量管理范围和核验程序,其技术资料、质量保证资料一定达到企业的规定要求。
项目部、分企业、企业工程部须仔细按国家建筑工程施工质量查收规范进行工程质量的查收、审定,仔细按质监站颁发的各项“工程质量核验重点” 和“工程质量核验标准化程序”检查、查收,审定工程质量等级,做好监理单位和建设单位核验前的准备工作及质监站的质量存案手续。
1、分项工程质量查收项目部施工班组达成了分项工程中所有的查验工作后,所属的工程查验质量经监理 / 建设单位合格,一般分项工程由项目部专业技术负责人组织作业班组、项目部技术负责人员(分包项目技术负责人)、项目部专业质量员进行分项质量查收,自检切合规定后,由项目部专业技术负责人填好分项工程质量查收记录,实时送交监理 / 建设单位查收。
2、分部(子分部)工程的质量查收项目部达成了分部(子分部)工程中所有分项工程,分项工程质量经监理 / 建设单位查收合格后,由项目经理组织项目部专业技术负责人、专业质量员、分包方项目技术负责人、质量员、资料员,对证量控制资料、安全功能性检测项目和观感质量进行检查评论,检查和评论的结果一定所有切合要求,做好分部(子分部)工程的质量查收记录及有关检查评论附件资料,由项目经理报监理/ 建设单位查收。
此中对桩基子分部、幕墙子分部、地基与基础、主体构造分部(子分部)工程质量查收,项目经理组织查收时,应通知分企业工程科负责人参加,经分企业工程科负责人确认合格后,报企业工程部核查,符合要求后,项目部经理方可向监理/ 建设单位组织查收。
1)桩基查收地层找平轴线弹出并具备桩基静载试验报告及速报,并应做好桩基误差实测记录,以及桩位完工图达到合格后方可组织下道工序施工。
2)基础未经企业工程部和监理单位核验及质监站存案的,或质量没有达到合格标准的,禁止进行回填土。
3)基础未经核验,需持续上部构造施工,须获得上司主管部门和监理单位及质监站的赞同。
质量检验制度和管理HY技字001-20091、目的和范围:质量检验制度是各项管理制度中最重要的制度,是实现质量方针和目标乃至公司方针、公司愿景的基柱。
质量检验工作应涵盖公司生产制造的全过程。
2、基本制度2.1“三检”制度:质量检验工作“三检”指首件交检,中间巡检,完工(入库)检验(抽检或全检)。
2.1.1首件交检。
操作工人在加工出第一件(换人、换零件、换设备,调整刀、夹具等工艺装备后加工出的产品,称为第一件)产品时,应在自检合格后交专(兼)职检验员进行检查,检验人员应立即配合进行。
合格的,对该第一件作标记,开具“首件合格证”或其他首件认证方式;不合格的,应将结果向操作者交待清楚后,可返修的,返修至合格;不合格属让步使用的,应办理相关手续;绝废品应直接开具“废品单”,零件由专职检验员处理。
首件未检或不合格的严禁连续加工。
2.1.2中间巡检。
操作工人应在加工过程中,经常检查加工后的零件是否符合工序控制要求,如有波动,应及时调整。
专职检验人员应做好巡回抽查工作,并分别对不同的抽查结果作不同处理:检验结果有较大波动的,应要求操作者作出调整;操作者违反技术文件的,应及时阻止;发现有质量问题,应要求停止继续生产,由操作者找出原因,查清在此之前的加工状况,对不合格品分隔,同时作书面记录和及时反馈至车间。
专检人员的巡检记录每月上交汇总至技术质量部,分析并保存一年以上。
2.1.3完工检验。
一批加工件完成或工序完工,应交专检人员检查。
专检人员按技术文件规定进行检查,合格的,开具“合格证”,凭“合格证”继续流转或入库;不合格的,依“不合格品处置制度”进行。
2.2生产全过程的检验内容和要求2.2.1进厂检验。
凡新进厂的各种原材料、材料、各种毛坯、外包件(工序性外协)、外购件(和商品)、工艺装备,除验证质保书、合格证等书面合格证明外,均需由专检人员员凭有关技术和管理文件及抽检标准对实物进行入库前验收、验证。
检验合格后,凭检验报告或合格证,方可办理入库手续,不合格的不得入库。
质量检验的管理制度模板质量检验管理制度模板一、目的为确保产品质量符合国家标准和客户需求,通过建立和实施质量检验管理制度,提高产品合格率,降低不良品率,提升客户满意度。
二、适用范围本制度适用于公司所有生产的产品和相关服务的质量检验过程。
三、职责1. 质量管理部门负责制定和更新质量检验标准和流程。
2. 生产部门负责按照质量检验标准进行生产,并配合质量管理部门进行产品检验。
3. 仓库管理部门负责对入库产品进行初步检验,并确保合格产品入库。
四、检验分类1. 进料检验(IQC):对原材料、外购件进行检验,确保其符合生产要求。
2. 过程检验(IPQC):在生产过程中对关键工序进行抽检,确保过程质量控制。
3. 最终检验(FQC):对完成品进行全面检验,确保产品整体质量。
4. 出货检验(OQC):对即将出货的产品进行检验,确保交付客户的产品无质量问题。
五、检验流程1. 检验准备:检验人员需熟悉检验标准和流程,准备相应的检验工具和设备。
2. 抽样检验:根据抽样标准,随机抽取样本进行检验。
3. 检验记录:详细记录检验结果,包括合格品和不合格品的数量、不良项目等。
4. 不合格品处理:对不合格品进行标识、隔离,并按照不合格品处理流程进行处理。
5. 报告编制:编制检验报告,并提交给相关部门和领导。
六、检验标准1. 所有检验活动应依据国家标准、行业标准或公司内部标准执行。
2. 质量管理部门应定期评审和更新检验标准。
七、质量记录1. 所有质量检验活动应有详细记录,并保存规定期限。
2. 记录应包括检验日期、检验人员、检验结果、不良品处理情况等。
八、培训与考核1. 对检验人员进行定期培训,确保其熟悉检验标准和流程。
2. 对检验人员进行定期考核,考核结果作为其工作评价的一部分。
九、持续改进1. 质量管理部门应定期收集质量检验数据,进行分析,找出改进点。
2. 根据分析结果,制定改进措施,并跟踪实施效果。
十、附则1. 本制度自发布之日起执行,由质量管理部门负责解释。
质量检验管理制度范本第一章总则一、为加强质量管理,提高产品质量,确保产品符合标准要求,制定本制度。
二、本制度适用于本公司生产的所有产品。
三、质量检验是确保产品符合标准要求,保障客户满意的重要环节。
第二章质量检验管理职责一、质量检验部门负责监督和组织产品的质量检验工作。
二、各部门负责其所属产品的质量检验工作,并向质量检验部门报告相关情况。
三、质量检验部门负责制定质量检验方案和相关标准,并进行定期检查和修订。
第三章质量检验流程一、质量检验部门按照质量检验方案对产品进行拆检验,并记录检验结果。
二、若产品经检验合格,质量检验部门出具检验报告,并将产品交由仓库管理。
三、若产品经检验不合格,质量检验部门通知生产部门进行调整或修复,并进行重新检验。
四、若产品经多次检验仍不合格,质量检验部门向负责人汇报,并进行相应处理措施。
第四章质量检验方法一、质量检验方法应根据产品类型和相关标准确定。
二、常用的质量检验方法包括外观检验、尺寸检验、性能检验等。
三、质量检验过程中应采用相应的检验设备和工具,并进行相应的记录。
第五章质量不合格处理一、对于质量不合格的产品,应按照公司相关规定进行处理。
二、对于轻微质量不合格的产品,可以进行修复或重新加工,并重新进行检验。
三、对于严重质量不合格的产品,应进行报废处理,并追究责任人员的责任。
第六章质量检验记录与归档一、质量检验部门应对每次质量检验进行记录,并保存相关文件和记录。
二、质量检验记录应包括产品名称、检验日期、检验人员、检验结果等内容。
三、质量检验记录应按规定时间进行归档,并保存一定的历史记录。
第七章质量评估与改进一、质量检验部门应定期进行质量评估,并制定改进计划。
二、各部门应积极配合质量评估工作,并按照改进计划进行相应调整和改进。
三、质量检验部门应对改进效果进行监督和评估,并提出改进建议。
结语本质量检验管理制度旨在规范质量检验工作,确保产品质量符合标准要求。
各部门应严格按照本制度执行,加强质量管理,提高产品质量,以满足客户的需求和期望。
质量检验管理制度范文质量检验管理制度第一章总则第一条为了规范和加强质量检验管理工作,提高质量检验水平,保障产品质量,达到国内外市场的要求,制定本制度。
第二条本制度适用于公司(以下简称“我司”)所生产的所有产品的质量检验管理。
第三条我司质量检验部门负责管理和执行本制度,所有部门及员工都要严格遵守本制度的要求。
第四条质量检验部门应具备相应的设施、设备和人员,以保证对产品质量的全面检验。
第二章质量检验的范围和要求第五条质量检验的范围包括原材料的检验、生产过程的检验、成品的全检和抽检等。
第六条对原材料的检验,应符合国家和行业的相关标准和规定,确保原材料的质量符合生产要求。
第七条对生产过程的检验,应按照各工序的要求进行检验,发现问题及时处理,确保产品质量稳定。
第八条对成品的质量检验,应全面检验产品的关键性能和技术指标,确保产品符合国际和国内的质量标准。
第九条对产品的抽检,应按照抽检计划进行抽样,对产品进行全面和客观的检验,确保产品的质量稳定。
第三章质量检验的步骤和要求第十条质量检验的步骤包括样品接收、检验计划编制、检验操作、检验结果的处理和记录等。
第十一条样品接收时,应尽量减少样品的损坏并避免样品的污染。
第十二条检验计划应根据产品的特点和检验要求,制定合理的检验方案和流程,确保检验的全面和准确性。
第十三条检验操作应按照相关标准和规定进行,严格控制检验过程中的环境和条件,确保检验的可靠性。
第十四条检验结果的处理应根据检验项目和标准进行评价,并及时通知相关部门和人员。
第十五条检验结果的记录应详细、准确和完整,包括检验项目、标准、结果和结论等内容,并进行归档保管。
第四章质量检验的管理和改进第十六条质量检验部门应建立质量管理档案,记录和存档各种质量检验的资料和记录,并进行定期的复查和评估。
第十七条质量检验部门应开展内部培训和外部交流,提高质量检验人员的专业水平和技能。
第十八条质量检验部门应定期组织质量检验的管理评审,总结经验,发现问题,提出改进措施。
质量检验管理制度模板一、目的为确保公司产品的质量满足客户需求,提高市场竞争力,特制定本质量检验管理制度。
二、适用范围本制度适用于公司所有产品的质量检验过程。
三、组织机构与职责1. 质量管理部门负责本制度的制定、修订和监督执行。
2. 生产部门负责按照质量检验标准进行生产,并配合质量管理部门进行产品检验。
3. 采购部门负责确保原材料的质量符合检验标准。
四、检验流程1. 原材料检验:对所有进厂原材料进行检验,合格后方可入库。
2. 过程检验:在生产过程中对关键工序进行抽检,确保生产过程质量。
3. 成品检验:对完成的产品进行全面检验,包括外观、性能、尺寸等。
五、检验标准1. 制定详细的检验标准,包括但不限于国家标准、行业标准和企业内部标准。
2. 定期对检验标准进行评审和更新,以适应市场和技术的发展。
六、不合格品处理1. 对于不合格的原材料,采购部门应与供应商协商退换货或采取其他补救措施。
2. 对于生产过程中发现的不合格品,应立即停止生产,查找原因并采取纠正措施。
3. 对于成品检验中发现的不合格品,应进行隔离、标识,并按照规定进行返工或报废。
七、记录与追溯1. 建立完善的质量检验记录系统,确保所有检验活动都有详细记录。
2. 实施产品追溯制度,确保每件产品都能追溯到其生产过程和原材料来源。
八、培训与考核1. 对所有参与质量检验的员工进行定期培训,提高其质量意识和检验技能。
2. 对质量检验人员进行定期考核,确保其工作质量。
九、持续改进1. 定期对质量检验管理制度进行评审,根据实际情况进行必要的修订。
2. 鼓励员工提出改进建议,不断优化质量检验流程和方法。
十、附则1. 本制度自发布之日起生效,由质量管理部门负责解释。
2. 对违反本制度的行为,将根据公司相关规定进行处理。
请根据公司实际情况对以上模板进行适当调整和补充。
成衣查验流程一.目的:规范对原资料、在制品、成品的监控与丈量手段提升查验过程与活动中的监控能力保障各环节产质量量的切合性降低不良品率与损失率二.范围:合用于生产过程中的样衣、半成品(面里料、辅料、裁片、印绣花、在制品)、成品(已达成缝制生产的洗水、整烫 )以及全部产品查验控制。
三.职责:质量查验的稽核、追踪(包含样衣、面辅料、流程、成品、稽核、改良、追踪)质量保证——裁片/绣印花确认、首件确认、流程工序质量确认、查验;异样事故原由追究与辅助清除,原由检查与纠正预防举措的追踪考证。
四.服饰面料 /裁片品控引导一、面料 /裁片1、色差控制原则:一件衣服上同色面料之间一致面料与配色里料、拼料之间一致(特别要求除外)面料与辅料之间一致(特别要求除外)2、布纹 /纬斜布纹异样,条格大小纬斜,弓形纬斜(正弓形,倒弓形,侧弓形)针织查核扭度,上衣前身不可以扯住,底边不同意反翘,裤子不同意扭脾3、底面一定确认清楚服饰样式所要求面料的正反面方向性,构造性(毛向)—件衣服同一个方向(特别要求外)印花 /横间,竖间花型—整批货一致方向。
4、验片原则:参照成衣要求及客定标准不影响外观不降低衣着性能不影响销售作业流程及规范:1、准备——工艺尺寸制单、纸样、样衣2、检查次序——对色,对格对条查验,查布疵裁片大小,粘朴牢度5、查验印绣花:一是按封样颜色规格版型查收。
二在有异样时参照同意标准。
印花气泡在0.5毫米之内印花渗花宽1厘米之内,印花渗花不超出0.5 毫米宽超出 1 厘米之外 .印花渗花不超出 1 毫米套版不正人的面部不同意,其余的在0.5 毫米以里 .沙眼、露底三是要用手去感觉及简单测试轻拉——绣花周边的隐性针洞外露或起圈的绣花线能否散脱贴布绣隐性爆口印花能否断裂触摸——手感能否太粘手(易粘尘)折叠——印花浆料能否易折断轻擦——磨擦牢度能否 OK轻搓——能否易零落五.首件大货查验目的:规范对大货的校正查验操作,以保证大货生产的正确性、合理性、质量的切合性,有效的知足客户有关要求范围:合用于大货查验操作,QC 确认首大货后召开质量会议。
质量管理工作流程纲要1 / 11. 确立质量目标2. 每个月 日召开质量管理工作例会3. 分项工程动工前, 组织技术交底会议4. 编制培训计划5. 对部下质量管理工作进行敦促、检查6. 办理质量事故1. 编制质量管理计划2. 分项工程动工前, 主持技术交底会议、 达成技术交底工作3 组织编制丈量、试验、查验、资料台账4 对部下质量管理工作进行检查并填写检查纪录表5. 编制质量事故报告和办理方案1. 负责分项工程质量控制和监察检查工作2. 负责编制更新工序查验台账3. 负责达成工序查验质检资料(监表、查验表)4. 配合达成质量评定工作(质评表)项 目 组织、检查经 理项 目组织、 总敦促工专 业主办、工配合程师1. 记录质量例会会议纪 内2. 采集、整理质检资料、业 丈量资料、试验资料资3. 负责组织达成工程质 采集、量评定工作检查料4. 负责达成质检资料总台账工作主 5. 负责敦促各专业工程师达成所需资料管6. 负责为计量工程师供给所需资料7. 负责为企业工程部供给质检资料台账、 会议纪测1. 负责分项工程放样和经办、 复核的丈量工作配合量2. 负责编制更新分项工程施工丈量台账工3. 负责达成工序查验测程量资料4. 配合达成质量评定工师作(质评表)试 1. 负责施工控制、资料、的试验工作经办、 验2. 负责编制更新各种试 配合验台账室3. 负责达成各项试验检主测资料4. 配合达成质量评定工任作(质评表)工作过程:建议使用《双向确认工作联系单》 ,。
青州市电力调动中心质量管理制度及主要工作流程质保系统的运作一、质量管理质量管理控制的主要内容:1 、对参加施工人员的质量管理控制2 、对原资料、构件的质量管理控制3 、对施工机械的质量管理控制4 、对施工工序、检验方法的质量管理控制5 、对生产管理、环境管理的质量管理控制质量管理控制的重点 :1、人的行为2、物的状态3、资料的质量和性能4、重点工艺5、施工程序6、技术管理7、技术参数8、质量进度9、新工艺、新技术、新资料的应用10、质量不稳固、质量问题许多的工序11、特别地基或特别结构二、质量保证举措1、优化生产管理系统和质量保证系统的人员构成,成立健全责任制。
为工程装备了施工经验丰富、年轻体壮的施工管理人员,所装备的施工队伍均参加过重点工程建设,拥有丰富的高等级公路施工经验。
成立了以项目经理为组长、项目总工程师为副组长、项目经理部各部门负责人、各施工主任、技术负责人为主要成员的质量管理领导小组,成立健全岗位责任制,完美质量监察控制网络,推行全面质量管理,积级展开民众性的QC小组活动,使工程的每个环节都获得控制。
2、宣传教育,改变人们对证量的陈腐观点,提升质量意识。
增强了宣传教育力度,严格执行质量管理制度,推行科学管理,召开多种形式的评选会、现场会、剖析会、宣传会,使“质量是企业的生命”,“质量第一、业主至上”的指导思想切记在每个施工人员心中。
在项目施工中做到“三工教育” (工前教育、工中指导、工后讲评);“三不交接”(无自检记录不交接、无施工记录不交接、无专职质检员签字不交接);“五不施工”(施工图纸未复核不施工、丈量放样未复核不施工、资料未试验或无合格证不施工、技术未交底不施工、隐蔽工程未检查签证不施工)。
在施工中引入ISO9002 质量系统,在工程施工过程中运转,对证量的控制和管理有了新的认识。
3、加大旁站、巡逻力度,增添自检与抽检频次。
各工点设置了专门的旁站员、质检员,一致由项目部工程部、中心试验室管理,各旁站员执行全过程的质控监察,保证自检频次。
质量检查管理原则一. 质量检查管理1)主题内容与使用范畴本原则规定了质量检查旳根据、原则和基本准则。
本原则合用于产品质量检查管理。
2)质量检查旳根据:产品质量检查旳根据是产品图样、制造工艺和技术原则及其有关技术文献、外购件、外协件及有特殊规定旳产品。
需根据订货合同规定即技术规定进行检查验收。
3)质量检查工作旳原则:质量检查工作贯彻“三按”“五不准”旳原则。
对原材料进厂、生产、储存、产品出厂等各个环节进行质量把关。
4)质量检查工作旳基本方针:树立“质量第一”旳思想,贯彻“避免为主”旳方针,将数据进行整顿、记录、分析并做出评价,及时向有关部门和厂长报告,杜绝质量事故旳发生。
5)质量检查基本准则a)质量检查实行:质量管理工作“三检制”和质量检查工作“三检制”。
质量管理工作“三检制”。
自检:操作者对自己生产旳工件进行自我检查。
互检:操作者之间对生产旳工件进行互相检查。
专职检:工件自检合格后,由专职检查人员进行检查。
I.质量检查工作“三检制”。
首件检查:批量生产中变更工序或设备、工具、操作措施,操作工人将加工完毕旳第一批零件旳检查。
巡回检查:零部件在制造过程中旳各工序中,由专职检查人员进行旳重点抽验或逐项检查。
竣工检查:零部件制造完结旳检查。
b)质量检查采用抽样检查或全数检查旳措施。
抽样检查一般用于批量生产旳一般零部件和需要做破坏性检查旳零部件。
全数检查一般用于重要零部件和批量小旳零部件。
c)检查员必须按工艺规定旳检查工序进行质量检查。
检查旳根据是图样、工艺规程、有关原则等技术文献。
d)工件在完毕任一工序后,操作者应送到检查工位交检查员检查。
合格件,在规定部位打上合格标记,方可转入下道工序,不合格件,则打废品标记,填写废品单,统一由致废车间送交废品库或废品隔离区。
e)对于重要零部件,检查员具体记录实测状况,并在规定部位打上编号。
f)抽样检查中旳取样如有一件不合格,则应加倍复查,如仍有一件不合格则应逐件检查。
质量控制大纲一、引言质量控制是一个组织内部的关键活动,旨在确保产品或服务符合既定的质量标准和客户的期望。
本文档旨在提供一个质量控制大纲,以帮助组织建立和实施有效的质量控制体系。
二、质量控制目标1. 确保产品或服务的质量符合国家或行业标准。
2. 提高产品或服务的可靠性和持久性。
3. 减少产品或服务的缺陷率和客户投诉率。
4. 提高生产效率和降低成本。
5. 提升客户满意度和品牌声誉。
三、质量控制流程1. 定义质量标准:明确产品或服务的质量标准,包括性能、外观、功能等方面的要求。
2. 设计质量控制计划:制定质量控制计划,明确质量控制的目标、方法和责任。
3. 采购合格原材料:确保采购的原材料符合质量标准,并建立供应商评估体系。
4. 控制生产过程:建立生产过程控制措施,包括设备校准、作业指导书、工艺控制等,以确保产品符合质量标准。
5. 进行质量检验:对生产过程中的关键节点和最终产品进行质量检验,包括外观检查、性能测试等。
6. 处理不合格品:对不合格品进行分类、记录和处理,包括返工、报废等。
7. 进行内部审核:定期进行内部审核,评估质量控制体系的有效性和符合性。
8. 持续改进:根据内部审核和客户反馈,持续改进质量控制体系,提高产品或服务的质量。
四、质量控制指标1. 缺陷率:统计单位时间内产品或服务的缺陷数量,以衡量质量控制的效果。
2. 客户投诉率:统计单位时间内客户投诉的数量,以衡量产品或服务的质量。
3. 合格率:统计单位时间内产品或服务的合格数量,以衡量质量控制的效果。
4. 检验合格率:统计质量检验过程中产品或服务的合格率,以衡量生产过程的控制效果。
5. 内部审核合格率:统计内部审核的合格率,以衡量质量控制体系的有效性。
五、质量控制的责任分工1. 高层管理者:负责制定质量控制的政策和目标,并提供足够的资源和支持。
2. 质量经理:负责制定质量控制计划、监督质量控制流程的执行,并进行内部审核。
3. 生产人员:负责按照作业指导书和工艺控制要求进行生产,并记录生产过程中的关键参数。
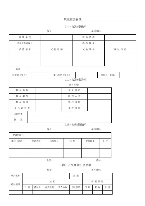
质量检验管理
(一)试验委托单
编号:填写日期:
委托单位样品名称
试验报号单编号样品数量
试验项目试验原因试验条件试验目的
备注
检验科(签名)委托单位(签名)委托人(签名)
(二)试验报告单
报告号码:
样品名称试验目的
样品编号取样人员
样品来源收样日期
委托试验单报告日期
试验结果
备注
(三)检验通知单
编号:填写日期:
被通知部门
编号(来源)样品名称化验项目标准化验结果备注
主管:检验:
(四)产品抽查汇总表单
编号:填写日期:
成品名称数量
检验质量保证检验项目
日期检验员抽查数量不合格数判定结果日期复核意见
备注
(五)待出厂产品检验表
编号:填写日期:
机型客户
规格数量
材料制造号码
检验项目不合格箱号合计备注
1
2
3
4
检验判定□准予出货□再详细检验□建议退厂处理□等业务部通知装运检验员:复检:
.
(六)产品出厂检验表单
编号:填写日期:
产品名称数量
客户名称品级
产品质量检验产品质量保证
检验项目进量出量抽样数不良数合格与否检验员备注
(七)产品质量检验报告
编号:填写日期:
产品名称产品规格
制造批号抽样数量
项次检验项目严重不良数轻微不良数处置方式及备注1
2
3
合计严重不良率%
轻微不良率% 不良处理报告
主管:检验员:
.
1.检验计划签审工作流程
检验需求汇总制订检验计划修订完善的检验计划
开始
采购、生产、仓储等
有关部门提出质量检
验需求
质量管理部汇总各部质检专员进一步明确质
门检验需求,了解检量检验的目的,保证产
验项目情况品质量符合质量要求
质检专员收集各类受检
产品的质量技术标准、
工艺技术文件等
质量管理部经理对检验
质检专员综合各方面因
计划进行审核,并提出
素编制“年度检验计划”
更正意见
质检专员对“年度检验
计划”进行修改,并提
交总经理审核
总经理最后审批、确认
“年度检验计划”
质量管理部将“年度检
验计划” 送达相关部门,
并做好存档工作
结束
2.成品抽样检验工作流程
明确检验目的抽样方案确定与实施检验结果分析形成检验报告
开始
质量管理部明确成品质检专员根据检验的
检验的目的,即及时发目的和要求选择合适
现、去除产品质量隐患的抽样方案
质量管理部经理对抽
样方案进行审核,并最
终确认抽样方案
质检专员依据相应的
质检专员对检验结果
质量标准、程序要求对
进行分析
成品样本进行检验
质检专员根据检验分质量管理部经理审阅
析结果编制“成品抽样“成品抽样检验报告”
检验报告”并提出修正意见
质检专员重新修订“成
品抽样检验报告” ,经
主管质量的副总审批
后下发到相关部门
结束
3.成品入库送检工作流程
入库检验准备成品检验检验结果处理
开始
生产部门在成品入
库前通知质量管理
部做好检验准备
质量管理部接到通知
后做好产品检验准备,
包括抽取样本、设备仪
器准备、人员安排等
4.产品样件检验工作流程
.
质检专员依照规定的
程序、质量要求,严格
对所抽取的样本进行
质量检验
质检专员根据检验结
质检专员对质量检验
果填写“成品入库检验
数据进行分析判断记录表”
质检专员编制“成品检
验报告”,并报送主管
领导
否
是否存在质
量问题
是
质量管理部形成不合
格品处理意见,上报主
管领导审批
生产单位及其他相关
部门对不合格品进行
相应处理
结束
第一次样品检验二次样品检验批量投产
.
开始
生产部门依据相关规
定及要求,将生产的样
品提交质量管理部
质检专员依据规定的
操作程序与质量要求
对样件进行检验
质检专员出具“样品检
验报告”并上报领导
是生产部门进行小批量
是否符合
试产并送检
质量要求
质检专员对样品的特否性等方面进行检验
生产部门返工重新生
产样品质检专员出具“样品检
验报告”并上报领导
是
是否符合
质量要求
否
生产部门调整工艺后,
重新生产
5.工厂出货送检工作流程
出货检验准备出货检验
生产单位根据质量管理部的建议,大批量投
入生产
质量管理部应定期对产品进行质量检验,填写“产品检验记录表”
质量管理部定期汇总相关质量记录,并存档备查或做研究之用
结束
检验结果的处理
.
开始
市场营销部发出“出货
通知”,仓储部接到通知
后备货并通知质量管理
部准备检验
质量管理部安排相应质质检专员依据相应的质
检专员做好产品出货检量标准、操作流程对指
验准备定的出货批次进行随机
抽样和检验
否
检验是否合格
是
否
质检专员判断
是否需要测试
是
是
测试是否合格
否
质量管理部发出退货不
良品分析报表
生产部门根据质量管理分
析的原因处理退货批次
相关部门办理出货手续
结束。