氨制冷企业安全规范
- 格式:docx
- 大小:88.13 KB
- 文档页数:15
涉氨制冷安全管理制度一、概述涉氨制冷设备由于其特别的性质和不安全性,运行过程中安全风险较高,为保障生产环境安全稳定,在涉氨制冷企业中必需建立完善的安全管理制度。
本制度是涉氨制冷企业的一项基本管理制度,旨在规范企业涉氨制冷设备的运行和维护管理,确保生产运行的安全性和稳定性,并最大程度地保护员工人身安全和环境安全。
二、适用范围本制度适用于涉氨制冷设备的安全管理。
涉氨制冷设备包括以下内容:•涉氨制冷设备(包括制冷机组、冷却塔、蓄冰罐、冷库等)•涉及氨气进出口和输送管道三、管理制度1. 设备安全管理1.涉氨制冷设备的安装和维护和修理必需由具有相应技术资质的专业人员负责。
设备安装完成后应进行验收,合格方可投入使用。
2.涉氨制冷设备的运行应依照《涉氨制冷设备操作规程》执行,确保设备稳定运行。
3.设备的维护保养应依照《涉氨制冷设备维护保养规程》执行,定期对设备进行检查、维护和保养,确保设备的正常使用和操作。
4.设备显现故障和异常情况时,应立刻停止运行,进行维护和修理或处理,直至问题除去后再重新投入使用。
2. 现场安全管理1.涉氨制冷设备区域应设专人管理和监控,保证现场的安全和稳定。
2.涉氨制冷设备区域应设置警示标识和安全围栏,非涉氨制冷工作人员不得进入设备区域,确保人员安全。
3.涉氨制冷设备区域应具备通风设施,并保持空气流通,确保氨气浓度掌控在安全范围内。
4.涉氨制冷设备区域应有专人对氨气浓度进行检测,确保现场氨气浓度掌控在规定范围内。
3. 应急管理1.涉氨制冷设备应配备专业的应急救援设备,并由专人管理和操作。
2.显现氨气泄漏等安全事件时,应立刻启动应急预案,并进行应急处置,积极避开事故扩大。
3.各部门应定期开展应急演练,提高员工应急处理本领。
4. 员工安全管理1.涉氨制冷设备的操作和维护保养应由具有相应专业技术证书的人员进行。
2.操作人员应接受相应的安全培训和考核,确保其了解涉氨制冷设备的性质、不安全性和安全操作规程。
制冷系统加氨安全管理规定
制冷系统加氨的安全管理规定包括以下几个方面:
1. 设备安全:制冷系统中使用氨的设备应符合相关安全标准,具备防爆、防漏、防火等功能。
所有加氨设备必须进行定期的安全检查和维护,确保设备的正常运行和安全性能。
2. 操作规范:操作人员应具备相关的资质和培训,熟悉加氨设备的操作规程和安全要求。
必须按照正确的操作步骤进行操作,严禁违规操作或违反安全要求的行为,如未经许可打开设备、违规放氨等。
3. 防护措施:在加氨过程中,必须配备必要的个人防护用品,如防护眼镜、防护手套、防护服等,确保操作人员的人身安全。
同时,必须设置防止氨泄漏的措施,如安装气体泄漏报警器、排气通风系统等。
4. 应急预案:制定完善的应急预案,包括紧急停机、疏散人员、报警求助等应急措施。
操作人员必须熟悉应急预案,并进行定期的演练和培训,提高应对突发事件的能力。
5. 安全培训:加氨设备的操作人员必须接受相关的安全培训和教育,了解氨的危害性和安全操作知识,提高安全意识和应对能力。
同时,还应进行定期的安全交流和培训,分享安全经验和事故案例。
以上是制冷系统加氨安全管理的一些规定,具体的安全管理要根据具体的制冷系统和实际情况进行制定和执行。
在实际操作
中,应该严格遵守安全规定,确保加氨过程的安全性和人身安全。
冷库氨制冷安全技术第一条为了认真贯彻国家有关安全生产的方针,确保氨制冷装置的安全运行,保障职工在生产中的安全和健康,促进制冷事业的发展,特制定本规程。
第二条本规程适用于商业系统冷藏库氨制冷装置的设计、安装、操作、维修和管理。
商业系统各有关单位和企业所制定的技术规范、操作规程、专业技术标准、技术条件等,应符合本规程的要求,本规程服从于国家的有关规程和标准。
第二章安全装置第一节安全防护第三条氨压缩机必须设置高压、中压、低压、油压差等安全防护装置。
安全防护装置一经调整、校验后,应做好记录并铅封。
第四条氨压缩机水套和冷凝器须设冷却水断水保护装置。
蒸发式冷凝器须另增设风机故障保护装置。
第五条为防止氨压缩机湿冲程,必须在氨液分离器、低压循环器、中间冷却器上设液位指示、控制、报警装置。
低压贮液器设液位指示、报警装置。
第六条在机器间门口或外侧方便的位置,须设置切断氨压缩机电源的事故总开关,此开关应能停止所有氨压缩机的运转。
若机器控制屏设于总控制间内,每台机器旁应增设按钮开关。
第七条机器间和设备间应装有事故排风设备,其风机排风量应不小于8次/小时换气次数的要求。
事故排风用的风机按钮开关须设在机器间门口,并应用事故电源供电。
第八条氨压缩机联轴器或传动皮带、氨泵、油泵、水泵等的转动部位,均需设置安全保护罩。
第九条禁止闲人进入机器间和设备间。
第十条设在室外的冷凝器、油分离器等设备,应设有防止非操作人员进入的围墙或栏杆。
贮氨器(即高压贮液器)设在室外时,应有遮阳棚。
第十一条检修氨压缩机、辅助设备、库房内冷风机、蒸发管道、阀门等,必须采用36伏以下电压的照明用具,潮湿地区采用12伏及以下的。
第十二条机器间外应设有消火栓。
机器间应配置氧气呼吸器、防毒衣、橡皮手套、木塞、管夹、柠檬酸等必须的防护用具和抢救xx,并设在便于取得的位置,专人管理,定期检查,确保使用。
操作班组的工人,应熟练地掌握氧气呼吸器等的使用和抢救方法。
第二节仪表和阀门第十三条每台氨压缩机的吸排气侧、中间冷却器、油分离器、冷凝器、贮氨器、分配站、氨液分离器、低压循环器、排液器、低压贮氨器、氨泵、集油器、充氨站、热氨管道、油泵、滤油装置以及冻结装置等,均须装有相应的氨压力表。
山东省液氨制冷规范一、进一步加强涉氨制冷企业安全管理工作。
我省涉氨制冷企业数量多、分布广,有许多液氨冷库使用时间长,建设不规范,管理不到位,基础资料不详,存在较大安全隐患。
各级政府和有关部门要高度重视,按照“党政同责,一岗双责,管行业必须管安全,管业务必须管安全,管生产经营必须管安全”的要求,建立政府领导、部门监管、企业负责、社会监督、综合治理的工作机制,明确责任,狠抓落实,务求实效。
要切实落实企业安全生产主体责任、部门监管责任和政府属地管理责任,采取有力措施,进一步加强和规范涉氨制冷企业的生产经营行为,严防各类事故发生,保障广大人民群众的生命财产安全。
二、落实对涉氨制冷企业安全管理工作责任。
各级政府要加强对涉氨制冷企业安全管理工作的组织领导,督促各有关部门认真履行监管职责,对存在的重大问题要及时协调解决。
安全生产监督管理部门负责涉氨制冷企业的安全生产监督检查,并依法做好涉氨制冷企业的建设项目安全设施、职业卫生“三同时”监管,危险化学品重大危险源监督管理,氨制冷设备运行操作、安装与维修作业人员的培训考核发证管理等工作。
商务等部门负责所属行业内涉氨制冷企业的安全生产监督管理,对企业贯彻落实安全生产法律、法规、标准、规范情况进行监督检查。
公安消防部门负责涉氨制冷企业消防安全监督管理工作,依法对涉氨制冷企业建筑工程进行消防审核、验收。
住房和城乡建设部门负责涉氨制冷企业规划审批和房屋建筑、施工许可、拆除等环节的安全生产监督管理工作。
工商部门负责依法办理涉氨制冷企业工商登记注册,取缔无照经营行为。
质监部门负责氨制冷企业特种设备的安全监察工作,依法对涉氨制冷企业的特种设备注册登记、检验、特种设备作业人员持证、安全技术档案等进行监督检查。
其他相关部门按照职责分工加强对涉氨制冷企业安全监督管理工作。
三、落实涉氨制冷企业安全生产主体责任。
各级各有关部门要依据安全生产、危险化学品安全管理、特种设备、消防等有关法律法规和标准规范,督促涉氨制冷企业建立健全各项安全生产管理制度和操作规程,加强涉氨制冷系统各个环节的安全管理和监督检查,认真落实安全生产主体责任。
XX涉氨制冷企业安全操作规程1.引言本文档旨在规范XX涉氨制冷企业生产和操作,确保员工和环境的安全。
所有员工都应遵守本规程,并在日常工作中严格执行。
同时,也是为了遵守国家相关法律法规和行业标准,促进公司的可持续发展。
2.安全管理2.1 气体管道和贮存在氨气的管道和储存设备上必须标明警告标志和运行状态标志。
移动储存罐必须配备密封固定装置,以便在堵塞或紧急情况下避免意外泄漏。
2.2 防火措施XX涉氨制冷企业应根据实际需要,合理安装干粉灭火器、CO2灭火系统,并定期进行检查、维护和更换。
公司的紧急预案也应针对氨气泄漏等事件有所规定。
2.3 施工安全在进行生产和维护设备时,必须遵守氨气储存和使用技术标准,且严格遵循公司的安全规定,离开施工现场前要确保所有设备都已经关闭,断开电源和关掉阀门。
保护气体管道和设备,避免人为破坏或损坏。
2.4 通风保护在有氨气操作的工作场所,必须设立通风设备,保证室内空气流通和新鲜空气进入。
当气体泄漏时,应及时打开通风设备,排除氨气。
2.5 培训教育每个参与XX涉氨制冷企业工作的人员都应该接受培训教育,特别是接触氨气的操作人员,应定期进行专业安全知识的培训。
同时也要确保员工了解紧急预案的执行流程和操作程序,确保能够快速、有效地应对紧急事件。
3.操作规程3.1 作业前准备工作人员应在操作前进行严格的安全检查。
检查应包括:•气体管道和储存设备是否正常•操作设备是否正常•紧急设施是否有效•通风系统是否开启•场地是否有其他危险品存在等。
3.2 氨气泄漏处理当氨气泄漏时,要立即向氨气泄漏警报器发出警报,并打开通风系统。
泄漏面积较大或无法确定泄漏源的情况下,需要立即报告上级领导,并按照公司紧急预案的要求进行处理。
3.3 氨气加注加注氨气前,必须确保氨气储存罐完好无损,加注管道和阀门没有堵塞,加注人员必须注意安全,防止氨气泄漏。
3.4 氨气吸入如果有人吸入氨气,应将其迅速转移到通风设施较好的地方,并向上司发出警报,立即拨打120急救电话。
涉氨制冷企业的安全管理规定1、证照方面涉氨制冷企业应持有《企业法人营业执照》2、安全生产基本条件(1)遵守《安全生产法》等有关安全生产的法律、法规,建立健全安全生产责任制度,安全生产规章制度和操作规程。
(2)负责制冷运行的作业人员要经专门的安全作业培训,持有特种作业操作证(制冷与空调设备运行操作)、特种设备作业人员证(压力容器、压力管道)等。
3、安全间距的相关规定依据:1)《建筑设计防火规范》(国标50016)第3.4.1条2)《冷库设计规范》(国标50072)第4.1.9条3)《氨制冷系统安装工程施工及验收规范》(SBJ12)第4.4.3、4.4.6条等说明:冷库库房视其储存物品的火灾危险性分属于丙、丁类或戊类仓库(如:鱼肉间为丙2类,储冰间为戊类),氨压缩机房属于乙类厂房,变配电室属于丙类厂房,鱼肉蔬果加工间属于丙类或丁类厂房;住宅、办公、商业等建筑均属于民用建筑。
1)单层、多层乙类厂房与一、二级耐火等级的单层、多层丙类厂房(仓库)之间间距不应小于10m,与三级耐火等级的单层、多层丙类厂房(仓库)之间间距不应小于12m。
2)单层、多层乙类厂房与高层丙类厂房(仓库)之间间距不应小于13m。
两座厂房相邻较高一面的外墙为防火墙时,其防火间距不限,两座一、二级耐火等级的厂房,当相邻较低一面外墙为防火墙且较低一座厂房的屋顶耐火极限不低于1.00h,甲、乙类厂房之间的防火间距不应小于6.0m。
3)单层、多层乙类厂房与民用建筑之间的防火间距应不小于25米,与重要公共建筑之间的防火间距不宜小于50米。
4)办公室、休息室不应设置在液氨厂房内,当必须与本厂房贴邻建造时,其耐火等级不应低于二级,并应采用耐火极限不低于3.00h的不燃烧体防爆墙隔开和设置独立的安全出口等。
5)库房与制冷机房、变配电所和控制室贴邻布置时,相邻侧的墙体,应至少有一面为防火墙,屋顶耐火极限不低于1.00h。
6)其他要求参见表《建筑设计防火规范》国标50016第3.4.1条的防火间距要求。
氨制冷企业安全规范氨制冷企业是指利用氨作为制冷介质的企业,氨制冷系统具有制冷效率高、工作性能稳定等优点,但同时也存在着安全风险。
为了保障企业的安全运营,制定一套科学合理的安全规范是非常必要的。
下面就是一份氨制冷企业的安全规范,全文约1000字。
一、总则1. 本规范是为了保证氨制冷企业设备、人员的安全,规范运行管理,减少事故发生,确保企业的生产安全和生产可持续发展。
2. 本规范适用于氨制冷企业的生产、运行、维护等环节,涉及到的设备、人员必须严格遵守。
3. 企业应当建立健全相应的安全管理制度,制定安全管理责任制和安全应急预案,并进行培训和演练,确保人员了解并适应相关安全规范。
4. 企业应当配备专门的安全人员,负责监督和检查安全工作的执行情况,发现问题及时处理,确保企业安全。
二、设备安全规范1. 氨制冷设备必须符合国家相关标准,定期进行安全检查和维护,确保设备的正常运行和安全性能。
2. 设备应当与其他设备和建筑物保持安全距离,防止发生交叉事故,设备周围不得储存易燃易爆物品。
3. 氨制冷设备应当设有可靠的泄漏监测和报警装置,一旦发现泄漏情况立即停机,并启动应急预案。
4. 设备应当设置防爆电气设备,避免电气引起的火灾危险。
三、工作人员安全规范1. 氨制冷企业必须严格按照岗位职责进行人员配备,人员应当经过专业培训,并持有相关证书。
2. 所有人员必须严格遵守安全操作规程,不得擅自调整设备参数,不得在没有相关安全防护措施的情况下进行维护和检修工作。
3. 工作人员应当定期参加安全培训和演练,提高安全意识和应急处理能力。
4. 作业环节中应当配备专门的安全人员负责监督作业过程中的安全。
四、应急预案1. 企业应当制定详细的氨泄漏应急预案,其中包括应急处置流程、报警方式、人员疏散计划等内容。
2. 定期组织应急演练,确保人员能够正确迅速应对突发事故,避免事故的进一步扩大。
3. 建立应急物资储备库,配置必要的防护装备和药剂,确保在事故发生后能够及时采取措施,减少事故影响。
氨制冷企业安全规范1范围本标准规定了氨制冷企业安全要求(包括厂区建设,制冷系统及作业场所的安全设施、运行、维护、应急救援和安全管理等)。
本标准适用于采用以氨为制冷剂的直接制冷系统及以氨为制冷剂、无相变介质为载冷剂的间接制冷系统的制冷企业,采用其他制冷剂的企业可参照执行。
2规范性引用文件下列文件对于本文件的应用是必不可少的。
凡是注日期的引用文件,仅所注日期的版本适用于本文件。
凡是不注日期的引用文件,其最新版本(包括所有的修改单)适用于本文件。
GB536液体无水氨GB2893安全色GB2894安全标志及其使用导则GB7231工业管道的基本识别色、识别符号和安全标识GB/T11651个体防护装备选用规范GB/T18664呼吸防护用品的选择、使用与维护GB28009冷库安全规程GBT20639生产经营单位安全生产事故应急预案编制导则GB30077危险化学品单位应急救援物资配备要求GB50016建筑设计防火规范GB50072冷库设计规范GB50187工业企业平面设计规范GB50974消防给水及消火栓系统技术规范GBZ158工作场所职业病危害警示标识SBJ11冷藏库建筑工程施工及验收规范SBJ12氨制冷系统安装工程施工及验收规范3术语和定义下列术语和定义适用于本文件。
3.1制冷系统refrigeration system通过压缩机、冷凝器、节流阀、蒸发器等设备,以管道、阀门、密封件等连接,制冷剂在该封闭的系统内完成制冷循环的系统3.2直接制冷系统direct-type refrigeration system制冷系统的蒸发器与被冷却介质直接接触,达到直接冷却效果的制冷系统。
指压缩机吸入从蒸发器出来的较低压力的制冷剂蒸汽,使之压力升高后送入冷凝器;在冷凝器中冷凝成压力较高的液体,经节流阀节流,成为压力较低的液体后,送入蒸发器,在蒸发器中吸热蒸发(制冷)而成为压力较低的蒸汽,再送入压缩机的入口,从而完成制冷循环。
一、总则为了加强涉氨制冷企业的安全生产管理,保障员工的生命财产安全,防止事故发生,根据《中华人民共和国安全生产法》及相关法律法规,结合我单位实际情况,特制定本制度。
二、安全责任1. 企业法定代表人是安全生产的第一责任人,对本单位的安全生产工作全面负责。
2. 各部门负责人对本部门安全生产负直接领导责任。
3. 所有员工均应遵守本制度,积极参与安全生产工作。
三、安全管理措施1. 安全教育与培训(1)企业应定期对员工进行安全教育培训,提高员工的安全意识和操作技能。
(2)新员工入职前必须进行安全教育培训,考核合格后方可上岗。
(3)对特殊工种人员进行专项安全培训,确保其具备相应的安全操作能力。
2. 设备与设施管理(1)定期对涉氨制冷设备进行检修、保养,确保设备安全运行。
(2)设备操作人员必须熟悉设备性能、操作规程和应急预案。
(3)设备发生故障时,应立即停止使用,并及时上报维修。
3. 氨泄漏应急处理(1)制定氨泄漏应急预案,明确泄漏处理流程。
(2)配备必要的防护用品和应急设备,如防毒面具、消防器材等。
(3)员工应熟悉氨泄漏应急处理流程,提高应急处置能力。
4. 安全检查与隐患排查(1)定期开展安全检查,对发现的安全隐患及时整改。
(2)对重大事故隐患进行专项治理,确保隐患整改到位。
(3)建立安全隐患排查治理台账,跟踪隐患整改情况。
5. 安全防护措施(1)设置明显的安全警示标志和防护设施,防止人员误入危险区域。
(2)严格控制氨的使用和储存量,避免超量储存和违规操作。
(3)加强现场安全管理,确保生产环境安全。
四、奖励与处罚1. 对在安全生产工作中表现突出的个人和集体给予表彰和奖励。
2. 对违反安全生产规定的个人和集体,依据相关法律法规予以处罚。
五、附则1. 本制度由企业安全生产管理部门负责解释。
2. 本制度自发布之日起实施。
六、具体措施1. 建立健全安全生产责任制,明确各级人员的安全职责。
2. 制定详细的安全操作规程,规范员工操作行为。
液氨制冷企业安全操作规程一、前言二、涉氨制冷企业安全操作规程1.安全管理制度2.生产现场安全操作规程3.应急预案4.安全教育和培训三、结语前言:涉氨制冷企业是指在生产、制造、储存、运输和使用过程中,涉及到氨气的企业。
由于氨气具有毒性、易燃、易爆等特点,因此涉氨企业的安全操作规程至关重要。
涉氨制冷企业安全操作规程:1.安全管理制度涉氨企业应建立健全安全管理制度,包括安全责任制、安全生产管理制度、安全检查制度、事故报告制度、安全奖惩制度等。
同时,应指定专人负责安全管理工作,确保安全管理制度的有效实施。
2.生产现场安全操作规程涉氨企业应制定生产现场安全操作规程,明确涉氨作业人员的职责、操作规范、安全防范措施等。
同时,应设置安全警示标志、安全防护设施等,确保生产现场的安全。
3.应急预案涉氨企业应制定应急预案,明确各级人员的职责和应急措施,确保发生事故时能够迅速有效地进行应对。
应急预案应定期演练,不断完善。
4.安全教育和培训涉氨企业应定期开展安全教育和培训,提高涉氨作业人员的安全意识和应急处置能力。
同时,应对新员工进行安全培训,确保新员工能够熟悉涉氨企业的安全操作规程。
结语:涉氨企业的安全操作规程是保障员工生命财产安全的重要措施,企业应严格按照规程执行,确保安全生产。
同时,应不断完善和提高安全管理水平,为员工提供更加安全的工作环境。
一、制冷压缩机操作规程制冷压缩机是制冷系统中最重要的设备之一,它的正常运行对于整个制冷系统的稳定运行至关重要。
因此,制冷压缩机的操作规程必须得到严格遵守。
操作前,必须先检查压缩机的各项参数是否正常,包括油位、冷却水流量、电源电压等。
操作时,应保持压缩机周围的环境清洁,避免灰尘进入设备。
操作人员必须熟悉压缩机的运行原理和各个部件的作用,严禁未经培训的人员擅自操作。
在运行过程中,需定期检查压缩机的运行状态,包括压力、温度等参数是否在正常范围内。
若发现异常情况,应及时停机检修。
同时,应注意保持压缩机的润滑和冷却系统的正常工作,定期更换润滑油和冷却水。
AQ 7015-2018 氨制冷企业安全规范1.范围本标准规定了氨制冷企业的安全要求,包括厂区建设、制冷系统及作业场所的安全设施、运行、维护、应急救援和安全管理等方面。
本标准适用于采用以氨为制冷剂的直接制冷系统及以氨为制冷剂、无相变介质为载冷剂的间接制冷系统的制冷企业。
采用其他制冷剂的企业可参照执行。
2.规范性引用文件本标准引用了多个规范性文件,包括GB/T、GB、GBT、SBJ等,这些文件对本标准的应用是必不可少的。
3.术语和定义本标准中使用的术语和定义包括液体无水氨、安全色、安全标志、个体防护装备、呼吸防护用品、冷库安全规程、安全生产事故应急预案编制导则、危险化学品单位应急救援物资配备要求、建筑设计防火规范、冷库设计规范、工业企业平面设计规范、消防给水及消火栓系统技术规范、工作场所职业病危害警示标识、冷藏库建筑工程施工及验收规范、氨制冷系统安装工程施工及验收规范等。
4.基本要求氨制冷企业应当建立健全安全管理制度,明确安全生产责任和管理体系。
企业应当制定安全生产规章制度,明确作业人员的安全生产责任和操作规程。
企业应当建立健全安全生产教育培训制度,加强作业人员的安全生产教育培训,提高作业人员的安全意识和技能。
企业应当加强对制冷系统的监测和维护,确保制冷系统的正常运行和安全性能。
企业应当加强对氨制冷设备的管理和维护,确保设备的安全运行和有效性能。
企业应当建立健全应急救援预案,提高应急救援能力和水平。
5.建设要求氨制冷企业应当按照相关规范和标准,进行良好的厂区建设和布局,确保厂区的安全性和合理性。
企业应当合理设置制冷系统和作业场所,确保制冷系统和作业场所的安全性和有效性能。
企业应当按照相关规范和标准,建立健全氨制冷设备的安装和验收制度,确保设备的安全性能和有效性能。
6.设备设施要求氨制冷企业应当按照相关规范和标准,选用符合要求的氨制冷设备和配件,确保设备的安全性能和有效性能。
企业应当加强对氨制冷设备的维护和保养,确保设备的正常运行和安全性能。
涉氨制冷企业安全隐患整治指南涉氨制冷是一种常见的工业制冷技术,但由于涉及到氨气,其安全隐患也较高。
为了保障涉氨制冷企业的安全运行,对安全隐患进行整治非常必要。
下面是一份涉氨制冷企业安全隐患整治指南,旨在帮助企业管理者更好地规范和管理涉氨制冷系统,确保运行安全。
一、建立完善的安全管理体系:1.指定责任人:企业应指定专人负责涉氨制冷系统的安全管理工作,明确其权力和责任。
2.建立安全管理制度:制定并执行涉氨制冷的安全管理制度,包括安全责任、操作规程、事故应急预案等。
3.安全培训宣传:进行定期的涉氨制冷安全培训,提高从业人员的安全意识和操作技能,确保能够正确应对紧急情况。
二、排查涉氨制冷系统的安全隐患:1.检查管道系统:定期检查氨气管道系统,包括检查管道连接件是否松动、渗漏等情况,并及时进行维修和更换。
2.检查设备状态:保持涉氨制冷设备的良好状态,定期检查压缩机、冷凝器、蒸发器等关键设备是否正常运行,防止设备故障引发事故。
3.检查控制系统:确保涉氨制冷的控制系统正常运行,包括检查温度传感器、压力传感器等控制设备的准确性和稳定性。
4.预防火灾:采取防火措施,如安装温度传感器、烟感探测器等设备,并保持消防器材的完好,确保及时有效的灭火能力。
三、事故应急预案和演练:1.制定应急预案:制定涉氨制冷系统事故应急预案,明确各岗位人员的责任和行动步骤,确保事故处理的及时性和有效性。
2.演练与培训:定期进行涉氨制冷系统事故应急演练和培训,提高从业人员的应急处理能力,熟悉应急预案的执行步骤。
四、加强日常维护和保养:1.定期维护保养:制定涉氨制冷设备的定期维护保养计划,包括清洗管道、更换滤网、添加润滑剂等,确保设备的正常运行。
2.管理维修记录:建立和管理涉氨制冷设备的维修记录,记录设备的维修情况、维修日期和维修人员等信息,以便于及时查阅和分析设备运行状态。
请注意,上述整治指南只是基本的指导,实际整治工作需要根据不同企业的实际情况进行详细制定。
氨制冷企业生产规范简介本文档旨在为氨制冷企业提供生产规范,以确保安全、高效、环保的生产过程。
氨制冷是一项复杂的工艺,因此良好的生产规范至关重要。
1. 安全要求1.1 氨制冷企业应建立健全的安全管理制度,明确责任和权限。
1.2 工作场所应符合相关安全标准,保证员工的人身安全。
1.3 氨气泄漏的预防和处理应采取相应措施,包括安全检测装置的安装和员工的培训。
1.4 定期进行安全演练,提高员工的应急处理能力。
2. 生产环境要求2.1 生产车间应符合相关要求,具备良好的通风和排气系统。
2.2 生产设备和工具应定期进行检修和维护,确保其正常运行。
2.3 生产原料的储存和使用应符合相关规定,避免造成污染和安全隐患。
2.4 废弃物的处理应符合环保法规,采取合理的处理方式。
3. 生产流程要求3.1 生产过程中应严格遵守操作规程,确保操作的准确性和稳定性。
3.2 生产数据应及时记录和保存,方便对生产过程进行追溯和分析。
3.3 检测设备的校准和维护应定期进行,确保测试结果的准确性。
3.4 生产过程中应加强质量控制,保证产品符合相关标准和要求。
4. 人员培训要求4.1 新员工应进行岗位培训,并通过考核合格后方可上岗。
4.2 全体员工应定期进行安全和操作培训,提高工作技能和安全意识。
4.3 进行定期的知识更新培训,保持员工的专业知识水平。
5. 环保要求5.1 生产过程中应减少废气、废水和固体废物的排放,尽量采用循环利用和资源回收的方式。
5.2 定期进行环保设施的维护和检修,确保其正常运行。
5.3 提倡节能减排措施,降低对环境的影响。
总结氨制冷企业应遵循本文档所述的生产规范,从而确保安全、高效、环保的生产过程。
同时,企业还应根据实际情况制定和完善相应的管理制度和措施,以不断提升生产质量和企业竞争力。
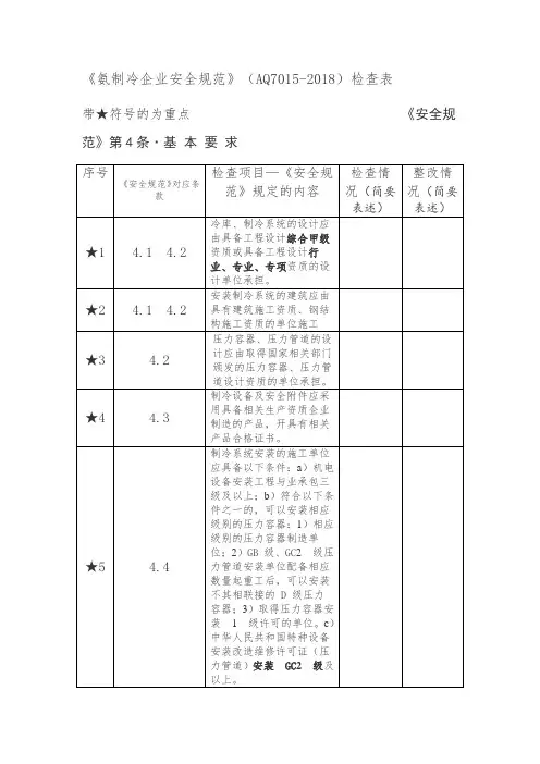
氨制冷企业平安标准1范围本标准规定了氨制冷企业平安要求〔包括厂区建设,制冷系统及作业场所的平安设施、运行、维护、应急救援和平安治理等〕.本标准适用于采用以氨为制冷剂的直接制冷系统及以氨为制冷剂、无相变介质为载冷剂的间接制冷系统的制冷企业,采用其他制冷剂的企业可参照执行.2标准性引用文件以下文件对于本文件的应用是必不可少的.但凡注日期的引用文件,仅所注日期的版本适用于本文件.但凡不注日期的引用文件,其最新版本〔包括所有的修改单〕适用于本文件.GB 536液体无水氨GB 2893平安色GB2894平安标志及其使用导那么GB 7231工业管道的根本识别色、识别符号和平安标识GB/T 11651个体防护装备选用标准GB/T 18664呼吸防护用品的选择、使用与维护GB 28009冷库平安规程GB/T 29639生产经营单位平安生产事故应急预案编制导那么GB 30077危险化学品单位应急救援物资配备要求GB 50016建筑设计防火标准GB 50072冷库设计标准GB 50187工业企业平面设计标准GB 50974消防给水及消火栓系统技术标准GBZ 158工作场所职业病危害警示标识SBJ 11冷藏库建筑工程施工及验收标准SBJ 12氨制冷系统安装工程施工及验收标准3术语和定义以下术语和定义适用于本文件.3.1制冷系统 refrigeration system通过压缩机、冷凝器、节流阀、蒸发器等设备,以管道、阀门、密封件等连接,制冷剂在该封闭的系统内完成制冷循环的系统.3.2直接制冷系统 direct-type refrigeration system制冷系统的蒸发器与被冷却介质直接接触,到达直接冷却效果的制冷系统.指压缩机吸入从蒸发器出来的较低压力的制冷剂蒸汽,使之压力升高后送入冷桶器:在冷凝器中冷凝成压力较高的液体,经节流阀节流.成为压力较低的液体后,送入蒸发器,在蒸发器中吸热蒸发〔制冷〕而成为压力较低的蒸汽,再送入压缩机的入口,从而完成制冷循环.3.3间接制冷系统 indirect-type refrigeration system液体载冷剂在制冷系统中被制冷剂冷却,然后输送到被冷却〔或冷冻〕物质〔或空间〕中循环,或者冷却流过被冷却的物质〔或空气〕的制冷系统.3.4快速冻结装置 quick-freezing plant将被冷冻产品的温度快速降低并顺利通过其最大冻结冰晶区域的冻结装置.4根本要求4.1氨制冷工程工程,应根据国家有关法律、法规和标准、标准的要求进行设计、施工及工程验收.4.2氨制冷企业相关工程的设计应由具备相应资质等级的单位承当.其中冷库〔冷藏库〕、制冷系统设计应由具备工程设计综合甲级资质或具备工程设计行业、专业、专项资质的单位承当:压力容器、压力管道的设计应由取得国家质量监督检验检疫总局颁发的压力容器、压力管道设计资质的单位承当.43制冷设备及平安设施应采用具备相关生产资质企业制造的产品,并具有相关产品合格证书.4.4制冷系统安装,施工单位应由具备以下条件:a〕机电设备安装工程专业承包三级及以上;b〕符合以下条件之一的,可以安装相应级别的压力容器:1〕相应级别的压力容器制造单位.2)GB级、GC2级压力管道安装单位配备相应数量起重工后,可以安装与其相联接的D级压力容器.3〕取得压力容器安装1级许可的单位.c〕中华人民共和国特种设备安装改造维修许可证〔压力管道〕安装GC2级及以上.4.5工程质量应符合SBJ11、SBJ12等相关标准标准的要求.4.6平安设施应根据“三同时〞要求与主体工程同时设计、同时施工、同时投入生产和使用.4.7企业应根据淘汰落后产能政策,淘汰落后的制冷工艺和设备设施.4.8厂区内应完善防火、防爆、防氨泄漏.以及通风、事故照明等平安举措.4.9压力容器和压力管道等特种设备作业人员应持有相应的操作资质,并熟悉设备性能,遵守操作规程,避免设备超负荷、带故障运行.4.10压力容器、压力管道、平安阀件〔压力表、平安阀等〕、平安设施等应由具有相关资质的检验机构定期校验,并出具有效检测合格报告,不具备有效检测合格报告和不符合平安生产条件的设备设施应及时更换.4.11厂区、生产车间、制冷机房、库房及制冷系统应根据GB2893、GB2894、GB7231, GBZ 15& SBJI2标准条款要求,设立相应的平安标识.4.12制冷系统氨充注量大于等于10t的企业,应根据危险化学品重大危险源进行治理.5建设要求5.1厂区规划、建设应符合 GB 28009、GB 50016、GB 50072、GB 50187、SBJ 11, SBJ 12 标准标准的要求.5.2涉氨制冷车间、库房之间及与其他建筑的防火间距应符合GB50016的规定.5.3涉氨制冷厂区、库区应按GB 50016、GB 50974的有关要求设置室外消防给水系统,并按规定要求设置一定数量的室外消火栓,其保护半径不应小于150m.在氨压缩机房和设备间〔靠近贮氨器处〕应设置室外消火栓,室外消火栓型式可为地下式消火栓或地上式消火栓,并应与氨压缩机房和设备间〔靠近贮氨器处〕门口保持一定的平安距离,其距离不宜小于5m,并不大于15m.5.4冷库的库房与加工车向贴邻建造时,应采用防火墙分隔.当确需开设相互连通的人行开口时,应采取防火隔间举措进行分篇.5.5冷库库房内的消火栓应设置在穿堂或楼梯间内,当其环境温度低于0℃时,室内消火栓系统可采用干式系统,但应在首层入口处设置快速接口和止回阀,管道最高处应设置自动排气阀.5.6冷间内动力、照明、限制线路应根据不同的冷间温度霎求,近甲适用的耐低温的铜芯电力电缆.5.7员工宿舍不应与氨制冷机房、冷库或其他厂房、仓库设置在同一座建筑物内.5.8包装间、分割间、产品整理间等人员较多的生产场所的空调系统不应采用氨直接蒸发制冷系统.5.9快速冻结装置应设置在单独的作业间内,作业间应结构完整,且作业间内同一时间作业人员人数不应超过9人.5.10氨制冷机房建设要求:a〕氨制冷机房应根据GB50016的规定设置消防车道,消防车道净宽〔度〕与净〔空〕高〔度〕均不应小于4m.b〕氨制冷机房火灾危险性类别为乙类.氨制冷机房与其它建筑的防火间距应符合GB50016的规定,与民用建筑的防火间距不应小于25m.c〕氨制冷机房及其限制室与加工间、冷库或仓库库房贴邻建造时,应采用不开门窗洞口的防火墙分隔,且氨制冷机房及其限制室屋面板耐火极限不应低于l.OOh.d〕氨制冷机房与其限制室贴邻建造时,应采用耐火极限不低于3.00h的防火隔墙隔开和设置独立的平安出口.氨制冷机房与其限制室之间隔墙上的观察窗应为甲级固定防火窗:当确需设置连通门时,应采用开向制冷机房的甲级防火门.e〕氨制冷机房每个防火分区不应少于2个平安出口,且两个平安出口最近边缘之间的水平距离应不小于5m.当氨制冷机房每个防火分区的面积不大于150m2时,可设置一个平安出口.f〕氨制冷机房及其限制室和变配电所平安出口的门应采用平开门,并向疏散方向开启.g〕氨制冷机房应设置防爆型事故排风机,排风量应按设计要求确定.在限制室排风机限制柜上和制冷机房门口外墙上应安装人工启停限制按钮,排风机应能通过气体浓度报警装置的报警信号自动开启,又能人工控制启停.h〕氨制冷机房内的应急照明和灯光疏散指示标志应按爆炸性气体环境进行设计,应急照明和灯光疏散指示标志备用电源的连续供电时间不应小于0.5h.5.11变配电所与氨制冷机房及其限制室、冷库或加工车间贴邻建造时,其共用的隔墙应为防火墙.变配电室门口应设置挡板,门、窗、自然通风的孔洞用金属网和建筑材料封闭.5.12制冷及辅助设备、报警装置布置要求:氨制冷机房的制冷压缩机及其辅助设备布置,应符合GB 50072的相关规定.总容积大于30m2的室外液氨储罐〔区〕与基地外建筑等的防火间距应符合附录A的要求.c〕制冷系统加氨站应设在机房外,并留有足够的操作空间和通畅的应急通道.d〕设于室外的氨制冷机组、贮氨器应有通风口好的遮阳设施.e〕设于室外的贮氨器、冷凝器、油别离器、集油器假设制冷设备及加氨站应有预防非操作人员进入的围栏并设危险作业场所等平安警示标识.f〕安装有氨制冷快速冻结装置的作业间内应设置防爆型事故排风说及氨气浓度报警装置.事故排风机排风量应按设计要求确定.氨气浓度传感器应安装在快速冻结装置进、出料口处的上方.当氨气浓度到达150X10-6ml/m3氨气浓度报警装置应自动发出声光报警信号,并应自动开启防爆型事故排风机,自动停止成套快速冻结装置的运行,漏氨信号应同时传送至制冷机房限制室报警.g〕氨制冷机房应设置氨气浓度报警装置.氨气浓度传感器应安装在氨制冷机组、氨泵及贮氨器的上方.当空气中氨气浓度到达150xl0-6ml/m3时,应自动发出报警信号,并应自动开启制冷机房内的防爆型事故排风机. h〕冷凝器应设冷凝压力超压报警装置.水冷冷凝器应设断水报警装置:蒸发式冷凝器应增设压力表、平安阀及风机故障报警装置.5.13氨制冷系统及其阀门、管道安装要求:a〕新建〔含改、扩建〕氨制冷系统的热氨融霜应采用自动限制融霜.热氨融霜供气管道应设置融霜压力控制及紧急迫断装置;热氨融霜紧急迫断装置应采用自动限制,并在人员密集区域需融霜的制冷装置〔如快速冻结装置〕30m以外便于操作的位置或快速冻结装置附近的平安出口门外设置关闭热氨融霜紧急迫断装置的人工启动按钮.b〕氨制冷系统应采用专用钢制阀门,不应使用灰铸铁阀门.已建成投产的制冷系统假设采用球墨铸铁阀门的, 应符合压力管道平安技术规标准要求.c〕氨制冷系统平安阀的泄压管出口应高于周围50m范围内最高建筑物〔冷库除外〕的屋脊5m,并应采取预防雷击、预防雨水和杂物落入泄压管内的举措.d〕氨管道不应穿过有人员办公、休息和居住的建筑物及人员密集场所.e〕制冷管道穿过建筑物的沉降缝、伸缩缝、墙及楼板时,应采取防变形的举措.0管道、线缆等穿过保温墙体、屋面时,应采取可靠的防火和预防产生冷桥的举措.g〕连接氨制冷压缩机和设备的管道应有足够补偿变形的弯头,供液管无气囊、吸气管无液囊.h〕快速冻结装置回气集管端部封头等部位的焊缝质量应符合SBJ12及相关标准的要求.6设备设施要求6.1氨制冷设备应统一编号;标识清楚:并应由专人治理、且分工明确、责任清楚.6.2企业应建立健全氨制冷设备治理和操作规程.6.3在用、备用氨制冷设备、附件及相关限制元件和铭牌等应完好.6.4氨制冷压缩机组应符合但不限于以下要求:a〕本体及管路的动、静密封点应无泄漏,油封海油应在允许范围内;b〕运行时,应无异常振动和异常声音,各连接部位应牢固、无松动;c〕运行时,其性能参数应在规定的技术范围内,无超压、超温现象等;d〕平安保护装置应齐全有效;e〕铭牌应清楚可见.6.5压力容器应符合但不限于以下要求:a〕应保证其密封性,无变形、锈蚀等损伤,根底无裂缝和不均匀沉降:b〕附件应齐全,安装正确,连接牢固,性能良好;c〕铭牌应清楚可见.6.6冷凝器应符合但不限于以下要求:a〕应无泄漏、锈蚀和结垢;壳体外表应无锈蚀、渗漏;b〕运行参数应正常,性能稳定可靠;c〕平安附件及保护装置应齐全有效;d〕蒸发式冷凝器循环水泵应无锈蚀、无裂痕、无异常振动、密封垫无泄漏,运行平稳;风机连接紧固、运转正常;电气线缆连接符合要求.e〕铭牌应清楚可见.6.7空气冷却器〔冷风机〕应符合但不限于以下要求:a〕应无泄漏、锈浊;b〕风机应连接紧固、转动灵活、无卡阻;c〕使用期间,蒸发器霜层应均匀,不应过厚或出现结冰现象;d〕铭牌应清楚可见.6.8排管应符合但不限于以下要求:a〕吊架应牢固、无松动;b〕使用期间,霜层应均匀,不应过厚或出现结冰现象.6.9氨泵及其密封件应可靠有效,无跑、冒、滴、漏现象.6.10阀门应符合但不限于以下要求:a〕内外密封部位及连接久应无滴漏;b〕开闭应灵活,各部件连接紧即可靠,关键阀门应标示正确的开闭及开度指示;c〕编号应制式统一,各种标识清楚可靠;d〕平安阀应在校验有效期内,且铅封完好.6.11氨压力表应符合但不限于以下要求:a〕应在校验有效期内,且功能完好,表外壳外观整洁,表体铅封未损坏;b〕表盘玻璃应完整,表盘刻度应清楚.6.12氨浓度报警装置及氨气浓度传感器应符合但不限于以下要求:a〕应在校验有效期内.化学式氨气浓度传感器,发生报警信号后,应及时进行校验.b〕外观应良好,结构应完整,标牌信息应清楚.c〕附件应齐全,并附有制造厂家相关文件.d〕连接应可靠,各旋钮或按键等应能正常操作.e〕通电时,各部件工作应正常,显示清楚、正确,性能良好.6.13应急照明应符合但不限于以下要求:a〕灯具及其配件应齐全,无机械损伤、变形、油漆剥落、灯罩破裂和漏电等缺陷.b〕灯具固定牢固可靠.6.14防爆型事故排风机应符合但不限于以下要求:a〕外观应良好,结构应完整,标牌信息应清楚.b〕叶片应无弯曲变形或缠绕有金属物、松动等现象.c〕叶轮转动应平稳.6.15限制箱、柜以及电气元器件、线缆等应完好无损,电气线路接线应标准可靠,预防发生短路现象.7平安设施要求7.1厂区内显著位置应设风向标.风向标应置于便于人员观看的位置.7.2氨气浓度报警装置及氨气浓度传感器的安装位置应符合GB 50072及5.12.6-5.12.7的规定,并保证其处于正常工作状态.73构成重大危险源的制冷系统应在制冷机房和安装有快速冻结装置的加工车间等场所设置视频监控报警系统.监控信号应满足异地调用的需求,并具备信息远传、连续记录、信息存储等功能,记录的电子数据的保存时间不应少于30d.7.4安装有氨制冷设备的制冷机房、设备间、库房、车间等均应在明显位置设置警示标识和中文警示说明. 警示说明应载明产生职业中在危害的种类、后果、预防和应急救治举措等内容.并应在进入该房间或区域前, 设置“非专业操作人员免进〞警示牌.7.5制冷系统加氨站、集油器放油口、调节站操作您组、紧急泄氨器、空气别离器、贮氨器、配电柜等关键操作部位应设置指导操作用标示牌.7.6构成重大危险源的企业,应在液氨使用区域明显位置悬挂〃重大危险源平安警示牌〞.7.7制冷压缩机的平安设施应符合出厂配置及系统设计要求,并保证完好有效.7.8制冷系统用压力容器、加氨站集管,以及氨液体、气体分配站集管和空气别离器的回气管,均应安装氨专用压力表.安装位置距操作者直线距离不应超过3m,且应清楚可见.压力表选用精度应符合以下规定: a〕位于制冷系统高压侧的压力表或真空压力表不应低于1.5级.b〕位于制冷系统低压侧的真空压力表不应低于2.5级.c〕压力表或真空压力表的量程不得小于工作压力的1.5倍,不得大于工作压力的3倍.7.9压力容器液位计应有保护装置,显示面应无损且清洁、有效;安装位置应便于操作人员观察.液位计最高和最低液位应有明显标记.7.10企业应根据GB/T 11651要求,配备一定数量的个体防护装备.制冷机房应配备日常检维修作业所需的有效的防护器具,过滤式防毒面具〔氨气专用滤毒罐、隔离式防护服〕、橡胶手套、胶靴、化学平安防护眼镜,应满足在岗人员一人一具.构成重大危险源的企业应根据GB30077的规定,至少配备两套正压式空气呼吸器、化学防护服.7.11制冷机房限制室应配备适量保质期内的酸性饮料或食醋、2%硼酸溶液、生理盐水等应急抢救物品.7.12平安出口及平安门和平安通道应保持畅通无阻.8制冷系统运行要求8.1制冷系统运行应根据设备及系统操作规程进行.8.2制冷压缩机、冷凝器、冷风机、氨泵、载冷剂泵、冷却水泵、冷却塔风机等设备及系统内相关阀件、控制元器件、限制系统等应正常工作.8.3运行过程中,应及时调整制冷系统运行参数〔温度、压力、液位、流量等〕,使其符合降温条件要求. 8.4制冷压缩机运行应符合以下要求:a〕应符合其使用条件的要求.b〕制冷压缩机及制冷系统的运行参数的设定值如需调整,应由熟知该机器及系统功能的企业特定专业人员进行.c〕运行参数及平安设施状态的记录周期不应超过2h.d〕运转过程中,应无异常响声振动和机体结霜现象.8.5压力容器及压力管道运行应符合以下要求:a〕贮氨器液位高度不应高于其径向高度的80%.b〕低压循环储液桶、氨液别离器、排液桶的存液量不应超讨容器容积的2/3,且液位高度不应超过高液位报警线.c〕中间冷却器的液面应保持在设计液位的高度,液位超过设计液位高度时,应及时进行排液处理.d〕管道应随班巡检,发现损坏及缺陷应及时修复.8.6阀门操作应符合以下要求:a〕应根据系统运行要求操作阀门.b〕正常运行时,压力表阀、液面指示器阀、液面计两端的弹子阀等应处于开启状态,并保证正确显示相应数值与液位高度.c〕非相应操作过程,设备上的放油阀、加压阀、手动放空气阀、热氨融霜阀、融霜排液阀等应处于关闭状态.8.7热氨融霜操作应符合以下要求:a〕手动热氨融霜应根据企业特有的操作规程进行.b〕热氨融霜前.应仔细检查接收融霜冷凝液体容器内的液面高度和压力,使其处于准备工作状态.c〕热氨融霜前应将相应待融霜蒸发器及回气管路内的氨液进行有效回收,管壁温度缓慢上升前方可进行. d〕热氨融霜前,应疏散相应蒸发器附近区域内与融霜操作无关的人员.e〕手动热氨融霜时,应缓慢分步开启热氨融霜阀门,融霜压力不应超过0.8MPa.f〕采用自动热氨融霜系统时,应根据设定的平安程序进行,变更设定值应进行相应的论证,并由企业特定专业人员进行.8.8系统放油操作时,应由两名操作人员协同根据操作规规程进行.8.9制冷系统液氨充注与排出应符合以下要求:a〕应根据操作规程进行.b〕所用连接件的耐压强度应大于3.0MPa,与其相接的管头应有防滑沟槽,不应使用软管连接.c〕应根据应急专项预案做好应急准备,现场防护用具和应急救援物资应准备到位,并应划分平安区域,设置隔离标志和女全警示牌,非操作人员不应进入该区域.d〕所用氨瓶或氨槽车应符合相关判定要求.操作前,应对氨槽车或氨瓶进行外观检查无缺陷,瓶体钢印标志应齐全、清楚无误,平安附件应齐全、无损坏,检验期限应在有效期内等.c〕充注的液氨应采用符合GB536规定的液株无永氨要求,氨含量应到达99.8%以上.f〕每次液氨充注与排出操作应进行计量记录,并应由操作负责人、操作人员、称重人员和检查人员签字存档.g〕液氨充注与排出完成后,氨瓶/槽车应按操作程序完成与系统的别离,井妥善清理现场为正常工作状态.9设备设施维护要求9.1设备设施应及时维护,保证其处于良好运行状况.9.2长时间停用的设备设施,启用前应进行全面检查,符合运行要求前方可投入使用.9.3制冷系统中的压力容器、压力管道、平安阀、压力表、平安附件、平安保护装置及有关附属仪器应完整、齐全、有效,并应定期校验/检测,符合要求者方可使用.校验/检测报告应存档备查.9.4防爆型事故排风机应定期维护检修,并做好相关记录,保证其运行正常.9.5防雷设施应定期检测.9.6配备的防护器具和抢救药品等应急救援物资应由专人保管、摆放整洁、取用便捷,并应根据治理规章进行日常检查、定期校验和维护保养.9.7呼吸防护用品的选择、使用与维护应符合GB/T 18664的规定.9.8制冷机房内不放存放可燃物,不应使用明火、电炉等.9.9检修维护作业时,应根据操作规程进行.高温热源、电气焊、机械切割等产生火花的作业应与保温材料、易燃品进行有效隔离.9.10制冷设备和管道应根据GB 2893和SBJ 12的要求涂刷色漆或粘贴色标,并标注设备和管道内介质类别和流向等.10平安生产治理要求10.1组织机构及人员10.1.1企业应设置平安生产治理机构或配备相应的平安生产治理人员.企业主要负责人和平安生产治理人员应具备相应的平安生产知识和治理水平.10.1.2业应每年至少1次对平安生产规章制度、操作规程和平安生产事故应急救援等文件的适宜性、有效性和执行情况进行评估,并根据评估结果、平安校查及事故情况等及时修订.10.1.3涉及危险化学品重大危险源的企业应执行相关国家法规、标准、标准的规定.10.1.4企业应对从业人员进行三级平安教育,保证从业人员具备必要的平安生产知识,熟悉有关的平安生产规章制度和平安操作规程,掌握本岗位的平安操作技能.10.1.5氨制冷系统操作人员应持证上岗.持特种作业操作证〔制冷与空调作业〕人员每个制冷机房每班组应不少于1人,持特种设备作业人员证〔压力客器R1、压力管道巡检维护D1〕人员应不少于1人,持“制冷设备维修工〞或“制冷工〞三级以上〔含三级〕的职业资格的特种设备操作人员应不少于1人.10.1.6氨制冷系统操作人员应遵守交接班制度,对机房、设备间等专业作业场所论班值守.10.1.7氨制冷系统操作人员应根据相关操作规程进行操作,并每间隔2h以内记录当班生产及机器运转、液位、压力、温度等情况.10.1.8氨制冷系统操作人员应能熟练使用平安生产工具、劳动防护用品和应急救援装备.10.1.9氨制冷系统操作人员应具有发现事故隐患及有效处理隐患的水平.10.1.10氨制冷系统特种作业人员及企业员工发现事故隐患或者其他不平安因素.应立即向平安生产治理人员和单位有关负责人报告.10.2档案治理10.2.1企业应建立,但不限于以下文件,并永久保存.a〕与现有建筑、制冷系统对应有效的设计图纸、变更文件等;b〕在用特种设备采购合同、设计文件、产品质量合格证实、使用维护说明、检测检验报告等;c〕在用制冷设备产品合格证和使用说明书;d〕施工合同、竣工图纸、验收报告等;e〕平安治理制度包括:平安生产责任制度;平安生产教育和培训制度;平安检查治理制度;平安生产事故隐患排查治理;应急治理制度;设备设施平安治理制度;交接班制度;巡检制度;作业环境氨浓度检测制度;设备维护保养制度;消防设施维护保养、防护器材和劳保用品配备和治理制度等;e〕结合企业特有的生产流程及制冷系统特点编制相关平安生产风险公告、生产技术规程、平安操作规程、平安技术规程和制冷系统操作规程等.制冷系统操作规程包括:制冷压缩机及制冷系统辅助设备〔冷凝器、贮氨器、蒸发器以及系统个性化配置的油冷却器、中间冷却器、氨液别离器、低压循环储液桶、集油器、排液桶、空气别离器、氨泵等〕操作规程、压力管道操作规程、制冷系统融甫操作规程、制冷系统加氨操作规程和制冷系统加/放油操作规程;快速冻结装置操作规程;电气平安操作规程等;f〕氨泄漏、火灾、触电、断水、有限空间中毒窒息等事故处置方案.10.2.2企业应建立,但不限下以下记录,并保存3年以上.a〕制冷系统的设计、安装、调试、维修、变更、隐患排查、事故等情况记录;b〕制冷系统准确、真实的运行记录,每间隔2h以内记录1次;c〕特种设备应根据?中华人民共和国特种设备平安法?建立以下记录;1〕特种设备的定期检验和定期自行检查记录;2〕特种设备的日常使用状况记录;3〕特种设备及其平安附件、平安保护装置、测量调控装置及有关附属仪器仪去的检验报告和日常维护保养记录;4〕特种设备、系统运行及故障和事故记录.d〕制冷系统压力容器的压力、液位等数据记录;11 e〕企业务项治理制度的运行记录: f〕平安生产教育和培训的时间、内容、参加人员以及考核结果等情况的记。
氨制冷企业安全规范1范围本标准规定了氨制冷企业安全要求(包括厂区建设,制冷系统及作业场所的安全设施、运行、维护、应急救援和安全管理等)。
本标准适用于采用以氨为制冷剂的直接制冷系统及以氨为制冷剂、无相变介质为载冷剂的间接制冷系统的制冷企业,采用其他制冷剂的企业可参照执行。
2规范性引用文件下列文件对于本文件的应用是必不可少的。
凡是注日期的引用文件,仅所注日期的版本适用于本文件.凡是不注日期的引用文件,其最新版本(包括所有的修改单)适用于本文件。
GB 536液体无水氨GB 2893安全色GB2894安全标志及其使用导则GB 7231工业管道的基本识别色、识别符号和安全标识GB/T 11651个体防护装备选用规范GB/T 18664呼吸防护用品的选择、使用与维护GB 28009冷库安全规程GB/T 29639生产经营单位安全生产事故应急预案编制导则GB 30077危险化学品单位应急救援物资配备要求GB 50016建筑设计防火规范GB 50072冷库设计规范GB 50187工业企业平面设计规范GB 50974消防给水及消火栓系统技术规范GBZ 158工作场所职业病危害警示标识SBJ 11冷藏库建筑工程施工及验收规范SBJ 12氨制冷系统安装工程施工及验收规范3术语和定义下列术语和定义适用于本文件。
3.1制冷系统 refrigeration system通过压缩机、冷凝器、节流阀、蒸发器等设备,以管道、阀门、密封件等连接,制冷剂在该封闭的系统内完成制冷循环的系统。
3.2直接制冷系统 direct-type refrigeration system制冷系统的蒸发器与被冷却介质直接接触,达到直接冷却效果的制冷系统。
指压缩机吸入从蒸发器出来的较低压力的制冷剂蒸汽,使之压力升高后送入冷桶器:在冷凝器中冷凝成压力较高的液体,经节流阀节流。
成为压力较低的液体后,送入蒸发器,在蒸发器中吸热蒸发(制冷)而成为压力较低的蒸汽,再送入压缩机的入口,从而完成制冷循环。
3.3间接制冷系统 indirect-type refrigeration system液体载冷剂在制冷系统中被制冷剂冷却,然后输送到被冷却(或冷冻)物质(或空间)中循环,或者冷却流过被冷却的物质(或空气)的制冷系统。
3.4快速冻结装置quick-freezing plant将被冷冻产品的温度快速降低并顺利通过其最大冻结冰晶区域的冻结装置。
4基本要求4.1氨制冷工程项目,应按照国家有关法律、法规和标准、规范的要求进行设计、施工及工程验收。
4.2氨制冷企业相关工程的设计应由具备相应资质等级的单位承担。
其中冷库(冷蔵库)、制冷系统设计应由具备工程设计综合甲级资质或具备工程设计行业、专业、专项资质的单位承担:压力容器、压力管道的设计应由取得国家质量监督检验检疫总局颁发的压力容器、压力管道设计资质的单位承担。
43制冷设备及安全设施应釆用具备相关生产资质企业制造的产品,并具有相关产品合格证书。
4.4制冷系统安装,施工单位应由具备以下条件:a)机电设备安装工程专业承包三级及以上;b)符合以下条件之一的,可以安装相应级别的压力容器:1)相应级别的压力容器制造单位。
2)GB级、GC2级压力管道安装单位配备相应数量起重工后,可以安装与其相联接的D级压力容器。
3)取得压力容器安装1级许可的单位。
c)中华人民共和国特种设备安装改造维修许可证(压力管道)安装GC2级及以上。
4.5工程质量应符合SBJl1、SBJ12等相关标准规范的要求。
4.6安全设施应按照“三同时”要求与主体工程同时设计、同时施工、同时投入生产和使用。
24.7企业应按照淘汰落后产能政策,淘汰落后的制冷工艺和设备设施。
4.8厂区内应完善防火、防爆、防氨泄漏.以及通风、事故照明等安全措施。
4.9压力容器和压力管道等特种设备作业人员应持有相应的操作资质,并熟悉设备性能,遵守操作规程,避免设备超负荷、带故障运行。
4.10压力容器、压力管道、安全阀件(压力表、安全阀等)、安全设施等应由具有相关资质的检验机构定期校验,并出具有效检测合格报告,不具备有效检测合格报告和不符合安全生产条件的设备设施应及时更换。
4.11厂区、生产车间、制冷机房、库房及制冷系统应按照GB2893、GB2894、GB7231, GBZ 158、 SBJI2标准条款要求,设立相应的安全标识。
4.12制冷系统氨充注量大于等于10t的企业,应按照危险化学品重大危险源进行管理。
5建设要求5.1 厂区规划、建设应符合 GB 28009、GB 50016、GB 50072、GB 50187、SBJ 11, SBJ 12 标准规范的要求。
5.2涉氨制冷车间、库房之间及与其他建筑的防火间距应符合GB50016的规定。
5.3涉氨制冷厂区、库区应按GB 50016、GB 50974的有关要求设置室外消防给水系统,并按规定要求设置一定数量的室外消火栓,其保护半径不应小于150m.在氨压缩机房和设备间(靠近贮氨器处)应设置室外消火栓,室外消火栓型式可为地下式消火栓或地上式消火栓,并应与氨压缩机房和设备间(靠近贮氨器处)门口保持一定的安全距离,其距离不宜小于5m,并不大于15m。
5.4冷库的库房与加工车向贴邻建造时,应采用防火墙分隔.当确需开设相互连通的人行开口时,应采取防火隔间措施进行分篇。
5.5冷库库房内的消火栓应设置在穿堂或楼梯间内,当其环境温度低于0℃时,室内消火栓系统可采用干式系统,但应在首层入口处设置快速接口和止回阀,管道最高处应设置自动排气阀。
5.6冷间内动力、照明、控制线路应根据不同的冷间温度霎求,近甲适用的耐低温的铜芯电力电缆。
5.7员工宿舍不应与氨制冷机房、冷库或其他厂房、仓库设置在同一座建筑物内。
5.8包装间、分割间、产品整理间等人员较多的生产场所的空调系统不应采用氨直接蒸发制冷系统。
5.9快速冻结装置应设置在单独的作业间内,作业间应结构完整,且作业间内同一时间作业人员人数不应超过9人。
5.10氨制冷机房建设要求:a)氨制冷机房应按照GB50016的规定设置消防车道,消防车道净宽(度)与净(空)高(度)3均不应小于4m。
b)氨制冷机房火灾危险性类别为乙类。
氨制冷机房与其它建筑的防火间距应符合GB50016的规定,与民用建筑的防火间距不应小于25m。
c)氨制冷机房及其控制室与加工间、冷库或仓库库房贴邻建造时,应采用不开门窗洞口的防火墙分隔,且氨制冷机房及其控制室屋面板耐火极限不应低于l.OOh.d)氨制冷机房与其控制室贴邻建造时,应采用耐火极限不低于 3.00h的防火隔墙隔开和设置独立的安全出口。
氨制冷机房与其控制室之间隔墙上的观察窗应为甲级固定防火窗:当确需设置连通门时,应采用开向制冷机房的甲级防火门。
e)氨制冷机房每个防火分区不应少于2个安全出口,且两个安全出口最近边缘之间的水平距离应不小于5m.当氨制冷机房每个防火分区的面积不大于150m2时,可设置一个安全出口。
f)氨制冷机房及其控制室和变配电所安全出口的门应采用平开门,并向疏散方向开启。
g)氨制冷机房应设置防爆型事故排风机,排风量应按设计要求确定.在控制室排风机控制柜上和制冷机房门口外墙上应安装人工启停控制按钮,排风机应能通过气体浓度报警装置的报警信号自动开启,又能人工控制启停。
h)氨制冷机房内的应急照明和灯光疏散指示标志应按爆炸性气体环境进行设计,应急照明和灯光疏散指示标志备用电源的连续供电时间不应小于0.5h。
5.11变配电所与氨制冷机房及其控制室、冷库或加工车间贴邻建造时,其共用的隔墙应为防火墙。
变配电室门口应设置挡板,门、窗、自然通风的孔洞用金属网和建筑材料封闭。
5.12制冷及辅助设备、报警装置布置要求:氨制冷机房的制冷压缩机及其辅助设备布置,应符合GB 50072的相关规定。
总容积大于30m2的室外液氨储罐(区)与基地外建筑等的防火间距应符合附录A的要求。
c)制冷系统加氨站应设在机房外,并留有足够的操作空间和通畅的应急通道。
d)设于室外的氨制冷机组、贮氨器应有通风口好的遮阳设施。
e)设于室外的贮氨器、冷凝器、油分离器、集油器若制冷设备及加氨站,应有防止非操作人员进入的围栏并设危险作业场所等安全警示标识。
f)安装有氨制冷快速冻结装置的作业间内应设置防爆型事故排风说及氨气浓度报警装置.事故排风机排风量应按设计要求确定。
氨气浓度传感器应安装在快速冻结装置进、出料口处的上方。
当氨气浓度达到150xl0-6ml/m3氨气浓度报警装置应自动发出声光报警信号,并应自动开启防爆型事故排风机,自动停止成套快速冻结装置的运行,漏氨信号应同时传送至制冷机房控制室报警。
g)氨制冷机房应设置氨气浓度报警装置。
氨气浓度传感器应安装在氨制冷机组、氨泵及贮氨器的上方.当空气中氨气浓度达到150xl0-6ml/m3时,应自动发出报警信号,并应自动开启制冷机房内的防爆型事故排风机。
h)冷凝器应设冷凝压力超压报警装置。
水冷冷凝器应设断水报警装置:蒸发式冷凝器应増设压力表、安全阀及风机故障报警装置。
5.13氨制冷系统及其阀门、管道安装要求:a)新建(含改、扩建)氨制冷系统的热氨融霜应采用自动控制融霜。
热氨融霜供气管道应设置融霜压力控制及紧急切断装置;热氨融霜紧急切断装置应采用自动控制,并在人员密集区域需融霜的制冷装置(如快速冻结装置)30m以外便于操作的位置或快速冻结装置附近的安全出口门外设置关闭热氨融霜紧急切断装置的人工启动按钮。
b)氨制冷系统应采用专用钢制阀门,不应使用灰铸铁阀门。
已建成投产的制冷系统若采用球墨铸铁阀门的,应符合压力管道安全技术规规范要求。
c)氨制冷系统安全阀的泄压管出口应高于周围50m范围内最高建筑物(冷库除外)的屋脊5m, 并应采取防止雷击、防止雨水和杂物落入泄压管内的措施。
d)氨管道不应穿过有人员办公、休息和居住的建筑物及人员密集场所。
e)制冷管道穿过建筑物的沉降缝、伸缩缝、墙及楼板时,应采取防变形的措施。
0管道、线缆等穿过保温墙体、屋面时,应采取可靠的防火和防止产生冷桥的措施。
g)连接氨制冷压缩机和设备的管道应有足够补偿变形的弯头,供液管无气囊、吸气管无液囊。
h)快速冻结装置回气集管端部封头等部位的焊缝质量应符合SBJ12及相关标准的要求。
6设备设施要求6.1氨制冷设备应统一编号;标识清楚:并应由专人管理、且分工明确、职责清楚。
6.2企业应建立健全氨制冷设备管理和操作规程。
6.3在用、备用氨制冷设备、附件及相关控制元件和铭牌等应完好。
6.4氨制冷压缩机组应符合但不限于下列要求:a)本体及管路的动、静密封点应无泄漏,油封海油应在允许范围内;b)运行时,应无异常振动和异常声音,各连接部位应牢固、无松动;c)运行时,其性能参数应在规定的技术范围内,无超圧、超温现象等;d)安全保护装置应齐全有效;e)铭牌应清晰可见。