检具定位销与检测销技术规范标准
- 格式:doc
- 大小:863.52 KB
- 文档页数:13
检具技术要求目录1. 目的 (3)2. 适用范围 (3)3. 责任 (3)4. 规定 (3)4.1 检具(测量支架)的概述 (3)4.2 检具设计与制造的技术要求 (4)4.3 检具和测量支架的验收和交付 (12)5. 存档 (13)6. 评审与更改 (14)7. 分发 (14)8. 附件清单 (14)附件一:关于检具定位销和检验销的说明 (15)1. 检具定位销概述 (15)2. 定位销A1的结构形式 (16)3. 定位销A2的结构形式 (19)4 . 零件检查销的结构和计算 (23)5. 轴套结构图示介绍 (26)附件二:检具(测量支架)认可流程 (28)附件三: 检具(测量支架)设计认可报告 (29)附件四:检具(测量支架)制造认可报告 (30)1. 目的通过制订《检具(测量支架)技术要求》,使检具(测量支架)在规划、设计与制造、验收与使用时,能够遵循统一的技术标准和评价指标。
2.适用范围本技术要求适用于车身检具及对零件型面尺寸或装配尺寸与车身坐标系统有关联的内外饰件的检具。
3. 责任***负责本技术要求的编制、维护、升级及分发等工作。
***零件供应商负责本技术要求在检具(测量支架)规划、设计、制造、验收和使用过程中的贯彻和执行。
4. 规定4.1 检具(测量支架)的概述4.1.1检具(测量支架)的定义检具是一种用来测量和评价零件尺寸质量的专用检验设备。
在零件生产现场, 通过检具实现对零件的在线检测,为此需要将零件准确地安装于检具上, 然后通过目测,或测量表,或卡尺对零件型面,周边进行检查,也可以借助检验销或目测对零件上不同性质的孔及零件与零件之间的联接位置进行目检,从而保证在试生产及起步生产时实现零件质量状态的快速判断。
在此情况下,通过目检或测量可以判断: 零件轮廓周边大小和形状区域以及相对位置与通过CAD/CAM直接加工的检具理论值之间的偏差。
对于零件上的某些极其重要的功能性尺寸,还能利用检具进行数值检测。
检具技术要求目录1. 目的 (3)2. 适用范围 (3)3. 责任 (3)4. 规定 (3)4.1 检具(测量支架)的概述 (3)4.2 检具设计与制造的技术要求 (4)4.3 检具和测量支架的验收和交付 (12)5. 存档 (13)6. 评审与更改 (14)7. 分发 (14)8. 附件清单 (14)附件一:关于检具定位销和检验销的说明 (15)1. 检具定位销概述 (15)2. 定位销A1的结构形式 (16)3. 定位销A2的结构形式 (19)4 . 零件检查销的结构和计算 (23)5. 轴套结构图示介绍 (26)附件二:检具(测量支架)认可流程 (28)附件三: 检具(测量支架)设计认可报告 (29)附件四:检具(测量支架)制造认可报告 (30)1. 目的通过制订《检具(测量支架)技术要求》,使检具(测量支架)在规划、设计与制造、验收与使用时,能够遵循统一的技术标准和评价指标。
2.适用范围本技术要求适用于车身检具及对零件型面尺寸或装配尺寸与车身坐标系统有关联的内外饰件的检具。
3. 责任***负责本技术要求的编制、维护、升级及分发等工作。
***零件供应商负责本技术要求在检具(测量支架)规划、设计、制造、验收和使用过程中的贯彻和执行。
4. 规定4.1 检具(测量支架)的概述4.1.1检具(测量支架)的定义检具是一种用来测量和评价零件尺寸质量的专用检验设备。
在零件生产现场, 通过检具实现对零件的在线检测,为此需要将零件准确地安装于检具上, 然后通过目测,或测量表,或卡尺对零件型面,周边进行检查,也可以借助检验销或目测对零件上不同性质的孔及零件与零件之间的联接位置进行目检,从而保证在试生产及起步生产时实现零件质量状态的快速判断。
在此情况下,通过目检或测量可以判断: 零件轮廓周边大小和形状区域以及相对位置与通过CAD/CAM直接加工的检具理论值之间的偏差。
对于零件上的某些极其重要的功能性尺寸,还能利用检具进行数值检测。
检具验收标准一.检具精度粗度<Ra3.27目视孔位置度2粗糙度<Ra1.68检具附件面差规±0.02止通规±0.02二.结构要求1.底板1.1底板上至少设置3个基准块,基准块需加不锈钢T型钢套和保护罩,并标明坐标原点、坐标方向及坐标原点与汽车坐标原点的相对坐标值;1.2检具基准块需设在底板四周三个角上并标有坐标值,不得直接设在底板上,检具的基准块按照左上、左下、右下位置进行设置,基准块中心距离检具底板边缘50mm,如图1和图2示:图1 基准分布示意图1 图2 基准分布示意图21.3上汽大众一级件检具必须设置两套测量基准,一套设置在底板四个角,如图3,由NC加工,另一套按1.1和1.2制作;图3 检具底板11.4底板上刻注车身坐标线及X、Y、Z坐标值,车身坐标线以X、Y、Z基准面为出发面,每隔100mm或50mm为一档进行刻注,如图3,划线深度和宽度均为0.5mm,刻线须涂红(客户对颜色有要求时按客户要求涂色),如客户对百格线有特殊要求,按客户要求制作;1.5检具铭牌按客户提供格式制作好用铆钉固定在底板上显眼的部位;1.6除客户要求外,检具重量≤40KG时底板两侧须安装金属把手,如图3,检具重量>40KG时底板上须安装吊环或吊耳,如图4和图5,检具起吊时吊绳与检具本体不得存在干涉;图4 检具底板2 图5 检具底板32.模拟块、卡板2.1模拟块表面须刻上面差、间隙标准值并涂红(客户对颜色有要求时按客户要求涂色),如面差0mm,间隙3mm,如图6:图6 模拟块标识2.2两模拟块之间间隙不得大于2mm,如图7:图7 模拟块间距2.3产品拐角处的模拟块不得断开,须做成一体式,如图7所示;2.4可拆模拟块须刻上名称,在检具上设置保管盒,并在保管盒上或盒旁设有安装示意图;2.5两相连模拟块之间不得有明显面差;2.6模拟块与其它本体及产品之间不能存在干涉;2.7手持模拟块须刻上对应产品名称、图号及尺寸规格,除结构无法优化外,原则上重量≤3kg,手持模拟块必须设置保管箱;2.8每一卡板上都需刻上设计尺寸规格,卡板检测部位放电加工或切削加工后确保3mm的加工结果,如图8所示图8 卡板3.双开机构3.1双开机构开关须顺畅,力度合适,装件不得有松动,开关上须刻上“装件”和“取件”标识,如图9所示;图9 双开机构开关3.2机构定位面上须刻上基准标识并涂红(客户对颜色有要求时按客户要求涂色),两定位表面不得有明显面差,如图10蓝色面和红色的面不得有明显面差;图10 双开机构4.压紧机构4.1压紧力应能固定产品但不能使产品变形,接触点为橡胶制品或尼龙材料;4.2压紧机构压头必须垂直于产品受压点;4.3压紧顺序需在压紧夹或支架上表示;4.4压紧机构的设置需保证不影响产品的取放、测量及CMM测量;4.5压紧机构在工作时不得与检具本体及产品存在干涉;5.检测销、定位销5.1手柄部用双斜纹滚花加工或六角柱体,表面须刻上检测和定位部位规格值及检测和定位标识,如图11;图11 检测销示意图5.2为防止销子丢失用伸缩绳固定在本体上,使用伸缩绳不要有妨碍,且尽可能短;5.3销子插入应平顺,且无松动;5.4伸缩绳固定时,销子应能自由活动,不会影响销子转动;5.5为保证产品定位的稳定性,定位销必须完全贯穿产品,因此产品定位销定位部分长度H必须大于产品的厚度h,如图12所示;图126.附件6.1通止规、面差规、百分表等附件须整齐放置在底板上;6.2当检具重量≥35kg或客户有要求时必须配备台车,台车按客户要求喷油漆,普通检具台车总高800mm左右,大型总成检具在总高不超过1400mm前提下制作台车,台车须万向轮和定向轮各两个,如图13和图14图13 台车小轮布局图14 台车小轮示意图6.3所有检具必须配备防尘罩,防尘罩必须能防水、防尘、遮阳;6.4当客户有要求时检具需配备木箱,检具安放在木箱内须固定死,不得有松动,木箱外侧必须有如图15所示标识;图15 三防标识三.外观要求1.百格线、刻线及附件油漆颜色须符合客户要求;2.无漏打定位销,定位销不得松动,确保定位销不是盲销;3.所有锁紧螺栓须配备弹簧垫,抽查螺栓锁紧力度,确保螺栓锁紧;4.检具本体及附件不得超过底板边界;5.表面无明显碰伤划伤,表面干净整洁;6.检具不得使用垫片调试,更不允许垫片漏在外表;7.铭牌信息须正确;8.检具所有铁件表面须做表面处理,以保证防锈、防腐、硬度等要求;9.模拟块、支撑块及底板等所有能接触到的表面须倒角,以保证不伤人;10.铸铝底板及框架不得有>2mm气孔、砂眼、结疤等缺陷;11.模拟块及基准块上需将设计标识(间隙、面差、公差值、基准名称等标识)刻出,不允许标识使用贴纸粘贴,以免时间久而脱落;四.资料检具验收资料分电子版(光盘刻录)和纸质版,具体清单如下:电子版:3D数模(UG格式和IGRES格式)最终检具设计图纸(CAD格式)《检具CMM测量报告》《检具销检报告》《检具MSA报告》(客户有专用格式,按客户格式做)《检具设计方案》(客户有专用格式,按客户格式做)《检具操作说明书》(客户有专用格式,按客户格式做)检具设计认可表、检具制造认可表纸质版:检具总装图纸《检具CMM测量报告》(须是彩色的)《检具销检报告》《检具MSA报告》(客户有专用格式,按客户格式做)《检具设计方案》(客户有专用格式,按客户格式做)《检具操作说明书》(客户有专用格式,按客户格式做)检具设计认可表、检具制造认可表。
检具验收标准一.检具精度二.结构要求1.底板1.1底板上至少设置3个基准块,基准块需加不锈钢T型钢套和保护罩,并标明坐标原点、坐标方向及坐标原点与汽车坐标原点的相对坐标值;1.2检具基准块需设在底板四周三个角上并标有坐标值,不得直接设在底板上,检具的基准块按照左上、左下、右下位置进行设置,基准块中心距离检具底板边缘50mm,如图1和图2示:图1 基准分布示意图1 图2 基准分布示意图21.3上汽大众一级件检具必须设置两套测量基准,一套设置在底板四个角,如图3,由NC加工,另一套按1.1和1.2制作;图3 检具底板11.4底板上刻注车身坐标线及X、Y、Z坐标值,车身坐标线以X、Y、Z基准面为出发面,每隔100mm或50mm为一档进行刻注,如图3,划线深度和宽度均为0.5mm,刻线须涂红(客户对颜色有要求时按客户要求涂色),如客户对百格线有特殊要求,按客户要求制作;1.5检具铭牌按客户提供格式制作好用铆钉固定在底板上显眼的部位;1.6除客户要求外,检具重量≤40KG时底板两侧须安装金属把手,如图3,检具重量>40KG时底板上须安装吊环或吊耳,如图4和图5,检具起吊时吊绳与检具本体不得存在干涉;图4 检具底板2 图5 检具底板32.模拟块、卡板2.1模拟块表面须刻上面差、间隙标准值并涂红(客户对颜色有要求时按客户要求涂色),如面差0mm,间隙3mm,如图6:图6 模拟块标识2.2两模拟块之间间隙不得大于2mm,如图7:图7 模拟块间距2.3产品拐角处的模拟块不得断开,须做成一体式,如图7所示;2.4可拆模拟块须刻上名称,在检具上设置保管盒,并在保管盒上或盒旁设有安装示意图;2.5两相连模拟块之间不得有明显面差;2.6模拟块与其它本体及产品之间不能存在干涉;2.7手持模拟块须刻上对应产品名称、图号及尺寸规格,除结构无法优化外,原则上重量≤3kg,手持模拟块必须设置保管箱;2.8每一卡板上都需刻上设计尺寸规格,卡板检测部位放电加工或切削加工后确保3mm的加工结果,如图8所示图8 卡板3.双开机构3.1双开机构开关须顺畅,力度合适,装件不得有松动,开关上须刻上“装件”和“取件”标识,如图9所示;图9 双开机构开关3.2机构定位面上须刻上基准标识并涂红(客户对颜色有要求时按客户要求涂色),两定位表面不得有明显面差,如图10蓝色面和红色的面不得有明显面差;图10 双开机构4.压紧机构4.1压紧力应能固定产品但不能使产品变形,接触点为橡胶制品或尼龙材料;4.2压紧机构压头必须垂直于产品受压点;4.3压紧顺序需在压紧夹或支架上表示;4.4压紧机构的设置需保证不影响产品的取放、测量及CMM测量;4.5压紧机构在工作时不得与检具本体及产品存在干涉;5.检测销、定位销5.1手柄部用双斜纹滚花加工或六角柱体,表面须刻上检测和定位部位规格值及检测和定位标识,如图11;图11 检测销示意图5.2为防止销子丢失用伸缩绳固定在本体上,使用伸缩绳不要有妨碍,且尽可能短;5.3销子插入应平顺,且无松动;5.4伸缩绳固定时,销子应能自由活动,不会影响销子转动;5.5为保证产品定位的稳定性,定位销必须完全贯穿产品,因此产品定位销定位部分长度H必须大于产品的厚度h,如图12所示;图126.附件6.1通止规、面差规、百分表等附件须整齐放置在底板上;6.2当检具重量≥35kg或客户有要求时必须配备台车,台车按客户要求喷油漆,普通检具台车总高800mm左右,大型总成检具在总高不超过1400mm前提下制作台车,台车须万向轮和定向轮各两个,如图13和图14图13 台车小轮布局图14 台车小轮示意图6.3所有检具必须配备防尘罩,防尘罩必须能防水、防尘、遮阳;6.4当客户有要求时检具需配备木箱,检具安放在木箱内须固定死,不得有松动,木箱外侧必须有如图15所示标识;图15 三防标识三.外观要求1.百格线、刻线及附件油漆颜色须符合客户要求;2.无漏打定位销,定位销不得松动,确保定位销不是盲销;3.所有锁紧螺栓须配备弹簧垫,抽查螺栓锁紧力度,确保螺栓锁紧;4.检具本体及附件不得超过底板边界;5.表面无明显碰伤划伤,表面干净整洁;6.检具不得使用垫片调试,更不允许垫片漏在外表;7.铭牌信息须正确;8.检具所有铁件表面须做表面处理,以保证防锈、防腐、硬度等要求;9.模拟块、支撑块及底板等所有能接触到的表面须倒角,以保证不伤人;10.铸铝底板及框架不得有>2mm气孔、砂眼、结疤等缺陷;11.模拟块及基准块上需将设计标识(间隙、面差、公差值、基准名称等标识)刻出,不允许标识使用贴纸粘贴,以免时间久而脱落;四.资料检具验收资料分电子版(光盘刻录)和纸质版,具体清单如下:电子版:3D数模(UG格式和IGRES格式)最终检具设计图纸(CAD格式)《检具CMM测量报告》《检具销检报告》《检具MSA报告》(客户有专用格式,按客户格式做)《检具设计方案》(客户有专用格式,按客户格式做)《检具操作说明书》(客户有专用格式,按客户格式做)检具设计认可表、检具制造认可表纸质版:检具总装图纸《检具CMM测量报告》(须是彩色的)《检具销检报告》《检具MSA报告》(客户有专用格式,按客户格式做)《检具设计方案》(客户有专用格式,按客户格式做)《检具操作说明书》(客户有专用格式,按客户格式做)检具设计认可表、检具制造认可表。
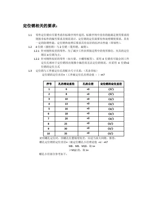
定位销相关的要求:1.1零件定位销应尽量考虑在标准序列中选用,标准序列中没有的能满足使用要求的则按非标件的编号要求及规范设计。
定位销的定位面要有热处理硬度要求,具有一定的防锈性能,定位销热处理后要求具有良好的抗冲击性能(即韧性)。
1.24位销(圆柱销)与2位销(菱形销、扁销):1.2.1针对刚性较差的零件,为了减少工件在焊接过程中的变形移位,夹具的定位销以4位销为主;1.2.2针对刚性较好的零件(如大梁、小螺母板等),采用4位销有可能会因工件定位孔相对于定位销因出现微小偏差而无法定位的情况,应采用4位销+2位销的定位方式1.3定位销与工件被定位孔的配合尺寸关系:(其余非标)定位销的定位直径=(工件被定位孔径理论值- )+h7螺孔定位销的定位直径=(被定位螺孔小径理论值–k)+h7M6、M8、M10,取k=≥M12的,取k=螺孔小径部分参考如下:1.4对薄壁孔,标准销的定位位置要求,基本按如下左图结构;销的插入深度受限时采用如下右图结构;1.5对翻边孔、螺孔,定位销的有效段插入深度要求≥7mm,且螺孔定位销插入深要≥螺母厚度;1.6定位销安装一般要满足径向4向可调的要求,调整垫片要求见以上3项,结构如下:1.7直插式活动定位销的要求1.7.1 当装卸工件的方向与定位销的方向不一致,及带定位销的摆动式压板的定位销无法顺利摆出被定位孔时,必须采用可直线进退的定位销组件。
1.7.2 除了采用精密导向驱动单元外,其他的自制的用快速夹或气缸直推定位销的方法的,定位销必须采用有精密导向的导向杆来定位,不能直接用驱动件来作为销的导向定位件。
导向孔必须有导向套,且导向套必须有放松防脱的装置,如图:1.7.3 导向孔必须有导向套,且导向套必须有放松防脱的装置,下图的情况是不允许的。
导向杆、导向套组件导向杆、导向套组件导向套脱落1.7.4自制活动导杆及导套的配合公差按H7/g6选用,采用标准衬套或标准导杆的按该标准件所要求的配合公差配套选用。
检具定位销与检测销技术规范一、目的:规范定位销与检测销的设计与制作安装,提高检具品质及设计效率二、适用范围:青岛嘉和模塑有限公司检具部三、定位销-在零件夹紧和开始检测之前, 首先须将零件定位, 定位销用于将零件精确地定位于检具上。
-定位销的位置根据零件图纸RPS 系统确定 (通常每个零件设置两个定位孔)。
-定位销由导向、定位及手柄三部分组成,保证销子导向部分能够在定位孔内进出自由。
-定位销的标注:在手柄凹槽内标注销子牌号以及对应的RPS点名称。
-根据零件RPS特性,定位销相应设置成锥型销( A1k,A2k)或柱型销(A1z,A2z)。
-在定位孔内,为保证定位销定位准确,必须安装导向轴套,导向轴套和检具型体黏结。
-定位销和相应导向轴套的结构根据孔的形状的不同要求, 分防转结构和不防转结构。
-每个定位销配置Ф2mm钢丝绳,并将其固定于检具型体的适当部位。
-销的安置:定位销和检测销用后应安放于检具本体上的相应弹簧夹里夹住。
-在检具总装图纸中,必须对定位销,定位孔有清晰的表述。
四、检测销-检测销用于对待测孔的尺寸和位置度进行检测。
-检测销由导向、检测及手柄三部分组成。
-在检测孔内,为保证检测销顺利进行检测,必须安装导向轴套,导向轴套和检具型体黏结而连接。
-为保证检测销定位准确,必须安装导向轴套,导向轴套和检具型体黏结。
-检测销和相应导向轴套的结构根据待检测孔形状的不同, 分为止转结构和不止转结构。
-如果在零件上同时存在许多(>2个)相同直径和相同位置公差要求的待检测孔,而这些孔须用检测销检测,则通常设置一个检测销。
该原则同样适用于双胞胎检具。
-如果零件通过模具在同一工序加工出一组相同技术要求的孔, 则如果用检测销检测, 通常只对间距最大的两个孔检测,其他不作检测。
-为了保证检测孔在三坐标测量机测量时, 测头能够进入, 必须在孔位下设置自由面, 原则:自由面直径 :冲压件孔径+7mm,深度: 从冲压件下表面起8mm.-每个检测销配置Ф2mm钢丝绳,并将其固定于检具型体的适当部位。
检具定位销与检测销技术规范-标准化文件发布号:(9456-EUATWK-MWUB-WUNN-INNUL-DDQTY-KII检具定位销与检测销技术规范一、目的:规范定位销与检测销的设计与制作安装,提高检具品质及设计效率二、适用范围:青岛嘉和模塑有限公司检具部三、定位销-在零件夹紧和开始检测之前, 首先须将零件定位, 定位销用于将零件精确地定位于检具上。
-定位销的位置根据零件图纸RPS 系统确定 (通常每个零件设置两个定位孔)。
-定位销由导向、定位及手柄三部分组成,保证销子导向部分能够在定位孔内进出自由。
-定位销的标注:在手柄凹槽内标注销子牌号以及对应的RPS点名称。
-根据零件RPS特性,定位销相应设置成锥型销( A1k,A2k)或柱型销(A1z,A2z)。
-在定位孔内,为保证定位销定位准确,必须安装导向轴套,导向轴套和检具型体黏结。
-定位销和相应导向轴套的结构根据孔的形状的不同要求, 分防转结构和不防转结构。
-每个定位销配置Ф2mm钢丝绳,并将其固定于检具型体的适当部位。
-销的安置:定位销和检测销用后应安放于检具本体上的相应弹簧夹里夹住。
-在检具总装图纸中,必须对定位销,定位孔有清晰的表述。
四、检测销-检测销用于对待测孔的尺寸和位置度进行检测。
-检测销由导向、检测及手柄三部分组成。
-在检测孔内,为保证检测销顺利进行检测,必须安装导向轴套,导向轴套和检具型体黏结而连接。
-为保证检测销定位准确,必须安装导向轴套,导向轴套和检具型体黏结。
-检测销和相应导向轴套的结构根据待检测孔形状的不同, 分为止转结构和不止转结构。
-如果在零件上同时存在许多(>2个)相同直径和相同位置公差要求的待检测孔,而这些孔须用检测销检测,则通常设置一个检测销。
该原则同样适用于双胞胎检具。
-如果零件通过模具在同一工序加工出一组相同技术要求的孔, 则如果用检测销检测, 通常只对间距最大的两个孔检测,其他不作检测。
-为了保证检测孔在三坐标测量机测量时, 测头能够进入, 必须在孔位下设置自由面, 原则:自由面直径 :冲压件孔径+7mm,深度: 从冲压件下表面起8mm.-每个检测销配置Ф2mm钢丝绳,并将其固定于检具型体的适当部位。
检具定位销与检测销技术规范一、目的:规范定位销与检测销的设计与制作安装,提高检具品质及设计效率二、适用范围:青岛嘉和模塑有限公司检具部三、定位销-在零件夹紧和开始检测之前, 首先须将零件定位, 定位销用于将零件精确地定位于检具上。
-定位销的位置根据零件图纸RPS 系统确定 (通常每个零件设置两个定位孔)。
-定位销由导向、定位及手柄三部分组成,保证销子导向部分能够在定位孔内进出自由。
-定位销的标注:在手柄凹槽内标注销子牌号以及对应的RPS点名称。
-根据零件RPS特性,定位销相应设置成锥型销( A1k,A2k)或柱型销(A1z,A2z)。
-在定位孔内,为保证定位销定位准确,必须安装导向轴套,导向轴套和检具型体黏结。
-定位销和相应导向轴套的结构根据孔的形状的不同要求, 分防转结构和不防转结构。
-每个定位销配置Ф2mm钢丝绳,并将其固定于检具型体的适当部位。
-销的安置:定位销和检测销用后应安放于检具本体上的相应弹簧夹里夹住。
-在检具总装图纸中,必须对定位销,定位孔有清晰的表述。
四、检测销-检测销用于对待测孔的尺寸和位置度进行检测。
-检测销由导向、检测及手柄三部分组成。
-在检测孔内,为保证检测销顺利进行检测,必须安装导向轴套,导向轴套和检具型体黏结而连接。
-为保证检测销定位准确,必须安装导向轴套,导向轴套和检具型体黏结。
-检测销和相应导向轴套的结构根据待检测孔形状的不同, 分为止转结构和不止转结构。
-如果在零件上同时存在许多(>2个)相同直径和相同位置公差要求的待检测孔,而这些孔须用检测销检测,则通常设置一个检测销。
该原则同样适用于双胞胎检具。
-如果零件通过模具在同一工序加工出一组相同技术要求的孔, 则如果用检测销检测, 通常只对间距最大的两个孔检测,其他不作检测。
-为了保证检测孔在三坐标测量机测量时, 测头能够进入, 必须在孔位下设置自由面, 原则:自由面直径 :冲压件孔径+7mm,深度: 从冲压件下表面起8mm.-每个检测销配置Ф2mm钢丝绳,并将其固定于检具型体的适当部位。
检具查收标准一.检具精度检具精度要求以下表:序号零件名称1底板2丈量基准块3定位基准块4模拟块、卡板5检测块(销)、定位销6其余型面7目视孔8检具附件形状地点名称技术参数(单位:mm)平面度0.05/1000垂直度0.05/1000平行度0.05/1000粗拙度< Ra1.6百格线轮廓度0.2丈量基准孔地点度0.02粗拙度< Ra1.6定位基准孔地点度0.05定位基准面廓度0.05粗拙度< Ra1.6检测面轮廓度0.1检测孔地点度0.1(产品孔地点公差小于1mm 时采纳十分之一原则)检测卡板线轮廓度0.15粗拙度< Ra1.6功能部位大小尺寸0.02导向部位与孔配合空隙< 0.015粗拙度< Ra1.6轮廓度0.2粗< Ra3.2度地点度2粗拙度< Ra1.6面差规±0.02二.构造要求1.底板1.1 底板上起码设置 3 个基准块,基准块需加不锈钢T 型钢套和保护罩,并注明坐标原点、坐标方向及坐标原点与汽车坐标原点的相对坐标值;1.2 检具基准块需设在底板周围三个角上并标有坐标值,不得直接设在底板上,检具的基准块依据左上、左下、右下地点进行设置,基准块中心距离检具底板边缘 50mm,如图 1 和图 2 示:图 1基准散布表示图1图2基准散布表示图21.3 上汽大众一级件检具一定设置两套丈量基准,一套设置在底板四个角,如图3,由 NC加工,另一套按 1.1 和 1.2 制作;图3检具底板11.4 底板上刻注车身坐标线及 X、Y、Z坐标值,车身坐标线以 X、Y、Z基准面为出发面 , 每隔 100mm或50mm为一档进行刻注,如图 3,划线深度和宽度均为 0.5 mm,刻线须涂红(客户对颜色有要求时按客户要求涂色),如客户对百格线有特别要求,按客户要求制作;1.6 除客户要求外,检具重量≤40KG时底板双侧须安装金属把手,如图3,检具重量> 40KG时底板上须安装吊环或吊耳,如图 4 和图5,检具起吊时吊绳与检具本体不得存在干预;图4检具底板2图5检具底板32.模拟块、卡板2.1 模拟块表面须刻上边差、空隙标准值并涂红(客户对颜色有要求时按客户要求涂色),如面差0mm,空隙 3mm,如图 6:图 6模拟块表记2.2 两模拟块之间空隙不得大于2mm,如图 7:图 7模拟块间距2.3 产品拐角处的模拟块不得断开,须做成一体式,如图7 所示;2.4 可拆模拟块须刻上名称,在检具上设置保存盒,并在保存盒上或盒旁设有安装表示图;2.5 两相连模拟块之间不得有显然面差;2.6 模拟块与其余本体及产品之间不可以存在干预;2.7 手持模拟块须刻上对应产品名称、图号及尺寸规格,除构造没法优化外,原则上重量≤ 3kg,手持模拟块一定设置保存箱;2.8 每一卡板上都需刻上设计尺寸规格,卡板检测部位放电加工或切削加工后确保 3mm的加工结果,如图8 所示图8卡板3.双开机构3.1 双开机构开关须顺畅,力度适合,装件不得有松动,开关上须刻上“装件”和“取件”表记,如图 9 所示;图 9双开机构开关3.2 机构定位面上须刻上基准表记并涂红(客户对颜色有要求时按客户要求涂色),两定位表面不得有显然面差,如图 10 蓝色面和红色的面不得有显然面差;图 10双开机构4.压紧机构4.2 压紧机构压头一定垂直于产品受压点;4.3 压紧次序需在压紧夹或支架上表示;4.4 压紧机构的设置需保证不影响产品的取放、丈量及CMM丈量;4.5 压紧机构在工作时不得与检具本体及产品存在干预;5.检测销、定位销5.1 手柄部用双斜纹滚花加工或六角柱体,表面须刻上检测和定位部位规格值及检测和定位表记,如图11;图 11检测销表示图5.2 为防备销子丢掉用伸缩绳固定在本体上,使用伸缩绳不要有阻碍,且尽可能短;5.3 销子插入应平顺,且无松动;5.4 伸缩绳固准时,销子应能自由活动,不会影响销子转动;5.5 为保证产品定位的稳固性,定位销一定完整贯串产品,所以产品定位销定位部分长度 H一定大于产品的厚度h,如图 12 所示;图 126.附件6.1 通止规、面差规、百分表等附件须齐整搁置在底板上;一般检具台车总高 800mm左右,大型总成检具在总高不超出 1400mm前提下制作台车,台车须万向轮和定向轮各两个,如图 13 和图 14图 13 台车小轮布局图 14 台车小轮表示图6.3全部检具一定装备防尘罩,防尘罩一定能防水、防尘、遮阳;6.4当客户有要求时检具需装备木箱,检具安置在木箱内须固定死,不得有松动,木箱外侧一定犹如图 15 所示表记;图 15三防表记三.外观要求1.百格线、刻线及附件油漆颜色须切合客户要求;2.无漏打定位销,定位销不得松动,保证定位销不是盲销;3.全部锁紧螺栓须装备弹簧垫,抽查螺栓锁紧力度,保证螺栓锁紧;4.检具本体及附件不得超出底板界限;5.表面无显然碰伤划伤,表面洁净整齐;6.检具不得使用垫片调试,更不同意垫片漏在表面;7.铭牌信息须正确;8.检具全部铁件表面须做表面办理,以保证防锈、防腐、硬度等要求;9.模拟块、支撑块及底板等全部能接触到的表面须倒角,以保证不伤人;10.铸铝底板及框架不得有> 2mm气孔、砂眼、结疤等缺点;11.模拟块及基准块上需将设计表记(空隙、面差、公差值、基准名称等表记)刻出,不同意表记使用贴纸粘贴,免得时间久而零落;四.资料检具查收资料分电子版(光盘刻录)和纸质版,详细清单以下:电子版:3D 数模( UG格式和 IGRES格式)最后检具设计图纸( CAD格式)《检具 CMM丈量报告》《检具销检报告》《检具 MSA报告》(客户有专用格式,按客户格式做)《检具设计方案》(客户有专用格式,按客户格式做)《检具操作说明书》(客户有专用格式,按客户格式做)检具设计认同表、检具制造认同表纸质版:检具总装图纸《检具 CMM丈量报告》(须是彩色的)《检具销检报告》《检具 MSA报告》(客户有专用格式,按客户格式做)《检具设计方案》(客户有专用格式,按客户格式做)《检具操作说明书》(客户有专用格式,按客户格式做)检具设计认同表、检具制造认同表。
检具验收标准一.检具精度二.结构要求1.底板1.1底板上至少设置3个基准块,基准块需加不锈钢T型钢套和保护罩,并标明坐标原点、坐标方向及坐标原点与汽车坐标原点的相对坐标值;1.2检具基准块需设在底板四周三个角上并标有坐标值,不得直接设在底板上,检具的基准块按照左上、左下、右下位置进行设置,基准块中心距离检具底板边缘50mm,如图1和图2示:图1 基准分布示意图1 图2 基准分布示意图21.3上汽大众一级件检具必须设置两套测量基准,一套设置在底板四个角,如图3,由NC加工,另一套按1.1和1.2制作;图3 检具底板11.4底板上刻注车身坐标线及X、Y、Z坐标值,车身坐标线以X、Y、Z基准面为出发面,每隔100mm或50mm为一档进行刻注,如图3,划线深度和宽度均为0.5mm,刻线须涂红(客户对颜色有要求时按客户要求涂色),如客户对百格线有特殊要求,按客户要求制作;1.5检具铭牌按客户提供格式制作好用铆钉固定在底板上显眼的部位;1.6除客户要求外,检具重量≤40KG时底板两侧须安装金属把手,如图3,检具重量>40KG时底板上须安装吊环或吊耳,如图4和图5,检具起吊时吊绳与检具本体不得存在干涉;图4 检具底板2 图5 检具底板32.模拟块、卡板2.1模拟块表面须刻上面差、间隙标准值并涂红(客户对颜色有要求时按客户要求涂色),如面差0mm,间隙3mm,如图6:图6 模拟块标识2.2两模拟块之间间隙不得大于2mm,如图7:图7 模拟块间距2.3产品拐角处的模拟块不得断开,须做成一体式,如图7所示;2.4可拆模拟块须刻上名称,在检具上设置保管盒,并在保管盒上或盒旁设有安装示意图;2.5两相连模拟块之间不得有明显面差;2.6模拟块与其它本体及产品之间不能存在干涉;2.7手持模拟块须刻上对应产品名称、图号及尺寸规格,除结构无法优化外,原则上重量≤3kg,手持模拟块必须设置保管箱;2.8每一卡板上都需刻上设计尺寸规格,卡板检测部位放电加工或切削加工后确保3mm的加工结果,如图8所示图8 卡板3.双开机构3.1双开机构开关须顺畅,力度合适,装件不得有松动,开关上须刻上“装件”和“取件”标识,如图9所示;图9 双开机构开关3.2机构定位面上须刻上基准标识并涂红(客户对颜色有要求时按客户要求涂色),两定位表面不得有明显面差,如图10蓝色面和红色的面不得有明显面差;图10 双开机构4.压紧机构4.1压紧力应能固定产品但不能使产品变形,接触点为橡胶制品或尼龙材料;4.2压紧机构压头必须垂直于产品受压点;4.3压紧顺序需在压紧夹或支架上表示;4.4压紧机构的设置需保证不影响产品的取放、测量及CMM测量;4.5压紧机构在工作时不得与检具本体及产品存在干涉;5.检测销、定位销5.1手柄部用双斜纹滚花加工或六角柱体,表面须刻上检测和定位部位规格值及检测和定位标识,如图11;图11 检测销示意图5.2为防止销子丢失用伸缩绳固定在本体上,使用伸缩绳不要有妨碍,且尽可能短;5.3销子插入应平顺,且无松动;5.4伸缩绳固定时,销子应能自由活动,不会影响销子转动;5.5为保证产品定位的稳定性,定位销必须完全贯穿产品,因此产品定位销定位部分长度H必须大于产品的厚度h,如图12所示;图126.附件6.1通止规、面差规、百分表等附件须整齐放置在底板上;6.2当检具重量≥35kg或客户有要求时必须配备台车,台车按客户要求喷油漆,普通检具台车总高800mm左右,大型总成检具在总高不超过1400mm前提下制作台车,台车须万向轮和定向轮各两个,如图13和图14图13 台车小轮布局图14 台车小轮示意图6.3所有检具必须配备防尘罩,防尘罩必须能防水、防尘、遮阳;6.4当客户有要求时检具需配备木箱,检具安放在木箱内须固定死,不得有松动,木箱外侧必须有如图15所示标识;图15 三防标识三.外观要求1.百格线、刻线及附件油漆颜色须符合客户要求;2.无漏打定位销,定位销不得松动,确保定位销不是盲销;3.所有锁紧螺栓须配备弹簧垫,抽查螺栓锁紧力度,确保螺栓锁紧;4.检具本体及附件不得超过底板边界;5.表面无明显碰伤划伤,表面干净整洁;6.检具不得使用垫片调试,更不允许垫片漏在外表;7.铭牌信息须正确;8.检具所有铁件表面须做表面处理,以保证防锈、防腐、硬度等要求;9.模拟块、支撑块及底板等所有能接触到的表面须倒角,以保证不伤人;10.铸铝底板及框架不得有>2mm气孔、砂眼、结疤等缺陷;11.模拟块及基准块上需将设计标识(间隙、面差、公差值、基准名称等标识)刻出,不允许标识使用贴纸粘贴,以免时间久而脱落;四.资料检具验收资料分电子版(光盘刻录)和纸质版,具体清单如下:电子版:3D数模(UG格式和IGRES格式)最终检具设计图纸(CAD格式)《检具CMM测量报告》《检具销检报告》《检具MSA报告》(客户有专用格式,按客户格式做)《检具设计方案》(客户有专用格式,按客户格式做)《检具操作说明书》(客户有专用格式,按客户格式做)检具设计认可表、检具制造认可表纸质版:检具总装图纸《检具CMM测量报告》(须是彩色的)《检具销检报告》《检具MSA报告》(客户有专用格式,按客户格式做)《检具设计方案》(客户有专用格式,按客户格式做)《检具操作说明书》(客户有专用格式,按客户格式做)检具设计认可表、检具制造认可表。
检具验收标准一.检具精度二.结构要求1.底板1.1底板上至少设置3个基准块,基准块需加不锈钢T型钢套和保护罩,并标明坐标原点、坐标方向及坐标原点与汽车坐标原点的相对坐标值;1.2检具基准块需设在底板四周三个角上并标有坐标值,不得直接设在底板上,检具的基准块按照左上、左下、右下位置进行设置,基准块中心距离检具底板边缘50mm,如图1和图2示:图1基准分布示意图1图2基准分布示意图21.3上汽大众一级件检具必须设置两套测量基准,一套设置在底板四个角,如图3,由NC加工,另一套按1.1和1.2制作;图3检具底板11.4底板上刻注车身坐标线及X、Y、Z坐标值,车身坐标线以X、Y、Z基准面为出发面,每隔100mm或50mm为一档进行刻注,如图3,划线深度和宽度均为0.5mm,刻线须涂红(客户对颜色有要求时按客户要求涂色),如客户对百格线有特殊要求,按客户要求制作;1.5检具铭牌按客户提供格式制作好用铆钉固定在底板上显眼的部位;1.6除客户要求外,检具重量≤40KG时底板两侧须安装金属把手,如图3,检具重量>40KG时底板上须安装吊环或吊耳,如图4和图5,检具起吊时吊绳与检具本体不得存在干涉;图4检具底板2图5检具底板32.模拟块、卡板2.1模拟块表面须刻上面差、间隙标准值并涂红(客户对颜色有要求时按客户要求涂色),如面差0mm,间隙3mm,如图6:图6模拟块标识2.2两模拟块之间间隙不得大于2mm,如图7:图7模拟块间距2.3产品拐角处的模拟块不得断开,须做成一体式,如图7所示;2.4可拆模拟块须刻上名称,在检具上设置保管盒,并在保管盒上或盒旁设有安装示意图;2.5两相连模拟块之间不得有明显面差;2.6模拟块与其它本体及产品之间不能存在干涉;2.7手持模拟块须刻上对应产品名称、图号及尺寸规格,除结构无法优化外,原则上重量≤3kg,手持模拟块必须设置保管箱;2.8每一卡板上都需刻上设计尺寸规格,卡板检测部位放电加工或切削加工后确保3mm的加工结果,如图8所示图8卡板3.双开机构3.1双开机构开关须顺畅,力度合适,装件不得有松动,开关上须刻上“装件”和“取件”标识,如图9所示;图9双开机构开关3.2机构定位面上须刻上基准标识并涂红(客户对颜色有要求时按客户要求涂色),两定位表面不得有明显面差,如图10蓝色面和红色的面不得有明显面差;图10双开机构4.压紧机构4.1压紧力应能固定产品但不能使产品变形,接触点为橡胶制品或尼龙材料;4.2压紧机构压头必须垂直于产品受压点;4.3压紧顺序需在压紧夹或支架上表示;4.4压紧机构的设置需保证不影响产品的取放、测量及CMM测量;4.5压紧机构在工作时不得与检具本体及产品存在干涉;5.检测销、定位销5.1手柄部用双斜纹滚花加工或六角柱体,表面须刻上检测和定位部位规格值及检测和定位标识,如图11;图11检测销示意图5.2为防止销子丢失用伸缩绳固定在本体上,使用伸缩绳不要有妨碍,且尽可能短;5.3销子插入应平顺,且无松动;5.4伸缩绳固定时,销子应能自由活动,不会影响销子转动;5.5为保证产品定位的稳定性,定位销必须完全贯穿产品,因此产品定位销定位部分长度H必须大于产品的厚度h,如图12所示;图126.附件6.1通止规、面差规、百分表等附件须整齐放置在底板上;6.2当检具重量≥35kg或客户有要求时必须配备台车,台车按客户要求喷油漆,普通检具台车总高800mm左右,大型总成检具在总高不超过1400mm 前提下制作台车,台车须万向轮和定向轮各两个,如图13和图14图13台车小轮布局图14台车小轮示意图6.3所有检具必须配备防尘罩,防尘罩必须能防水、防尘、遮阳;6.4当客户有要求时检具需配备木箱,检具安放在木箱内须固定死,不得有松动,木箱外侧必须有如图15所示标识;图15三防标识三.外观要求1.百格线、刻线及附件油漆颜色须符合客户要求;2.无漏打定位销,定位销不得松动,确保定位销不是盲销;3.所有锁紧螺栓须配备弹簧垫,抽查螺栓锁紧力度,确保螺栓锁紧;4.检具本体及附件不得超过底板边界;5.表面无明显碰伤划伤,表面干净整洁;6.检具不得使用垫片调试,更不允许垫片漏在外表;7.铭牌信息须正确;8.检具所有铁件表面须做表面处理,以保证防锈、防腐、硬度等要求;9.模拟块、支撑块及底板等所有能接触到的表面须倒角,以保证不伤人;10.铸铝底板及框架不得有>2mm气孔、砂眼、结疤等缺陷;11.模拟块及基准块上需将设计标识(间隙、面差、公差值、基准名称等标识)刻出,不允许标识使用贴纸粘贴,以免时间久而脱落;四.资料检具验收资料分电子版(光盘刻录)和纸质版,具体清单如下:电子版:3D数模(UG格式和IGRES格式)最终检具设计图纸(CAD格式)《检具CMM测量报告》《检具销检报告》《检具MSA报告》(客户有专用格式,按客户格式做)《检具设计方案》(客户有专用格式,按客户格式做)《检具操作说明书》(客户有专用格式,按客户格式做)检具设计认可表、检具制造认可表纸质版:检具总装图纸《检具CMM测量报告》(须是彩色的)《检具销检报告》《检具MSA报告》(客户有专用格式,按客户格式做)《检具设计方案》(客户有专用格式,按客户格式做)《检具操作说明书》(客户有专用格式,按客户格式做)检具设计认可表、检具制造认可表。
检具精度要求如下表:检具验收标准一.检具精度止通规±0.02二.结构要求1.底板1.1底板上至少设置3个基准块,基准块需加不锈钢T型钢套和保护罩,并标明坐标原点、坐标方向及坐标原点与汽车坐标原点的相对坐标值;1.2检具基准块需设在底板四周三个角上并标有坐标值,不得直接设在底板上,检具的基准块按照左上、左下、右下位置进行设置,基准块中心距离检具底板边缘50mm,如图1和图2示:图1基准分布示意图1图2基准分布示意图21.3上汽大众一级件检具必须设置两套测量基准,一套设置在底板四个角,如图3,由NC加工,另一套按1.1和1.2制作;图3检具底板11.4底板上刻注车身坐标线及X、Y、Z坐标值,车身坐标线以X、Y、Z基准面为出发面,每隔100mm或50mm为一档进行刻注,如图3,划线深度和宽度均为0.5mm,刻线须涂红(客户对颜色有要求时按客户要求涂色),如客户对百格线有特殊要求,按客户要求制作;1.5检具铭牌按客户提供格式制作好用铆钉固定在底板上显眼的部位;1.6除客户要求外,检具重量≤40KG时底板两侧须安装金属把手,如图3,检具重量>40KG时底板上须安装吊环或吊耳,如图4和图5,检具起吊时吊绳与检具本体不得存在干涉;图4检具底板2图5检具底板32.模拟块、卡板2.1模拟块表面须刻上面差、间隙标准值并涂红(客户对颜色有要求时按客户要求涂色),如面差0mm,间隙3mm,如图6:图6模拟块标识2.2两模拟块之间间隙不得大于2mm,如图7:图7模拟块间距2.3产品拐角处的模拟块不得断开,须做成一体式,如图7所示;2.4可拆模拟块须刻上名称,在检具上设置保管盒,并在保管盒上或盒旁设有安装示意图;2.5两相连模拟块之间不得有明显面差;2.6模拟块与其它本体及产品之间不能存在干涉;2.7手持模拟块须刻上对应产品名称、图号及尺寸规格,除结构无法优化外,原则上重量≤3kg,手持模拟块必须设置保管箱;2.8每一卡板上都需刻上设计尺寸规格,卡板检测部位放电加工或切削加工后确保3mm的加工结果,如图8所示图8卡板3.双开机构3.1双开机构开关须顺畅,力度合适,装件不得有松动,开关上须刻上“装件”和“取件”标识,如图9所示;图9双开机构开关3.2机构定位面上须刻上基准标识并涂红(客户对颜色有要求时按客户要求涂色),两定位表面不得有明显面差,如图10蓝色面和红色的面不得有明显面差;图10双开机构4.压紧机构4.1压紧力应能固定产品但不能使产品变形,接触点为橡胶制品或尼龙材料;4.2压紧机构压头必须垂直于产品受压点;4.3压紧顺序需在压紧夹或支架上表示;4.4压紧机构的设置需保证不影响产品的取放、测量及CMM测量;4.5压紧机构在工作时不得与检具本体及产品存在干涉;5.检测销、定位销5.1手柄部用双斜纹滚花加工或六角柱体,表面须刻上检测和定位部位规格值及检测和定位标识,如图 11;图 11检测销示意图5.2为防止销子丢失用伸缩绳固定在本体上,使用伸缩绳不要有妨碍,且尽可能短;5.3销子插入应平顺,且无松动;5.4伸缩绳固定时,销子应能自由活动,不会影响销子转动;5.5为保证产品定位的稳定性,定位销必须完全贯穿产品,因此产品定位销定位部分长度H必须大于产品的厚度h,如图12所示;图126.附件6.1通止规、面差规、百分表等附件须整齐放置在底板上;6.2当检具重量≥35kg或客户有要求时必须配备台车,台车按客户要求喷油漆,普通检具台车总高800mm左右,大型总成检具在总高不超过1400mm前提下制作台车,台车须万向轮和定向轮各两个,如图 13 和图 14图 13台车小轮布局图 14台车小轮示意图6.3 所有检具必须配备防尘罩,防尘罩必须能防水、防尘、遮阳;6.4 当客户有要求时检具需配备木箱,检具安放在木箱内须固定死,不得有松动,木箱外侧必须有如图 15 所示标识;图15三防标识三.外观要求1.百格线、刻线及附件油漆颜色须符合客户要求;2.无漏打定位销,定位销不得松动,确保定位销不是盲销;3.所有锁紧螺栓须配备弹簧垫,抽查螺栓锁紧力度,确保螺栓锁紧;4.检具本体及附件不得超过底板边界;5.表面无明显碰伤划伤,表面干净整洁;6.检具不得使用垫片调试,更不允许垫片漏在外表;7.铭牌信息须正确;8.检具所有铁件表面须做表面处理,以保证防锈、防腐、硬度等要求;9.模拟块、支撑块及底板等所有能接触到的表面须倒角,以保证不伤人;10.铸铝底板及框架不得有>2mm气孔、砂眼、结疤等缺陷;11.模拟块及基准块上需将设计标识(间隙、面差、公差值、基准名称等标识)刻出,不允许标识使用贴纸粘贴,以免时间久而脱落;四.资料检具验收资料分电子版(光盘刻录)和纸质版,具体清单如下:电子版:3D数模(UG格式和IGRES格式)最终检具设计图纸(CAD格式)《检具CMM测量报告》《检具销检报告》《检具MSA报告》(客户有专用格式,按客户格式做)《检具设计方案》(客户有专用格式,按客户格式做)《检具操作说明书》(客户有专用格式,按客户格式做)检具设计认可表、检具制造认可表纸质版:检具总装图纸《检具CMM测量报告》(须是彩色的)《检具销检报告》《检具MSA报告》(客户有专用格式,按客户格式做)《检具设计方案》(客户有专用格式,按客户格式做)《检具操作说明书》(客户有专用格式,按客户格式做)检具设计认可表、检具制造认可表。
检具定位销与检测销技术规一、目的:规定位销与检测销的设计与制作安装,提高检具品质及设计效率二、适用围:嘉和模塑检具部三、定位销-在零件夹紧和开始检测之前, 首先须将零件定位, 定位销用于将零件精确地定位于检具上。
-定位销的位置根据零件图纸RPS 系统确定 (通常每个零件设置两个定位孔)。
-定位销由导向、定位及手柄三部分组成,保证销子导向部分能够在定位孔进出自由。
-定位销的标注:在手柄凹槽标注销子牌号以及对应的RPS点名称。
-根据零件RPS特性,定位销相应设置成锥型销( A1k,A2k)或柱型销(A1z,A2z)。
-在定位孔,为保证定位销定位准确,必须安装导向轴套,导向轴套和检具型体黏结。
-定位销和相应导向轴套的结构根据孔的形状的不同要求, 分防转结构和不防转结构。
-每个定位销配置Ф2mm钢丝绳,并将其固定于检具型体的适当部位。
-销的安置:定位销和检测销用后应安放于检具本体上的相应弹簧夹里夹住。
-在检具总装图纸中,必须对定位销,定位孔有清晰的表述。
四、检测销-检测销用于对待测孔的尺寸和位置度进行检测。
-检测销由导向、检测及手柄三部分组成。
-在检测孔,为保证检测销顺利进行检测,必须安装导向轴套,导向轴套和检具型体黏结而连接。
-为保证检测销定位准确,必须安装导向轴套,导向轴套和检具型体黏结。
-检测销和相应导向轴套的结构根据待检测孔形状的不同, 分为止转结构和不止转结构。
-如果在零件上同时存在许多(>2个)相同直径和相同位置公差要求的待检测孔,而这些孔须用检测销检测,则通常设置一个检测销。
该原则同样适用于双胞胎检具。
-如果零件通过模具在同一工序加工出一组相同技术要求的孔, 则如果用检测销检测, 通常只对间距最大的两个孔检测,其他不作检测。
-为了保证检测孔在三坐标测量机测量时, 测头能够进入, 必须在孔位下设置自由面, 原则:自由面直径 :冲压件孔径+7mm,深度: 从冲压件下表面起8mm.-每个检测销配置Ф2mm钢丝绳,并将其固定于检具型体的适当部位。