建筑施工机械产权单位备案登记表(IC卡)
- 格式:xls
- 大小:13.50 KB
- 文档页数:4
建筑施工机械备案办理指南备案范围:塔式起重机、施工升降机、物料提升机、履带式起重机、门式起重机、架桥机、高处作业吊篮;桩工成孔机械;盾构机。
备案要件:1. 《建筑施工机械备案申请表》(一式二份);2. 《建筑施工机械产权单位备案登记表》和《建筑施工机械备案登记表》3. 产权单位营业执照、企业组织机构代码证(验原件,复印件盖章);(企业再次购买备案时,不再提交:)4. 施工企业产权单位资质证书或者施工机械租赁企业行业确认证书副本(验原件,复印件盖章);5. 产品合格证(验原件,复印件盖章);6. 制造许可证(建筑起重机械提供)(复印件盖章);7. 购买合同、发票(验原件,复印件盖章);外地建筑施工设备进津备案:除上款1-6项所需备案要件外还需要提交:当地备案证明(验原件,复印件盖章)、《进津建筑企业信息登记卡》或者分包交易服务卡(外地进津施工企业提供);租赁企业设备需提交《租赁企业进津备案证书》(外地租赁企业提供)。
建筑施工机械备案变更要件:1. 建筑施工机械备案产权单位变更申请表(一式两份);2. 变更合同(协议)、发票(验原件,复印件盖章);3. 天津市建筑施工机械备案证;4. 安全技术档案(包括:上个工程的安拆告知书、检验报告、使用登记表等,验原件,复印件盖章);5. 变更后产权单位营业执照、资质证书或施工机械租赁企业行业确认证书(验原件,复印件盖章)。
建筑施工机械备案补证要件:1. 建筑施工机械备案补证申请表;2. 产权单位营业执照(验原件,复印件盖章);3. 资质证书或施工机械租赁企业行业确认证书(验原件,复印件盖章);4. 委托函及受托人身份证复印件;5. 备案证遗失公告及原备案证复印件。
建筑施工机械备案注销要件:1. 建筑施工机械备案注销申请表;2. 天津市施工机械备案证。
办件流程:受理-录入-制证-办结办理期限:7个工作日办理地点:天津市河西区友谊南路与珠江道交口涟水园10号楼一楼窗口咨询电话:88385145,表格下载网址:/zlaqzd1建筑施工机械安装(拆卸)告知、使用登记办理指南安装告知安装告知的建筑施工机械范围:塔式起重机、施工升降机、物料提升机、门式起重机、架桥机、高处作业吊篮、整体提升脚手架、模板等自升式架设设施。
凡进入本市施工现场使用的建筑起重机械必须符合国家及行业标准的合格产品,其生产厂家须到天津市建设安全监督管理部门办理产品登记手续.整机及部件应取得如下:1、国家制造许可、2、型式试验报告,3、随产品配有制造许可证、4、制造监督检验证明、5、合格证书、5、使用说明书和安装说明书等(进口设备应参照本细则执行)。
未办理登记的厂家及产品,不得进入建筑施工现场.第八条建筑起重机械使用前应由产权单位提交制造许可证、监督检验证明、合格证书、购买发票、合同或相应有效凭证等资料,到市建设工程安全监督管理部门核准备案,6、取得天津市建筑起重机械统一编号(IC卡、设备标牌),7、建筑起重机械发生产权变更时应办理变更手续。
8、外埠进津施工、租赁企业自带建筑起重机械,必须办理天津市建筑起重机械设备统一编号。
第九条凡属下面情况之一的起重机械设备,不予备案:(一)属国家明令淘汰产品或禁止使用的;(二)存在严重事故隐患,没有齐全有效的安全保护装置的;(三)经检验达不到安全技术标准规定的;(四)超过安全技术标准或制造厂家规定使用年限的.(五)本市规定禁止使用的种类及规格型号的。
第十条起重机械达到规定使用年限的,应按照《建筑起重机械安全评估技术标准》JGJ/T189—2009的规定,及时进行安全评估。
超过设计规定相应荷载状态允许工作循环次数的,应作报废处理。
第四章建筑起重机械租赁第十一条建筑起重机械租赁单位应当取得工商行政管理部门核发的营业执照,并符合本市规定的租赁条件取得“建筑9、施工机械租赁行业确认证书”后,方可从事建筑起重机械的租赁活动,对所出租的机械设备要承担相应的安全责任.第十二条建筑起重机械租赁单位应按国家安全生产管理有关规定,建立健全安全生产责任制及设备管理、维修保养制度,配备专业技术人员和维修、管理人员。
第十三条建筑起重机械租赁单位出租设备时,应与承租单位签订租赁合同,同时签订安全使用协议,明确各自的安全职责。
第十四条劳务分包队伍严禁自带或租赁建筑起重机械。
天津市建筑施工机械备案(I C卡)安装(拆卸)告知使用登记服务指南一、依据1、《建设工程安全生产管理条例》(国务院令393号)2、《建筑起重机械安全监督管理规定》(建设部令166号);3、《建筑起重机械备案登记办法》(住建部建质〔2008〕76号)4、《天津市建筑起重机械安全监督管理实施细则》(建质安〔2010〕793号);5、《天津市建筑施工机械管理办法》(建筑〔2011〕1309号);6、《关于加强建筑施工机械管理工作的通知》(建筑〔2012〕77号)。
二、建筑施工机械范围办理建筑施工机械备案(IC卡申领)、安装(拆卸)告知、使用登记范围:(一)建筑起重机械,包括:塔式起重机、施工升降机、物料提升机、履带式起重机、门式起重机、架桥机、高处作业吊篮、附着升降式脚手架;(二)桩工成孔机械,包括:打桩机、压桩机、成孔机、地连墙抓斗机、插板桩机;(三)盾构机械。
三、办理建筑施工机械备案(IC卡)申请(一)申请要件1、《建筑施工机械备案(IC卡)申请表》(一式二份);2、《建筑施工机械产权单位备案登记表》;3、《建筑施工机械备案登记表》;4、产权单位营业执照(验原件,复印件盖章);5、企业组织机构代码证(验原件,复印件盖章);6、施工企业产权单位资质证书(验原件,复印件盖章);7、施工机械租赁企业行业确认证书(验原件,复印件盖章);8、外地进津企业备案证明(验原件,复印件盖章);9、制造许可证(建筑起重机械提供)(验原件,复印件盖章);10、产品合格证,2份(验原件,复印件盖章);11、制造监督检验证明(建筑起重机械提供,其中高处作业吊篮、附着升降式脚手架除外)(验原件,复印件盖章);12、购买合同、发票或相应有效凭证(验原件,复印件盖章);对外地建筑施工机械进入我市使用的,需提供当地建筑起重机械备案证明及上述前8项资料办理。
(二)申请流程1、申请报件。
施工机械产权单位到备案窗口提交IC卡申请要件,初审合格后,备案窗口受理,并在《建筑施工机械备案(IC卡)申请表》中预约领取IC卡时间;2、实物核查。
建筑施工机械备案办理指南备案范围:塔式起重机、施工升降机、物料提升机、履带式起重机、门式起重机、架桥机、高处作业吊篮;桩工成孔机械;盾构机。
备案要件:1. 《建筑施工机械备案申请表》(一式二份);2. 《建筑施工机械产权单位备案登记表》和《建筑施工机械备案登记表》3. 产权单位营业执照、企业组织机构代码证(验原件,复印件盖章);(企业再次购买备案时,不再提交:)4. 施工企业产权单位资质证书或者施工机械租赁企业行业确认证书副本(验原件,复印件盖章);5. 产品合格证(验原件,复印件盖章);6. 制造许可证(建筑起重机械提供)(复印件盖章);7. 购买合同、发票(验原件,复印件盖章);外地建筑施工设备进津备案:除上款1-6项所需备案要件外还需要提交:当地备案证明(验原件,复印件盖章)、《进津建筑企业信息登记卡》或者分包交易服务卡(外地进津施工企业提供);租赁企业设备需提交《租赁企业进津备案证书》(外地租赁企业提供)。
建筑施工机械备案变更要件:1. 建筑施工机械备案产权单位变更申请表(一式两份);2. 变更合同(协议)、发票(验原件,复印件盖章);3. 天津市建筑施工机械备案证;4. 安全技术档案(包括:上个工程的安拆告知书、检验报告、使用登记表等,验原件,复印件盖章);5. 变更后产权单位营业执照、资质证书或施工机械租赁企业行业确认证书(验原件,复印件盖章)。
建筑施工机械备案补证要件:1. 建筑施工机械备案补证申请表;2. 产权单位营业执照(验原件,复印件盖章);3. 资质证书或施工机械租赁企业行业确认证书(验原件,复印件盖章);4. 委托函及受托人身份证复印件;5. 备案证遗失公告及原备案证复印件。
建筑施工机械备案注销要件:1. 建筑施工机械备案注销申请表;2. 天津市施工机械备案证。
办件流程:受理-录入-制证-办结办理期限:7个工作日办理地点:天津市河西区友谊南路与珠江道交口涟水园10号楼一楼窗口咨询电话:88385145,表格下载网址:/zlaqzd建筑施工机械安装(拆卸)告知、使用登记办理指南安装告知安装告知的建筑施工机械范围:塔式起重机、施工升降机、物料提升机、门式起重机、架桥机、高处作业吊篮、整体提升脚手架、模板等自升式架设设施。
建筑起重机械使用登记表(最新版)编制人:__________________审核人:__________________审批人:__________________编制单位:__________________编制时间:____年____月____日序言下载提示:该文档是本店铺精心编制而成的,希望大家下载后,能够帮助大家解决实际问题。
文档下载后可定制修改,请根据实际需要进行调整和使用,谢谢!并且,本店铺为大家提供各种类型的安全管理制度,如通用安全、交通运输、矿山安全、石油化工、建筑安全、机械安全、电力安全、其他安全等等制度,想了解不同制度格式和写法,敬请关注!Download tips: This document is carefully compiled by this editor. I hope that after you download it, it can help you solve practical problems. The document can be customized and modified after downloading, please adjust and use it according to actual needs, thank you!In addition, this shop provides you with various types of safety management systems, such as general safety, transportation, mine safety, petrochemical, construction safety, machinery safety, electrical safety, other safety, etc. systems, I want to know the format and writing of different systems ,stay tuned!建筑起重机械使用登记表使用单位(章):联系人:联系电话:说明:(一)本表一式三份,使用登记机关、监理单位及使用单位各一份。
附件3山东省建筑起重机械产权备案申请表申请单位:申请日期:年月日山东省建筑工程管理局制填写说明1、申请单位:即建筑起重机械产权单位,应填写全称,并且名称与公章必须一致。
2、使用性质:填写出租、自用。
3、单位地址:填写申请单位的详细地址,包括省(自治区、直辖市)、市(地)、县(市、区)、路(街道、社区、乡)、号(村)等。
4、企业法人营业执照注册号:工商部门发放营业执照上的统一编制注册号。
5、经济类型:按照国家有关规定填写单位的经济类型,如国有、集体、股份、私营、个体、外商独资等。
6、组织机构代码:申请单位向组织机构代码管理部门申请取得的代码,该代码作为信息管理追溯的代号,对于一个申请单位来说,必须保证具有其唯一性。
7、固定资产:与申请单位相关的厂房、设备等固定资产。
8、注册资金:在工商注册的资金。
9、法定代表人:填写申请单位合法的代表人,必须与营业执照一致。
10、申请单位应向备案登记机关提交以下资料:(1)企业法人营业执照副本(原件及复印件);(2)设备购销合同、发票复印件或相应有效证明文件;(3)特种设备制造许可证(原件及复印件);(4)制造监督检验证明(原件及复印件);(5)省备案证明;(6)产品合格证(原件及复印件);(7)备案登记机关规定的其他资料。
设备购销合同、发票复印件资料不齐全的,由产权单位和生产制造单位提交有效证明文件;未实行制造许可的,提交省级以上建筑工程管理部门组织的产品鉴定证明;2006年10月1日以前出厂的建筑起重机械,不能提供制造监督检验证明的,应提供由法定特种设备检验检测机构出具的设备安全性能技术鉴定报告;达到国家规定达到国家规定的出厂年限的,应提交省级以上具备相应资格评估机构出具的评估报告;出租的设备,应提交出租单位具备机械设备安全性能自检能力的证明文件;进口的设备,应提交国家规定的相关文件。
11、资料复印件应当加盖产权单位公章,产权单位对所提供资料的真实性负责。
12、产权备案编号由备案登记机关统一编号并填写。
建筑施工机械安装(拆除)告知书安装单位:编号:
填报人:电话:
建筑施工机械使用登记表
备案编号:验收日期:年月日
备案编号:验收日期:年月日
高处作业吊篮安装自检表
续表
整改后合格×=不合格无=无此项
津建安-施-77高处作业吊篮安全检查表
津建安-施-78高处作业吊篮作业前安全隐患排查表
津建安—施-49
高处作业吊篮安装(拆卸)监控记录表
填表单位(盖章):作业名称:
此表为起重机械、高处作业吊篮、附着脚手架、整体提升模板的安装(含附着、加高、拆卸)施工作业过程监督;安装单位、。
建设部建质号关于印发建筑起重机械备案登记办法的通知Document serial number【KK89K-LLS98YT-SS8CB-SSUT-SST108】关于印发《建筑起重机械备案登记办法》的通知建质[2008]76号各省、自治区建设厅,直辖市建委,江苏省、山东省建管局,新疆生产建设兵团建设局:现将《建筑起重机械备案登记办法》印发给你们,请结合本地区实际贯彻执行。
中华人民共和国住房和城乡建设部二〇〇八年四月十八日建筑起重机械备案登记办法第一条为加强建筑起重机械备案登记管理,根据《建筑起重机械安全监督管理规定》(建设部令第166号),制定本办法。
第二条本办法所称建筑起重机械备案登记包括建筑起重机械备案、安装(拆卸)告知和使用登记。
第三条县级以上地方人民政府建设主管部门可以使用计算机信息管理系统办理建筑起重机械备案登记,并建立数据库。
县级以上地方人民政府建设主管部门应当提供本行政区域内建筑起重机械备案登记查询服务。
第四条出租、安装、使用单位应当按规定提交建筑起重机械备案登记资料,并对所提供资料的真实性负责。
县级以上地方人民政府建设主管部门应当建立建筑起重机械备案登记诚信考核制度。
第五条建筑起重机械出租单位或者自购建筑起重机械使用单位(以下简称“产权单位”)在建筑起重机械首次出租或安装前,应当向本单位工商注册所在地县级以上地方人民政府建设主管部门(以下简称“设备备案机关”)办理备案。
第六条产权单位在办理备案手续时,应当向设备备案机关提交以下资料:(一)产权单位法人营业执照副本;(二)特种设备制造许可证;(三)产品合格证;(四)制造监督检验证明;(五)建筑起重机械设备购销合同、发票或相应有效凭证;(六)设备备案机关规定的其他资料。
所有资料复印件应当加盖产权单位公章。
第七条设备备案机关应当自收到产权单位提交的备案资料之日起7个工作日内,对符合备案条件且资料齐全的建筑起重机械进行编号,向产权单位核发建筑起重机械备案证明。
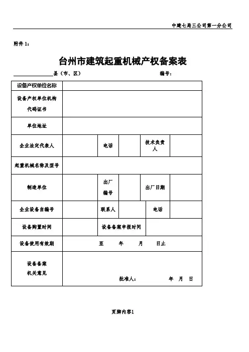
附件1:台州市建筑起重机械产权备案表县(市、区)编号:页脚内容1说明:1.本表一式三联,第一联交各地建设工程质量安全监督机构办理装拆使用登记、第二联备案管理部门留存、第三联建筑起重机械设备产权单位存档。
(三联式各地自制)2.交表时应提交下列资料并装订成册:(1)产权单位法人营业执照副本;(2)特种设备制造许可证;(3)产品合格证;(4)制造监督检验证明;(5)建筑起重机械设备购销合同、发票或相应凭证;(6)安全技术档案含安装使用保养说明、检验维修保养记录等。
(所有资料复印件应当加盖产权单位公章)3.备案资料如有变更,应到原备案机关办理备案注销手续并应重新办理备案。
页脚内容2附件2:台州市建筑起重机械备案编号规则一、建筑起重机械备案编号:XXX— X XXXXX(1)(2)(3)其中:(1)起重机械备案属地代号——第一位“X”表示省(区)的简称,我省为“浙”;第二位“X”为设区市的英文字母代号,我市为J;第三位“X”为县(市、区)的英文字母代号。
县(市、区)的英文字母代号具体为椒江J、黄岩H、路桥Q、临海L、温岭W、玉环Y、天台T、仙居X、三门S、台州湾循环经济产业集聚区C、台州经济开发区K。
(2)起重机械规格型号——“X”表示起重机械类别英文字母代号(具体见下表)。
起重机械规格型号代号对照表(3)起重机械备案序号——“XXXXX”表示五位阿拉伯数字备案序号,由县(市、区)从00001开始流水编号。
二、示例:浙JJ—T00001表示:浙江省台州市椒江区进行起重机械备案的第一台塔式起重机,备案序号为00001号。
页脚内容3附件3:台州市建筑起重机械备案登记汇总表填报单位:(章)填表日期:年月日页脚内容4附件4:台州市建筑起重机械产权备案注销表编号:页脚内容5说明:1.本表一式二份,一份交备案管理部门,另一份建筑起重机械设备产权单位自留;2.交表时附上原有建筑起重机械产权备案表原件第二联。
页脚内容6附件5:台州市建筑起重机械设备安装(拆卸)告知表安装(拆卸)单位(章):联系人:联系电话:页脚内容7页脚内容8说明:本表一式五份,相关单位各留一份,另一份交建设工程质量安全监督机构用于办理使用登记。
建筑起重机械办理备案、使用登记的程序:1、建筑起重机械备案登记包括建筑起重机械设备备案、安装(拆卸)告知和使用登记。
建筑起重机械设备的备案、安装(拆卸)告知和使用管理分别由设备产权单位、安装(拆卸)单位、使用单位申请办理。
2、(备案)产权单位在办理备案手续时,应当向设备备案机关提交以下资料:(一)《河南省建筑起重机械设备备案申请表》;(二)产权单位法人营业执照副本;(三)购销合同或发票、特种设备制造许可证、明细表、产品合格证;制造监督检验证明;安装使用说明书等原始资料;(四)查看备案产品实物(五)购置3三年以上的建筑起重机械设备近两年内检测单位出具的性能及安全装置检测报告历次安装拆卸等日常管理资料。
所提交资料应为原件,复印件应当加盖产权单位公章留存。
3、(安装)从事建筑起重机械安装、拆卸活动的单位(以下简称“安装单位”)办理建筑起重机械安装(拆卸)告知手续前,应当将以下资料报送施工总承包单位、监理单位审核:(一)建筑起重机械备案证明、安装单位资质证书、营业执照、安全生产许可证副本;(二)建筑起重机械安装(拆卸)工程专项施工方案;(三)安装单位与使用单位签订的安装(拆卸)合同及安装单位与施工总承包单位签订的安全协议书;(四)安装单位负责建筑起重机械安装(拆卸)工程专职安全生产管理人员、专业技术人员及特种作业人员名单及证书;(五)建筑起重机械安装(拆卸)工程生产安全事故应急救援预案;(六)辅助起重机械设备资料;(七)提供现场毗邻建筑物构筑物供电管线基础等相关资料;(八)施工总承包单位、监理单位要求的其他资料。
4、(使用)使用单位在办理建筑起重机械使用登记时,应当向使用登记机关提交下列资料:(一)《河南省建筑起重机械设备使用登记表》;(二)建筑起重机械备案证明;安、拆告知回复书。
(三)建筑起重机械租赁合同(非租赁设备不提供本项材料);(四)建筑起重机械设备定期检验及安装后检验检测报告和安装验收资料;(五)使用单位现场特种作业人员资格证书;(六)建筑起重机械设备使用、维护保养等管理制度;(七)建筑起重机械生产安全事故应急救援预案;(八)使用登记机关规定的其他资料。
关于建筑起重机械使用登记程序及相关管理工作的通知建质安总[2010]14号签发人:翟家常关于建筑起重机械使用登记程序及相关管理工作的通知各区、县建委,滨海新区规建局,各功能经济区建发局,各集团(总)公司,各有关单位:依据《关于进一步加强我市建筑施工机械监督管理的通知》(建质安总【2009】6号)等文件要求,为加强我市建筑起重机械的监督管理,规范建筑起重机械使用登记程序及管理工作,现将有关事项通知如下:一、建筑起重机械使用登记管理1、安装单位在安装建筑起重机械前必须填写《建筑起重机械安装(拆卸)告知表》,报送所属市、区(县)建设安全监督管理部门。
2、使用单位在建筑起重机械安装调试完毕,检测合格并经总包、监理、使用、安装单位进行联合验收合格后,于30日内到各建设安全监督管理部门办理使用登记手续。
办理使用登记时需提交资料如下:(1)施工起重机械登记表(1式4份);(2)建筑工程起重机械IC卡(原件及复印件);(3)安拆作业人员上岗证书;(4)安装拆卸合同(安装单位与委托单位);(5)安装拆卸安全协议(安装单位与总承包单位);(6)外地安装单位进津备案证明;(7)检验检测机构出具的检验检测证明(原件及复印件);(8)总包、监理、使用、安装单位联合验收表(原件);(9)司机、指挥、司索等特种作业人员资格证书(原件及复印件);(10)建筑起重机械维护保养等管理制度;(11)建筑起重机械生产安全事故应急预案;(12)建筑起重机械租赁合同(正本);(13)建筑起重机械安全使用协议(正本);(14)建筑起重机械租赁行业确认证书;3、市、区(县)建设安全管理部门应审核使用登记资料及证书(证书原件验后退回),合格受理后7个工作日内批复,发放《施工起重机械使用登记证》(牌)。
4、安装单位在拆卸建筑起重机械前2日内,必须填写《建筑起重机械安装(拆卸)告知表》,方可拆卸作业。
5、建筑起重机械拆卸完毕后,使用单位应到主管部门办理注销《施工起重机械使用登记证》(牌)手续。
附件1建筑起重机械设备备案登记编号规则1、建筑起重机械设备备案编号:豫备AX -X - XXXX - XXXX(1)(2)(3)(4)2、建筑起重机械设备使用登记编号:豫登AX -X- XXXX- XXXXX(5)(6)(7)(8)其中:(1)设备产权属地代号——共四位。
前三位“豫备A”为固定编号,第四位的“X”为县(市)、上街区的代号:巩义市为G,登封市为D,新密市为M,荥阳市为Y,新郑市为X,中牟县为Z,上街区为S。
市管代号为A。
(2)起重机械类别代号(见《代号对照表》)。
(3)设备备案时间——“XXXX”表示四位数字,前两位表示年份的后两位字;后两位表示月份。
(4)设备备案序号——“XXXX”表示四位数字,从0001开始编号。
(5)工程所在地代号——共四位。
前三位“豫登A”为固定编号;第四位的“X”为县(市)、上街区的代号:巩义市为G,登封市为D,新密市为M,荥阳市为Y,新郑市为X,中牟县为Z,上街区为S。
市管代号为A。
(6)起重机械类别代号(见《代号对照表》)。
(7)使用登记时间——“XXXX”表示四位数字。
前两位表示年份的后两位数字;后两位表示月份。
(8)使用登记序号——“XXXX”表示四位数字,从0001开始编号。
4、示例例1:豫备AZT07120001表示:2007年12月在河南省郑州市中牟县进行产权备案的一台塔式起重机,设备备案号为0001号。
例2:豫登AZT08010001表示:2008年1月在河南省郑州市中牟县进行使用登记一台塔式起重机械,使用登记号为0001号。
附件2郑州市建筑起重机械设备备案申请表附件3郑州市建筑起重机械设备备案证郑州市建设委员会制郑州市建筑起重机械设备备案证郑州市建筑起重机械设备备案牌郑州市建筑起重机械设备使用登记证注:高×宽=18㎝×26㎝附件5郑州市建筑起重机械设备使用登记申请表注:1、此表作安装验收表使用的,各参加验收单位应各存档一份;2、检测单位不参加安装验收的,可不再本表上盖章;3、产权单位应与设备备案单位名称一致。
上海市建筑起重机械产权备案登记表
(施工升降机)
登记单位(盖章):
*登记者承诺:本表填写内容正确无误,并承担相应的责任。
法人代表签名:
备案联系人:联系电话:
企业负责人:联系电话:
登记单位地址:
登记日期:
产权单位提供资料:
产权单位营业执照制造许可证产品合格证制造监督检验证明
购销合同、发票或凭证说明书产权备案证(外省市企业提供)设备铭牌(照片打印)以上资料纸复印并加盖产权单位公章。
随带原件复核。
注:该表格可在“.上海市建设安全协会”网站下载。
附件1建筑起重机械设备备案登记编号规则1、建筑起重机械设备备案编号:豫备AX -X - XXXX - XXXX(1)(2)(3)(4)2、建筑起重机械设备使用登记编号:豫登AX -X- XXXX- XXXXX(5)(6)(7)(8)其中:(1)设备产权属地代号——共四位。
前三位“豫备A”为固定编号,第四位的“X”为县(市)、上街区的代号:巩义市为G,登封市为D,新密市为M,荥阳市为Y,新郑市为X,中牟县为Z,上街区为S。
市管代号为A。
(2)起重机械类别代号(见《代号对照表》)。
(3)设备备案时间——“XXXX”表示四位数字,前两位表示年份的后两位字;后两位表示月份。
(4)设备备案序号——“XXXX”表示四位数字,从0001开始编号。
(5)工程所在地代号——共四位。
前三位“豫登A”为固定编号;第四位的“X”为县(市)、上街区的代号:巩义市为G,登封市为D,新密市为M,荥阳市为Y,新郑市为X,中牟县为Z,上街区为S。
市管代号为A。
(6)起重机械类别代号(见《代号对照表》)。
(7)使用登记时间——“XXXX”表示四位数字。
前两位表示年份的后两位数字;后两位表示月份。
(8)使用登记序号——“XXXX”表示四位数字,从0001开始编号。
4、示例例1:豫备AZT07120001表示:2007年12月在河南省郑州市中牟县进行产权备案的一台塔式起重机,设备备案号为0001号。
例2:豫登AZT08010001表示:2008年1月在河南省郑州市中牟县进行使用登记一台塔式起重机械,使用登记号为0001号。
附件2郑州市建筑起重机械设备备案申请表附件3郑州市建筑起重机械设备备案证郑州市建设委员会制郑州市建筑起重机械设备备案证郑州市建筑起重机械设备备案牌郑州市建筑起重机械设备使用登记证注:高×宽=18㎝×26㎝附件5郑州市建筑起重机械设备使用登记申请表注:1、此表作安装验收表使用的,各参加验收单位应各存档一份;2、检测单位不参加安装验收的,可不再本表上盖章;3、产权单位应与设备备案单位名称一致。