货物一览表及技术、服务要求
- 格式:doc
- 大小:534.50 KB
- 文档页数:14
1采购货物需求书1.1货物需求一览表1.2.技术与服务要求1.2.1 (一)激光超短焦投影检测报告证明材料复印件佐证原件备查;10. 整机IP5X级增压防尘设计,光源系统IP6X级密闭设计,整机无滤网;提供带有CNAS标识的国家认可的检测机构出具的有效检测报告证明材料复印件佐证原件备查;11. 3D技术:多种3D模式,支持DLP link3D,支持3D课堂;12. 散热系统:采用铜管液冷散热技术;13. 光源寿命:》25000小时,生产厂豕需要出具的光源寿命证明;14. 照度均匀性:》80%15. 整机功耗:最大功耗w 380W,待机功耗v 0.5W;16. 控制方式:支持无线遥控器,网络RJ45和RS-232控制;17. 丰富接口:输入:HDMI*2; RGB*2; Video(RCA)*1; S-Video*1; Audioin(L/R)--RCA*1; Audio in (mini jack,3.5mm ) *1; MIC*1 , Audio*1 (3.5minijack ),控制:USB-B*1; RS232*1 ;RJ45*118. 多种功能:镜头居中,内置测试图片模板,单机3D显示,电动聚焦,自动信号搜索,DICOM莫式,360。
投影,多种环境投影模式,自动梯形校正土40度(垂直方向),面板按键,7X24小时连续运行19. 投影机平均无故障时间》50000小时,提供带有CNAS标识的国豕认可的检测机构出具的有效检测报告证明材料复印件佐证20. 整机重量:w 8.5kg21. ★投影机整机保修(含光源)五年;2红外智能触摸电子白板一体机1、一体化设计:多点红外电子白板、智能中控系统、无线麦克风、立体声功放音响、RFID刷卡、抽拉式一体机电脑等设备,非拼接式结构,增强整机结构强度;一体机控制部分及音响位于白板一体机底部腔体;2、整机尺寸与结构:外形尺寸》100英寸(2202mm* 1271mm* 85mm投影比例:16:9 ,采用底部腔体对称结构,四角采用塑料包角设计,提高产品使用的安全系数;3、边框:采用金属铝材质,阳极氧化表面处理,超窄设计:左右边框宽度w 22mm 底部腔体宽度w 72mm白板技术:采用发射与接收相冋数量红外管的红外感应技术,HID免驱,支持10点触控及同步书写;响应速度》8m/s,定位精度w 0.05mm光标速度》480点/s ,白板分辨率:>32768X 32768;4、白板快捷键:左右两侧带中文标识的丝印,快捷键位置位于左右两侧下方,降低用户使用难度;单边采用3段分组式15个快捷键,快捷键中带有触控开关、授课软件开关键、显示桌面、且至少有一个自定义快捷键方便用户使用;5、可通过手势实现智能熄屏与唤醒,可轻松实现投影教学与传统板书的模式切换;6、触摸触控开关快捷键,可关闭白板触控功能,防止飞虫接触板面造成程序干扰与书与影响,但PPT模式下可通过板面快捷键控制上/下翻页功能;7、智能中控系统参数:a) 中控面板采用电容式触摸按键,可支持一体机整机一键开关机、电脑开关机、投影机开关机、3个通道视频信号切换、音量加、音量减、静音等;b) 指示灯:具有整机一键开关机、电脑开关机、投影机开关机、视频信号切换、音量加、音量减、静音的状态指示灯,用户可根据指示灯的提示进行操作,防止误操作;c) 信号输入选择:可切换包括内置电脑、前置HDMI中控HDMI的音视频信号;8、前面板接口:USB2.0*2,智能USB输入*1 , HDMI输入*1 , USB3.0*1 与VGA*1;(二)86寸交互智能平板整机温度、一键黑屏的功能。
第八章物资需求一览表及技术规格1.设备需求一览表1.1设备名称数量:A包-1:高档全数字彩色多普勒超声诊断系统(B超) 2台A包-2:全数字化全身应用型高档便携彩色多普勒超声波诊断仪〔B〕1台2.(A包-1)高档全数字彩色多普勒超声诊断系统(B超)的要求:2.1设备用途:2.1.1要紧用于心脏、腹部、妇产科、胎儿、外周血管、小器官/骨骼肌肉/神经、及经颅多普勒等常规诊断和科研工作;2.1.2该超声设备必须具备高机械指数和低机械指数比照超声造影成像技术及造影定量分析软件;2.1.3此系统必须具有极佳的深部成像技术,以利于胖胖病人的超声检查和诊断;2.1.4系统要具有升级能力的设计,以满足今后扩展新的临床应用的需求;2.2要紧技术规格及系统概述2.2.1系统概述:2.2.1.1全数字化超声成像系统;2.2.1.2全数字化多波束形成器;2.2.1.3发射与接收数字通道数≥57000;2.2.1.4系统动态范围≥200dB;2.2.1.5二维灰阶成像单元及M型显示;2.2.1.6频谱多普勒(脉冲涉及连续波)显示及分析单元;2.2.1.7彩色多普勒单元;2.2.1.8梯形成像技术;2.2.1.9全身组织二次谐波成像功能:心脏、腹部、高频探头均具有组织谐波功能,且每种探头基波频率≥3组、组织谐波成像中心频率≥3组,所有频率均可在屏幕上显示具体数值;2.2.1.10全身低机械指数(MI)实时造影谐波成像技术,要求腹部、小器官探头均具有低机械指数实时造影功能,同时具有基波、谐波双幅实时比照造影成像功能;2.2.1.11*具备在机超声造影剂时刻强度定量分析技术(TIC),能自动从组织灌注数据中捕捉微血管信号并进行微血管成像;必须具备团注-指示剂稀释曲曲折折线及连续注射-再灌注曲曲折折线两种算法进行分析,能够用彩色图标识如达峰时刻、峰值强度及曲曲折折线下面积等,能够对造影剂峰值强度、平均强度、灌注曲曲折折线下面积、到达灌注峰值时刻等多参数进行在线测量分析,测量感爱好区可复制、感爱好区数量≥30个;2.2.1.12组织自动优化技术;2.2.1.13内置一体化超声图像工作站;2.2.1.14系统必须具备血管增强功能,通过数字化减影技术有效增强外周血管、颈动脉、眼部血管、妇产科、腹部肿瘤、胎儿心血管系统、胎盘肿瘤的血管和微小血管管壁、管腔、血管内膜等结构的显示能力;2.2.1.15系统必须具备内窥镜模式三维成像技术〔一套〕,能够使用模拟光源从不同角度角并角度从外表及内部照耀三维结构;2.2.1.16系统必须具备宽景成像及彩色宽景成像技术;2.2.1.17*系统必须具备心肌组织多普勒成像技术〔一套〕,具有多普勒组织速度图模式(DTV)、多普勒组织能量图模式(DTE)、多普勒组织加速度图模式(DTA)、多普勒组织频谱图模式(DT-PW)、多普勒组织M型模式(DT-M);〔请附图片〕;2.2.1.18*系统必须具备三维重建,彩色三维及实时三维〔四维〕成像功能〔一套〕;2.2.1.19连通性:医学数字图像和DICOM3.0标准接口及相应软件;2.2.2系统通用功能:2.2.2.1*彩色监视器:≥19英寸高分辨率彩色纯平超薄液晶监视器,无闪耀,不间断逐行扫描,可上下左右任意旋转;2.2.2.2系统具有超声图像剪贴板功能,操作者能够选择是否将已存储图像直截了当显示在屏幕上;2.2.2.3发射与接收数字通道数≥57000;2.2.2.4数字化声束形成器,动态聚焦,动态变迹孔径可调,多倍信号并行处理;2.2.2.5发射声束聚焦:≥8段,接收自动连续聚焦;2.2.2.6探头接口选择:≥3种,可靠性好、高信噪比,可同时连接多维探头、高密度探头及透镜探头或纯洁波探头;2.2.2.7预设条件:针对不同的检查脏器,预置最正确化图像的检查条件,减少操作时的调节,及常用所需的外部调节及组合调节;2.2.2.8组织自动优化技术,包括二维及多普勒;2.2.2.9三同步显示功能:二维、彩色多普勒和频谱多普勒同时同屏显示;2.2.2.10静态和动态存储图像,(电影)重现单元,双幅回放动态对比;2.2.2.11连通性:DICOM3.0标准接口及相应软件;2.2.2.12输出功率可调(2D,CFM,Doppler)≥8级,符合国标;2.2.3探头规格:2.2.3.1探头接口≥3个,低信噪比,无针式接口技术;2.2.3.2电子线阵、电子凸阵探头有效阵元数≥256;2.2.3.3具有侧向动态聚焦功能;2.2.3.4电子相控阵探头(3.0MHz–8.0MHz):1个;2.2.3.5电子线阵探头(4.0MHz-9.0MHz):1个;(5.0MHz–14.0MHz):1个;2.2.3.6电子凸阵探头(2.0MHz-4.0MHz):2个;(2.0MHz–6.0MHz):1个;2.2.3.7经阴道/腔内探头(5.0-9.0MHz),成像角度≥150°:1个;2.2.3.8电子凸阵容积探头(2.0MHz–7.0MHz):1个;2.2.3.9可配相应凸阵、线阵探头穿刺架;2.2.3.10所有探头均具备低机械指数造影的功能及二次组织谐波功能;2.2.3.11频率:超宽频带或变频探头,可视可调基波中心频率≥3种,彩色与多普勒图像可选频率≥3种,二维、彩色、多普勒均可独立变频;2.2.3.12B/D兼用:电子相控阵:B/PWD及B/CWD;电子凸阵:B/PWD;电子线阵:B/PWD;2.2.4二维显像参数:2.2.4.1二维灰阶成像:≥256灰阶;2.2.4.2*系统动态范围≥200dB,可视可调动态范围≥90dB;可视可精确调节动态范围≥90dB,且可1dB的进行微调节,也能够5dB调节;2.2.4.3扫描线:每帧线密度≥512超声线;2.2.4.4*扫描深度≥30 cm;线阵探头最浅扫描深度≤;2.2.4.5系统具有图像不失确实数字化局部放大功能;2.2.4.6单幅图像回放≥400幅;2.2.4.7增益调节:B/M可独立调节;8段TGC增益补偿;2.2.5频谱多普勒:2.2.5.1方式:脉冲波多普勒(PWD)、连续波多普勒(CWD)、高脉冲重复频率(HPRF);2.2.5.2发射频率:电子凸阵:PWD:2.0MHz-4.0MHz;电子线阵:PWD:5.0MHz-9.0MHz;2.2.5.3最大测量速度:(基线为零时)PWD:≥7.6 m/s;CWD:≥10.2 m/s;2.2.5.4最低测量速度:≤1.0 mm/s(非噪声信号);(要求附最低流速测量照片)2.2.5.5频谱回放≥30秒;2.2.5.6取样宽度及位置范围:宽度1 mm至20 mm;分级可调;2.2.5.7滤波器:高通滤波或低通滤波两种,分级选择;PWD:高通≥10级,低通≥5级;CWD:高通≥8级,低通≥5级;2.2.5.8显示和操纵:反转显示(左/右:上/下)零移位、B刷新(手控、时刻、ECG同步)、D扩展、B/D扩展,局放及移位;2.2.5.9自动包络频谱并完成频谱测量计算;2.2.6彩色多普勒:2.2.6.1多声束彩色多普勒成像,具有彩色速度图、能量图;2.2.6.2彩色显示帧频:相控阵探头,显示角度85°,深度18 cm,最高线密度时可视帧频≥10帧/秒;2.2.6.3扇形扫描角度:-1090°选择;2.2.6.4显示:B/CDV,B/CDV/PW,B/CDV/CW;2.2.6.5显示操纵:零位移动、黑白与彩色对比、彩色比照;2.2.6.6显示位置调整:线阵扫描,感爱好的显示范围:-20°~+20°可调;2.2.7测量与分析:2.2.7.1一般测量;2.2.7.2产科测量;2.2.7.2.1全面的产科测量和计算软件,具有早、中、晚期胎儿孕龄、体重评估,多种生长曲曲折折线显示;2.2.7.2.2*系统能够自动进行胎儿生理指数的测量,如双顶径、头围、腹围、股骨长、肱骨长、头臀长;(请提供厂家证实文件及照片)2.2.7.2.3*具有胎儿先天畸形、染色体疾病筛查多项指标,可达40多项,具有下颔骨、NT胎儿颈项透明膜厚度测量;(请提供照片)2.2.7.2.4专用的胎儿心脏二维、彩色多普勒和M型测量和计算软件;2.2.7.2.5可同时测量4胞胎以上的生理指数;2.2.7.3外周血管测量;2.2.7.4多普勒血流测量与分析;2.2.8信号输进/输出:2.2.8.1输进信号:VCR、外部复合视频或SVHS;2.2.8.2输出信号:RGB、彩色视频、SVHS、内置以太网、RS232接口、USB;2.2.9图像治理与记录装置:2.2.9.1内置一体化超声工作站:数字化储存静态及动态图像,硬盘容量≥160GB;2.2.9.2超声图像存档与病案治理系统;2.2.9.3*主机配有内置可读写DVD/CD-ROM,并具有后台刻录功能,即在实时扫描病人的同时能够刻录DVD或CD。
第八章货物需求一览表及技术规范以下条款中打“*”号的条款为实质性响应条款,如投标人的《投标文件》中不满足任何一项实质性条款,为不实质性响应《招标文件》,其《投标文件》将被拒绝。
第一包一、项目进度要求(1)项目工期:在签订合同之日起20个自然日内完成所有设备的到货、安装、调试;(2)交货地点:采购人指定地点。
(3)项目验收:验收阶段,进行功能和性能的验收测试。
从所采购设备和系统集成的功能性、稳定性、安全性、可维护性及系统文档、管理规范等方面组织全面验收。
验收安排分为系统初验、系统试运行和系统终验。
二、技术培训要求(1)现场培训:在设备安装部署、调试及故障处理过程中,中标方提供对采购人相关管理人员进行现场培训,熟悉现场安装环境、体系架构、设备操作及日常维护工作,便于管理人员日常维护管理。
(2)集中培训:中标方提供与本项目建设、管理、日常维护有关的国内集中系统培训,要求培训时间为10天,设备原厂商提供的专业知识培训不少于2天。
中标方提供集中培训的课程内容与安排、培训地点,指定授课教师。
在培训过程中因租用教室与设备、聘请教师、打印材料等所产生的全部费用由中标方承担。
三、质量保证期该包所有产品均需3年的质量保证期及相关的服务,除非有特别的要求需另行说明的,在设备技术要求中也列明所需的质保,中标者被视为承诺承担对应的服务,并要做出相应的书面承诺。
在IT硬件部分所列产品,中标方在相应服务期限内提供更换备品、备件服务,以保障系统正常运行。
四、技术服务要求(1)服务要求投标公司需要提供3年5*8的驻场服务,人员不少于1人,驻场工程师必须具备所投交换机设备厂家中高级认证证书。
在质量保证期间,提供7×24小时技术支持和服务。
服务方式应包括但不限于:电话技术服务、远程技术支持服务、现场技术服务、定期巡查服务、系统性能优化、技术升级服务等。
(2)维护响应时间如系统出现故障,应提供7×24小时的技术支持与服务,中标人必须在1小时内对用户所提出的维护要求作出实质性响应。
货物需求及技术规格第一部分火碱第一条货物规格第二条消毒药的质量要求*本次采购的消毒药为片状工业用氢氧化钠(火碱),有效含量不少于99%。
包装规格为每袋25公斤,符合国家GB209-2006《工业用氢氧化钠》规定。
提供生产厂家的营业执照、危险化学品经营许可证、全国工业产品生产许可证、厂家检测报告、市级产品质量监督检测报告。
注:*为必须满足的技术参数,否则为无效投标,所提供的商务参数及有关材料需有相关复印件佐证材料,现场携带原件备查。
第三条消毒药包装(1)消毒药应使用符合国家有关规定的原厂包装,包装为二层塑料袋,外层为塑料编织袋,内层为塑料内膜袋;运输过程应提供额外的包装箱;(2)外包装应能够适应远距离运输、防潮、防震、防变质、防野蛮装卸;额外包装不得另行收费。
(3)每一个包装箱内除货物外,还应包含详细装箱单、质量检验报告书、产品合格证;包装箱外应根据合同的要求具有适当的运输标记。
第四条交货地点根据甲方订货通知确定的内容,由乙方负责送货到甲方指定的每个畜禽场指定位置。
*送货地点为甲方指定的畜禽场。
第五条交货期*根据采购要求,乙方应自确认甲方订货通知之时起京津冀地区48小时内必须送到货物;其他地区72小时内送到货物。
如发生防疫紧急情况急需使用的,乙方应按甲方要求当天供货,若乙方不能在甲方规定期限内供货的,甲方有权另行采购。
第六条技术支持及服务厂家提供免费技术支持,并根据甲方要求提供免费消毒效果监测方案。
注:*为必须满足的技术参数,否则为无效投标,所提供的商务参数及有关材料需有相关复印件佐证材料,现场携带原件备查。
第二部分二氯异氰脲酸钠粉消毒剂第一条货物规格第二条产品性能1.本品由二氯异氰脲酸钠、增效剂、稳定剂、渗透剂和抗干扰剂等组成,杀菌灭毒效果优良且不含有毒有害物质。
*2.产品有农业部直属研究所、农业部畜禽传染病学重点开放实验室和正规大学专业实验室相关动物疫病的病毒细菌(高致病性禽流感、口蹄疫、猪瘟、高致病性猪蓝耳病、小反刍兽疫、新城疫、布病、炭疽、猪链球菌、致病性大肠杆菌、金黄色葡萄球菌、蜡样芽孢杆菌)灭杀效果的实验报告复印件,原件备查。
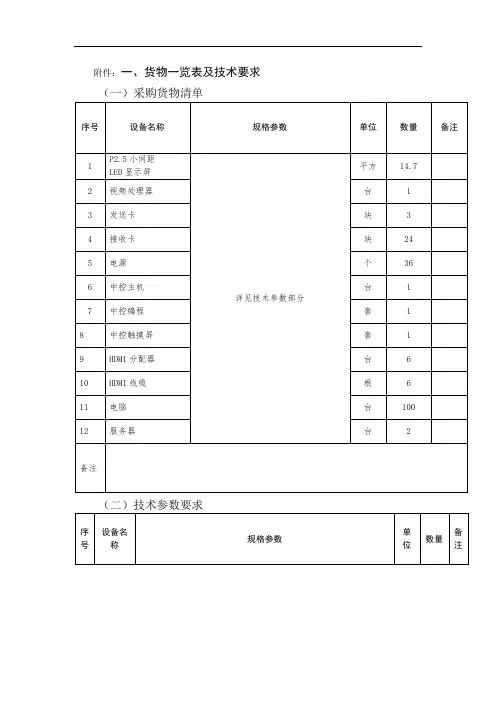
货物需求及技术要求
一、货物需求一览表
报价包含但不限于出厂价(生产厂家)+运费+税费+财务费用等一切费用。
1、技术标准及要求:符合业主的作业指导书、采购文件、技术规范要求,具体质量要求如下:
2、质量要求:符合业主的作业指导书、磋商文件、技术规范要求,具体质量要求如下:所供砂应
洁净、坚硬,细度模数为2.4〜2.9的中粗砂,含泥量不大于3%。
中粗砂必须符合项目部的质量和
级配要求,并经采购人验收认可。
中标人应按采购人要求供料,若含水率超过规定指标(含水率3%)应扣除重量,含水量由采购人试验室检测,对于检测含水量过多的黄砂采购人有权且不承担
此过程产生的任何费用。
3、中标人按采购人规定的质量、数量要求供货,货到现场后由采购人项目材料员、质检员共同进行验收;采购人随机取样抽检,如检验不合格,采购人一律拒绝验收,中标人必须无条件拉走并承担合同约定的违约责任;验收合格后采购人开具收料单,作为结算依据。
4、产品价格变动调价机制:本项目实行浮动单价结算。
自现场供货之日起,对供货商供应的材料结算价每月进行一次价格调整。
供应商最终结算价=实际供货数量*安庆市建管处供货当月公布的安庆市场建筑材料价格行情所对应的供货材料价格*中标费率。
第三章货物服务需求一览表
一、技术要求
注:1、以上清单中所列品牌均为参考品牌,不作为指定品牌,投标人可以自行选择其它品牌报价,但各投标单位必须在投标文件中提供相关证明材料证明所报产品品质、档次、性能、技术参数不低于或相当于参考品牌。
2、标有“★”的参数为实质性参数,必须满足,否则,其投标无效。
3、非单一产品采购项目,采购人应当根据采购项目技术构成、产品价格比重等合理确定核心产品,并在招标文件中载明。
如:以上标“▲”号的为本项目核心产品。
4、以上清单所列数量由采购计算各投标人须自行实地勘察并在投标报价中综合考虑实际用量,中标后不予调整,所投产品投标人填写技术参数时均须提供实物照片或宣传彩页。
5、招标文件中所要提供的证书及检测报告在中标后签订合同前提供原件供采购人查验。
货物需求一览表及技术参数规格一、超低温冰柜1、功能描述:保存病毒、病菌、红白细胞、皮肤、骨骼、精液、生物制品、殊材料的低温试验等,适用于血站、医院、防疫站、科研院所、电子化工等企业实验室、生物医学工程研究所应用。
2、技术性能要求:2.1、工作条件:环境温度10~32℃,电源220V/50Hz2.2、样式:立式#2.3、有效容积不低于626L2.4、参考外部尺寸:1035(宽)*900(深)*1980mm(高)2.5、参考内部尺寸:760(宽)*630(深)*1310(高)2.6、参考净重/毛重(KG):301/323Kg2.7、整机装箱量400个冻存盒,整机样本量提升至40000份(10*10);2.8、温度控制:微电脑控制,温度数字显示,,箱内温度-40℃~-86℃可调,超温报警,断电记忆;2.9、安全系统:多种故障报警(高低温报警、传感器故障报警、门开报警、冷凝器脏报警、电池电量低报警);两种报警方式(声音蜂鸣报警、灯光闪烁报警);多重保护功能(开机延时保护可设定时间、显示面板密码锁功能);所有部件独立接地;2.10、显示:LED显示屏,可显示箱内温度,设定温度,环境温度,输入电压。
能设定高低温报警和箱内温度,具有故障提示预警功能。
2.11、采用HC制冷系统,节能环保,需明确所使用制冷剂的名称及装入量,且可燃制冷剂灌注量符合国家安全标准,灌注量不能高于150g。
2.12、门:外门1个,内门4个;发泡结构内门,有效保温,最大限度避免打开外门后,冷量泄露。
可调节搁架,便于物体存放;“创新式”一体式外门门锁手把设计,;紧凑式脚轮设计,灵活方便;不锈钢内门手把,结实耐用。
2.13、外门三层,内门一层,共四层密封结构设计:采用耐腐蚀的橡胶材料,抗菌性能优越,加宽、多层密封条设计,密封性更好;气囊结构设计保温更好。
发泡内门密封性更好,存取物品温度回升小;2.14、隔热层:VIP航空隔热真空保温材料+无氟发泡剂,保温效果好。
货物需求一览表及主要技术参数要求:序号设备名称技术要求数量1 .身高体重测试仪(独立或合并均可)2. 握力测试仪3.4.5. 肺活量测试仪坐位体前屈测试仪纵跳计测试仪量程::90cm-210cm精度:± 0.2cm量程: 10kg-160kg精度:± 1%F.S量程:5kg-99.9kg精度:± 1%F.S量程: 10ml-9999ml精度:± 2.5%F.S分度值:0.1cm分度值:0.1kg分度值:0.1kg分度值:1ml6.7.8.9.10. 闭眼单脚站立测试仪反应时测试仪台阶试验测试仪俯卧撑测试仪一分钟仰卧起坐测试仪量程::-20cm-40cm 分度值:~0.1cm精度:± 0.2cm量程:~99.9cm~精度:± 1%F.S量程:2s-900s精度:± 1s量程:9.99s精度:± 0.01s量程:0-300次精度:±1次量程:99次精度:±1次量程:99次精度:±1次分度值:0.1cm分度值:1s分度值:0.01s分度值:1次分度值:1次分度值:1次11. 身体成分分析仪1、测量原理:生物电阻抗分析原理,8点接触式电极;2、阻抗测量:时间1min左右,范围150-1200 Q ;3*、运行平台:An droid 4.0以上,10吋以上电容屏(需提供实物照片或软件界面截图);4*、操作方式:一体化触摸屏设计,报表可滑动查看,无机械按键(需提供实物照片);5*、衣服减重支持单一模式和季节模式(需提供实物照片或软件界面截图);6、测量指标:体重、去脂体重、肌肉含量、体脂肪量、体脂肪率、蛋白质含量、无机盐、BMI7、指数、基础代谢率、腰臀脂肪比、节段肌肉含量、节段脂肪含量、平衡度;数据解析:体型分析、人体成分分析、肥胖指数分析、营养状况评估;具有视频语音操作提示功能;9*、支持单机/网络工作模式,网络版测试数据即时上传至服务器;10、数据支持Excel导出功能;11、产品具有医疗器械注册证。
货物需求及技术要求
供货价格(单价)
二、人员培训要求
货物安装、调试、验收合格后,中标人应对招标人的相关人员进行免费现场培训。
三、货物质量及售后服务承诺
1、货物质量:中标人提供的货物必须是全新、原装、合格正品,完全符合国家规定的质量标准和厂方的标准。
货物完好,配件齐全。
2、保修及售后服务:依据商品的保修条款及售后服务条款,提供原厂质保,质保期按照国家规定,且不低于所供品牌向用户承诺的质保期限。
招标文件另有约定的从其约定。
质保期从货物验收合格后算起1年。
3、质保期内货物故障要求1小时内应答,2小时形成解决方案。
逾期甲方可自行组织维修,费用由乙方承担。
四、验收
中标人和招标人双方共同实施验收工作,结果经双方确认后生效。
附:采购货物(服务)一览表
备注:
1、报价人所报的价格为综合报价,包含货物总价、材料费、安装、调试、税
费(17%的增值税专用发票)、技术资料费等,即货物供应、运输、装卸、搬运(含二次搬运)、安装、调试、检验、验收、技术服务、培训等所产生的相关费用、税费、运保费、所需备品备件费、风险费以及其它零星不可预见费等所有一切费用。
中选人在报价书中的报价将作为合同价格签订的主要依据。
中选人在结算时必须提供与本单位名称一致的发票。
2、报价货物涉及的专利费用,采购人均认为已包含在报价中。
报价货物涉及
到的专利问题,采购人均不对此承担任何责任。
3、本项目最高限价为13万元超出最高限价的视为无效报价。
4、交货地点: 福建省邵武市紫金大道1号。
交货时间:合同签订时间后15天
内到货,在8月10日前完成所有货物的安装工作并调试完毕。
5. 本次采购货物及型材的规格和数量等为设计图纸估算量,实际情况由现场测
量确定。
报价人应对采购人现场状况进行了解,有异议的,应在报价前提出。
报价人参加报价的,视为已明确项目情况且无异议。
6、质保期为24个月,自所有货物验收合格交付使用之日起计算。
期间因产品
质量问题,由中选人免费保修或更换。