通信原理实验报告
- 格式:pptx
- 大小:5.32 MB
- 文档页数:66
实验六PCM编译码及A/μ律转换实验一、实验目的1、掌握脉冲编码调制与解调的原理。
2、掌握脉冲编码调制与解调系统的动态范围和频率特性的定义及测量方法。
3、了解脉冲编码调制信号的频谱特性。
4、熟悉了解W681512。
二、实验器材1、主控&信号源模块、1号、3号模块各一块2、双踪示波器一台3、连接线若干三、实验原理1、实验原理框图图2-1 1号模块W681512芯片的PCM编译码实验图2-2 3号模块的PCM 编译码实验图2-3 A/μ律编码转换实验2、实验框图说明图2-1中描述的是信号源经过芯片W681512经行PCM 编码和译码处理。
W681512的芯片工作主时钟为2048KHz ,根据芯片功能可选择不同编码时钟进行编译码。
在本实验的项目一中以编码时钟取64K 为基础进行芯片的幅频特性测试实验。
图2-2中描述的是采用软件方式实现PCM 编译码,并展示中间变换的过程。
PCM 编码过程是将音乐信号或正弦波信号,经过抗混叠滤波(其作用是滤波3.4kHz 以外的频率,防止A/D 转换时出现混叠的现象)。
抗混滤波后的信号经A/D 转换,然后做PCM 编码,之后由于G.711协议规定A 律的奇数位取反,μ律的所有位都取反。
因此,PCM 编码后的数据需要经G.711协议的变换输出。
PCM 译码过程是PCM 编码逆向的过程,不再赘述。
A/μ律编码转换实验中,如实验框图2-3所示,当菜单选择为A 律转μ律实验时,使用3号模块做A 律编码,A 律编码经A 转μ律转换之后,再送至1号模块进行μ律译码。
同理,当菜单选择为μ律转A 律实验时,则使用3号模块做μ律编码,经μ转A 律变换后,再送入1号模块进行A 律译码。
四、实验步骤实验项目一 测试W681512的幅频特性 概述:该项目是通过改变输入信号频率,观测信号经W681512编译码后的输出幅频特性,了解芯片W681512的相关性能。
1信号源:FS 模块1:TH9(编码帧同步)提供编码帧同步信号信号源:FS 模块1:TH10(译码帧同步)提供译码帧同步信号模块1:TH8(PCM编码输出)模块1:TH7(PCM译码输入)接入译码输入信号2、开电,设置主控菜单,选择【主菜单】→【通信原理】→【PCM编码】→【1号模块】→【第一路PCM 编译码方式】→【A律PCM编译码】。
一、实验目的1. 理解通信原理的基本概念和原理。
2. 掌握通信系统的基本组成和各部分的功能。
3. 熟悉通信信号的基本处理方法。
4. 培养实验操作能力和分析问题、解决问题的能力。
二、实验内容1. 通信系统基本组成实验2. 通信信号调制与解调实验3. 通信信道传输特性实验4. 通信系统误码率实验三、实验仪器1. 通信原理实验箱2. 双踪示波器3. 数字信号发生器4. 信号分析仪四、实验原理1. 通信系统基本组成实验:了解通信系统的基本组成,包括信源、信道、信宿和变换器等。
2. 通信信号调制与解调实验:掌握模拟调制、数字调制的基本原理,以及相应的调制和解调方法。
3. 通信信道传输特性实验:了解通信信道的传输特性,包括频率响应、时延特性和噪声特性等。
4. 通信系统误码率实验:掌握通信系统误码率的计算方法,以及影响误码率的因素。
五、实验步骤1. 通信系统基本组成实验(1)观察实验箱各模块的功能和连接方式;(2)按照实验指导书的要求,连接实验电路;(3)进行实验操作,观察实验现象,记录实验数据。
2. 通信信号调制与解调实验(1)按照实验指导书的要求,设置调制参数和解调参数;(2)进行调制和解调实验,观察实验现象,记录实验数据;(3)分析实验结果,验证调制和解调的正确性。
3. 通信信道传输特性实验(1)设置不同的信道参数,观察信道对信号的影响;(2)分析信道传输特性,记录实验数据;(3)计算信道传输特性指标,如信噪比、误码率等。
4. 通信系统误码率实验(1)设置不同的误码率,观察误码率对通信系统的影响;(2)分析误码率与信道、调制、解调等因素的关系,记录实验数据;(3)计算通信系统误码率,验证实验结果。
六、实验结果与分析1. 通信系统基本组成实验实验结果显示,通信系统由信源、信道、信宿和变换器等部分组成,各部分之间通过信号传输实现信息交流。
2. 通信信号调制与解调实验实验结果显示,调制和解调过程可以有效地将信息信号转换为适合信道传输的形式,并恢复出原始信息。
通信技术实训总结(3篇)通信技术实训总结(精选3篇)通信技术实训总结篇1实训时间:实训地点:实训器材:THE_Z-2B型现代通信原理与技术综合实验箱、20MHz双踪示波器实训内容:数字信号发生实验、FSK数字频率调制实验、抽样定理和脉冲调幅实验、FSK数字频率解调实验、AMI/HDBA3编译码实验、PAM模拟传输线实验。
通过这次实训对这门课程的学习,多少有了一些自己的心得体会。
这几次的实验让我了解到了很多关于通信方面的知识,包括:星期一:多种时钟频率的产生方法,PCM编码中的收、发帧同步信号的产生过程,掌握了3级、4级、5级伪随机码的编码方法。
伪随机码是数字通信中重要信码之一,常作为数字通信中的基带信号源,应用于扰码、误码测试、扩频通信、保密通信等领域。
伪随机码又称m序列,简称nrz。
通过这次实训,我对示波器调节信号有了初步的认识,最重要的是三、四、五级伪随机码打的调节还不是很熟练,在调节方面还有待提高。
星期二:学习FSK数字频率调制的工作原理及电路组成,掌握利用模拟开关实现FSK调制的原理和实现方法。
在实验中测试FSK过程中操作熟练,调出各个波形,并作出了详细分析。
星期三、星期四:学习FSK数字频率解调的工作原理级电路组成,掌握利用锁相环实现FSK解调的原理和实现方法。
数字频率调制是数字通信使用较早的一种通信方式。
由于这种调制解调方式容易实现,抗噪声和抗衰减性能较强,因此在中低速数据通信系统中得到了广泛的应用。
星期五:了解采用CD22103专用芯片实现的编译码电路,掌握AMI/HDB3码的编码规则及其特性。
在数字通信系统中,有时不经过数字基带信号与信道信号之间的变换,只由终端设备这些实验涵盖了通信原理的各个基本知识点,许多都来源于实际应用,具有较强的针对性。
通过对实验过程的学习和锻炼,将会进一步提高我们的科学思维和分析实际问题的能力,增强了我们对课程理论的理解和把握,达到拓展思路、举一反三的目标。
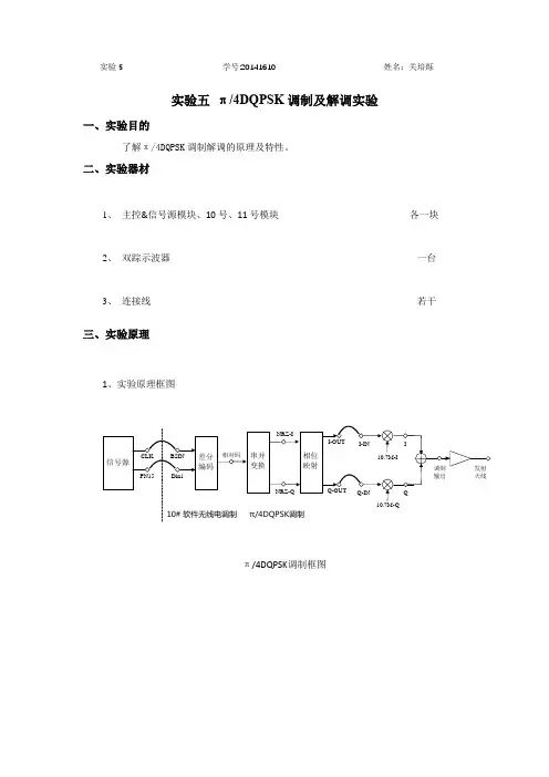
实验五π/4DQPSK调制及解调实验一、实验目的了解π/4DQPSK调制解调的原理及特性。
二、实验器材1、主控&信号源模块、10号、11号模块各一块2、双踪示波器一台3、连接线若干三、实验原理1、实验原理框图π/4DQPSK调制框图11# 软件无线电解调π/4DQPSK解调四、实验步骤实验项目一π/4DQPSK调制1、关电,按表格所示进行连线。
2、开电,设置主控菜单,选择【主菜单】→【通信原理】→【π/4DQPSK数字调制解调】→【星座图观测及“硬调制”】。
3、此时系统初始状态为:PN序列输出频率16KHz,载频为10.7MHz。
4、实验操作及波形观测。
(1)示波器探头CH1接10号模块TP8(NRZ-I),CH2接10号模块TP9(NRZ-Q),观测基带信号经过串并变换后输出的两路波形。
(2)示波器探头CH1接10号模块TP8(NRZ-I),CH2接10号模块TH7(I-Out),对比观测路信号成形前后的波形。
(3)示波器探头CH1接10号模块TP9(NRZ-Q),CH2接10号模块TH9(Q-Out),对比观测Q路信号成形前后的波形。
(4)示波器探头CH1接10号模块TH7(I-Out),CH2接10号模块TH9(Q-Out),调节示波器为XY模式,观察π/4DQPSK星座图。
(5)示波器探头CH1接10号模块TH7(I-Out),CH2接10号模块TP3(I),对比观测I路成形波形的载波调制前后的波形。
(6)示波器探头CH1接10号模块TH9(Q-Out),CH2接10号模块TP4(Q),对比观测Q 路成形波形的载波调制前后的波形。
(7)示波器探头CH1接10模块的TP1,观测I路和Q路加载频后的叠加信号。
实验项目二π/4DQPSK非相干解调1、关电,保持实验项目一中的连线不变,继续按表格所示进行以下连线。
2、开电,设置主控菜单,选择【主菜单】→【通信原理】→【π/4DQPSK数字调制解调】→【星座图观测及“硬调制”】。
通信原理实验报告实验一抽样定理实验二 CVSD编译码系统实验实验一抽样定理一、实验目的所谓抽样。
就是对时间连续的信号隔一定的时间间隔T 抽取一个瞬时幅度值(样值),即x(t)*s(t)=x(t)s(t)。
在一个频带限制在(0,f h)内的时间连续信号f(t),如果以小于等于1/(2 f h)的时间间隔对它进行抽样,那么根据这些抽样值就能完全恢复原信号。
抽样定理告诉我们:如果对某一带宽有限的时间连续信号(模拟信号)进行抽样,且抽样速率达到一定数值时,那么根据这些抽样值就能准确地还原信号。
这就是说,若要传输模拟信号,不一定要传输模拟信号本身,可以只传输按抽样定理得到的抽样值。
二、功能模块介绍1.DDS 信号源:位于实验箱的左侧(1)它可以提供正弦波、三角波等信号,通过连接P03 测试点至PAM 脉冲调幅模块的32P010 作为脉冲幅度调制器的调制信号x(t)。
抽样脉冲信号则是通过P09 测试点连至PAM 脉冲调幅模块。
(2)按下复合式按键旋钮SS01,可切换不同的信号输出状态,例如D04D03D02D01=0010对应的是输出正弦波,每种LED 状态对应一种信号输出,具体实验板上可见。
(3)旋转复合式按键旋钮SS01,可步进式调节输出信号的频率,顺时针旋转频率每步增加100Hz,逆时针减小100Hz。
(4)调节调幅旋钮W01,可改变P03 输出的各种信号幅度。
2.抽样脉冲形成电路模块它提供有限高度,不同宽度和频率的抽样脉冲序列,可通过P09 测试点连线送到PAM 脉冲调幅模块32P02,作为脉冲幅度调制器的抽样脉冲s(t)。
P09 测试点可用于抽样脉冲的连接和测量。
该模块提供的抽样脉冲频率可通过旋转SS01 进行调节,占空比为50%。
3.PAM 脉冲调幅模块它采用模拟开关CD4066 实现脉冲幅度调制。
抽样脉冲序列为高电平时,模拟开关导通,有调制信号输出;抽样脉冲序列为低电平,模拟开关断开,无信号输出。
通信原理信号源实验报告(共五篇)第一篇:通信原理信号源实验报告信号源实验实验报告(本实验包括CPLD 可编程数字信号发生器实验与模拟信号源实验,共两个实验。
)一、实验目的1、熟悉各种时钟信号的特点及波形。
2、熟悉各种数字信号的特点及波形。
3、熟悉各种模拟信号的产生方法及其用途。
4、观察分析各种模拟信号波形的特点。
二、实验内容 1、熟悉 CPLD 可编程信号发生器各测量点波形。
2、测量并分析各测量点波形及数据。
3、学习CPLD 可编程器件的编程操作。
4、测量并分析各测量点波形及数据。
5、熟悉几种模拟信号的产生方法,了解信号的来源、变换过程与使用方法。
三、实验器材 1、信号源模块一块 2、连接线若干 3、20M 双踪示波器一台四、实验原理((一))D CPLD 可编程数字信号发生器实验实验原理CPLD 可编程模块用来产生实验系统所需要的各种时钟信号与各种数字信号。
它由 CPLD可编程器件 ALTERA 公司的 EPM240T100C5、下载接口电路与一块晶振组成。
晶振JZ1 用来产生系统内的32、768MHz 主时钟。
1、CPLD 数字信号发生器包含以下五部分: 1)时钟信号产生电路将晶振产生的32、768MH Z 时钟送入CPLD内计数器进行分频,生成实验所需的时钟信号。
通过拨码开关 S4 与 S5 来改变时钟频率。
有两组时钟输出,输出点为“CLK1”与“CLK2”,S4控制“CLK1”输出时钟的频率,S5 控制“CLK2”输出时钟的频率。
2)伪随机序列产生电路通常产生伪随机序列的电路为一反馈移存器。
它又可分为线性反馈移存器与非线性反馈移存器两类。
由线性反馈移存器产生出的周期最长的二进制数字序列称为最大长度线性反馈移存器序列,通常简称为 m 序列。
以 15 位 m 序列为例,说明 m 序列产生原理。
在图 1-1 中示出一个 4 级反馈移存器。
若其初始状态为(0 1 2 3, , ,a a a a)=(1,1,1,1),则在移位一次时 1 a 与 0 a 模 2 相加产生新的输入41 1 0 a =⊕=,新的状态变为(1 2 3 4, , , a a a a)=(0,1,1,1),这样移位15 次后又回到初始状态(1,1,1,1)。
第二篇通信原理实训部分一、三模块工作过程1.1PCM/ADPCM模块PCM/ADPCM编译码电路在JH5001-4通信原理实验系统的PCM/PAM模块中。
PCM/ADPCM编译码电路对模拟信号进行PCM/ADPCM编译码处理。
实验时采用ADPCM模式:进行ADPCM编译码(编码速率32kbps)。
在通信原理通信原理实验部分中,PCM/ADPCM电路对用户接口2的信号进行PCM编码,并将译码后的模拟信号送入用户接口1。
其功能组成框图见图2.2.1所示。
图2.2.1 PCM/ADPCM电路框图PCM/ADPCM电路原理图见图2.2.2。
PCM/ADPCM模块电路工作原理:该模块由编码电路、译码电路组成。
在编码电路上发送信号经运放U501A(TL082)放大后进入U502(MC145540)进行PCM或ADPCM编码,编码主时钟为BCLK(256KHz),编码输出为DT_ADPCM(FSX为编码输出的帧脉冲信号),编码之后的信号送入:(1)PCM/ADPCM译码单元;(2)送入复接解复接模块;在译码电路部分,对输入的PCM或ADPCM编码信号进行译码,在接收帧脉冲FSX和编码主时钟为BCLK主时钟的作用下送入U502(MC145540)译码,译码之后的模拟信号经运放U501B放大输出,送到用户接口模块1。
U503是20.48MHz晶体振荡器,供MC145540内部信号处理使用。
实验时ADPCM模块各跳线开关设置如下:1、跳线开关K501(用于选择正常的发送话音信号还是测试信号),当K501置于1_2时(左端),选择来自用户2接口单元的话音信号;当K501置于2_3时(右端)选择测试信号,测试信号主要用于测试PCM/ADPCM的编译码特性。
(1)将K504置于1_2时(左端)时,输入数据来自解复接模块单元;在PCM/ADPCM编译码模块中,输入输出测试点为:1、TP501:发送模拟信号测试点2、TP506:PCM/ADPCM译码器模拟输出信号1.2数字复接/解复接电路数字复接/解复接由复接和解复接两个独立的模块构成。
通信原理实验报告(软件模拟实验)小组编号:小组名单/学号:完成日期:实验项目:实验1 随机数产生及直方图统计实验2 相关噪声模型和相关函数计算实验3 常量信号检测的计算机模拟实验1 随机数产生及直方图统计一、实验目的(1)掌握在一般微型计算机上产主随机数的方法。
(2)统计随机数的概率分布密度函数。
二、实验内容1.用计算机产生[0,1]均匀分布的(伪)随机数。
2.由[0,1]均匀分布随机数产生其它分布的随机数,例:正态N (0,l )分布的随机数。
3.用直方图统计随机数的分布密度。
三、实验设备微型计算机及其高级程序语言编译环境,例C++、FORTRAN 、PASCAL 等,也可以应用工程计算工具软件如MA TLAB 等。
四、实验原理1.计算机产生均匀分布随机数若设R 是[0,1]上均匀分布的随机变量, 则它们的密度函数为:在计算机算法中,为实现方便,通常使用伪随机数(序列)来代替(真)随机数。
伪随机序列是有周期性的数值序列,当其周期N 相对很大时,统计特性一定程度上逼近随机序列,故效果与(真)随机数相近。
在本课程的以下部分,对伪随机数(序列)和真随机数(序列),称谓上不再加以严格区分。
在计算机程序中,产生均匀分布伪随机数(序列)可以采用所谓“线性同余法”,有关资料可以自行查阅。
不过,高级编程语言都有现成的产生均匀分布随机数的功能函数,如C 语言中包含有随机函数RANDOM(N),用产生一个0~N-1之间的符合统计要求的均匀分布的伪随机数(序列)。
每调用一次该函数,得到均匀分布随机数的一次抽样,如语句A=RANDOM(1000),则变量A就赋以一次抽样的随机数。
在实验中,我们可以采用这种方法来获得均匀分布的随机数列。
2.高斯分布随机数的获得实际研究当中,高斯(正态)分布是经常被使用到的数学模型,可以近似描述很多随机事件的统计特性。
所以,如何产生高斯分布随机序列,是在本课程中必须掌握的内容。
通常,我们可以采用非线性变换法,对比较容易产生的均匀分布随机序列进行变换,(近似)得到高斯分布随机序列。
通信原理实验报告一、实验目的1、熟悉信号源实验模块提供的信号类别;2、加深对PCM编码过程的理解;3、掌握2ASK、2FSK的调制、解调原理;二、4.通过观察噪声对信道的影响, 比较理想信道与随机信道的区别, 加深对随机信道的理解。
三、实验器材实验模块---信号源双踪示波器模拟信号数字化模块数字调制模块信道模拟模块数字解调模块连接线三、实验原理测试工具---示波器:(1)示波器的输入功能区: 从通道1和通道2输入2、(2)示波器的测量功能区: QuickMeas光标调节和快速测量, 可以测量电压和频率;auto-scale自动触发扫描;在左上角的按钮可以调节扫描时间;在右上角的按钮可以调节水平位置。
3、(3)示波器的控制功能区, Run/Stop可以暂停便于得出波形4、模拟信号数字化(PCM编码)脉冲编码调制(PCM)简称为脉码调制, 它是一种将模拟语音信号变换成数字信号的编码方式。
PCM的原理框图:PCM主要包括抽样、量化与编码三个过程。
抽样是把时间连续的模拟信号转换成时间离散、幅度连续的抽样信号;量化是把时间离散、幅度连续的抽样信号转换成时间离散幅度离散的数字信号;编码是将量化后的信号编码形成一个二进制码组输出。
(1)、采样: 利用奈奎斯特定律, fs 2fb,(fs是采样频率, fb是信号的截止频率), 满足这个不等式关系信号才不会重叠, 以致信号不能还原。
(2)、量化: 模拟信号的量化分为均匀量化和非均匀量化。
本实验模块中所用到的PCM编码芯片TP3067是采用近似于A律函数规律的13折线(A=87.6)的压扩特性压扩特性来进行编码的。
A律13折线:(3)、编码所谓编码就是把量化后的信号变换成代码, 其相反的过程称为译码。
当然, 这里的编码和译码与差错控制编码和译码是完全不同的, 前者是属于信源编码的范畴。
本实验采用大规模集成电路TP3067对语音信号进行PCM编、解码。
PCM电路原理图:3.2ASK 调制原理将载波在二进制基带信号1或0的控制下通或断, 即用载波幅度的有无来代表信号中的“1”或者是“0”, 这样就可以得到2ASK 信号, 这种二进制振幅键控方式称为通—断键控(OOK )。
移动通信实验报告(精选五篇)第一篇:移动通信实验报告北京邮电大学移动通信实验报告班级:专业:姓名:学号:班内序号:一、实验目的........................................................................................................................... .. (2)1、移动通信设备观察实验 (2)2、网管操作实验 (2)二、实验设备........................................................................................................................... .. (3)三、实验内容........................................................................................................................... .. (3)1、TD_SCDMA系统认识 (3)2、硬件认知........................................................................................................................... ..32.1移动通信设备......................................................3 2.2 RNC设备认知.............................................................................................................4 2.3 Node B设备(基站设备).......................................................................................6 2.4 LMT-B软件................................................................................................................7 2.5通过OMT创建基站 (8)四、实验总结........................................................................................................................... (17)一、实验目的1、移动通信设备观察实验1.1 RNC设备观察实验 a)了解机柜结构b)了解RNC机框结构及单板布局c)了解RNC各种类型以及连接方式 1.2 基站设备硬件观察实验 a)初步了解嵌入式通信设备组成b)认知大唐移动基站设备EMB5116的基本结构c)初步分析硬件功能设计2、网管操作实验a)了解OMC系统的基本功能和操作 b)掌握OMT如何创建基站二、实验设备TD‐SCDMA 移动通信设备一套(EMB5116基站+TDR3000+展示用板卡)电脑三、实验内容1、TD_SCDMA系统认识全称是时分同步的码分多址技术(英文对应Time Division-Synchronous Code Division Multiple Access)。
第1篇一、实验目的1. 理解通信系统的基本组成和原理。
2. 掌握模拟通信和数字通信的基本知识。
3. 通过实验,验证通信系统中的调制、解调、编码、解码等基本过程。
二、实验器材1. 通信原理实验平台2. 信号发生器3. 示波器4. 数字信号发生器5. 计算机及实验软件三、实验原理通信原理实验主要涉及模拟通信和数字通信两个方面。
模拟通信是将模拟信号通过调制、传输、解调等过程实现信息传递;数字通信则是将数字信号通过编码、传输、解码等过程实现信息传递。
四、实验内容及步骤1. 模拟通信实验(1)调制实验① 打开通信原理实验平台,连接信号发生器和示波器。
② 设置信号发生器输出正弦波信号,频率为1kHz,幅度为1V。
③ 将信号发生器输出信号接入调制器,选择调幅调制方式。
④ 通过示波器观察调制后的信号波形,记录调制信号的幅度、频率和相位变化。
⑤ 调整调制参数,观察调制效果。
(2)解调实验① 将调制后的信号接入解调器,选择相应的解调方式(如包络检波、同步检波等)。
② 通过示波器观察解调后的信号波形,记录解调信号的幅度、频率和相位变化。
③ 调整解调参数,观察解调效果。
2. 数字通信实验(1)编码实验① 打开数字信号发生器,生成二进制信号序列。
② 将信号序列接入编码器,选择相应的编码方式(如曼彻斯特编码、差分曼彻斯特编码等)。
③ 通过示波器观察编码后的信号波形,记录编码信号的时序和幅度变化。
(2)解码实验① 将编码后的信号接入解码器,选择相应的解码方式。
② 通过示波器观察解码后的信号波形,记录解码信号的时序和幅度变化。
五、实验结果与分析1. 模拟通信实验结果(1)调制实验:调制信号的幅度、频率和相位发生了变化,实现了信息的传递。
(2)解调实验:解调信号的幅度、频率和相位与原始信号基本一致,验证了调制和解调过程的有效性。
2. 数字通信实验结果(1)编码实验:编码后的信号波形符合编码方式的要求,实现了信息的编码。
(2)解码实验:解码后的信号波形与原始信号基本一致,验证了编码和解码过程的有效性。
1,必做题目1.1无线信道特性分析1.1.1实验目的1)了解无线信道各种衰落特性;2)掌握各种描述无线信道特性参数的物理意义;3)利用MATLAB中的仿真工具模拟无线信道的衰落特性。
1.1.2实验内容1)基于simulink搭建一个QPSK发送链路,QPSK调制信号经过了瑞利衰落信道,观察信号经过衰落前后的星座图,观察信道特性。
仿真参数:信源比特速率为500kbps,多径相对时延为[0 4e-06 8e-06 1.2e-05]秒,相对平均功率为[0 -3 -6 -9]dB,最大多普勒频移为200Hz。
例如信道设置如下图所示:1.1.3实验作业1)根据信道参数,计算信道相干带宽和相干时间。
fm=200;t=[0 4e-06 8e-06 1.2e-05];p=[10^0 10^-0.3 10^-0.6 10^-0.9];t2=t.^2;E1=sum(p.*t2)/sum(p);E2=sum(p.*t)/sum(p);rms=sqrt(E1-E2.^2);B=1/(2*pi*rms)T=1/fm2)设置较长的仿真时间(例如10秒),运行链路,在运行过程中,观察并分析瑞利信道输出的信道特征图(观察Impulse Response(IR)、Frequency Response(FR)、IR Waterfall、Doppler Spectrum、Scattering Function)。
(配合截图来分析)Impulse Response(IR)从冲击响应可以看出,该信道有四条不同时延的路径。
多径信道产生随机衰落,信道冲击响应幅值随机起伏变化。
可以看出,该信道的冲激响应是多路冲激响应函数的叠加,产生严重的码间干扰。
Frequency Response(FR)频率响应特性图不再是平坦的,体现出了多径信道的频率选择性衰落。
IR Waterfall频率展宽后,信号的冲激响应不再平坦,是由于多径信道中不同信道的叠加影响Doppler Spectrum由于多普勒效应,接受信号的功率谱展宽扩展到fc-fm至fc+fm范围。
学生实验报告课程名称:____通讯原理______ 专业班级:____集成14002班__ 姓名:____赵亮臣________ 学号:____14160500206___-- 学年第学期实验报告注意事项1. 课前必须认真预习实验,认真书写预习报告,了解实验步骤,未预习或预习达不到要求的学生不准参加实验;2. 实验完毕,必须将结果交实验指导教师进行检查,并将计算机正常关机、将仪器设备、用具及椅子等整理好,方可离开实验室;3. 按照实验要求书写实验报告,条理清晰,数据准确;4. 当实验报告写错后,不能撕毁,请在相连的实验报告纸上重写;5.实验报告严禁抄袭,如发现抄袭实验报告的情况,则抄袭者与被抄袭者该次实验以0分计;6. 无故缺实验者,按学院学籍管理制度进行处理;7. 课程结束后实验报告册上交实验指导教师,并进行考核与存档。
实验项目(三) —预习报告实验名称抽样定理实验目的及要求实验目的了解抽样定理在通信系统中的重要性。
掌握自然抽样及平顶抽样的实现方法。
理解低通采样定理的原理。
理解实际的抽样系统。
理解低通滤波器的幅频特性对抽样信号恢复的影响。
理解低通滤波器的相频特性对抽样信号恢复的影响。
理解带通采样定理的原理。
实验内容及原理实验原理:1、实验原理框图保持电路S1信号源A-outmusic抽样电路被抽样信号抽样脉冲平顶抽样自然抽样抽样输出抗混叠滤波器LPFLPF-IN LPF-OUTFPGA数字滤波FIR/IIR译码输出编码输入3# 信源编译码模块图1-1 抽样定理实验框图2、实验框图说明抽样信号由抽样电路产生。
将输入的被抽样信号与抽样脉冲相乘就可以得到自然抽样信号,自然抽样的信号经过保持电路得到平顶抽样信号。
平顶抽样和自然抽样信号是通过开关S1切换输出的。
抽样信号的恢复是将抽样信号经过低通滤波器,即可得到恢复的信号。
这里滤波器可以选用抗混叠滤波器(8阶3.4kHz的巴特沃斯低通滤波器)或FPGA数字滤波器(有FIR、IIR两种)。
一、实习目的本次通信原理实习旨在通过实际操作和理论联系实践,使我对通信原理有一个更深入的理解,提高我的动手能力,为今后的学习和工作打下坚实的基础。
二、实习内容1. 实验室环境及设备介绍本次实习在XX大学通信实验室进行,实验室配备了丰富的通信实验设备,如信号发生器、示波器、频谱分析仪、网络分析仪等。
实验室环境整洁,设备齐全,为我们的实习提供了良好的条件。
2. 通信原理实验(1)基带信号传输实验实验目的:验证基带信号传输的原理,分析信号在传输过程中的失真和畸变。
实验内容:使用信号发生器产生基带信号,通过传输线路(如电缆、光纤等)传输,在接收端用示波器观察信号波形,分析信号失真和畸变。
(2)调制解调实验实验目的:验证调制解调原理,分析不同调制方式对信号传输的影响。
实验内容:使用调制器将基带信号调制为高频信号,通过传输线路传输,在接收端使用解调器将高频信号解调为基带信号,观察解调效果。
(3)多路复用实验实验目的:验证多路复用原理,分析不同复用方式对信号传输的影响。
实验内容:使用多路复用器将多个基带信号复用为一个高频信号,通过传输线路传输,在接收端使用多路解复用器将高频信号解调为多个基带信号,观察解调效果。
(4)差错控制实验实验目的:验证差错控制原理,分析不同差错控制方法对信号传输的影响。
实验内容:使用差错控制设备(如纠错编码器、解码器等)对信号进行编码和解码,分析差错控制对信号传输的影响。
三、实习收获1. 深入理解通信原理通过本次实习,我对通信原理有了更深入的理解,包括信号传输、调制解调、多路复用、差错控制等方面的知识。
2. 提高动手能力在实习过程中,我学会了使用通信实验设备,掌握了实验操作技能,提高了自己的动手能力。
3. 培养团队协作精神实习过程中,我与同学们相互协作,共同完成实验任务,培养了团队协作精神。
4. 拓宽知识面通过实习,我了解了通信行业的最新技术和发展趋势,拓宽了自己的知识面。
四、实习总结本次通信原理实习让我受益匪浅,不仅加深了我对通信原理的理解,还提高了我的动手能力和团队协作精神。
实验报告(一)实验日期:2020 年4 月26 日;时间:19:00实验项目:信源编码技术实验使用仪器及装置:仪器:示波器,连接线,装置:主控&信号源模块、3号、21号模块(各一块)实验内容:一、抽样定理实验1、实验目的(1)了解抽样定理在通信系统中的重要性。
(2)掌握自然抽样及平顶抽样的实现方法。
(3)理解低通采样定理的原理。
(4)理解实际的抽样系统。
(5)理解低通滤波器的幅频特性对抽样信号恢复的影响。
(6)理解低通滤波器的相频特性对抽样信号恢复的影响。
(7)理解带通采样定理的原理。
2、实验原理(1)实验原理框图抽样定理实验框图(2)实验框图说明抽样信号由抽样电路产生。
将输入的被抽样信号与抽样脉冲相乘就可以得到自然抽样信号,自然抽样的信号经过保持电路得到平顶抽样信号。
平顶抽样和自然抽样信号是通过开关S1切换输出的。
抽样信号的恢复是将抽样信号经过低通滤波器,即可得到恢复的信号。
这里滤波器可以选用抗混叠滤波器(8阶3.4kHz的巴特沃斯低通滤波器)或FPGA数字滤波器(有FIR、IIR两种)。
反sinc滤波器不是用来恢复抽样信号的,而是用来应对孔径失真现象。
3、实验步骤实验项目一抽样信号观测及抽样定理验证概述:通过不同频率的抽样时钟,从时域和频域两方面观测自然抽样和平顶抽样的输出波形,以及信号恢复的混叠情况,从而了解不同抽样方式的输出差异和联系,验证抽样定理。
1、登录e-Labsim仿真系统,创建实验文件,选择实验所需模块和示波器。
2、运行仿真,开启所有模块的电源开关。
3、开电,设置主控菜单,选择【主菜单】→【通信原理】→【抽样定理】。
调节主控模块的W1使A-out输出峰峰值为3V。
4、此时实验系统初始状态为:被抽样信号MUSIC为幅度4V、频率3K+1K正弦合成波。
抽样脉冲A-OUT为幅度3V、频率9KHz、占空比20%的方波。
5、实验操作及波形观测。
(1)调用示波器观测自然抽样前后的信号波形:设置开关S13#为“自然抽样”档位,用示波器CH1和CH2分别接MUSIC主控&信号源和抽样输出3#。
一、实验目的1. 理解通信原理的基本概念和原理。
2. 掌握通信系统的基本组成和功能。
3. 学习通信信号的调制与解调方法。
4. 掌握通信系统性能的评估方法。
二、实验内容1. 通信系统基本组成与功能(1)实验器材:示波器、信号发生器、频谱分析仪等。
(2)实验步骤:①观察通信系统的基本组成,包括信源、信道、信宿等。
②分析各组成部分的功能,如信源产生信号、信道传输信号、信宿接收信号等。
2. 通信信号调制与解调(1)实验器材:示波器、信号发生器、调制解调器等。
(2)实验步骤:①观察调制信号和解调信号的波形,分析调制方法。
②比较不同调制方法(如AM、FM、PM)的特点和适用场景。
③通过实验验证调制和解调过程,观察调制信号和解调信号的关系。
3. 通信系统性能评估(1)实验器材:示波器、信号发生器、频谱分析仪、误码率测试仪等。
(2)实验步骤:①设置通信系统参数,如调制方式、传输速率、信噪比等。
②测量通信系统的误码率,分析误码率与信噪比的关系。
③评估通信系统的性能,如带宽利用率、传输速率等。
三、实验结果与分析1. 通信系统基本组成与功能实验结果显示,通信系统由信源、信道、信宿三部分组成。
信源产生信号,信道传输信号,信宿接收信号。
各部分相互配合,实现信息的有效传输。
2. 通信信号调制与解调实验结果表明,不同调制方法具有不同的特点。
AM调制具有较好的抗干扰性能,适用于短距离通信;FM调制具有较高的频带宽度和抗干扰性能,适用于长距离通信;PM调制适用于高速率、低误码率的通信。
3. 通信系统性能评估实验结果显示,通信系统的误码率与信噪比存在密切关系。
随着信噪比的提高,误码率逐渐降低。
通过调整通信系统参数,可以优化系统性能,提高传输速率和带宽利用率。
四、实验总结通过本次实验,我们了解了通信原理的基本概念和原理,掌握了通信系统的基本组成和功能,学习了通信信号的调制与解调方法,以及通信系统性能的评估方法。
实验过程中,我们对通信系统的各个组成部分进行了实际操作,加深了对通信原理的理解。
技术文件完成时间:2014-05-08 通信原理实验报告-实验2. 41•实验目的山 (4)2. 实验原理山 (5)2.1整体思路 (5)2. 2实现方法:最大能量法 (5)3. 实验准备内容 (7)3.1模块设计 (7)3.1.1align_MaxEnergy.vi 结构图 (7)3.1.2align_MaxEnergy.vi 的层次结构 (8)3.1.3align__MaxEnergy.vi 的内部实现 (8)3. 2仿真调试现象及分析 (9)3. 2.1仿真参数 (9)3. 2.2仿真结果(星座图及眼图) (9)3. 2. 3定时误差估计 (13)3. 3回答实验手册提岀的问题 (15)4. 采用USRP的实验内容 (16)4.1实验方法 (16)4. 2实验现象 (16)4. 3回答实验手册提岀的问题 (17)5. 参考文猷191 •实验目的山本实验要解决的问题是码元定时恢复(symbol timing recovery),又称码元同步(symbol synchronization).,理解最大能虽方法得到码元定时恢复的原理,然后利用Nl USRP和LabView数字通信实验平台,实践采用最大能虽法进行码元定时恢复的原型设计,进行误差分析.并绘制定时误差统计对于过采样系数“的图形。
2.实验原理川 2.1養体思路无线信道中的噪声并不是简单的高斯白噪声,更加真实的信道模型包含衰减、相位移动、传播 延迟。
最简单的倍道模型就是频率平坦信道,在这种倍道中,接收信号为:z(t) = a/x(/ - r d ) + v(t)其中为衰减,°为相位移动,"为延迟。
木实验的目的是用离散的方法纠正延迟°。
方法是设定一个延迟为在下采样之前,对通过 数字匹配滤波器的佶号,加入延迟A 修改后的接收器处理模型如图2.1所示。
图2.1:码元同步的接收器实现方案2.2实现;Srii : 最大Wife假设y(t)是z(t)通过匹配滤波器之后的倍号,预先给出一个,这样输出能虽函数可以定义为/(r) = E|r(nT+ T )|2= F x S|^(mT+ r- r d )|2 + aj < £x |^(0)|2 + ^(2)当丫-q 是码元速率的整数倍时,J (巧有最大值。