高频磁性元件的磁心材料
- 格式:pdf
- 大小:273.03 KB
- 文档页数:7
eq2514磁芯参数
EQ2514磁芯是一种磁性储能元件,主要用于开关电源输出滤波、EMI
滤波、隔离电压等方面。
其特性主要有以下几个方面:
1.材料参数
EQ2514磁芯采用高级磁性氧化铁材料制成,具有高饱和磁感应强度、低磁通损耗和优异的稳定性。
该材料的特性能够保障磁芯具有高效的磁学
和电学性能。
2.尺寸参数
EQ2514磁芯的尺寸大小为EER25.4X14.0,其中EER表示磁芯形状,25.4和14.0分别表示磁芯外径和内径的大小。
该磁芯尺寸的选择应根据
具体应用场景和电路设计需求来确定。
3.磁学参数
EQ2514磁芯的磁学参数包括饱和磁感应强度、永久磁化、矫顽力、
温度系数等。
其中饱和磁感应强度为5000Gs以上,永久磁化为500Gs以上,矫顽力为3000A/m以上。
此外,温度系数也是磁学参数的重要指标,
这是指在不同温度下磁性材料磁特性的变化程度。
EQ2514磁芯具有优异
的温度系数特性,在较宽的温度范围内能够保持相对稳定的电磁性能。
4.电学参数
EQ2514磁芯的电学参数包括电感值、失真度、带宽等。
根据不同的
电路设计需求,可通过不同的线圈匝数和线径组合来调节磁芯的电学参数。
总体来说,EQ2514磁芯具有优异的磁学和电学性能,能够可靠地实现各种应用场景下的磁性隔离、能量储存等需求。
然而,为了更好地满足实际需求,还需要在实践中进行充分的测试和优化。
交流磁芯材料选用原则磁芯材料是电子器件中的重要组成部分,用于存储和传输磁能。
不同的磁芯材料具有不同的特性和应用范围,正确选择适合的材料对于电子器件的性能和稳定性至关重要。
本文将介绍一些常见的磁芯材料以及选用原则。
1. 铁氧体材料(Ferrite)铁氧体材料是最常见的磁芯材料之一,具有良好的磁导率和低电导率。
它们广泛应用于变压器、电感器和电源滤波器等领域。
选用铁氧体材料时需要考虑其工作频率范围、饱和磁场强度以及磁介质损耗等因素。
对于高频应用,需要选择高饱和磁场强度和低磁介质损耗的铁氧体材料。
2. 硅钢材料(Silicon Steel)硅钢材料主要用于制造电动机和变压器的磁芯。
它们具有高导磁率和低磁滞损耗,可以有效地减少能源损耗。
选用硅钢材料时需要考虑其导磁率、饱和磁感应强度和电阻率等因素。
通常情况下,高导磁率和低电阻率的硅钢材料适用于高频率应用,而高饱和磁感应强度的硅钢材料适用于高功率应用。
3. 铁镍合金材料(Iron-Nickel Alloy)铁镍合金材料是一种特殊的磁芯材料,具有高导磁率和低磁滞损耗。
它们广泛应用于高精密仪器和通信设备中。
选用铁镍合金材料时需要考虑其导磁率、饱和磁感应强度和温度系数等因素。
在高温环境下,需要选择具有低温度系数的铁镍合金材料。
4. 铁氮合金材料(Iron-Nitrogen Alloy)铁氮合金材料是一种新型的磁芯材料,具有高导磁率、低磁滞损耗和低成本的特点。
它们适用于高频率和高功率应用。
选用铁氮合金材料时需要考虑其导磁率、饱和磁感应强度和磁滞损耗等因素。
对于高频率应用,需要选择具有高导磁率和低磁滞损耗的铁氮合金材料。
5. 铁氧氮合金材料(Iron-Oxide-Nitride Alloy)铁氧氮合金材料是一种新型的磁芯材料,具有高导磁率、低磁滞损耗和低温度系数的特点。
它们适用于高频率和高温度应用。
选用铁氧氮合金材料时需要考虑其导磁率、饱和磁感应强度和温度系数等因素。
高频磁芯材料一、引言高频磁芯材料是电子元器件中的重要组成部分,广泛应用于通信、计算机、医疗、军事等领域。
它们具有高磁导率、低损耗、稳定性好等特点,能够有效提高电路的工作效率和性能。
二、高频磁芯材料的分类1. 粉末冶金磁性材料粉末冶金磁性材料是由铁素体和氧化物等粉末混合制成的,具有高饱和感应强度和低损耗等特点。
常见的粉末冶金磁性材料有铝镍钴铁氧体(AlNiCo)、钕铁硼(NdFeB)等。
2. 氧化物陶瓷材料氧化物陶瓷材料是由氧化物粉末经过成型、压制和烧结等工艺制成的,具有高饱和感应强度、稳定性好等特点。
常见的氧化物陶瓷材料有锰锌铁氧体(MnZn)、镍锌铁氧体(NiZn)等。
3. 碳酸盐陶瓷材料碳酸盐陶瓷材料是由碳酸盐和氧化物等原料经过混合、成型、烧结等工艺制成的,具有高饱和感应强度、低损耗等特点。
常见的碳酸盐陶瓷材料有钙铁镁锰碳酸盐(CaFeMgMnCO3)等。
三、高频磁芯材料的性能指标1. 饱和感应强度饱和感应强度是指在给定的磁场下,磁芯材料所能达到的最大磁通密度。
它是衡量磁芯材料性能优劣的重要指标之一。
2. 矫顽力矫顽力是指在给定的外加磁场下,使材料中原本无规则排列的自由电子转变为有序排列,形成一定大小的磁畴所需施加的外加场强。
它是衡量磁芯材料抵抗外界干扰能力的重要指标之一。
3. 损耗损耗是指在交变电场或交变磁场作用下,由于分子内部摩擦、涡流等原因导致的能量损失。
它是衡量磁芯材料能否有效地传递信号的重要指标之一。
四、高频磁芯材料的应用1. 通信领域高频磁芯材料在通信领域中广泛应用于滤波器、隔离器、耦合器等电路中,能够有效阻止不同频率信号之间的相互干扰,保证通信质量。
2. 计算机领域高频磁芯材料在计算机领域中广泛应用于存储器、微处理器等电路中,能够有效提高数据传输速度和计算效率。
3. 医疗领域高频磁芯材料在医疗领域中广泛应用于医学成像设备中,如核磁共振成像(MRI)等。
它们具有高饱和感应强度和低损耗等特点,能够提供清晰的图像,并且不会对人体产生辐射危害。
(一). 粉芯类1. 磁粉芯:磁粉芯是由铁磁性粉粒与绝缘介质混合压制而成的一种软磁材料。
由于铁磁性颗粒很小(高频下使用的为0.5~5微米),又被非磁性电绝缘膜物质隔开,因此,一方面可以隔绝涡流,材料适用于较高频率;另一方面由于颗粒之间的间隙效应,导致材料具有低导磁率及恒导磁特性;又由于颗粒尺寸小,基本上不发生集肤现象,磁导率随频率的变化也就较为稳定。
主要用于高频电感。
磁粉芯的磁电性能主要取决于粉粒材料的导磁率、粉粒的大小和形状、它们的填充系数、绝缘介质的含量、成型压力及热处理工艺等。
常用的磁粉芯有铁粉芯、坡莫合金粉芯及铁硅铝粉芯三种。
磁芯的有效磁导率m e及电感的计算公式为:m e=D L/4N2S´109其中: D为磁芯平均直径(cm),L为电感量(享),N为绕线匝数,S为磁芯有效截面积(cm2)。
(1).铁粉芯:常用铁粉芯是由碳基铁磁粉及树脂碳基铁磁粉构成。
在粉芯中价格最低。
饱和磁感应强度值在1.4T左右;磁导率范围从22~100; 初始磁导率mi随频率的变化稳定性好;直流电流叠加性能好;但高频下损耗高。
(2).坡莫合金粉芯:坡莫合金粉芯主要有钼坡莫合金粉芯(M P P)及高磁通量粉芯(H i g h F l u x)。
M P P是由81%N i,2%M o,及F e粉构成。
主要特点是:饱和磁感应强度值在7500Gs左右;磁导率范围大,从14~550; 在粉末磁芯中具有最低的损耗;温度稳定性极佳,广泛用于太空设备、露天设备等;磁致伸缩系数接近零,在不同的频率下工作时无噪声产生。
主要应用于300KHz以下的高品质因素Q滤波器、感应负载线圈、谐振电路、在对温度稳定性要求高的LC电路上常用、输出电感、功率因素补偿电路等, 在AC电路中常用, 粉芯中价格最贵。
高磁通粉芯H F是由50%N i,50%F e粉构成。
主要特点是:饱和磁感应强度值在15000Gs左右;磁导率范围从14~160; 在粉末磁芯中具有最高的磁感应强度,最高的直流偏压能力;磁芯体积小。
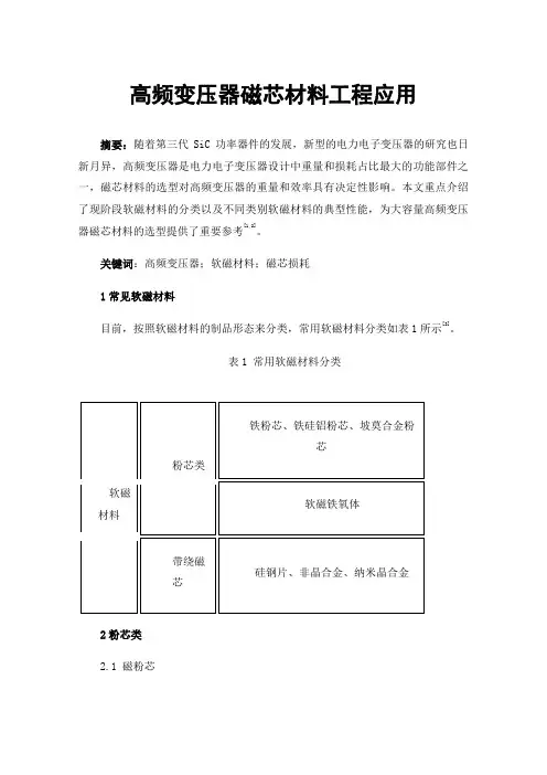
高频变压器磁芯材料工程应用摘要:随着第三代SiC功率器件的发展,新型的电力电子变压器的研究也日新月异,高频变压器是电力电子变压器设计中重量和损耗占比最大的功能部件之一,磁芯材料的选型对高频变压器的重量和效率具有决定性影响。
本文重点介绍了现阶段软磁材料的分类以及不同类别软磁材料的典型性能,为大容量高频变压器磁芯材料的选型提供了重要参考[1,2]。
关键词:高频变压器;软磁材料;磁芯损耗1常见软磁材料目前,按照软磁材料的制品形态来分类,常用软磁材料分类如表1所示[3]。
表1 常用软磁材料分类2粉芯类2.1 磁粉芯磁粉芯是由软磁合金粉末通过绝缘包覆压制而成的一种软磁复合材料。
其磁路由软磁合金粉末和分布式气隙两部分组成。
常用的磁粉芯主要有铁粉芯、坡莫合金粉芯及铁硅铝粉芯三种。
1.铁粉芯铁粉芯(Iron Powder)是由高纯铁粉或羟基铁粉经过配料、绝缘、涂覆生产的磁芯。
由于生产工艺简单,原材料最便宜,具有较好的磁性能,在磁粉芯中用量最大。
铁粉芯饱和磁感应强度值在1.4 T左右,磁导率范围从22~100,初始磁导随频率的变化稳定性好,直流电流叠加性能好,但高频下损耗高。
率μi(2)坡莫合金粉芯坡莫合金粉芯主要有坡莫合金粉芯(MPP)及高磁通量粉芯(High Flux)。
坡莫合金粉芯MPP是由81% Ni、2% Mo及Fe粉构成的金属软磁粉芯。
饱和磁感应强度值在0.75T左右,磁导率范围从14~550,在粉末磁芯中损耗比较低,温度稳定性佳,磁致伸缩系数接近零,在不同频率工作时噪声比较小。
高磁通粉芯(HF)是由50% Ni、50% Fe粉构成。
在各种磁粉芯中具有最高的磁感应强度、最高的直流偏压能力,饱和磁感应强度值在1.5 T左右,磁导率范围从14~160。
(3)铁硅铝粉芯铁硅铝粉芯由9% Al、5% Si, 85% Fe粉构成的一种金属软磁粉芯。
铁硅铝粉芯饱和磁感在1.05 T左右,导磁率从26~125,磁致伸缩系数接近零,在不同的频率下工作时,噪声比较小。
高频变压器磁芯如何选型电子变压器在电源技术中的作用,电源技术对电子变压器的要求,电子变压器采用新软磁材料和新磁芯结构对电源技术发展的影响.电子变压器的使用条件,包括两方面内容:可靠性和电磁兼容性.以前只注意可靠性,现在由于环境保护意识增强,必须注意电磁兼容性.可靠性是指在具体的使用条件下,电子变压器能正常工作到使用寿命为止.一般使用条件中对电子变压器影响最大的是环境温度.决定电子变压器受温度影响强度的参数是软磁材料的居里点.软磁材料居里点高,受温度影响小;软磁材料居里点低,对温度变化比较敏感,受温度影响大.例如锰锌铁氧体的居里点只有215℃,比较低,磁通密度、磁导率和损耗都随温度发生变化,除正常温度25℃而外,还要给出60℃,80℃,100℃时的各种参数数据.因此,锰锌铁氧体磁芯的工作温度一般限制在100℃以下,也就是环境温度为40℃时,温升必须低于60℃.钴基非晶合金的居里点为205℃,也低,使用温度也限制在100℃以下.铁基非晶合金的居里点为370℃,可以在150℃~ 180℃以下使用.高磁导坡莫合金的居里点为460℃至480℃,可以在200℃~250℃以下使用.微晶纳米晶合金的居里点为600℃,取向硅钢居里点为730℃,可以在300℃~400℃下使用.电磁兼容性是指电子变压器既不产生对外界的电磁干扰,又能承受外界的电磁干扰.电磁干扰包括可听见的音频噪声和听不见的高频噪声.电子变压器产生电磁干扰的主要原因是磁芯的磁致伸缩.磁致伸缩系数大的软磁材料,产生的电磁干扰大.铁基非晶合金的磁致伸缩系数通常为最大(27~30)×10-6,必须采取减少噪声抑制干扰的措施.高磁导Ni50坡莫合金的磁致伸缩系数为25×10-6,锰锌铁氧体的磁致伸缩系数为21×10-6.以上这3种软磁材料属于容易产生电磁干扰的材料,在应用中要注意.3%取向硅钢的磁致伸缩系数为(1~3)×10-6,微晶纳米晶合金的磁致伸缩系数为(0.5~2)×10-6.这2种软磁材料属于比较容易产生电磁干扰的材料.6.5%硅钢的磁致伸缩系数为0.1×10-6,高磁导Ni80坡莫合金的磁致伸缩系数为(0.1~0.5)×10-6,钴基非晶合金的磁致伸缩系数为0.1×10-6以下.这3种软磁材料属于不太容易产生电磁干扰的材料.由磁致伸缩产生的电磁干扰的频率一般与电子变压器的工作频率相同.如果有低于或高于工作频率的电磁干扰,那是由其他原因产生的.完成功能电子变压器从功能上区分主要有变压器和电感器2种.特殊元件完成的功能另外讨论.变压器完成的功能有3个:功率传送、电压变换和绝缘隔离.电感器完成功能有2个:功率传送和纹波抑制功率传送有2种方式.第一种是变压器传送方式,即外加在变压器原绕组上的交变电压,在磁芯中产生磁通变化,使副绕组感应电压,加在负载上,从而使电功率从原边传送到副边.传送功率的大小决定于感应电压,也就是决定于单位时间内的磁通密度变量ΔB.ΔB与磁导率无关,而与饱和磁通密度Bs和剩余磁通密度Br有关.从饱和磁通密度来看,各种软磁材料的Bs 从大到小的顺序为:铁钴合金为2.3~2.4T,硅钢为1.75~2.2T,铁基非晶合金为1.25~1.75T,铁基微晶纳米晶合金为1.1~1.5T,铁硅铝合金为1.0~1.6T,高磁导铁镍坡莫合金为0.8~1.6T,钴基非晶合金为0.5~1.4T,铁铝合金为0.7~1.3T,铁镍基非晶合金为0.4~0.7T,锰锌铁氧体为0.3~0.7T.作为电子变压器的磁芯用材料,硅钢和铁基非晶合金占优势,而锰锌铁氧体处于劣势.功率传送的第二种是电感器传送方式,即输入给电感器绕组的电能,使磁芯激磁,变为磁能储存起来,然后通过去磁变成电能释放给负载.传送功率的大小决定于电感器磁芯的储能,也就是决定于电感器的电感量.电感量不直接与饱和磁通密度有关,而与磁导率有关,磁导率高,电感量大,储能多,传送功率大.各种软磁材料的磁导率从大到小顺序为:Ni80坡莫合金为(1. 2~3)×106,钴基非晶合金为(1~1.5)×106,铁基微晶纳米晶合金为(5~8)×105,铁基非晶合金为(2~5)×105,Ni50坡莫合金为(1~3)×105,硅钢为(2~9)×104,锰锌铁氧体为(1~3)×104.作为电感器的磁芯用材料,Ni80坡莫合金、钴基非晶合金、铁基微晶纳米晶合金占优势,硅钢和锰锌铁氧体处于劣势.传送功率大小,还与单位时间内的传送次数有关,即与电子变压器的工作频率有关.工作频率越高,在同样尺寸的磁芯和线圈参数下,传送的功率越大.电压变换通过变压器原绕组和副绕组匝数比来完成,不管功率传送大小如何,原边和副边的电压变换比等于原绕组和副绕组匝数比.绝缘隔离通过变压器原绕组和副绕组的绝缘结构来完成.绝缘结构的复杂程度,与外加和变换的电压大小有关,电压越高,绝缘结构越复杂.纹波抑制通过电感器的自感电势来实现.只要通过电感器的电流发生变化,线圈在磁芯中产生的磁通也会发生变化,使电感器的线圈两端出现自感电势,其方向与外加电压方向相反,从而阻止电流的变化.纹波的变化频率比基频高,电流纹波的电流频率比基频大,因此,更能被电感器产生的自感电势抑制.电感器对纹波抑制的能力,决定于自感电势的大小,也就是电感量大小,与磁芯的磁导率有关,Ni80坡莫合金、钴基非晶合金、铁基微晶纳米晶合金磁导率大,处于优势,硅钢和锰锌铁氧体磁导率小,处于劣势.提高效率提高效率是对电源和电子变压器的普遍要求.虽然,从单个电子变压器来看,损耗不大.例如,100VA电源变压器,效率为98%时,损耗只有2W并不多.但是成十万个、成百万个电源变压器,总损耗可能达到上十万W,甚至上百万W.还有,许多电源变压器一直长期运行,年总损耗相当可观,有可能达到上千万kW·h.显然,提高电子变压器的效率,可以节约电力.节约电力后,可以少建发电站.少建发电站后,可以少消耗煤和石油,可以少排放CO2,SO2,NOx,废气,污水,烟尘和灰渣,减少对环境的污染.既具有节约能源,又具有保护环境的双重社会经济效益.因此,提高效率是对电子变压器的一个主要要求.电子变压器的损耗包括磁芯损耗(铁损)和线圈损耗(铜损).铁损只要电子变压器投入工作,一直存在,是电子变压器损耗的主要部分.因此,根据铁损选择磁芯材料,是电子变压器设计的主要内容,铁损也成为评价软磁材料的一个主要参数.铁损与电子变压器磁芯的工作磁通密度和工作频率有关,在介绍软磁材料的铁损时,必须说明是在什么工作磁通密度下和什么工作频率下的损耗.例如,P0.5/400,表示在工作磁通密度0.5T和工作频率400Hz下的铁损.P0.1/100k 表示在工作磁通密度0.1T和工作频率100kHz下的铁损.软磁材料包括磁滞损耗、涡流损耗和剩余损耗.涡流损耗又与材料的电阻率ρ成反比.ρ越大,涡流损耗越小.各种软磁材料的ρ从大到小的顺序为:锰锌铁氧体为108~109μΩ·cm,铁镍基非晶合金为150~180μΩ·cm,铁基非晶合金为130~150μΩ·cm,钴基非晶合金为120~140μΩ·c m,高磁导坡莫合金为40~80μΩ·cm,铁硅铝合金为40~60μΩ·cm,铁铝合金为30~60μΩ·cm,硅钢为40~50μΩ·cm,铁钴合金为20~40μΩ·cm.因此,锰锌铁氧体的ρ比金属软磁材料高106~107倍,在高频中涡流小,应用占优势.但是当工作频率超过一定值以后,锰锌铁氧体磁性颗粒之内的绝缘体被击穿和熔化,ρ变得相当小,损耗迅速上升到很高水平,这个工作频率就是锰锌铁氧体的极限工作频率.金属软磁材料厚度变薄,也可以降低涡流损耗.根据现有的电子变压器使用金属软磁材料带材的经验,工作频率和带材厚度的关系为:工频50~60Hz用0.50~0.23mm(500~230μm),中频4 00Hz至1kHz用0.20~0.08mm(200~80μm),1kHz至20kHz用0.10~0.025mm(100~25μm),中高频20kHz至100kHz用0.05~0.015mm(50~15μm),高频100kHz至1MHz用0.02~0.005mm(20~5μm), 1MHz以上,厚度小于5μm.金属软磁材料带材只要降到一定厚度,涡流损耗可显著减少.不论是硅钢、坡莫合金,还是钴基非晶合金和微晶纳米晶合金都可以在中、高频电子变压器中使用,和锰锌铁氧体竞争.降低成本降低成本是对电子变压器的一个主要要求,有时甚至是决定性的要求.电子变压器作为一种商品和其他商品一样,都面临着市场竞争.竞争的内容包括性能和成本两个方面,缺一不可.不注意成本,往往会在竞争中被淘汰. 电子变压器的成本包括材料成本、制造成本和管理成本.降低成本要从这三个方面来考虑.软磁材料成本在电子变压器的材料成本中占有相当大的比例.根据现行的市场价格,每kg 重量的软磁材料的价格从小到大的顺序是:锰锌软磁铁氧体,硅钢,铁基非晶合金,Ni50坡莫合金,钴基非晶合金,Ni80坡莫合金.锰锌铁氧体在中高频范围内广泛应用,硅钢在工频范围内广泛应用,最主要的原因之一就是价格便宜.制造成本与设计和工艺有关.电子变压器所用的磁芯、线圈和总体结构的加工和装配工艺是复杂还是简单?需要人工占的比例多大?是否需要工模具?质量控制中需要检测的工序和参数有多少?要用什么检测仪器和设备?这些都是降低制造成本时要考虑的问题.管理成本一般约占材料和制造成本之和的30%左右.如果管理得好,充分利用人力和财力,有可能降到20%左右.充分利用人力,是指工时利用率要高,减少管理人员和工人比例等等.充分利用财力,是指缩短生产周期,减少库存,加快资金流转等等.所以,一个好的电子变压器设计者,除了要了解电子变压器的理论和设计方法而外,还要了解各种软磁材料,电磁线,绝缘材料的性能和价格;还要了解磁芯加工和热处理工艺,线圈绕制和绝缘处理工艺和结构组装工艺;还要了解实现质量控制的检测参数和仪器设备;还要了解生产管理的基本知识以及电子变压器的市场动态等等.只有知识全面的设计者,才能设计出性能好,价格低的电子变压器.新软磁材料在电子变压器中的应用电子变压器中的软磁材料,根据上面的分析,在工频及中频范围内主要采用硅钢,在高频范围内主要采用软磁铁氧体.现在硅钢遇到非晶纳米晶合金的挑战,软磁铁氧体既遇到非晶纳米晶合金的挑战,又遇到软磁复合材料的竞争.在挑战和竞争中,不但使新软磁材料迅速发展,也使硅钢和软磁铁氧体得到发展.新发展起来的软磁材料在电子变压器中的应用,使电子变压器的性能提高,成本下降.而且也使电源技术在向短、小、轻、薄的变革中遇到的难点——磁性元件小型化问题逐步得到解决.下面分别介绍硅钢,软磁铁氧体,非晶纳米晶合金,软磁复合材料在电子变压器中应用的一些新进展.这里不介绍薄膜软磁材料,它是用于1MHz以上的,高频小型电子变压器的新一代软磁材料,留待以后专文介绍.硅钢电源技术中的工频电子变压器大量使用3%取向硅钢,现在厚度普遍从0.35mm减到0.27 mm或0.23mm.国内生产的23Q110的0.23mm厚,3%取向硅钢,饱和磁通密度Bs为1.8T,其P 1.7/50为1.10W/kg;27QG095的0.27mm厚,3%Hi B取向硅钢,Bs为1.89T,P1.7/50为0.95W/kg.日本生产的0.23mm厚,3%取向硅钢Bs为1.85T,P1.7/50为0.85W/kg.与国内产品相差不多.但是0.23mm厚的3%取向硅钢经过特殊处理,即用电解法将表面抛光至镜面,再涂张力涂层,最后细化磁畴,可以使P1.7/50下降到0.45W/kg.同时,对要求损耗低的电子变压器,日本还进一步把厚度减薄到0.15mm,经过特殊处理,可以使P1.3/50下降到0.082~0.11W/kg和铁基非晶合金水平基本相当.日本还用温度梯度炉高温退火新工艺,使0.15mm厚,3%取向硅钢的Bs达到1.95~2.0T,经过特殊处理,使P1.3/50为0.15W/kg,P1.7/50为0.35W/kg.采用三次再结晶新工艺,制成更薄的硅钢,Bs为2.03T,P1.3/50为0.19W/kg(0.075mm厚),0.17W/kg(0.071mm厚)和0.13W/kg0.032m m厚).电源装置中的中频(400Hz至10kHz)电子变压器,除了使用0.20~0.08mm厚,3%取向硅钢外,日本已采用6.5%无取向硅钢.6.5%硅钢,磁致伸缩近似为零,可制成低噪声电子变压器,磁导率为16000~25000.ρ比3%硅钢高一倍,中频损耗低,例如:0.10mm厚的6.5%无取向硅钢P1/50为0.6W/kg,P1/400为6.1W/kg,P0.5/1K为5.2W/kg,P0.1/10k为8.2W/kg,Bs为1.25T.采用温轧法可以生产6.5%取向硅钢,Bs提高到1.62~1.67T.0.23mm厚的6.5%取向硅钢P1/50为0.25W/kg.日本已用6.5%硅钢制成1kHz音频变压器,在1.0T时,噪声比3%取向硅钢下降21dB,铁损下降40%,还用6.5%硅钢取代3%取向硅钢用于8kHz电焊机中,铁芯重量从7.5kg减少到3kg.6.5%硅钢国内已进行小批量生产.与研制6.5%硅钢的同时,日本还开发了硅含量呈梯度分布的硅钢.1)中高频低损耗梯度硅钢,表层硅含量6.5%,电阻率高,磁导率高,磁通集中在表面,涡流也集中表面,损耗小.内部硅含量低于6.5%.总的损耗低于6.5%硅钢.例如:0.20mm厚的6.5%硅钢的P 0.1/10k为16W/kg,梯度硅钢为13W/kg;P0.05/20k6.5%硅钢为14W/kg,梯度硅钢为9W/kg.由于总的硅平均含量低于6.5%,Bs比6.5%硅钢高,可达1.90T.延伸性即加工性也比6.5%硅钢好.已经用这种梯度硅钢制成家用电器逆变器用电感器,由于Bs高,损耗低,既体积小,又发热少.2)低剩磁梯度硅钢,表层硅含量高,磁致伸缩小,中心层硅含量低,磁致伸缩大.表层与中心层存在的磁致伸缩差而引发应力.出现的弹性能导致剩磁低,一般饱和磁通密度Bs为1.96T,剩磁Br 为0.34T.ΔB=Bm-Br超过1.0T(Bm为工作磁通密度).损耗也低,P1.2/50为1.27W/kg.可以用于脉冲变压器,单方向磁通变化电源变压器等.作为电源变压器铁芯时,还可以抑制合闸时的突发电流浪涌.最近报导,日本开发出用于中高频电子变压器的硅钢新品种——添加铬(Cr)的硅钢.在4.5%硅钢中,添加4%铬,电阻率可达82μΩ·cm,而一般3%取向硅钢电阻率为44μΩ·cm,牌号为“HiFre qs”.0.1mm厚添加铬的硅钢损耗低,P0.2/5k为20.5W/kg,P0.1/10k为10W/kg,P0.05/20k为5W/ kg;延伸性即加工性好,与3%硅钢一样,可以进行冲剪,铆固加工;耐腐蚀性好,在盐水和湿气中,不涂层也不腐蚀.已用这种添加铬的硅钢制成25kHz开关电源用滤波电感器,铁芯损耗为22W /kg,比6.5%硅钢(36W/kg)和铁基非晶合金(29W/kg)小.还用它制成70kHz感应加热装置的电子变压器,比0.1mm厚3%取向硅钢发热显著减少,寿命延长4倍以上.软磁铁氧体软磁铁氧体的特点是:饱和磁通密度低,磁导率低,居里温度低,中高频损耗低,成本低.前三个低是它的缺点,限制了它的使用范围,现在正在努力改进.后两个低是它的优点,有利于进入高频市场,现在正在努力扩展.以100kHz,0.2T和100℃下的损耗为例,TDK公司的PC40为410mW/cm3,PC44为300mW/ cm3,PC47为250mW/cm3.TOKIN公司的BH1为250mW/cm3,损耗不断在下降.国内金宁生产的JP4E也达到300mW/cm3.不断地提高工作频率,是另一个努力方向.TDK公司的PC50工作频率为500kHz至1MHz. FDK公司的7H20,TOKIN的B40也能在1MHz下工作.Philips公司的3F4,3F45,3F5工作频率都超过1MHz.国内金宁的JP5,天通的TP5A工作频率都达到500kHz至1.5MHz.东磁的DMR1.2K 的工作频率甚至超越3MHz,达到5.64MHz.磁导率是软磁铁氧体的弱项.现在国内生产的产品一般为10000左右.国外TDK公司的H 5C5,Philips公司的3E9,分别达到30000和20000.采用SHS法合成MnZn铁氧体材料的研究,值得注意.用这种方法的试验结果表明,可以大大降低铁氧体的制造能耗和成本.国内已有试验成功的报导.非晶和纳米晶合金铁基非晶合金在工频和中频领域,正在和硅钢竞争.铁基非晶合金和硅钢相比,有以下优缺点.1)铁基非晶合金的饱和磁通密度Bs比硅钢低,但是,在同样的Bm下,铁基非晶合金的损耗比0. 23mm厚的3%硅钢小.一般人认为损耗小的原因是铁基非晶合金带材厚度薄,电阻率高.这只是一个方面,更主要的原因是铁基非晶合金是非晶态,原子排列是随机的,不存在原子定向排列产生的磁晶各向异性,也不存在产生局部变形和成分偏移的晶粒边界.因此,妨碍畴壁运动和磁矩转动的能量壁垒非常小,具有前所未有的软磁性,所以磁导率高,矫顽力小,损耗低.2)铁基非晶合金磁芯填充系数为0.84~0.86, 与硅钢填充系数0.90~0.95相比,同样重量的铁基非晶合金磁芯体积比硅钢磁芯大.3)铁基非晶合金磁芯的工作磁通密度为1.35T~1.40T,硅钢为1.6T~1.7T.铁基非晶合金工频变压器的重量是硅钢工频变压器的重量的130%左右.但是,即使重量重,对同样容量的工频变压器,磁芯采用铁基非晶合金的损耗,比采用硅钢的要低70%~80%.4)假定工频变压器的负载损耗(铜损)都一样,负载率也都是50%.那么,要使硅钢工频变压器的铁损和铁基非晶合金工频变压器的一样,则硅钢变压器的重量是铁基非晶合金变压器的1 8倍.因此,国内一般人所认同的抛开变压器的损耗水平,笼统地谈论铁基非晶合金工频变压器的重量、成本和价格,是硅钢工频变压器的130%~150%,并不符合市场要求的性能价格比原则.国外提出两种比较的方法,一种是在同样损耗的条件下,求出两种工频变压器所用的铜铁材料重量和价格,进行比较.另一种方法是对铁基非晶合金工频变压器的损耗降低瓦数,折合成货币进行补偿.每瓦空载损耗折合成5~11美元,相当于人民币42~92元.每瓦负载损耗折合成0. 7~1.0美元,相当于人民币6~8.3元.例如一个50Hz,5kVA单相变压器用硅钢磁芯,报价为1700元/台;空载损耗28W,按60元人民币/W计,为1680元;负载损耗110W,按8元人民币/W计,为880元;则,总的评估价为4260元/台.用铁基非晶合金磁芯,报价为2500元/台;空载损耗6W,折合成人民币360元;负载损耗110W,折合成人民币880元,总的评估价为3740元/台.如果不考虑损耗,单计算报价,5kVA铁基非晶合金工频变压器为硅钢工频变压器的147%.如果考虑损耗,总的评估价为89%.5)现在测试工频电源变压器磁芯材料损耗,是在畸变小于2%的正弦波电压下进行的.而实际的工频电网畸变为5%.在这种情况下,铁基非晶合金损耗增加到106%,硅钢损耗增加到123%.如果在高次谐波大,畸变为75%的条件下(例如工频整流变压器),铁基非晶合金损耗增加到16 0%,硅钢损耗增加到300%以上.说明铁基非晶合金抗电源波形畸变能力比硅钢强.6)铁基非晶合金的磁致伸缩系数大,是硅钢的3~5倍.因此,铁基非晶合金工频变压器的噪声为硅钢工频变压器噪声的120%,要大3~5dB.7)现行市场上,铁基非晶合金带材价格是0.23mm3%取向硅钢的150%,是0.15mm3%取向硅钢(经过特殊处理)的40%左右.8)铁基非晶合金退火温度比硅钢低,消耗能量小,而且铁基非晶合金磁芯一般由专门生产厂制造.硅钢磁芯一般由变压器生产厂制造.根据以上比较,只要达到一定生产规模,铁基非晶合金在工频范围内的电子变压器中将取代部分硅钢市场.在400Hz至10kHz中频范围内,即使有新的硅钢品种出现,铁基非晶合金仍将会取代大部分0.15mm以下厚度的硅钢市场.值得注意的是,日本正在大力开发FeMB系非晶合金和纳米晶合金,其Bs可达1.7~1.8T,而且损耗为现有FeSiB系非晶合金的50%以下,如果用于工频电子变压器,工作磁通密度达到1. 5T以上,而损耗只有硅钢工频变压器的10%~15%,将是硅钢工频变压器的更有力的竞争者.日本预计在2005年就可以将FeMB系非晶合金工频变压器试制成功,并投入生产.非晶纳米晶合金在中高频领域中,正在和软磁铁氧体竞争.在10kHz至50kHz电子变压器中,铁基纳米晶合金的工作磁通密度可达0.5T,损耗P0.5/20k≤25W/kg,因而,在大功率电子变压器中有明显的优势.在50kHz至100kHz电子变压器中,铁基纳米晶合金损耗P0.2/100k为30~ 75W/kg, 铁基非晶合金P0.2/100k为30W/kg,可以取代部分铁氧体市场.非晶纳米晶合金经过20多年的推广应用,已经证明其具有下述优点:1)不存在时效稳定性问题,纳米晶合金在200℃以下,钴基非晶合金在100℃以下,经过长期使用,性能无显著变化;2)温度稳定性比软磁铁氧体好,在-55℃至150℃范围内,磁性能变化5%~10%,而且可逆;3)耐冲击振动,随电源整机在30g下的振动试验中,均未发生过性能恶化问题;4)铁基非晶合金脆性大大改善,带材平整度良好,可以剪切加工,也可以制成搭接式卷绕磁芯,经过5次弯折或拆卸,性能无显著变化.软磁复合材料经过争论,现在对磁粉芯等已经取得了一致认识,即认为它属于软磁复合材料.软磁复合材料是将磁性微粒均匀分散在非磁性物中形成的.与传统的金属软磁合金和铁氧体材料相比,它有很多独特的优点:磁性金属粒子分散在非导体物件中,可以减少高频涡流损耗,提高应用频率;既可以采取热压法加工成粉芯,也可以利用现在的塑料工程技术,注塑制造成复杂形状的磁体;具有密度小,重量轻,生产效率高,成本低,产品重复性和一致性好等优点.缺点是由于磁性粒子之间被非磁性体分开,磁路隔断,磁导率现在一般在100以内.不过,采用纳米技术和其他措施,国外已有磁导率超过1000的报导,最大可达6000.软磁复合材料的磁导率受到很多因素的影响,如磁性粒子的成分,粒子的形状,尺寸,填充密度等.因此,根据工作频率可以进行调整.磁粉芯是软磁复合材料的典型例子.现在已在20kHz至100kHz甚至1MHz的电感器中取代了部分软磁铁氧体.例如铁硅铝磁粉芯,硅含量为8.8%,铝为5.76%,剩余全为铁.粒度为90~4 5μm,45~32μm和32~30μm.用硅树脂作粘接剂,1%左右硬脂酸作润滑剂,在2t/cm2压力下,制成 13× 8×5的环形磁芯,在氢气中用673°K,773°K,873°K退火,使磁导率达到100,300,600.在100k Hz下损耗低,已经代替软磁铁氧体和MPP磁粉芯用于电感器中.已经有人对大功率电源的电感器用软磁复合材料——磁粉芯进行了开发研究.在20kHz 以下,磁导率基本不变.在1.0T下,磁导率为100左右.50Hz~20kHz损耗小,可制成100kg重量以上的大型的磁芯,而且在20kHz下音频范围,噪声比环形铁氧体磁芯降低10dB.可以在大功率电源中代替硅钢和软磁铁氧体.有人用钴/二氧化硅(Co/SiO2)纳米复合软磁材料制作不同于薄膜的大尺寸磁芯.钴粒子平均尺寸为30μm,填充度40%至90%,经过搅拌后,退火形成Co/SiO2纳米复合粉,然后压制成环形磁芯.磁导率在300MHz以下,都可达到16.镍锌铁氧体的磁导率为12,而且在100MHz以后迅速下降.证明在高频和超高频下,软磁复合材料也可取代部分铁氧体市场.新磁芯结构在电子变压器中的应用搭接式卷绕磁芯搭接式卷绕磁芯最早用于非晶合金配电变压器.它既有卷绕磁芯优点,激磁电流小,空载损耗低,又可以打开装卸线圈,消除一般卷绕磁芯的缺点,不需要用专用绕线机绕制线圈,生产效率提高,线圈出现问题时也便于更换和维修.现有3%取向硅钢的厚度已减薄到0.23mm和0. 27mm,用它们制造搭接式卷绕磁芯比非晶合金更容易.因此,搭接式卷绕磁芯有可能用于500V A以上的硅钢电源变压器,尤其是大容量整流电源和不停电电源中的硅钢电源变压器.立体三角形磁芯立体布置的三角形三相磁芯,现在正在国内风行.最早出现立体三角形磁芯可追溯到20世纪30年代,但是,由于磁芯需要特殊剪切加工,线圈需要专用绕线机绕制,而未能推广应用.现在可以用计算机控制磁芯剪切加工,已经有专用绕线机绕线.国内有5—6家企业在申请立体三角形磁芯变压器的专利.立体布置的三角形三相磁芯与平面布置的三柱式三相磁芯相比,磁通分布均匀,不会出现局部饱和,激磁电流和磁通的对称性好.问题是各个柱的截面要形成接近圆形相当困难,绕组平均匝长增加,负载损耗也会增加.可用于30kVA以上的大型变压器.正交形磁芯把C型磁芯的一半旋转90°,再接合在一起,就形成正交形磁芯.可以用直流控制绕组控制正交形磁芯的电感.日本索尼公司已经用软磁铁氧体制成这种磁芯,叫SX形磁芯,并且已经用于各种电视机的开关电源,作为驱动变压器,控制它的电感,使电路出现电压谐振或者电流谐振,而实现软开关条件.日本东北大学和东北电力公司已经用硅钢制成这种磁芯,用于功率补偿器和移相器,控制电力系统的有功和无功功率.与晶闸管功率补偿器和移相器相比,具有高次谐波少,电磁干扰小,控制电路简单等特点.磁性液体磁芯有人曾设想过,用注塑机加工变压器磁芯,可以避免硅钢磁芯冲片,热处理,叠片,组装等多道工序.现在正在开发磁性液体磁芯可以实现这种设想,用工程塑料做成磁芯外壳,中间注入磁性液体,表面再用磁性片封住.这样,大量生产的中小型电源变压器的加工效率可以显著提高,使成本降低,与叠片式硅钢磁芯相比具有明显的优势.电子变压器在电源技术中起着重要作用.电源技术要求电子变压器能适应外界使用条件,。
交流互感器材料
交流互感器是一种重要的电子元件,用于测量交流电流和变压器中的电流。
它们通常由铁芯和线圈组成,其中铁芯材料的选择对其性能至关重要。
以下是一些常见的交流互感器材料:
1. 铁氧体(Ferrite):铁氧体是一种具有良好磁导率和低磁导率损耗的材料。
它们有较高的饱和磁通密度和矫顽力,适合用于高频应用。
2. 钠钙钛矿(Sodium Calcium Titanate):钠钙钛矿是一种具有很高介电常数和低损耗因子的陶瓷材料。
它们在高频应用中表现出色,并且具有较好的热稳定性。
3. 铁氧体铷(Ferrite Rubidium):铁氧体铷是铁氧体中添加了铷元素的一种变种。
它们具有高饱和磁导率和低磁导率损耗,适用于高频应用和磁隔离。
4. 铅镁铌酸钛(Pb(Mg1/3Nb2/3)O3):铅镁铌酸钛是一种具有极高介电常数和超高电压应力下的非线性特性的陶瓷材料。
它们广泛应用于高压电力设备中。
5. 钪铁氧体(Gd-Fe ferrite):钪铁氧体是一种添加了钪元素的铁氧体。
它们具有较高的矫顽力和饱和磁感应强度,适合于高功率应用。
这些材料在设计和制造交流互感器中起到关键作用,可以根据具体的应用需求选择合适的材料。
同时,不同的材料组合和制
备工艺也会对交流互感器的性能有所影响。
因此,在选择材料和制造过程中需要进行全面的研究和优化,以确保交流互感器的性能和可靠性。
电力电子电路常用磁芯元件的设计一、常用磁性材料的基本知识磁性元件可以说是电力电子电路中关键的元件之一,它对电力电子装置的体积、效率等有重要影响,因此,磁性元件的设计也是电力电子电路系统设计的重要环节。
磁性材料有很多种类,特性各异,不同的应用场合有不同的选择,以下是几种常用的磁性材料。
1.低碳钢低碳钢是一种最常见的磁性材料,这种材料电阻率很低,因此涡流损耗较大,实际应用时常制成硅钢片。
硅钢片是一种合金材料(通常由97%的铁和3%的硅组成),它具有很高的磁导率,并且每一薄片之间相互绝缘,使得材料的涡流损耗显著减小。
磁芯损耗取决于材料的厚度与硅含量,硅含量越高、电阻率越大。
这种材料大多应用于低频场合,工频磁性元件常用这种材料。
2.铁氧体随着工作频率的提高,对磁芯损耗的要求更高,硅钢片由于制造工艺的限制,已经很难满足这种要求,铁氧体就是在这种形势下出现的。
铁氧体是一种暗灰色或者黑色的陶瓷材料。
铁氧体的化合物是MeFe2O4,这里Me代表一种或几种二价的金属元素,例如,锰、锌、镍、钴、铜、铁或镁。
这些化合物在特定的温度范围内表现出良好的磁性能,但是如果超出某个温度值,磁性将失去,这个温度称为居里温度(T c)。
铁氧体材料非常容易磁化,并且具有相当高的电阻率。
这些材料不需要像硅钢片那样分层隔离就能用在高频的应用场合。
高频铁氧体磁性材料主要可分为两大类:锰锌(MnZn)铁氧体材料和镍锌(NiZn)铁氧体材料。
比较而言,NiZn材料的电阻率较高,一般认为在高频应用场合下具有较低的涡流损耗。
但是最近的研究表明,如果颗粒的尺寸足够小而且均匀,在几兆赫兹范围内MnZn材料显示出较NiZn材料更为优越的特性,例如,TDK公司的H7F材料以及MAGNETICS公司的K材料就是采用这种技术,适用于兆赫兹工作频率下工作的新型铁氧体材料。
3.粉芯材料粉芯材料是将一些合金原料研磨成精细的粉末状颗粒,然后在这些颗粒的表面覆盖上一层绝缘物质(它用来控制气隙的尺寸,并且降低涡流损耗),最后这些粉末在高压下形成各种磁芯形状。
锰锌铁氧体和镍锌铁氧体锰锌铁氧体和镍锌铁氧体是目前生产的软磁铁氧体中品种最多、应用最广泛的两大系列磁芯元件。
我们知道,用于电视机中作行输出变压器的U形磁芯、偏转磁芯、还有作变压器的E形磁芯,一般都是锰锌铁氧体材料制成的。
用于收音机中的磁性天线,有锰锌也有镍锌,但可从棒端不同颜色来区别。
例如,有的工厂在锰锌中波磁棒的棒端喷有黑漆,在镍锌短波磁棒的棒端喷有大红色漆。
另外,各种环形磁芯也有锰锌、镍锌之分。
但是遇到体积较小的螺纹形、圆柱形、工形和帽形磁芯,有的用锰锌材料制成,也有的用镍锌材料制成,而滋芯上又没有色标,当这些磁芯混在一起时,如何来区分呢?下面介绍两种具体方法。
一、目测法:由于锰锌铁氧体一般磁导率μ比较高,晶粒较大,结构也比较紧密,常呈黑色。
而镍锌铁氧体一般磁导率μ比较低,晶粒细而小,并且是多孔结构,常呈棕色,特别是在生产过程中烧结温度比较低时尤为突出。
根据这些特点,我们可用目测法来区分。
在光线比较亮的地方,如果看到铁氧体的颜色发黑、有较耀眼的亮结晶,此磁芯为锰锌铁氧体;如果看到铁氧体带棕色、光泽暗淡、晶粒不耀眼,此磁芯为镍锌铁氧体。
目测法是一种比较粗略的方法,经过一定实践也是可以掌握的。
二、测试法:这种方法比较可靠,但需要一些测试仪器,例如高阻计、高频Q表等。
1.利用锰锌和镍锌铁氧体的电阻率ρ不同来区分。
由于锰锌铁氧体的电阻率比较低,约在103Ω·cm以下,而镍锌铁氧体的电阻率较高,约105~108Ω·cm。
所以,我们可以用高阻计或能测量电阻率的其它任何仪表来测量。
测试前,要在磁心上作两个任意位置的电极,为了测试方便,可选螺纹形、圆柱形、工形磁心两个圆柱体端面作电极,帽形磁心可选在同一圆平面上作两个电极,这时,用砂皮轻轻磨去待测部位磁心的氧化层,然后可涂上导电性好的材料作为测试电极,一般可用6B铅笔涂上两个石墨电极,作成如图2圆柱形磁心、帽形磁心所示的石墨电极,测直流电压在几十伏以上时的电阻率。
常用软磁磁芯的特点及应用(一) 粉芯类1. 磁粉芯磁粉芯是由铁磁性粉粒与绝缘介质混合压制而成的一种软磁材料。
由于铁磁性颗粒很小(高频下使用的为0.5~5 微米),又被非磁性电绝缘膜物质隔开,因此,一方面可以隔绝涡流,材料适用于较高频率;另一方面由于颗粒之间的间隙效应,导致材料具有低导磁率及恒导磁特性;又由于颗粒尺寸小,基本上不发生集肤现象,磁导率随频率的变化也就较为稳定。
主要用于高频电感。
磁粉芯的磁电性能主要取决于粉粒材料的导磁率、粉粒的大小和形状、它们的填充系数、绝缘介质的含量、成型压力及热处理工艺等。
常用的磁粉芯有铁粉芯、坡莫合金粉芯及铁硅铝粉芯三种。
磁芯的有效磁导率μe及电感的计算公式为:μe = DL/4N2S × 109其中:D 为磁芯平均直径(cm),L为电感量(享),N 为绕线匝数,S为磁芯有效截面积(cm2)。
(1) 铁粉芯常用铁粉芯是由碳基铁磁粉及树脂碳基铁磁粉构成。
在粉芯中价格最低。
饱和磁感应强度值在1.4T左右;磁导率范围从22~100;初始磁导率μi 随频率的变化稳定性好;直流电流叠加性能好;但高频下损耗高。
铁粉芯初始磁导率随直流磁场强度的变化铁粉芯初始磁导率随频率的变化(2). 坡莫合金粉芯坡莫合金粉芯主要有钼坡莫合金粉芯(MPP)及高磁通量粉芯(High Flux)。
MPP 是由81%Ni、2%Mo及Fe粉构成。
主要特点是:饱和磁感应强度值在7500Gs左右;磁导率范围大,从14~550;在粉末磁芯中具有最低的损耗;温度稳定性极佳,广泛用于太空设备、露天设备等;磁致伸缩系数接近零,在不同的频率下工作时无噪声产生。
主要应用于300kHz以下的高品质因素Q滤波器、感应负载线圈、谐振电路、在对温度稳定性要求高的LC电路上常用、输出电感、功率因素补偿电路等, 在AC电路中常用, 粉芯中价格最贵。
高磁通粉芯HF是由50%Ni、50%Fe粉构成。
主要特点是:饱和磁感应强度值在15000Gs 左右;磁导率范围从14~160;在粉末磁芯中具有最高的磁感应强度,最高的直流偏压能力;磁芯体积小。
pq2625磁芯参数磁芯是电子元器件中的一种重要部件,具有储存和传输磁场能量的功能。
而pq2625磁芯是一种常见的磁芯型号,具有特定的参数和特性。
下面我们将详细介绍pq2625磁芯的参数。
1. 外形尺寸:pq2625磁芯的外形尺寸为26mm×25mm,是一种较小尺寸的磁芯。
这种尺寸的磁芯适用于空间有限的电子设备中,能够满足小型电路的需求。
2. 材料:pq2625磁芯采用的是高性能磁性材料,如铁氧体材料。
铁氧体材料具有较高的磁导率和饱和磁感应强度,适合用于制作磁芯。
3. 磁芯形状:pq2625磁芯的形状为E形,具有三个磁路,中间为一个直通磁路,两侧为分支磁路。
这种形状的磁芯能够提供较好的磁路传输效果,适用于高频和大功率的电子设备。
4. 磁芯截面积:pq2625磁芯的截面积为 6.25mm²,截面积是指磁芯横截面的面积。
截面积的大小直接影响磁芯的磁导率和磁感应强度。
较大的截面积可以提供更好的磁路传输能力。
5. 磁芯层绕数:pq2625磁芯的层绕数为3+3,层绕数是指绕在磁芯上的线圈的层数。
层绕数的选择需要根据具体的电路要求来确定,过多或过少的层绕数都会影响磁路的传输效果。
6. 磁芯饱和磁感应强度:pq2625磁芯的饱和磁感应强度为0.37T,饱和磁感应强度是指磁芯材料在饱和状态下的最大磁感应强度。
超过饱和磁感应强度,磁芯材料会失去磁性。
7. 磁芯磁导率:pq2625磁芯的磁导率为1600nH,磁导率是指磁芯材料对磁场的传导能力。
磁导率越大,磁芯在磁场中的传输效果越好。
8. 磁芯温度系数:pq2625磁芯的温度系数为-30ppm/℃,温度系数是指磁芯参数随温度变化的程度。
温度系数的大小对于磁芯在不同温度下的性能稳定性有重要影响。
pq2625磁芯是一种常见的磁芯型号,具有26mm×25mm的外形尺寸和E形磁芯形状。
它采用高性能的铁氧体材料制成,具有 6.25mm²的截面积和3+3的层绕数。
一、软磁铁氧体磁芯:由镍锌、锰锌材料制成,应用于高频电感、变压器、滤波器等,是无线电中最常用的材料。
常见磁材可以依据其表面的涂封颜色或特征来快速识别铁粉心有三种分别涂漆颜色为:(黄/白),(蓝/黄)或(绿/蓝),(灰/黄)羰基铁涂漆颜色为:(全黄)或(蓝/白)高磁通涂漆颜色为:(全蓝)铁镍钼涂漆颜色为:(全灰),(清漆)铁硅铝涂漆颜色为:(全黑)镍锌铁氧体(NXO)不涂漆的表面粗糙,容易掉粉,颜色发灰锰锌铁氧体(MXO)不涂漆的表面较平滑,不易掉粉,颜色深非晶纳米晶合金多涂有全红,全蓝,全白等颜色,与上述涂封有明显区别。
二、铁氧体磁环磁导率的测算:1、测量磁环的外径D,内径d,环的高度H,单位mm。
2、用漆包线穿绕10~20圈,绕紧点,不要太松,测量其电感量L,单位为uH,电感量大点测算误差小,电感量小测算误差就会大,请根据实际需要确定穿绕的圈数N。
3、将以上数据代入下式计算出大约的磁导率u0u0=2500*L*(D+d)/((D-d)*H*N*N)例如:13X7X5的磁环,绕20圈,测得电感量23uH,代入上式计算u0=2500*23*(13+7)/((13-7)*5*20*20)=1150000/12000=95.8测算结果与磁导率100的规格最接近,确定该磁环的u0是100,注意一般u0标称误差有+-10%。
对于没有参数的磁环可以首先根据外观特征初步判断是哪种材料,再测算磁导率,就可以确定该磁环的主要规格了。
三、怎样区分锰锌还是镍锌铁氧体锰锌铁氧体MXO和镍锌铁氧体NXO是目前生产的软磁铁氧体中品种最多、应用最广泛的两大系列磁芯元件。
我们知道,用于电视机中作行输出变压器的U形磁芯、偏转磁芯、还有作变压器的E形磁芯,一般都是锰锌铁氧体材料制成的。
用于收音机中的磁性天线,有锰锌也有镍锌,但可从棒端不同颜色来区别。
例如,有的工厂在锰锌中波磁棒的棒端喷有黑漆,在镍锌短波磁棒的棒端喷有大红色漆。
另外,各种环形磁芯也有锰锌、镍锌之分。
磁芯什么材料
磁芯是一种用于存储和处理信息的重要材料,它在电子设备中起着至关重要的作用。
磁芯的材料对其性能和应用有着重要影响,下面我们将就磁芯的材料问题展开讨论。
首先,磁芯的材料应具有良好的磁性能。
这意味着磁芯的材料应具有较高的磁导率和饱和磁感应强度,以便在磁场作用下能够产生足够的磁化强度。
常见的磁芯材料包括铁氧体、镍锌铁氧体、铁氧体镍等,它们都具有较好的磁性能,可以满足不同场合的需求。
其次,磁芯的材料应具有良好的稳定性和可靠性。
在实际应用中,磁芯会受到温度、湿度、振动等环境因素的影响,因此其材料应具有良好的稳定性,能够在不同环境条件下保持稳定的磁性能。
同时,磁芯的材料还应具有良好的可靠性,能够长期稳定地工作而不发生磁性能的衰减或失效。
此外,磁芯的材料还应具有良好的加工性能和成本效益。
磁芯通常需要进行加工和成型,因此其材料应具有良好的加工性能,能够满足不同形状和尺寸的要求。
同时,磁芯的材料还应具有良好的成本效益,能够在满足性能要求的同时尽可能降低生产成本。
总的来说,磁芯的材料应具有良好的磁性能、稳定性、可靠性、加工性能和成本效益。
在选择磁芯材料时,需要综合考虑以上因素,并根据具体的应用需求进行合理的选择。
希望本文对磁芯材料的选择有所帮助。
电力电子电路常用磁芯元件的设计一、常用磁性材料的基本知识磁性元件可以说是电力电子电路中关键的元件之一,它对电力电子装置的体积、效率等有重要影响,因此,磁性元件的设计也是电力电子电路系统设计的重要环节。
磁性材料有很多种类,特性各异,不同的应用场合有不同的选择,以下是几种常用的磁性材料。
1.低碳钢低碳钢是一种最常见的磁性材料,这种材料电阻率很低,因此涡流损耗较大,实际应用时常制成硅钢片。
硅钢片是一种合金材料(通常由97%的铁和3%的硅组成),它具有很高的磁导率,并且每一薄片之间相互绝缘,使得材料的涡流损耗显著减小。
磁芯损耗取决于材料的厚度与硅含量,硅含量越高、电阻率越大。
这种材料大多应用于低频场合,工频磁性元件常用这种材料。
2.铁氧体随着工作频率的提高,对磁芯损耗的要求更高,硅钢片由于制造工艺的限制,已经很难满足这种要求,铁氧体就是在这种形势下出现的。
铁氧体是一种暗灰色或者黑色的陶瓷材料。
铁氧体的化合物是MeFe2O4,这里Me代表一种或几种二价的金属元素,例如,锰、锌、镍、钴、铜、铁或镁。
这些化合物在特定的温度范围内表现出良好的磁性能,但是如果超出某个温度值,磁性将失去,这个温度称为居里温度(T c)。
铁氧体材料非常容易磁化,并且具有相当高的电阻率。
这些材料不需要像硅钢片那样分层隔离就能用在高频的应用场合。
高频铁氧体磁性材料主要可分为两大类:锰锌(MnZn)铁氧体材料和镍锌(NiZn)铁氧体材料。
比较而言,NiZn材料的电阻率较高,一般认为在高频应用场合下具有较低的涡流损耗。
但是最近的研究表明,如果颗粒的尺寸足够小而且均匀,在几兆赫兹范围内MnZn材料显示出较NiZn材料更为优越的特性,例如,TDK公司的H7F材料以及MAGNETICS公司的K材料就是采用这种技术,适用于兆赫兹工作频率下工作的新型铁氧体材料。
3.粉芯材料粉芯材料是将一些合金原料研磨成精细的粉末状颗粒,然后在这些颗粒的表面覆盖上一层绝缘物质(它用来控制气隙的尺寸,并且降低涡流损耗),最后这些粉末在高压下形成各种磁芯形状。
纳米晶磁芯和非晶磁芯-概述说明以及解释1.引言1.1 概述磁芯作为电子器件中的重要组成部分,其性能对设备的工作稳定性和效率起着至关重要的作用。
在磁芯的不断研发和改良过程中,纳米晶磁芯和非晶磁芯成为了研究的热点。
纳米晶磁芯是一种由纳米级晶粒组成的磁性材料,其在磁性能、导磁性和饱和磁感应强度方面具有显著的优势。
相比于传统的晶体磁芯,纳米晶磁芯具有更高的饱和磁感应强度、更低的磁导率和较小的矫顽力损耗。
这些特点使得纳米晶磁芯在高频应用领域具有广阔的市场前景,尤其适用于电力电子设备、通信设备以及电动车等领域。
非晶磁芯是一种非晶态材料,其具有无定形的结构特点。
相比于晶态材料,在非晶磁芯中,原子的排列更加无规律,形成了非晶态结构。
非晶磁芯具有低的矫顽力损耗、高的导磁性能和较高的饱和磁感应强度,尤其适用于高频应用。
目前,非晶磁芯广泛应用于变压器、电感器、磁存储器以及电力传输和变换装置等领域。
本篇文章将对纳米晶磁芯和非晶磁芯的特点和应用进行详细阐述,并对两者进行对比分析。
同时,还将展望纳米晶磁芯和非晶磁芯在未来的发展趋势和应用前景。
通过深入了解纳米晶磁芯和非晶磁芯的特点和应用,我们可以更好地理解它们对电子器件性能的影响,以及它们在各个领域中的潜在应用价值。
1.2 文章结构文章结构部分的内容:本文共分为引言、正文和结论三个部分。
引言部分主要概述了纳米晶磁芯和非晶磁芯的研究背景和意义,并介绍了本文的目的和结构。
正文部分主要分为纳米晶磁芯和非晶磁芯两个小节。
在纳米晶磁芯小节中,将详细介绍纳米晶磁芯的特点和应用。
特点方面,将分析其磁性能、热稳定性、晶粒尺寸等方面的优势。
应用方面,将介绍纳米晶磁芯在电力系统、电子设备等领域的具体应用情况。
在非晶磁芯小节中,将详细介绍非晶磁芯的特点和应用。
特点方面,将分析其饱和磁化强度、磁导率、磁滞损耗等方面的特点。
应用方面,将介绍非晶磁芯在变压器、电感器等领域的具体应用情况。
结论部分将对比纳米晶磁芯和非晶磁芯的优势与劣势,总结各自的适用范围和特点。
电感器和变压器技术含量非常低?【大比特导读】与电子工程师聊天,这些不起眼的电感器和变压器都被认为技术含量非常低。
实际上,设计和制造这些无源器件需要用到有大量的技术和知识。
随着电子产品在我们日常生活中越来越普遍,大多数用户却只知道少数器件类型。
互联网可以搜索到半导体、微处理器和晶体管,但却很少提到这些设备所必需的磁性元件。
甚至与电子工程师聊天,这些不起眼的电感器和变压器都被认为技术含量非常低。
实际上,设计和制造这些无源器件需要用到有大量的技术和知识。
从技术和应用角度来看,磁性元件可以分为四种:低频、高频、隔离和非隔离。
为满足特定的电气和物理参数需求通常需要定制设计。
按照标准最大限度地提高材料效率的重要性驱动着变压器设计工程师,材料研究推动着绕线元器件领域的创新。
在欧洲,低频通常为50Hz-500Hz,并连接到220V-240V交流单相电源输入,在美洲则是115V交流电源输入。
其应用到包括线性滤波器、电机驱动器、不间断电源(UPS)、泵浦电路、输送系统、暖通空调设备、线性电源和电力计量。
随着高效开关电源的出现,高频磁性元件的使用变得越来越受欢迎。
其初始频率约为16kHz的,略高于人类的听觉极限,但现在可以达到兆赫兹。
这种电源现在主要用于移动设备充电、以及LED、电视、电脑、通讯设备,甚至电动汽车的开关调节和保护。
非隔离磁性元件包括用于减少电噪声或短暂储存能量的电感器、滤波器以及升、降交流电压的变压器。
例如,降压变压器可以将400V交流电(英国交流电为415V)输入减少到230V。
在人类是有可能接触电力的地方(例如笔记本电脑电源),使用隔离变压器可避免被电击。
采用变压器,将电源(主)电路在次级端进行隔离。
在内部,变压器绕组将有一层或多层绝缘,这可能包括塑料骨架或绝缘胶带。
其中要求最为严格的是医疗行业的产品,其隔离需要需要采用三重绝缘和几毫米空隙。
电子产品可能会直接接触病人,因此环形隔离变压器通常会提供额外的保护。
电力电子电路常用磁芯元件的设计一、常用磁性材料的基本知识磁性元件可以说是电力电子电路中关键的元件之一,它对电力电子装置的体积、效率等有重要影响,因此,磁性元件的设计也是电力电子电路系统设计的重要环节。
磁性材料有很多种类,特性各异,不同的应用场合有不同的选择,以下是几种常用的磁性材料。
1.低碳钢低碳钢是一种最常见的磁性材料,这种材料电阻率很低,因此涡流损耗较大,实际应用时常制成硅钢片。
硅钢片是一种合金材料(通常由97%的铁和3%的硅组成),它具有很高的磁导率,并且每一薄片之间相互绝缘,使得材料的涡流损耗显著减小。
磁芯损耗取决于材料的厚度与硅含量,硅含量越高、电阻率越大。
这种材料大多应用于低频场合,工频磁性元件常用这种材料。
2.铁氧体随着工作频率的提高,对磁芯损耗的要求更高,硅钢片由于制造工艺的限制,已经很难满足这种要求,铁氧体就是在这种形势下出现的。
铁氧体是一种暗灰色或者黑色的陶瓷材料。
铁氧体的化合物是MeFe2O4,这里Me代表一种或几种二价的金属元素,例如,锰、锌、镍、钴、铜、铁或镁。
这些化合物在特定的温度范围内表现出良好的磁性能,但是如果超出某个温度值,磁性将失去,这个温度称为居里温度(T c)。
铁氧体材料非常容易磁化,并且具有相当高的电阻率。
这些材料不需要像硅钢片那样分层隔离就能用在高频的应用场合。
高频铁氧体磁性材料主要可分为两大类:锰锌(MnZn)铁氧体材料和镍锌(NiZn)铁氧体材料。
比较而言,NiZn材料的电阻率较高,一般认为在高频应用场合下具有较低的涡流损耗。
但是最近的研究表明,如果颗粒的尺寸足够小而且均匀,在几兆赫兹范围内MnZn材料显示出较NiZn材料更为优越的特性,例如,TDK公司的H7F材料以及MAGNETICS公司的K材料就是采用这种技术,适用于兆赫兹工作频率下工作的新型铁氧体材料。
3.粉芯材料粉芯材料是将一些合金原料研磨成精细的粉末状颗粒,然后在这些颗粒的表面覆盖上一层绝缘物质(它用来控制气隙的尺寸,并且降低涡流损耗),最后这些粉末在高压下形成各种磁芯形状。