氮气瓶安全操作规程
- 格式:doc
- 大小:65.37 KB
- 文档页数:5
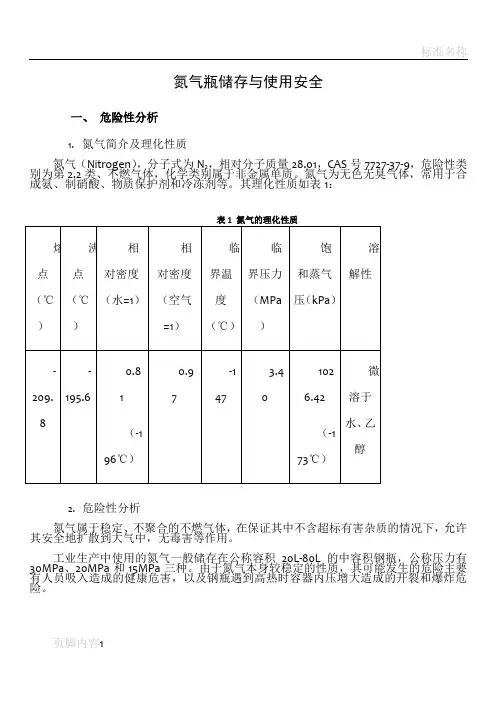
氮气瓶储存与使用安全一、危险性分析1.氮气简介及理化性质氮气(Nitrogen),分子式为N2,相对分子质量28.01,CAS号7727-37-9,危险性类别为第2.2类、不燃气体,化学类别属于非金属单质。
氮气为无色无臭气体,常用于合成氨、制硝酸、物质保护剂和冷冻剂等。
其理化性质如表1:表1 氮气的理化性质2.危险性分析氮气属于稳定、不聚合的不燃气体,在保证其中不含超标有害杂质的情况下,允许其安全地扩散到大气中,无毒害等作用。
工业生产中使用的氮气一般储存在公称容积20L-80L的中容积钢瓶,公称压力有30MPa、20MPa和15MPa三种。
由于氮气本身较稳定的性质,其可能发生的危险主要有人员吸入造成的健康危害,以及钢瓶遇到高热时容器内压增大造成的开裂和爆炸危险。
二、有关氮气瓶的国家标准要求1.工业氮技术指标按照GB/T 3864-2008中的相关要求,工业氮的技术指标应符合表2的要求:表2 工业氮技术指标三、氮气瓶的储存安全氮气瓶的储存,应符合如下安全要求:1. 氮气瓶应储存于阴凉、通风的库房内。
远离火种、热源。
库温不宜超过30℃。
储区应备有泄漏应急处理设备;2. 应置于专用仓库储存,气瓶仓库应符合《建筑设计防火规范》的有关规定;3. 仓库内不得有地沟,暗道,严禁明火和其他热源,仓库内应通风,干燥,避免阳光直射;4. 控制仓库内的最高温度,规定储存期限;5. 空瓶与实瓶应分开放置,并有明显标志;与有毒性气体气瓶和瓶内气体能引起燃烧,爆炸,产生毒物的气瓶,应分室存放,并在附近设置防毒用具或灭火器材;6. 气瓶放置应整齐,配戴好瓶帽.立放时,要妥善固定;横放时,头部朝同一方向;7.对气瓶的钢印和颜色标记、盛装气体进行确认,不符合安全技术要求的气瓶严禁入库;8. 夏季应防止曝晒;9. 严禁敲击,碰撞;10. 严禁在气瓶上进行电子电焊引弧;11. 严禁用温度超过40℃的热源对气瓶加热;12. 空瓶入库检查,瓶内气体不得用尽,必须留有剩余压力;永久气体气瓶的剩余压力应不小于0.05Mpa;13. 钢瓶瓶肩上有下次检测的具体时间,在该时间以前可以使用,到期则须送至专门检测机构检测后方可充瓶使用。
氮气作业安全操作规程一、适用范围本操作规程适用于涉及氮气作业的施工工序。
二、岗位存在的主要危险源及控制要求氮气作业中可能存在爆炸、窒息的危险。
要求作业过程按照公司风险预控体系要求,严格遵守作业操作规程,做好安全防护措施落实,确保风险保持在可控范围内。
三、作业程序1.氮气作业前,现场管理人员应对施工人员进行安全技术交底,告知其氮气作业可能存在的危险因素、防控措施和应急处置措施,并监督检查安全防护及监护措施的落实情况;2.氮气瓶应存放在阴凉、干燥、通风的仓库内,远离热源,不得与其他物品混放;3.氮气瓶在运输过程中严禁抛摔或在地上滚动,严禁敲击瓶体;4.施工现场使用氮气时,气瓶应远离火源,采取保护措施,避免阳光直射;5.使用氮气进行吹扫试压作业时,严禁将氮气瓶卧放;6.使用氮气进行吹扫试压作业时,当管道、阀门等出现冻结现象时,只能使用热水或蒸汽加热解冻,严禁使用明火烘烤;7.使用氮气进行吹扫试压作业时,应确保试验管道有效隔断,且不得使用阀门作为隔断措施;8.进入阀门井、工作坑、储罐等有限空间作业前,应监测有限空间的氧气含量及易燃易爆气体含量,采取强制通风措施,确保作业条件安全可靠后,作业人员方可进入;9.在有限空间内使用氮气作业时,应严格遵守有限件作业安全操作规程,做好相应安全检测、防护及监护措施;10.在阀门井或工作坑内排放氮气时,必须安装临时管引致井外、坑外排放,严禁直接排放,临时管高出地面高度不得低于2米;11.阴雨天气进行氮气排放作业时,应做好排放点的通风措施,防止氮气积聚;12.施工现场氮气瓶使用完毕后,应及时将气瓶收回仓库,清理施工现场杂物,做好文明施工管理工作。
四、严禁事项1.严禁运输过程中抛摔或在地上滚动,严禁敲击瓶体;2. 严禁将氮气瓶卧放;3. 严禁工作坑阀门井内直接排放氮气。
五、紧急情况现场处置措施氮气作业中可能存在爆炸、窒息的危险。
发生事故时,现场人员应保持沉着冷静,立即上报部门,并迅速有效组织实施抢险救援,防止事故扩大,最大限度地降低人员伤亡和财产损失。
氮气瓶安全操作规程氮气瓶是一种常见的工业气体储存容器,广泛应用于各个行业。
但由于氮气具有高压和无色无味的特点,如果操作不当,可能造成严重的安全事故。
为了保障人员的生命安全和财产安全,必须遵守氮气瓶的安全操作规程。
下面是氮气瓶安全操作规程的内容。
I.氮气瓶的选购和存储1.选择正规厂家生产的氮气瓶,了解氮气瓶的产地、品牌和型号,确保瓶内没有任何损坏或者储存有其他危险物品。
2.判断瓶体的表面是否湿润、生锈或者有裂纹,以及气瓶的阀门是否完好无损,防止气体泄漏。
3.入库时,将氮气瓶正确堆放,加固固定,避免倒塌和碰撞造成损坏。
4.库房内应有良好的通风系统,避免氮气泄漏而造成危险;5.不要将氮气瓶存放在潮湿或者高温的环境中,同时要远离易燃物品和酸碱物质。
II.氮气瓶的搬运和使用1.搬运氮气瓶时,要使用专用扳手固定气瓶的包装,合理搬运,不得压碾,避免损坏气瓶。
2.在搬运氮气瓶时,不得碰撞阀门部分,以免损坏或者阀门滑动不灵造成气体泄漏。
3.在连接、拆卸或者调整氮气瓶阀门时,使用专用工具,不得堵塞控制阀门,防止气体无法释放或者无法控制。
4.在使用氮气瓶之前,要仔细检查瓶体和阀门是否完好,确认没有泄漏。
5.使用氮气瓶时要保持安全距离,防止阀门直接对人体或者易燃物品喷射,减少安全隐患。
6.不要在氮气瓶附近吸烟、明火、家用火器等危险行为,防止氮气产生火源而引发事故。
III.氮气瓶储存和维护1.使用完毕的氮气瓶,要求立即将阀门关闭,扣紧保护盖,确保瓶口密封。
2.定期对氮气瓶进行外观检查,如有损坏或者异常情况,应立即报告,并进行相应的维修或更换。
3.根据使用情况,定期检查氮气瓶的阀门和安全装置是否正常,确保正常使用。
4.定期进行安全演练和培训,提高员工对氮气瓶安全操作的认识和应急处置能力。
总结氮气瓶的安全操作对于工业生产和实验室等工作环境至关重要。
遵守氮气瓶的安全操作规程,可以有效地减少氮气瓶的安全隐患,保障人员和财产的安全。
氮气瓶存放与安全操作规程(ISO9001-2015/ISO45001-2018)1.0氮气钢瓶存放①气瓶应贮存于通风阴凉处,不能过冷、过热或忽冷忽热,使瓶材变质。
也不能暴于日光及一切热源照射下,因为暴于热力中,瓶壁强度可能减弱,瓶内气体膨胀,压力迅速增长,可能引起爆炸。
②气瓶附近,不能有还原性有机物,如有油污的棉纱、棉布等,不要用塑料布、油毡之类盖,以免爆炸。
③勿放于通道,以免碰跌。
④不用的气瓶不要放在实验室,应有专库保存。
⑤不同气瓶不能混放。
空瓶与装有气体的瓶应分别存放。
⑥在实验室中,不要将气瓶倒放、卧倒,以防止开阀门时喷出压缩液体。
要牢固地直立,固定于墙边或实验桌边,最好用固定架固定。
⑦接收气瓶时,应用肥皂水试验阀门有无漏气,如果漏气,要退回厂家,否则会发生危险。
2.0氮气钢瓶的搬运气瓶要避免敲击、撞击及滚动。
阀门是最脆弱的部份,要加以保护,因此,搬运气瓶,要注意遵守以下的规则:①一般规定:搬运气瓶时,不使气瓶突出车旁或两端,并应采取充分措施防止气瓶从车上掉下。
运输时不可散置,以免在车辆行进中,发生碰撞。
不可用磁铁或铁链悬吊,可以用绳索系牢吊装,每次不可超过一个。
如果用起重机装卸超过一个时,应用正式设计托架。
②气瓶搬运时,应罩好气钢瓶帽,保护阀门。
③避免使用染有油脂的人手、手套、破布接触搬运气瓶。
④搬运前,应将联接气瓶的一切附件如压力调节器、橡皮管等卸去。
3.0气瓶使用①气瓶必须联接压力调节器,经降压后,再流出使用,不要直接联接气瓶阀门使用气体。
最好配件和气瓶均漆上同一颜色的标志。
②安装调节器、配管等,要用绝对合适的。
如不合适,绝不能用力强求吻合,接合口不要放润滑油,不要焊接。
安装后,试接口,不漏气方可使用。
③保持阀门清洁,防止砂砾、秽物或污水等侵入阀门套管,引起漏气。
清理时,由有经验的人慢慢开阀门,排出少量气冲走污物,操作人员应稍远离气瓶阀门。
④开阀门时,应徐徐进行;关闭阀门时,以能将气体截止流出就可以,适可而止,不要过度用力。
氮气瓶操作规程
《氮气瓶操作规程》
一、概述
氮气瓶是一种常用的工业气体容器。
正确操作氮气瓶可以保证使用安全,提高工作效率。
本规程旨在规范氮气瓶的使用和操作,保障工作人员的安全。
二、存放位置
1. 氮气瓶应该存放在通风良好的仓库或者室外。
禁止将氮气瓶存放在有热源或者易燃材料附近。
2. 氮气瓶存放应该远离火灾危险区和高温区。
三、安装操作
1. 氮气瓶安装前应该先检查瓶身是否有明显的损伤和裂纹。
2. 安装氮气瓶应该使用专用工具,确保螺纹连接紧固。
3. 在安装氮气瓶时应该使用密封垫圈,避免气体外泄。
四、使用注意事项
1. 使用氮气瓶时应该穿戴好防护眼镜和手套。
2. 禁止将氮气瓶进行堆垛或者挤压。
3. 禁止在氮气瓶上进行焊接、切割等操作。
4. 使用完毕后应该关闭氮气瓶阀门,并且保持清洁干燥。
五、紧急处理
1. 如果发现氮气瓶有漏气或者异常情况,应该立即通知相关人员,并采取措施避免危险发生。
2. 氮气瓶发生泄漏时应该将人员疏散到安全区域,并防止火源接近。
六、废弃处理
废弃的氮气瓶应该统一交由有资质的废品回收企业进行处理。
以上便是《氮气瓶操作规程》,务必严格按照规程操作,确保使用安全。
氧气瓶的安全使用:GB/T 3863-1995 工业用氧O21、氧气瓶应戴好安全防护帽,坚直安放在固定的支架上,要采取防止日光曝晒的措施。
2、氧气瓶里的氧气,不能全部用完,必须留有剩余压力,严防乙炔倒灌引起爆炸。
尚有剩余压力的氧气瓶,应将阀门拧紧,注上“空瓶”标记。
3、氧气瓶附件有缺损,阀门螺杆滑丝时,应停止使用。
4、禁止用沾染油类的手和工具操作气瓶,以防引起爆炸。
5、氧气瓶不能强烈碰撞。
禁止采用抛、摔及其它容易引撞击的方法进行装卸或搬运。
严禁用电磁起重机吊运。
6、在开启瓶阀和减压器时,人要站在侧面;开启的速度要缓慢,防止有机材料零件温度过高或气流过快产生静电火花。
而造成燃烧。
7、冬天,气瓶的减压器和管系发生冻结时,严禁用火烘烤或使用铁器一类的东西猛击气瓶,更不能猛拧减压表的调节螺丝,以防止氧气突然大量冲出,造成事故。
8、氧气瓶不得靠近热源,与明火的距离一般不得小于10米。
9、禁止使用没有减压器的氧气瓶。
气瓶的减压器应有专业人员修理。
氮气瓶的安全使用GB/T 3864-1996 工业氮N2氮气瓶的使用过程中,应符合如下安全要求:1. 采用密闭操作,操作时应有良好的通风条件。
2. 操作人员必须经过专门培训,并严格按照预先制定的详细安全操作规程进行操作,防止气体泄露到工作场所空气中。
3. 作业环境应配备必要的温度检测装置、氧气含量检测装置、气体泄漏检测报警装置以及泄露应急处理设备等。
4. 运输时应注意轻装轻卸,防止钢瓶及附件破损导致气体泄露。
5. 配备必要的个人防护设备,当作业场所空气中氧含量低于18%时,必须佩戴空气呼吸器、氧气呼吸器或长管面具。
6. 作业过程中要避免高浓度吸入。
进入罐等限制空间或其他高浓度区作业,须有专人监护。
7. 氮气瓶仅限使用氮气,且工作压力严禁超出公称压力。
8. 定期检查囊气压力(至少每三个月一次)。
9. 加压时严禁拆卸。
10. 垂直或水平安装蓄能器,且蓄能器应安装在远离热源的地方。
氮气瓶存放点安全操作规程氮气瓶是一种常见的工业气体储存容器,广泛应用于实验室、工厂、医疗机构等各个领域。
由于氮气的特殊性质,对于氮气瓶的存放和使用必须要严格遵守安全操作规程,以确保人员和设施的安全。
下面是一份关于氮气瓶存放点的安全操作规程,供大家参考。
一、存放点选择:1. 氮气瓶存放点应选择通风良好、防火安全的地方,远离明火和高温区域。
2. 存放点的地面应平整、干燥,并设置防滑措施。
3. 存放点应远离易燃易爆物品、有害化学品和其他危险物品。
4. 存放点应设有明显的警示标志,提醒人员注意安全。
二、存放容器:1. 存放的氮气瓶必须是质量合格、没有损坏和泄漏的瓶体。
2. 瓶身上的标识、刻度线和安全阀必须清晰可见。
3. 氮气瓶应垂直存放,不得倒置或随意堆放。
4. 瓶身不得受到剧烈挤压和撞击。
5. 氮气瓶之间应保持一定的距离,避免碰撞和交叉感染。
三、存放环境:1. 存放氮气瓶的环境温度应在-40℃~50℃的范围内。
2. 存放点应保持远离阳光直射的地方,防止瓶内压力升高。
3. 存放点应保持干燥,避免气瓶受潮和生锈。
四、操作规范:1. 氮气瓶的连接和断开必须使用专用工具,不能用力过猛,以免损坏瓶体和接头。
2. 连接管道必须使用质量合格的软管或耐腐蚀的金属管,保持管道畅通和无泄漏。
3. 必须确保瓶阀处于关闭状态,存放点内不得有泄漏现象。
4. 禁止使用明火或高温源进行氮气瓶的疏通或清洗,以免引发火灾或爆炸。
五、应急处理:1. 发现氮气瓶有漏气、起火或其他安全问题时,应立即远离现场,并使用合适的灭火器或呼吸器进行处理。
2. 在处理紧急情况时,应及时报警并采取适当的紧急措施,保护自身和周围人员的安全。
六、定期检查:1. 存放点的负责人应定期检查氮气瓶的存放情况和安全性能,有问题及时处理。
2. 对于过期、损坏或无法继续使用的氮气瓶,应及时报废或送回供气单位进行处理。
七、培训和安全意识:1. 所有使用氮气瓶的人员必须接受专业培训,了解氮气瓶的特点和安全操作规程。
氮气瓶安全操作规程(ISO45001-2018)1.氮气钢瓶存放①气瓶应贮存于通风阴凉处,不能过冷、过热或忽冷忽热,使瓶材变质。
也不能暴于日光及一切热源照射下,因为暴于热力中,瓶壁强度可能减弱,瓶内气体膨胀,压力迅速増长,可能引起爆炸。
②气瓶附近,不能有还原性有机物,如有油污的棉纱、棉布等,不要用塑料布、油毡之类盖,以免爆炸。
③勿放于通道,以免碰跌。
④不用的气瓶不要放在实验室,应有专库保存。
⑤不同气瓶不能混放。
空瓶与装有气体的瓶应分别存放。
⑥在实验室中,不要将气瓶倒放、卧倒,以防止开阀门时啧出压缩液体。
要牢固地直立,固定于墙边或实验桌边,最好用固定架固定。
⑦接收气瓶时,应用肥皂水试验阀门有无漏气,如果漏气,要退回厂家,否则会发生危险。
2.氮气钢瓶的搬运气瓶要避免敲击、撞击及滾动。
阀门是最脆弱的部份,要加以保护,因此,搬运气瓶,要注意違守以下的规则:①一股规定:搬运气瓶时,不使气瓶突出车旁或两端,并应采取充分措施防止气瓶从车上掉下。
运输时不可散置,以免在车辆行进中,发生碰撞。
不可用磁铁或铁链悬吊,可以用绳索系牢吊装,每次不可超过一个。
如果用起重机装卸超过一个时,应用正式设计托架。
②气瓶搬运时,应罩好气钢瓶帽,保护阀门。
③避免使用染有油脂的人手、手套、破布接触搬运气瓶。
④搬运前,应将联接气瓶的一切附件如压力调节器、橡皮管等卸去。
3.气瓶使用①气瓶必须联接压力调节器,经降压后,再流出使用,不要直接联接气瓶阀门使用气体。
最好配件和气瓶均漆上同一颜色的标志。
②安装调节器、配管等,要用绝对合适的。
如不合适,绝不能用力强求吻合,接合口不要放润滑油,不要焊接。
安装后,试接口,不漏气方可使用。
③保持阀门清洁,防止砂砾、秽物或污水等侵入阀门套管,引起漏气。
清理时,由有经验的人慢慢开阀门,排出少量气冲走汚物,操作人员应稍远离气瓶阀门。
④开阀门时,应徐徐进行;关闭阀门时,以能将气体截止流出就可以,适可而止, 不要过度用力。
氮气瓶安全操作规程氮气瓶安全操作规程及注意事项一、安全操作规程:1.钢瓶应存放在阴凉、干燥、远离热源处,放置气瓶的地面必须平整,气瓶上的安全帽应旋紧,以便保护阀门勿使其偶然转动。
2.使用前检查连接部位是否漏气,可涂上肥皂液进行检查,调整至确实不漏气后才进行操作。
3.氮气瓶使用时先开气瓶阀门,然后将减压器调节螺丝慢慢旋紧使气体流出。
用毕先关气瓶阀门,放尽减压器内气体,然后将减压气调节螺丝松掉。
4.操作时严禁敲打撞击,应注意压力表读数,定期检查阀门及管线,确保无漏气现象。
5.更换时要确保新气瓶标记清晰完整;搬运过程中要轻拿轻放,只有当气瓶竖直放稳后方可松手脱身。
6.非实验人员严禁接触气瓶及相关阀门。
二、注意事项:1.不可将钢瓶内的气体全部用完,一定要保留0.05M以上的残留压力(减压阀表压)。
2.使用时,要把钢瓶牢牢固定,以免摇动或翻到。
3.开关气门阀要慢慢地操作,切不可过急地或强行用力把它拧开。
氧气瓶安全操作规程一、氧气瓶一定要避免受热,也不能受阳光直接曝晒,氧气瓶应远离高温、明火、熔融金属飞溅物和可燃易爆物质等,安全间距5米以上。
2、在操作过程中,如果发生氧气瓶压力低于可燃气体压力,则可燃气体回倒入氧气系统引起熄灭和爆炸。
所以氧气瓶中的氧气不允许全部用完,至少应留0.1-0.2Mpa剩余压力。
三、氧气瓶应尽可能垂直立放,并设有支架固定,一般不允许水平放置,因为水平防止回把瓶中的腐蚀锈末带入减压器,使减压器受到损坏。
四、氧气瓶和乙炔瓶采用时,两个减压器不能互相对峙,以免气流射出冲击对方,造成事故。
五、氧气瓶操作工人绝对不能用沾有各种油脂或油污的工作服、手套和工具等去接触气瓶及其附件,最好备用专用工具,以免引起燃烧。
六、制止将压缩纯氧用做改善氛围或通风换气,亦不得用来替代压缩氛围吹扫工作服上的尘屑,吹除乙炔管道的堵塞物,或作为气开工具的动力源等。
七、并联使用氧气瓶时,在氧气汇流输出的总阀上应装设单向阀。
氮⽓瓶安全操作规程氮⽓瓶安全操作规程1. 钢瓶应存放在阴凉、⼲燥、远离热源处,放置⽓瓶的地⾯必须平整,⽓瓶上的安全帽应旋紧,以便保护阀门勿使其偶然转动。
2. 氮⽓瓶使⽤时先开⽓瓶阀门,然后将减压器调节螺丝慢慢旋紧使⽓体流出。
⽤毕先关⽓瓶阀门,放尽减压器内⽓体,然后将减压⽓调节螺丝松掉3. 操作时严禁敲打撞击,应注意压⼒表读数,定期检查阀门及管线,确保⽆漏⽓现象。
4. 更换时要确保新⽓瓶标记清晰完整;搬运过程中要轻拿轻放,只有当⽓瓶竖直放稳后⽅可松⼿脱⾝。
5.⾮实验⼈员严禁接触⽓瓶及相关阀门。
1、氧⽓瓶的运输(1)在运输前,要检查瓶嘴⽓阀安全胶圈是否齐全,瓶⾝、瓶嘴是否有油类等。
(2)装卸时,瓶嘴阀门朝同⼀⽅向,防⽌互相撞,损坏和爆炸。
(3)不准装运其它可燃⽓体。
(4)在强烈阳光下运输时,要⽤帆布遮盖。
2、氧⽓瓶保管与存放(1)库房周围不得放易燃物品。
(2)库内温度不得超过30℃,距离热源明⽕在10⽶以外。
(3)氧⽓瓶减压阀,压⼒计、接头与导管等,要涂标记。
3、氧⽓瓶使⽤规定(1)安装减压阀前,先将瓶阀微开⼀⼆秒钟,并检验氧⽓质量,合乎要求⽅可使⽤。
(2)瓶中氧⽓不准⽤净,应留0.1Mpa。
(3)检查瓶阀时,只准⽤肥皂⽔检验。
(4)氧⽓瓶不准改⽤充装其它⽓体使⽤⼀、氮⽓瓶安全管理要求1. 有掌握⽓瓶安全知识的专⼈负责⽓瓶安全管理⼯作;2. 制定相应的⽓瓶安全管理制度;3. 制定事故应急处理措施,配备必要的防护⽤品;4. 定期对⽓瓶的储存仓库管理⼈员进⾏安全技术教育。
⼆、氮⽓瓶储存安全要求1. 应置于专⽤仓库储存,⽓瓶仓库应符合《建筑设计防⽕规范》的有关规定;2. 仓库内不得有地沟,暗道,严禁明⽕和其他热源,仓库内应通风,⼲燥,避免阳光直射;3. 控制仓库内的最⾼温度,规定储存期限;4. 空瓶与实瓶应分开放置,并有明显标志;与有毒性⽓体⽓瓶和瓶内⽓体能引起燃烧,爆炸,产⽣毒物的⽓瓶,应分室存放,并在附近设置防毒⽤具或灭⽕器材;5. ⽓瓶放置应整齐,配戴好瓶帽.⽴放时,要妥善固定;横放时,头部朝同⼀⽅向;6.对⽓瓶的钢印和颜⾊标记、盛装⽓体进⾏确认,不符合安全技术要求的⽓瓶严禁⼊库;7. 夏季应防⽌曝晒;8. 严禁敲击,碰撞;8. 严禁在⽓瓶上进⾏电⼦电焊引弧;9. 严禁⽤温度超过40℃的热源对⽓瓶加热;10. 空瓶⼊库检查,瓶内⽓体不得⽤尽,必须留有剩余压⼒;永久⽓体⽓瓶的剩余压⼒应不⼩于0.05Mpa。
注氮工作业操作规程注氮工作是一项关键的安全作业,作业人员必须严格依照规程进行操作,以确保人员和设备安全。
以下是注氮工作操作规程。
一、作业前准备1.检查氮气瓶的标志、规格和压力,确认手动阀门和高压阀门处于关闭状态。
2.检查注氮设备的管道和阀门,确认没有漏气或其他损坏。
3.穿戴防护装备,包括眼镜、手套、防护鞋或靴子。
4.通知周围人员,设立隔离区域并张贴警示标志。
5.制定应急预案,明确需要进行的应急措施。
二、操作步骤1.将氮气瓶放置在安全的位置,并将高压阀门和手动阀门关闭。
2.拆卸氮气瓶的保护帽,并使用气瓶扳手扭开氮气瓶的手动阀门。
3.连接氮气瓶和注氮设备的管道,打开设备上的阀门。
4.打开氮气瓶上的手动阀门,逐渐增加氮气的流量。
5.监测注入的氮气压力,确保不超过设备规定的最大压力。
6.根据需要调整氮气流量,直到达到预设的压力或气体浓度。
7.检测注氮设备和管路的漏气情况,确认没有漏气。
8.关闭氮气瓶的手动阀门,将高压阀门和手动阀门关闭,拆卸管道连接。
9.将氮气瓶装上保护帽,存放在指定的安全位置。
10.清理作业区域,回收废弃物,消除隔离区域和警示标志。
三、安全注意事项1.严禁在没有适当防护措施的情况下操作注氮设备和管道,避免气体泄漏导致危险。
2.操作人员必须完全了解注氮设备及气瓶的规格、压力、流量等信息,在操作前认真检查设备完好性。
3.注氮作业一定要进行隔离措施,防止人员误入作业区域,事故风险大。
4.作业人员应遵守操作规程,按程序进行操作,操作完毕后要及时清理。
5.发现异常情况,如管道漏气、气瓶出现异常,应停止作业,进行处理。
6.蓄意或疏忽大意操作注氮设备或管道可能会造成严重的安全事故,因此操作人员必须严格遵守操作规程,确保作业安全。
以上就是注氮工作操作规程,希望能对作业人员的操作提供指导和参考,降低注氮作业的风险。
气瓶使用岗位安全操作规程1 范围本标准适用于公司范围内氧气瓶、丙烷气瓶、氮气瓶、混合气等气瓶的安全操作。
1 岗位安全作业职责1.1 负责本岗位日常事故隐患自我排查治理,包括使用各类设备、工具时对设备、工具及其安全装置的检查和处置。
1.2 严格按照规定安全操作,正确佩戴和使用劳动防护用品。
1.3 负责本岗位各类设备及其安全装置、工器具的日常管理和保养,确保其安全功能完好有效,保养过程按规定安全作业,本岗位不能解决的问题,及时报修。
1.4 负责本岗位范围内6S管理,保证作业现场整齐、整洁、安全,符合作业环境管理要求。
1.5 负责本岗位事故和紧急情况的报告和现场处置。
2 岗位主要危险有害因素(危险源)2.1 火灾、爆炸2.1.1 气瓶放置区违规动火、吸烟或明火检漏等导致火灾、爆炸。
2.1.2 气瓶暴晒、剧烈磕碰等导致火灾、爆炸。
2.1.3 瓶体超期未检或严重锈蚀、凹凸或安全附件缺失、损坏等。
2.2 其他2.2.1 搬运或转运气瓶时,气瓶倾倒砸、挤伤手脚。
2.2.2 通风设备设施故障导致人员中毒或窒息。
2.2.3 其它危险有害因素见公司危险源管理清单。
3 安全作业要求3.1 作业前准备安全要求3.1.1 作业人员必须经培训合格后方可上岗作业。
3.1.2 气瓶的2个防振橡胶圈完好。
3.1.3 气瓶上橡胶软管的接头、阀门、紧固件紧固可靠,无松动、破损和漏气现象。
3.1.4 气瓶放置牢稳可靠,有防倾倒措施,禁止卧放等使用方式。
3.1.5 减压阀和压力表在检验有效期之内。
3.1.6 压力表指针灵活正常,表盘完好无破损。
3.1.7 橡胶软管无变质、老化、脆裂和漏气现象,接头用喉箍卡紧。
3.1.8 气瓶及其附件、橡胶软管或工具上不能沾有含油脂的东西。
3.1.9 阻火器安装正确,并确保完好有效。
3.2 作业过程安全操作要求3.2.1 开启气瓶或气体管道阀门时,要用专用工具,动作要缓慢,操作者面部不要正对减压阀,但要仔细观察压力表的指针是否灵敏正常。
1、目的
规范40L氮气瓶操作规程,正确使用仪器,以保证检测工作的顺利进和仪器安全。
2、适用范围
适用于40L氮气瓶的使用操作。
3、职责
3.1 气相色谱仪操作人员按照本规程操作仪器,对仪器进行日常维护和使用。
3.2 40L氮气瓶保管人员负责监督仪器操作是否符合规程,并对仪器进行定期维护和保养。
3.3 科室负责人负责仪器的综合管理。
4、仪器规格及性能
4.1 氮气纯度:≥99.999%
4.2 氮气瓶充装压力:13.5±5 Mpa
4.2 分压表工作压力:0.3~0.5 Mpa
4.4 钢瓶体积:40L
5、操作程序
5.1开启确认仪器管路连接良好,就可以开启氮气瓶。
首先逆时针拧氮气瓶主阀,观察高压表,压力能满足检测工作需要,则顺时针拧动减压器副阀,调压力为0.30~0.5 Mpa。
5.2关闭检测工作结束后,先关闭钢瓶总阀,待高压表压力降至“0”,旋松减压器副阀,关闭钢瓶。
6、使用注意事项
6.1要经常检查管路气密性,确保不漏气,及时更换气体,满足检测需要。
6.2仪器使用完毕后,要确认钢瓶总阀处于关闭状态,避免浪费气体。
7、支持性文件
气瓶减压器使用说明书。
编制:审核:批准:。
氮气瓶安全操作规程1. 引言本安全操作规程旨在指导工作人员正确、安全地操作氮气瓶,以防止潜在的危险和事故发生。
遵循本规程的要求是保证工作人员、设备和环境安全的关键。
2. 氮气瓶基本知识2.1 氮气瓶是用于储存和输送氮气的,通常由高强度材料制成。
2.2 氮气瓶应具备以下标识:厂名、型号、工作压力、使用期限、品质等级等。
3. 氮气瓶的安全操作措施3.1 运输与搬运- 在搬运氮气瓶时,应使用专用工具和设备,并确保运输期间瓶体处于垂直方向。
- 每次搬运氮气瓶前,应仔细检查瓶体是否有损伤、漏气等情况。
3.2 储存- 氮气瓶应储存在防火、通风良好的库房或储存区域,远离易燃易爆物品,并保持干燥清洁。
- 储存氮气瓶时,应将瓶体固定好,避免倾倒或磕碰造成损伤。
3.3 使用- 在使用氮气瓶前,应仔细检查瓶体和阀门是否完好无损。
- 在连接或断开氮气瓶与设备之间的管路时,应使用合适的工具,并确保无泄漏。
- 氮气瓶使用过程中,应避免磕碰、摩擦或直接暴露于高温环境。
- 禁止将氮气瓶用于其他用途或对其进行改装。
3.4 废弃处理- 氮气瓶使用完毕后,应及时关闭阀门,并遵循相关法规进行废弃处理。
- 废弃的氮气瓶应交由专业机构进行处理,不得随意丢弃或销毁。
4. 事故应急处置4.1 发生氮气瓶泄漏或事故时,应立即采取以下应急处置措施:- 保持冷静,迅速离开泄漏区域。
- 立即报警,并通知相关人员。
- 阻止其他人员进入泄漏区域,确保安全。
4.2 如遇火灾事故:- 切勿使用水灭火,应使用适当的灭火剂进行灭火。
4.3 事故发生后,应及时进行事故调查和登记,并采取措施避免再次发生类似事故。
5. 培训和教育5.1 所有使用氮气瓶的工作人员应接受相应的培训,了解氮气瓶的安全操作规程和应急处置措施。
5.2 定期组织演练,提高工作人员应对氮气瓶事故的应急能力。
6. 相关法律法规使用氮气瓶的操作应遵守国家相关法律法规,在使用、储存和废弃处理过程中必须符合法律法规的要求。
LNG气化站氮气瓶组操作规程背景介绍LNG(液化天然气)气化站是将LNG转化为天然气的重要设备。
氮气瓶组是气化过程中的重要配套设备,用于提供氮气供给,维持系统压力平衡,确保气化过程的运行稳定。
因此,为了确保气化站的安全稳定运行,必须建立相关的操作规程,保证氮气瓶组的正确操作和维护。
目的制定本操作规程的目的是为了规范LNG气化站氮气瓶组的操作,确保气化过程的运行稳定、安全可靠、高效经济。
适用范围本操作规程适用于LNG气化站中氮气瓶组的操作和维护人员。
操作流程1. 操作前准备1.1 确认所需氮气瓶组数量和压力需求。
1.2 确定瓶组位置和数量,并检查气瓶组支撑的固定情况。
1.3 检查管道连接是否紧固,防止氮气泄漏。
2. 操作过程2.1 打开氮气瓶组仪表箱门,检查瓶组压力表、瓶组压力开关、气压调节器和快速接头是否完好无损,确认瓶组内部的气体压力。
2.2 打开氮气瓶组仪表箱内的手阀,瓶组压力开关会自动打开,启动气体流动,将氮气导入气体管道,直至流量计稳定。
2.3 检查流量计数据和管道压力是否正常。
如果氮气瓶组内的气体压力较低,需要用氮气瓶组压力开关手动打开瓶组,使其充气至适当的压力。
2.4 检查氮气瓶组的压力是否符合检测规程要求,如果不符合,应及时更换氮气瓶组。
2.5 操作完成后,应关闭氮气瓶组仪表箱内的手阀,将瓶组内剩余气体释放至空气中,关闭瓶组压力开关。
3. 操作注意事项3.1 操作前必须检查氮气瓶组的压力和气体质量,避免因氮气瓶组内压力不足或气体质量不合格而引发安全事故。
3.2 操作期间,要留意氮气瓶组压力和流量计的变化情况,确保气体的稳定和安全。
3.3 氮气瓶组操作过程中要注意操作规范,避免操作不当,引发安全事故。
3.4 操作完成后要及时关闭手阀和瓶组压力开关,释放气体,避免引发气体泄漏和安全事故。
维护保养为延长氮气瓶组的使用寿命及确保其安全可靠地运行,必须进行定期的检修和保养:1.定期检查氮气瓶组内部的压力继电器、压力表、压力开关、气压调节器、快速接头等设备的使用情况和损坏程度,如发现问题应及时更换。
氮气瓶储存与使用安全一、危险性分析1.氮气简介及理化性质氮气(Nitrogen),分子式为N2,相对分子质量28。
01,CAS号7727—37—9,危险性类别为第2.2类、不燃气体,化学类别属于非金属单质。
氮气为无色无臭气体,常用于合成氨、制硝酸、物质保护剂和冷冻剂等。
其理化性质如表1:表1 氮气的理化性质2.危险性分析氮气属于稳定、不聚合的不燃气体,在保证其中不含超标有害杂质的情况下,允许其安全地扩散到大气中,无毒害等作用.工业生产中使用的氮气一般储存在公称容积20L—80L的中容积钢瓶,公称压力有30MPa、20MPa和15MPa三种。
由于氮气本身较稳定的性质,其可能发生的危险主要有人员吸入造成的健康危害,以及钢瓶遇到高热时容器内压增大造成的开裂和爆炸危险.二、有关氮气瓶的国家标准要求1.工业氮技术指标按照GB/T 3864-2008中的相关要求,工业氮的技术指标应符合表2的要求:表2 工业氮技术指标三、氮气瓶的储存安全氮气瓶的储存,应符合如下安全要求:1. 氮气瓶应储存于阴凉、通风的库房内。
远离火种、热源。
库温不宜超过30℃.储区应备有泄漏应急处理设备;2. 应置于专用仓库储存,气瓶仓库应符合《建筑设计防火规范》的有关规定;3。
仓库内不得有地沟,暗道,严禁明火和其他热源,仓库内应通风,干燥,避免阳光直射;4. 控制仓库内的最高温度,规定储存期限;5。
空瓶与实瓶应分开放置,并有明显标志;与有毒性气体气瓶和瓶内气体能引起燃烧,爆炸,产生毒物的气瓶,应分室存放,并在附近设置防毒用具或灭火器材;6。
气瓶放置应整齐,配戴好瓶帽。
立放时,要妥善固定;横放时,头部朝同一方向;7.对气瓶的钢印和颜色标记、盛装气体进行确认,不符合安全技术要求的气瓶严禁入库;8. 夏季应防止曝晒;9。
严禁敲击,碰撞;10。
严禁在气瓶上进行电子电焊引弧;11. 严禁用温度超过40℃的热源对气瓶加热;12。
空瓶入库检查,瓶内气体不得用尽,必须留有剩余压力;永久气体气瓶的剩余压力应不小于0.05Mpa;13。
加气站氮气瓶组操作规程
1.1目的
通过对LNG气化站氮气瓶组的管理,保证设施的安全生产供气。
1.2适用范围
本LNG供气设施区域内的基础设施、场所、设备、人员。
1.3职责
1.3.1站长和安全员负责对氮气瓶组作业进行检查监督。
设备管理员(待定)负责作业指导和管理。
1.3.2运行操作人员负责氮气瓶组操作运行。
1.4工作顺序
1.4.1氮气瓶组分两组,一开一备。
氮气瓶组工作压力为0.4~0.6MPa,当压力低于0.4MPa,切换瓶组。
此时应把压力低的瓶组换下,换上符合压力要求的瓶组。
1.4.2日常巡回检查时检查各阀门是否漏气,避免由此造成的氮气损失。
1.4.3日常巡回检查时检查压力表使用情况,不符合的
应及时更换。
1.5填写相关记录。
氮气瓶安全操作规程及注意事项
一、安全操作规程:
1. 钢瓶应存放在阴凉、干燥、远离热源处,放置气瓶的地面必须平整,气瓶上的安全帽应旋紧,以便保护阀门勿使其偶然转动。
2. 使用前检查连接部位是否漏气,可涂上肥皂液进行检查,调整至确实不漏气后才进行操作。
3.氮气瓶使用时先开气瓶阀门,然后将减压器调节螺丝慢慢旋紧使气体流出。
用毕先关气瓶阀门,放尽减压器内气体,然后将减压气调节螺丝松掉。
4. 操作时严禁敲打撞击,应注意压力表读数,定期检查阀门及管线,确保无漏气现象。
5. 更换时要确保新气瓶标记清晰完整;搬运过程中要轻拿轻放,只有当气瓶竖直放稳后方可松手脱身。
6.非实验人员严禁接触气瓶及相关阀门。
二、注意事项:
1.不可将钢瓶内的气体全部用完,一定要保留0.05M以上的残留压力(减压阀表压)。
2.使用时,要把钢瓶牢牢固定,以免摇动或翻到。
3.开关气门阀要慢慢地操作,切不可过急地或强行用力把它拧开。
氧气瓶安全操作规程
一、氧气瓶一定要避免受热,也不能受阳光直接曝晒,氧气瓶应远离高温、明火、熔融金属飞溅物和可燃易爆物质等,安全间距5米以上。
二、在操作过程中,如果发生氧气瓶压力低于可燃气体压力,则可燃气体回倒入氧气系统引起燃烧和爆炸。
所以氧气瓶中的氧气不允许全部用完,至少应留
0.1-0.2Mpa剩余压力。
三、氧气瓶应尽可能垂直立放,并设有支架固定,一般不允许水平放置,因为水平防止回把瓶中的腐蚀锈末带入减压器,使减压器受到损坏。
四、氧气瓶和乙炔瓶采用时,两个减压器不能互相对峙,以免气流射出冲击对方,造成事故。
五、氧气瓶操作工人绝对不能用沾有各种油脂或油污的工作服、手套和工具等去接触气瓶及其附件,最好备用专用工具,以免引起燃烧。
六、禁止将压缩纯氧用做改善空气或通风换气,亦不得用来代替压缩空气吹扫工作服上的尘屑,吹除乙炔管道的堵塞物,或作为气动工具的动力源等。
七、并联使用氧气瓶时,在氧气汇流输出的总阀上应装设单向阀。
八、开启瓶阀和减压器应缓慢,与电焊同一工作地点使用的氧气瓶,瓶底应垫绝缘物,以防氧气瓶带电。
九、冬天氧气瓶出口处如有冻结现象,严格使用明火热或用红铁烘烤,以免氧气突然大量冲出造成事故。
氧气瓶进出处的冻结现象,是由于氧气流动吸热造成的,最好是使用热的空气流或蒸汽流化冻,或温水化冻。
氩气瓶使用操作规程
一、氩气瓶的搬运存放:
1、氩瓶搬运过程中,禁止敲击,碰撞等粗暴行为。
尽量做到轻拿轻放。
禁止行车调运气瓶。
2、气瓶空瓶与实瓶应分开、整齐放置,并有明显标志。
3、气瓶在使用、运输、贮存时,环境温度不得超过40℃。
4、气瓶保管和使用时应防止沾染油污;放置时必须平稳可靠,不应与其他气瓶混在一起;不许曝晒、火烤,以防爆炸。
二、氩气瓶的安全使用注意事项:
1.高纯氩气瓶上应贴有出厂合格标签,其纯度≥99.95%,气瓶中的氩气不能用尽,瓶内余压不得低于0.5mpa,以保证充氩纯度。
2.输送氩气的胶皮管,不得与输送其它气体的胶皮管互相串用,可用新的氧气胶皮管代用,长度不超过30米。
3.检查氩气瓶的开关接口是否牢固密封.使检查气管连接是否牢固密封。
4.氩气瓶要立放,应有支架支持,并放置在离明火3米以外的安全地方。
5.密闭操作时应加强通风,设有事故强制通风设备。
6.氩气瓶使用时先开气瓶阀门,然后将减压器调节螺丝慢慢旋紧使气体流出。
用毕先关气瓶阀门,放尽减压器内气体,然后将减压气调节螺丝松掉。
三、消防措施:
1、危险特性:氩气本身不燃烧,但盛装氩气容器与设备遇明火、高温可使器内压力急剧升高直至爆炸。
灭火方法及灭火剂,用水冷却火场中容器使用与着火环境相适应的灭火剂灭火。
2、泄漏应急处理应急处理:切断气源,迅速撤离泄漏污染区。
处理泄漏事故时处理人员戴自给正压式呼吸器,处理液氩应配戴防冻护具。
操作处置与贮存。
氢气瓶使用安全操作规程及注意事项
一、安全操作规程:
1.实验室设有专门存放氢气瓶的气瓶房,气瓶用不锈钢支架固定;
2.气瓶附近不得设置热源,搬运时应轻拿轻放,禁止敲击、碰撞气瓶;
3.必须使用专用的减压器。
安装减压器时操作者位于出口侧后方,左手托住减压器调整好角度,与气瓶出口对接好后,右手旋紧螺母,再用扳手再次旋紧;
4.开启气瓶时,将气瓶顶部总阀沿逆时针方向旋转2~3周,减压器总压力力表显示气瓶内氢气总压,然后沿顺时针方向调节减压阀,安装减压器时操作者位于出口侧后方,左手托住减压器调整好角度,与气瓶出口对接好后,右手旋紧螺母,再用扳手再次旋紧;
5.气瓶开启完毕,须用稀肥皂水对接口部位进行检漏,若发现漏气,需继续紧固,直至不漏为止;
6.阀门或减压器泄漏时,不得继续使用;阀门损坏时,严禁在瓶内有压力的情况下更换阀门;
7.使用完毕,关气时先沿逆时针方向松开减压阀,再沿顺时针方向关闭总阀门。
二、注意事项:
因生产需要,必须在现场(室内)使用气瓶,其数量不得超过3瓶,并应符合下列要求:
1.室内必须通风良好,保证空气中氢气最高含量不超过1%(体积比)。
2.氢气瓶与盛有易燃、易爆物质及氧化性气体的容器和气瓶的间距不应小于8米。
3.与明火或普通电气设备的间距不应小于10米。
4.与空调装置、空气压缩机和通风设备等吸风口的间距不应小于20米。
5.与其他可燃性气体贮存地点的间距不应小于20米。
6.设有固定气瓶的支架。
7.使用气瓶,禁止敲击、碰撞;气瓶不得靠近热源;夏季应防止曝晒。
8.必须使用专用的减压器,开启气瓶时,操作者应站在阀口的侧后方,动作要轻缓。
9.阀门或减压器泄漏时,不得继续使用;阀门损坏时,严禁在瓶内有压力的情况下更换阀门。
11.瓶内气体严禁用尽,应保留5千帕以上的余压。