三、土建施工记录表格
- 格式:doc
- 大小:2.27 MB
- 文档页数:61
江苏土建施工资料全套表格(word版)江苏土建施工资料全套表格(Word版)
概述
本文档提供了一套江苏土建施工所需的全套表格,以便记录和管理施工过程中的各项数据和信息。
表格内容和用途
1. 施工计划表格:记录施工进度、工程量和任务分配等信息,用于监督和控制施工进程。
2. 材料采购表格:记录所需材料的名称、规格和数量等信息,用于采购和库存管理。
3. 工程质量检查表格:记录每个施工阶段的质量检查情况,包括检查日期、检查项和结论等内容。
4. 安全事故记录表格:记录施工现场的安全事故情况,包括事故日期、事故类型和处理过程等信息。
5. 资金收支表格:记录施工项目的资金收入和支出情况,用于财务管理和成本控制。
6. 施工人员考勤表格:记录施工人员的考勤情况,包括上班时间、请假时间和加班时间等内容。
使用说明
2. 根据实际需求,在表格中填写相关信息。
3. 及时更新和保存表格,以确保信息记录的完整和准确性。
请注意,本文档提供的表格仅为基础模板,建议根据具体施工项目的要求进行适当的修改和调整。
祝施工顺利!。
工程施工项目记录表项目名称:XX工程项目项目地点:XX省XX市XX区施工单位:XX施工公司监理单位:XX监理公司总包单位:XX总包公司工程进展情况:1. 项目背景分析2. 设计文件审核3. 施工准备工作4. 施工过程记录5. 质量检查及验收6. 安全生产记录7. 施工进度计划8. 工程变更记录9. 成本控制记录10. 问题与建议汇总11. 其他相关记录详细记录如下:1. 项目背景分析XX工程项目是一项重要的市政基础设施建设工程,在XX省XX市XX区进行实施。
工程内容包括道路工程、桥梁工程、排水工程等多个方面。
项目总投资额为XX亿元,预计工期为XX个月。
2. 设计文件审核施工单位和监理单位对设计文件进行了仔细的审核,确保设计文件符合相关标准和规范要求。
在审核过程中,发现了一些设计问题,并及时与设计单位协商解决。
3. 施工准备工作施工单位在施工前进行了充分的准备工作,包括确定施工方案、制定施工计划、招聘施工人员等。
同时,施工单位还对施工现场进行了全面的检查,确保施工安全。
4. 施工过程记录在施工过程中,施工单位根据施工计划有序进行施工,保证施工质量和进度。
在施工过程中,发现了一些施工难点,并及时与监理单位商讨解决方案。
5. 质量检查及验收施工单位在施工过程中严格执行质量管理制度,定期进行施工质量检查和验收,确保工程质量符合相关标准和规范要求。
同时,监理单位也对工程质量进行了全面的监督。
6. 安全生产记录为确保工程施工安全,施工单位采取了一系列安全措施,包括建立安全管理制度、定期组织安全培训、加强现场巡查等。
在施工过程中,未发生任何安全事故。
7. 施工进度计划施工单位根据工程进度计划,合理组织施工,确保工程按时完工。
在施工过程中,偶有一些不可抗力因素影响施工进度,但最终还是按时完成了工程。
8. 工程变更记录在施工过程中,因种种原因,工程设计发生了一些变更。
施工单位和监理单位及时沟通协商,制定变更方案,确保工程变更顺利实施。
工程施工记录表计算表项目名称:xxx工程项目地点:xxxx施工单位:xxxx有限公司项目负责人:xxxx施工开始日期:xxxx年xx月xx日施工结束日期:xxxx年xx月xx日一、施工准备阶段1. 施工单位派出项目负责人进行现场踏勘,了解工程地形、环境、周边情况等。
2. 对现场进行勘测,勘测完成后编制详细的施工图纸及工程方案。
3. 确定施工所需的材料、设备、人力等资源,并进行妥善安排和准备。
4. 制定施工进度计划,并与相关部门和单位进行沟通协调,保证施工进度。
二、施工实施阶段1. 施工人员按照施工图纸和方案进行施工,保证工程质量和安全。
2. 施工单位加强对施工现场的管理和监督,确保施工工艺符合要求。
3. 施工单位对施工过程中遇到的问题及时处理和解决,确保施工进度不受影响。
4. 施工单位对材料和设备的使用进行严格把关,杜绝使用劣质材料和设备。
5. 施工单位对施工人员进行安全教育和培训,确保施工过程中的安全。
6. 施工单位做好现场环境保护和文明施工工作,确保施工现场的整洁和秩序。
三、施工验收阶段1. 施工单位对工程进行全面验收,确保工程符合设计要求和施工标准。
2. 项目负责人对施工质量、安全等方面进行验收,并提出整改意见和建议。
3. 施工单位对项目验收过程中发现的问题进行整改,确保工程达到验收标准。
4. 施工单位履行相关手续,向相关部门提交施工验收报告和申请合格证书。
四、总结和展望1. 项目负责人对本次工程施工过程进行总结,总结施工中的优点和不足之处。
2. 施工单位对本次工程施工过程进行总结和汇报,提出下一步的工作计划和展望。
3. 施工单位做好工程竣工档案的整理和归档工作,确保施工过程资料完整。
4. 施工单位对本次工程提出改进建议,为下一步类似工程提供参考和借鉴。
以上为本次工程施工记录表,经核实属实。
施工单位:xxxx有限公司项目负责人:xxxx日期:xxxx年xx月xx日。
建筑工程施工记录表项目名称:XXXX建筑工程项目工程地点:XXXX市XXXX区XXXX街道建设单位:XXXX有限公司承包单位:XXXX建设工程有限公司监理单位:XXXX监理工程有限公司施工单位:XXXX建筑工程施工队施工记录表第一天施工(2022年1月1日):1. 施工单位按照工程图纸要求搭建了施工现场的临时构筑物;2. 施工队对施工现场进行了清理,清除了杂物和垃圾,确保施工环境整洁;3. 建设单位与监理单位代表到场检查并对施工单位的准备工作进行了验收,验收合格;4. 施工队开始了地基处理工作,进行了地质勘探,并开始挖掘基坑。
第二天施工(2022年1月2日):1. 施工队继续进行地基处理工作,对基坑进行了支护和排水,并开始进行地基沉降观测;2. 施工单位在现场搭建了施工用的架子和脚手架,并组织工人进行了安全培训;3. 建设单位和监理单位对地基处理工作进行了检查,发现了一些问题并要求施工单位及时整改。
第三天施工(2022年1月3日):1. 施工队对地基处理工作进行了整改,并加强了基坑的支护措施;2. 施工单位开始进行主体结构的施工,组织工人进行了混凝土浇筑和钢筋焊接工作;3. 建设单位和监理单位对主体结构施工进行了检查,对施工单位的质量管理工作进行了表扬。
第四天施工(2022年1月4日):1. 施工队继续进行主体结构的施工,完成了一层的混凝土浇筑工作;2. 施工单位加强了对工人的安全管理,设置了安全警示标识,并对施工现场进行了安全巡查;3. 建设单位和监理单位对主体结构施工的进展进行了检查,并提出了一些改进建议。
第五天施工(2022年1月5日):1. 施工队继续进行主体结构的施工,完成了二层的混凝土浇筑和钢筋绑扎工作;2. 施工单位对施工现场进行了环境整治,清理了施工垃圾和杂物,并进行了垃圾分类处理;3. 建设单位和监理单位对主体结构施工的质量进行了抽检,并发现了一些问题,要求施工单位及时整改。
第六天施工(2022年1月6日):1. 施工队继续进行主体结构的施工,完成了三层的混凝土浇筑和墙体砌筑工作;2. 施工单位对工人进行了技术培训和安全演练,确保施工作业的顺利进行;3. 建设单位和监理单位对主体结构施工的质量进行了全面检查,发现了一些技术问题,并要求施工单位及时整改。
土建施工资料全套表格(全国通用版)目录建设工程施工质量验收资料使用说明........................................... 错误!未指定书签。
工程概况................................................................. 错误!未指定书签。
工程项目施工管理人员名单.................................................. 错误!未指定书签。
施工现场质量管理检查记录.................................................. 错误!未指定书签。
施工组织设计、施工方案审批表............................................... 错误!未指定书签。
技术交底记录............................................................. 错误!未指定书签。
开工报告................................................................. 错误!未指定书签。
工程竣工报告............................................................. 错误!未指定书签。
图纸会审、设计变更、洽商记录汇总表......................................... 错误!未指定书签。
工程定位测量、复测记录.................................................... 错误!未指定书签。
钢材合格证和复试报告汇总表 ................................................ 错误!未指定书签。
建筑工程施工记录填写模板项目名称:____________施工单位:____________施工工程师:____________日期:____________施工记录编号:____________施工进度:1. 施工地点:____________2. 施工范围:____________3. 施工内容:____________4. 施工人员:____________5. 施工设备:____________6. 施工材料:____________7. 施工进度:- 已完成工程量:____________- 未完成工程量:____________- 计划工期:____________- 实际工期:____________- 已完成工作:____________- 下一步工作计划:____________施工质量:1. 施工工艺:____________2. 施工质量检查记录:____________3. 施工质量要求:____________4. 施工材料合格证明:____________5. 施工质量问题整改措施:____________安全管理:1. 安全生产责任人:____________2. 安全监测员:____________3. 安全检查记录:____________施工现场管理:1. 施工现场整体情况:____________2. 施工现场环境管理:____________3. 施工现场安全设施:____________4. 施工现场人员出勤情况:____________施工风险:1. 施工风险评估:____________2. 施工风险应对方案:____________问题记录与整改:1. 问题记录:____________2. 整改措施:____________3. 整改完成时间:____________总结与评价:1. 施工总结:____________2. 施工评价:____________备注:____________本施工记录由施工单位施工人员填写,施工工程师负责审核并签字确认。
施工单位用表——土建用表指南SG—TOO1单位工程质量竣工验收记录工程名称结构类型层数/建筑面积施工单位技术负责人开工日期项目负责人项目技术负责人竣工日期序号项目验收记录验收结论1 分部部工程2 质量控制资料核查3 安全和主要功能核查及抽查结果4 观感感验收5 综合验收结论参加验收单位建设单位监理单位施工单位设计单位(公章)单位(项目)负责人:年月日(公章)总监理工程师:年月日(公章)单位负责人:年月日(公章)单位(项目)负责人:年月日135SG—T001填写说明—、本表为单位工程质量竣工验收进行综合质量评定时使用。
二、单位工程完工后,施工单位应自行组织有关人员进行检查评定,并向建设单位提交工程验收报告;建设单位接到工程验收报告后应由建设单位(项目)负责人组织施工(含分包单位)、设计、监理等单位(项目)负责人进行单位(子单位)工程验收。
三、单位工程质量验收应符合下列规定:1.单位工程所含分部工程的质量均应验收合格。
2.质量控制资料应完整。
3.单位工程所含分部工程有关安全和功能的检测资料完整。
4.主要功能项目的抽查结果应符合相关专业质量验收规范的规定。
5.观感质量验收应符合要求。
四、本表由建设、施工、监理单位共同填写。
五、填写要求:1.表头及验收记录内容由施工单位项目(技术)负责人填写,表头部分的工程名称、施工单位名称应填写全称,与检验批、分项工程、分部工程等验收记录相一致。
2.验收结论由总监理工程师(建设单位项目负责人)填写验收是否合格,观感质量验收情况应填写是否符合要求,观感质量抽查项目及数量是在施工单位自查基础上由验收各方共同商定。
3.综合验收结论由参加验收各方共同商定后由建设单位填写,对工程是否符合设计和规范要求及工程总体质量是否合格做出评价,验收时检查出的工程(资料)问题应作为附件附于后面。
4.参加验收单位各方负责人应填写验收意见并签字盖章。
5.表头中的技术负责人应为施工单位技术负责人。
土建工程施工资料表格施工单位名称:xxxxxxxxxxxxxx 施工单位负责人:xxxxxx 联系方式:xxxxxxxxxxxxx项目名称:xxxxxx 项目地点:xxxxxx 施工时间:xxxxxx序号资料名称数量(份)存放位置备注1 建筑设计图纸 5 工程部办公室包括建筑平面图、立面图、剖面图等2 结构设计图纸 5 工程部办公室包括结构平面图、剖面图、柱梁图等3 给排水设计图纸 5 工程部办公室包括给水管道布局图、排水管道布局图等4 电气设计图纸5 工程部办公室包括配电箱布局图、照明布局图、插座布局图等5 通风设计图纸 5 工程部办公室包括通风管道布局图、风口位置图等6 现场施工方案 10 工地现场办公室施工单位编制的详细施工方案7 施工进度计划表 10 工地现场办公室包括各阶段工程的计划时间和完成情况8 施工单位资质证书 3 工程部办公室施工单位的营业执照、资质证书等9 安全生产许可证 3 工程部办公室施工单位的安全生产许可证10 施工员工名单 5 工地现场办公室包括施工人员和管理人员的名单11 施工机械设备清单 5 工地现场办公室包括各类施工机械设备的名称、数量12 施工材料清单 5 工地现场办公室包括各类施工材料的名称、规格、数量13 施工质量验收记录 10 工地现场办公室记录施工过程中的各项质量验收情况14 安全生产记录 10 工地现场办公室记录施工过程中的安全生产情况15 现场施工图片资料 20 工地现场办公室记录施工现场的图片资料16 竣工验收报告 3 工程部办公室施工结束后的竣工验收报告以上资料表格仅为参考,具体施工过程中还需根据实际情况进行调整和补充。
对土建工程施工资料的管理十分重要,能够有效保证施工过程中的规范和质量。
希望施工单位能够认真执行并做好资料管理工作,确保施工的顺利进行和项目的顺利交付。
土建施工资料全套表格(全国通用版)目录建设工程施工质量验收资料使用说明 (11)工程概况 (13)工程项目施工管理人员名单 (14)施工现场质量管理检查记录 (15)施工组织设计、施工方案审批表 (16)技术交底记录 (17)开工报告 (18)工程竣工报告 (19)图纸会审、设计变更、洽商记录汇总表 (20)工程定位测量、复测记录 (21)钢材合格证和复试报告汇总表 (22)钢材检验报告 (23)水泥出厂合格证、报告汇总表 (24)水泥复试报告 (25)砖(砌块)检验报告汇总表 (26)烧结普通砖试验报告 (27)加气砼砌块试验报告 (28)混凝土空心砌块检验报告 (29)混凝土外加剂(及其它材料)产品合格证、 (30)混凝土外加剂试验报告 (31)防水和保温材料合格证、复试报告汇总表 (32)防水卷材试验报告 (33)沥青试验报告 (34)防水涂料试验报告 (35)保温、隔热材料试验报告 (36)(其他)建筑材料合格证、复试报告汇总表 (37)陶瓷彩色釉面砖试验报告 (38)石子试验报告 (39)砂子试验报告 (40)建筑门窗(木门)出厂合格证 (41)钢构件出厂合格证 (42)混凝土试块试压报告汇总表 (43)混凝土强度评定 (44)结构实体混凝土强度评定 (45)砂浆强度汇总评定表 (46)钢筋连接试验报告、焊条(剂)合格证汇总表 (47)土壤试验记录汇总表 (48)钢筋隐蔽工程检查验收记录 (49)隐蔽工程验收记录 (50)地基验槽记录 (51)地基处理记录 (52)混凝土(其它)构件合格证汇总表 (53)屋面泼水、淋水、蓄水试验记录 (54)(厕所、厨房、阳台等)有防水要求的地面泼水、蓄水试验记录 (55)建筑物垂直度、标高、全高测量记录 (56)烟气(风)道工程检查验收记录 (57)沉降观测记录 (58)大体积混凝土测温记录表 (59)冬季施工原材料测温记录 (60)混凝土冬季施工保温测温记录 (61)单位(子单位)工程质量竣工验收记录 (62)单位(子单位)工程质量控制资料核查记录 (63)单位(子单位)工程安全和功能检验资料核查及主要功能抽查记录 (65)单位(子单位)观感质量验收检查记录 (66)分部(子分部)工程验收记录 (67)分项工程质量验收记录 (68)土方开挖工程检验批质量验收记录表 (69)土方回填工程检验批质量验收记录表 (70)排桩墙支护工程检验批质量验收记录表 (71)排桩墙支护工程检验批质量验收记录表 (72)降水与排水工程检验批质量验收记录表 (73)地下连续墙工程检验批质量验收记录表 (74)锚杆及土钉墙支护工程检验批质量验收记录表 (75)加筋水泥土桩墙支护工程检验批质量验收记录表 (76)沉井与沉箱工程检验批质量验收记录表 (77)钢或混凝土支撑工程检验批质量验收记录表 (78)灰土地基工程检验批质量验收记录表 (79)砂和砂石地基检验批质量验收记录表 (80)土工合成材料地基工程检验批质量验收记录表 (81)粉煤灰地基工程检验批质量验收记录表 (82)强夯地基工程检验批质量验收记录表 (83)振冲地基工程检验批质量验收记录表 (84)砂桩地基工程检验批质量验收记录表 (85)预压地基工程检验批质量验收记录表 (86)高压喷射注浆地基工程检验批质量验收记录表 (87)土和灰土挤密桩复合地基检验批质量验收记录表 (88)注浆地基检验批质量验收记录表 (89)水泥粉煤灰碎石桩复合地基工程检验批质量验收记录表 (90)夯实水泥土桩复合地基工程检验批质量验收记录表 (91)水泥土搅拌桩地基工程检验批质量验收记录表 (92)静力压桩工程检验批质量验收记录表 (93)预应力管桩工程检验批质量验收记录表 (94)混凝土预制桩(钢筋骨架)工程检验批质量验收记录表 (95)混凝土预制桩工程检验批质量验收记录表 (96)钢桩(成品)工程检验批质量验收记录表 (97)钢桩施工检验批质量验收记录表 (98)混凝土灌注桩(钢筋笼)工程检验批质量验收记录表 (99)混凝土灌注桩工程检验批质量验收记录表 (100)防水混凝土检验批质量验收记录表 (101)水泥砂浆防水层检验批质量验收记录表 (102)卷材防水层检验批质量验收记录表 (103)涂料防水层检验批质量验收记录表 (104)金属板防水层检验批质量验收记录表 (105)塑料板防水层检验批质量验收记录表 (106)细部构造检验批质量验收记录表 (107)锚喷支护检验批质量验收记录表 (108)复合式衬砌检验批质量验收记录表 (109)地下连续墙检验批质量验收记录表 (110)盾构法隧道检验批质量验收记录表 (111)渗排水、盲沟排水检验批质量验收记录 (112)隧道、坑道排水检验批质量验收记录表 (113)预注浆、后注浆检验批质量验收记录表 (114)衬砌裂缝注浆检验批质量验收记录表 (115)模板安装工程检验批质量验收记录表 (116)预制构件模板工程检验批质量验收记录表 (117)模板拆除工程检验批质量验收记录表 (118)钢筋加工检验批质量验收记录表 (119)钢筋安装工程检验批质量验收记录表 (120)混凝土原材料及配合比设计检验批质量验收记录表 (121)混凝土施工检验批质量验收记录表 (122)预应力原材料检验批质量验收记录表 (123)预应力制作与安装检验批质量验收记录表 (124)预应力张拉、放张、灌浆及封锚检验批质量验收记录表 (125)现浇结构外观及尺寸偏差检验批质量验收记录表 (126)混凝土设备基础外观及尺寸偏差检验批验收记录表 (127)预制构件检验批质量验收记录表 (128)装配式结构施工检验批质量验收记录表 (129)混凝土结构子分部工程 (130)结构实体混凝土强度验收记录 (130)混凝土结构子分部工程 (131)结构实体钢筋保护层厚度验收记录 (131)砖砌体(混水)工程检验批质量验收记录表 (132)混凝土小型空心砌块砌体工程检验批质量验收记录表 (133)石砌体工程检验批质量验收记录表 (134)填充墙砌体工程检验批质量验收记录表 (135)配筋砌体工程检验批质量验收记录表 (136)钢结构制作(安装)焊接工程检验批质量验收记录表 (137)焊钉(栓钉)焊接工程检验批质量验收记录表 (138)普通紧固件连接工程检验批质量验收记录表 (139)高强度螺栓连接工程检验批质量验收记录表 (140)钢结构零、部件加工工程检验批质量验收记录表 (141)钢网架制作工程检验批质量验收记录表 (142)单层钢构件安装工程检验批质量验收记录表 (142)多层及高层钢构件安装工程检验批质量验收记录表 (143)钢构件组装工程检验批质量验收记录表 (145)钢构件预拼装工程检验批质量验收记录表 (146)钢网架安装工程检验批质量验收记录表 (147)压型金属板工程检验批质量验收记录表 (148)防腐涂料涂装工程检验批质量验收记录表 (149)防火涂料涂装工程检验批质量验收记录表 (149)基土垫层检验批质量验收记录表 (151)灰土垫层检验批质量验收记录表 (152)砂垫层和砂石垫层检验批质量验收记录表 (153)碎石垫层和碎砖垫层检验批质量验收记录表 (154)三合土垫层检验批质量验收记录表 (154)炉渣垫层检验批质量验收记录表 (156)水泥混凝土垫层检验批质量验收记录表 (157)找平层检验批质量验收记录表 (158)隔离层检验批质量验收记录表 (159)填充层检验批质量验收记录表 (160)水泥混凝土面层检验批质量验收记录表 (161)水磨石面层检验批质量验收记录表 (162)水泥钢屑检验批质量验收记录表 (163)防油渗面层检验批质量验收记录表 (164)不发火(防爆)面层工程检验批质量验收记录表 (165)砖面层检验批质量验收记录表 (166)大理石和花岗石面层检验批质量验收记录表 (167)预制板块面层检验批质量验收记录表 (168)塑料板面层检验批质量验收记录表 (170)活动地板面层检验批质量验收记录表 (171)地毯面层检验批质量验收记录表 (172)实木地板面层检验批质量验收记录表 (173)实木复合地板面层检验批质量验收记录表 (174)中密度(强化)复合地板面层检验批质量验收记录表 (175)竹地板面层检验批质量验收记录表 (176)一般抹灰工程检验批质量验收记录表 (177)装饰抹灰工程检验批质量验收记录表 (178)清水砌体勾缝工程检验批质量验收记录表 (179)木门窗制作工程检验批质量验收记录表 (180)木门窗安装工程检验批质量验收记录表 (181)金属门窗安装工程检验批质量验收记录 (182)金属门窗安装工程检验批质量验收记录表 (183)金属门窗安装工程检验批质量验收记录表 (184)塑料门窗安装工程检验批质量验收记录表 (185)特种门安装工程检验批质量验收记录表 (186)门窗玻璃安装工程检验批质量验收记录表 (187)暗龙骨吊顶工程检验批质量验收记录表 (188)明龙骨吊顶工程检验批质量验收记录表 (189)板材隔墙工程检验批质量验收记录表 (190)骨架隔墙工程检验批质量验收记录表 (191)玻璃隔墙工程检验批质量验收记录表 (193)饰面板安装工程检验批质量验收记录表 (194)饰面砖粘贴工程检验批质量验收记录表 (195)玻璃幕墙工程检验批质量验收记录表 (196)玻璃幕墙工程检验批质量验收记录表 (197)金属幕墙工程检验批质量验收记录表 (198)金属幕墙工程检验批质量验收记录表 (199)石材幕墙工程检验批质量验收记录表 (200)石材幕墙工程检验批质量验收记录表 (201)水性涂料涂饰工程检验批质量验收记录表 (202)溶剂型涂料涂饰工程检验批质量验收记录表 (203)美术涂饰工程检验批质量验收记录表 (204)裱糊工程检验批质量验收记录表 (204)软包工程检验批质量验收记录表 (206)橱柜制作与安装工程检验批质量验收记录表 (207)窗帘盒、窗台板和散热器罩制作与安装 (208)门窗套制作与安装工程检验批质量验收记录表 (209)护栏和扶手制作与安装工程检验批质量验收记录表 (210)花饰制作与安装工程检验批质量验收记录表 (211)木屋盖工程检验批质量验收记录表 (212)胶合木工程检验批质量验收记录表 (213)轻型木结构(规格材、钉连接)工程检验批质量验收记录表 (214)木结构防腐、防虫、防火工程检验批质量验收记录表 (215)屋面保温层检验批质量验收记录表 (216)屋面找平层检验批质量验收记录表 (217)卷材防水层检验批质量验收记录表 (218)涂膜防水层检验批质量验收记录表 (219)细石混凝土防水层检验批质量验收记录表 (220)密封材料嵌缝检验批质量验收记录表 (221)平瓦屋面检验批质量验收记录表 (222)油毡瓦屋面检验批质量验收记录表 (223)金属板材屋面检验批质量验收记录表 (224)细部构造检验批质量验收记录表 (225)架空屋面检验批质量验收记录表 (226)蓄水、种植屋面检验批质量验收记录表 (227)建设工程施工质量验收资料使用说明为认真贯彻执行国家《建筑工程施工质量验收统一标准》(GB50300—2001)及各相应规范,促进施工企业做好资料的收集和整理工作,使工程技术资料管理工作做到规范化、标准化、系统化。
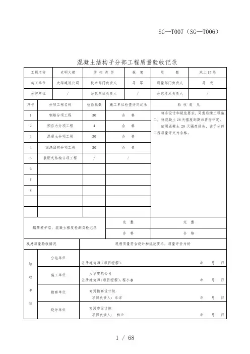
SG—T007(SG—T006)混凝土结构子分部工程质量验收记录四川省建设厅制G—T010(原SG—T013)土方开挖工程检验批质量验收记录注:表中同意偏差实测值单位为“mm”四川省建设厅制SG—T011(原SG—T014)土方回填工程检验批质量验收记录注:表中同意偏差实测值单位为“mm”。
四川省建设厅制SG—T012(原SG—T104)回填土夯实施工记录工程名称:部位:年月日注:本表一式三份,建设单位、施工单位、城建档案馆各一份。
四川省建设厅制SG—T026(SG—T089)地基验槽记录施工单位:注:槽底土质或岩层情况由勘察单位填写,地基处理情况由专业施工单位填写,并附检测报告。
四川省建设厅制SG—T027(原SG—T095)地基与基础分部工程质量验收报告((注:1.地基与基础分部工程完成后,监理单位(建设单位)应组织有关单位进行质量验收,并按规定的内容填写和签署意见,工程建设参与各方按规定承担相应质量责任。
2.地基与基础分部工程质量文件按要求填写汇总表并整理成册险后备查。
3.质量监督机构完成监督检查工作,审查此表后签署验收程序等质量监督意见。
四川省建设厅制SG—T028(原SG—T096)地基与基础工程质量文件汇总表四川省建设厅制SG—T035(原SG—T024)水泥砂浆防水层检验批质量验收记录注:本表由施工项目专业质量检查员填写,监理工程师(建设单位项目技术负责人)组织项目专业质量(技术)负责人等进行验收。
四川省建设厅制SG—T040(原SG—T027)钢筋加工检验批质量验收记录四川省建设厅制SG—T041(原SG—T028)钢筋安装工程检验批质量验收记录四川省建设厅制SG—T042(原SG—T029)模板工程检验批质量验收记录四川省建设厅制SG—T043(原SG—T030)混凝土工程检验批质量验收记录四川省建设厅制SG—T044(原SG—T031)现浇结构混凝土工程检验批质量验收记录。
土建资料员培训——资料表格填写说明及注意事项土建资料员培训资料表格填写说明及注意事项一、工程施工技术资料管理施工技术资料是在施工过程中形成的,用以指导正确、规范、科学施工的文件,以及反映工程变更情况的正式文件。
施工管理资料主要包括管理上的一些表格,工程概况表、施工现场质量管理检查记录、施工进度计划报审表、施工日志、工程质量事故报告、有见证试验取样记录及施工总结。
它是施工单位在施工全过程管理方面的资料。
1.施工组织设计(方案)报审表Ⅰ 填表说明1)附件收集。
所报审的施工组织设计、专项施工方案等,对重要方案还应附施工单位公司级技术负责人的审批意见。
2)资料流程。
由总承包单位编制,或对分包单位的方案进行审核,之后报送监理单位,经监理单位审批后返还总包单位,各相关单位存档。
3)相关规定与要求。
施工单位应编写工程技术文件,经施工单位技术部门审查通过,填写施工组织设计(方案)报项目监理部。
总监理工程师组织专业工程监理工程师审核,填写审核意见,由总监理工程师签署审定结论。
Ⅱ 注意事项① 编制单位名称填写直接编制方案且负责该工程实施的单位。
如各分包单位首先填写此栏,后经总承包单位审核并在施工单位审核意见栏写出意见后再报送监理单位。
② 监理单位审核意见栏若空间不足时,可另附页。
2.技术交底记录Ⅰ 填写说明1)附件收集。
必要的图纸、图片、四新(新材料、新工艺、新产品、新技术)的相关文件。
2)资料流程。
技术交底记录由施工单位填写,交底单位与接受交底单位各存一份,也应报送监理(建设)单位。
3)相关规定与要求① 技术交底记录包括:施工组织设计交底、专项施工方案技术交底、分项工程施工技术交底、四新技术交底和设计变更技术交底。
各项交底应有文字记录,交底双方签认应齐全。
② 重点和大型工程施工组织设计交底应由施工企业的技术负责人把主要设计要求、重要事项以及施工措施对项目主要管理人员进行交底。
其他工程施工组织设计交底应由项目技术负责人进行交底。
土建工程常用表格土建工程中使用的各种表格主要是用来记录项目信息、数据分析和决策制定等方面。
以下是土建工程中常用的表格:工程量清单工程量清单是用来测算施工成本的基础表格,其中包含了建筑物的各项工程量和物料需求等信息。
工程量清单通常用电子表格软件编制,其中需要包括每一项工程量的名称、规格、单位、工程数量、单价和金额等内容。
招标文件招标文件包含了工程的设计需求和工程量清单等信息,用于招标过程中向承包商提供必要的信息。
该表格需要详细描述工程的技术要求,包括工程的结构、施工方式、材料使用等方面的要求。
同时还要包括工程的时间计划、项目预算及支付方式等内容。
施工进度表施工进度表用于记录施工过程中不同工序的执行情况,以便项目管理者对施工进度进行及时评估。
该表格需要详细列出每个工序的名称、计划开始和结束时间、实际开始和结束时间等内容。
通过施工进度表,管理者可以方便地查看整个工程的进度情况,从而对工程进度进行调整。
施工质量检验表施工质量检验表用于记录工程质量检验结果,包括建筑材料的检验和施工过程中的质量控制。
针对每个工序进行详细的质量检验,依据质量标准进行评估。
通过检验表可以及时发现工程质量问题并及时解决,避免施工过程中出现质量问题。
材料验收表材料验收表用于记录建筑材料的验收情况,包括材料的规格、数量、批次和验收结果等信息。
建筑材料是工程质量的保证,验收表可以在施工过程中对建筑材料的质量进行跟踪,及时发现材料质量问题并及时解决。
质量报告质量报告用于记录工程质量的变化情况,及时反映施工过程中出现的质量问题和解决情况。
通过质量报告可以及时发现和解决工程质量问题,确保工程质量符合相关标准要求。
安全检查表安全检查表用于记录工程安全检查的情况,包括施工现场的安全管理、人员安全和设备安全等内容。
检查表需要详细描述每个安全问题的具体情况和解决方案。
通过安全检查表可以及时发现并解决施工过程中的安全隐患,确保施工期间的安全。
成本分析表成本分析表用于记录工程成本的变化情况,包括工程量清单、人力成本、材料成本、设备成本和其他成本等内容。
土建施工资料全套表格(全国通用版)目录建设工程施工质量验收资料使用说明 (11)工程概况 (13)工程项目施工管理人员名单 (14)施工现场质量管理检查记录 (15)施工组织设计、施工方案审批表 (16)技术交底记录 (17)开工报告 (18)工程竣工报告 (19)图纸会审、设计变更、洽商记录汇总表 (20)工程定位测量、复测记录 (21)钢材合格证和复试报告汇总表 (22)钢材检验报告 (23)水泥出厂合格证、报告汇总表 (24)水泥复试报告 (25)砖(砌块)检验报告汇总表 (26)烧结普通砖试验报告 (27)加气砼砌块试验报告 (28)混凝土空心砌块检验报告 (29)混凝土外加剂(及其它材料)产品合格证、 (30)混凝土外加剂试验报告 (31)防水和保温材料合格证、复试报告汇总表 (32)防水卷材试验报告 (33)沥青试验报告 (34)防水涂料试验报告 (35)保温、隔热材料试验报告 (36)(其他)建筑材料合格证、复试报告汇总表 (37)陶瓷彩色釉面砖试验报告 (38)石子试验报告 (39)砂子试验报告 (40)建筑门窗(木门)出厂合格证 (41)钢构件出厂合格证 (42)混凝土试块试压报告汇总表 (43)混凝土强度评定 (44)结构实体混凝土强度评定 (45)砂浆强度汇总评定表 (46)钢筋连接试验报告、焊条(剂)合格证汇总表 (47)土壤试验记录汇总表 (48)钢筋隐蔽工程检查验收记录 (49)隐蔽工程验收记录 (50)地基验槽记录 (51)地基处理记录 (52)混凝土(其它)构件合格证汇总表 (53)屋面泼水、淋水、蓄水试验记录 (54)(厕所、厨房、阳台等)有防水要求的地面泼水、蓄水试验记录 (55)建筑物垂直度、标高、全高测量记录 (56)烟气(风)道工程检查验收记录 (57)沉降观测记录 (58)大体积混凝土测温记录表 (59)冬季施工原材料测温记录 (60)混凝土冬季施工保温测温记录 (61)单位(子单位)工程质量竣工验收记录 (62)单位(子单位)工程质量控制资料核查记录 (63)单位(子单位)工程安全和功能检验资料核查及主要功能抽查记录 (65)单位(子单位)观感质量验收检查记录 (66)分部(子分部)工程验收记录 (67)分项工程质量验收记录 (68)土方开挖工程检验批质量验收记录表 (69)土方回填工程检验批质量验收记录表 (70)排桩墙支护工程检验批质量验收记录表 (71)排桩墙支护工程检验批质量验收记录表 (72)降水与排水工程检验批质量验收记录表 (73)地下连续墙工程检验批质量验收记录表 (74)锚杆及土钉墙支护工程检验批质量验收记录表 (75)加筋水泥土桩墙支护工程检验批质量验收记录表 (76)沉井与沉箱工程检验批质量验收记录表 (77)钢或混凝土支撑工程检验批质量验收记录表 (78)灰土地基工程检验批质量验收记录表 (79)砂和砂石地基检验批质量验收记录表 (80)土工合成材料地基工程检验批质量验收记录表 (81)粉煤灰地基工程检验批质量验收记录表 (82)强夯地基工程检验批质量验收记录表 (83)振冲地基工程检验批质量验收记录表 (84)砂桩地基工程检验批质量验收记录表 (85)预压地基工程检验批质量验收记录表 (86)高压喷射注浆地基工程检验批质量验收记录表 (87)土和灰土挤密桩复合地基检验批质量验收记录表 (88)注浆地基检验批质量验收记录表 (89)水泥粉煤灰碎石桩复合地基工程检验批质量验收记录表 (90)夯实水泥土桩复合地基工程检验批质量验收记录表 (91)水泥土搅拌桩地基工程检验批质量验收记录表 (92)静力压桩工程检验批质量验收记录表 (93)预应力管桩工程检验批质量验收记录表 (94)混凝土预制桩(钢筋骨架)工程检验批质量验收记录表 (95)混凝土预制桩工程检验批质量验收记录表 (96)钢桩(成品)工程检验批质量验收记录表 (97)钢桩施工检验批质量验收记录表 (98)混凝土灌注桩(钢筋笼)工程检验批质量验收记录表 (99)混凝土灌注桩工程检验批质量验收记录表 (100)防水混凝土检验批质量验收记录表 (101)水泥砂浆防水层检验批质量验收记录表 (102)卷材防水层检验批质量验收记录表 (103)涂料防水层检验批质量验收记录表 (104)金属板防水层检验批质量验收记录表 (105)塑料板防水层检验批质量验收记录表 (106)细部构造检验批质量验收记录表 (107)锚喷支护检验批质量验收记录表 (108)复合式衬砌检验批质量验收记录表 (109)地下连续墙检验批质量验收记录表 (110)盾构法隧道检验批质量验收记录表 (111)渗排水、盲沟排水检验批质量验收记录 (112)隧道、坑道排水检验批质量验收记录表 (113)预注浆、后注浆检验批质量验收记录表 (114)衬砌裂缝注浆检验批质量验收记录表 (115)模板安装工程检验批质量验收记录表 (116)预制构件模板工程检验批质量验收记录表 (117)模板拆除工程检验批质量验收记录表 (118)钢筋加工检验批质量验收记录表 (119)钢筋安装工程检验批质量验收记录表 (120)混凝土原材料及配合比设计检验批质量验收记录表 (121)混凝土施工检验批质量验收记录表 (122)预应力原材料检验批质量验收记录表 (123)预应力制作与安装检验批质量验收记录表 (124)预应力张拉、放张、灌浆及封锚检验批质量验收记录表 (125)现浇结构外观及尺寸偏差检验批质量验收记录表 (126)混凝土设备基础外观及尺寸偏差检验批验收记录表 (127)预制构件检验批质量验收记录表 (128)装配式结构施工检验批质量验收记录表 (129)混凝土结构子分部工程 (130)结构实体混凝土强度验收记录 (130)混凝土结构子分部工程 (131)结构实体钢筋保护层厚度验收记录 (131)砖砌体(混水)工程检验批质量验收记录表 (132)混凝土小型空心砌块砌体工程检验批质量验收记录表 (133)石砌体工程检验批质量验收记录表 (134)填充墙砌体工程检验批质量验收记录表 (135)配筋砌体工程检验批质量验收记录表 (136)钢结构制作(安装)焊接工程检验批质量验收记录表 (137)焊钉(栓钉)焊接工程检验批质量验收记录表 (138)普通紧固件连接工程检验批质量验收记录表 (139)高强度螺栓连接工程检验批质量验收记录表 (140)钢结构零、部件加工工程检验批质量验收记录表 (141)钢网架制作工程检验批质量验收记录表 (142)单层钢构件安装工程检验批质量验收记录表 (142)多层及高层钢构件安装工程检验批质量验收记录表 (143)钢构件组装工程检验批质量验收记录表 (145)钢构件预拼装工程检验批质量验收记录表 (146)钢网架安装工程检验批质量验收记录表 (147)压型金属板工程检验批质量验收记录表 (148)防腐涂料涂装工程检验批质量验收记录表 (149)防火涂料涂装工程检验批质量验收记录表 (149)基土垫层检验批质量验收记录表 (151)灰土垫层检验批质量验收记录表 (152)砂垫层和砂石垫层检验批质量验收记录表 (153)碎石垫层和碎砖垫层检验批质量验收记录表 (154)三合土垫层检验批质量验收记录表 (154)炉渣垫层检验批质量验收记录表 (156)水泥混凝土垫层检验批质量验收记录表 (157)找平层检验批质量验收记录表 (158)隔离层检验批质量验收记录表 (159)填充层检验批质量验收记录表 (160)水泥混凝土面层检验批质量验收记录表 (161)水磨石面层检验批质量验收记录表 (162)水泥钢屑检验批质量验收记录表 (163)防油渗面层检验批质量验收记录表 (164)不发火(防爆)面层工程检验批质量验收记录表 (165)砖面层检验批质量验收记录表 (166)大理石和花岗石面层检验批质量验收记录表 (167)预制板块面层检验批质量验收记录表 (168)塑料板面层检验批质量验收记录表 (170)活动地板面层检验批质量验收记录表 (171)地毯面层检验批质量验收记录表 (172)实木地板面层检验批质量验收记录表 (173)实木复合地板面层检验批质量验收记录表 (174)中密度(强化)复合地板面层检验批质量验收记录表 (175)竹地板面层检验批质量验收记录表 (176)一般抹灰工程检验批质量验收记录表 (177)装饰抹灰工程检验批质量验收记录表 (178)清水砌体勾缝工程检验批质量验收记录表 (179)木门窗制作工程检验批质量验收记录表 (180)木门窗安装工程检验批质量验收记录表 (181)金属门窗安装工程检验批质量验收记录 (182)金属门窗安装工程检验批质量验收记录表 (183)金属门窗安装工程检验批质量验收记录表 (184)塑料门窗安装工程检验批质量验收记录表 (185)特种门安装工程检验批质量验收记录表 (186)门窗玻璃安装工程检验批质量验收记录表 (187)暗龙骨吊顶工程检验批质量验收记录表 (188)明龙骨吊顶工程检验批质量验收记录表 (189)板材隔墙工程检验批质量验收记录表 (190)骨架隔墙工程检验批质量验收记录表 (191)玻璃隔墙工程检验批质量验收记录表 (193)饰面板安装工程检验批质量验收记录表 (194)饰面砖粘贴工程检验批质量验收记录表 (195)玻璃幕墙工程检验批质量验收记录表 (196)玻璃幕墙工程检验批质量验收记录表 (197)金属幕墙工程检验批质量验收记录表 (198)金属幕墙工程检验批质量验收记录表 (199)石材幕墙工程检验批质量验收记录表 (200)石材幕墙工程检验批质量验收记录表 (201)水性涂料涂饰工程检验批质量验收记录表 (202)溶剂型涂料涂饰工程检验批质量验收记录表 (203)美术涂饰工程检验批质量验收记录表 (204)裱糊工程检验批质量验收记录表 (204)软包工程检验批质量验收记录表 (206)橱柜制作与安装工程检验批质量验收记录表 (207)窗帘盒、窗台板和散热器罩制作与安装 (208)门窗套制作与安装工程检验批质量验收记录表 (209)护栏和扶手制作与安装工程检验批质量验收记录表 (210)花饰制作与安装工程检验批质量验收记录表 (211)木屋盖工程检验批质量验收记录表 (212)胶合木工程检验批质量验收记录表 (213)轻型木结构(规格材、钉连接)工程检验批质量验收记录表 (214)木结构防腐、防虫、防火工程检验批质量验收记录表 (215)屋面保温层检验批质量验收记录表 (216)屋面找平层检验批质量验收记录表 (217)卷材防水层检验批质量验收记录表 (218)涂膜防水层检验批质量验收记录表 (219)细石混凝土防水层检验批质量验收记录表 (220)密封材料嵌缝检验批质量验收记录表 (221)平瓦屋面检验批质量验收记录表 (222)油毡瓦屋面检验批质量验收记录表 (223)金属板材屋面检验批质量验收记录表 (224)细部构造检验批质量验收记录表 (225)架空屋面检验批质量验收记录表 (226)蓄水、种植屋面检验批质量验收记录表 (227)建设工程施工质量验收资料使用说明为认真贯彻执行国家《建筑工程施工质量验收统一标准》(GB50300—2001)及各相应规范,促进施工企业做好资料的收集和整理工作,使工程技术资料管理工作做到规范化、标准化、系统化。
施工工序“三检”记录表
专检人:检查时间: 施工工序“三检”记录表
施工工序“三检”记录表
施工工序“三检”记录表
施工工序“三检”记录表
施工工序“三检”记录表
2.采用砖胎膜或木模板,固定牢固
3.模板安装时的轴线、标高、截面尺寸符合要求
4.迎水面采用止水螺杆加固
5.后浇带留置位置准确。
施工工序“三检”记录表
施工工序“三检”记录表
施工工序“三检”记录表
施工工序“三检”记录表
7.老墙丝杆埋置符合要求
8.外架连墙件预埋符合要求
9.管线预埋及预留洞口符合设计要求
1.柱混凝土浇筑完毕
2.混凝土强度等级柱为,梁板为
3.混凝土浇筑为机械振捣,振捣均匀
4.混凝土强度等级及试件的取样和留置
5.板面观感质量,二次收面
专检人:检查时间:。
土建专业表格填写例续附表1C1--施工管理资料续附表1C2--施工技术资料续附表1C3--施工测量记录续附表1续附表1续附表1C5--施工记录续附表1C6--施工试验记录续附表1C7--施工质量验收记录续附表1C8—分户验收用表续附表1建筑工程分部(子分部)工程划分与代号索引表附表2附表3工程资料名称 X X X工程案卷题名:施工记录隐蔽工程检查记录编制单位:中国建筑二局第筑公司技术主管: X X X保管期限:保存档号:共册第册注:过程资料使用此封面,竣工资料使用城建档案馆封面.施工资料总目录附表4.附表 5附表6附表7.. . . 钢筋原材复试及材质单目录.附表9(标养)混凝土抗压强度报告目录. . .(结构实体)混凝土抗压强度报告目录. . .附表12 混凝土同条件试块试验报告目录附表13混凝土浇灌申请目录附表14附表15附表16 单位(子单位)工程质量竣工验收记录附表37附表38附表39附表40附表41附表42预拌混凝土浇筑记录工程名称:XXX浇筑日期:X年X月X日浇筑部位:X层筒体楼板混凝土强度等级:C35配合比编号:06-771 要求坍落度:(mm)180-200要求初凝时间(h):4-6小时搅拌单位:XXX附表43附表44附表45附表46附表47附表51隐检容:1、框架柱保护层为30mm;2、KZ6主筋为22箍筋为10@100/150,;KZ8主筋为20,箍筋为10@100/150;KZ10主筋为20,箍筋为12@100;KZ15主筋为20,箍筋为10@100/150,KZ18主筋为28,箍筋为10@100,楼板以上1250mm及梁高围和梁以下650mm,为柱子箍筋加密区,间距100mm,角柱全高加密。
3、钢筋无锈蚀,污染处已经清理干净。
4、柱子钢筋采用直螺纹连接,接头50%错开,错开长度1000mm。
见钢筋连接隐蔽记录×××号。
5、钢筋原材试验报告编号:10:2005-02184、12:2005-03527、20:2005-01522;22:2005-01525、28:2005-015156、框架柱采用塑料垫块,间距1000mm,梅花型布置。
土木工程方案记录表范本项目名称:XXX土木工程项目项目地点:XXX地区项目负责人:XXX编制日期:XXXX年XX月XX日一、项目背景及概况本项目是XXX地区的一项土木工程项目,旨在解决XXX问题,提升XXX效果。
项目地点位于XXX地区,总占地面积XXX平方米,项目由XXX部门负责实施,项目进程预计XXX 年完成。
二、项目目标1. 实现XXX目标2. 提高XXX效果3. 解决XXX问题4. 保障XXX用途三、项目范围1. 土木工程设计与规划2. 施工过程监督与管理3. 资源调配与物资采购4. 现场安全与环境保护四、项目方案及实施步骤1. 前期调研与规划(1)调查项目实际需求,确定项目规模与功能定位(2)编制项目规划与设计报告,提出可行性建议(3)与相关部门协商,确定项目实施方案2. 设计与方案确认(1)选定工程设计机构,编制项目设计方案(2)经过多方论证,确认最终设计方案(3)制定施工图纸,进行审查修改3. 施工准备阶段(1)分配施工队伍,明确任务分工(2)购置施工所需材料,协调物资供应(3)进行施工现场勘察,确定施工工艺与路线4. 施工与管理(1)严格遵守施工规范,确保施工安全与质量(2)加强施工现场管理,做好现场安全防护(3)及时调整资源配置,保证施工进度5. 完工验收与投入使用(1)完成土木工程施工任务,进行竣工验收(2)确保工程符合相关标准,通过相关验收(3)移交项目使用并进行运营管理五、项目进度及风险管理1. 项目进度计划(1)编制项目施工进度表,明确每个施工阶段的时间节点(2)进行项目进度跟踪,及时掌握工程进度2. 风险识别与控制(1)分析项目实施中可能存在的各类风险(2)制定应对措施,进行风险管控3. 可能的问题及解决方案(1)施工过程中可能出现的问题及处理方案(2)保障施工进度不受影响,确保工程顺利完成六、资金及资源分配1. 资金预算与资源调配(1)编制项目资金预算表,明确资金需求(2)按照项目进度计划,适时调配项目所需资源2. 资金使用与监督(1)核对资金使用台账,确保合理使用(2)做好项目财务报表,进行监督与审计七、环境保护与安全措施1. 环境保护方案(1)明确工程施工过程中可能对环境造成的影响(2)制定环境保护方案,确保施工过程对环境影响最小化2. 安全生产管理(1)制定施工安全管理制度,严格遵守相关规定(2)加强施工现场安全防护,保护施工人员生命财产安全八、相关法规及标准执行1. 项目执行过程中需严格遵守相关土木工程法规与标准2. 根据项目实际情况,合理调整施工方案,确保项目符合相关法规与标准九、项目效果评估1. 利用相关数据对项目效果进行客观评估2. 分析项目运行效果,总结经验教训,为未来项目提供参考十、项目总结及建议1. 对项目实施过程进行总结,指出取得的成绩与不足2. 提出项目实施过程中的建议,为以后类似项目提供借鉴十一、附件1. 项目地理信息图2. 工程设计图纸3. 施工进度表4. 资金使用台账以上为本项目的土木工程方案记录表,若有需要可联系项目负责人进行更详细的了解。
工程定位测量记录
Q/CSG表BJ3-1 编号:
建筑物垂直度、标高测量记录
Q/CSG表BJ3-2 编号:
建(构)筑物沉降(变形)观测记录
沉降观测示意图
Q/CSG表BJ3-4 编号:
重锤夯实试夯记录
Q/CSG表BJ3-5编号:
重锤夯实记录
Q/CSG表BJ3-6编号:
……………………………………………………………精品资料推荐…………………………………………………
强夯施工记录
Q/CSG表BJ3-7编号:
强夯施工汇总表
Q/CSG表BJ3-8编号:
基坑支护结构顶部水平位移结果表
Q/CSG表BJ3-9编号:
……………………………………………………………精品资料推荐…………………………………………………
锤击沉管混凝土灌注桩工程施工工艺试验记录表
Q/CSG表BJ3-10编号:
单位(子单位)工程名称: 施工总承包单位: 总承包单位项目经理: 桩型及规格: 桩机型号: 工程地点: 自然地面标高: m 桩基分包单位: 桩基工程施工负责人: 设计桩径: m 设计有效桩长: m 设计纵筋顶端标高: m
说明:工艺试验确定的主要施工参数涉及技术、质量、进度、投资等问题,五方主体均应参加。
记录员:施工班组长:专业工长(施工员):项目专业质量检查员:
……………………………………………………………精品资料推荐…………………………………………………
锤击沉管混凝土灌注桩工程施工记录表
Q/CSG表BJ3-11编号:
记录员:施工班组长:专业工长(施工员):项目专业质量检查员:监理(建设)单位见证员:
……………………………………………………………精品资料推荐…………………………………………………
水泥土搅拌桩供灰记录表
Q/CSG表BJ3-12 编号:
……………………………………………………………精品资料推荐…………………………………………………
水泥土搅拌桩施工记录表
Q/CSG表BJ3-13 编号:工程名称总包单位项目经理分包单位分包负责人
注:喷浆采用的水灰比、施工中的异常现象均应在备注栏中注明;根据复搅次数在“序号”、“日期”、“桩号”、“施工总时间”、“水泥用量”、“备注”栏目划横线分隔。
记录员: 施工班组长: 专业工长(施工员): 项目专业质量检查员: 监理(建设)单位见证员:
……………………………………………………………精品资料推荐…………………………………………………
水泥土搅拌桩施工记录汇总表
Q/CSG表BJ3-14 编号:
内击式套管成孔灌注桩施工工艺试验记录表
Q/CSG表BJ3-15编号:
单位(子单位)工程名称: 施工总承包单位: 总承包单位项目经理: 桩型及规格: 桩机型号: 工程地点: 自然地面标高: m 桩基分包单位: 桩基工程施工负责人设计桩径: m 设计有效桩长: m 设计纵筋顶端标高: m
说明:工艺试验确定的主要施工参数涉及技术﹑质量﹑进度﹑投资等问题,五方质量责任主体均应参加。
记录员:施工班组长:专业工长(施工员):项目专业质量检查员:
内击式套管成孔灌注桩施工记录表
Q/CSG表BJ3-16编号:
记录员:施工班组长:专业工长(施工员):项目专业质量检查员:监理(建设)单位见证员:
锤击混凝土预制桩、钢桩施工工艺试验记录表
Q/CSG表BJ3-17编号:
单位(子单位)工程名称: 施工总承包单位: 总承包单位项目经理: 桩型及规格: 桩机型号: 工程地点: 自然地面标高: m 桩基分包单位: 桩基工程施工负责人设计桩径: m 设计有效桩长: m 设计纵筋顶端标高: m
说明:工艺试验确定的主要施工参数涉及技术﹑质量﹑进度﹑投资等问题,五方质量责任主体均应参加。
记录员:施工班组长:专业工长(施工员):项目专业质量检查员:
锤击混凝土预制桩、钢桩施工记录表
Q/CSG表BJ3-18编号:
记录员:施工班组长:专业工长(施工员):项目专业质量检查员:监理(建设)单位见证员:
静压混凝土预制桩、钢桩施工工艺试验记录表
Q/CSG表BJ3-19编号:
单位(子单位)工程名称: 施工总承包单位: 总承包单位项目经理: 桩型及规格: 桩机型号: 工程地点: 自然地面标高: m 桩基分包单位: 桩基工程施工负责人设计桩径: m 设计有效桩长: m 设计纵筋顶端标高: m
说明:工艺试验确定的主要施工参数涉及技术﹑质量﹑进度﹑投资等问题,五方质量责任主体均应参加。
记录员:施工班组长:专业工长(施工员):项目专业质量检查员:
静压混凝土预制桩、钢桩施工记录表
Q/CSG表BJ3-20编号:
记录员:施工班组长:专业工长(施工员):项目专业质量检查员:监理(建设)单位见证员:
……………………………………………………………精品资料推荐…………………………………………………
Q/CSG表BJ3-21编号:
……………………………………………………………精品资料推荐…………………………………………………
人工挖孔灌注桩资料汇总表
Q/CSG表BJ3-22编号:
资料员: 年月日第页,共页
……………………………………………………………精品资料推荐…………………………………………………
……………………………………………………………精品资料推荐…………………………………………………
……………………………………………………………精品资料推荐…………………………………………………
钻(冲)孔灌注桩施工资料汇总表
Q/CSG表BJ3-29编号:
资料员: 年月日第页,共页
……………………………………………………………精品资料推荐…………………………………………………
地基验槽(坑)检查记录
Q/CSG表BJ3-30 编号:
地基基坑(槽)回填施工检查记录
Q/CSG表BJ3-31编号:
地基处理记录
Q/CSG表BJ3-32 编号:
混凝土浇灌申请书
Q/CSG表BJ3-33 编号:
混凝土开盘鉴定表
Q/CSG表BJ3-34 编号:
混凝土拆模申请单
Q/CSG表BJ3-35 编号:
1、拆模时混凝土强度规定:当设计有要求时,应按设计要求;当设计无要求时,应按现行规范要求。
凝土搅拌质量记录表
Q/CSG表BJ3-36 编号:
混凝土坍落度检测记录表
Q/CSG表BJ3-37
编号:
专业工长(施工员):项目专业质量检查员:见证员:
混凝土养护情况记录表
大体积混凝土结构测温记录
大体积混凝土结构测温示意图
Q/CSG表BJ3-41编号:
砂浆配合比申请单
Q/CSG表BJ3-42 编号:
砂浆配合比通知单
Q/CSG表BJ3-42 编号:
砌筑砂浆试块强度统计、评定记录
编号:
Q/CSG表BJ3-43
混凝土生产水平统计评定表
Q/CSG表BJ3-44编号:
混凝土配合比申请单
Q/CSG表BJ3-45 编号:
混凝土配合比通知单
Q/CSG表BJ3-45 编号:
混凝土试块强度统计、评定记录
Q/CSG表BJ3-46编号:
混凝土(砂浆)试块试验报告汇总表
Q/CSG表BJ3-47 编号:
幕墙防雷接地电阻测试记录表
Q/CSG表BJ3-48 编号:
玻璃幕墙结构胶粘结剥离试验记录表
Q/CSG表BJ3-49编号:
密封胶、密封材料和衬垫材料检查验收记录表
Q/CSG表BJ3-50 编号:。