潜水泵烧坏的原因及排除方法
- 格式:pdf
- 大小:115.09 KB
- 文档页数:1
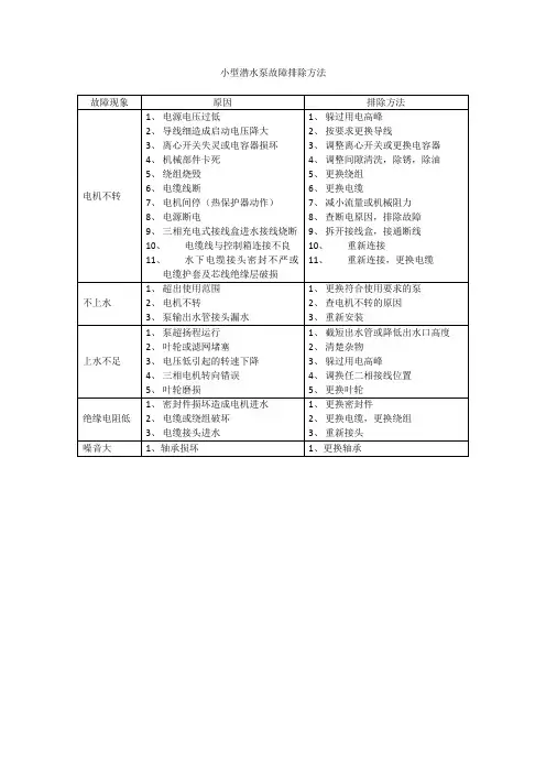
单相潜水泵的故障和解决办法故障现象原因分析排除方法一、启动电容器损坏:使用电压过低,电动机起动时间超过限度,电容器过度发热而爆破;电泵由于某种原因堵转,不能起动,造成电容器损坏排除方法:1. 更换电容器,如电容器爆破,内液外泄,则需清除干净 2. 确定电泵堵转原因并消除之,然后更换电容器并清除其外泄的内液离心开关损坏二、离心开关底板接触簧片断裂;底板接触簧片的上铆钉磨损或脱落,造成离心器上的胶木活络套与接触簧片相擦;离心器胶木活络套碎裂;接触簧片上动触头或底板上定触头脱落;离心开关上的触头由于经常拉弧氧化,致使触头接触不良或触电不通。
排除方法:1. 更换离心开关。
更换底板时拆开端盖和内盖即可。
更换离心器时须先用轴承拉脚把轴承与离心器支架拉掉,然后压入新的离心器2. 用金相砂纸轻轻擦触头上的氧化层,然后用酒精擦净热保护器损坏电泵过载发热导致热保护器动作,电泵因此断电冷却,稍后热保护器接通,电泵又进入过载运行过程,周而复始,约十几分钟一次,最终导致热保护器损坏,从而进一步使电机绕组烧坏及时查清电泵过载原因并清除之,然后检修或更换热保护器潜水电泵运转时振动并有噪音。
解决方法:1. 电动机或水泵的轴承磨损,使轴在轴承内摆动,或轴弯曲造成偏磨。
电流表读数增大,指针剧烈摆动2. 叶轮紧固螺母松动,叶轮和导流壳产生碰撞或摩擦3. 推力轴承磨损,使叶轮前盖板和导流壳发生摩擦,电流表指针剧烈摆动4. 电动机转子或电泵叶轮本身动平衡不合格5. 立即停机,吊出水泵更换轴承或调直转轴6. 停机,吊出水泵,拧紧叶轮螺母. 更换止推轴承或推力盘;叶轮磨损严重时同时更换叶轮7. 取出电机转子或叶轮进行动、静平衡测试,并加以处理直到平衡为止,然后重新安装。
怎样避开潜水泵电机烧毁潜水泵是一种常用的水泵类型,常见于农业、工业和家庭用途。
然而,潜水泵在长时间使用过程中,电机烧毁是一种常见故障,不仅造成设备损坏,还会对生产和生活带来严重影响。
为此,本文将介绍一些常见的潜水泵电机烧毁的原因,以及一些防备措施,帮忙用户避开潜水泵电机烧毁。
常见原因1. 转子卡住潜水泵电机烧毁的一个常见原因是转子卡住。
在长时间运行过程中,水中会显现较大杂质、沙子和泥土等物质,这些杂质能够进入潜水泵内部,阻拦转子运转。
此时,电机会显现过载烧毁故障。
2. 过载工作过载工作也是潜水泵电机烧毁的原因之一、过载工作意味着潜水泵工作负荷超过设计工况,导致电机过热甚至烧毁。
3. 泵体漏水潜水泵泵体漏水也是电机烧毁的原因之一、当泵体漏水时,水会流入电机内部,使得电机损坏。
避开方法为了避开潜水泵电机烧毁,以下是一些可行的方法。
1. 检查水质作为使用潜水泵用户,应当常常监测水质情况,防止杂质、沙子和泥土等物质进入潜水泵内部,卡住转子。
可以通过使用水龙头放清水进行洗涤和过滤,防止进入潜水泵内部。
2. 掌控使用条件为防止过载工作对电机的损害,应当避开潜水泵在超负荷条件下工作。
要掌控使用条件,避开由于输送介质温度过高或者物料粘度过大而导致过载。
3. 常常检查泵体定期检查泵体是否漏水,假如发觉漏水情况适时修复,避开水流入电机内部。
另外,也应当注意检查泵体密封情况是否良好,防止空气、泥沙进入系统影响正常使用。
4. 选购优质设备在购买潜水泵时,应当选择质量牢靠的设备,尤其是电机、轴承等关键部件。
一般来说,它们应当具有良好的耐高温性能,以防止过热和烧毁。
5. 停机后要适时清洗在停机之前,应当把泵中输送的物料清理干净,以便下次启动时不会对电机产生影响。
同时,也可以清洗一下泵体,避开污物对设备内部的损害。
结论作为常用的一种水泵设备,潜水泵电机烧毁是个比较常见的问题。
虽然电机烧毁的原因有很多,但是通过实行上述的防备措施,还是可以有效的避开烧毁的发生。
潜水泵烧坏的原因及解决方法潜水泵是用于水处理和输送的一种常见设备,但有时它们会发生故障。
其中一种故障就是潜水泵烧坏。
本文将分析潜水泵烧坏的原因,并供应相应的解决方法。
1. 潜水泵烧坏的原因1.1 过载潜水泵的绕组中放置着电线。
假如绕组中的电流超过了额定电流,就简单导致绕组发热。
长时间过载会导致油污泵系统的烧坏。
1.2 进水口处过于紊乱潜水泵的进水口中假如存在过多的异物,就会导致进水受阻,潜水泵需要承受更大的水压力。
这会导致潜水泵的工作效率下降以及过电流等问题,最后导致烧坏。
1.3 液位过低潜水泵需要确定的液位进行工作。
假如液位太低,潜水泵就会运行在干转状态,导致摩擦部件发热和烧坏。
1.4 停电后不适时关机停电后假如不适时关闭潜水泵,就会导致电机停止工作,但泵体内的冷却液由于泵变热,仍旧在循环,无法得到充分冷却,这也会导致烧坏。
2. 潜水泵烧坏的解决方法2.1 解决过载问题在设计系统时,必需保证设备的工作电流不会超过额定电流。
此外,对于电路来说,过流保护装置也是不可少的。
假如碰到超载情况,保险丝将自动断开电路。
2.2 保持进水口乾净防止污染物进入潜水泵的方法之一是在泵进口相近设置过滤器。
此外,使用泵前必需清理进口,并定期对过滤器进行清洗和更换维护。
2.3 检查液位在使用潜水泵时,必需保持水位处于必需的范围内。
假如水位太低,必需适时加水。
使用潜水泵时,确保液面高于泵的中心线2米以上,这样可以避开泵在干转状态下工作。
2.4 关机后立刻切断电源当停电或其他原因导致潜水泵停止工作时,机器需要适时关闭。
这是为了避开机器自行运转导致机器内部过热或其他问题。
假如停电时间很长,确集可以使用备用发电机日哦那个供电。
3. 总结本文总结了潜水泵烧坏的几种原因以及相应的解决方法。
在设计和使用潜水泵时,必需注意这些问题,以确保设备正常工作不出故障。
此外,在日常维护中做好清洗和保养是防备故障的关键。
/潜水泵三大故障分析及排除方法潜水泵三大故障分析及排除方法:由于潜水泵工作时环境与时间的因素,不免会产生某些故障,为了提高其工作效率,我们必须及时找出原因和排除潜水泵故障。
一、潜水泵运转有异常振动、不稳定潜水泵运转有异常振动、不稳定的主要原因及排除方法:1、水泵底座地脚螺栓未拧紧或松动。
(均匀拧紧所有地脚螺栓)2、出水管路没有加独立支撑,管道振动影响到水泵上。
(对水泵的出水管道设独立稳固的支撑,不让水泵的出水管法兰承重)3、叶轮质量不平衡甚至损坏或安装松动。
(修理或更换叶轮)4、水泵上下轴承损坏。
(更换水泵的上下轴承)二、潜水泵不出水或流量不足潜水泵在运行过程中常出现流量不足或不出水的主要原因及排除方法:1、水泵安装高度过高,使得叶轮浸没深度不够,导致水泵出水量下降。
(控制水泵安装标高的允许偏差,不可随意扩大)2、水泵转向相反。
(水泵试运转前先空转电动机,核对转向使之与水泵一致。
使用过程中出现上述情况应检查电源相序是否改变)3、出水阀门不能打开。
(检查阀门,并经常对阀门进行维护)4、出水管路不畅通或叶轮被堵。
(清理管路及叶轮的堵塞物,经常打捞蓄水池内杂物)5、水泵下端耐磨圈磨损严重或被杂物堵塞。
(更换下端耐磨圈,清理杂物)6、抽送液体密度过大或粘度过高。
(重新配备相匹配的泵类)7、叶轮脱落或损坏。
(重新安装或更换)8、多台水泵共用管路输出时,没有安装单向阀门或单向阀门密封不严。
(安装单向阀门和更换单向阀门密封)三、潜水泵启动时不转潜水泵不能启动的主要原因及排除方法:1、电源开关及插头接触不好。
(修复或更换)2、控制线路保险烧毁。
(更换保险)3、主回路保险烧毁。
(更换保险)4、二相潜水泵电容烧坏。
(更换电容)5、三相潜水泵缺相。
(接通断相电路)。
潜水泵是由异步电动机和水泵组成,广泛应用于农业排灌和工业供水行业。
有干式、油浸式、水冷等几种。
由于泵体长期潜入水中工作,再加上部分地区的水质不好、电网质量较差,维护经验不足,所以故障率较高,维修量也较大。
一、潜水泵常见故障1、漏电漏电是潜水泵最常见的故障,也是危害人身安全的最危险因素之一。
故障现象为合上闸刀时,变压器配电房中的漏电保护器便跳闸(如果没有漏电保护器会相当危险,会造成电机烧坏)。
这主要是由于潜水泵泵体内进水,造成潜水泵电机绕组的绝缘电阻降低,导致保护器动作。
此时用摇表或万用表的R×10kΩ挡,测电机绕组对外壳有一定的漏电阻。
水泵长期使用,造成机械密封端面严重磨损,水由此渗入,浸湿电机绕组形成漏电。
可将拆下的潜水泵电机放在烘房中,或用100-200W白炽灯泡烘干;测绝缘电阻无穷大,然后将机械密封换新,再将泵装好即可投入使用。
2、漏油潜水泵漏油主要是由于密封盒磨损严重,造成密封盒油室漏油或出线盒处密封不良所致。
密封盒油室漏油时,在进水节处可见油迹。
在进水节处有一个加油孔,拧下螺丝,观察油室是否进水。
若油室进水,则是密封不良,应更换密封盒,以防油室进水严重,渗入电机内。
若潜水泵电缆根部有油化现象,属于电机内漏油。
一般为密封胶塞密封不良或电机重绕后使用引线不合格造成的;有些是水泵接线板破裂造成的。
检查确定后,换合格新品即可。
并测量电机的绝缘程度,若绝缘不好应及时处理,同时将电机内的油换新。
3、通电后,叶轮不转通电后水泵有嗡嗡的交流声,叶轮不转。
切断电源,在进水口处拨动叶轮,若拨不动,说明转子被卡死。
可拆开水泵检查,是否转子下端轴承滚珠破碎导致卡死转子;若能拨动叶轮,但通电后叶轮却不转,故障原因可能是轴承严重磨损,通电时定子产生的磁性将转子吸住而不能转动。
更换轴承再组装水泵,拨动叶轮灵活,故障排除。
4、水泵出水无力、流量小取出水泵,检查转子转动灵活,通电转子能转。
拆开水泵检查发现,水泵下端轴与轴承之间松动,且转子下移,因此转子转动无力,输出功率小。
潜水泵使用过程中怎样避开电机烧毁1. 概述潜水泵是一种超静音、耐用且高效的泵,应用广泛,可用于家庭、农田和工业。
但在使用潜水泵时很简单显现电机烧毁的情况,造成不必要的损失。
本文将介绍潜水泵电机烧毁的原因及解决方法,认真阐述如何避开电机烧毁,确保潜水泵的正常运转。
2. 潜水泵电机烧毁的原因2.1 电压过高或过低潜水泵的电机需要特定的电压进行驱动,过高或过低的电压都会对电机造成损害。
电压过高,电机会受到过大的电流冲击,引发局部高温及烧毁现象;电压过低则会使电机电流不足,不能正常运转,长时间使用也会导致电机烧毁。
2.2 振动过大潜水泵安装时需要注意稳固,若固定不牢会使管道发出震动,导致潜水泵内部机件受损或产生裂纹,引起电机烧毁。
2.3 运行时间过长潜水泵在长时间运行过程中,电机内部产生的磨损和热量会加添电机的负担,使电机的寿命缩短。
当电机不断进行长时间连续运行时,简单烧毁或卡住。
2.4 海水进入电机潜水泵安装时应留意水源的纯洁性和电机的绝缘性。
若潜水泵电机处于大量含盐海水环境下,可能会显现海水渗入电机的情况,导致损坏。
2.5 声音异常假如潜水泵电机听起来异常刺耳或有明显的噪声,应当断电检查。
正常运行时,潜水泵应当有嗡嗡声响,但持续的哒哒声或其他异常声音可能是电机已受到损坏。
3. 如何避开潜水泵电机烧毁3.1 稳定电压为避开电压过高或过低,应使用稳定的电源来驱动潜水泵。
在发觉电压异常时应适时调整电源或更换电源,避开电机烧毁。
3.2 稳固安装安装潜水泵前,应认真检查管道和固定件是否坚固,确保不会产生任何震动和移动。
正确的安装固定位置也很关键,需要确保泵体与固定基础压实紧密。
3.3 合理使用使用潜水泵时应注意掌控运行时间,避开过长时间连续运行。
假如需要长时间使用潜水泵,可以考虑安装电子保护装置,防备烧毁。
3.4 保持清洁潜水泵应定期清洗和维护,特别是电机密封处和轴承处要始终保持清洁。
避开灰尘和沉淀物等杂质进入电机,为电机供应更好的工作环境。
潜水泵的五大故障原因及其分析潜水泵的五大故障原因及其分析潜水泵的五大故障原因及其分析一、深井潜水泵流量降低1、密封环严重磨损→更换密封环。
2、滤水网、导流壳、叶轮流道被堵塞→清除堵物3、电压、频率较低→停机待电压、频率达到规定值后再启动。
4、动水位下降超过水泵额定扬程→更换高扬程泵二、潜水泵不上水或出水不足1、动水位低于泵吸入口→增加输水管。
2、输水管漏水严重或水管脱开→更换输水管。
3、转子和轴松动→更换转子4、部分叶轮松动→重新装配叶轮。
5、电机反转→调换电源接头。
6、管路堵塞清除堵塞→清除堵塞。
三、深井潜水泵电机不能启动嗡嗡作响1、断相→检修线路或启动设备。
2、电压过低→调整电压。
3、轴承抱轴→修理轴及轴承。
4、叶轮密封环之间锈死等→撬动水泵旋转或拆下泵重装。
5、泵内有异物卡死叶轮不能转动→取出异物。
四、深井潜水泵机组剧烈震动或电流过大表指针摆动1、泵轴或电机轴弯曲→修理或更换泵轴或电机轴。
2、泵轴、电机轴和轴承磨损严重→更换轴承。
3、止推轴承磨损或损坏→更换止推轴承。
4、推力盘紧固螺母损坏→修好轴头,更换螺母。
5、推力盘破裂→更换推力盘。
6、电机转子扫膛→找出原因进行修理。
7、叶轮、转子不平衡或转子断条→重作动平衡或更换转子8、联接螺栓松动→上紧螺栓。
9、水泵低扬程大流量电机超载→加闸阀控制流量在工况点运行。
10、井水涌水量不够,间歇出水→加闸阀控制出水量。
五、深井潜水泵绝缘电阻过低绕组烧毁1、接头进水→修接头。
2、绕组破坏→包扎或更换绕组3、电缆破裂→包扎电缆。
4、电机内缺水→电机内保证灌满清水5、缺相运转→检查线路与设备。
6、长时间超载运转→降低负荷使电机电流不超过铭牌规定值。
7、电机埋入泥沙中→按安装要求安装电机。
井用潜水泵电机烧坏的原因厂家分析井用潜水泵电机烧坏的原因分析:
1、由于QJ型井用潜水泵使用时的扬程太低而泵的扬程高出实价工况扬程5米以上时会引起流量超大导致电流上升的现象,解决办法是关小泵出口阀门使其阻力加大降低出口流量控制电流。
2、潜水泵电机是需要整机被水淹没使用的,潜水电机散热主要靠水冷却如果电机漏出水面没有水冷却电机温度会急剧上升很容易导致电机烧毁的现象出现。
3、如果输送的液体是低于80度以内的热水,必须采用热水潜水泵热水潜水泵通常均是带不锈钢外套外接冷却水冷却的产品,使用时必须要外接自来水冷却,如果不接自来水冷却电机肯定会因为介质温度太高不能冷却电机导致电机烧毁。
4、由于QJ型井用潜水泵机械密封遭遇空转或者被液体腐蚀所值导致机械密封损坏,从而使其电机进水也会导致电机烧毁。
如果配套了相应漏水传感器配套控制柜使用可以避免。
没有这种配置建议定期维护保养潜水泵更换密封件。
5、由于电源线没有接触好等其他接触原因导致电机缺项也会烧毁电机。
潜水泵常见烧毁原因及故障分析潜水泵是一种将电动机与水泵结合在一起的设备,广泛应用于工农业生产和城市生活中的供水、排水等领域。
然而,由于潜水泵长期在水中工作,并且面临着恶劣的工作环境,所以会常常发生各种故障,其中烧毁是潜水泵最常见的故障之一。
以下将从常见烧毁原因和故障分析两个方面进行阐述。
一、常见烧毁原因:1. 过载工作:潜水泵设计有一个额定输入功率,如果负载过大,工作电流超过额定值,电动机就会过热,进而导致绕组烧毁。
2. 绝缘老化:潜水泵长期在水中工作,环境潮湿,容易造成电机绝缘老化,绝缘性能下降,从而发生漏电等问题,甚至引起短路,导致泵电机烧毁。
3. 进水管堵塞:潜水泵进水管堵塞会导致水泵无法正常供水,由于水泵无法正常运转,电机会长时间处于高温状态,最终导致电机烧毁。
4. 水温过高:水的温度过高会导致潜水泵工作时无法有效散热,水泵电机内部温度持续升高,进而烧毁。
5. 连接线路短路:潜水泵的电源接线不规范、短路等问题可能导致潜水泵电机烧毁。
二、故障分析:1. 过载工作分析:当潜水泵负载过大时,电机运行电流会超过额定电流。
此时,电机转子受到的电流过大,导致转子温度升高。
如果连续工作时间过长,转子温度将继续上升,电机绕组绝缘无法承受高温而烧毁。
2. 绝缘老化分析:潜水泵长期在水中工作,工作环境潮湿,绝缘材料容易老化。
水中的化学物质也会对绝缘材料产生腐蚀作用,使其绝缘性能下降。
当绝缘材料老化到一定程度时,电机内部发生漏电,造成电机烧毁。
3. 进水管堵塞分析:潜水泵进水管被异物堵塞后,水泵无法正常工作,电机长时间运行在空转状态下,温度持续升高,最终导致电机烧毁。
4. 水温过高分析:水温过高会导致水泵电机散热不良,内部温度升高。
当温度过高时,电机绕组的绝缘材料容易热老化,从而发生绝缘击穿和短路,导致电机烧毁。
5. 连接线路短路分析:潜水泵电源线连接不良或短路,会导致电机过载工作。
电机过载运行时,其温度会迅速升高,从而加速了电机的烧毁。
动力分厂炉定排潜水泵电机烧坏事故集团公司文件内部编码:(TTT-UUTT-MMYB-URTTY-ITTLTY-动力分厂“4·9”7#炉定排潜水泵电机烧坏事故一、事故经过:2014年04月09日15时,运行通知蓝巢电气专业人员,7号炉2号定排潜水泵无法正常启动,检修人员到现场测量电机绝缘为零,并测量3号泵电机绝缘也为零。
随后运行投入1号定排水泵运行,大约到10日13时左右1号定排水泵故障跳闸,经测量电机绝缘为零,电机烧坏。
经与运行及检修人员了解,此三台电机在04月09日之前正常运行,未发现运行工况变差的问题。
二、原因分析:(一)主要原因通过解体检查三台电机情况均为过热引起线圈烧坏。
此种潜水泵为常温水泵,不适应在温度高的水环境(定排水池水温一般都在60℃左右,有时水温控制不好时温度还要高)中使用,且此三台潜水泵电机之前烧毁过,由于技术条件限制,修复后的电机绝缘等级降为E级(最高允许温度120℃,绕组温升限值5K)。
定排潜水泵选型不当是此次异常的主要原因。
(二)次要原因1.动力区维护单位蓝巢项目部对屡次出现的设备事故不能有效解决,未能提出合理方案,造成设备同一原因再次损坏。
2.动力运行单位下花园项目部巡检不到位,对设备隐患未能引起足够重视,致使流沙等杂物落入排水坑,进入潜水泵冷却孔,最终导致设备损坏。
3.由于7号炉三台定排水泵还处于基建期,电源接至基建电源,其电压不稳定,电压高达420V(电机端电压宜控制在+5%至-5%内),对设备损坏造成一定影响。
三、防范措施:(一)进行设备技术改造,更换适合高温环境运行的潜水泵或改变排水泵的形式,更换为电机在水面以上的自吸泵。
(二)加快施工进度,敷设正式电源,电机运行在正常电压范围内。
(三)动力分厂对#7炉定排水泵进行整改,增加防护措施,保证水泵正常运行。
(四)在技改措施未落实之前,应加强巡检,当定排水温过高时注入凉水。
(五)提高检修人员业务能力,增强设备管理水平,及时发现设备隐患,提出合理解决方案。
水泵运行时电动机烧毁的原因及预防措施摘要:水泵是一种输送液体或者促使液体增压的机械,是生活中比较常用的设备。
电动机是水泵重要的组成部分,在水泵运行中,如果操作不当,会导致电动机出现过热烧毁的现象。
本文主要分析了水泵运行时电动机过热烧毁的原因,并提出了相应的预防措施。
关键词:水泵;电动机;烧毁;原因;预防措施引言潜水电泵在运行时,电动机有时会突然停止转动。
检查时,往往是定子绕组被烧毁。
其烧毁的原因可能是什么,又如何预防呢?(1)电动机长期超负荷运行,温度升高,导致电机绕组绝缘层逐渐老化而失效。
预防措施:降低水流量,不要抽含沙量大的水,电动机不要长期超负荷运行。
烧毁的电动机应更换。
(2)电动机轴承、止推轴承损坏或叶轮卡住未断开,导致定子电流突然增加,烧毁电动机绕组。
预防措施:注意正确操作电动机。
这种情况烧毁的电动机绕组应修复或更换。
(3)电缆线有一相断线,造成电动机两相制动。
预防措施:空架电缆线,电泵下水时不要使电缆线受力。
1水泵运行中电机烧毁的原因1.1电源方面的原因在水泵运用中,电压如果偏高或者偏低都会导致电动机出现烧毁的现象。
一是在特定的负载下,如果水泵运行的电压变动范围超过额定值的10%,或者是低于额定值的5%,都会造成电动机过热,并逐渐烧毁。
二是电源的三相电压如果不对称、不平衡,当其数值超过额定数值的5%时,也会引发绕组过热的现象,从而导致电动机烧毁。
三是水泵在运行中存在缺相运行的现象,也会导致电动机烧毁情况的出现。
经调查数据显示,在农用水泵运行中,85%电动机被烧毁的原因都是因为缺相运行而造成的。
1.2工作环境的原因除了上述3个原因以外,工作环境也会导致水泵电动机出现烧毁的现象。
在实际运用中,水泵电动机的绕组受潮或者积满灰尘、油污等会导致绝缘能力降低,从而引发电动机烧毁。
此外,水泵电动机工作的环境温度过高,超过35℃时进风的温度过高,从而使电动机的温度逐渐升高,导致水泵在运行中出现电动机烧毁的现象。
潜水泵易出现的故障以及解决方法
潜水泵因为在水下工作,因此不可能24小时能注意它运行的工况,即便是有时出现故障我们也不易发现(装了正规的控制柜或者控制设备除外)。
那么我们就潜水泵易出现的故障列举出来给大家分析一下,顺便备注上解决方法。
1、潜水泵填料过热
多因填料压得太紧,冷却水进不到填料内,或轴表面损坏。
可采取适当放松填料、清理封管堵塞等措施。
填料磨损必须更换新的。
安装前在机油内浸透,逐圈装入,切口要错开,这样可减少漏水。
最后一圈填料装好后,要装紧压盖,运转时再调整松紧度。
(苏华泵业,关注微信公众号suhuapump)
2、水泵不吸水或不排水
其原因多为底阀卡死,滤水部分淤塞,吸水高度太高或吸水漏气,也可能因转向不对,叶轮流道堵塞等。
通过逐一检查后,可分别采取修理底阀、清除淤塞物、纠正转向、清洗叶轮等措施处理。
(苏华泵业,关注微信公众号suhuapump)
3、潜水泵剧烈振动
可能电动转子不平衡,或联轴器结合不良,轴承磨损弯曲;也可能转动部分零件松动、破裂;也许是因管路支架不牢固等。
可分别采取调整、修理、加固、更换等办法处理。
(苏华泵业,关注微信公众号suhuapump)
管路漏水或漏气。
(苏华泵业,关注微信公众号suhuapump)。
为什么你的水泵经常烧电机?别老花冤枉钱之前发表过一篇文章《为什么压力罐可以延长水泵的使用寿命?》引起了热烈讨论,主要集中在两方面:一是:胡说!压力罐里面是空的,哪有什么隔膜,这个我就懒得讲了。
二是:胡说!用了气压罐,水泵电机更容易烧!这个就得研究一下,锅可以随便甩,但是没人愿意随便背啊!今天就来研究一下水泵烧机的原因有哪些因素,然后再着重阐述一下配气压罐的水泵维护问题。
1、首先先搞清楚电机烧是烧了轴承(机械故障)还是烧了线圈(电气故障)电气故障包括:定子和转子绕组的短路、断路、及启动设备故障;机械故障包括:振动过大、轴承过热、定子与转子相互摩擦及有不正常噪音等,如果是烧线圈的故障,主要是由于过电流引起的,有时候电压过高或过低也会引起线圈发热短路,所以先检查运行时的电压是不是和额定电压差太多。
水泵电机线圈烧了水泵电面过电流短路,可能有以下几个原因:1)设备超负荷运行,使电机长时间在额定电流或超额定电流运行。
特别要注意的是,电机的启动电流是额定电流的3-5倍,所以应当尽量避免启动设备时带负荷或满负荷运行(主要要看电机的额定电流和正常运行电流的匹配余量)2)电机在较潮湿的工作环境工作。
在电机启动前应当检查线圈的对地绝缘和相间绝缘,不同使用电压等级绝缘要求也不同,可以参照有关国家标准检查。
在电机的运行过程中应当注意电机的防水防潮。
3)泵机的机械故障引起电机过负荷,电流过大而烧线圈。
4)电机的散热出问题。
一般电机线圈都采用风冷外壳,潜水泵是水冷外壳。
大型电机多采用空-空换热器、空-水换热器冷却。
如果断了冷却水(空气),使线圈无法散热,都可能烧毁线圈。
机械密封烧毁图2、实际使用扬程低于或者高于泵铭牌扬程太多离心泵的扬程是用来克服高度和阻力的,高扬程的泵在高扬程点工作时他的流量是设计点的流量,如果在低扬程工作时,相当于泵的出口阻力减小,这时离心泵的流量就会增加,电机就会超负荷,超到一定程度就会烧毁电机。
例如一台给水泵的扬程为50米,流量为50立方米/小时,当它往50米高处给水的时,它的流量是50立方米/小时,当它往40米高处给水时,它的高度和阻力降低了它的流量可能达到80-90立方米/小时以上,这时电机就会发热或烧毁。
潜水泵的常见故障及原因排除水泵出现问题时应先检视电源供电情况:1丶接头连接是否牢靠2丶开关接触是否缜密3丶保险丝是否熔断4丶三相供电的是否缺相若有断路、接触不良、保险丝熔断、缺相,应查明原因并及时进行修理。
无上述状况,检视是否是水泵自身的机械故障。
问题一:水泵工作时电机过载一般电机都有一个额定的运行功率,称之为额定功率,单位为瓦特(W)或千瓦(kW)。
如果在某种情况下,使电机的实际运行功率超过水泵的配套额定功率,则这种情况称为电机过载。
电机过载有以下几种表现形式:1、电机发热量过大;2、电机转速下降,甚至下降达到转速为零,表现为电机不转动;3、电机有嗡嗡的低鸣声,同时伴有较大的振动;4、电机负载剧烈变化,会出现电机转速忽高忽低的情况。
问题原因及解决方法一览问题二:水泵运转时三相电机缺相三相电机在运转时必须由三根电缆线提供驱动电源,才能达到三相平衡运转;如果由两根电源线提供电源也能够运转,但运转时间加长会导致电机因缺相烧毁电机。
判别电机缺相方法:1、采用万能表测量三根电源线的电压,是否一相没压降;2、查看三根电源线内的铜丝,是否其中两根电源线发黑,一根电源线的铜丝没有发黑保持原样;3、打开电机腔,一般情况下三相电机的两相会烧毁,另一相保持原样。
问题原因及解决方法一览问题三:水泵电机突然电源跳闸如果所配套的电源保护器与水泵电机是吻合的,在正常情况下,保护器是不会跳闸的。
保护器跳闸的主要原因有:1、水泵电机过载;2、水泵电机温升过高;3、水泵电机运转电流过大;4、水泵所配套的电源电压过高。
问题原因及解决方法一览问题四:水泵电机进水了在一般情况下,水泵电机是不允许进水的(水浸泵例外)。
电机进水有以下几种情况:1、防水电缆破损进水;2、水泵电机电源线接线没有密封好进水;3、水泵电机进线处密封结构损坏进水;4、水泵机械密封损坏进水;5、水泵O型密封圈损坏进水;6、密封处螺栓没有拧紧导致电机进水;7、水泵零件损坏渗水。
潜水泵烧坏的原因及排除方法
潜水泵烧坏的原因及排除方法
1、接地线接错电源。
潜水泵的电缆线中有四芯,注意不能把接地线当成电源线接错。
2、潜水泵机械密封损害而漏水。
经常用兆欧表检查潜水泵的绝缘电阻,发生绝缘电阻降低时及时采取维修措施,就不会发生电机烧坏。
3、电缆线破损后进水。
要经常检查潜水泵的绝缘电阻。
4、叶轮卡住。
叶轮卡住转不动时,电流比额定值增大,时间久了,潜水泵的定子绕组很快就会烧掉。
5、定子绕组两端碰外壳、绕组对地击穿。
6、潜水泵“开”、“停”过于频繁。
7、潜水泵脱水运行时间过长。
潜水泵脱水运转时间只能在1分钟时间左右,时间一长,电泵由于散热不良而温度升高。
8、缺相工作。
缺相工作时,潜水泵一般处在制动状态,电流比额定值大的多,此时潜水泵的绕组的温度升高,时间长了,会烧坏定子绕组。