徐工130t汽车吊性能参数表
- 格式:doc
- 大小:1.22 MB
- 文档页数:7
8—500吨汽车吊性能参数表8吨汽车起重机性能表 (2)20吨汽车吊机额定性能表 (3)25吨汽车起重机起重性能表(主臂) (4)30吨汽车起重机性能表(一) (6)50吨汽车起重机性能表(主表) (8)80吨汽车起重机起重性能表(一) (10)Ioot汽车吊性能表 (12)120吨汽车起重机起重性能表 (13)150吨汽车起重机性能表(一) (14)150吨汽车起重机性能表(二) (15)16Ot汽车吊性能表 (16)200吨汽车吊车 (17)260吨吊车性能表 (18)LTMI300/1-3Oot全液压汽车吊机 (19)LTMI500-5Oot全液压汽车吊机 (21)LTMI500-50Ot全液压汽车吊机 (22)8吨汽车起重机性能表20吨汽车吊机额定性能表以下匸况仅供参考,实际请与木公司业务员联系!25吨汽车起重机起重性能表(主臂)以下工况仅供参考,实际请与本公司业务员联系!(注:本表内红字及红字以上栏目的数字为吊臂强度所决定,其下面栏目数字为倾翻力矩决定)25吨汽车起重机起重性能表(副臂)30吨汽车起重机性能表(一)以下匸况仅供参考.实际请与木公司业务员联系!30吨汽车起重机性能表(二)2、使用副臂吊装时,主臂的角度不得大于45,否则将倾翻50吨汽车起重机性能表(主表)以下匸况仅供参考.实际请与木公司业务员联系!50吨汽车起重机性能表(副臂)80吨汽车起重机起重性能表(一)以下匸况仅供参考.实际请与木公司业务员联系!80吨汽车起重机起重性能表(二)IOOt汽车吊性能表ImT汽车吊车性能表120吨汽车起重机起重性能表以下匸况仅供参考.实际请与木公司业务员联系!(160t汽车吊性能表I60T;UHtt⅜200吨汽车吊车200吨汽车吊车性能表260吨吊车性能表LTM1300∕l-300t全液压汽车吊机LTM1300∕l-300t全液压汽〒•吊机主臂额定性能表:支腿开距=X、旋转角度=360°、标准配重=o以下工况仅供参考,实际请与本公司业务员联系!5% 0837873凶66h158J i 47E 38⅛31N252220怡50550005 55 5 5 • • • • ・・。
汽车吊性能参数表(徐)8--500吨汽车吊性能参数表8吨汽车起重机性能表220吨汽车吊机额定性能表325吨汽车起重机起重性能表(主臂)430吨汽车起重机性能表(一)550吨汽车起重机性能表(主表)680吨汽车起重机起重性能表(一)8100t汽车吊性能表10120吨汽车起重机起重性能表10150吨汽车起重机性能表(一)11150吨汽车起重机性能表(二)11160t汽车吊性能表13200吨汽车吊车14260吨吊车性能表14LTM1300/1-300t全液压汽车吊机14LTM1500-500t全液压汽车吊机15LTM1500-500t全液压汽车吊机168吨汽车起重机性能表主要技术参数吊臂吊臂吊臂吊臂参数名称参数工作半径(m)起升高度(m)起重量(t)工作半径(m)起升高度(m)起重量(t)工作半径(m)起升高度(m)起重量(t)工作半径(m)起升高度(m)起重量(t)全车总重最大爬坡能力22%吊臂最大仰角吊臂全伸时长度吊臂全缩时长度最大提升高度最小工作半径最小转弯半径20吨汽车吊机额定性能表以下工况仅供参考,实际请与本公司业务员联系!主臂长度(m)主臂+付臂回转半径(m)20 ————————————————————————————————————————————————————1010——————9 9 ——————5 ———————— 4———————————————————————————— 1————————————————————————————————————————————————————25吨汽车起重机起重性能表(主臂)以下工况仅供参考,实际请与本公司业务员联系!吊臂长度(m)工作半径(m)325418576711 7710 788 597 610 612 414 3 316182022 1 12426282930(注:本表内红字及红字以上栏目的数字为吊臂强度所决定,其下面栏目数字为倾翻力矩决定)25吨汽车起重机起重性能表(副臂)主臂主角副臂倾角5度副臂倾角30度80度75度70度65度60度55度50度30吨汽车起重机性能表(一)以下工况仅供参考,实际请与本公司业务员联系!主要技术参数主臂起重性能工作半径(m)支腿全伸不用支腿名称参数全车总重32.2t 20.00 最大爬坡能力31%最大提升高度吊臂全伸时长度吊臂全缩时长度最小转弯半径最大仰角80°30t吊钩重12t吊钩重4t吊钩重10m吊臂时钢丝绳数8根10-17m时钢丝绳数5根24m时钢丝绳数4根31m时钢丝绳数3根(注:本表内红字及红字以上栏目的数字为吊臂强度所决定,其下面栏目数字为倾翻力矩决定)30吨汽车起重机性能表(二)吊臂角度工作半径使用副臂倾角5°吊臂角度工作半径使用副臂倾角5°80°80°78.5°77°78°76°76°74°74°72°72°70°70°68°68°66°66°64°64°62°62°60°60°58°58°55°55°54°54°52°52°50°50°48°48°注:1、若副臂在工作位置,但仍用主臂吊装,主臂的起重性能应相应的减去1.4t2、使用副臂吊装时,主臂的角度不得大于45,否则将倾翻50吨汽车起重机性能表(主表)以下工况仅供参考,实际请与本公司业务员联系!不支第五支腿,吊臂位于起重机前方或后方;支起第五支腿,吊臂位于侧方、后方、前方工作半径(m)主臂长度(m)各臂伸缩率(%)二0 100 100 100 100 三0 0 33 66 100 四0 0 33 66 100 五0 0 33 66 100钢丝绳倍率12 8 5 4 3吊钩重量(注:本表内红字及红字以上栏目的数字为吊臂强度所决定,其下面栏目数字为倾翻力矩决定)50吨汽车起重机性能表(副臂)吊臂位于起重机侧方或后方主臂仰角(°)吊臂长度(m)40.10+5.10 主臂+副臂40.10+9.00主臂+副臂40.10+16.10主臂+副臂0°20°0°20°0°20°78757270656055各节臂伸缩率(%) 二100 三四五钢丝绳倍率 1吊钩重量80吨汽车起重机起重性能表(一)以下工况仅供参考,实际请与本公司业务员联系!主臂起重性能表工作半径(m)吊臂长度(支腿全伸)吊臂长度(不伸支腿)80吨汽车起重机起重性能表(二)主要技术参数副臂起重性能主臂仰角支腿全伸在两侧或后部吊装名称 参数 44m 主臂+副臂5°夹角 44m 主臂+15m 副臂5°夹角 工作半径(m)起重性能(t)工作半径(m)起重性能(t)全车总重 81.3° 主臂全伸时长度80.4°主臂全缩时长度 80.1° 最大仰角 82° 78.6° 最大爬坡能力 16%75.2°最小转弯半径 15.40% 70.8°最大提升高度66.0° 80t 主吊钩重 1t 63.8° 80t 辅助吊钩重 58.0°6t 副吊钩重55.4°100t汽车吊性能表120吨汽车起重机起重性能表以下工况仅供参考,实际请与本公司业务员联系!主臂长度(m)工作半径(m)3120 11110710292495 94 88 81 6986827566579 76 70 62 516666662554940756 56 55 49 38 3284847444032942 4010371228141516191815202224102698288 830732 6 6343638440 442444648 2 2505254150吨汽车起重机性能表(一)以下工况仅供参考,实际请与本公司业务员联系!主臂360° 75%起重性能吊臂长度(m)工作半径(m)140(注:本表内红字及红字以上栏目的数字为吊臂强度所决定,其下面栏目数字为倾翻力矩决定)150吨汽车起重机性能表(二)吊臂回转至后部及两侧时吊装性能吊臂长度 (m)工作半径(m)(注:本表内红字及红字以上栏目的数字为吊臂强度所决定,其下面栏目数字为倾翻力矩决定)160t汽车吊性能表200吨汽车吊车260吨吊车性能表LTM1300/1-300t全液压汽车吊机LTM1300/1-300t全液压汽车吊机主臂额定性能表:支腿开距×、旋转角度=360°、标准配重。
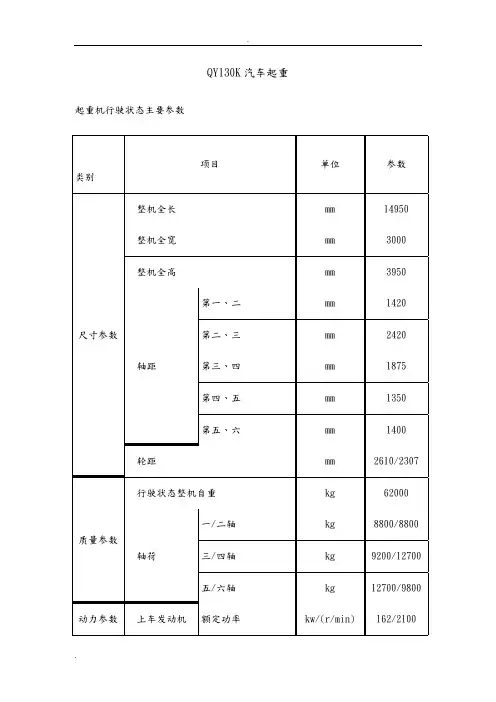
QY130K汽车起重起重机行驶状态主要参数
起重机作业状态主要参数
项目单位参数
QY100K汽车起重机
主要技术参数
起重机行驶状态主要参数
项目单位参数类别
尺寸参数整机全长mm 15230
起重机作业状态主要参数
项目单位参数
QY80K汽车起重机主要技术参数
起重机行驶状态主要参数
起重机作业状态主要参数
项目单位参数类别
性能参数最大额定总起重量t 80
QY70K汽车起重机
主要技术参数
起重机行驶状态主要参数
起重机作业状态主要参数
QY65K汽车起重机
主要技术参数
起重机行驶状态主要参数
起重机作业状态主要参数
QY50K汽车起重机
主要技术参数
起重机行驶状态主要参数
起重机作业状态主要参数
QY25E汽车起重机起重机行驶状态主要参数
起重机作业状态主要参数
QY20汽车起重机主要技术参数
起重机行驶状态主要参数
类别项目单位参数
起重机作业状态主要参数
QY16K汽车起重机主要技术参数
起重机行驶状态主要参数
类别项目单位参数
起重机作业状态主要参数。
吊车性能表(详细)目录8吨汽车吊详细性能表/参数表 ....................................... 20吨汽车吊详细性能表/参数表.......................................... 25吨汽车吊详细性能表/参数表.......................................... 30吨汽车吊详细性能表/参数表.......................................... 50吨汽车吊详细性能表/参数表.......................................... 80吨汽车吊详细性能表/参数表.......................................... 120吨汽车吊详细性能表/参数表......................................... 150吨汽车吊详细性能表/参数表.........................................以下具体型号的吊车性能表(参数相对比较简单)目录8T加腾汽车吊 ........................................................ 16T加腾汽车吊(7.2M付杆允吊2T)..................................... 20T长江汽车吊 ....................................................... 25T多田野汽车吊...................................................... 25T越野汽车吊(美产)................................................ 30T加腾汽车吊 ....................................................... 40T加腾汽车吊 ....................................................... 45T加腾汽车吊 ....................................................... QY50全液压汽车起重机(徐州工程机械股份有限公司)清江石化厂自备车................................................................... 50T多田野汽车吊(国内组装)............................................ 50T多田野汽车吊...................................................... 50T越野汽车吊(日产)............................................... 60T加腾汽车吊 ....................................................... 80T加腾汽车吊 .......................................................80T越野汽车吊(美产)................................................ 100T多田野汽车吊..................................................... 120加腾汽车吊 ....................................................... 125T汽车吊(日产神户、格构式扒杆、28T配重)......................... 130T多田野汽车吊(19T配重)......................................... 150T越野汽车吊(美产)............................................... 150T履带吊(日产5170A型、格构式扒杆)............................... 160T克虏伯越野汽车吊(45T配重、360°范围、8.575*8.2) .............. 200T克虏伯越野汽车吊(60T配重、8。
8吨汽车起重机性能表2之迟辟智美创作20吨汽车吊机额定性能表325吨汽车起重机起重性能表(主臂)430吨汽车起重机性能表(一)650吨汽车起重机性能表(主表)880吨汽车起重机起重性能表(一)10100t汽车吊性能表12120吨汽车起重机起重性能表14150吨汽车起重机性能表(一)15150吨汽车起重机性能表(二)16160t汽车吊性能表17200吨汽车吊车18260吨吊车性能表19LTM1300/1-300t全液压汽车吊机20LTM1500-500t全液压汽车吊机23LTM1500-500t全液压汽车吊机248吨汽车起重机性能表以下工况仅供参考,实际请与本公司业务员联系!20吨汽车吊机额定性能表以下工况仅供参考,实际请与本公司业务员联系!25吨汽车起重机起重性能表(主臂)以下工况仅供参考,实际请与本公司业务员联系!(注:本表内红字及红字以上栏目的数字为吊臂强度所决定,其下面栏目数字为倾翻力矩决定)25吨汽车起重机起重性能表(副臂)30吨汽车起重机性能表(一)以下工况仅供参考,实际请与本公司业务员联系!(注:本表内红字及红字以上栏目的数字为吊臂强度所决定,其下面栏目数字为倾翻力矩决定)30吨汽车起重机性能表(二)注:1、若副臂在工作位置,但仍用主臂吊装,主臂的起重性能应相应的减去1.4t 2、使用副臂吊装时,主臂的角度不得年夜于45,否则将倾翻50吨汽车起重机性能表(主表)以下工况仅供参考,实际请与本公司业务员联系!(注:本表内红字及红字以上栏目的数字为吊臂强度所决定,其下面栏目数字为倾翻力矩决定)50吨汽车起重机性能表(副臂)80吨汽车起重机起重性能表(一)以下工况仅供参考,实际请与本公司业务员联系!80吨汽车起重机起重性能表(二)100t汽车吊性能表120吨汽车起重机起重性能表以下工况仅供参考,实际请与本公司业务员联系!150吨汽车起重机性能表(一)以下工况仅供参考,实际请与本公司业务员联系!(注:本表内红字及红字以上栏目的数字为吊臂强度所决定,其下面栏目数字为倾翻力矩决定)150吨汽车起重机性能表(二)200吨汽车吊车LTM1300/1-300t全液压汽车吊机LTM1300/1-300t全液压汽车吊机主臂额定性能表:支腿开距×、旋转角度=360°、标准配重以下工况仅供参考,实际请与本公司业务员联系!LTM1500-500t全液压汽车吊机主臂额定性能表1:支腿开距=10×9.6m、旋转角度=360°、标准配重=135t.以下工况仅供参考,实际请与本公司业务员联系!LTM1500-500t全液压汽车吊机主臂额定性能表2:支腿开距=10×9.6m、旋转角度=360°、标准配重=135t.。
徐工汽车起重机技术规格大全本文将详细介绍徐工汽车起重机的技术规格。
徐工汽车起重机系列旨在满足各种起重需求,具有出色的性能和可靠性。
以下是徐工汽车起重机的具体技术规格。
1. 主要参数以下是徐工汽车起重机的主要参数:•起重量:从5吨到160吨;•工作半径:从3.5米到56米;•最大起升高度:从36米到82米。
2. 发动机性能徐工汽车起重机配备了高性能的发动机,以确保良好的动力和可靠性。
以下是几种常见的发动机性能参数:•最大功率:根据不同型号而有所不同,从100kW到300kW;•最大扭矩:根据不同型号而有所不同,从550Nm到1800Nm;•排量:根据不同型号而有所不同,从4.5L到12L。
3. 升降机构徐工汽车起重机的升降机构采用专业设计,具有良好的稳定性和安全性。
以下是升降机构的一些参数:•升降速度:根据不同型号而有所不同,从0.7m/s到1.5m/s;•最大起升重量:根据不同型号而有所不同,从5吨到160吨;•起升机构形式:液压式。
4. 转动机构徐工汽车起重机的转动机构采用现代化技术,确保平稳转动和精准定位。
以下是转动机构的一些参数:•转速范围:从0.8rpm到2.5rpm;•最大承载力:从6吨到25吨;•转动方式:液压旋转。
5. 底盘和变速器徐工汽车起重机的底盘和变速器经过精心设计,以提供稳定的行驶性能和灵活的操作。
以下是底盘和变速器的一些参数:•底盘类型:整车钢板焊接形式;•变速器类型:手动或自动。
6. 操纵性和安全性徐工汽车起重机注重操纵性和安全性,以确保操作人员的安全和提升工作效率。
以下是相关参数:•操纵系统:液压系统;•操作台:宽敞、人性化设计;•安全装置:重载保护、限位保护、风速报警等。
7. 其他特点除了上述主要技术规格外,徐工汽车起重机还具有其他特点,如:•车载式设计,方便运输和移动;•高效的液压系统,提供精确控制;•可选配件和附件,以满足不同用户需求。
结论徐工汽车起重机是一款功能强大的起重设备,具有出色的性能和可靠性。
8--500吨汽车吊性能参数表欧阳家百(2021.03.07)8吨汽车起重机性能表220吨汽车吊机额定性能表325吨汽车起重机起重性能表(主臂)430吨汽车起重机性能表(一)650吨汽车起重机性能表(主表)880吨汽车起重机起重性能表(一)10100t汽车吊性能表12120吨汽车起重机起重性能表13150吨汽车起重机性能表(一)14150吨汽车起重机性能表(二)15160t汽车吊性能表16200吨汽车吊车17260吨吊车性能表18LTM1300/1-300t全液压汽车吊机19LTM1500-500t全液压汽车吊机21LTM1500-500t全液压汽车吊机228吨汽车起重机性能表主要技术参数 6.95m吊臂8.50m吊臂10.15m吊臂11.70m吊臂参数名称参数工作半径(m)起升高度(m)起重量(t)工作半径(m)起升高度(m)起重量(t)工作半径(m)起升高度(m)起重量(t)工作半径(m)起升高度(m)起重量(t)20吨汽车吊机额定性能表以下工况仅供参考,实际请与本公司业务员联系!25吨汽车起重机起重性能表(主臂)以下工况仅供参考,实际请与本公司业务员联系!(注:本表内红字及红字以上栏目的数字为吊臂强度所决定,其下面栏目数字为倾翻力矩决定)25吨汽车起重机起重性能表(副臂)55度 1.3 1.050度 1.05 0.830吨汽车起重机性能表(一)以下工况仅供参考,实际请与本公司业务员联系!主要技术参数主臂起重性能工作半径(m)支腿全伸不用支腿名称参数10.00m17.00m24.00m31.00m10.00m 全车总重32.2t 3.0030.00 20.00 8.00 最大爬坡能力31% 3.3530.00 20.00 7.00最大提升高度34.00m 3.5028.10 20.00 6.40吊臂全伸时长度31.00m 4.0024.20 20.00 5.10 吊臂全缩时长度10.00m 4.5021.40 20.00 13.00 4.20 最小转弯半径11.50m 4.820.00 20.00 13.00 3.70 最大仰角80° 5.019.20 19.20 13.00 3.40 30t吊钩重0.35t 5.517.50 17.50 13.00 2.80 12t吊钩重0.20t 6.016.00 16.00 13.00 2.30 4t吊钩重0.10t 6.514.60 14.60 13.00 9.00 1.90 10m吊臂时钢丝绳数8根7.013.50 13.50 12.00 9.00 1.60 10-17m时钢丝绳数5根7.512.00 12.00 11.20 9.00 1.30 24m时钢丝绳数4根8.010.50 10.50 10.50 9.00 1.00 31m时钢丝绳数3根8.59.40 9.40 9.009.87.20 7.20 7.7010.0 6.95 6.95 7.5011.0 5.80 5.80 6.4012.0 4.90 4.90 5.5514.0 3.45 3.45 4.2016.0 2.50 3.2018.0 1.80 2.4520.0 1.30 1.9022.00.85 1.5024.0 1.1026.00.7527.00.65(注:本表内红字及红字以上栏目的数字为吊臂强度所决定,其下面栏目数字为倾翻力矩决定)30吨汽车起重机性能表(二)吊臂角度工作半径使用8.45m 副臂倾角5°吊臂角度工作半径使用13.5m副臂倾角5°80°7.9 4.00 80°9.3 2.5078.5°9.5 4.00 77°12.0 2.5078°10.2 3.80 76°12.7 2.3576°11.2 3.30 74°14.1 2.1074°12.2 2.90 72°15.6 1.9572°13.4 2.70 70°17.1 1.8070°14.6 2.50 68°18.5 1.6568°16.0 2.35 66°19.9 1.5066°17.3 2.20 64°21.3 1.4064°18.5 2.10 62°22.7 1.3062°19.8 2.05 60°24.0 1.2060°20.7 1.85 58°25.3 1.1558°21.9 1.65 55°27.1 1.0555°23.6 1.30 54°27.70.9554°24.1 1.15 52°28.80.8052°25.00.95 50°29.90.6550°25.80.75 48°30.90.5548°26.80.60注:1、若副臂在工作位置,但仍用主臂吊装,主臂的起重性能应相应的减去1.4t 2、使用副臂吊装时,主臂的角度不得大于45,否则将倾翻50吨汽车起重机性能表(主表)以下工况仅供参考,实际请与本公司业务员联系!不支第五支腿,吊臂位于起重机前方或后方;支起第五支腿,吊臂位于侧方、后方、前方工作半径(m)主臂长度(m)10.7018.0025.4032.7540.103.050.003.543.004.038.004.534.005.030.0024.705.528.0023.506.024.00 22.20 16.306.521.0020.0015.007.018.50 18.00 14.10 10.208.014.5014.0012.409.207.509.011.50 11.20 11.10 8.30 6.5010.09.2010.007.50 6.00 12.0 6.40 7.50 6.80 5.20 14.0 5.10 5.70 4.60 16.0 4.00 4.70 3.90 18.0 3.10 3.70 3.30 20.0 2.20 2.90 2.90 22.0 1.60 2.30 2.40 24.0 1.80 2.00 26.0 1.40 1.50 28.0 1.20 30.00.90各臂伸缩率(%)二0 100 100 100 100 三0 0 33 66 100 四0 0 33 66 100 五0 0 33 66 100钢丝绳倍率12 8 5 4 3吊钩重量0.515 0.215(注:本表内红字及红字以上栏目的数字为吊臂强度所决定,其下面栏目数字为倾翻力矩决定)50吨汽车起重机性能表(副臂)吊臂位于起重机侧方或后方主臂仰角(°)吊臂长度(m)40.10+5.10主臂+副臂40.10+9.00主臂+副臂40.10+16.10主臂+副臂0°20°0°20°0°20°78 4.0 3.6 3.2 1.9 1.5 0.8 75 3.8 3.2 3.0 1.8 1.30.8 72 3.2 2.9 2.8 1.7 1.2 0.7 70 3.0 2.5 2.5 1.6 1.20.6 65 2.5 2.0 2.0 1.4 1.1 0.5 60 1.9 1.6 1.5 1.00.80.5 55 1.4 0.8 1.0 0.6 0.6 0.4各节臂伸缩率(%) 二100 三四五钢丝绳倍率 1 吊钩重量0.180吨汽车起重机起重性能表(一)以下工况仅供参考,实际请与本公司业务员联系!主臂起重性能表工作半径(m)吊臂长度(支腿全伸)吊臂长度(不伸支腿)12.0m 18.0m 24.0m 30.0m 36.0m 40.0m 44.0m 12.0m 2.5 80.0 45.0 15.0 3.0 80.0 45.0 35.0 15.0 3.5 80.0 45.0 35.0 15.0 4.0 70.0 45.0 35.0 11.7 4.5 62.0 45.0 35.0 27.0 9.5 5.0 56.0 40.0 32.0 27.0 8.0 5.5 50.0 37.0 29.2 27.0 22.0 6.8 6.0 45.0 34.3 27.2 25.0 22.0 5.8 6.5 39.4 31.5 25.3 23.2 22.0 18.0 5.0 7.0 35.6 29.1 23.7 21.5 20.3 18.0 4.3 8.0 27.8 25.4 21.0 18.8 17.7 15.7 12.0 3.2 9.5 20.8 20.8 17.8 15.7 14.6 13.2 12.0 2.0 10.0 19.219.2 17.0 15.0 13.8 12.6 11.4 1.711.0 16.5 15.6 13.5 12.4 11.4 10.4 11.8 14.7 14.7 12.6 11.4 10.6 9.7 12.0 14.2 14.2 12.4 11.2 10.4 9.5 13.0 12.5 12.5 11.3 10.2 9.3 8.8 14.6 10.0 10.0 10.0 9.0 8.5 7.8 15.0 9.49.4 9.4 8.7 8.2 7.6 16.0 8.1 8.1 8.1 7.7 7.1 17.8 6.2 6.2 6.2 6.8 6.3 20.0 4.54.5 4.55.1 5.6 22.0 3.4 3.4 4.0 4.4 23.0 3.03.0 3.5 3.9 26.0 1.72.2 2.6 27.0 1.9 2.2 28.0 1.6 1.9 30.0 1.01.3 31.01.180吨汽车起重机起重性能表(二)主要技术参数 副臂起重性能主臂仰角支腿全伸在两侧或后部吊装名称参数44m 主臂+9.5m 副臂5°夹角 44m 主臂+15m 副臂5°夹角 工作半径(m)起重性能(t)工作半径(m)起重性能(t)全车总重 63.00t 81.3° 10.0 6.00 11.5 4.00 主臂全伸时长度 44.00m 80.4°11.0 6.00 12.6 4.00 主臂全缩时12.00m 80.1°11.35.9013.04.00长度最大仰角82°78.6°13.0 5.20 14.6 3.75最大爬坡能力16% 75.2°16.0 4.40 18.2 3.05最小转弯半径15.40% 70.8°20.0 3.60 22.5 2.55最大提升高度58.50m 66.0°24.0 3.00 27.2 2.1080t主吊钩重1t 63.8°26.0 2.7529.1 2.0580t辅助吊钩重0.5t 58.0°30.3 1.50 34.0 1.206t副吊钩重0.25t 55.4°32.0 1.20100t汽车吊性能表120吨汽车起重机起重性能表以下工况仅供参考,实际请与本公司业务员联系!工作半径(m)主臂长度(m)12.612.616.620.624.528.532.536.540.544.548.552.556.03120 1113.510710292495 94 88 81 694.586827566579 76 70 62 516666662554940756 56 55 49 44.5 38 32 23.6848.54847444038.53222.120.1942 41.5 40.5 40 36.5 32.5 29.8 21.3 19.9 15.8103736.535.535.533.530.527.921.319.715.814.912.6 1229.1 28 28.9 27.8 26.2 24.5 21.3 18.7 15.8 14.5 11.8 1424.822.723.522.522.521.618.916.81513.311.1 1618.3 19.4 18.4 19 19.1 16.9 15.1 13.6 12.2 10.3 1815.815.815.216.816.31513.512.311.19.6 2013.2 13.8 14.1 14.2 13.4 12.2 11.1 10.2 8.9 2211.512.412.212.111.710.910.19.48.3 2410.7 10.5 10.4 10 9.9 9.2 8.6 7.7 269.39.298.58.68.387.2 288 8 7.3 7.4 7.6 7.4 6.7 3077.2 6.5 6.3 6.5 6.9 6.3 32 6.3 6 5.6 6 6.1 5.8 34 5.5 5.6 5.2 5.6 5.3 5.2 36 5.1 4.8 5.1 4.5 4.5 38 4.7 4.5 4.44 3.9 40 4.2 4 3.5 3.7 42 3.9 3.6 3.2 3.5150吨汽车起重机性能表(一)以下工况仅供参考,实际请与本公司业务员联系!(注:本表内红字及红字以上栏目的数字为吊臂强度所决定,其下面栏目数字为倾翻力矩决定)150吨汽车起重机性能表(二)3.0 140.03.6 131.3 65.9 64.44.0 122.6 65.0 63.74.5 109.2 65.0 63.7 56.65.0 100.2 64.9 61.2 55.46.0 80.3 64.9 56.5 51.7 46.6 41.27.0 68.9 62.0 52.5 47.2 43.9 37.8 33.1 31.58.0 58.7 57.1 48.1 44.6 39.0 34.4 31.9 30.39.0 49.5 49.3 44.8 40.9 35.8 31.9 29.5 27.1 27.510.0 43.041.9 41.6 35.6 33.4 29.6 27.4 25.3 24.912.0 31.9 31.9 31.3 27.7 24.6 22.6 22.0 21.3 17.6 14.0 24.624.6 24.6 24.6 21.4 20.3 19.3 18.2 15.9 16.0 18.518.518.518.4 17.5 16.8 15.4 13.7 18.0 14.7 14.7 14.7 14.714.7 14.4 12.5 12.0 20.0 11.8 11.8 11.8 11.811.8 11.4 10.6 23.0 8.5 8.5 8.5 8.58.59.0 26.0 6.2 6.2 6.2 6.2 6.2 7.6 29.0 4.4 4.3 4.2 4.2 6.1 32.0 2.9 2.9 2.1 4.3 35.0 1.7 1.7 2.8 38.0 0.3 2.0 41.0 1.2 44.0 1.0(注:本表内红字及红字以上栏目的数字为吊臂强度所决定,其下面栏目数字为倾翻力矩决定)160t汽车吊性能表200吨汽车吊车260吨吊车性能表LTM1300/1-300t全液压汽车吊机LTM1300/1-300t全液压汽车吊机主臂额定性能表:支腿开距=8.85×8.5m、旋转角度=360°、标准配重=87.5t 。
QY130K汽车起重机技术规格伸缩臂汽车式起重机型号QY130K最大额定起重量:130t一、起重机底盘部分徐工自行设计并专业化制造的带全宽驾驶室的6桥底盘,驱动/转向:12×6×8。
1.1、车架徐工自行设计并专业化制造,优化重量比,防扭转箱型结构,进口高强度钢材制造。
支腿收缩在特制箱体中,箱体位于2桥和3桥之间以及车架后端。
并且具有前后牵引挂钩。
1.2、底盘发动机制造商:德国奔驰(型号OM502LA.Ⅲ/3);型式:电控、V形八缸、水冷却、增压中冷、电喷、柴油发动机;环保性:排放符合欧洲III标准;燃料箱容量:约400L。
1.3、动力传动系统1.3.1 变速箱德国ZF公司的变速箱。
具有16个前进档和2个倒档,速比范围大,即可满足低速场地和爬坡行驶又可满足高速行驶。
机械变速箱自动控制,操纵可自动和手动选择,自动显示当前档位和手动操纵需要更换的档位。
1.3.2 分动箱分动箱采取大输入扭矩。
额定扭矩高达30000N.m。
带差速锁气缸。
1.3.3 车桥高强度桥,维护简便。
采用国际先进水平的驱动轴,二、六轴带轮间差速器及差速锁,五轴带轴间差速器及差速锁。
第一桥:单胎,转向但不驱动;第二桥:单胎,转向但不驱动;第三桥:单胎,既转向也驱动;第四桥:双胎,不驱动也不转向;第五桥:双胎,驱动但不转向;第六桥:单胎,驱动也转向。
1.3.4 传动轴优化的传动轴布置,当量夹角为0°,传动轴传动平稳、可靠。
最优化力传输,并且方便拆卸和安装。
采用端面齿联结传动轴,传递扭矩较大,最大可达43500Nm。
1.4、桥悬架前悬架,纵置板簧式,筒式减振器;后悬架,双轴平衡、纵置板簧式,板簧与推力杆导向;底盘的新悬挂机构,加大了车轮上下跳动量,提高了车辆的通过性,板簧与车轴之间的连接采铰接式结构,使车轴的板簧的受力合理,达到最佳状态,从而保证了传动系部件的高可靠。
1.5、转向采用ZF公司生产的ZF7421转向器,液压助力系统,保障转向轻便灵活。
8-—500吨汽车吊性能参数表8吨汽车起重机性能表120吨汽车吊机额定性能表225吨汽车起重机起重性能表(主臂)230吨汽车起重机性能表(一)450吨汽车起重机性能表(主表)580吨汽车起重机起重性能表(一)7100t汽车吊性能表9120吨汽车起重机起重性能表9150吨汽车起重机性能表(一)10150吨汽车起重机性能表(二)10160t汽车吊性能表11200吨汽车吊车11260吨吊车性能表12LTM1300/1—300t全液压汽车吊机12LTM1500-500t全液压汽车吊机13LTM1500—500t全液压汽车吊机148吨汽车起重机性能表20吨汽车吊机额定性能表以下工况仅供参考,实际请与本公司业务员联系!25吨汽车起重机起重性能表(主臂)以下工况仅供参考,实际请与本公司业务员联系!(注:本表内红字及红字以上栏目的数字为吊臂强度所决定,其下面栏目数字为倾翻力矩决定)25吨汽车起重机起重性能表(副臂)30吨汽车起重机性能表(一)以下工况仅供参考,实际请与本公司业务员联系!(注:本表内红字及红字以上栏目的数字为吊臂强度所决定,其下面栏目数字为倾翻力矩决定)30吨汽车起重机性能表(二)注:1、若副臂在工作位置,但仍用主臂吊装,主臂的起重性能应相应的减去1。
4t2、使用副臂吊装时,主臂的角度不得大于45,否则将倾翻50吨汽车起重机性能表(主表)以下工况仅供参考,实际请与本公司业务员联系!(注:本表内红字及红字以上栏目的数字为吊臂强度所决定,其下面栏目数字为倾翻力矩决定)50吨汽车起重机性能表(副臂)80吨汽车起重机起重性能表(一)以下工况仅供参考,实际请与本公司业务员联系!80吨汽车起重机起重性能表(二)100t汽车吊性能表120吨汽车起重机起重性能表以下工况仅供参考,实际请与本公司业务员联系!150吨汽车起重机性能表(一)以下工况仅供参考,实际请与本公司业务员联系!(注:本表内红字及红字以上栏目的数字为吊臂强度所决定,其下面栏目数字为倾翻力矩决定)150吨汽车起重机性能表(二)160t汽车吊性能表200吨汽车吊车260吨吊车性能表LTM1300/1-300t全液压汽车吊机LTM1300/1-300t全液压汽车吊机主臂额定性能表:支腿开距=8。