桥梁工程质量管理知识培训
- 格式:doc
- 大小:197.50 KB
- 文档页数:20
桥梁工程培训内容和计划一、培训内容1. 结构设计知识桥梁工程中的结构设计是非常重要的一环,它直接影响到桥梁的安全性和使用寿命。
因此,桥梁工程师需要深入了解结构设计的基本理论和方法,掌握桥梁结构的设计原理和规范要求。
这包括桥梁的荷载计算、结构受力分析、材料选用等内容。
2. 施工管理技能桥梁工程的施工管理对于保证工程质量和进度有着至关重要的作用。
桥梁工程师需要掌握施工计划的编制、现场管理和监督、质量控制等技能。
他们还需要了解工程施工中可能出现的问题和解决方法,以及施工现场的安全管理知识。
3. 材料工程知识桥梁工程师需要了解各种材料的性能特点和适用范围。
他们需要掌握混凝土、钢材、预应力材料等桥梁建筑材料的选用和性能测试方法。
此外,他们还需要了解材料的加工工艺和施工要求。
4. 桥梁工程经济学桥梁工程师需要通过桥梁工程经济学的学习,了解工程投资、成本控制、效益分析等知识。
他们还需要学习工程造价管理、工程项目管理、招投标流程等内容,以便在实际工程项目中进行合理的经济管理。
5. 桥梁工程实例分析在桥梁工程的培训中,引入实际工程项目的案例分析是非常重要的。
学员通过对实际桥梁工程项目的分析,可以更好地理解所学的理论知识并将其运用到实践中。
二、培训计划1. 确定培训目标在进行桥梁工程师培训之前,需要首先明确培训的目标和需求。
培训机构或企业可以根据自己的实际情况和未来发展规划确定桥梁工程师的培训方向,并制定相应的培训计划。
2. 制定课程设置根据桥梁工程师的培训目标,确定培训内容和课程设置。
可以从结构设计、施工管理、材料工程、工程经济学、桥梁工程实例分析等方面进行课程设置,并结合实际情况进行灵活调整。
3. 确定培训时间和地点确定桥梁工程师培训的时间和地点。
可以根据培训学员的工作情况和学习需求,分批次进行培训,也可以选择线下、线上或混合培训方式。
4. 安排资深工程师授课在进行桥梁工程师培训时,可以邀请资深的桥梁工程师或学者进行授课。
公路桥梁工程技术质量培训计划1. 培训目的
- 提高公路桥梁工程技术人员的专业知识和技能水平 - 加强对工程质量控制和管理的重视
- 促进公路桥梁工程质量的持续改进
2. 培训对象
- 公路桥梁工程项目经理、技术负责人
- 质量控制工程师、现场监理人员
- 施工技术人员、材料检测人员
3. 培训内容
- 公路桥梁工程相关法律法规及技术标准
- 工程勘察、设计及施工技术要点
- 混凝土、钢筋、预应力等关键材料质量控制
- 工程测量、检测及试验方法
- 质量管理体系及质量控制措施
- 工程案例分析及经验交流
4. 培训方式
- 理论授课
- 实操演练
- 现场教学
- 案例研讨
5. 培训时间
- 为期3天,共计24学时
6. 培训师资
- 邀请公路桥梁工程领域的资深专家、教授担任主讲
- 聘请经验丰富的工程技术人员进行实操指导
7. 培训考核
- 理论考试
- 实操考核
- 结业证书颁发
通过系统的培训,旨在提升公路桥梁工程技术人员的综合素质和专业能力,确保工程质量满足规范要求,为公路桥梁工程的顺利实施和运营奠定坚实基础。
一、指导思想为提高桥梁工程质量管理水平,确保工程质量安全,根据我国桥梁工程质量管理要求,结合实际情况,制定本培训计划方案。
本方案旨在通过系统培训,提高桥梁工程从业人员质量意识,掌握质量管理体系和方法,提高工程质量。
二、培训目标1. 提高桥梁工程从业人员的质量意识,使其认识到工程质量的重要性;2. 培养桥梁工程从业人员掌握质量管理体系和方法,提高工程质量;3. 增强桥梁工程从业人员对质量问题的预防和处理能力;4. 提升桥梁工程从业人员的团队协作能力和沟通能力。
三、培训对象1. 桥梁工程项目经理、技术负责人、施工员、监理员等管理人员;2. 桥梁工程技术人员、质量检验员、试验员等;3. 桥梁工程现场施工人员。
四、培训内容1. 桥梁工程质量管理法规及政策;2. 桥梁工程质量管理标准及规范;3. 桥梁工程质量管理体系的建立与运行;4. 桥梁工程质量控制方法及措施;5. 桥梁工程质量检测与验收;6. 桥梁工程质量事故案例分析;7. 桥梁工程安全文明施工;8. 桥梁工程团队协作与沟通技巧。
五、培训形式1. 理论授课:邀请业内知名专家、学者进行授课,讲解桥梁工程质量管理相关理论知识;2. 案例分析:结合实际工程案例,分析桥梁工程质量问题及解决方法;3. 实地考察:组织学员参观优秀桥梁工程,学习先进的质量管理经验;4. 小组讨论:分组讨论桥梁工程质量管理中的实际问题,分享经验;5. 角色扮演:模拟桥梁工程质量管理场景,提高学员的实际操作能力。
六、培训时间培训时间为3天,具体安排如下:1. 第一天:桥梁工程质量管理法规及政策、桥梁工程质量管理标准及规范;2. 第二天:桥梁工程质量管理体系的建立与运行、桥梁工程质量控制方法及措施;3. 第三天:桥梁工程质量检测与验收、桥梁工程质量事故案例分析、桥梁工程安全文明施工、桥梁工程团队协作与沟通技巧。
七、培训考核培训结束后,对学员进行考核,考核形式包括笔试和实际操作考核。
考核合格者颁发培训合格证书。
桥梁施工质量培训计划一、培训目的桥梁施工是一项复杂的工程,需要严格的施工质量控制。
本培训计划旨在提高施工人员对桥梁施工质量的认识,掌握相关技术和标准,提高施工质量,确保桥梁工程的安全和有效性。
二、培训对象本次培训对象为桥梁施工相关的工程师、技术人员、监理人员及施工方的施工人员。
三、培训内容1. 桥梁施工质量管理概述- 桥梁施工质量管理的重要性- 桥梁施工质量管理的目标和原则2. 桥梁施工质量管理体系- 桥梁施工质量管理体系的建立- 桥梁施工质量管理体系的要求和审核3. 桥梁施工材料质量管理- 桥梁施工材料的选择和验收- 桥梁施工材料的存储和使用4. 桥梁施工工艺和工序质量控制- 桥梁施工工艺的选择和实施- 桥梁施工工序的质量控制5. 桥梁施工现场质量管理- 桥梁施工现场的管理和协调- 桥梁施工现场的质量检查和验收6. 桥梁施工安全质量管理- 桥梁施工安全管理的重要性- 桥梁施工安全管理的方法和措施7. 桥梁施工质量事故案例分析- 桥梁施工质量事故的原因分析- 桥梁施工质量事故的预防和处理四、培训方法1. 理论讲授通过课堂教学、讲座等形式,向培训对象传授相关知识和理论。
2. 实地体验安排实地考察和实际操作,让培训对象亲身体验和实践所学知识。
3. 答疑交流为培训对象提供问答环节,解答他们在学习和实践中遇到的问题。
四、培训计划安排1. 第一阶段:理论学习时间:连续5天内容:桥梁施工质量管理概述、桥梁施工质量管理体系、桥梁施工材料质量管理2. 第二阶段:实地体验时间:连续3天内容:桥梁施工工艺和工序质量控制、桥梁施工现场质量管理、桥梁施工安全质量管理3. 第三阶段:案例分析时间:连续2天内容:桥梁施工质量事故案例分析五、培训评估1. 理论学习阶段考核在理论学习结束后,进行笔试或口试形式的考核,以评估培训对象的学习成果。
2. 实地体验阶段考核在实地体验结束后,对培训对象的实际操作进行评估,检查其掌握的实际操作能力。
道路桥梁培训计划一、培训前的准备1. 培训目标:通过道路桥梁培训,提高相关人员的专业知识和技能,提升道路桥梁的建设和维护水平。
2. 培训对象:道路桥梁设计、建设、维护和管理的相关人员,包括工程师、技术人员、监理人员、施工队伍等。
3. 培训内容:主要包括道路桥梁的设计原理、规划建设、材料选用、施工工艺、维护管理等方面的知识。
4. 培训时间:建议为期3个月,每周2-3天,每天4-6小时。
5. 培训地点:选择一个宽敞明亮、设施齐全的培训场所,如会议室、培训中心等。
6. 培训费用:包括培训场地、师资费用、资料费用以及住宿和餐饮费用等,预计总费用为100万元。
7. 师资团队:邀请具有丰富实践经验和专业知识的道路桥梁专家和学者组成培训团队,负责教学和指导工作。
8. 培训资料:准备相关的培训教材、PPT、视频资料等,以便于学员复习和学习。
9. 培训设备:准备电脑、投影仪、音响等设备,为学员提供良好的学习环境。
二、培训内容及安排1. 第一阶段:道路桥梁设计原理和规划建设时间:1个月内容:介绍道路桥梁的设计理论和原理,包括结构设计、荷载计算、材料选用等方面的知识。
同时介绍道路桥梁的规划建设流程,包括立项、勘察设计、招投标、施工监理等流程。
2. 第二阶段:道路桥梁施工工艺和质量管理时间:1个月内容:介绍道路桥梁的施工工艺和施工管理,包括基础施工、桥梁梁面施工、桥梁支座施工等方面的知识。
同时介绍质量管理的重要性,包括质量监理、验收和结算等流程。
3. 第三阶段:道路桥梁维护管理和安全监测时间:1个月内容:介绍道路桥梁的维护管理和安全监测,包括桥梁日常维护、定期检测、安全评估等方面的知识。
同时介绍桥梁灾害预防和应急处理流程。
三、培训方法及工作安排1. 讲授:由专家学者以及行业内资深人士组成的专业培训团队进行讲授和讨论。
2. 实践:组织学员进行实地勘察、施工现场参观等实践活动,加深对道路桥梁建设的了解。
3. 练习:安排学员进行案例分析、练习题训练等,巩固所学知识。
桥梁施工关键卡控要点培训第一章、桥梁施工卡控要点1 主要检查项目1.1钻孔桩:重点检查护筒埋设,孔口平面位置,开钻、钻进垂直度,终孔,钢筋笼加工,水下混凝土浇注,混凝土强度,桩身完整性检测;1.2挖孔桩:开挖顺序和防护措施,桩孔开挖,成孔,钢筋原材料及加工制作,混凝土浇注,混凝土强度,桩身完整性。
1.3桥梁承台:重点检查基坑支护,桩基检测,钢筋绑扎,混凝土浇注及混凝土的强度。
1.4桥梁墩台身:重点检查墩、台身钢筋的安装,保护层垫块的布置,测量放样,混凝土的浇注,模板的拆除,混凝土的浇注和养护,墩身的混凝土外观等。
框架桥:重点检查钢筋的加工和安装,混凝土的浇注和养护,混凝土的强度。
2 现场检查要点第二章、桥梁施工问题防治1、如何防治钻孔灌注桩发生偏斜?1.1质量问题及现象1)成孔后不垂直,偏差值大于规定的L/100。
2)钢筋笼不能顺利入孔。
1.2原因分析1)钻机未处于水平位置,或施工场地未整平及压实,在钻进过程中发生不均匀沉降。
2)水上钻孔平台基底座不稳固、未处于水平状态,在钻孔过程中,钻机架发生不均匀变形。
3)钻杆弯曲,接头松动,致使钻头晃动范围较大。
4)在旧建筑物附近钻孔过程中遇到障碍物,把钻头挤向一侧。
5)土层软硬不均,致使钻头受力不均,或遇到孤石,探头石等。
1.3预防措施1)钻机就位前,应对施工现场进行整平和压实,并把钻机调整到水平状态,在钻进过程中,应经常检查使钻机始终处于水平状态工作。
水上钻机平台在钻机就位前,必须进行安装验收,其平台要牢固、水平、钻机架要稳定。
2)应使钻机顶部的起重滑轮槽、钻杆的卡盘和护筒桩位的中心在同一垂直线上,并在钻进过程中防止钻机移位或出现过大的摆。
3)在旧建筑物附近施工时,应提前做好探测,如探测过程中发现障碍物,应采用冲击钻进行施工。
4)要经常对钻杆进行检查,对弯曲的钻杆要及时调整或废弃。
5)使用冲击钻施工时冲程不要过大,尽量采用二次成孔,以保证成孔的重直度。
桥梁质量培训记录
1. 培训概述
本次培训旨在提高桥梁工程相关人员的质量管理能力,加强他们对桥梁质量控制的认识和理解。
2. 培训内容
本次培训包括以下内容:
- 桥梁工程质量标准和规范
- 桥梁施工过程中常见的质量问题及解决方案
- 桥梁质量检测和验收要点
- 桥梁质量管理的重要性和作用
3. 培训时间和地点
- 时间:2022年5月15日,上午9:00 - 12:00
- 地点:公司培训室
4. 培训对象
本次培训对象为公司桥梁工程部门的工程师、技术人员以及相关管理人员。
5. 培训安排
本次培训将采用讲座和案例分析相结合的方式进行,具体安排如下:
- 上午9:00 - 9:30:开班仪式
- 上午9:30 - 10:30:讲座:桥梁工程质量标准和规范
- 上午10:30 - 10:45:茶歇
- 上午10:45 - 11:45:案例分析:桥梁施工过程中的质量问题及解决方案
- 上午11:45 - 12:00:总结和答疑
6. 培训评估
为了确保培训效果,将对培训内容进行评估,评估内容包括:参训人员的知识掌握情况和对培训效果的反馈意见。
7. 培训记录
将对培训过程进行详细记录,包括讲座内容、案例分析情况、参训人员反馈意见等,并将培训记录归档保存。
8. 培训后续
根据培训反馈意见和评估结果,将进一步完善桥梁质量培训内容,并计划开展更多的培训活动,提升整个部门的质量管理水平。
以上为《桥梁质量培训记录》的相关内容,希望能够为公司的桥梁工程相关人员提供有价值的培训,并共同提高桥梁质量管理水平。
桥梁工程质量管理知识培训(一)钢筋施工一、钢筋制作与加工1、钢筋调直和清除污锈应符合下列要求:(1)钢筋的表面应洁净,使用前应将表面油渍、漆皮、鳞锈等清除干净。
(2)钢筋应平直,无局部弯折,成盘的钢筋和弯曲的钢筋均应调直。
(3)采用冷拉方法调直钢筋时,I 级钢筋的冷拉率不宜大于2%;HRB335、HRB400牌号钢筋的冷拉率不宜大于1%。
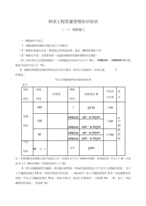
2、钢筋的弯制和末端的弯钩应符合设计要求,如设计无规定时,应符合表1的规定。
受力主钢筋制作和末端弯钩形状注:环氧树脂涂层钢筋当进行弯曲加工时,对直径d 不大于20mm的钢筋,其弯曲直径不应小于4d,对直径 d 大于20m的钢筋,其弯曲直径不小于6d。
3、用I 级钢筋制作的箍筋,其末端应做弯钩,弯钩的弯曲直径应大于受力主钢筋的直径,且不小于箍筋直径的2.5 倍。
弯钩平直部分的长度,一般结构不宜小于箍筋直径的5 倍,有抗震要求的结构,不应小于箍筋直径的10倍。
弯钩的形式,如设计无要求时,可按图1a)、b)加工;有抗震要求的结构,应按图1c)加工图1 箍筋弯钩的形式图、钢筋的连接1、钢筋的焊接与绑扎接头(1)轴心受拉和小偏心受拉杆件中的钢筋接头,不宜绑接。
普通混凝土中直径大于25mm的钢筋,宜采用焊接。
(2)钢筋的纵向焊接应采用闪光对焊(HRB500钢筋必须采用闪光对焊)。
当缺乏闪光对焊条件时,可采用电弧焊、电渣压力焊、气压焊。
钢筋的交叉连接,无电阻点焊机时,可采用手工电弧焊。
各种预埋件T 形接头钢筋与钢板的焊接,也可采用预埋件钢筋埋弧压力焊。
电渣压力焊只适用于竖向钢筋的连接,不能用作水平钢筋和斜筋的连接。
钢筋焊接的接头型式、焊接方法、适用范围应符合现行《钢筋焊接及验收规程》(GB/T2651-2008)的规定。
(3)钢筋焊接前,必须根据施工条件进行试焊,合格后方可正式施焊。
焊工必须持考试合格证上岗。
(4)钢筋接头采用搭接或帮条电弧焊时,宜采用双面焊缝,双面焊缝困难时,可采用单面焊缝。
桥梁质量培训计划表一、培训目的桥梁是城市交通重要的组成部分,其质量直接影响到交通安全和城市发展。
为了提高桥梁工程质量,本培训计划旨在提高桥梁工程师的专业知识和技能,加强其质量管理意识,促进桥梁工程的质量提升。
二、培训对象桥梁工程师、技术人员及相关质量管理人员三、培训内容1. 桥梁工程基础知识- 桥梁结构类型及特点- 桥梁设计原理- 桥梁建造工艺- 桥梁施工管理- 桥梁材料及质量检测2. 桥梁工程质量管理- 质量管理体系介绍- 桥梁施工质量控制- 桥梁材料应用及检测- 桥梁工程验收及质量评定3. 桥梁施工安全- 施工安全教育- 施工现场安全管理- 安全检查及隐患排查4. 桥梁维护与管理- 桥梁常规维护及检修- 桥梁结构损伤识别与维修- 桥梁保养与管理规划四、培训时间和地点时间:每周六、日上午9:00-12:00地点:XX市某大学会议室五、培训方式1. 网络直播通过网络平台进行直播培训,方便学员在家中或办公室参与培训。
2. 线下讲座在大学会议室举办线下讲座,提供互动交流和现场案例分享。
六、师资及教材1. 师资本培训将邀请具有丰富桥梁工程实践经验的专家学者,以及质量管理领域的资深从业人员,为学员分享实用经验和案例。
2. 教材精心编撰桥梁工程质量管理教材,供学员参考。
同时提供最新桥梁工程案例和文献资料。
七、培训效果评估1. 课堂小测验每周末进行一次课堂小测验,考察学员对当周培训内容的掌握程度。
2. 期末考核学员需参加期末考核,通过笔试和实际案例分析,考核学员对整个培训内容的掌握情况。
3. 学习报告学员需撰写一份学习报告,总结培训过程中所学知识和体会,提交给培训机构。
八、培训费用1. 学员培训费用:XXX元/人,包括教材、证书和培训餐费。
2. 优惠政策:团体报名可享受优惠政策,具体优惠力度根据报名人数确定。
九、培训后续服务1. 提供专业咨询服务,为学员在桥梁工程质量管理方面提供指导和帮助。
2. 开设专业交流平台,建立学员交流和沟通的平台,促进学员之间的互动与合作。
桥梁质量培训计划方案一、背景介绍随着城市建设的不断发展,桥梁作为城市基础设施的重要组成部分,承担着城市交通运输的重要功能。
因此,桥梁的安全与质量至关重要。
然而,在实际工程施工中,由于一些技术人员的技术水平不够,加之材料和设备的不合格,导致了一些桥梁的质量问题,影响了桥梁的使用寿命和安全性。
因此,对桥梁工程人员进行质量培训,提升他们的专业水平,提高桥梁工程的质量,是十分必要和迫切的。
二、培训目标本次培训的目标是通过系统的理论学习和实际操作,培养和提升桥梁施工相关人员的专业质量技能,规范桥梁施工,确保工程质量和安全。
三、培训对象1. 桥梁工程施工管理人员2. 桥梁设计人员3. 桥梁施工技术人员4. 桥梁材料及设备供应商四、培训内容1. 桥梁工程施工管理技术(1)施工管理的概念和方法(2)施工组织设计(3)施工进度控制(4)施工质量控制(5)施工安全管理2. 桥梁设计技术(1)桥梁设计的基本原理(2)桥梁设计的规范和标准(3)桥梁设计的结构优化(4)桥梁设计的审查和验收3. 桥梁施工技术(1)桥梁施工工艺与方法(2)桥梁施工设备和材料(3)桥梁施工质量验收(4)桥梁施工安全4. 桥梁材料及设备质量管理(1)桥梁材料的选用和质量要求(2)桥梁施工设备的选用和质量要求(3)桥梁材料及设备质量检测方法(4)桥梁材料及设备质量监督管理五、培训方式本次培训将采取理论教学与实际操作相结合的方式,具体包括以下几种形式:1. 专家讲座:邀请桥梁工程领域的专家学者进行讲座,介绍最新的理论研究成果和实践经验。
2. 实地考察:组织学员进行桥梁工程施工现场实地考察,了解实际施工情况。
3. 实验操作:组织学员进行桥梁施工技术的实验操作,提升其实际操作能力。
4. 论文研讨:组织学员进行桥梁工程领域的案例分析和论文研讨,加深对桥梁工程质量控制的理解和应用能力。
六、培训教材《桥梁工程施工管理》、《桥梁设计手册》、《桥梁施工技术手册》、《桥梁材料与设备质量管理》等相关教材。
桥梁工程安全培训教材1. 前言欢迎大家使用本桥梁工程安全培训教材。
本教材旨在提供全面的桥梁工程安全知识,帮助工程师和相关从业人员在设计、建设和维护桥梁时能够有效地预防事故和保障施工安全。
2. 桥梁工程概述2.1 桥梁类型在桥梁工程安全培训中,首先需要了解不同类型的桥梁。
常见的桥梁类型包括梁桥、拱桥、斜拉桥等。
每种类型各有特点,也需要采取不同的安全措施。
2.2 桥梁结构桥梁结构是桥梁工程安全的基础。
本节将介绍桥梁主要构件的结构和功能,包括桥墩、桥面、支座等,以及它们在施工和使用过程中的安全性要求。
3. 桥梁工程安全管理3.1 安全法规和标准桥梁工程安全的管理需要遵守相关的法规和标准。
本节将介绍国家和地区的桥梁安全管理法规,以及行业组织发布的桥梁工程安全标准,确保工程从设计到使用的全过程都符合规定。
3.2 安全培训和教育安全培训和教育是桥梁工程安全的重要环节。
本节将介绍培训和教育的内容和方法,包括针对工程师、监理人员和施工人员的培训,以及通过案例分析和模拟演练提高工作人员的安全意识和应急能力。
4. 桥梁工程施工安全4.1 施工准备桥梁工程施工前的准备工作至关重要。
本节将介绍施工前的安全评估和计划,包括场地勘察、施工方案编制、施工队伍组织等,以确保施工过程中的安全性。
4.2 施工现场安全施工现场是桥梁工程安全的关键环节。
本节将介绍施工现场的安全管理要求,包括施工人员的安全防护、机械设备的使用安全等,帮助工程人员有效地识别和控制施工现场的风险。
5. 桥梁工程维护与保养5.1 桥梁年检和评估桥梁的定期检查和评估对于保障桥梁安全至关重要。
本节将介绍桥梁的年检和评估方法,包括视觉检查、非破坏性测试等,以及评估结果的分析和措施的制定。
5.2 桥梁养护和维修桥梁的养护和维修是保障桥梁长期安全使用的关键环节。
本节将介绍桥梁的定期养护和维修要求,包括桥梁表面防护、钢结构防腐等,以及养护和维修工作中的安全措施。
6. 桥梁工程事故与案例分析本节将通过桥梁工程事故的案例分析,总结工程安全管理的重要性,并提出改进措施,以避免类似事故的再次发生。
桥梁工程质量培训讲义1 质量目标质量目标为整体工程质量曼著设计要求,创建精品工程。
为实现质量目标,制定如下工程质量控制指标:6.1.1.1 质量第一,工程保证优质。
6.1.1.2 所有分顶工程一次检验合格率100%。
6.1.1.3 构造物表面光洁、桥面平整、线形顺适、环境美观。
质量是企业的信誉,是企业的生命,切实保证工程质量是我单位的根本宗旨,施工中我们将严格按照设计文件的要求进行全面质量管理,做到好中求快,科学合理,消除一切质量隐患。
2、建立质量管理组织机构项目经理部建立完善的质量管理机构,成立以项目经理为组长,项目总工、项目副经理为副组长,各职能部门负责人和各施工队主要领导为成员的质量管理领导小组。
项目经理部设安全质量部,配1名专职质量检查工程师,负责本合同项目工程质量检查和监督;各施工队设1-2名专职质量检查工程师,实施工程自检、互检、交接检查和质量评定,保证每道工序均在严格的控制下进行。
各级质量检查工程师配备数码相机,项目经理部质检工程师配备数码照相机和摄像机,确保质量记录真实完整。
3、质量管理组织措施(1)工程质量实行责任终身制从项目经理部到各工程施工队实行质量责任终身制,质量目标,层层分解,终身责任,一级包一级,一级保一级,从严格技术把关入手,抓好施工生产全过程的质量管理。
(2)质量奖惩制度为积极推广全面质量管理,进一步完善质量责任制,促进质量管理,提高工程质量,项目部将根据工程质量实行奖惩制度。
(3)开展全面质量管理抓好质量教育,加强全员质量意识,牢固树立“百年大计,质量第一”的观念。
从材料的采购供应、质检验收到各个工序的施工生产过程,竣工验交等执行全过程管理,用良好的工作质量来保证工序质量,把全面质量管理的思想、方法确实应用到本标段施工的全过程。
具体措施为:①提高作业人员素质;②开展标准化作业;③积极开展QC小组活动;④严格技术标准、尊重监理。
4、质量管理技术措施(1)工程工艺控制单位工程开工前,认真编写《实施性施工组织设计》,经监理工程师审批后,严格按照《实施性施工组织设计》组织施工。
桥梁工程培训方案一、前言在现代社会中,桥梁作为交通运输的重要组成部分,一直是国家基础设施建设的重点之一。
而为了满足日益增长的桥梁建设需求,培养更多的专业化人才成为了当前桥梁工程领域面临的紧迫问题。
因此,本文将从培训方案的角度,提出一套系统的桥梁工程培训方案,以期为培养更多的优秀桥梁工程人才提供一些参考。
二、培训目标1. 培养适应桥梁工程发展需要的高素质技术人才。
2. 培养具备国际竞争力的专业桥梁工程师。
3. 培养具有创新能力和实际工程应用能力的桥梁工程人才。
三、培训内容1. 桥梁工程基础知识培训(1)工程土木基础知识(2)结构力学(3)工程材料学(4)工程测量学2. 桥梁工程设计培训(1)桥梁设计理论(2)桥梁结构设计规范(3)桥梁设计实践3. 桥梁工程施工培训(1)桥梁施工管理(2)桥梁施工现场安全管理(3)桥梁施工工艺4. 桥梁工程监理培训(1)桥梁施工监理要点(2)桥梁施工监理技术规范(3)桥梁施工质量监督5. 桥梁工程维护与检测培训(1)桥梁维护原理(2)桥梁检测技术(3)桥梁养护管理6. 桥梁工程案例分析与实践(1)国内外经典桥梁案例分析(2)实际工程实习四、培训方法1. 理论课程采用专家授课、讲座、研讨等形式,使学员系统掌握桥梁工程理论知识。
2. 实践课程采用案例分析、实验实习、现场调研等方式,使学员能够更好地掌握桥梁工程实践技能。
3. 案例研究通过分析国内外经典桥梁工程案例,使学员能够了解不同类型桥梁工程的设计、施工、监理等方面的经验和技术。
4. 项目实习安排学员到实际桥梁工程项目中进行实习,使学员能够更好地理解和掌握桥梁工程的实际操作技能。
五、培训时长根据不同人员的基础情况和培训要求,结合培训内容的复杂程度和深度,一般桥梁工程培训时长为半年到一年不等。
六、培训评估1. 课程考核对每个阶段的课程安排考核,包括笔试、实验、实习等形式,以评价学员对课程内容的掌握程度。
2. 项目实习评价对学员在实习项目中的表现进行评价,包括工作态度、实际操作能力、团队协作能力等方面。
桥梁工程质量管理知识培训(一)钢筋施工一、钢筋制作与加工1、钢筋调直和清除污锈应符合下列要求:(1)钢筋的表面应洁净,使用前应将表面油渍、漆皮、鳞锈等清除干净。
(2)钢筋应平直,无局部弯折,成盘的钢筋和弯曲的钢筋均应调直。
(3)采用冷拉方法调直钢筋时,I级钢筋的冷拉率不宜大于2%;HRB335、HRB400牌号钢筋的冷拉率不宜大于1%。
2、钢筋的弯制和末端的弯钩应符合设计要求,如设计无规定时,应符合表1的规定。
受力主钢筋制作和末端弯钩形状表1弯曲部位弯曲角度形状图钢筋种类弯曲直径D平直部分长度备注末端弯钩180°Ⅰ≥2.5d ≥3dd为钢筋直径135°HRB335 φ8~φ25≥4d≥5dHRB400 φ28~φ40≥5d90°HRB335 φ8~φ25≥4d≥10dHRB400 φ28~φ40≥5d中间弯钩90°以下各类≥20d注:环氧树脂涂层钢筋当进行弯曲加工时,对直径d不大于20mm的钢筋,其弯曲直径不应小于4d,对直径d大于20m的钢筋,其弯曲直径不小于6d。
3、用I级钢筋制作的箍筋,其末端应做弯钩,弯钩的弯曲直径应大于受力主钢筋的直径,且不小于箍筋直径的2.5倍。
弯钩平直部分的长度,一般结构不宜小于箍筋直径的5倍,有抗震要求的结构,不应小于箍筋直径的10倍。
弯钩的形式,如设计无要求时,可按图1a)、b)加工;有抗震要求的结构,应按图1c)加工。
图1箍筋弯钩的形式图二、钢筋的连接1、钢筋的焊接与绑扎接头(1)轴心受拉和小偏心受拉杆件中的钢筋接头,不宜绑接。
普通混凝土中直径大于25mm的钢筋,宜采用焊接。
(2)钢筋的纵向焊接应采用闪光对焊(HRB500钢筋必须采用闪光对焊)。
当缺乏闪光对焊条件时,可采用电弧焊、电渣压力焊、气压焊。
钢筋的交叉连接,无电阻点焊机时,可采用手工电弧焊。
各种预埋件T形接头钢筋与钢板的焊接,也可采用预埋件钢筋埋弧压力焊。
电渣压力焊只适用于竖向钢筋的连接,不能用作水平钢筋和斜筋的连接。
钢筋焊接的接头型式、焊接方法、适用范围应符合现行《钢筋焊接及验收规程》(GB/T2651-2008)的规定。
(3)钢筋焊接前,必须根据施工条件进行试焊,合格后方可正式施焊。
焊工必须持考试合格证上岗。
(4)钢筋接头采用搭接或帮条电弧焊时,宜采用双面焊缝,双面焊缝困难时,可采用单面焊缝。
,(5)钢筋接头采用搭接电弧焊时,两钢筋搭接端部应预先折向一侧,使两接合钢筋轴线一致。
接头双面焊缝的长度不应小于5d,单面焊缝的长度不应小于10d(d为钢筋直径)。
钢筋接头采用帮条电弧焊时,帮条应采用与主筋同级别的钢筋,其总截面面积不应小于被焊钢筋的截面积。
帮条长度,如用双面焊缝不应小于5d,如用单面焊缝不应小于10d(d为钢筋直径)。
(6)凡施焊的各种钢筋、钢板均应有材质证明书或试验报告单。
焊条、焊剂应有合格证,各种焊接材料的性能应符合现行《钢筋焊接及验收规程》(GB1499.2-2007)的规定。
各种焊接材料应分类存放和妥善管理,并应采取防止腐蚀、受潮变质的措施。
(7)电渣压力焊、气压焊、预埋件钢筋埋弧压力焊的技术规定及电弧焊中的坡口焊、窄间隙焊、熔槽帮条焊和钢筋与钢板焊接的技术规定可参照现行《钢筋焊接及验收规程》(GB/T2651-2008)的规定执行。
(8)受力钢筋焊接或绑扎接头应设置在内力较小处,并错开布置,对于绑扎接头,两接头间距离不小于1.3倍搭接长度。
对于焊接接头,在接头长度区段内,同一根钢筋不得有两个接头,配置在接头长度区段内的受力钢筋,其接头的截面面积占总截面面积的百分率应符合表2的规定。
对于绑扎接头,其接头的截面面积占总截面面积的百分率,亦应符合表2的规定。
接头长度区段内受力钢筋接着面积的最大百分率表2注:①焊接接头长度区段内是指35d(d为钢筋直径)长度范围内,但不得小于500mm,绑扎接头长度区段是指1.3倍搭接长度;②在同一根钢筋上应尽量少设接头;③装配式构件连接处的受力钢筋焊接接头可不受此限制;④绑扎接头中钢筋的横向净距不应小于钢筋直径且不应小于25mm;⑤环氧树脂涂层钢筋绑扎搭接长度,对受拉钢筋应至少为涂层钢筋锚固长度的1.5倍且不小于375mm;对受压钢筋为无涂层钢筋锚团长度的1.0倍且不小于250mm。
(9)电弧焊接和绑扎接头与钢筋弯曲处的距离不应小于10倍钢筋直径,也不宜位于构件的最大弯矩处。
(10)焊接时,对施焊场地应有适当的防风、雨、雪、严寒设施。
冬期施焊时低于-20℃时,不得施焊。
(11)受拉钢筋绑扎接头的搭接长度,应符合表3的规定;受压钢筋绑扎接头的搭接长度,应取受拉钢筋绑扎接头搭接长度的0.7倍。
受拉钢筋绑扎接头的搭接长度表3注:①当带肋钢筋直径d不大于25mm时,其受拉钢筋的搭接长度应按表中值减少5d采用;当带肋钢筋直径d大于25mm时,其受拉钢筋的搭接长度应按表中值增加5d采用。
②当混凝土在凝固过程中受力钢筋易受扰动时,其搭接长度宜适当增加。
③在任何情况下,纵向受拉钢筋的搭接长度不应小于300mm;受压钢筋的搭接长度不应小于200mm。
④当混凝土强度等级低于C20时,I级、HRB335牌号钢筋的搭接长度应按表中C20的数值相应增加10d;HRB500钢筋不宜采用。
⑤对有抗震要求的受力钢筋的搭接长度,当抗震烈度为七度(及以上)时应增加5d。
⑥两根不同直径的钢筋的搭接长度,以较细的钢筋直径计算。
(12)受拉区内I级钢筋绑扎接头的末端应做弯钩,HRB335、HRB400牌号钢筋的绑扎接头末端可不做弯钩。
直径等于和小于12mm的受压I级钢筋的末端,可不做弯钩,但搭接长度不应小于钢筋直径的30倍。
钢筋搭接处,应在中心和两端用铁丝扎牢。
三、钢筋的机械连接1、钢筋的机械连接,其接头性能指标应符合〈公路桥涵施工技术规范〉附录E-3的规定。
2、钢筋连接件处的混凝土保护层宜满足设计要求,且不得小于15mm,连接件之间的横向净距不宜小于25mm。
3、对受力钢筋机械连接接头的位置要求,可依照焊接接头要求办理。
4、带肋钢筋套筒挤压接头(以下简称挤压接头)适用直径为16-40mm的HRB335、HBB400牌号带肋钢筋的径向挤压连接。
用于挤压连接的钢筋应符合现行国家标准的要求。
(1)不同直径的带肋钢筋可采用挤压接头连接,当套筒两端外径和壁厚相同时,被连接钢筋的直径相差不应大于5mm。
(2)当混凝土结构中挤压接头部位的温度低于-20C℃时,宜进行专门的试验。
(3)对HRB335、HBB400牌号带肋钢筋挤压接头所用套筒材料,应选用适于压延加工的钢材,其实测力学性能、承载力及尺寸僻差应符合有关规定。
(4)套筒应有出厂合格证,套筒在运输和储存中,应按不同规格分别堆放,不得露天堆放,应防止锈蚀和沾污。
(5)挤压接头施工时有关挤压设备、人员、挤压操作、质量检验、施工安全应符合现行《带肋钢筋套筒挤压连接技术规程》(JGJ108-96)的规定。
5、钢筋锥螺纹接头,适用于直径为16~40mm的HRB335、HRB400牌号钢筋的连接,用于连接的钢筋应符合现行国家标准的要求。
锥螺纹连接套的材料宜用45号优质碳素结构钢材或其他经试验确认符合要求的钢材。
钢筋锥螺纹接头的技术要求,应符合现行《钢筋锥螺纹接头技术规程》(JCJ109-96)的规定。
(1)钢筋锥螺纹接头的应用,应符合下列规定:①接头端头距钢筋弯曲点不得小于钢筋直径的10倍;②不同直径的钢筋连接时,一次连接钢筋直径规格不宜超过2级;(2)锥螺纹接头施工时,有关材料、加工、操作、质量检验应符合现行《钢筋锥螺纹接头技术规程》(JGJl09-96)的规定。
四、钢筋骨架和钢筋网的组成及安装1、对于预制钢筋骨架或钢筋网必须具有足够的刚度和稳定性。
2、骨架的焊接拼装应在坚固的工作台上进行,操作时应符合下列要求:(1)拼装时应按设计图纸放大样,放样时应考虑焊接变形和预留拱度。
(2)钢筋拼装前,对有焊接接头的钢筋应检查每根接头是否符合焊接要求。
(3)拼装时,在需要焊接的位置用楔形卡卡住,防止电焊时局部变形待所有焊接点卡好后,先在焊缝两端点焊定位,然后进行焊缝施焊。
(4)骨架焊接时,不同直径的钢筋的中心线应在同一平面上。
为此,较小直径的钢筋在焊接时,下面宜垫以厚度适当的钢板。
(5)施焊顺序宜由中到边对称地向两端进行,先焊骨架下部,后焊骨架上部。
相邻的焊缝采用分区对称跳焊,不得顺方向一次焊成。
3、钢筋网焊点应符合设计规定,当设计无规定时,应按下列要求焊接:(1)当焊接网的受力钢筋为I级或冷拉I级钢筋时,如焊接网只有一个方向为受力钢筋,网两端边缘的两根锚固横向钢筋与受力钢筋的全部相交点必须焊接;如焊接网的两个方向均为受力钢筋,则沿网四周边缘的两根钢筋的全部相交点均应焊接,其余的交叉点,可根据运输和安装条件决定,一般可焊接或绑扎一半交叉点。
(2)当焊接网的受力钢筋为冷拔低碳钢丝,而另一方向的钢筋间距小于100mm时,除网两端边缘的两根钢筋的全部相交点必须焊接外,中间部分的焊点距离可增大至250mm。
4、在现场绑扎钢筋网时,应遵守下列规定:(1)钢筋的交叉点应用铁丝绑扎结实,必要时,亦可用点焊焊牢。
(2)除设计有特殊规定者外,柱和梁中的箍筋应与主筋垂直。
(3)墩、台身,柱中的竖向钢筋搭接时,转角处的钢筋弯钩应与模板成45℃,中间钢筋的弯钩应与模板成90°。
如采用插入式振捣器浇筑小型截面柱时,弯钩与模板的角度最小不得小于15°,在浇筑过程中不得松动。
(4)箍筋弯钩的叠合处,在梁中应沿梁长方向置于上面并交错布置,在柱中应沿柱高方向交错布置,若是方柱则必须位于箍筋与柱角竖向钢筋交接点上。
但有交叉式箍筋的大截面柱,其接头可位于箍筋与任何一根中间纵向钢筋的交接点上。
圆柱或圆管涵螺旋形箍筋的起点和终点应分别绑扎在纵向钢筋上。
5、应在钢筋与模板间设置垫块,垫块应与钢筋扎紧,并互相错开。
非焊接钢筋骨架的多层钢筋之间,应用短钢筋支垫,保证位置准确。
钢筋混凝土保护层厚度应符合设计要求。
6、在浇筑混凝土前,应对已安装好的钢筋及预埋件(钢板、锚固钢筋等)进行检查。
7、质量检查和质量标准(1)加工钢筋的偏差不得超过表4的规定。
加工钢筋的允许偏差表4(2)焊接钢筋的验收和允许偏差①焊接钢筋的质量验收内容和标准应按《公路桥涵施工技术规范》JTJ041-2000附录E-2的规定执行。
②焊接钢筋网和焊接骨架的偏差不得超过表5的规定。
焊接网及焊接骨架的允许偏差表5(3)机械接头的施工现场检验与验收①应用钢筋机械连接时,应提交有效的型式检验报告,型式检验应符合现行《钢筋机械连接通用技术规程》(JGJ107-2003)的规定。
②钢筋连接开始前及施工过程中,应对每批进场钢筋进行接头工艺检验,工艺检验应符合下列要求:a每种规格钢筋的接头试件不应少于3根;b对接头试件的钢筋母材应进行抗拉强度试验;c试件抗拉强度尚应大于等于0.95倍钢筋母材的实际抗拉强度。