延安地区煤矿分布
- 格式:doc
- 大小:17.00 KB
- 文档页数:3
延安煤矿可行性研究报告一、引言延安煤矿是位于陕西省延安市的一座大型煤矿,地处延川县毛坝镇,矿区总面积约为100平方公里,是目前国内最大的煤矿之一。
矿区内的煤炭储量丰富,品位较高,具有很高的开发利用价值。
为了探究延安煤矿的开发利用可能性,本报告通过对煤矿的地质和矿藏情况进行了详细的研究分析,通过对煤矿的可行性进行了全面评估,并提出了相应的开发利用建议。
二、煤矿地质情况分析1. 地质构造和地层条件延安煤矿地处陕北地区的延川县,地处渭河中游与黄河上游丘陵区的过渡地带,地势较为平缓,东西坡面倾斜,地势平坦,适合煤矿的开采。
煤矿所在地的地质结构为岩层构造,主要由石炭系云贵系、秦岭期、华蓥系等构成,煤矿厚度约为5-10米,煤炭储量丰富,具有很高的开采价值。
2. 煤矿地下水情况延安煤矿地下水丰富,主要分布在煤矿煤层之上,并呈现出地下水位沿着地势倾斜的趋势。
对于煤矿的开发利用来说,地下水的管理和利用是非常重要的一个方面,需要科学合理地进行规划和管理。
3. 煤矿矿山环境状况煤矿周围环境较为复杂,主要有农田、居民区、工业区等,需要对煤矿的开发利用对周围环境造成的影响进行充分的评估和规划,确保煤矿开发利用的可持续性。
三、煤矿可行性评估1. 市场需求分析随着国内经济的快速发展,对煤炭的需求越来越大。
延安煤矿地处西北地区,周围地区的城市化进程加快,对煤炭的需求量增加,市场需求广阔。
2. 技术、成本和效益分析煤矿开发利用需要投入大量的资金和技术支持,需要进行科学规划和设计,才能确保煤矿的开采效率和经济效益。
同时,煤炭的开采过程会产生大量的尘埃和废水等环境污染,需要进行科学的环境保护工作。
3. 政策和法律环境分析目前,国家对煤矿的开发利用有着严格的政策和法律规定,需要确保煤矿的开发利用符合国家的相关法律法规,遵守环保要求,确保矿山的可持续开发利用。
四、煤矿开发利用建议1. 提高技术水平为了提高煤炭的开采效率和经济效益,需要不断提高技术水平,引进先进的煤矿采矿设备和技术,提高开采效率和降低成本。
世上无难事,只要肯攀登陕西省延安市矿产资源及简介延安市位于陕西省北部。
市境总面积3556 平方公里,辖1 区7 镇17 乡、3 个街道办事处,583 个行政村,62 个居委会,总人口31.7 万人,其中非农业人口11.77 万。
年平均气温9.4℃,年日照2445 小时,年降雨量549.9 毫米,无霜期150 天左右,属大陆性半湿润半干旱气候。
延安古称延州,历来是陕北地区政治、经济、文化和军事中心。
城区处于宝塔山、清凉山、凤凰山三山鼎峙,延河、汾川河二水交汇之处的位置,成为兵家必争之地,有“塞上咽喉”、“军事重镇”之称,被誉为“三秦锁钥,五路襟喉”。
延安之名,始出于隋。
1937 年,中共中央进驻,同年设延安市,为陕甘宁边区政府所在地。
1949 年,改称县,1972 年,再设市至今,为国务院首批公布的全国24 个历史文化名城之一。
延安市地域辽阔,自然资源丰富。
全市土地总面积533.4 万亩,农业人均29 亩;有天然次生林163 万亩,木材蓄积量308 万立方米;以甘草、五加皮、寄生、牛蒡子、柴胡为主的中药材近200 种;有豹、狼、石鸡、杜鹃等兽类、鸟类100 余种;地表水资源达25423 立方米,地下水年开采总量500 多万立方米;而且土地肥沃,光照充足,适生作物品种多,具有发展种植业、畜牧业、林果业的良好条件。
除小麦、玉米、谷子、荞麦、黄豆、绿豆、红豆等粮食作物外,还盛产烤烟、蔬菜、花生、瓜类、薯类等经济作物。
延安矿产资源储量之大,分布之广,全国驰名,发展能源和加工业潜力很大。
现已探明的矿产资源有13 种,其中仅延安市就有煤炭储量5000 万吨,石油储量近8000 万吨,天然气储量14.6 亿立方米,石灰石储量100 万吨,白沙石储量180 万吨,紫砂陶土储量700 万吨,玻璃原料储量180 万吨,具有广阔的开发前景。
陕西省煤矿分布
陕西省是我国重要的煤炭工业基地之一,全省含煤总面积约57000km2,累计探明资源量1700亿吨,保有资源量位居全国第三位.这些资源主要分布在鄂尔多斯盆地及其边缘褶皱带,按照地质时代及地域分布情况,陕西省主要煤炭资源可分为五大煤田,即陕北侏罗纪煤田、陕北石炭二叠纪煤田,陕北三叠纪煤田、渭北石炭二叠纪煤田和黄陇侏罗纪煤田。
陕西省(总计661个,国有重点47个,国有地方81个,乡镇煤矿533个)。
248个)
铜川分局(总计139个,国有重点15个,国有地方24个,乡镇煤矿100个)
渭南分局(总计113个,国有重点10个,国有地方12个,乡镇煤矿91个)
蒲城县
咸阳分局(总计120个,国有重点5个,国有地方21个,乡镇煤矿94个)。
陕西省煤矿分布
陕西省是我国重要的煤炭工业基地之一,全省含煤总面积约57000km2,累计探明资源量1700亿吨,保有资源量位居全国第三位。
这些资源主要分布在鄂尔多斯盆地及其边缘褶皱带,按照地质时代及地域分布情况,陕西省主要煤炭资源可分为五大煤田,即陕北侏罗纪煤田、陕北石炭二叠纪煤田,陕北三叠纪煤田、渭北石炭二叠纪煤田和黄陇侏罗纪煤田。
陕西省(总计661个,国有重点47个,国
有地方81个,乡镇煤矿533个)。
248个)
铜川分局(总计139个,国有重点15个,国有地方24个,乡镇煤矿100个)
渭南分局(总计113个,国有重点10个,国有地方12个,乡镇煤矿91个)
咸阳分局(总计120个,国有重点5个,国有地方21个,乡镇煤矿94个)。
陕西煤炭资源概况及矿区划分情况一、陕西煤炭资源概况及矿区划分情况(一)陕西煤炭资源状况陕西预测煤炭资源总量为4143亿吨,仅次于新疆、内蒙和山西,居全国第四位。
按照地质时代及地域分布情况,陕西省主要煤炭资源可分为五大煤田,即陕北侏罗纪煤田、陕北石炭二叠纪煤田,陕北石炭三叠纪煤田、渭北石炭二叠纪煤田和黄陇侏罗纪煤田,五大煤田煤炭资源量占全省煤炭资源总量的%以上。
1、陕北侏罗纪煤田分布:府谷、神木、榆林、横山、靖边、定边煤层:可采煤层1~14层,可采总厚~,单层最大厚度为。
储量:煤炭资源量2216亿吨,约占全省煤炭资源总量的%;累计探明储量为1388亿吨,已利用亿吨,尚未利用1315亿吨。
该煤田是世界七大煤田之一。
煤种:不粘煤、长焰煤特点:低灰、低硫、低磷、高~特高热值,是优质的低温干馏、工业气化和动力用煤。
2、陕北石炭二叠纪煤田分布:府谷、佳县、吴堡?煤层:可采煤层11层,单层最大厚度为。
储量:煤炭资源量1190亿吨,约占全省煤炭资源总量的%;累计探明储量亿吨,已利用亿吨,尚未利用亿吨。
煤田地质结构较复杂,勘探程度较低。
煤种:(府谷)长焰煤、气煤;(吴堡)焦煤、贫煤特点:府谷的长焰煤、气煤具有中~高灰,特低~高硫、低~中磷、中高热值的特点,可作为气化、液化和动力用煤;吴堡的焦煤、肥煤、贫煤可做炼焦煤和炼焦配煤。
3、陕北三叠纪煤田分?布:延安、子长、安塞、横山煤层:可采煤层6层,一般单层厚度小于lm储量:煤炭资源量亿吨,约占全省煤炭资源总量的%;累计探明储量亿吨,已利用亿吨,尚未利用亿吨。
煤种:气煤特点:具有低~中灰、特低硫、低磷、中高发热量的特点,是良好的化工用煤及炼焦配煤4、渭北石炭二叠纪煤田分?布:韩城、合阳、澄县、蒲城、白水、铜川煤层:可采煤层2~6层,可采厚度~储量:煤炭资源量489亿吨,约占全省煤炭资源总量的%煤?种:瘦煤、贫煤及少量焦煤特?点:动力用煤、炼焦用煤5、黄陇侏罗纪煤田分?布:黄陵、铜川、耀县、旬邑、淳化、彬县、长武、永寿、麟游、千阳、陇县、凤翔煤层:仅1#、3#煤层可采(1#煤厚0~、3#煤厚0~)储量:煤炭资源量亿吨,约占全省煤炭资源总量的%;探明储量亿吨,已利用亿吨,尚未利用亿吨。
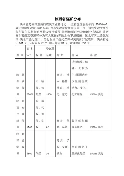
陕西省煤矿分布
陕西省是我国重要的煤炭工业基地之一,全省含煤总面积约57000km2,累计探明资源量1700亿吨,保有资源量位居全国第三位。
这些资源主要分布在鄂尔多斯盆地及其边缘褶皱带,按照地质时代及地域分布情况,陕西省主要煤炭资源可分为五大煤田,即陕北侏罗纪煤田、陕北石炭二叠纪煤田,陕北三叠纪煤田、渭北石炭二叠纪煤田和黄陇侏罗纪煤田。
陕西省(总计661个,国有重点47个,国有地方81个,乡镇煤矿533个)。
248个)
铜川分局(总计139个,国有重点15个,国有地方24个,乡镇煤矿100个)
渭南分局(总计113个,国有重点10个,国有地方12个,乡镇煤矿91个)
咸阳分局(总计120个,国有重点5个,国有地方21个,乡镇煤矿94个)。
陕西省煤矿分布
陕西省是我国重要的煤炭工业基地之一;全省含煤总面积约57000km2;累计探明资源量1700亿吨;保有资源量位居全国第三位..这些资源主要分布在鄂尔多斯盆地及其边缘褶皱带;按照地质时代及地域分布情况;陕西省主要煤炭资源可分为五大煤田;即陕北侏罗纪煤田、陕北石炭二叠纪煤田;陕北三叠纪煤田、渭北石炭二叠纪煤田和黄陇侏罗纪煤田..陕西省总
铜川分局总计139个;国有重点15个;国有地方24个;乡镇煤矿100个
渭南分局总计113个;国有重点10个;国有地方12个;乡镇煤矿91个
咸阳分局总计120个;国有重点5个;国有地方21个;乡镇煤矿94个。
一、陕西煤炭资源概况及矿区划分情况(一)陕西煤炭资源状况陕西预测煤炭资源总量为4143亿吨,仅次于新疆、内蒙和山西,居全国第四位。
按照地质时代及地域分布情况,陕西省主要煤炭资源可分为五大煤田,即陕北侏罗纪煤田、陕北石炭二叠纪煤田,陕北石炭三叠纪煤田、渭北石炭二叠纪煤田和黄陇侏罗纪煤田,五大煤田煤炭资源量占全省煤炭资源总量的99.9%以上。
1、陕北侏罗纪煤田分布:府谷、神木、榆林、横山、靖边、定边煤层:可采煤层1~14层,可采总厚0.7~26.89m,单层最大厚度为12.5m。
储量:煤炭资源量2216亿吨,约占全省煤炭资源总量的53.5%;累计探明储量为1388亿吨,已利用61.7亿吨,尚未利用1315亿吨。
该煤田是世界七大煤田之一。
煤种:不粘煤、长焰煤特点:低灰、低硫、低磷、高~特高热值,是优质的低温干馏、工业气化和动力用煤。
2、陕北石炭二叠纪煤田分布:府谷、佳县、吴堡煤层:可采煤层11层,单层最大厚度为15.47m。
储量:煤炭资源量1190亿吨,约占全省煤炭资源总量的28.7%;累计探明储量58.3亿吨,已利用4.5亿吨,尚未利用53.8亿吨。
煤田地质结构较复杂,勘探程度较低。
煤种:(府谷)长焰煤、气煤;(吴堡)焦煤、贫煤特点:府谷的长焰煤、气煤具有中~高灰,特低~高硫、低~中磷、中高热值的特点,可作为气化、液化和动力用煤;吴堡的焦煤、肥煤、贫煤可做炼焦煤和炼焦配煤。
3、陕北三叠纪煤田分布:延安、子长、安塞、横山煤层:可采煤层6层,一般单层厚度小于lm储量:煤炭资源量18.1亿吨,约占全省煤炭资源总量的0.4%;累计探明储量17.4亿吨,已利用5.3亿吨,尚未利用12.1亿吨。
煤种:气煤特点:具有低~中灰、特低硫、低磷、中高发热量的特点,是良好的化工用煤及炼焦配煤4、渭北石炭二叠纪煤田分布:韩城、合阳、澄县、蒲城、白水、铜川煤层:可采煤层2~6层,可采厚度7.98~30.58m储量:煤炭资源量489亿吨,约占全省煤炭资源总量的11.8%煤种:瘦煤、贫煤及少量焦煤特点:动力用煤、炼焦用煤5、黄陇侏罗纪煤田分布:黄陵、铜川、耀县、旬邑、淳化、彬县、长武、永寿、麟游、千阳、陇县、凤翔煤层:仅1#、3#煤层可采(1#煤厚0~2.93m、3#煤厚0~1.73m)储量:煤炭资源量230.5亿吨,约占全省煤炭资源总量的5.6%;探明储量139.2亿吨,已利用45.9亿吨,尚未利用93.3亿吨。
汝箕沟煤田延安组沉积环境与聚煤特征概述汝箕沟煤田位于中国陕西省南部,是长安-霍山断裂的东段。
其中,延安组是该煤田主要煤层组之一。
本文将主要介绍延安组的沉积环境特征以及聚煤特征。
延安组的沉积环境特征延安组的年龄为中侏罗世(Jurassic)中期,时代大约为1.63亿年前,包含了混积、湖相和碎屑岩等沉积环境,其中以碎屑岩为主。
碎屑岩岩石中的肉眼可见的矿物主要有石英、辉石、长石等。
砂石是总体砂粒组分,居次石粉、泥粉和黑色颗粒,其次是石英和长石。
煤层中普遍具有砂石层和泥岩层,但煤层中砂石层的厚度和分布不均匀。
煤层中的砂石层用光学显微镜观察,在煤、砂石层交界面主要以角、菱镁质粒状颗粒为主。
混积延安组的混积沉积环境主要出现在段塬组,以岩石碎片为主、砂岩为辅。
湖相延安组的湖相沉积环境主要出现在曾家庄组。
其中,曾家庄组的湖相沉积主要以泥页岩和泥岩为主,砂岩和泥灰岩也有分布,其中煤层位置上部为泥页岩、泥灰岩和泥岩等,下部为泥岩灰岩煤层序列。
延安组的聚煤特征延安组具有较为丰富的煤层资源,主要为泥炭煤、褐煤和无烟煤,其中以无烟煤为主。
延安组的煤系地层分布丰富,煤层厚度和质量都较为优良。
主要煤层为细粒煤和微细煤,富含有机质。
其中,无烟煤中灰分含量较低,热值高,挥发分指数和固定碳指数均高于其他煤种。
延安组的聚煤特征主要表现在以下几个方面:厚度和分布延安组的煤层厚度和分布较为稳定。
根据地质和综合勘探资料,延安组煤层厚度一般在1 ~ 20米之间,极厚达80米。
整个煤田的储量十分丰富,有效煤储量达200亿吨。
成熟度高延安组的煤层成熟度较高,属于高成熟度的含油/气体型煤,且其可提取深度较浅,容易开采和提取其中的油、气。
煤质特性良好延安组煤层的煤质特性良好,主要表现为高热值、低灰分等优点。
同时,其含有机量高,煤分类主要为褐色煤和无烟煤,其中无烟煤煤质优良,主要分布在煤系地层的上部地层。
结论综上所述,汝箕沟煤田的延安组具有丰富的煤层资源,煤系地层分布广泛,煤质特性良好。
2024年汝箕沟煤田延安组沉积环境与聚煤特征【引言】汝箕沟煤田位于中国陕西省延安市延川县境内,是中国著名的煤田之一。
该煤田主要产煤层为延安组,本文将着重分析2024年汝箕沟煤田延安组的沉积环境与聚煤特征。
【正文】一、汝箕沟煤田延安组的沉积环境延安组是一套由上至下依次为二叠系汝阳组、泾阳组、邓家组和下三叠统灵木泉组组成的陆相煤系。
根据地质考察和钻探资料,延安组主要发育在构造较为简单、岩性稳定的热水山向南延伸的喀斯特运动相环境中。
延安组的沉积环境主要包括湖相湖底边缘带、滩相河川和河床环境。
湖相湖底边缘带的沉积通过大面积的湖滨湿地和湖底构造区域形成,湖水水体稳定、水深较浅,有利于有机物的富集。
滩相河川是延安组的主要沉积环境,煤层也主要发育在滩相河川的侵蚀层和沉积层之间。
滩相河川环境中的碎屑物主要来自于山脉和丘陵的岩石风化和侵蚀,含有丰富的有机质。
河床环境是延安组的较低部分的主要沉积环境,河床的运动力较大,有利于砂质物质的淤积,也有利于有机质的保存。
二、汝箕沟煤田延安组的聚煤特征延安组的煤层主要发育在滩相河川和湖相湖底边缘带的沉积体中,呈现出以下几种特征。
1. 厚度较大:延安组的煤层厚度相对较大,一般在1-2米之间,最大的煤层厚度甚至可达到5米以上。
这是由于滩相河川环境中有机质的富集和湖相湖底边缘带水体稳定的特点所致。
2. 煤质较好:延安组的煤质以褐煤和无烟煤为主,煤的品位相对较高,煤的灰分较低,挥发分和固定碳的含量较高。
这与沉积环境中的有机质来源和沉积条件有关。
3. 含矿量丰富:延安组的煤层中含有丰富的矿物质,煤中含有的煤岩、泥岩和黏土矿物质较多,同时还含有少量的硫化物、草酸盐等。
这是由于滩相河川和湖相湖底边缘带富含矿物质的输入和沉积环境对矿物质的选择性富集所致。
4. 存煤条件良好:延安组的滩相河川和湖相湖底边缘带都具备很好的水文地质条件,煤层的发育和保存比较完整。
湖相湖底边缘带具有稳定的水体和较低的水动力,有利于有机质的积累和保存。
陕西省煤矿散布
陕西省是我国重要的煤炭工业基地之一,全省含煤总面积约57000km2,累计探明资本量1700亿吨,保有资本量位居全国第三位.这些资本重要散布在鄂尔多斯盆地及其边沿褶皱带,按照地质时期及地域散布情形,陕西省重要煤炭资本可分为五大煤田,即陕北侏罗纪煤田.陕北石炭二叠纪煤田,陕北三叠纪煤田.渭北石炭二叠纪煤田和黄陇侏罗纪煤田.陕西省(总计661个,国有重点47个,国有地方81个,乡镇煤矿533个).
榆林分局(总计289个,国有重点17个,国有地方24个,乡镇煤矿
248个)
铜川分局(总计139个,国有重点15个,国有地方24个,乡镇煤矿100个)
渭南分局(总计113个,国有重点10个,国有地方12个,乡镇煤矿91个)
咸阳分局(总计120个,国有重点5个,国有地方21个,乡镇煤矿94个)。
陕西省延安市矿产资源及简介世上无难事,只要肯攀登陕西省延安市矿产资源及简介延安市位于陕西省北部。
市境总面积3556 平方公里,辖1 区7 镇17 乡、3 个街道办事处,583 个行政村,62 个居委会,总人口31.7 万人,其中非农业人口11.77 万。
年平均气温9.4℃,年日照2445 小时,年降雨量549.9 毫米,无霜期150 天左右,属大陆性半湿润半干旱气候。
延安古称延州,历来是陕北地区政治、经济、文化和军事中心。
城区处于宝塔山、清凉山、凤凰山三山鼎峙,延河、汾川河二水交汇之处的位置,成为兵家必争之地,有“塞上咽喉”、“军事重镇”之称,被誉为“三秦锁钥,五路襟喉”。
延安之名,始出于隋。
1937 年,中共中央进驻,同年设延安市,为陕甘宁边区政府所在地。
1949 年,改称县,1972 年,再设市至今,为国务院首批公布的全国24 个历史文化名城之一。
延安市地域辽阔,自然资源丰富。
全市土地总面积533.4 万亩,农业人均29 亩;有天然次生林163 万亩,木材蓄积量308 万立方米;以甘草、五加皮、寄生、牛蒡子、柴胡为主的中药材近200 种;有豹、狼、石鸡、杜鹃等兽类、鸟类100 余种;地表水资源达25423 立方米,地下水年开采总量500 多万立方米;而且土地肥沃,光照充足,适生作物品种多,具有发展种植业、畜牧业、林果业的良好条件。
除小麦、玉米、谷子、荞麦、黄豆、绿豆、红豆等粮食作物外,还盛产烤烟、蔬菜、花生、瓜类、薯类等经济作物。
延安矿产资源储量之大,分布之广,全国驰名,发展能源和加工业潜力很大。
现已探明的矿产资源有13 种,其中仅延安市就有煤炭储量5000 万吨,石油储量近8000 万吨,天然气储量14.6 亿立方米,石灰石储量100 万吨,白沙石储量180 万吨,紫砂陶土储量700 万吨,玻璃原料储量180 万吨,具有广阔的开发前景。
子长县(国有地方5个,乡镇煤矿13个)
一.国有地方
1.子长县恒发煤炭股份合作公司
2.子长甄家沟煤业有限公司
3.子长南家咀矿业有限公司
4.延安市禾草沟煤矿
5.延安市禾草沟煤矿二号井
二.乡镇
1.子长县双富煤矿
2.子长县石家沟煤矿
3.子长县永明煤矿
4.子长县前进煤矿
5.子长县扇咀煤矿
6.子长县余家坪乡志安煤矿
7.子长县合营煤矿
8.子长县自备煤矿
9.子长县中达焦家沟煤矿
10.子长县洪水沟煤矿
11.子长县永兴煤矿
12.子长县天任煤矿
13.子长县兴旺煤矿
延川县(乡镇煤矿2个)
一.乡镇
1.延川县泰丰煤矿
2.延川县新泰煤矿
延长县(国有地方1个,乡镇煤矿2个)
一.国有地方
1.延长县石马科煤矿
二.乡镇
1.延长县郑庄镇刘塔煤矿
2.延长县郑庄联营煤矿
黄龙县(国有地方1个)
一.国有地方
1.黄龙县小寺庄煤矿有限责任公司
黄陵县(国有重点7个,国有地方5个,乡镇煤矿26个
一.国有重点
1.黄陵矿业集团公司一号煤矿
2.黄陵矿业集团公司二号煤矿
3.陕煤建司双龙煤矿
4.陕煤苍村煤业有限责任公司
5.陕煤瑞能煤业有限责任公司
6.蒲白黄陵建北煤矿
7.蒲白黄陵建新煤矿
二.国有地方
1.红石岩煤矿
2.延安市属车村煤矿
3.延安市属金龙公司(更名车村二号煤矿)
4.黄陵县属南川二号煤炭实业有限公司
5.黄陵县属南川一号煤炭实业有限公司
三.乡镇
1.黄陵县仓村乡金嘴沟煤矿
2.茂源煤矿
3.店头镇北川第一煤矿
4.李章河二矿
5.苍村乡苍村沟煤矿
6.沙场沟煤矿
7.超强煤矿
8.秋林子村办矿
9.寺湾村办二矿
10.康岩底南川二号矿
11.田庄镇石牛沟煤矿
12.隆坊镇下芋子沟煤矿
13.店头石牛沟东升矿
14.太贤乡石牛沟煤矿
15.店头镇曹家峪石牛沟煤矿
16.金穗煤矿
17.黄陵县阿党棋智煤矿
18.黄陵县明星煤业有限公司
19.黄陵县店头宏兴煤业有限公司
20.黄陵县天顺煤矿
21.黄陵县店头兴隆煤矿
22.黄陵县东方煤炭有限公司
23.黄陵县腾达煤矿
24.黄陵县平安煤业有限责任公司
25.黄陵县店头丰源煤矿
26.集贤煤矿
富县(国有地方1个,乡镇煤矿5个)
一.国有地方
1.富县牛武煤炭股份合作公司
二.乡镇
1.富县牛武镇柳梢湾煤矿
2.富县牛武镇郭家洼煤矿
3.富县牛武镇安喆煤矿
4.富县复兴煤矿
5.富县德馨煤矿
宝塔区(国有地方2个,乡镇煤矿6个)
一.国有地方
1.贯屯煤矿(市属,在宝塔)
2.延安市宝塔区建设煤矿
二.乡镇
1.延安市宝塔区红安煤业有限责任公司
2.延安市宝塔区新鑫源煤矿
3.延安市宝塔区宝贸煤矿有限责任公司
4.延安市宝塔区林坪煤业有限责任公司
5.延安市宝塔区四咀煤炭有限责任公司
6.宝塔区向华煤矿。