欧姆龙旋转编码器E6C2-C
- 格式:pdf
- 大小:402.81 KB
- 文档页数:4
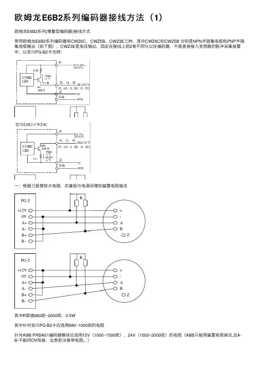
欧姆龙E6B2系列(增量型编码器)接线方式
常用欧姆龙E6B2系列编码器有CWZ6C、CWZ5B、CWZ3E三种,其中CWZ6C和CWZ5B 分别是NPN开路集电极和PNP开路集电极输出(如下图),CWZ3E是电压输出,因此在接线上前2者不同与以往编码器,不能直接接入变频器的脉冲采集装置中,以安川PG-B2卡为例:
一:根据三极管放大电路,在基极与电源间增加偏置电阻接法
其中R取值680欧~2000欧,0.5W
其中针对安川PG-B2卡应选用680~1000欧的电阻
针对ABB PRBA01编码器模块应选用15V(1000~1500欧),24V(1500~2000欧)的电阻(ABB只能用偏置电阻接法,且A-B-不能同OV短接,出差前注意带电阻。
)
若出现下列情况,则适当减少电阻阻值:
A:脉冲信号不稳定,编码器反馈数值波动较大
B:正方向信号反馈数值正常,负方向反馈数值基本没有
C:反馈数值响应慢,电机运行电流不正常
二:直连法
此接法经过实际运用信号正常,但有反映在超频下有可能发生异常,请在使用此连接方式时注意观察。
1054技术指南(技术篇) (1357)相关信息增量型 外径 φ40φ40的通用型■对应电源电压DC5~24V (集电极开路输出型)■外径φ40备有2000P/R的分辨率■具备使Z 相对简单化的原点位置显示功能■实现轴负重、径向30N 、推力向20N■附有逆接、负荷短路保护回路,改善了可靠性(也备有线性驱动输出)详情请参见1057页的「请正确使用」。
种类本体注.订货时除型号,还一定要指定分辨率。
(例:E6B2-CWZ6C 100P/R )附件(另售)详见「附件」→1116页电源电压输出方式分辨率(脉冲/旋转)型号DC5~24V集电极开路输出(NPN 输出)10、 20、 30、 40、 50、 60、 100、 200、 300、 360、 400、 500、 600E6B2-CWZ6C720、 800、 1,000、 1,0241,200、 1,500、 1,800、 2,000DC12~24V集电极开路输出(PNP 输出)100、 200、 360、 500、 600E6B2-CWZ5B1,0002,000DC5~12V电压输出10、 20、 30、 40、 50、 60、 100、 200、 300、 360、 400、 500、 600E6B2-CWZ3E1,0001,200、 1,500、 1,800、 2,000DC5V线性驱动输出10、 20、 30、 40、 50、 60、 100、 200、 300、 360、 400、 500、 600E6B2-CWZ1X1,000、 1,0241,200、 1,500、 1,800、 2,000种类型号备注耦合器E69-C06B 付于商品E69-C68B 不同直径型E69-C610B 不同直径型E69-C06M 金属型法兰盘E69-FBA——E69-FBA02伺服装置用安装配件附属于E69-2伺服装置用安装配件E69-2——E6B2-C1055额定值/性能*1.接通电源时,流过约有9A 的冲流。
omron编码器接线方法
Omron编码器通常有A、B两个通道,可以用来测量旋转或线性位移的运动。
以下是两个常见的Omron编码器接线方法。
1.基本接线方法:
a. 将编码器的Vcc(电源正极)引脚连接到电源的正极(通常为+5V 或+12V)。
b.将编码器的GND(电源负极)引脚连接到电源的负极或地线。
c.将编码器的A通道输出引脚连接到控制器或计数器的脉冲输入端(通常是一个数字输入引脚)。
d.将编码器的B通道输出引脚连接到控制器或计数器的另一个数字输入引脚。
e.如果需要,可以使用编码器的Z通道来提供零点信号。
将编码器的Z通道输出引脚连接到一个数字输入引脚。
2.差分接线方法:
a. 将编码器的Vcc(电源正极)引脚连接到电源的正极(通常为+5V 或+12V)。
b.将编码器的GND(电源负极)引脚连接到电源的负极或地线。
c. 将编码器的A+和A-引脚连接到控制器或计数器的脉冲输入端的差分输入(Differential Input)。
d.将编码器的B+和B-引脚连接到控制器或计数器的差分输入端的另一个差分输入。
e.如果需要,可以使用编码器的Z通道来提供零点信号。
将编码器的Z+和Z-引脚连接到控制器或计数器的差分输入端。
需要注意的是,接线方法可能有所不同,具体的接线方法应该根据实际的Omron编码器型号和使用的控制器或计数器来确定。
此外,在进行接线之前,请仔细阅读Omron编码器的使用手册和控制器或计数器的相关文档,确保正确地进行接线操作。
欧姆龙E6B2系列编码器接线⽅法(1)
欧姆龙E6B2系列(增量型编码器)接线⽅式
常⽤欧姆龙E6B2系列编码器有CWZ6C、CWZ5B、CWZ3E三种,其中CWZ6C和CWZ5B 分别是NPN开路集电极和PNP开路集电极输出(如下图),CWZ3E是电压输出,因此在接线上前2者不同与以往编码器,不能直接接⼊变频器的脉冲采集装置中,以安川PG-B2卡为例:
⼀:根据三极管放⼤电路,在基极与电源间增加偏置电阻接法
其中R取值680欧~2000欧,0.5W
其中针对安川PG-B2卡应选⽤680~1000欧的电阻
针对ABB PRBA01编码器模块应选⽤15V(1000~1500欧),24V(1500~2000欧)的电阻(ABB只能⽤偏置电阻接法,且A-B-不能同OV短接,出差前注意带电阻。
)
若出现下列情况,则适当减少电阻阻值:
A:脉冲信号不稳定,编码器反馈数值波动较⼤
B:正⽅向信号反馈数值正常,负⽅向反馈数值基本没有
C:反馈数值响应慢,电机运⾏电流不正常
⼆:直连法
此接法经过实际运⽤信号正常,但有反映在超频下有可能发⽣异常,请在使⽤此连接⽅式时注意观察。
1
欧姆龙E6B2系列(增量型编码器)接线方式
常用欧姆龙E6B2系列编码器有CWZ6C 、CWZ5B 、CWZ3E 三种,其中CWZ6C 和CWZ5B 分别是NPN 开路集电极和PNP 开路集电极输出(如下图),CWZ3E 是电压输出,因此在接线上前2
者不同与以往编码器,不能直接接入变频器的脉冲采集装置中,以安川PG-2卡为例:
一:根据三极管放大电路,在基极与电源间增加偏置电阻接法
2 其中R取值680欧~2000欧,
其中针对安川PG-B2卡应选用680~1000欧的电阻
针对ABB PRBA01编码器模块应选用 15V(1000~1500欧),24V(1500~2000欧)的电阻
(ABB只能用偏置电阻接法,且A-B-不能同OV短接,出差前注意带电阻。
)
若出现下列情况,则适当减少电阻阻值:
A:脉冲信号不稳定,编码器反馈数值波动较大
B:正方向信号反馈数值正常,负方向反馈数值基本没有
C:反馈数值响应慢,电机运行电流不正常
二:直连法
此接法经过实际运用信号正常,但有反映在超频下有可能发生异常,请在使用此连接方式时注意观察。
3。
旋转编码器与PLC的连接旋转编码器是一种光电式旋转测量装置,它将被测的角位移直接转换成数字信号(高速脉冲信号)。
因此可将旋转编码器的输出脉冲信号直接输入给PLC,利用PLC的高速计数器对其脉冲信号进行计数,以获得测量结果。
不同型号的旋转编码器,其输出脉冲的相数也不同,有的旋转编码器输出A、B、Z三相脉冲,有的只有A、B相两相,最简单的只有A相。
如图所示是输出两相脉冲的旋转编码器与FX系列PLC的连接示意图。
编码器有4条引线,其中2条是脉冲输出线,1条是COM端线,1条是电源线。
编码器的电源可以是外接电源,也可直接使用PLC的DC24V 电源。
电源“-”端要与编码器的COM端连接,“+ ”与编码器的电源端连接。
编码器的COM端与PLC输入COM端连接,A、B两相脉冲输出线直接与PLC的输入端连接,连接时要注意PLC输入的响应时间。
有的旋转编码器还有一条屏蔽线,使用时要将屏蔽线接地。
说明:本文以三菱FX系列PLC与欧姆龙E6B2-CWZ6C型旋转编码器为例,介绍编码器与PLC的硬件接线方式。
对于其他系列以及使用高速计数模块时,接线方法要参考该手册说明。
而接到某端子对应的计数器号,需要参考《三菱FX编程手册》中关于高速计数器的说明。
收集的OMRON编码器的资料1、想问CQM1H PLC的九针接口能直接与手提电脑的USB接口用USB转232这条线通信吗?如果CQM1H PLC的九针接口与电脑的九针接口通信,要怎样连接这个通信线呢,请你帮助!。
1)CQM1H的232口直接和计算机9针口通信的话,用XW2Z-200S-CV或自己接线PLC 计算机2-------23-------34-------85-------79-------52)如果和计算机的USB通信,在电缆上再加个CS1W-CIF31就可以了。
2、我现在想通过触摸屏NT30C对CQM1 CPU21进行控制,不知在PLC中应如何来进行设置,NT30C如何来进行设置,才能进行通讯,通讯线怎么制造,请指教!CQM1-CPU21的DIP5为#ONNT30C中,系统菜单-维护菜单中-内存开关-通讯232C口设为hostlink9600即可PLC中做个程序,为NT控制字首字对应的PLC地址內赋"1"电缆:PLC NT2 33 29 9两边4,5自己短接3、 Omron的E6C3是绝对型NPN型编码器,它的零点可以改变吗?不能的零点是内部的码盘定的4、请教各位编码器有输出开关量信号的吗?是不是都是输出4-20mA或其它模拟量信号的?如果用模拟量信号怎样转化为开关量信号?编码器具体是如何安装的?谢谢!我们的编码器没有模拟量输出的,都是开关量的.比如电压输出,集电极,互不和线驱动输出型.安装是通过法兰盘来实现的5、请问你们的编码器具体输出是什么信号的?如果是开关量的话,电压输出,集电极,互不和线驱动输出型又具体指的是什么?可不可以像继电器输出一样的有触点?安装如果通过法兰盘来实现的话,能讲具体点吗?万分感谢!编码器输出的是脉冲信号,集电极开路输出的是晶体管的通道状态。
e6b2- cwz3的技术参数
E6B2-CWZ3是一款光电式绝对式编码器,由欧姆龙公司生产。
它采用灰色编码方式,既可以测量角度也可以测量线性位移。
下面是E6B2-CWZ3的详细技术参数:
1. 分辨率:压缩型分辨率为180分辨率/转,非压缩型分辨率为360分辨率/转,线性分辨率为5um/步。
2. 防抖动性能:具有优异的防抖动性能,同时可以通过相关的过滤器将防抖动性能进一步提升。
3. 输出接口:具有通用的输出接口设计,可以适应多种口径的轴、传感器、配件等不同的连接方式。
4. 运行温度范围:-10℃到70℃,适用于不同环境条件下的应用需求。
5. 电压要求:输出电压为TTL(5V)或者RS-422(12-24V)两种,适应多种电压需求。
6. 信号输出:具有A/B相位差异信号输出、Z相位标志信号输出和选择性反转信号输出等多种信号输出方式。
7. 集成度:E6B2-CWZ3本身具有高度集成度,可以实现在非常小的体积内嵌入多种功能,并且接线极为简便。
8. 适应性:具有非常高的适应性,可以适应多种不同的应用场景,例如工业生产自动化、办公设备、医疗设备、军事设备等各种领域。
总的来说,E6B2-CWZ3的特点是具有精准的测量功能、高度集成的设计、广泛的适应性以及可靠的性能表现,可以满足多种不同的应用需求。
公司是欧姆龙一级代理商,价格优势明显,质量有保证,有大量库存,供货期短。
欢迎新老客户来电查询联系人:1 3 5 2 0 1 1 5 8 9 1 传0 1 0- 8 0 1 1 5 5 5 5转7 5 9 7 1 13F88L-RS173G3IV-PLKEB45P53G3JV-MANUAL3G3JZ-AB0223G3MV-A4075(YES)3G3MZ-A2004-ZV23G3MZ-A2007-ZV23G3MZ-A2015-ZV23G3MZ-A2055-ZV23G3RV-B418K-ZV13G3RV-B422K-ZV13G3RV-B4900-ZV13G3RX-A4220-Z43767-0010 MC374005-3066 UM5-3066C200H-ATT01C200H-BC101-V2C200H-CP114C200H-DA001C200H-DA002C200H-ID218C200H-ID501C200H-NC111C200H-OD501C200H-TS001C200HW-COM01C200HW-COM05-EV1C200HW-DRM21-V1C200HW-NC213C500-CE405CJ1W-OD263CP1W-20EDT1(Q)CP1W-40EDT1CPM1A-20EDT1CPM1A-40CDT-A-V1 CPM2A-20CDR-DCPM2A-20CDT-DCPM2A-30CDR-DCQM1-ID211CQM1-ME04RCQM1H-PLB21CRT1-AD04CS1D-CPU44SCS1H-CPU66HCS1H-CPU67HCS1W-BAT01CS1W-BI033CS1W-CN224CS1W-OC201CS1W-PDC55CS1W-SCU31-V1D4N-212GDRT1-232C2DRT2-AD04E2E-X10D1S DC12-24 2ME3X-DAC21-S 2ME5AZ-C3E5AZ-Q3E5AZ-R3E5CN-Q2HBT AC100-240 (Q)E5CN-R2HBT AC100-240 (Q)E5CN-R2T AC100-240 (Q)E5CZ-Q2 AC100-240E5CZ-R2MT AC100-240E5EZ-C3E6C2-CWZ6C 1024P/R 2M BY OMSG3JA-C425B AC100-240 FOR CHINA G3JA-C430B AC100-240 FOR CHINA G3JA-C437B AC100-240 FOR CHINA G3JA-D420B AC100-240 FOR CHINA G3JA-D425B AC100-240 FOR CHINA G3JA-D432B AC100-240 FOR CHINA G3JA-D451B AC100-240 FOR CHINA G3PB-535B-2N-VD DC12-24H5CN-XCN AC100-240H5F-BMKS2P DC12MKS3P-5 DC48MPT-CN550NS10-TV01B-V2R7A-CNB01S-ZR7A-CNB01SB-ZR7A-CNZ01C-ZR7D-AP04HR7D-AP08HR7D-BP01H-ZR7D-BP02H-ZR7D-BP02HH-ZR7D-BP04H-ZR7D-ZP01HR7D-ZP02HR7M-A40030-S1R7M-A75030-S1R7M-Z10030-S1ZR7M-Z20030-S1ZR88A-CNG01SB-ZR88D-GN01H-ML2-ZR88D-GN02H-ML2-ZR88D-GN04H-ML2-ZR88D-GN08H-ML2-ZR88D-GN10H-ML2-ZR88D-GN15H-ML2-ZR88D-GN20H-ML2-ZR88D-GN50H-ML2-ZR88D-GN75H-ML2-ZR88D-GT50H-ZR88D-GT75H-ZR88D-WN08H-ML2R88D-WN10H-ML2R88M-G10030H-BS2-Z R88M-G10030H-ZR88M-G1K020H-S2-Z R88M-G1K020H-ZR88M-G1K020T-BS2-Z R88M-G1K020T-S2-Z R88M-G1K020T-ZR88M-G1K030H-BS2-Z R88M-G1K030H-S2-Z R88M-G1K030H-ZR88M-G1K030T-S2-Z R88M-G1K520H-BS2-Z R88M-G1K520H-S2-Z R88M-G1K520H-ZR88M-G1K520T-BS2-Z R88M-G1K520T-S2-Z R88M-G1K520T-ZR88M-G1K530H-S2-Z R88M-G1K530T-S2-Z R88M-G20030H-BS2-Z R88M-G20030T-BS2-Z R88M-G20030T-S2-Z R88M-G2K010H-S2-Z R88M-G2K010H-ZR88M-G2K010T-S2-Z R88M-G2K010T-ZR88M-G2K020H-BS2-Z R88M-G2K020H-S2-Z R88M-G2K020H-ZR88M-G2K020T-S2-ZR88M-G2K030H-S2-Z R88M-G2K030T-S2-Z R88M-G3K010H-BS2-Z R88M-G3K010H-S2-Z R88M-G3K010H-ZR88M-G3K010T-S2-Z R88M-G3K020H-BS2-Z R88M-G3K020H-S2-Z R88M-G3K020H-ZR88M-G3K020T-S2-Z R88M-G3K020T-ZR88M-G3K030H-BS2-Z R88M-G3K030H-S2-Z R88M-G3K030H-ZR88M-G40030H-B-ZR88M-G40030H-BS2-Z R88M-G40030H-ZR88M-G40030T-BS2-Z R88M-G40030T-S2-Z R88M-G4K020H-BS2-Z R88M-G4K020H-S2-Z R88M-G4K020T-S2-Z R88M-G4K030H-BS2-Z R88M-G4K030H-S2-Z R88M-G4K510H-BS2-Z R88M-G4K510H-S2-Z R88M-G4K510T-S2-Z R88M-G5K020H-BS2-ZR88M-G5K030H-BS2-ZR88M-G5K030H-S2-ZR88M-G6K010H-BS2-ZR88M-G6K010H-S2-ZR88M-G75030H-BS2-ZR88M-G75030T-BS2-ZR88M-G75030T-S2-ZR88M-G7K515H-BS2-ZR88M-G7K515H-S2-ZR88M-G7K515T-S2-ZR88M-G90010T-S2-ZR88M-GP10030H-ZR88M-GP40030H-ZR88M-W10030T-S1SH-001-01MSH-001-03MSH-001-05MSH-001-10MV400-W23 3MV400-W24 3MWLCA32-41ZR-RX20A-CHROZR-RX40A-CHROZR-XRB1ZR-XRE1我公司是欧姆龙一级代理商,价格优势明显,质量有保证,有大量库存,供货期短。
旋转编码器与P L C的连接HEN system office room 【HEN16H-HENS2AHENS8Q8-HENH1688】旋转编码器与PLC的连接旋转编码器是一种光电式旋转测量装置,它将被测的角位移直接转换成数字信号(高速脉冲信号)。
因此可将旋转编码器的输出脉冲信号直接输入给PLC,利用PLC的高速计数器对其脉冲信号进行计数,以获得测量结果。
不同型号的旋转编码器,其输出脉冲的相数也不同,有的旋转编码器输出A、B、Z三相脉冲,有的只有A、B相两相,最简单的只有A相。
如图所示是输出两相脉冲的旋转编码器与FX系列PLC的连接示意图。
编码器有4条引线,其中2条是脉冲输出线,1条是COM端线,1条是电源线。
编码器的电源可以是外接电源,也可直接使用PLC的DC24V电源。
电源“-”端要与编码器的COM端连接,“+”与编码器的电源端连接。
编码器的COM端与PLC输入COM端连接,A、B两相脉冲输出线直接与PLC的输入端连接,连接时要注意PLC输入的响应时间。
有的旋转编码器还有一条屏蔽线,使用时要将屏蔽线接地。
说明:本文以三菱FX系列PLC与欧姆龙E6B2-CWZ6C型旋转编码器为例,介绍编码器与PLC的硬件接线方式。
对于其他系列以及使用高速计数模块时,接线方法要参考该手册说明。
而接到某端子对应的计数器号,需要参考《三菱FX编程手册》中关于高速计数器的说明。
收集的OMRON编码器的资料1、想问CQM1HPLC的九针接口能直接与手提电脑的USB接口用USB转232这条线通信吗如果CQM1HPLC的九针接口与电脑的九针接口通信,要怎样连接这个通信线呢,请你帮助!。
1)CQM1H的232口直接和计算机9针口通信的话,用XW2Z-200S-CV或自己接线PLC?计算机2-------23-------34-------85-------79-------52)如果和计算机的USB通信,在电缆上再加个CS1W-CIF31就可以了。
编码器正确的接线
(1)正确接线至关重要,如图1 为NPN 输出增量型E6B2-CWZ6C 的接线原理,图2 为NPN 输出增量型
E6B2-CWZ6C 的实际接线,棕色线接电源正极,蓝色线接电源负极,黑色线接输入0.00,白色线接输入0.01,橙色线接输入0.04,PLC 的COM 接电源正极。
(2)下图为PNP 输出增量型E6B2-CWZ6B 的实际接线图,棕色线接电源正极,蓝色线接电源负极,黑色线接输入0.00,白色线接输入0.01,橙色线接输入0.04,PLC 的COM 接电源负极。
(3)图1 为绝对值型编码器的线与PLC 输入的点的对应图,图2 为NPN 输出绝对值型E6C3-AG5C 的实际接线图,红色线接电源正极,黑色线接电源负极,褐色线接输入0.00,橙色线接输入0.01,黄色线接输入0.02,绿色线接输入0.03,蓝色线接输入0.04,紫色线接输入0.05,灰色线接输入0.06,白色线接输入0.07,粉色线接输入0.08,PLC 的COM 接电源正极。
(4)下图为PNP 输出绝对值型E6C3-AG5B 的实际接线图,红色线接电源正极,黑色线接电源负极,褐色线接输入0.00,橙色线接输入0.01,黄色线接输入0.02,绿色线接输入0.03,蓝色线接输入0.04,紫色线接输入0.05,灰色线接输入0.06,白色线接输入0.07,粉色线接输入0.08,PLC 的COM 接电源负极。
(5)图1 为线驱动编码器的接线原理,图2 为实际接线图,黑色线接A0+,黑红镶边线A0-,白色线接B0+,白红镶边线接B0-, 橙色线接Z0+,橙红镶边线接Z0-,褐色线接电源+5V,蓝色线接电源0V,切勿接线错误。
ROTARY ABSOLUTE ENCODERS500P/R 4.3~A 相,A 相B 相Z 相NPN 、PNP 开路输出,电压输出A 6 C 2 - C WZ 6C A:绝对式编码器 C:增量式编码器S:单相输出(单“”相)W:多相输出 (双相“A 、B ”相)A Z:带复位相输出(零位)1:DC5V2:DC12V3:DC5~12VB: PNP 开路输出PNP C: NPN 开路输出E: 电压输出 G: 互补输出X: 线性驱动输出外 径 W:20mm A:25mm B:40mm C: H ΦΦΦ50Φ66设计号:中空轴编码器Φmm D:mm 4:DC24V 5:DC12~24V 6:DC4.5~36VE6C2-C E6C3-C E6C3-C H 4.336VDC A 相,A 相B 相,相Z 相,A 相B 相Z 相E6C2-C H 4.3~36VDC 5VDC 10 2500P/R 、PNP 开路输出,电压输出、互补输出、线性驱动输出A 相,A 相B 相,A 相,A 相B 相Z 相PNP 开路输出,电压输出、互补输出、线性驱动输出10 3600P/R 10~ 2500P/R 10~ 5000P/R10~ 3000P/R4.3~,5VDC 10~ 5000P/RA 相,A相B相,相Z相,A相B相Z相E6G1-C E6G2-C E6G3-C TRD50-J-10~ 5000P/RE6G2-C E6G3-C E6G5-C E6G6-C4.3~36VDC5VDC10~ 3000P/RNPN、PNP开路输出,电压输出、互补输出、线性驱动输出A 相,A相B相,A相B相相,A相B相Z相10~ 1000P/R OIH48-CIH63-4.3~36VDC 1000~ 3600P/R 1000~ 5000P/R 100~ 6000P/R 100~ 8192P/R 、PNP 开路输出,电压输出、互补输出、线性驱动输出A 相,A 相B 相,A 相,A 相B 相,Z 相,A 相B 相Z 相Aging products CIH50-CIH10010~ 2500P/R10~ 5000P/R E50S8支架J300、200轮编码器止口法兰4.3~36VDC 10~ 3000P/R 、PNP 开路输出相,A 相B 相 4.3~36VDC A 相,B 相,A 相B 相Z 相,相J300*1-38-A 、B 或A 、B 100P/R256 2048P/R 4.336VDC NPN 开路输出,电压输出联轴器COUPLINGCR-D×L-CRJ-D×L CM-D×L CB-D L-×D13*21 d4-4D15*22 d6-6D19*23.6 d8-8D:12~44 L:18~40d:315Φ~D:16~50 L:23~68d:326Φ~D:16~40 L:27~49d:416Φ~D:19~68 L:30~68d:330Φ~D:19~38 L:22~52d:330Φ~D:20~100 L:25~120d:440Φ~D:26 L:50d:410Φ~CP1-D×L CB-D L ×C -D×L T 外 形CP2-D×L 规 格。
OMRONE6A2-CS3C 100P/R 0.5M E6A2-CS3C 100P/R 2ME6A2-CS3C 10P/R 0.5M E6A2-CS3C 10P/R 2ME6A2-CS3C 200P/R 0.5M E6A2-CS3C 200P/R 2ME6A2-CS3C 300P/R 0.5M E6A2-CS3C 300P/R 2ME6A2-CS3C 360P/R 0.5M E6A2-CS3C 360P/R 2ME6A2-CS3C 500P/R 0.5M E6A2-CS3C 60P/R 0.5M E6A2-CS3C 60P/R 2ME6A2-CS3E 100P/R 0.5M E6A2-CS3E 100P/R 2ME6A2-CS3E 10P/R 0.5M E6A2-CS3E 10P/R 2ME6A2-CS3E 200P/R 0.5M E6A2-CS3E 200P/R 2ME6A2-CS3E 300P/R 0.5M E6A2-CS3E 300P/R 2ME6A2-CS3E 360P/R 0.5M E6A2-CS3E 360P/R 2ME6A2-CS3E 500P/R 0.5M E6A2-CS3E 60P/R 0.5M E6A2-CS3E 60P/R 2ME6A2-CS5C 100P/R 0.5M E6A2-CS5C 100P/R 2ME6A2-CS5C 10P/R 0.5M E6A2-CS5C 10P/R 2ME6A2-CS5C 200P/R 0.5M E6A2-CS5C 200P/R 2ME6A2-CS5C 20P/R 0.5M E6A2-CS5C 300P/R 0.5M E6A2-CS5C 300P/R 2ME6A2-CS5C 360P/R 0.5M E6A2-CS5C 360P/R 2ME6A2-CS5C 500P/R 0.5M E6A2-CS5C 60P/R 0.5M E6A2-CS5C 60P/R 2ME6A2-CW3C 100P/R 0.5M E6A2-CW3C 100P/R 2M E6A2-CW3C 200P/R 0.5M E6A2-CW3C 200P/R 2M E6A2-CW3C 360P/R 0.5M E6A2-CW3C 500P/R 0.5M E6A2-CW3E 100P/R 0.5M E6A2-CW3E 100P/R 2M E6A2-CW3E 200P/R 0.5M E6A2-CW3E 200P/R 2M E6A2-CW3E 360P/R 0.5M E6A2-CW3E 500P/R 0.5M E6A2-CW5C 100P/R 0.5M E6A2-CW5C 100P/R 2M E6A2-CW5C 100P/R 5M E6A2-CW5C 200P/R 0.5M E6A2-CW5C 200P/R 2M E6A2-CW5C 360P/R 0.5M E6A2-CW5C 500P/R 0.5ME6FAbsolute Rotary Encoder E6F Absolute Encoders with BCD andGray Code Outputs360° position model with BCD output allowsdetection of shaft angle in units of 1°s Gray code output model offers 256 pulsesper revolution for 8-bit resolutions Rugged construction: 10 mm (0.4 inch)diameter shaft with radial load ratings of10 kgf (72.3 ft•lbs) and axial load rating of3 kg (21.7 ft•lbs)s High speed, high precision positioningwith programmable control when used incombination with Omron’s H8PR or H8PSCam PositionersOrdering Informations ENCODERSEncoders with a "-C" in the part number have a cable that terminates in a connector for Omron’s H8PS and H8PR Cam Positioners.Resolution (pulses/revolution)Output code Output form Supply voltage Cable termination Part number10-bit (360 pulses/revolution)BCD Open collector 5 to 12 VDC Wire bundle E6F-AB3C 360 2MConnector E6F-AB3C-C 360 2M 8-bit (256 pulses/revolution)Gray code Open collector12 to 24 VDC Connector E6F-AG5C-Cs ACCESSORIESDescription Part numberShaft coupler (supplied with E6F-AB3C 360 2M only)E69-C10BExtension cable, 5 m (16.40 ft) for E6F-AB3C-C 360 2M and E6F-AG5C-C encoders E69-DF5s REPLACEMENT PARTSDescription Part number Mounting brackets (set of 3) supplied with each E6F encoder E69-FCA-022E6FE6F 3SpecificationsE6FE6F4s TIMING CHARTShaft rotation: Clockwise as viewed from the shaftDimensionsUnit: mm (inch)s ENCODERSON OFFON OFF ON OFF ON OFF ON OFF ON OFF ON OFF ON OFF 2726252423222120Address 0 1 2 3 4 5 6 7 8 9 10 11 12 13 14 15 16 17 18 19 20 21 22 23 24 25 26 27 28OutputONON ON ON ON 20x1023222120ON21x10Address 0 1 2 3 4 5 6 7 8 9 10 11 12 13 14 15 16 17 18 19 20 21 22Note:*Oil-resistant, vinyl-insulated and shielded cable is 2 m (6.56 ft) long. The E6F-AB3C encoder terminates with a 6 mm OD wire bundle.••E6F-AB3C-C and E6F-AG5C-C encoders terminate in a connector that fits H8PR and H8PS Cam Positioners.*60(2.36)dia.110 dia.1554(2.13)dia.40(1.57)dia.314 max.20005360 (2.36)85 (3.35)20 (0.79)16.9 (0.66) dia.E6FE6F5.5 mm (0.22 dia.) holeTwo C1816 (0.63)9 (0.35)18(0.71)16(0.63)72 ±0.2 (2.84) dia.120°120°120°PanelThree M540(1.57)dia.25.1s MOUNTING BRACKET E69-FCA-023.1s ACCESSORIESShaft Coupler E69-C10BExtension Cable E69-DF5Note:1.Material: Glass-filled polybutadiene terephthalate (PBT).2. A coupler is supplied with E6F-AB3C encoder.3.Each set screw must be tightened to 2.5 kg-cm (2.17 in-lbs)16.9 (0.66) d37 (1.46)34.6 (1.36).66) dia.Oil-resistant, vinyl-insulated and shielded cable,6 mm OD, 5 m (16.40 ft.) length5,000OMRON ELECTRONICS LLCOMRON CANADA, INC.One East Commerce Drive 885 Milner AvenueSchaumburg, IL 60173Scarborough, Ontario M1B 5V81-800-55-OMRON416-286-6465Cat. No. CEDSAX411/01Specifications subject to change without notice.Printed in the U.S.A.。
欧姆龙E6B2系列(增量型编码器)接线方式
常用欧姆龙E6B2系列编码器有CWZ6C、CWZ5B、CWZ3E三种,其中CWZ6C和CWZ5B 分别是NPN开路集电极和PNP开路集电极输出(如下图),CWZ3E是电压输出,因此在接线上前2者不同与以往编码器,不能直接接入变频器的脉冲采集装置中,以安川PG-2卡为例:
一:根据三极管放大电路,在基极与电源间增加偏置电阻接法
其中R取值680欧~2000欧,0.5W
其中针对安川PG-B2卡应选用680~1000欧的电阻
针对ABB PRBA01编码器模块应选用15V(1000~1500欧),24V(1500~2000欧)的电阻(ABB只能用偏置电阻接法,且A-B-不能同OV短接,出差前注意带电阻。
)
若出现下列情况,则适当减少电阻阻值:
A:脉冲信号不稳定,编码器反馈数值波动较大
B:正方向信号反馈数值正常,负方向反馈数值基本没有
C:反馈数值响应慢,电机运行电流不正常
二:直连法
此接法经过实际运用信号正常,但有反映在超频下有可能发生异常,请在使用此连接方式时注意观察。
1
欧姆龙E6B2系列(增量型编码器)接线方式
常用欧姆龙E6B2系列编码器有CWZ6C 、CWZ5B 、CWZ3E 三种,其中CWZ6C 和CWZ5B 分别是NPN 开路集电极和PNP 开路集电极输出(如下图),CWZ3E 是电压输出,因此在接线上前2
者不同与以往编码器,不能直接接入变频器的脉冲采集装置中,以安川PG-2卡为例:
一:根据三极管放大电路,在集极与电源间增加偏置电阻接法
2 其中R取值680欧~2000欧,
其中针对安川PG-B2卡应选用680~1000欧的电阻
针对ABB PRBA01编码器模块应选用 15V(1000~1500欧),24V(1500~2000欧)的电阻
(ABB只能用偏置电阻接法,且A-B-不能同OV短接,出差前注意带电阻。
)
若出现下列情况,则适当减少电阻阻值:
A:脉冲信号不稳定,编码器反馈数值波动较大
B:正方向信号反馈数值正常,负方向反馈数值基本没有
C:反馈数值响应慢,电机运行电流不正常
二:直连法
此接法经过实际运用信号正常,但有反映在超频下有可能发生异常,请在使用此连接方式时注意观察。
3。
欧姆龙E6B2系列(增量型编码器)接线方式
常用欧姆龙E6B2系列编码器有CWZ6C、CWZ5B、CWZ3E三种,其中CWZ6C和CWZ5B分别是NPN开路集电极和PNP开路集电极输出(如下图),CWZ3E是电压输出,因此在接线上前2者不同与以往编码器,不能直接接入变频器的脉冲采集装置中,以安川PG-2卡为例:
一:根据三极管放大电路,在基极与电源间增加偏置电阻接法
页脚内容1
其中R取值680欧~2000欧,0.5W
其中针对安川PG-B2卡应选用680~1000欧的电阻
针对ABB PRBA01编码器模块应选用15V(1000~1500欧),24V(1500~2000欧)的电阻(ABB只能用偏置电阻接法,且A-B-不能同OV短接,出差前注意带电阻。
)
若出现下列情况,则适当减少电阻阻值:
A:脉冲信号不稳定,编码器反馈数值波动较大
B:正方向信号反馈数值正常,负方向反馈数值基本没有
C:反馈数值响应慢,电机运行电流不正常
二:直连法
此接法经过实际运用信号正常,但有反映在超频下有可能发生异常,请在使用此连接方式时注意观察。
页脚内容3。