两段式煤气发生炉操作规程
- 格式:doc
- 大小:319.00 KB
- 文档页数:41
两段式煤气发生炉操作规程、烘炉新建或大修后的两段炉,由于干馏段砌有大量的耐火砖,耐火砖砌体中含有一定的水分,为排出水分使耐火砖体寿命符合工艺技术要求,要采取缓慢逐渐升温的措施将耐火砖砌体烘干(即将炉子烘干)。
具体的操作步骤如下:1.发生炉经单体,冷态调试后,具备烘炉条件。
2.首先装炉渣,用筛过的20-50mm 的炉渣由人孔装入,高出炉篦200mm,呈馒头状。
3.向灰盘、炉底水封.钟罩阀水封注水,汽包、夹套注软化水,达到规定水位。
4.在上、下段探火孔中各插入一根热电偶,以测量烘炉温度。
烘炉的烟气自上段钟罩阀放散排出。
5.向炉内装入木柴,并点燃木柴。
6.严格执行烘炉曲线。
7.严格执行烘炉升温曲线,一周后烘炉结束,经检查一切正常,方可投入使用。
二、点炉培养层次1.烘炉结束后,经检查耐火砖砌体完好无损,即可进行点炉。
2.重新装渣,装木柴。
重复点炉步骤。
3.在培养层次的过程中,逐步加大煤量,达到规定料位。
4.取样分析煤气成分合格,即可送气。
5.两段炉气化用煤符合GB50195-94《煤气站设计手册》中规定的质量要求。
三、送气1.接到站长送气通知,通知用户。
2.首先要对站内设备和管道进行气体置换,取样化验,煤气中的O2<0.4%时,启动煤气加压机,待运转正常后,送至用气单位。
3.有煤气贮气柜的要先将柜内气体置换好,在气柜顶部放散管处取样,在煤气质量合格,气柜达到规定容积后,再启动煤气加压机向用户供气。
4.调整外供煤气压力,达到规定工艺要求,通知用户点燃窑炉喷嘴。
四、炉况基本操作工艺参数1.每 1 小时插钎1 次,插相隔3孔,根据炉况调整饱和温度,加煤、出灰,并做好记录。
2.定期巡检各设备运转情况,保证水封高度,及时清理水封中的沉积物。
3.汽包、夹套及时补充软化水,确保不缺水;每班排污两次。
4.操作参数如下(供参考):⑴气化层厚度:火层:100—200mm中灰:150—300mm边灰:1000—1200mm⑵饱和温度:55 士。
双段煤气发生炉操作规程《双段煤气发生炉操作规程》一、前言双段煤气发生炉是一种常见的工业设备,用于生产一氧化碳和氢气。
为了保障工作安全,提高生产效率,制定了以下操作规程。
二、设备准备1. 检查煤气发生炉的外部和内部结构是否完整,是否有漏风、漏气、漏水等现象。
2. 检查进料设备、出料设备、除渣设备等是否正常运转,是否有异常声音或异常振动。
3. 检查燃烧设备的燃烧器、点火器、火焰监测器等是否正常。
三、开机操作1. 打开供煤系统、风机系统、水系统等设备,逐步启动每一部分设备,确保设备正常运转。
2. 按照操作规程逐步打开煤气发生炉的各个阀门,注意操作顺序,避免产生危险。
3. 通过监测仪表、仪器等设备,检查煤气发生炉的运行参数是否正常,如炉温、炉压、煤气产量等。
四、运行操作1. 在运行过程中,密切关注各个设备的运行状态,如流量计、温度计、压力表等,确保运行参数在正常范围内。
2. 经常巡视煤气发生炉的燃烧情况,是否出现异常情况,如燃烧不充分、烟气排放浓度过高等。
3. 注意煤气发生炉的烟气处理,如确保烟气排放符合环保标准、定期清理烟囱、安装烟气监测系统等。
五、停机操作1. 停止供煤系统、风机系统、水系统等设备,逐步关闭每一部分设备,确保设备安全停机。
2. 根据操作规程逐步关闭煤气发生炉的各个阀门,注意操作顺序,避免产生危险。
3. 检查停机后的煤气发生炉各部分设备是否有漏气、漏水等现象,排除故障。
六、安全注意事项1. 运行操作人员必须经过相关的培训和考核,持证上岗。
2. 严格遵守操作规程,不得擅自更改设备运行参数。
3. 定期对煤气发生炉进行检修、保养,确保设备处于良好状态。
以上就是关于双段煤气发生炉操作规程的详细介绍,希望能对相关人员的操作提供一些帮助。
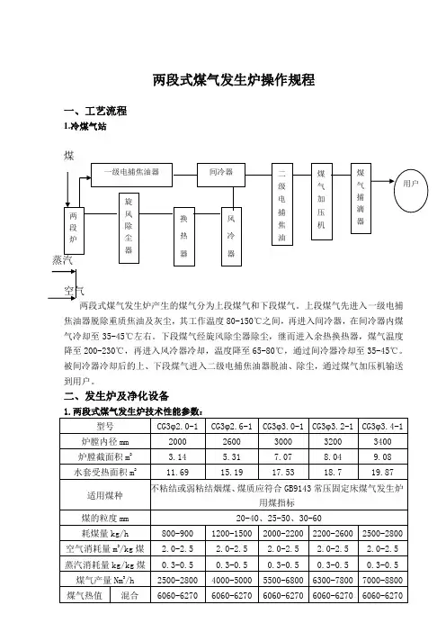
第一章煤气发生炉及净化设备一、工艺流程1.冷煤气站煤两段式煤气发生炉产生的煤气分为上段煤气和下段煤气。
上段煤气先进入一级电捕焦油器脱除重质焦油及灰尘,其工作温度80-150℃之间,再进入间冷器,在间冷器内煤气冷却至35-45℃左右。
下段煤气经旋风除尘器除尘,继而进入余热换热器,煤气温度降至200-230℃,再进入风冷器冷却,温度降至65-80℃,通过间冷器冷却至35-45℃。
被间冷器冷却后的上、下段煤气进入二级电捕焦油器脱油、除尘,通过煤气加压机输送到用户。
二、发生炉及净化设备主要结构及工作原理:两段式煤气发生炉由料仓、给煤机构、干馏段、气化段、出渣结构、汽包等六大部分组成。
分离好的20-60mm煤块,经过输煤系统储存于料仓,料仓中的煤经过给煤机构,根据需要均匀地加入干馏段与下部上升的制气进行热交换,温度逐渐上升。
煤中的机械水析出,以后是结晶水析出,随着煤块位置下降,煤块温度不断上升,煤块进行着复杂的热分解,析出不同馏分的挥发份,直到900℃以上基本结束。
残留的部分为固定碳及灰份,与外部鼓入的水蒸汽与空气组成的气化剂反应,生成H2、CO2、CO、CH4、N2等气化反应产物,同时放出大量的热,除了满足吸热反应外,均表现为气体的闲热带入上部,残留的灰份由出灰机排出。
气化段上升的热煤气,在干馏段充分热交换以后,由炉顶出口引出,称为上段煤气。
温度约80-120℃,约占煤气产量的40%。
气化段生成的煤气除了一部分作为载热气流上升进入干馏段外,另一部分从炉内中心管砖壁及中心收集管引出,称为下段煤气,温度约400-600℃,约占煤气产量的60%。
主要结构及工作原理:电捕焦油器又称静电除尘器,主要由筒体、电晕极、沉淀极、分气隔板、绝缘子箱组成,当含有焦油及固体颗粒的煤气经分气隔板均匀地进入电气滤清器,在高压电场直流电压为40-60kv的作用下,带负电的电晕极周围的气体被电离,产生大量的电子与正负离子,气体在流动的过程中,其中的焦油被电子与带正电的离子所吸引,形成了电子焦油粒子与带正电的焦油粒子,这些带电粒子在高压电场的作用下,各自向它们相对的极移动,即带负电的粒子向沉淀极移动,带正电的粒子向电晕极移动,在移动的过程中不断吸收其它粒子,使其变成更大的颗粒,最终到达沉淀极被吸附粘着于管壁,因自重沉到电捕焦底部,达到除焦油的目的。
两段煤气发生炉煤气站操作规程一、前言煤气发生炉是一种将固体燃料转化为可燃气体的设备,是煤气站的重要组成部分。
在使用煤气发生炉的过程中,应遵守相关煤气站操作规程,以确保操作安全。
下文将阐述两段煤气发生炉煤气站操作规程。
二、两段煤气发生炉概述两段煤气发生炉是一种采用多级煤气发生技术制气的设备,可将煤、焦炭等固体燃料转化为可燃气体,广泛应用于城市燃气、冶金、化工等领域。
两段煤气发生炉由上部和下部两段组成,上部为预热蒸汽段,下部为干熄段。
当固体燃料在被热解成燃气后,燃气会顺着两段煤气发生炉内的管道流动,被收集、净化处理后输出。
三、两段煤气发生炉操作规程1、安全检查操作前,应进行全面的安全检查,包括但不限于下列内容:(1)检查各种仪表、电器设备,确保正常工作。
(2)检查燃气管路、阀门、隔离装置、泄漏报警装置,无漏气现象。
(3)检查煤气发生炉的进气口、出气口和堆煤、装炭的筒仓,各部位应有良好的密封,无异常。
(4)检查煤气发生炉的内壁、排渣口、阻火装置等部位,无积存物,无破损、渗漏现象。
2、开车准备(1)煤气发生炉启动前,应先开启空气压缩机,清扫各气路和水路,清洗动力发生器的空气滤清器。
(2)将干炉、湿炉设配好,加煤缸内的煤经过篦条清扫、移位,整理好后,加荒煤及人工炭末层。
(3)检查燃气密闭、自动调温、水位等仪表,燃气调整、控制设备和水净化设备是否正常。
3、操作过程(1)启动循环水泵,确定泵运行正常后,进入操作状态。
(2)检查设备、阀门是否处于正常位置,开启引气阀门,保证煤气流畅。
(3)当燃煤炉料热解产生燃气到冷熄炉料之前,应关闭湿炉进料旋洗水门,打开干炉旋洗水门。
关闭上部进气阀门,打开下部进气阀门,使炉料在干熄炉段内稳定燃气化。
(4)领班负责岗位操作,按规定时间监测煤气发生炉运行情况和仪表读数,及时掌握炉内温度、压力、燃气成分等关键参数。
(5)当运行过程中出现燃气温度、燃气成分或炉内压力等不正常情况时,应立即停机检修和排除故障。
两段式冷站煤气发生炉操作规程一、应急措施1. 在煤气发生炉中发现煤气泄漏时,应立即停止煤气发射,在气阀处关断煤气供应阀门,清理所有硫化物,并通风10分钟以上。
2. 如果煤气发生炉内发生故障,要立即停止煤气供应,关闭制气板和阀门,关闭阀门,如果有必要,可以用砂浆或墙砖加强封堵。
3. 如果煤气发生炉产生异响、气压陡升或降低,要停止煤气发射,检查发生炉内部情况,查明问题后才能继续操作。
4. 如果出现煤气发生炉温度过高的情况,要立即停止燃气并关掉制气板,冷却煤气发生炉,预防爆炸事故。
5. 如果出现火花、爆炸或其它安全事故,应及时关闭煤气发射供应阀门,找专门的人员查明问题,待清除问题后再进行煤气发射。
二、煤气发生炉操作程序1. 煤气发生炉操作前,要首先开启炉门,检查发生炉内部是否有残留的煤气和杂物,并检查炉膛排气和气门是否畅通。
2. 开机启动程序是按照先后顺序进行的:① 打开制气板上的调节器和气体控制阀门,将鼓风机开机;② 开启制气炉的点火装置,同时打开燃油阀门将燃料供应到煤气发生炉中;③ 观察煤气发生炉的燃烧情况,如果油量不足,可以开炉门加注。
3. 煤气发生炉操作要注意:① 操作人员要密切关注煤气发生炉的燃烧情况,及时调整氧气和煤气的比例,使其燃烧产生的煤气能够达到需要的质量要求。
② 清洗发生炉的内部杂质,每分钟记录一次煤气和气体控制阀门的开启程度,以便在出现问题时及时找到原因。
③ 如果停止煤气发射,操作人员应立即通风并清理发生炉内部,待煤气发生炉完全冷却之后,再进行煤气发射。
三、煤气发生炉关闭程序1. 煤气发生炉停机时,要先停止制气板和鼓风机的运行,将氧气和煤气的供应在煤气发生炉内断开,并将阀门关闭,并等待煤气发生炉完全冷却后,才能开始清理进行维护和保养工作。
2. 清洗内部杂质,包括沉渣、烧结、积垢等,将沉渣和积垢清除干净,再用专门的材料将炉膛擦亮并顺着呈45度的方向将前后炉门和侧门擦干净。
3. 将制气板和煤气发生炉的状态输出到操作记录本上,并在煤气发生炉关闭程序和状态记录表上签名。
双段煤气发生炉操作规程双段煤气发生炉是一种常见的工业设备,用于生产煤气,广泛应用于化工、能源等领域。
为了确保双段煤气发生炉的正常运行,提高生产效率,保障生产安全,必须严格遵循操作规程。
本文将介绍双段煤气发生炉的操作规程。
一、安全操作1.双段煤气发生炉操作前,必须检查机器设备是否正常。
包括检查炉体、阀门等部件是否完整并处于可靠状态。
2.必须按照操作手册进行操作,禁止擅自更改工艺参数及设备结构。
3.在生产过程中要严格控制炉内压力,不得超过规定最高压力。
4.在操作时应坚持站位、定点作业。
禁止在机器设备运转时闲逛、嬉戏。
5.禁止乱扔杂物和物品,在操作区周围摆放不应碍事物品。
有条不紊地进行操作,以免对设备造成损坏。
6.设备操作人员必须穿着标准劳动防护装备,禁止穿着人字拖、短裤或露脚趾等不符合要求的工作服装和劳动防护用品。
7.操作中应注意安全保护,防止起火、爆炸和毒气泄漏等事件的发生。
二、操作流程1.开启预热器电源,预热炉壁。
2.开启加热器和进料器,将煤料传送到第一炉筒内,燃气自动进入。
3.将煤料酝酿一段时间后,开启第二炉筒,进行二次反应。
4.将反应后的煤气传入煤气净化器,去除不纯物质。
5.将煤气通过管道输送到需要的地方。
三、操作注意事项1.煤气发生炉加热时,不应超过800℃。
超过此温度会导致机器设备退化、损坏,还可能引起事故。
2.运行时应控制炉内煤气中的气体成分,保证煤气的质量和使用效果。
3.在移动机器设备时,应先关闭加热器和进料器,停止输料和取气,然后关闭开关,断开电源。
4.每年设备定期检查,对于磨损严重的部件应更换。
做好设备保养,延长使用寿命。
结论:本文介绍了双段煤气发生炉操作规程,从安全操作、操作流程、操作注意事项三个方面进行阐述。
在双段煤气发生炉的操作中,须牢记安全第一,遵守操作规程,确保不发生运营事故,在操作过程中要严格控制产品质量和操作质量。
尽管操作规程较为繁琐,只有严格遵守规程才能保证安全生产,提高生产效率,实现经济效益最大化。
两段式煤气发生炉操作规程一、烘炉新建或大修后的两段炉,由于干馏段砌有大量的耐火砖,耐火砖砌体中含有一定的水分,为排出水分使耐火砖体寿命符合工艺技术要求,要采取缓慢逐渐升温的措施将耐火砖砌体烘干(即将炉子烘干)。
具体的操作步骤如下:1.发生炉经单体,冷态调试后,具备烘炉条件。
2.首先装炉渣,用筛过的20-50mm的炉渣由人孔装入,高出炉篦200mm,呈馒头状。
3.向灰盘、炉底水封.钟罩阀水封注水,汽包、夹套注软化水,达到规定水位。
4.在上、下段探火孔中各插入一根热电偶,以测量烘炉温度。
烘炉的烟气自上段钟罩阀放散排出。
5.向炉内装入木柴,并点燃木柴。
6.严格执行烘炉曲线。
7.严格执行烘炉升温曲线,一周后烘炉结束,经检查一切正常,方可投入使用。
二、点炉培养层次1.烘炉结束后,经检查耐火砖砌体完好无损,即可进行点炉。
2.重新装渣,装木柴。
重复点炉步骤。
3.在培养层次的过程中,逐步加大煤量,达到规定料位。
4.取样分析煤气成分合格,即可送气。
5.两段炉气化用煤符合GB50195-94《煤气站设计手册》中规定的质量要求。
三、送气1.接到站长送气通知,通知用户。
2.首先要对站内设备和管道进行气体置换,取样化验,煤气中的O2﹤0.4%时,启动煤气加压机,待运转正常后,送至用气单位。
3.有煤气贮气柜的要先将柜内气体置换好,在气柜顶部放散管处取样,在煤气质量合格,气柜达到规定容积后,再启动煤气加压机向用户供气。
4.调整外供煤气压力,达到规定工艺要求,通知用户点燃窑炉喷嘴。
四、炉况基本操作工艺参数1.每1小时插钎1次,插相隔3孔,根据炉况调整饱和温度,加煤、出灰,并做好记录。
2.定期巡检各设备运转情况,保证水封高度,及时清理水封中的沉积物。
3.汽包、夹套及时补充软化水,确保不缺水;每班排污两次。
4.操作参数如下(供参考):⑴气化层厚度:火层:100—200mm中灰:150—300mm边灰:1000—1200mm⑵饱和温度:55±5℃⑶炉底压力:3000—5000Pa⑷上段煤气压力:1500Pa上段煤气温度:90—120℃⑸下段煤气压力:3500Pa左右下段煤气压力温度:400—500℃五、煤气炉的并网和脱网煤气炉并网是指二台或多台煤气炉,共用一套输送管网,煤气炉同时或先后将合格煤气并入共用的管网中。
两段式煤气发生炉操作规程及技术指标2010-01-14 16:32两段式煤气发生炉操作规程及技术指标饱和温度煤气煤气发生炉双段炉烧钎杂谈分类:煤气发生炉一、饱和温度的控制:生产过程中通过控制饱和温度这个重要操作参数,来控制汽化剂中蒸汽的混入量.是保证发生炉正常生产的一个关键.1、可有效控制汽化层的温度在熔点以下.保证炉内不接炼,顺利排渣,以保正生产的连续性.2、由于H2, CO的生成,可增加煤气的热值3、汽化中H2O裂变产生一部分O2,供汽化需用。
因而相应的减少空气的消耗率,也就减少空气中废气的含量。
4、可充分利用煤气的自热分解水蒸气,降低煤气出口温度。
5、可降低渣层温度,熄灭残火保护风帽。
二、调整饱和温度的依据。
在运行中饱和温度保持稳定波动幅度最好保持1~3摄氏度之间,饱和温度低,炉内就会热运行及炼炉。
饱和温度高,又会使炉内短时间H2有所增加同时使汽化层温度下降,汽化恶略炉子转冷运行灰渣含碳量明显增加。
1、根据煤种,各种煤的汽化所需要的蒸汽消耗率各不相同2、根据煤的灰熔点通过饱和温度的高低来控制氧化层的温度底于灰熔点温度就可避免炼炉结渣保证正常汽化。
3、根据汽化强度来调整饱和温度。
当汽化强度高时应相应开大饱和温度这样既可避免炉内结渣,有能充分利用汽化层的热量,分解产生大量的和2,增加煤气的可燃成分。
当汽化强度降低时应立即降低饱和温度防止炉子产生冷运行。
4、煤的水分如炉的煤随季节天气的不同,含水量也显著的不同,煤中含水分过多饱和温度应适当降低5、根据煤的灰分当原料煤的灰分超过规定值形成灰状结炼或架空及松动,造成汽化不均匀,为确保汽化层温度低于灰熔点,适当提高饱和温度2~3摄氏度6、根据煤的粒度煤的下仓含粉量超过7%时,粒度又大小不均匀,则极易结炼可适当提高饱和温度,但由于大块汽化不完全,灰渣容易超标7、根据炉内汽化情况1、冷运行时应降低饱和温度2、热运行时提高饱和温度3、偏运行时因根据温度高处控制饱和温度4、炼炉时严格控制饱和温度波动适当提高三、怎样判断饱和温度是否合适1、暗红(1000度)深红(1150)度,亮红(1250)度为正常2、亮红,白红(1300)烧断钎字为热运行饱和温度过小。
两段式煤气发生炉操作规程一、工艺流程1.冷煤气站煤两段式煤气发生炉产生的煤气分为上段煤气和下段煤气。
上段煤气先进入一级电捕焦油器脱除重质焦油及灰尘,其工作温度80-150℃之间,再进入间冷器,在间冷器内煤气冷却至35-45℃左右。
下段煤气经旋风除尘器除尘,继而进入余热换热器,煤气温度降至200-230℃,再进入风冷器冷却,温度降至65-80℃,通过间冷器冷却至35-45℃。
被间冷器冷却后的上、下段煤气进入二级电捕焦油器脱油、除尘,通过煤气加压机输送到用户。
二、发生炉及净化设备要紧结构及工作原理:两段式煤气发生炉由料仓、给煤机构、干馏段、气化段、出渣结构、汽包等六大部分组成。
分离好的20-60mm煤块,通过输煤系统储存于料仓,料仓中的煤通过给煤机构,依照需要平均地加入干馏段与下部上升的制气进行热交换,温度逐步上升。
煤中的机械水析出,以后是结晶水析出,随着煤块位置下降,煤块温度不断上升,煤块进行着复杂的热分解,析出不同馏分的挥发份,直到900℃以上差不多终止。
残留的部分为固定碳及灰份,与外部鼓入的水蒸汽与空气组成的气化剂反应,生成H2、CO2、CO、CH4、N2等气化反应产物,同时放出大量的热,除了满足吸热反应外,均表现为气体的闲热带入上部,残留的灰份由出灰机排出。
气化段上升的热煤气,在干馏段充分热交换以后,由炉顶出口引出,称为上段煤气。
温度约80-120℃,约占煤气产量的40%。
气化段生成的煤气除了一部分作为载热气流上升进入干馏段外,另一部分从炉内中心管砖壁及中心收集管引出,称为下段煤气,温度约400-600℃,约占煤气产量的60%。
要紧结构及工作原理:电捕焦油器又称静电除尘器,要紧由筒体、电晕极、沉淀极、分气隔板、绝缘子箱组成,当含有焦油及固体颗粒的煤气经分气隔板平均地进入电气滤清器,在高压电场直流电压为40-60kv的作用下,带负电的电晕极周围的气体被电离,产生大量的电子与正负离子,气体在流淌的过程中,其中的焦油被电子与带正电的离子所吸引,形成了电子焦油粒子与带正电的焦油粒子,这些带电粒子在高压电场的作用下,各自向它们相对的极移动,即带负电的粒子向沉淀极移动,带正电的粒子向电晕极移动,在移动的过程中不断吸取其它粒子,使其变成更大的颗粒,最终到达沉淀极被吸附粘着于管壁,因自重沉到电捕焦底部,达到除焦油的目的。
两段式煤气发生炉操作规程
《两段式煤气发生炉操作规程》
一、开车准备
1. 检查炉体和煤气发生炉设备是否完好,排除煤气发生器内残留杂物,清理炉膛、换卸灰斗。
2. 按照煤气发生实验室工作人员的指导,准备好所需的原料和辅助设备,包括煤炭、空气等。
确保原料和辅助设备的质量和数量符合要求。
3. 检查煤气发生炉所需的电源和燃料供应情况,保证正常运行。
4. 根据实验要求,设置好煤气发生炉的操作参数,包括进风量、供煤速度、炉温等。
二、开车操作
1. 打开煤气发生炉的进风阀门和燃料进给装置,逐步增加煤气发生炉内的供煤速度和进风量,确保煤气发生炉内的燃烧过程正常。
2. 在煤气发生炉达到预定温度之后,逐步增加煤气发生炉内的炉料供给量,保持煤气发生炉内的燃烧过程稳定。
3. 定期检查煤气发生炉内的燃烧情况和温度,对煤气发生炉内的燃烧过程进行调整,以确保煤气发生炉内的煤气产出符合要求。
4. 在操作过程中,及时排除可能出现的故障和隐患,保证煤气发生炉的运行安全稳定。
以上就是《两段式煤气发生炉操作规程》,希望能帮助大家正确操作煤气发生炉,保证其正常运行并获得预期的煤气产出。
两段式煤气发生炉操作规程点火:1.首先装入炉渣,用筛过的20mm—50mm的炉渣,由人孔装入,高处炉篦200mm。
2.向灰盘、炉底水封、钟罩阀水封注水,汽包、夹套注软化水,达到规定水位。
3.向炉内装入木材,木材摆出点火通道,泼好柴油,不宜太多。
4.具备条件,开始点火,绑好火炬,由火孔投入,及时封好人孔。
5.在培养层次过程中,逐步加大下煤量,达到规定料位。
6.空层—干燥层—干馏层—还原层—氧化层—灰渣层送气:1.接到领导送气通知,要通知用户(车间)。
2.对站内设备和管道进行气体置换,取样化验后O2<0.4时,设备运转正常后送至用户(车间)。
3.送气时,先将加压机吹扫后打开出口阀门,开启加压机变频入口压力在1000Pa启动加压机,开启入口阀门,调整鼓风机压力,将煤气平稳送入车间。
并网:1.煤气炉并网是指两台或多台煤气炉公用一套送管路。
2.并网时,必须是合格煤气O2<0.4,先将顶部阀门开启,将电谱焦放散开启,吹扫置换电谱焦,在化验合格后开启进入间冷器中间水封,打开间冷器放散,开启风冷器放散,吹扫置换后,打开底部阀门,进入间冷器操作时随时关注压力,间冷器煤气化验O2<0.4打开电捕轻与间冷器中间水封,打开电捕轻放散,吹扫置换,化验合格O2<0.4即可并网。
并网及时调整压力,关闭电捕轻放散慢慢开启并网阀门,随时降低另一台,鼓风机压力加大并鼓风压力直到两台炉鼓风机压力相差不到200Pa即可。
热备:1.慢慢降下炉底鼓风,降下炉内温度,关闭电捕焦,关闭电捕轻降下加压机出口压力。
2.打开放散阀门,点燃火炬,同时关闭加压机出口阀门。
3.停止加煤出灰,关闭鼓风机阀门,开启蒸汽(开至100℃)使炉内保持正压。
4.封好各个水封及阀门,检查一切正常无误,关闭蒸汽,打开自然通风阀。
5.热备期间,炉内呈负压状态,因此不能打开探火孔,不得启动加煤机和出灰机。
6.要经常检查各水封水位溢流情况。
炉况基本操作、工艺参数:1.每两小时探火一次,每次至少探3个孔,根据情况调整饱和温度、加煤、出灰、并做好记录。
双段式煤气发生炉操作规程一、操作流程1.开始操作前,确认煤气发生炉设备完好,并检查燃料、水源、排烟系统等相关配套设备是否正常。
2.打开煤气发生炉的上端风门,放风15分钟,将其中的可燃气体完全排出。
3.将齐纯净煤装入煤气发生炉,并检查填料层的均匀性。
4.关闭上端风门,并打开上端煤气管道,切断空气,使煤能够在相对封闭的环境中进行发酵。
5.打开煤气发生炉下端芯石球阀,打开水源,通过水冷式气体炉壁冷却系统冷却煤气发生炉底部。
6.打开下端风门,引入所需量的空气。
空气通过底部进入煤气发生炉,与煤进行反应,生成一氧化碳和氢气。
7.调整煤气发生炉底部进气量和煤气管道的通风量,确保生成的煤气质量和产量在正常范围内。
8.监测煤气发生炉中的温度和压力,确保炉内燃烧条件稳定,并根据需要进行调整。
9.持续监测煤气的成分和温度,调整进气量和通风量,以保持煤气的质量和产量稳定。
10.定期清理煤气发生炉内的积炭和灰渣,以保持炉内通风畅通。
11.操作结束后,关闭下端风门和煤气管道,停止煤气发生炉的运行。
12.清洗煤气发生炉,清除残留物,防止堵塞和腐蚀。
二、注意事项1.在操作过程中,人员必须严格遵守安全操作规程,佩戴好防护装备,避免燃气泄漏和火灾。
2.操作人员应熟悉设备的结构和工作原理,了解煤气发生炉的特点和性能。
3.在操作过程中,要及时监测煤气的成分、温度、压力等参数,并根据需要进行调整。
4.不得随意更改煤气发生炉的参数和操作条件,以免影响炉子的正常工作和安全性能。
5.操作过程中,保持煤气发生炉的通风畅通,防止积炭和灰渣堵塞炉内通道。
6.定期对煤气发生炉进行检修和保养,更换老化和磨损的部件,确保设备的长期安全和稳定运行。
三、日常维护1.定期对煤气发生炉进行清洗和检修,清除积炭和堵塞物。
2.检查煤气发生炉的炉门、阀门等密封件,确保其完好无损。
3.定期清洗煤气发生炉的管道和冷却系统,防止积垢和堵塞。
4.对煤气发生炉的燃烧器和点火装置进行检查和维修,保证其正常工作。
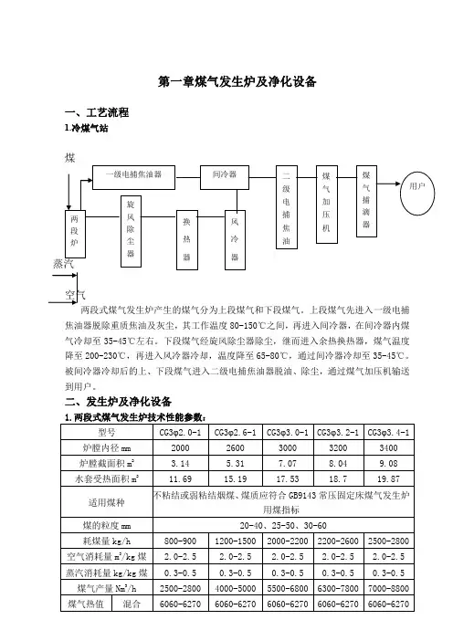
两段煤气发生炉操作规程Document number:WTWYT-WYWY-BTGTT-YTTYU-2018GT两段煤气发生炉操作规程目录一、煤气站操作 (2)1、投产前应具备以下条件 (2)2、冷态单机试车和联动试车.............................................23、烘炉........................................................................44、煤气的输送和使用......................................................65、煤气站的并网和脱网................................................86、停炉 (10)7、正常操作 (11)8、气化条件和参数调整.............................................129、两段炉不正常炉况及处理 (15)10、全站送气……………………………………………………1911、全站停气……………………………………………………2012、鼓风机和煤气加压机(排送机)操作………………………2113、电捕焦油器操作……………………………………………2614、煤气储气柜操作...................................................2715、煤气脱硫装置操作................................................2816、焚烧炉操作.........................................................29二、煤气站用燃料及情况分析..........................................31三、其它.....................................................................391、两段炉水夹套作用...................................................392、关于炉用加煤量......................................................403、关于炉出渣量.........................................................424、煤的粘结性对炉结构的影响.......................................425、煤的机械强度、热稳定性与气化关系 (43)一、煤气站操作(一)投产前应具备以下条件1、验收两段炉出厂合格证。
两段式煤气发生炉操作规程两段式煤气发生炉操作规程第一章总则第一条为了确保安全生产,保障员工的生命财产安全,根据煤气发生炉的特点和实际情况,制定本操作规程。
第二条本操作规程适用于本单位的两段式煤气发生炉的操作和维护工作。
第三条本操作规程从以下几个方面介绍了两段式煤气发生炉的操作和维护工作:操作机器、操作流程、操作注意事项、常见故障及处理方法等。
第四条严格按照本规程进行操作和维护,确保煤气发生炉的正常运行。
第二章操作机器第一节机器介绍第五条煤气发生炉是一种特殊的设备,主要由加料箱、气化箱、炉体、冷却水系统、气体净化系统等组成。
第六条加料箱:主要用于将原料加入到炉体内,保证炉内有足够的原料进行气化。
第七条气化箱:位于炉体上部,用于将煤气生成。
气化箱内有多个气化炉管,用于加热煤气发生反应。
第八条炉体:煤气在炉体内进行气化反应。
第九条冷却水系统:用于冷却煤气及其他设备,防止过热。
第十条气体净化系统:用于将煤气中的杂质和有害物质进行净化。
第二节机器维护第十一条对煤气发生炉进行定期维护是确保设备正常运行的重要环节。
第十二条定期检查设备的密封性能,防止泄漏。
第十三条定期检查设备的防火防爆措施,确保设备的安全。
第十四条定期清理设备内部,保持设备的清洁。
第三章操作流程第一节操作准备第十五条操作前应检查煤气发生炉和周边设备是否正常。
第十六条清理煤气发生炉的周边环境,防止杂物和易燃物进入。
第十七条佩戴好个人防护装备,包括防护眼镜、防护手套等。
第二节开车操作第十八条打开燃料阀,确保燃料供应正常。
第十九条打开煤气发生炉的进气阀,开启气体供应。
第二十条使用点火器将煤气点燃,确保煤气能够正常燃烧。
第二十一条观察煤气发生炉的生产情况,调整进气阀和出气阀,保证适当的气压和流量。
第四章操作注意事项第一节安全操作第二十二条操作人员必须熟悉煤气发生炉的操作规程,严格按照操作规程进行操作。
任何时候都不能急躁和鲁莽。
第二十三条禁止在煤气发生炉周围堆放易燃易爆和有毒物品。
两段煤气发生炉煤气站操作规程一、煤气站操作 (2)1、投产前应具备以下条件 (2)2、冷态单机试车和联动试车 (2)3、烘炉 (4)4、煤气的输送和使用 (6)5、煤气站的并网和脱网 (8)6、停炉 (10)7、正常操作 (11)8、气化条件和参数调整 (12)9、两段炉不正常炉况及处理 (15)10、全站送气 (19)11、全站停气 (20)12、鼓风机和煤气加压机(排送机)操作 (21)13、电捕焦油器操作 (26)14、煤气储气柜操作 (27)15、煤气脱硫装置操作 (28)16、焚烧炉操作 (29)二、煤气站用燃料及情形分析 (31)三、其它 (39)1、两段炉水夹套作用 (39)2、关于炉用加煤量 (40)3、关于炉出渣量 (42)4、煤的粘结性对炉结构的阻碍 (42)5、煤的机械强度、热稳固性与气化关系 (43)两段炉煤气站操作说明书一、煤气站操作(一)、投产前应具备以下条件1、验收两段炉出厂合格证。
2、煤气站供水、供电、正常3、消防系统验收报告。
4、煤气站使用合格证。
5、通过培训考试,考试合格的煤气操作人员、化验人员。
(二)冷态单机试车和联动试车1、上煤系统进行空载和加载运行,达到连续、可靠供煤要求。
2、下煤装置(炉上加料装置)升降灵活、关闭严密,煤位计量要准确、可靠。
3、两段炉的底部、顶部煤气调剂阀必须转动灵活,调剂准确。
4、炉栅和灰盘一起转动的出灰形式,其传动系统,不管是机械传动或液压传动,或无灰盘仅炉栅传动、带出渣机的出灰形式,都必须先进行无负荷试运转,运行平稳无噪音,然后加入相当于正常生产量和粒度的灰渣进行运行,必须达到出灰顺利,运转正常。
5、工艺风机,加压风机要试运行,并测定其压力流量及电流值,测定结果必须符合该型号风机的示性曲线。
6、生产净化煤气系统中的电捕焦油器和电捕轻油器要进行空载通电试验,并测定其最高电压及最大电流值,是否达到设计值,如达不到,则要进一步调整电晕丝和极板的相对位置,直到达到设计要求为止,以保证除油效率不低于98%。
两段式煤气发生炉操作规程1.冷煤气站煤两段式煤气发生炉产生的煤气分为上段煤气和下段煤气。
上段煤气先进入一级电捕焦油器脱除重质焦油及灰尘,其工作温度80-150℃之间,再进入间冷器,在间冷器内煤气冷却至35-45℃左右。
下段煤气经旋风除尘器除尘,继而进入余热换热器,煤气温度降至200-230℃,再进入风冷器冷却,温度降至65-80℃,通过间冷器冷却至35-45℃。
被间冷器冷却后的上、下段煤气进入二级电捕焦油器脱油、除尘,通过煤气加压机输送到用户。
二、发生炉及净化设备要紧结构及工作原理:两段式煤气发生炉由料仓、给煤机构、干馏段、气化段、出渣结构、汽包等六大部分组成。
分离好的20-60mm煤块,通过输煤系统储存于料仓,料仓中的煤通过给煤机构,依照需要平均地加入干馏段与下部上升的制气进行热交换,温度逐步上升。
煤中的机械水析出,以后是结晶水析出,随着煤块位置下降,煤块温度不断上升,煤块进行着复杂的热分解,析出不同馏分的挥发份,直到900℃以上差不多终止。
残留的部分为固定碳及灰份,与外部鼓入的水蒸汽与空气组成的气化剂反应,生成H2、CO2、CO、CH4、N2等气化反应产物,同时放出大量的热,除了满足吸热反应外,均表现为气体的闲热带入上部,残留的灰份由出灰机排出。
气化段上升的热煤气,在干馏段充分热交换以后,由炉顶出口引出,称为上段煤气。
温度约80-120℃,约占煤气产量的40%。
气化段生成的煤气除了一部分作为载热气流上升进入干馏段外,另一部分从炉内中心管砖壁及中心收集管引出,称为下段煤气,温度约400-600℃,约占煤气产量的60%。
要紧结构及工作原理:电捕焦油器又称静电除尘器,要紧由筒体、电晕极、沉淀极、分气隔板、绝缘子箱组成,当含有焦油及固体颗粒的煤气经分气隔板平均地进入电气滤清器,在高压电场直流电压为40-60kv的作用下,带负电的电晕极周围的气体被电离,产生大量的电子与正负离子,气体在流淌的过程中,其中的焦油被电子与带正电的离子所吸引,形成了电子焦油粒子与带正电的焦油粒子,这些带电粒子在高压电场的作用下,各自向它们相对的极移动,即带负电的粒子向沉淀极移动,带正电的粒子向电晕极移动,在移动的过程中不断吸取其它粒子,使其变成更大的颗粒,最终到达沉淀极被吸附粘着于管壁,因自重沉到电捕焦底部,达到除焦油的目的。
工作原理:间冷器即间接冷却器,在间冷器中,煤气与水是不直截了当接触的,煤气是在管内流淌,而水却是在管之间流淌,即煤气走管程,水走壳程。
在间冷器中要紧是依靠金属管壁的传热,将煤气的热量传给水,达到煤气降温的目的。
由于煤气温度的下降,因此煤气中有部分凝聚水析出,同时有部分轻质焦油凝聚析出,这些凝聚水和轻质油通过水封排出。
工作原理:煤气带着灰尘以一定的速度沿切线方向进入除尘器,在除尘器内以螺旋线的形式作回转运动。
悬浮的灰尘颗粒在离心力的作用下被抛向圆筒的内表面,在重力作用下降落至排灰管。
而煤气则从下部进入中央管,形成上升的螺旋气流,从顶部离开除尘器。
工作原理:400-600℃左右的煤气,进入换热器后,与其内的水间接进行热交换,从而使水升温或沸腾保证了自产蒸汽的需要。
同时也除去了一部分灰尘,落到底部水封内排出。
工作原理:风冷器要紧由4组φ273钢管(每组8根)、隔板组成。
煤气进入风冷器内靠自然风冷却管壁或强制吹风,将煤气进一步冷却,同时在内部连续改变煤气走向,利用自重进一步将煤气中的灰尘除去,落至除灰斗排出。
第二章煤气工程分项系统试车方案一、间冷器循环水系统试车:1、试车投入的设备:(1)、将循环水池且满水;(2)、循环水泵;(3)、间冷器;(4)、间冷器循环水及附属设备;(5)循环水泵电控系统。
2、试车前预备工作:(1)、循环水泵电机调整紧固;(2)、将循环水泵润滑箱体储入润滑油,油位保持1/2-2/3处;(3)、人工盘车4-5转无专门;(4)、将各处阀门处于关闭状态;(5)、开启间冷器进水阀门;(6)、点动水泵,确定转向正确。
3、试车:(1)、开启间冷器循环水泵及出口阀,记录泵的出口压力,水泵轴承温度,电机轴承温度,各间冷器供水压力,电器柜上电压和电流;(2)、电机、水泵及管路无专门振动、噪音、泄露;(3)、循环水泵连续负荷运行4小时以上,各个工艺技术参数符合设计要求或实际情形时,为试车合格;4、试车完毕,各阀门均处于关闭状态;5、处理试车中发觉的咨询题。
二、间冷器洗涤水系统试车:1、试车投入的设备:(1)、洗涤水池且满水;(2)、洗涤水泵;(3)、洗涤水管道及附属设备;(4)、间冷器;(5)、洗涤水泵电控系统。
2、试车前预备工作:(1)、循环水泵电机调整紧固;(2)、将循环水泵润滑箱体储入润滑油,油位保持1/2-2/3处;(3)、人工盘车4-5转无专门;(4)、将各处阀门处于关闭状态;(5)、开启间冷器进水阀门;(6)、点动水泵,确定转向正确。
3、试车:(1)、开启洗涤水泵及出口阀,记录泵的出口压力,水泵轴承温度,电机轴承温度,电器盘上电压和电流;(2)、将水量供至最大限度,回水畅通;(3)、电机、水泵及管路无专门振动、噪音、泄露;(4)、间冷器洗涤水泵连续负荷运行4小时以上,各个工艺技术参数符合设计要求或实际情形时,为试车合格;4、试车完毕,各阀门均处于关闭状态;5、处理试车中发觉的咨询题。
三、汽包、夹套软化水水泵系统,汽包、换热器软化水水泵系统试车:1、试车前各阀门均处于关闭状态;2、软化水池注工业水;3、打开炉汽包上水阀,将自动上水操纵电磁阀外表设置在汽包水位1/2至2/3处,启动软化水泵给炉汽包供水,当汽包水位正常后,各电磁阀应自动关闭;4、打开水夹套排污阀、换热器排污阀,将水排至低于正常水位,电磁阀自动打开补水,至正常水位后,电磁阀应再赶忙关闭;5、记录泵的出口压力,水泵轴承温度,电机轴承温度,电器盘上电压和电流;6、停软水泵,关上水阀,排净夹套、换热器、软水池内工业水;7、按软化水操作规程对软化器进行软化水操作,观看软化器是否正常工作,并取样化验软化硬度合格。
具体步骤:(1)、慢慢打开自动软水器进水阀门至1/4处,现在能够听到空气从排水管排出的声音;(2)、待空气排净后,全部开启进水阀;(3)、用桶或水管向储盐罐内加水(仅在设备投入运行时操作),并按要求加入再生用大粒盐;(4)、接通电源,旋转手动再生按钮,启动一次再生;(5)、自动再生完成后,从取样阀放到水样进行水质分析,合格后即可投入使用;(6)、按照操作要求设定时刻或流量的再生周期;(7)、试车完毕,关闭所有阀门,处理试车中发觉的咨询题。
四、干油泵试车:1、投入设备:(1)、干油泵:油路管道;(2)、相对应的可编程序操纵系统;(3)、加煤滚筒,除渣盘滑道。
2、试车前预备工作:(1)、往干油泵内储入润滑油;(2)、往干油泵齿轮箱内储入润滑油;3、加煤滚筒,除渣盘滑道干油泵试车:(1)、将干油泵操纵转至“手动”状态;(2)、点动干油泵,确定转向是否正确并确认;(3)、启动干油泵运转正常无噪音;(4)、将干油泵操纵转至“自动”状态;(5)、设定转动与间隔时刻,干油泵能在设定时刻内自动启动与停止;(6)、启动干油泵,检查各油路是否畅通。
4、检查完毕后切断其电源;5、处理试车中发觉的咨询题。
五、加煤、排渣液压站系统试车:1、试车投入的设备:(1)、煤气发生炉;(2)、相对应的可编程序操纵系统;(3)、液压站、电磁阀及油管路。
2、试车前预备工作:(1)、将液压站油箱加入46#无灰耐磨液压油至正常油位;(2)、第一将丝接部分断开用高压氧气或其它气体逐一吹扫。
(3)、将油管未端断开,启动油泵用液压油冲洗管路,将放出油倒回油箱。
(4)、启动干油泵,加油15分钟;(5)、启动液压站油泵。
3、除渣手动试车:(1)、将除渣按钮旋转至“手动”状态;(2)、启动前进位按钮,使两油缸同时伸出,并刚好挂在齿轮上;(3)、启动退回位按钮,使两油缸同时拉住灰盘齿轮退回,完成一个循环;(4)、注意油管压力应在10MPa左右,不易太高。
4、除渣自动试车:(1)、将除渣按钮旋转至“自动”状态;(2)、油缸伸出,挂在齿轮上时,光电开关灯亮,油缸停止;(3)、延时约5秒后(可任意设立)油缸自动退回,回位后,到位时刻开关灯亮,完成一个循环,可退回按钮;(4)可重复上述循环次数。
并检查大、小灰刀与灰盘间距是否合理。
5、手动加煤试车:(1)、将加煤按钮旋转至“手动”状态;(2)、启动左上边加煤阀前进按钮,油缸伸出,左上边加煤阀上滚筒打开;(3)、启动左上边加煤阀退回按钮,油缸退回,左上边加煤阀上滚筒关闭;(4)、左下加煤阀,右上加煤阀,右下加煤阀手动试车,步骤同上;6、检查每一个油缸都退回原先位,停下液压站油泵;7、处理试车中发觉的咨询题。
六、电捕焦试车:1、试车投入设备:(1)、电捕焦油器;(2)、相对应的电源操纵系统;(3)、相对应的高压硅整流器。
2、试车前预备工作:(1)、检查接线是否相互对应,确保无误;(2)、安排专人负责高压区、电捕焦油器内部及周围,确保无人;(3)、将吊蓝固定点拆除,确保与外壳无连接。
3、试车:(1)、将操纵柜上的调剂旋钮调至零处;(2)、合上操纵柜内空气开关,打开面板上的电源开关,面板上电源指示灯亮;(3)、顺时针慢慢旋动面板上的调剂旋钮,输出不断上升,当输出达到一定值后,高压闭锁指示灯亮,表示设备已进入高压状态;(4)、慢慢旋转调剂旋钮,使C-37管的输出,二次电压值>40kv,F二次电流值约50-70mA,并记录,使C-72管电捕焦的输出二次电压值>40kv,二次电流值约120-150mA,并记录;使C-45管电捕焦二次电压值大于40 kv,二次电流值约70-90 mA。
(5)、电捕器高压电源与加压机启动,电源为单向联锁,即加压机未启动高压电源无法启动,加压机停车,高压电源自动断电,反之无效。
4、停车时:(1)、逆时针旋动调剂旋钮,使输出为零,一定要将调剂旋钮调到底,高压闭锁灯灭,按停止按钮停车;(2)、关闭操纵电源及空气开关。
5、处理试车中发觉的咨询题。
七、鼓风机试车:1、投入设备:(1)、鼓风机;(2)、相对应的可编程序操纵;(3)、空气管道;(4)、炉体及净化系统。
2、试车前预备工作:(1)、将鼓风机润滑部位注油至正常;(2)、鼓风机冷却系统循环水正常;(3)、系统内阀门处于关闭状态;(4)、将压力自控表(加压机入口)设定在1.2KPa;(5)、将炉底灰盘净化系统水封,注满水并封闭各设备人孔。
3、试车:(1)、将鼓风机操纵处于“手动”状态,启动鼓风机,调整频率,慢慢增加开度约40%;(2)、缓慢打开风机出口及炉底进风阀,保持炉出口压力在2KPa左右,然后开启净化系统阀门,逐步将空气送至低压总管,保持压力1.2KPa左右;(3)、待压力稳固后,将自控表“手动”转为“自动”状态,看系统压力是否有变化,能否保持低压总管压力1.2KPa左右;4、按鼓风机停车规程停鼓风机。