典型局部放电模型谱图
- 格式:docx
- 大小:215.91 KB
- 文档页数:8
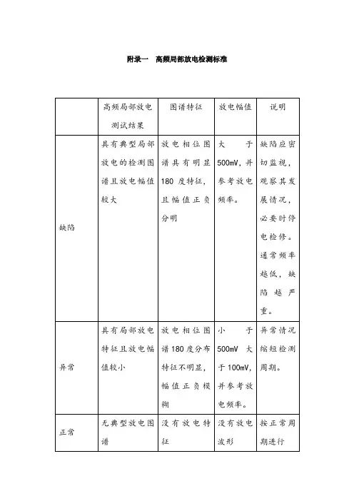
局部放电标准图谱附录一高频局部放电检测标准高频局部放电测试结果图谱特征放电幅值说明缺陷具有典型局部放电的检测图谱且放电幅值较大放电相位图谱具有明显180度特征,且幅值正负分明大于500mV,并参考放电频率。
缺陷应密切监视,观察其发展情况,必要时停电检修。
通常频率越低,缺陷越严重。
异常具有局部放电特征且放电幅值较小放电相位图谱180度分布特征不明显,幅值正负模糊小于500mV大于100mV,并参考放电频率。
异常情况缩短检测周期。
正常无典型放电图谱没有放电特征没有放电波形按正常周期进行附录二高频局部放电检测典型图谱放电类型图谱类型图谱特征电晕放电相位图谱分类图谱单个脉冲时域波形单个脉冲频域波形内部放电相位图谱分类图谱单个脉冲时域波形单个脉冲频域波形沿面放电相位图谱分类图谱附录三GIS超高频局部放电检测典型图谱定义:1、单周期检测数据:检测一个50Hz周期局部放电的峰值与相位角。
2、峰值检测数据:检测50Hz周期的相位角与局部放电信号的峰值和放电速率的关系。
3、PRPD检测数据获取局部放电信号峰值时,数据显示不同大小峰值的局部放电信号个数与50Hz周期相位角的关系。
GIS超高频局部放电典型图谱:电晕放电单周期检测图谱峰值检测图谱PRPD检测图谱自由金属颗粒放电单周期检测图谱峰值检测图谱PRPD检测图谱空隙(空穴、气隙)放电单周期检测图谱峰值检测图谱PRPD检测图谱移动电极局部放电(悬浮放电)单周期检测图谱峰值检测图谱PRPD检测图谱GIS超高频典型干扰图谱:雷达噪音单周期检测图谱峰值检测图谱PRPD检测图谱横轴是幅值,纵轴是相位马达噪音单周期检测图谱峰值检测图谱PRPD检测图谱闪光噪音单周期检测图谱峰值检测图谱PRPD检测图谱移动电话噪音单周期检测图谱峰值检测图谱PRPD检测图谱附录四高压电缆局部放电典型图谱及检测标准序号项目周期标准说明高压电缆局部放电电缆本体及接头局部放电试验1)2年2)必要时正常:无典型放电图谱。
附录一高频局部放电检测标准附录二高频局部放电检测典型图谱放电类型图谱类型图谱特征电晕放电相位图谱分类图谱单个脉冲时域波形单个脉冲频域波形内部放电相位图谱分类图谱单个脉冲时域波形单个脉冲频域波形相位图谱沿面放电分类图谱附录三GIS超高频局部放电检测典型图谱定义:1、单周期检测数据:检测一个50Hz周期局部放电的峰值与相位角。
2、峰值检测数据:检测50Hz周期的相位角与局部放电信号的峰值和放电速率的关系。
3、PRPD检测数据获取局部放电信号峰值时,数据显示不同大小峰值的局部放电信号个数与50Hz周期相位角的关系。
GIS超高频局部放电典型图谱:电晕放电单周期检测图谱峰值检测图谱PRPD检测图谱自由金属颗粒放电单周期检测图谱峰值检测图谱PRPD检测图谱空隙(空穴、气隙)放电单周期检测图谱峰值检测图谱PRPD检测图谱移动电极局部放电(悬浮放电)单周期检测图谱峰值检测图谱PRPD检测图谱GIS超高频典型干扰图谱:雷达噪音单周期检测图谱峰值检测图谱PRPD检测图谱横轴是幅值,纵轴是相位马达噪音单周期检测图谱峰值检测图谱PRPD检测图谱闪光噪音单周期检测图谱峰值检测图谱PRPD检测图谱移动电话噪音单周期检测图谱峰值检测图谱PRPD检测图谱附录四高压电缆局部放电典型图谱及检测标准序号项目周期标准说明高压电缆局部放电电缆本体及接头局部放电试验1)2年2)必要时正常:无典型放电图谱。
正常35kV Q<20pC110kV Q<10pC220kV Q<10pC异常:具有局部放电特征但放电量较小。
异常(I,II)35kV20pC<Q<100pCQ>100pC110kV10pC<Q<40pC40pC<Q<80pC1)曾经发生事故的电缆线路应密切关注,并适当缩短监测周期。
2)与标准图谱(附录B 高频局部放电检测典型图谱)比较,确定局部放电及类型。
3)异常及缺陷应根据处理标准进行处理。
附录一高频局部放电检测标准附录二高频局部放电检测典型图谱放电类型图谱类型图谱特征电晕放电相位图谱分类图谱单个脉冲时域波形单个脉冲频域波形部放电相位图谱分类图谱单个脉冲时域波形单个脉冲频域波形相位图谱沿面放电分类图谱附录三GIS超高频局部放电检测典型图谱定义:1、单周期检测数据:检测一个50Hz周期局部放电的峰值与相位角。
2、峰值检测数据:检测50Hz周期的相位角与局部放电信号的峰值和放电速率的关系。
3、PRPD检测数据获取局部放电信号峰值时,数据显示不同大小峰值的局部放电信号个数与50Hz周期相位角的关系。
GIS超高频局部放电典型图谱:电晕放电单周期检测图谱峰值检测图谱PRPD检测图谱自由金属颗粒放电单周期检测图谱峰值检测图谱PRPD检测图谱空隙(空穴、气隙)放电单周期检测图谱峰值检测图谱PRPD检测图谱移动电极局部放电(悬浮放电)单周期检测图谱峰值检测图谱PRPD检测图谱雷达噪音单周期检测图谱峰值检测图谱PRPD检测图谱横轴是幅值,纵轴是相位马达噪音单周期检测图谱峰值检测图谱PRPD检测图谱闪光噪音单周期检测图谱峰值检测图谱PRPD检测图谱移动噪音单周期检测图谱峰值检测图谱PRPD检测图谱附录四高压电缆局部放电典型图谱及检测标准序号项目周期标准说明高压电缆局部放电电缆本体及接头局部放电试验1)2年2)必要时正常:无典型放电图谱。
正常35kV Q<20pC110kV Q<10pC220kV Q<10pC异常:具有局部放电特征但放电量较小。
异常(I,II)35kV20pC<Q<100pCQ>100pC110kV10pC<Q<40pC40pC<Q<80pC220kV10pC<Q<20pC20pC<Q<50pC处理标准3个月复测,观察局部放电变化趋势密切监视(1-2周复测)或者进行在线监测缺陷:具有典型局部放电的检测图谱且放电量较大。
单周期检测图谱单周期检测图谱单周期检测图谱单周期检测图谱单周期检测图谱单周期检测图谱单周期检测图谱1毛刺放电1. 1 基本特征接地体和带电体部分上的突起(毛刺放电)的特征表现为:•局部场强增加•由于电晕球的保护作用,工频耐压水平不受影响•雷电冲击电压水平会大幅度下降•毛刺如果大于 1-2 mm 就认为是有害的导体上的毛刺与壳体上的毛刺放电图谱是一样的,但导体上的毛刺位于气室中心,其产生的压力波会呈扇形在整个气室传递,在壳体外能在较广的范围内接收到信号,而壳体上的毛刺信号较集中,在放电处信号最强。
也可以根据SF6气体对高频信号的衰减特性,调整带通滤波器的上限频率,如果信号明显降低,表明是壳体上的毛刺放电,如果信号变化不大,表明是导体上的毛刺放电。
一般导体上的毛刺放电更具危险性。
1.2 典型图谱毛刺放电的典型图谱如下:毛刺放电故障连续模式下有效值和峰值都会增大,信号稳定,而50HZ相关性明显,100HZ 相关性较弱。
在相位模式下,一个周期内会有一簇较集中的信号聚集点。
1.3经验判据根据现有经验,毛刺一般在壳体上,但导体上的毛刺更危险。
如果毛刺放电发生在母线壳体上,信号的峰值Vpeak < 2mV, 认为不是很危险,可继续运行。
如果毛刺放电发生在导体上,信号的峰值Vpeak > 3 mV, 建议停电处理或密切监测。
对于不同的电压等级,如110KV/220KV, 可参照上述标准执行。
对于330KV/500KV/750KV,由于母线筒直径大,信号有衰减,并且设备重要性提高,应更严格要求,建议标准提高一些。
其它气室,如开关气室,由于内部结构更复杂,绝缘间距相对短,应更严格要求,建议标准提高一些。
在耐压过程中发现毛刺放电现象,即使低于标准值,也应进行处理,使缺陷消灭在初始阶段。
注意:只要信号高于背景值,都是有害的,应根据工况酌情处理。
2 自由颗粒2.1 基本特征自由颗粒,其表现特征为:•雷电冲击电压影响很小•工频耐压会有很大的降低•超声传感器接收到典型的机械撞击信号•飞入高场强区非常危险•信号表征不重复,随机性强2.2 典型图谱颗粒故障的连续模式图谱中,有效值和峰值会很大,往往达几百上千毫伏,其信号不稳定,表现为周期性的波动,而100HZ和50HZ相关性没有。
局部放电波形分析及图谱识别一、局部放电的波形分析图3-5中检测阻抗Z m 可由电阻、电感、阻容并联元件、电感电容并联元件等构成。
而对于局部放电脉冲而言,可用图3-9的回路来计算检测阻抗Z m 上的波形。
C kC x△uZm图3-9 计算Z m 上电压波形的等值回路1、Z m 为R 时,Z m 上的波形实际上是方波加于阻容串联回路时电阻上的波形,电容为C x 与C k 的串联。
R 上的波形是一个陡直上升、指数下降的曲线(图3-10(a )曲线1),其方程是//x k x k R C C t R C C t T R Aq u u e e C ⎛⎫- ⎪+-⎝⎭=∆= (3-19) 由此可见,u R 的幅值为q/C x ,CA 一定时,u R 的幅值与视在放电量q 成正比。
一般气隙放电,脉冲的前沿仅约0.01微秒左右。
当时间常数T R 远大于此值时,可视脉冲为方波而得到(3-19)式。
如果T R 和脉冲前沿时间可以比拟时,则u R 的表达式便不能用(3-19)式了。
假定脉冲波的前沿是指数上升的,则u R 便是一个双指数波。
此外,如果是油中电晕之类的脉冲,其前沿时间可达数微秒甚至更长,即使T R 为若干微秒,二者也是可比拟的,此时u R 也是双指数波,图3-10(a )曲线2为此波形的示意图。
u m0t 12u m 0t12(a)(b)图3-10 检测阻抗上的波形(a) Z m 为R 时,Z m 上的波形 (b) Z m 为L m 时的输出波形2、Z m 为m m R C 时的输出波形 输出波形u cr 仍为指数衰减波,但幅值降低,时间常数加大了。
其方程为[()]()CR t T K CR M K A K A A K C qu e C C C C C C C -=+++ []()A K CR m m A K C C T C R C C =++ (3-20) 3、Z m 为L m 时的输出波形因为L m 中总有一定的电阻,整个回路也有一定的损耗,所以L m 的输出波形是一个衰减振荡波,其包络线是指衰减曲线,近似的方程为cos t t L x x q q u e t e C C γγω--== (3-21) γ为回路损耗造成的衰减时间常数的倒数。
局部放电是指绝缘结构中由于电场分布不均匀、局部场强过高而导致的绝缘介质中局部范围内的放电或击穿现象,是造成绝缘劣化的主要原因,也是劣化的重要征兆和表现形式,与绝缘材料的劣化和击穿密切相关。
因此,对局部放电的有效检测对电力设备的安全稳定运行具有重要意义。
局部放电的检测是以局部放电所产生的各种现象为依据,通过能表述该现象的物理量来表征局部放电的状态及特性。
由于局部放电的过程中会产生电脉冲、电磁辐射、超声波、光以及一些化学生成物,并引起局部过热,相应地出现了脉冲电流法、超高频(UHF)法、超声波法、光测法、化学检测法、红外检测法等多种检测方法。
传统的局部放电检测方法,其测量信号的响应频率一般不超过 1 MHz,易受外界干扰的影响,很难用于电力设备的现场检测。
同传统的检测方法相比,超高频检测技术具有检测频率高、抗干扰性强和灵敏度高等优点,更适合局部放电在线监测,它通过接收电力变压器局部放电产生的超高频电磁波,实现局部放电的检测。
局部放电测量还有助于发现以SF6气体作为绝缘介质的气体绝缘金属封闭开关设备(以下简称GIS,包括HGIS和罐式断路器等)内部的多种绝缘缺陷,是诊断GIS健康状态的重要手段。
在GIS制造、安装、运行和检修的各个环节,凡是具备条件的,都应该进行局部放电检测。
检测原理电气设备在使用过程中,由于某些原因逐步产生缺陷,在局部出现的微小放电的物理状况。
检测局部放电是诊断电力设备绝缘状态的重要办法。
电力变压器内的油纸绝缘,由于自身老化或生产工艺,会导致绝缘缺陷。
绝缘缺陷的存在会造成电场不均匀而产生局部放电,使绝缘介质逐步受到侵蚀和损伤,最终导致变压器出现绝缘性故障,造成巨大的经济损失以及人身伤害。
所以局部放电的检测对电力变压器有着十分重要的意义。
变压器内部的典型局部放电形式有四种,他们分别是油中气隙放电、油纸隔板结构放电、悬浮电极放电和针板电极放电这四种。
我们利用超高频法检测变压器内部的局部放电。
典型局部放电模型谱图典型局部放电模型试谱图1.高压尖刺模型电压等级PRPD谱图说明9.1KV270°先出现放电,属于尖刺放电的第一阶段11.2KV90°、270°均出现放电现象,属于尖刺放电的第二阶段13.0KV 90°、270°放电剧烈,90°出现门型,属于放电的第三阶段2.低压尖刺模型电压等级PRPD谱图说明13.5KV90°先出现放电,属于尖刺放电的第一阶段16.8KV90°、270°均出现放电现象,属于尖刺放电的第二阶段24.1KV90°放电剧烈,出现门型,属于放电的第三阶段3.悬浮模型电压等级PRPD谱图说明25.8KV0~90°、180~270°之间均出现悬浮空中的放电现象。
悬浮仅加一个电压等级4. 自由金属颗粒模型 颗粒类型 电压等级PRPD 谱图说明两个颗粒8.8KV0~360°均有放电,总体趋势呈双山峰状12.3KV一个颗粒9.7KV0~360°均有放电,总体趋势呈双山峰状14.5KV5.沿面模型电压等级PRPD谱图说明16.6KV180~270°之间先出现放电,0~90°仅出现少量放电,属于沿面放电的第一阶段21.5KV0~90°、180~270°之间均出现放电现象,0~90°放电较第一阶段明显增加,属于沿面放电的第二阶段24.1KV0~90°、180~270°之间放电剧烈,属于沿面放电的第三阶段6.气隙模型电压等级PRPD谱图说明10.7KV相位发生在电压上升沿(1、3象限),第一象限有翼状图谱形状出现。
12.2KV相位发生在电压上升沿(1、3象限),第一象限翼状图谱形状变窄。
附录一高频局部放电检测标准
附录二高频局部放电检测典型图谱
附录三 GIS超高频局部放电检测典型图谱定义:
1、单周期检测数据:
检测一个50Hz周期局部放电的峰值与相位角。
2、峰值检测数据:
检测50Hz周期的相位角与局部放电信号的峰值和放电速率的关系。
3、PRPD检测数据
获取局部放电信号峰值时,数据显示不同大小峰值的局部放电信号个数与50Hz周期相位角的关系。
GIS超高频局部放电典型图谱:
附录四高压电缆局部放电典型图谱及检测标准
自由颗粒、金属微粒三维图谱(特高频)
超声波脉冲模式
超声波相位模式
机械振动相位模式(超声波)。
附录一高频局部放电检测标准附录二高频局部放电检测典型图谱放电类型图谱类型图谱特征电晕放电相位图谱分类图谱单个脉冲时域波形单个脉冲频域波形内部放电相位图谱分类图谱单个脉冲时域波形单个脉冲频域波形相位图谱沿面放电分类图谱附录三GIS超高频局部放电检测典型图谱定义:1、单周期检测数据:检测一个50Hz周期局部放电的峰值与相位角。
2、峰值检测数据:检测50Hz周期的相位角与局部放电信号的峰值和放电速率的关系。
3、PRPD检测数据获取局部放电信号峰值时,数据显示不同大小峰值的局部放电信号个数与50Hz周期相位角的关系。
GIS超高频局部放电典型图谱:电晕放电单周期检测图谱峰值检测图谱PRPD检测图谱自由金属颗粒放电单周期检测图谱峰值检测图谱PRPD检测图谱空隙(空穴、气隙)放电单周期检测图谱峰值检测图谱PRPD检测图谱移动电极局部放电(悬浮放电)单周期检测图谱峰值检测图谱PRPD检测图谱雷达噪音单周期检测图谱峰值检测图谱PRPD检测图谱横轴是幅值,纵轴是相位单周期检测图谱峰值检测图谱PRPD检测图谱单周期检测图谱峰值检测图谱PRPD检测图谱移动电话噪音单周期检测图谱峰值检测图谱PRPD检测图谱附录四高压电缆局部放电典型图谱及检测标准序号项目周期标准说明高压电缆局部放电电缆本体及接头局部放电试验1)2年2)必要时正常:无典型放电图谱。
正常35kV Q<20pC110kV Q<10pC220kV Q<10pC异常:具有局部放电特征但放电量较小。
异常(I,II)35kV20pC<Q<100pCQ>100pC110kV10pC<Q<40pC40pC<Q<80pC220kV10pC<Q<20pC20pC<Q<50pC处理标准3个月复测,观察局部放电变化趋势密切监视(1-2周复测)或者进行在线监测缺陷:具有典型局部放电的检测图谱且放电量较大。
附录一高频局部放电检测标准附录二高频局部放电检测典型图谱放电类型图谱类型图谱特征电晕放电相位图谱分类图谱单个脉冲时域波形单个脉冲频域波形内部放电相位图谱分类图谱单个脉冲时域波形单个脉冲频域波形相位图谱沿面放电分类图谱附录三GIS超高频局部放电检测典型图谱定义:1、单周期检测数据:检测一个50Hz周期局部放电的峰值与相位角。
2、峰值检测数据:检测50Hz周期的相位角与局部放电信号的峰值和放电速率的关系。
3、PRPD检测数据获取局部放电信号峰值时,数据显示不同大小峰值的局部放电信号个数与50Hz周期相位角的关系。
GIS超高频局部放电典型图谱:电晕放电单周期检测图谱峰值检测图谱PRPD检测图谱自由金属颗粒放电单周期检测图谱峰值检测图谱PRPD检测图谱空隙(空穴、气隙)放电单周期检测图谱峰值检测图谱PRPD检测图谱移动电极局部放电(悬浮放电)单周期检测图谱峰值检测图谱PRPD检测图谱GIS超高频典型干扰图谱:雷达噪音单周期检测图谱峰值检测图谱PRPD检测图谱横轴是幅值,纵轴是相位马达噪音单周期检测图谱峰值检测图谱PRPD检测图谱闪光噪音单周期检测图谱峰值检测图谱PRPD检测图谱移动电话噪音单周期检测图谱峰值检测图谱PRPD检测图谱附录四高压电缆局部放电典型图谱及检测标准序号项目周期标准说明高压电缆局部放电电缆本体及接头局部放电试验1)2年2)必要时正常:无典型放电图谱。
正常35kV Q<20pC110kV Q<10pC220kV Q<10pC异常:具有局部放电特征但放电量较小。
异常(I,II)35kV20pC<Q<100pCQ>100pC110kV10pC<Q<40pC40pC<Q<80pC220kV10pC<Q<20pC20pC<Q<50pC处理标准3个月复测,观察局部放电变化趋势密切监视(1-2周复测)或者进行在线监测缺陷:具有典型局部放电的检测图谱且放电量较大。
局部放电的波形和识别图谱( 补充件 )A1 前言局部放电电气检测的基本原理是在一定的电压下测定试品绝缘结构中局部放电所产生的高频电流脉冲。
在实际试验时,应区分并剔除由外界干扰引起的高频脉冲信号,否则,这种假信号将导致检测灵敏度下降和最小可测水平的增加,甚至造成误判断的严重后果。
在某一既定的试验环境下,如何区别干扰信号,采取若干必要的措施,以保证测试的正确性,就成为一个较重要的问题。
目前行之有效的办法是提高试验人员识别干扰波形的能力,正确掌握试品放电的特征、与施加电压及时间的规律。
经验表明:判断正确与否在很大程度上取决于测试者的经验。
掌握的波形图谱越多,则识别和解决的方法也越快越正确。
目前,有用计算机进行频谱分析帮助识别,但应用计算机的先决条件同样需要预知各种干扰波和试品放电波形的特征。
现根据我国多年来的实际经验和国外曾经发表过的一些图谱,汇编成文,供参考。
应该指出,所介绍的放电波形,多属处理成典型化的图形,不可能包含全部可能发生的内容。
A2 局部放电的干扰、抑制及识别的方法图 A1 干扰及其进入试验回路的途径Tr —试验变压器;C x —被试品;C k —耦合电容器;Z m —测量阻抗;DD —检测仪; M —邻近试验回路的金属物件;U A —电源干扰;U B —接地干扰;U C —经试验回路杂散电容C 耦合产生的干扰;U D —悬浮电位放电产生的干扰;U E —高压各端部电晕放电的干扰;I A —试验变压器的放电干扰;I B —经试验回路杂散电感 M 耦合产生的辐射干扰;I C —耦合电容器放电的干扰A2.1 干扰类型和途径干扰将会降低局部放电试验的检测灵敏度,试验时,应使干扰水平抑制到最低水平。
干扰类型通常有:电源干扰、接地系统干扰、电磁辐射干扰、试验设备各元件的放电干扰及各类接触干扰。
这些干扰及其进入试验回路的途径见图A1 。
a. 电源干扰。
检测仪及试验变压器所用的电源是与低压配电网相连的,配电网内的各种高频信号均能直接产生干扰。
附录一高频局部放电检测标准附录二高频局部放电检测典型图谱放电类型图谱类型图谱特征电晕放电相位图谱分类图谱单个脉冲时域波形单个脉冲频域波形内部放电相位图谱分类图谱单个脉冲时域波形单个脉冲频域波形相位图谱沿面放电分类图谱附录三GIS超高频局部放电检测典型图谱定义:1、单周期检测数据:检测一个50Hz周期局部放电的峰值与相位角。
2、峰值检测数据:检测50Hz周期的相位角与局部放电信号的峰值和放电速率的关系。
3、PRPD检测数据获取局部放电信号峰值时,数据显示不同大小峰值的局部放电信号个数与50Hz周期相位角的关系。
GIS超高频局部放电典型图谱:电晕放电单周期检测图谱峰值检测图谱PRPD检测图谱自由金属颗粒放电单周期检测图谱峰值检测图谱PRPD检测图谱空隙(空穴、气隙)放电单周期检测图谱峰值检测图谱PRPD检测图谱移动电极局部放电(悬浮放电)单周期检测图谱峰值检测图谱PRPD检测图谱雷达噪音单周期检测图谱峰值检测图谱PRPD检测图谱横轴是幅值,纵轴是相位马达噪音单周期检测图谱峰值检测图谱PRPD检测图谱闪光噪音单周期检测图谱峰值检测图谱PRPD检测图谱移动电话噪音单周期检测图谱峰值检测图谱PRPD检测图谱附录四高压电缆局部放电典型图谱及检测标准序号项目周期标准说明高压电缆局部放电电缆本体及接头局部放电试验1)2年2)必要时正常:无典型放电图谱。
正常35kV Q<20pC110kV Q<10pC220kV Q<10pC异常:具有局部放电特征但放电量较小。
异常(I,II)35kV20pC<Q<100pCQ>100pC110kV10pC<Q<40pC40pC<Q<80pC220kV10pC<Q<20pC20pC<Q<50pC处理标准3个月复测,观察局部放电变化趋势密切监视(1-2周复测)或者进行在线监测缺陷:具有典型局部放电的检测图谱且放电量较大。
典型局部放电模型试谱图
1.高压尖刺模型
电压等级PRPD谱图
270°
于尖刺
阶段
90°
电现象,
电的第二阶段
90°
90°
放电的第三阶段2.低压尖刺模型
90°
于尖刺
阶段
90°
电现象,
电的第二阶段
90°
门型,
三阶段
3.悬浮模型
0~90°
间均出
的放电现象。
加一个电压等级4.自由金属颗粒模型
电压等级PRPD谱图
0~360°
有
总
呈
状
0~360°
有
总
呈
状
5.沿面模型
电压等级PRPD谱图
180~270°
现放电,
现少量放电,
面放电的第一阶段
0~90°
间均出现放电现象,
0~90°
段明显增加,
面放电的第二阶段
0~90°
间放电剧烈,
面放电的第三阶段
6.气隙模型
电压等级PRPD谱图
相位发
升沿(
第一象
谱形状出现。
相位发
升沿(
第一象
形状变窄。
局部放电缺陷检测典型案例和图谱库电缆线路局部放电缺陷检测典型案例(第一版)案例1:高频局放检测发现10kV电缆终端局部放电(1)案例经过2010年5月6日,利用大尺径钳形高频电流传感器配Techimp公司PDchenk局放仪,在某分界小室内的10kV电缆终端进行了普测,发现1-1路电缆终端存在局部放电信号,随后对不同检测位置所得结果进行对比分析,初步判断不同位置所得信号属于同一处放电产生的局放信号,判断为电缆终端存在局放信号。
2010年6月1日通过与相关部门协调对其电缆终端进行更换,更换后复测异常局放信号消失。
更换下来的电缆终端经解体分析发现其制作工艺不良,是造成局放的主要原因。
(2)检测分析方法测试系统主机和软件采用局放在线检测系统,采用电磁耦合方法作为大尺径高频传感器的后台。
信号采集单元主要有高频检测通道、同步输入及通信接口。
高频检测通道共有3个,同时接收三相接地线或交叉互联线上采集的局部放电信号,采样频率为100 MHz,带宽为16 kHz~30 MHz,满足局部放电测试要求。
同步输入端口接收从电缆本体上采集的参考相位信号,通过光纤、光电转换器与电脑的RS232串口通信,将主机中的数据传送至电脑中,从而对信号进行分离、分类及放电模式识别。
利用局部放电测试系统,在实验电缆中心导体处注入图1-1的脉冲信号,此传感器可直接套在电缆屏蔽层外提取泄漏出来的电磁波信号,在电缆中心导体处注入脉冲信号,耦合到的信号如图1-2所示。
图1-1 输入5 ns脉冲信号图1-2输入5 ns脉冲信号响应信号将传感器放置不同距离时耦合的脉冲信号如图1-3所示。
距电缆终端不同距离耦合的脉冲信号随其距离的增长而减小(见图1-4),这样就可以判断放电是来自开关柜内还是线路侧。
a)距电缆终端0.1 m b)距电缆终端1.5 m图1-3 局部放电系统的耦合信号图1-4 不同位置耦合的脉冲信号2010年5月6日,在某分界小室内的10kV电缆终端进行了普测,在距离-1路进线电缆0.5 m和1.0 m处分别发现局放信号,测试结果如图1-5及图1-61所示。
电缆高频局部放电典型图谱
一、变压器内部放电
图1变压器内部放电典型图谱
图谱说明:正负半周的放电几乎同时产生,图谱形状也十分相似。
放电起始时局放脉冲总是先出现在电压幅值绝对值上升部位的相位上(约90°及270°处),电压升高后放电脉冲的相位范围逐渐扩展,甚至超过0°和180°,但90°和270°之后的一段相位内没有放电产生。
布。
形状呈锥形不对称分布,正半周的放电幅值比负半周要小。
六、噪音信号图谱
图6持续性噪音典型图谱
图7周期性噪音典型图谱
图谱说明:噪音信号分为持续性噪音和周期性噪音,在0°~360°整个的相位内都存在。
持续性噪音在各个相位上放电的数量基本相同,周期性噪音为周期性重复出现,在数量和大小上都很相似。
噪声的大小没有限制,其幅值的大小,与本身的频率有关。
典型局部放电模型谱图
————————————————————————————————作者:————————————————————————————————日期:
典型局部放电模型试谱图
1. 高压尖刺模型 电压等级
PR
PD
谱图
说明
9.1K V
270°先出现放电,属于尖刺放电的第一阶段
11.2KV
90°、270°均出现放电现象,属于尖刺放电的第二阶段
13.0KV
90°、270°放电剧烈,90°出现门型,属于放电的第三阶段
2. 低压尖刺模型
电压等级
P RP D谱图
说明
13.5KV
90°先出现放电,属
于尖刺放电的第一
阶段
16.8KV
90°、270°均出现放
电现象,属于尖刺放
电的第二阶段
2
4.1KV
90°放电剧烈,出现
门型,属于放电的第
三阶段
3.悬浮模型
电压等级
PRPD
谱图
说明
25.8KV
0~90°、180~270°之间均出现悬浮空中的放电现象。
悬浮仅加一个电压等级
4. 自由金属颗粒模型
颗粒类型 电压等级
PRPD 谱图
说明
两个颗粒
8.8KV
0~360°均有放电,总体趋势呈双山峰状
12.3KV
一个颗粒9.7KV
0~360°均
有放电,
总体趋势
呈双山峰
状
1 4.5
KV
5.沿面模型
电压等级PRPD谱图说明
16.6KV
180~270°之间先
出现放电,0~90°
仅出现少量放电,属
于沿面放电的第一
阶段
21.5KV
0~90°、180~270°
之间均出现放电现
象,0~90°放电较第
一阶段明显增加,属
于沿面放电的第二
阶段
24.1KV
0~90°、180~270°
之间放电剧烈,属于
沿面放电的第三阶
段
6.气隙模型
电压等级PRPD谱图说明
10.7KV
相位发生在电压上
升沿(1、3象限),第
一象限有翼状图谱
形状出现。
12.2KV
相位发生在电压上
升沿(1、3象限),第
一象限翼状图谱形
状变窄。