2016年度环境噪声污染防治工作主要数据表
- 格式:doc
- 大小:81.00 KB
- 文档页数:6
黑龙江省环境保护厅关于呈报《黑龙江省2016年度环境噪声污染防治工作总结》的报告【法规类别】污染防治【发文字号】黑环发[2017]24号【发布部门】黑龙江省环境保护厅【发布日期】2017.02.23【实施日期】2017.02.23【时效性】现行有效【效力级别】XP10黑龙江省环境保护厅关于呈报《黑龙江省2016年度环境噪声污染防治工作总结》的报告(黑环发〔2017〕24号)环境保护部:按照《关于报送2016年度环境噪声污染防治工作总结的通知》(环办大气函〔2016〕2366号)要求,现将《黑龙江省2016年度环境噪声污染防治工作总结》及相关数据呈报贵司,请审阅。
附件:1.黑龙江省2016年度环境噪声污染防治工作总结2. 黑龙江省2016年度环境噪声污染防治工作主要数据表3.黑龙江省环境噪声污染防治工作联系人黑龙江省环境保护厅2017年2月23日附件1:黑龙江省2016年度环境噪声污染防治工作总结2016年,在环境保护部的大力支持下,在省委、省政府的正确领导下,我省通过全面推进,重点治理,努力改善城市声环境质量,为人民群众创造一个安静舒适的生活工作环境,全省各市(地)环境噪声污染防治工作取得了一定成效,现将我省2016年度环境噪声污染防治工作开展情况汇报如下。
一、声环境质量现状一是城市区域声环境水平平稳趋好。
全省城市区域声环境质量进行昼间监测,全省平均等效声级为53.8 dB(A)(面积加权)。
城市等效声级范围在47.7-58.5dB(A)之间。
城市区域声环境质量为好的城市有1个,占监测城市数的7.7%;为较好的城市有10个,占监测城市数的76.9%;2个城市为一般,占监测城市数的15.4%。
二是道路交通噪声平均等效声级保持稳定。
全省城市道路交通声环境质量进行昼间监测,共监测道路长度约1016.9千米,其中187千米路段等效声级超过70dB(A),占监测路段总长度的18.4%,全省道路交通噪声平均等效声级为66dB(A)(长度加权)。
附件12016年度环境噪声污染防治工作总结编写提纲一、声环境质量现状,包括声环境功能区达标情况、城市区域声环境总体水平、道路交通噪声现状等。
二、2016年环境噪声污染防治工作情况。
(一)地方发布的噪声污染防治法规标准和规章文件。
(二)环境噪声污染投诉及处理。
1.噪声投诉数量及办结率,在总环境投诉中所占比例,噪声投诉热点。
2.各级环保“12369”、公安“110”、城建“12319”举报热线的噪声污染投诉信息共享机制建立情况,部门联动情况。
3.环境噪声投诉及处理典型案例。
(三)重点领域噪声污染防治。
1.交通噪声污染防治情况:《地面交通噪声污染防治技术政策》落实情况,包括噪声敏感建筑物集中区域(以下简称敏感区)的高架路、快速路、高速公路、城市轨道等道路两边隔声屏障建设,禁鸣、限行、限速等措施;城市市区铁路道口平交改立交建设情况;高铁在城市市区内运行的噪声控制情况;机场周边噪声污染防治工作。
2.施工噪声污染防治情况:施工噪声超标排放行为查处情况;施工噪声排放申报管理情况,城市建筑施工环保公告制度落实情况;限定施工作业时间及夜间施工审批情况;采用噪声自动监测系统对建筑施工进行实时监督情况;鼓励使用低噪声施工设备和工艺情况等。
3.社会生活噪声污染防治情况:社会生活噪声管理及查处情况,包括商业经营活动在室外使用音响器材;加工、维修、餐饮、娱乐、健身、超市及其他商业服务业噪声污染;冷却塔、电梯间、水泵房和空调器等配套服务设施造成的噪声污染;敏感区内的文体活动和室内娱乐活动等;绿色护考工作情况。
4.工业企业噪声污染防治情况:工业企业噪声排放超标扰民行为查处情况;敏感区内工业企业噪声排放达标情况,敏感区内噪声排放超标企业关停、搬迁和治理情况;乡村地区工业企业噪声污染防治开展情况。
(四)噪声排放源监督管理。
1.新建噪声源的基本信息、环评和验收情况及噪声污染防治费用。
2.重点噪声源监管情况:已确定的本地区交通、建筑施工、社会生活和工业等领域的重点噪声排放源单位数量及达标情况。
环境污染排查治理情况统计分析表
说明
本文档旨在统计和分析环境污染排查治理情况,以便进行有效的环境保护措施和决策。
统计分析
1. 污染类型统计
2. 污染源排查情况
2.1 大气污染排查
- 排查结果:共发现100个大气污染源。
- 主要污染物:颗粒物、二氧化硫、氮氧化物等。
- 排查方案:加强监测力度、加强治理措施。
2.2 水污染排查
- 排查结果:共发现50个水污染源。
- 主要污染物:化学品、重金属等。
- 排查方案:严格监管、加强污水处理设施建设。
2.3 土壤污染排查
- 排查结果:共发现30个土壤污染源。
- 主要污染物:重金属、有机物等。
- 排查方案:修复受污染的土壤、加强土壤保护意识。
2.4 噪音污染排查
- 排查结果:共发现20个噪音污染源。
- 主要噪音源:交通噪音、工厂噪音等。
- 排查方案:加强噪音监测、加强环境噪音管理。
3. 治理效果评估
- 对已治理污染源进行效果评估。
- 治理效果评估的指标包括:污染物浓度、正常排放时间比例、环境影响程度等。
结论
通过对环境污染排查治理情况的统计分析,我们发现大气污染是最主要的污染类型,其次是水污染、土壤污染和噪音污染。
针对不同类型的污染源,我们已经制定了相应的排查方案和治理措施。
此外,我们还进行了治理效果评估,以监测治理效果。
评估结果将作为制定环境保护政策和决策的重要参考。
请注意:本文档所提供的统计数据仅为示范,实际情况可能有所不同。
连云港市2016年二季度功能区噪声监测结果分析
一、连云港市区
二季度市区功能区噪声监测统计结果见表1,除国展中心测点夜间噪声值超过四类区标准,其余测点昼夜间噪声均符合相应功能区噪声标准。
表1 市区二季度功能区噪声监测数据统计表单位:dB(A)
二、赣榆区
二季度赣榆区城区功能区噪声监测统计结果见表2,各测点昼间、夜间均符合相应功能区标准。
表2 赣榆区二季度功能区噪声监测数据统计表单位:dB(A)
三、东海县
二季度东海县功能区噪声监测统计结果见表3,各测点昼间、夜间均符合相应功能区标准。
表3 东海县二季度功能区噪声监测数据统计表单位:dB(A)
四、灌云县
二季度灌云县城区功能区噪声监测统计结果见表4,各测点昼夜间噪声值均符合相应功能区标准。
表4 灌云县二季度功能区噪声监测数据统计表单位:dB(A)
五、灌南县
二季度灌南县城区功能区噪声监测统计结果见表5,各测点昼间、夜间噪声值均符合相应功能区标准。
表5 灌南县二季度功能区噪声监测数据统计表单位:dB(A)
连云港市环境监测中心站
2016年5月25日。
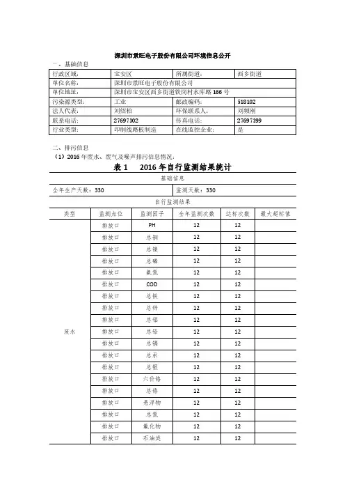
深圳市景旺电子股份有限公司环境信息公开一、基础信息行政区域:宝安区所属街道:西乡街道单位名称:深圳市景旺电子股份有限公司单位地址:深圳市宝安区西乡街道铁岗村水库路166号污染源类型:工业邮政编码:518102法人代表:刘绍柏环保联系人:刘频刚联系电话:27697302 传真电话:27697399行业类型:印制线路板制造在线监控企业:是二、排污信息(1)2016年废水、废气及噪声排污信息情况:表1 2016年自行监测结果统计基础信息全年生产天数:330 监测天数:330自行监测结果类型监测点位监测因子全年监测次数达标次数最大超标值废水排放口PH 12 12 排放口总铜12 12 排放口总镍12 12 排放口总磷12 12 排放口氨氮12 12 排放口COD 12 12 排放口总铁12 12 排放口总锌12 12 排放口总铝12 12 排放口总铅12 12 排放口总镉12 12 排放口总汞12 12 排放口总银12 12 排放口六价铬12 12 排放口总铬12 12 排放口悬浮物12 12 排放口总氮12 12 排放口氟化物12 12 排放口石油类12 12排放口总氰化物12 12废气废气排放口氮氧化物 4 4 废气排放口硫酸雾 4 4 废气排放口氯化氢 4 4 废气排放口铬酸雾 4 4 废气排放口氟化物 4 4 废气排放口氰化物 4 4 废气排放口苯 4 4 废气排放口甲苯 4 4 废气排放口二甲苯 4 4 废气排放口非甲烷总烃 4 4 废气排放口颗粒物 4 4厂界噪声厂界东1m 噪音8 8 厂界南1m 噪音8 8 厂界西1m 噪音8 8 厂界北1m 噪音8 8(2)、全年废水、废气污染物排放量根据2016年自行监测数据,全公司2016年的污染物排放量见表2。
表2 2016年污染物排放量统计类别污染物年排放量废气氮氧化物 4.59 吨废水化学需氧量12.16吨氨氮 2.03吨总磷0.06吨氰化物0.015千克总镍0.02吨总铜0.015吨(3)、固体废弃物统计2016年本公司固体废弃物统计见表3。
2016年成都市城市声环境质量状况
道路交通声环境:
2016年成都市城区道路交通噪声昼间平均等效声级70.9dB(A),道路交通声环境质量处于“一般”水平。
与上年相比,2016年成都市城区道路交通噪声昼间平均等效声级较上年(69.0)有所上升。
区域声环境:
2016年成都市城区区域声环境昼间平均等效声级54.1dB(A),声环境质量处于“较好”水平。
与上年相比,2015年区域声环境昼间平均等效声级较上年(54.2)下降了0.1dB(A)。
功能区声环境:
2016年城区功能区声环境,1类区昼间达标率50%,夜间达标率13%;2类区昼间达标率86%,夜间达标率79%;3类区昼间达标率为94%,夜间达标率为56%;4a类区昼间达标率为50%,夜间达标率为10%;4b类区昼夜达标率均为100%。
各类功能区达标情况见下表。
表 2016年成都市城市功能区声环境质量达标情况
注:1.声环境质量评价采用《声环境质量标准》(GB3096-2008)及《环境噪声监测技术规范/城市声环境常规监测》(HJ640-2012)。
2.城市声环境功能区分为4类。
1类区:指以居民住宅、医疗卫生、文化教育、科研设计、行政办公为主要功能,
需要保持安静的区域。
2类区:指以商业金融、集市贸易为主要功能,或者居住、商业、工业混杂,需要维护住宅安静的区域。
3类区:指以工业生产、仓储物流为主要功能,需要防止工业噪声对周围环境产生严重影响的区域。
4类区:指交通干线两侧一定距离之内,需要防止交通噪声对周围环境产生严重影响的区域。
由于本次监测的20个点位均为新点位,故未进行同比和环比。
附件22016年度环境噪声污染防治工作主要数据表表1 2016年颁布的噪声污染防治地方法规及规范性文件名称颁布时间(年/月/日)实施时间(年/月/日)颁布部门(全称)注:填报省级和所属所有地级及以上城市(不包含地级市所辖县)、省辖县级市的法规及规范性文件。
表2 2016年颁布的地方环境噪声标准标准名称标准编号注:填报省级和所属所有地级及以上城市(不包含地级市所辖县)、省辖县级市的环境噪声标准。
表3-1 2016年环境噪声投诉基本情况城市名称环境投诉总数(件)投诉噪声数量(件)办结率数据来源省级城市1城市2城市3┋汇总注:1.按省级和所属所有地级及以上城市(不包含地级市所辖县)、省辖县级市分别填报。
2.“数据来源”指接受噪声投诉的部门,如果数据从多个部门收集应把各部门全部列出。
表3-2 2016年各类噪声投诉分类统计环境噪声分类细类投诉数量(件)省级城市1 城市2 …汇总社会生活噪声楼内设施(电梯、水泵等)固定设备(冷却塔、风机等) 娱乐场所(酒吧、KTV等)其他建筑施工噪声昼间施工夜间施工工业企业噪声/交通噪声道路(包含城轨)铁路飞机航运注:1.按省级和所属所有地级及以上城市(不包含地级市所辖县)、省辖县级市分别填报。
2.“细类”可根据当地需要扩展,若某一类噪声在本地是投诉热点,而表3-2中又没有对这类噪声单独分类,可在细类中自行增加该类噪声。
表4 声环境功能区划分与调整工作城市名称首次声功能区划完成时间(年)最近一次声功能区划调整完成时间(年)城市1城市2城市3┋注:每个地级及以上城市(不包含地级市所辖县)、省辖县级市分别填报。
表5 绿色护考城市名称是否开展该项工作覆盖考试类别城市1城市2城市3┋注:1.按每个地级及以上城市(不包含地级市所辖县)、省辖县级市分别填报。
2.“是否开展该项工作”填“是”或“否”。
3.“覆盖考试类别”填本城市已开展绿色护考的所有考试名称,如中考、高考、公务员录用考试等。
西安市人民政府办公厅关于印发西安市2016年噪声污染专项整治实施方案的通知文章属性•【制定机关】西安市人民政府办公厅•【公布日期】2016.05.11•【字号】市政办发〔2016〕30号•【施行日期】2016.05.11•【效力等级】地方规范性文件•【时效性】现行有效•【主题分类】污染物排放总量控制正文西安市人民政府办公厅关于印发西安市2016年噪声污染专项整治实施方案的通知市政办发〔2016〕30号各区、县人民政府,市人民政府各工作部门、各直属机构:《西安市2016年噪声污染专项整治实施方案》已经市政府同意,现印发给你们,请认真遵照执行。
西安市人民政府办公厅2016年5月11日西安市2016年噪声污染专项整治实施方案为了推动《西安市环境噪声污染防治条例》的贯彻落实,进一步强化城市治理专项工作,切实减少噪声污染,不断提升城市声环境质量,努力建设品质西安,结合实际,制定本方案。
一、整治依据依据《西安市环境噪声污染防治条例》和《西安市城市治理专项工作实施方案》有关规定。
二、整治原则以宣传教育为先导,以检查、督促整改为重点,以联合执法为抓手,以完善长效机制为目标,坚持属地管理,辖区政府(管委会)对声环境负总责,各职能部门各司其职、协同联动、齐抓共管。
三、整治目标使工业噪声、建筑施工噪声、交通噪声、社会生活噪声污染得到有效控制,噪声扰民问题得到明显缓解,城市声环境质量得到显著改善,人民群众满意度不断提高。
四、责任分工(一)市环保局负责督促协调各单位噪声污染整治工作;适时调整本市的声环境功能区划;负责工业噪声、建筑施工噪声及其商业、文化娱乐经营场所的空调、抽风机、发电机、水泵等固定设备产生噪声及营业性娱乐场所厂界噪声的监督管理。
(二)市城管局负责在商业经营活动中使用高音喇叭、大功率音响器材或者采用其他发出高噪声的方法招揽顾客及在街道、广场、公园,开展宣传庆典、文化娱乐、体育健身等活动中,使用音响、抽打陀螺、甩响鞭、夜市、烧烤等,产生噪声的集中整治;负责对渣土清运中投诉噪声的监管,会同市公安局严格控制渣土车辆运行路线的审批。
2016—2019 年全国生态环境统计公报以第二次全国污染源普查成果为基准,生态环境部依法组织对2016—2019 年污染源统计初步数据进行更新,依据《生态环境统计报表制度》《生态环境统计管理报表制度》,现将相关全国生态环境统计数据公布如下。
一、污染源统计(一)统计范围污染源统计调查对象为全国排放污染物的工业污染源(简称工业源)、农业污染源(简称农业源)、生活污染源(简称生活源)、集中式污染治理设施(简称集中式)、移动源。
各类污染源的调查范围与第二次全国污染源普查范围有所不同。
工业源包括《国民经济行业分类》(GB/T4754—2017)中行业代码为06—45 的40 个大类行业以及行业代码为4610的自来水生产和供应业。
农业源包括畜禽养殖业中的大型畜禽养殖场(生猪设计年出栏量≥5000 头、奶牛设计年存栏量≥500 头、肉牛设计年出栏量≥1000 头、蛋鸡年设计存栏量≥15 万羽、肉鸡年设计出栏量≥30 万羽)。
生活源包括《国民经济行业分类》(GB/T4754—2017)中的第三产业以及城镇居民生活源;此外,生活源废气污染物排放包括农村生活源。
集中式包括集中式污水处理单位、生活垃圾集中处理处置单位、危险废物集中利用处置(处理)单位。
移动源包括机动车污染源。
(二)废水污染物2016—2019 年,废水中化学需氧量排放量逐年下降,由2016 年658.1 万吨,下降为2019 年567.1 万吨,下降13.8%。
其中,工业源、农业源、集中式化学需氧量排放量均逐年下降,2019 年分别为77.2、18.6、1.4 万吨;生活源化学需氧量排放量总体持平,2019 年为469.9 万吨。
废水中氨氮排放量逐年下降,由2016 年56.8 万吨,下降为2019 年46.3 万吨,下降18.5%。
其中,工业源、农业源、生活源氨氮排放量均逐年下降,2019 年分别为3.5、0.4、42.1 万吨。
废水中总氮排放量逐年下降,由2016 年123.6 万吨,下降为2019 年117.6 万吨,下降4.8%。
2021年度噪声污染防治工作主要数据表表1 2021年各地发布的法律法规、标准规范注:1.填报省级、市级、县级发布的法律法规、标准规范。
2.如未开展相关工作,填“无”。
表2 2021年各地发布的噪声污染防治相关文件注:1.填报省级、市级、县级发布的噪声污染防治相关文件。
2.如未开展相关工作,则填“无”。
表3 2021年噪声污染防治工作列入相关规划情况注:1.填报省级、市级、县级噪声污染防治相关工作列入相关规划情况。
2.如未开展相关工作,则填“无”。
表4 2021年噪声投诉基本情况注:1.统计省级、市级、县级相关部门受理的噪声投诉案件数。
2.数据来源指受理噪声投诉的部门,应写明来源于市长热线“12345”、环保“12369”、公安“110”、城建“12319”等渠道,并写明件数;各渠道噪声投诉总数应等于各个数据来源噪声投诉数量之和。
3.市级投诉总数应等于市本级与所辖所有区县投诉数量之和,省级投诉总数应等于省本级所辖各市县投诉数量之和。
表5 在用噪声自动监测设备数量及应用统计情况注:1.统计省级、市级、县级在用的噪声自动监测设备建设情况。
2.设备应用情况中填写每类应用对应的噪声自动监测设备数量,设备应用情况的总和应等于设备总数。
编号①~⑨分别对应:①功能区声环境质量监测,用于开展功能区声环境质量常规监测工作。
②工业噪声源监测,指对工业噪声源进行监测。
③建筑施工噪声源监测,指对建筑施工噪声进行监测。
④道路交通噪声监测,用于开展城市道路交通噪声监测工作。
⑤机场周围区域噪声监测,用于机场周围区域飞机噪声监测。
⑥公共场所设置噪声自动监测,指在人群集中或需要严格控制声环境质量的位置安装的噪声自动监测。
⑦公共场所设置噪声显示屏,指在人群集中或需要严格控制声环境质量的位置安装的噪声显示屏。
⑧科研监测,用于获取噪声科研数据的监测工作。
⑨其他,不适用于以上8种类型的情况。
填报时需注明使用用途。
3.市级设备总数应等于市本级与所辖所有区县设备数量之和,省级设备总数应等于省本级与所辖各市县设备数量之和。
环境保护部办公厅关于报送2016年度环境噪声污染防治工作总结的通知文章属性•【制定机关】环境保护部(已撤销)•【公布日期】2016.12.29•【文号】环办大气函[2016]2366号•【施行日期】2016.12.29•【效力等级】部门规范性文件•【时效性】现行有效•【主题分类】大气污染防治正文关于报送2016年度环境噪声污染防治工作总结的通知环办大气函[2016]2366号各省、自治区、直辖市环境保护厅(局),新疆生产建设兵团环境保护局:为进一步做好噪声污染防治工作,提高各地区环境噪声管理水平,总结环境噪声污染防治工作经验,促进声环境质量全面改善,请你厅(局)按照《2016年度环境噪声污染防治工作总结编写提纲》(见附件1),组织编写2016年度环境噪声污染防治工作总结,填写《2016年度环境噪声污染防治工作主要数据表》(见附件2),同时上报省级环境噪声污染防治工作联系人(见附件3),并于2017年2月24日前反馈,电子文档发送至联系人邮箱。
联系人:环境保护部大气司周游中国环境监测总站汪赟电话:(010)66556879,84943130传真:(010)66556879,84949063邮箱:****************附件:1.2016年度环境噪声污染防治工作总结编写提纲2.2016年度环境噪声污染防治工作主要数据表3.省级环境噪声污染防治工作联系人环境保护部办公厅2016年12月29日附件12016年度环境噪声污染防治工作总结编写提纲一、声环境质量现状,包括声环境功能区达标情况、城市区域声环境总体水平、道路交通噪声现状等。
二、2016年环境噪声污染防治工作情况。
(一)地方发布的噪声污染防治法规标准和规章文件。
(二)环境噪声污染投诉及处理。
1.噪声投诉数量及办结率,在总环境投诉中所占比例,噪声投诉热点。
2.各级环保“12369”、公安“110”、城建“12319”举报热线的噪声污染投诉信息共享机制建立情况,部门联动情况。
2016年度环境噪声污染防治工作主要数据表
表1 2016年颁布的噪声污染防治地方法规及规范性文件
名称颁布时间(年/月/日)实施时间(年/月/日)颁布部门(全称)
注:填报省级和所属所有地级及以上城市(不包含地级市所辖县)、省辖县级市的法规及规范性文件。
表2 2016年颁布的地方环境噪声标准
标准名称标准编号注:填报省级和所属所有地级及以上城市(不包含地级市所辖县)、省辖县级市的环境噪声标准。
表3-1 2016年环境噪声投诉基本情况
城市名称环境投诉总数(件)投诉噪声数量
(件)
办结率数据来源
省级
城市1
城市2
城市3
┋
汇总
注:1.按省级和所属所有地级及以上城市(不包含地级市所辖县)、省辖县级市分别填报。
2.“数据来源”指接受噪声投诉的部门,如果数据从多个部门收集应把各部门全部列出。
表3-2 2016年各类噪声投诉分类统计环境噪声分类细类
投诉数量(件)
省级城市1 城市2 …汇总
社会生活噪声楼内设施(电梯、水泵等)固定设备(冷却塔、风机等) 娱乐场所(酒吧、KTV等)
其他
建筑施工噪声昼间施工
夜间施工工业企业噪声/
交通噪声道路(包含城轨)
铁路
飞机
航运
注:1.按省级和所属所有地级及以上城市(不包含地级市所辖县)、省辖县级市分别填报。
2.“细类”可根据当地需要扩展,若某一类噪声在本地是投诉热点,而表3-2中又没有对这
类噪声单独分类,可在细类中自行增加该类噪声。
表4 声环境功能区划分与调整工作
城市名称首次声功能区划完成时间(年)最近一次声功能区划调整完成时间
(年)
城市1
城市2
城市3
┋
注:每个地级及以上城市(不包含地级市所辖县)、省辖县级市分别填报。
表5 绿色护考
城市名称是否开展该项工作覆盖考试类别
城市1
城市2
城市3
┋
注:1.按每个地级及以上城市(不包含地级市所辖县)、省辖县级市分别填报。
2.“是否开展该项工作”填“是”或“否”。
3.“覆盖考试类别”填本城市已开展绿色护考的所有考试名称,如中考、高考、公务员录用
考试等。
表6 2016年立项的噪声科研项目
项目名称组织立项单位
(全称)
承担单位
(全称)
项目资金
(万元)
起止时间
注:填报省级和所属所有地级及以上城市(不包含地级市所辖县)、省辖县级市的噪声科研项目。
表7 环保部门噪声管理和监测能力建设
城市名称噪声管理专职
人员数(人)
噪声管理兼职
人员数(人)
噪声监测专职
人员数(人)
噪声监测兼职
人员数(人)
省级
城市1
城市2
城市3
┋
汇总
注:1.按省级和所属所有地级及以上城市(不包含地级市所辖县)、省辖县级市分别填报。
2.噪声管理(监测)专职人员:指主要负责噪声管理(监测)的在编人员,噪声管理(监测)
占其工作量70%以上。
噪声管理(监测)兼职人员:指在承担其他环境要素(如:大气、水等)管理(监测)工作的同时,也参与噪声管理(监测)的在编人员。
表8 噪声自动监测
城市名称设备总数设备应用情况(台套)
(台套)①②③④⑤⑥⑦
省级
城市1
城市2
城市3
┋
汇总
注:1.按省级和所属所有地级及以上城市(不包含地级市所辖县)、省辖县级市分别填报。
2.设备应用情况,编号①~⑦分别对应:①、声环境质量常规监测(全国),指按照《环境噪声监测技术规范城市声环境常规监测》(HJ 640)或《功
能区声环境质量自动监测技术规定(暂行)》布设监测点位及评价,监测数据报送至中国环境监测总站;②、声环境质量常规监测(省市),指自动监测子站按上述两项标准监测与评价,监测数据未报送至中国环境监测总站;③、重点噪声源监测,指对建筑施工、工业企业等噪声源进行监督性或监管性监测;④、噪声敏感区显示屏,指在人群集中、居民关心、或需要严格控制声环境质量的位置安装的噪声显示屏;⑤、科研,数据用于科研工作;⑥、机场周围区域噪声监测,指监测受机场噪声影响区域噪声情况;⑦、其他,不适用于以上6种情况。
3.设备应用情况中填写每类应用对应的噪声自动监测设备数量。