桥梁工程施工监理常用表格
- 格式:doc
- 大小:33.00 KB
- 文档页数:6
桥梁工程施工资料桥梁由基础及下部构造、上部构造预制和安装、总体桥面和附属工程、防护工程和引道等分部工程构成。
第一节施工试验报告1、水泥混凝土和砂浆配合比试验报告。
其混合料应按《公路工程水泥混凝土试验规程》的规定进行试验。
报告应包括配合比设计计算书,试验室确定的配合比及强度试验报告,所用原材料试验报告。
试验报告按单位工程组卷。
要求监理审批意见在前,试验报告在后。
2 、锚具、夹具、连接器和千斤顶检验报告:1)锚具、夹具、连接器。
预应力筋锚具、夹具、连接器验收批的划分:在同种材料和同一生产工艺条件下,锚具、夹具应以不超过1000套组为一个验收批;连接器以不超过500套组为一个验收批。
(1)外观检查:应从每批中抽取10%的锚具且不少于10套,检查其外观和尺寸。
如有一套表面裂纹或超过产品标准及设计图纸规定尺寸的允许偏差,则应另取双倍数量的锚具重做检查,如仍有一套不符合要求,则应逐套检查,合格者方可使用。
(2)硬度检验:应从每批中抽取5%的锚具且不少于5套,对其中有硬度要求的零件作硬度试验,对多孔夹片式锚具的夹片每套至少抽取5片。
每个零件测试3点,其硬度应在设计要求范围内,如有一个零件不合格,则应另取双倍数量的锚具重做试验,如仍有一个零件不合格,则应逐个检查。
合格者方可使用。
(3)静载锚固性能试验:对大桥等重要工程,经上述两项试验合格后,应从同批中抽取6套锚具(夹具或连接器)组成3个预应力筋锚具组装件,进行静载锚固性能试验,如有一个试件不符合要求,则应另取双倍数量的锚具(夹具或连接器)重做试验,如仍有一个试件不符合要求,则该批锚具(夹具或连接器)为不合格品。
2)千斤顶检验。
当千斤顶使用超过6个月或200次,或在使用过程中出现不正常现象,检修后均须重新检验。
3)检验报告组卷要求。
预应力用锚具、夹具和连接器、千斤顶等的检验报告按器具种类、检验时间顺序组卷。
3、桥梁支座和伸缩装置检验报告。
进场的桥梁支座和伸缩装置必须有生产厂家的合格证和产品质量检验报告,并应按图纸和规范要求进行检验,检验报告按生产厂家、材料种类、检验时间顺序组卷。
(建筑工程管理)施工监理工作常用表格(全部)施工监理工作常用表1.表格说明1.1表格可分为以下两种类型:1.1.1承包人用表。
以CB××表示。
1.1.2监理机构用表。
以JL××表示。
1.2表头应采用如下格式:注1:“CB11”-表格类型及序号。
注2:“工程放样报验单”-表格名称。
注3:“承包[]放样号”-表格编号。
其中:①“承包”:指该表以承包人为填表人,当填表人为监理机构时,即以“监理”代之。
②当监理工程范围包括两个以上承包人时,为区分不同承包人的用表,“承包”可用其简称表示。
③[]:年份,[2003]表示2003年的表格。
④“放样”:表格的使用性质,即用于“放样”工作。
⑤“号”:一般为3位数的流水号。
如承包人简称为“华安”,则2003年承包人向监理机构报送的第3次放样报表可表示为:2.1监理机构可根据施工项目的规模和复杂程度,采用其中的部分或全部表格;如果表格种类不能满足工程实际需要时,可按照表格的设计原则另行增加。
2.2各表格脚注中所列单位和份数为基本单位和最少份数,工作中应根据具体情况和要求具体指定各类表格的报送单位和份数。
2.3相关单位都应明确文件的签收人。
2.4“CB01施工技术方案申报表”可用于承包人向监理机构申报关于施工组织设计、施工措施计划、工程测量施测计划和方案、施工工法、工程放样计划、专项试验计划和方案等。
2.5承包人的施工质量检验月汇总表、工程事故月报表除作为施工月报附表外,还应按有关要求另行单独填报。
2.6表格底部注明的“设代机构”是代表工程设计单位在施工现场的机构,如设计代表、设代组、设代处等。
3.施工监理工作常用表格目录3.1承包人用表目录承包人用表目录承包人用表目录(续)3.2监理机构用表目录监理机构用表目录监理机构用表目录(续)4.1施工监理工作常用表格CB01施工技术方案申报表(承包[]技案号)合同名称:合同编号:说明:本表一式___份,由承包人填写。
E.3 施工监理工作常用表格目录E.3.1承包人用表目录E.3.2监理机构用表目录CB01 施工技术方案申报表(承包[ ]技案号)说明:本表一式份,由承包人填写。
监理机构审签后,随同审批意见,承包人、监理机构、发包人、设代机构各1份。
CB02 施工进度计划申报表(承包[ ]进度号)合同名称:合同编号:说明:本表一式份,由承包人填写。
监理机构审签后,随同审批意见,承包人、监理机构、发包人、设代机构各1份。
CB03 施工用图计划报告(承包[ ]图计号)合同名称:合同编号:说明:本表一式份,由承包人填写。
监理机构审签后,随同审核意见,承包人、监理机构、发包人、设代机构各1份。
CB04 资金流计划申报表(承包[ ]资金号)合同名称:合同编号:单位:说明:本表一式份,由承包人填写。
监理机构审签后,随同审批意见,承包人、监理机构、发包人各1份。
CB05 施工分包申报表(承包[ ]分包号)合同名称:合同编号:说明:本表一式份,由承包人填写,监理机构审核、发包人批准后,随同审批意见,承包人、监理机构、发包人各1份。
CB06 现场组织机构及主要人员报审表(承包[ ]机人号)合同名称:合同编号:说明:本表一式份,由承包人填写。
监理机构审签后,随同审核意见,承包人、监理机构、发包人各1份。
CB07 材料/构配件进场报验单(承包[ ]材验号)说明:本表一式份,由承包人填写。
监理机构审签后,承包人2份,监理机构、发包人各1份。
CB08 施工设备进场报验单(承包[ ]设备号)说明:本表一式份,由承包人填写。
监理机构审签后,承包商人、监理机构、发包人各1份。
CB09 工程预付款申报表(承包[ ]工预付号)注:本表一式份,由承包人填写。
监理机构审批后,随同付款证书,承包人2份,监理机构、发包人各1份。
CB10 工程材料预付款报审表(承包[ ]材预付号)说明:本表一式份,由承包人填写.作为CB31表的附表,一同流转,审批结算时用。
E.3 施工监理工作常用表格目录E.3.1 承包人用表目录E.3.2 监理机构用表目录E.4、施工监理常用表格CB01 施工技术方案申报表(承包[ ]技案号)合同名称:合同编号:承包人:说明:本表一式份,由承包人填写,监理机构审核后,随同审批意见承包人、监理机构、发包人、设计代表各1份。
CB02 施工进度计划申报表(承包[ ]进度号)合同名称:合同编号:承包人:说明:本表一式份,由承包人填写,监理机构审核后,随同审批意见承包人、监理机构、发包人、设计代表各1份。
CB02 施工用图计划报告(承包[ ]图计号)合同名称:合同编号:承包人:说明:本表一式份,由承包人填写,监理机构审核后,随同审核意见承包人、监理机构、发包人、设计代表各1份。
CB04 资金流计划申报表(承包[ ]资金号)合同名称:合同编号:承包人:单位:说明:本表一式份,由承包人填写,监理机构审核后,随同审核意见承包人、监理机构、发包人各1份。
CB05 施工分包申报表(承包[ ]分包号)合同名称:合同编号:承包人:说明:本表一式份,由承包人填写,监理机构审核、发包人批准后,随同审批意见承包人、监理机构、发包人各1份。
CB06 现场组织机构及主要人员报审表(承包[ ]机人号)合同名称:合同编号:承包人:说明:本表一式份,由承包人填写,监理机构审核后,随同审核意见承包人、监理机构、发包人各1份。
精品施工组织设计CB07 材料/构配件进场报验单(承包[ ]材验号)说明:本表一式份,由承包人填写,监理机构检验、审核后,返回承包人2份,监理机构、发包人各1份。
施工技术交底、表格CB08 施工设备进场报验单(承包[ ]设备号)合同名称:合同编号:承包人:说明:本表一式份,由承包人填写,监理机构审签后,承包商人、监理机构、发包人各1份。
CB09 工程预付款申报表(承包[ ]工预付号)合同名称:合同编号:承包人:注:本表一式份,由承包人填写,监理机构审批后,随同审批意见承包人2份,监理机构、发包人各1份。
3 施工工作常用表格表格说明1.1 表格可分为以下二种类型:1 承包人用表。
以CB ╳╳表示。
2 监理机构用表。
以JL ╳╳表示。
1.2 表头应采用如下格式:注:1 :“CB11”—表格类型及序号。
2 :“工程放样报验单”—表格名称。
3 : “承包[ ]放样 号”—表格编号。
其中:(1)“承包”:指该表以承包人为填表人。
当填表人为监理机构时,即以“监理”代之。
(2)当监理工程范围包括两个以上承包人时,为区分不同承包人的用表,“承包”可用其简称表示。
(3)[ ]:年份。
[2002]、[2003]表示2002年、2003年的表格;(4)“放样”:表格的使用性质,即用于“放样”工作。
(5)“ 号”:一般为3位数的流水号。
如承包人简称为“华安”,则2003年承包人向监理机构报送的第3次放样报表可表示为:表格使用说明2.1 监理机构可根据施工项目的规模和复杂程度,采用其中的部分或全部表格;如果表格种类不能满足工程实际需要时,可按照表格的设计原则另行增加。
2.2 各表格脚注中所列单位和份数为基本单位和最少份数,工作中应根据具体情况和要求予以具体指定各类表格的报送单位和份数。
2.3 相关单位都应明确文件的签收人。
2.4 “CB01 施工技术方案申报表”可用于承包人向监理机构申报关于施工组织设计、施工措施计划、工程测量施测计划和方案、施工工法、工程放样计划、专项试验计划等。
2.5 承包人的施工质量检验月汇总表、工程事故月报表除作为施工月报附表外,还应按有关要求另行单独填报。
2.6 表格底部注明“设代机构”是代表工程设计单位在施工现场的机构,如设计代表、设代组、设代处等。
3.2 监理机构用表目录JL01 进场通知(监理[ ]进场号)合同名称:黄河鄂尔多斯段2009年应急防洪工程达拉特旗监理2标合同编号:说明:本表一式份,由监理机构填写。
承包人签收后,承包人、监理机构、发包人、设代机构各1份。
JL02合同项目开工令(监理[ ]合开工号)说明:本表一式四份,由监理机构填写。
桥梁工程施工资料桥梁由基础及下部构造、上部构造预制和安装、总体桥面和附属工程、防护工程和引道等分部工程构成。
第一节施工试验报告1、水泥混凝土和砂浆配合比试验报告。
其混合料应按《公路工程水泥混凝土试验规程》的规定进行试验。
报告应包括配合比设计计算书,试验室确定的配合比及强度试验报告,所用原材料试验报告。
试验报告按单位工程组卷。
要求监理审批意见在前,试验报告在后。
2 、锚具、夹具、连接器和千斤顶检验报告:1)锚具、夹具、连接器。
预应力筋锚具、夹具、连接器验收批的划分:在同种材料和同一生产工艺条件下,锚具、夹具应以不超过1000套组为一个验收批;连接器以不超过500套组为一个验收批。
(1)外观检查:应从每批中抽取10%的锚具且不少于10套,检查其外观和尺寸。
如有一套表面裂纹或超过产品标准及设计图纸规定尺寸的允许偏差,则应另取双倍数量的锚具重做检查,如仍有一套不符合要求,则应逐套检查,合格者方可使用。
(2)硬度检验:应从每批中抽取5%的锚具且不少于5套,对其中有硬度要求的零件作硬度试验,对多孔夹片式锚具的夹片每套至少抽取5片。
每个零件测试3点,其硬度应在设计要求范围内,如有一个零件不合格,则应另取双倍数量的锚具重做试验,如仍有一个零件不合格,则应逐个检查。
合格者方可使用。
(3)静载锚固性能试验:对大桥等重要工程,经上述两项试验合格后,应从同批中抽取6套锚具(夹具或连接器)组成3个预应力筋锚具组装件,进行静载锚固性能试验,如有一个试件不符合要求,则应另取双倍数量的锚具(夹具或连接器)重做试验,如仍有一个试件不符合要求,则该批锚具(夹具或连接器)为不合格品。
2)千斤顶检验。
当千斤顶使用超过6个月或200次,或在使用过程中出现不正常现象,检修后均须重新检验。
3)检验报告组卷要求。
预应力用锚具、夹具和连接器、千斤顶等的检验报告按器具种类、检验时间顺序组卷。
3、桥梁支座和伸缩装置检验报告。
进场的桥梁支座和伸缩装置必须有生产厂家的合格证和产品质量检验报告,并应按图纸和规范要求进行检验,检验报告按生产厂家、材料种类、检验时间顺序组卷。
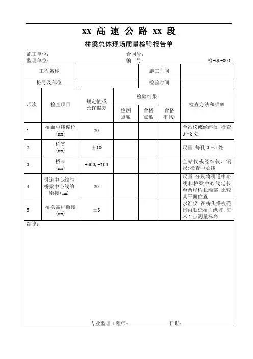
xx 高速公路xx 段桥梁总体现场质量检验报告单施工单位:合同号:xx 高速公路xx 段桥梁总体检测记录表施工单位:工程名称:合同号:xx 高速公路xx 段钢筋安装现场质量检验报告单施工单位:中交一公局第一工程有限公司合同号:5xx 高速公路xx 段钢筋安装检测记录表施工单位:中交一公局第一工程有限公司工程名称:K123+521后庄大桥合同号:5xx 高速公路xx 段钢筋网现场质量检验报告单施工单位:合同号:xx 高速公路xx 段钢筋网检测记录表施工单位:工程名称:合同号:xx 高速公路xx 段钢丝、钢绞线先张法现场质量检验报告单施工单位:合同号:xx 高速公路xx 段钢丝、钢绞线先张法检测记录表施工单位:工程名称:合同号:xx 高速公路xx 段后张法现场质量检验报告单施工单位:中交一公局第一工程有限公司合同号:05后张法预留孔检测记录表施工单位:中交一公局第一工程有限公司合同号:05后张法张拉检测记录表施工单位:中交一公局第一工程有限公司合同号:05后张法压浆检测记录表施工单位:中交一公局第一工程有限公司合同号:05基础砌体现场质量检验报告单施工单位:合同号:xx 高速公路xx 段基础砌体检测记录表施工单位:工程名称:合同号:检测人:专业监理工程师:日期:xx 高速公路xx 段墩、台身砌体现场质量检验报告单施工单位:合同号:xx 高速公路xx 段墩、台身砌体检测记录表施工单位:工程名称:合同号:xx 高速公路xx 段拱圈砌体现场质量检验报告单施工单位:合同号:xx 高速公路xx 段拱圈砌体检测记录表施工单位:工程名称:合同号:xx 高速公路xx 段侧墙砌体现场质量检验报告单施工单位:合同号:xx 高速公路xx 段侧墙砌体检测记录表施工单位:工程名称:合同号:xx 高速公路xx 段扩大基础现场质量检验报告单施工单位:合同号:05xx 高速公路xx 段扩大基础检测记录表施工单位:工程名称:合同号:05xx 高速公路xx 段钻孔灌注桩现场质量检验报告单施工单位:合同号:xx 高速公路xx 段钻孔灌注桩检测记录表施工单位:工程名称:合同号:xx 高速公路xx 段钻孔桩钻孔终孔后灌注混凝土前检查记录表施工单位:合同号:xx 高速公路xx 段桩头破除后检测记录表施工单位:工程名称:合同号:xx 高速公路xx 段挖孔桩现场质量检验报告单施工单位:合同号:xx 高速公路xx 段挖孔桩检测记录表施工单位:工程名称:合同号:xx 高速公路xx 段挖孔桩护壁检测记录表施工单位:工程名称:合同号:xx 高速公路xx 段承台(系梁)现场质量检验报告单施工单位:合同号:xx 高速公路xx 段承台(系梁)检测记录表施工单位:工程名称:合同号:检测人:专业监理工程师:日期:xx 高速公路xx 段大体积混凝土结构现场质量检验报告单施工单位:合同号:xx 高速公路xx 段大体积混凝土结构检测记录表施工单位:工程名称:合同号:xx 高速公路xx 段墩、台身现场质量检验报告单施工单位:合同号:xx 高速公路xx 段墩、台身检测记录表施工单位:工程名称:合同号:xx 高速公路xx 段柱或双壁墩身现场质量检验报告单施工单位:中交一公局第一工程有限公司合同号:05xx 高速公路xx 段柱或双壁墩身检测记录表施工单位:中交一公局第一工程有限公司工程名称:K120+326水泉沟1号大桥合同号:05xx 高速公路xx 段墩、台身安装现场质量检验报告单施工单位:合同号:xx 高速公路xx 段墩、台身安装检测记录表施工单位:工程名称:合同号:检测人:专业监理工程师:日期:。
施工监理工作常用表格(doc 107页)施工监理工作常用表格承包人用表目录表格 1监理机构用表目录表格 2施工监理常用表格CB01 施工技术方案申报表(承包[ ]技案号)合同名称:合同编号说明:本表一式份,由承包人填写。
监理机构审签后,随同审批意见,承包人、监理机构、发包人、设代机构各1份。
CB02 施工进度计划申报表(承包[ ]进度号)合同名称:合同编号说明:本表一式份,由承包人填写。
监理机构审签后,随同审批意见,承包人、监理机构、发包人、设代机构各1份。
CB02 施工图用图计划报告(承包[ ]图计号)合同名称:合同编号说明:本表一式份,由承包人填写。
监理机构审签后,随同审批意见,承包人、监理机构、发包人、设代机构各1份。
CB04 资金流计划申报表(承包[ ] 资金号)合同名称:合同编号:单说明:本表一式份,由承包人填写。
监理机构审签后,随同审核意见,承包人、监理机构、发包人、设代机构各1份。
CB05 施工分包申报表(承包[ ] 分包号)说明:本表一式份,由承包人填写。
监理机构审核、发包人批准后,随同审批意见,承包人、监理机构、发包人各1份。
CB06 现场组织机构及主要人员报审表(承包[ ] 机人号)合同名称:合同编号:说明:本表一式份,由承包人填写。
监理机构审签后,随同审核意见,承包人、监理机构、发包人各1 份。
CB07 材料/构配件进场报验单(承包[ ] 材验号)合同名称:合同编号:说明:本表一式份,由承包人填写。
监理机构审签后,承包人机构、发包人各1 份。
CB08施工设备进场报验单(承包[ ]设备号)说明:本表一式份,由承包人填写。
监理机构审签后,承包人、监理机构、发包人各1 份。
CB09 工程预付款申报表(承包[ ]工预付号)说明:本表一式份,由承包人填写。
监理机构审签后随同付款证书,承包人2份、监理机构、发包人各1 份。
CB10 工程材料预付款报审表(承包[ ] 材预付号)合同名称:合同编号:说明:本表一式份,由承包人填写。
施工监理工作常用表格1.表格说明1.1表格可分为以下两种类型:1.1.1承包人用表。
以CB××表示。
1.1.2监理机构用表。
以JL××表示。
1.2表头应采纳如下格式:注1:“CB11”-表格类型及序号。
注2:“工程放样报验单”-表格名称。
注3:“承包[ ]放样号”-表格编号。
其中:①“承包”:指该表以承包人为填表人,当填表人为监理机构时,即以“监理”代之。
②当监理工程范畴包括两个以上承包人时,为区分不同承包人的用表,“承包”可用其简称表示。
③[ ]:年份,[2003]表示2003年的表格。
④“放样”:表格的使用性质,即用于“放样”工作。
⑤“号”:一样为3位数的流水号。
如承包人简称为“华安”,则2003年承包人向监理机构报送的第3次放样报表可表示为:2.表格使用说明2.1监理机构可依照施工项目的规模和复杂程度,采纳其中的部分或全部表格;假如表格种类不能满足工程实际需要时,可按照表格的设计原则另行增加。
2.2各表格脚注中所列单位和份数为差不多单位和最少份数,工作中应依照具体情形和要求具体指定各类表格的报送单位和份数。
2.3相关单位都应明确文件的签收人。
2.4“CB01施工技术方案申报表”可用于承包人向监理机构申报关于施工组织设计、施工措施打算、工程测量施测打算和方案、施工工法、工程放样打算、专项试验打算和方案等。
2.5承包人的施工质量检验月汇总表、工程事故月报表除作为施工月报附表外,还应按有关要求另行单独填报。
2.6表格底部注明的“设代机构”是代表工程设计单位在施工现场的机构,如设计代表、设代组、设代处等。
3.施工监理工作常用表格名目3.1承包人用表名目承包人用表名目承包人用表名目(续)3.2监理机构用表名目监理机构用表名目监理机构用表名目(续)4.1施工监理工作常用表格CB01施工技术方案申报表(承包[ ]技案号)合同名称:合同编号:说明:本表一式___份,由承包人填写。
百度文库 - 让每个人平等地提升自我 6 桥梁工程施工、监理常用表格
一、分项工程开工报告 1、监表-02 分项工程开工申请批复单 2、监表-01 施工放样报验单 3、施-58表 水准测量记录表 4、施-09-表 平面放样检测记录表 5、施-02-1表 分项工程施工进度计划表 6、施-04表 技术文件审核记录表 7、施-06表 施工技术交底记录表 8、施-07表 施工安全技术交底记录表 9、施-08表 材料、机具、人力准备情况检查记录表 10、施-49表 进场设备报验单 11、施-50表 建筑材料报验单 12、施-51表 施工技术方案报审表 13、C4 水泥试验报告 14、C5 细集料(砂)试验报告 15、C6 粗集料试验报告 16、C9 钢筋机械性能试验报告 17、C10 石料试验报告 18、C11 混凝土(砂浆)配合比试验报告 19、监表-19-1 施工图审核清单 20、附该分项工程相关图纸 二、钢筋加工及安装工序检验
1、监表-05 (钢筋加工及安装)检验申请批复单 2、施-29表 钢筋加工安装—隐蔽工程中间检查记录表 3、检表-49 钢筋加工及安装现场质量检验报告单 三、基坑开挖工序检验
1、监表-05 (基坑)检验申请报告批复单 2、检表-43 桥涵基坑现场质量检验报告单 3、D27 基坑承载力检测记录 4、监表-01 施工放样报验单 5、施-58表 水准测量记录表 6、施-09-1表 平面放样检测记录表 百度文库 - 让每个人平等地提升自我 6 四、基础砼浇筑工序检验(每层)
1、监表-05 (基础)检验申请报告批复单 2、检表-52 混凝土基础现场质量检验报告单 3、施-25表 构造物混凝土施工记录表 4、施-25-1表 混凝土养护检查表 5、施-42表 6、监表-01 施工放样报验单 7、施-58表 水准测量记录表 8、施-09-1表 平面放样检测记录表 9、D16 砼抗压强度试验记录 五、桩基分项工程混凝土浇筑(本工程无) 1、监表-05 检验申请报告批复单 2、施-41表 3、施-41-1表 4、施-41-2表 5、施-41-3表 6、监表-01 施工放样报验单 7、施-58表 水准测量记录表 8、施-09-1表 平面放样检测记录表 9、D16 砼抗压强度试验记录 10、施-25表 构造物混凝土施工记录表 11、施-36表 12、检表-37 钻孔桩桩孔现场质量检验报告单 六、台身工序检验 (1)浆砌片石台身工序检验 1、监表-05 (浆砌片石台身)检验申请报告批复单 2、、监表-01 施工放样报验单 3、施-58表 水准测量记录表 4、.施-09-1表 平面放样检测记录表 5、检表-45 墩、台身砌体现场质量检验报告单 6、施-27表 砌筑工程施工记录表 7、施-31表 外购砼件成品检查记录表(砼镶面块) 8、检表-63 小型预制构件现场质量检验报告单(预制厂提供复印件) 9、D16 砼抗压强度试验记录(预制厂提供复印件) 10、检表-114 混凝土同一检验批强度评定报告 11、D16-1 砂浆抗压强度试验记录 百度文库 - 让每个人平等地提升自我 6 12、检表-115 水泥砂浆强度汇总评定表 (2)混泥土台身工序检验(本工程无)
1、监表-05 工序检验申请报告批复单 2、监表-01 施工放样报验单 3、施-58表 水准测量记录表 4、施-25表 构造物混凝土施工记录表 5、施-25-1表 混凝土养护检查表 6、检表-57
7、D16 抗压强度试验记录 8、施-42表 模板安装检查记录表 9、检表-49 钢筋加工及安装现场质量检验报告单 10、施-29表 钢筋加工安装—隐蔽工程中间检查记录表 七、砼台帽浇筑工序检验
(一) 钢筋加工及安装工序检验(同二) (二) 台帽砼浇筑工序检验 1、监表-05 (砼台帽)检验申请报告批复单 2、监表-01 施工放样报验单 3、施-09-1表 平面放样检测记录表 4、施-42表 5、施-58表 水准测量记录表 6、检表-57 墩、台帽或盖梁现场质量检验报告单 7、施-25表 构造物混凝土施工记录表 8、施-25-1表 凝土养护检查表 9、D16 砼抗压强度试验记录 10、检表-114 混凝土同一检验批强度评定报告 八、分项工程完工
1、检表附1 分项工程质量检验评定 2、监表-11 中间交工证书 上部构造预制、安装分项工程
一、上部构造预制 空心梁板砼浇注工序检验 1、监表-05 检验申请报告批复单 2、检表-58 预制梁(板)现场质量检验报告单 百度文库 - 让每个人平等地提升自我 6 3、检表-59
4、施-25表 构造物混凝土施工记录表 5、施-25-1表 混凝土养护检查表 6、D16 砼抗压强度试验记录 7、D17 抗折强度试验记录
8、检表-114 混凝土同一检验批强度评定报告 9、检表-81 钢丝、钢绞线后张法现场质量检验报告单 10、检表-82 就地浇筑箱形梁现场质量检验报告单 11、施-59表 预应力管道检查记录表 12、施-60表 预应力张拉(后张法)记录表 13、施-61表 预应力张拉记录表(两端张拉) 14、施-62表 构件压浆记录 15、施-63表 封端检查记录 16、检表附1 分项工程质量检验评定 17、监表-11 中间交工证书 二、上部构造安装
1、监表-05 检验申请报告批复单 2、监表-01 施工放样报验单 3、施-09-1表 平面放样检测记录表 4、施-58表 水准测量记录表 5、检表-69 梁、板安装现场质量检验报告单 6、施-45表 桥梁构件安装轴线偏位检查记录表 7、检表-79 支座安装现场质量检验报告单 8、检表附1 分项工程质量检验评定 9、监表-11 中间交工证书
桥面铺装桥头搭板、枕梁分项工程 一、分项工程开工报告 二、钢筋加工及安装工序检验(桥面铺装层、桥头搭板) 1、监表-05 (钢筋加工及安装)检验申请批复单 2、施-29表 钢筋加工安装—隐蔽工程中间检查记录表 3、检表-49 钢筋加工及安装现场质量检验报告单 4、检表-50 钢筋网现场质量检验报告单 三、砼浇筑工序检验(桥面铺装层、桥头搭板) 百度文库 - 让每个人平等地提升自我 6 1、监表-05 检验报告申请报告批复单 2、监表-01 施工放样报验单 3、施-09-1表 平面放样检测记录表 4、施-58表 水准测量记录表 5、施-42表
6、检表-59 就地浇筑梁(板)现场质量检验报告单(桥头搭板、枕梁) 7、检表-88 桥面铺装现场质量检验报告单(桥面铺装) 8、检表-89 人行道铺设现场质量检验报告单 9、施-25表 构造物混凝土施工记录表 10、施-25-1表 混凝土养护检查表 11、D16 砼抗压强度试验记录 12、D17 抗折强度试验记录 四、分项工程完工
1、检表附1 分项工程质量检验评定 2、监表-11 中间交工证书
伸缩缝安装分项工程 1、监表-05 (伸缩缝安装)检验申请报告批复单 2、监表-01 施工放样报验单 3、施-09-1表 平面放样检测记录表 4、施-08表 水准测量记录表 5、检表-88-1 伸缩缝安装现场质量检验报告单 6、施-25表 构造物混凝土施工记录表 7、施-25-1表 混凝土养护检查表 8、D16 砼抗压强度试验记录 9、检表附1 分项工程质量检验评定 10、监表-11 中间交工证书 砼防撞墙、护栏分项工程 (钢筋加工及安装工序同前) 1、监表-05 (防撞护栏)检验申请报告批复单 2、监表-01 施工放样报验单 3、施-10表 工程测量放样记录单 4、检表-91 防撞墙、护栏安装现场质量检验报告单 5、施-25表 构造物混凝土施工记录表 6、施-25-1表 混凝土养护检查表 百度文库 - 让每个人平等地提升自我 6 7、施-42表 8、D16 砼抗压强度试验记录 9、检表附1 分项工程质量检验评定 10、监表-11 中间交工证书 锥、护坡分项工程 (见砌筑工程施工、监理常用表格) 桥梁总体分项工程
1、监表-05 (桥梁总体)检验申请报告批复单 2、监表-01 施工放样报验单 3、施-09-表 平面放样检测记录表 4、施-58表 水准测量记录表 5、检表-35 桥梁总体现场质量检验报告单 6、检表附1 分项工程质量检验评定 7、监表-11 中间交工证书 工程完工验收 以上各分项工程所需资料加以下资料: 1、检表附2 分部工程质量检验评定表 2、汇表-05 细集料试验汇总表 3、汇表-06 粗集料试验汇总表 4、汇表-09-1 钢筋机械性能试验汇总表 5、汇表-09-2 焊接钢筋试验汇总表 6、汇表-10 砂浆强度评定汇总表 7、汇表-11-1 混凝土抗压强度评定汇总表 8、汇表-11-2 混凝土抗折强度评定汇总表 9、汇表-15 水泥试验汇总表