真空断路器的检修.ppt
- 格式:ppt
- 大小:467.50 KB
- 文档页数:25
电力部门对真空开关的维护检修要求ZN-10型真空断路器是三相联动的户内式高压断呼器,它通常配备电磁操作机构或电动储能弹簧操作机械,适用于额定电压10kV及从下的,以电缆为出线的户内配电系统。
1真空断路器的维护与检修真空断路器必须每年定期维护和检查,称之为小修,其项目包括:(1)检查断路器的超程和行程:超行程的减少,就是触头的磨损量。
因此,每次调整超行程时必须进行记录,当触头磨损量累计超过4mm时,应更换灭弧室。
(2)检查真空灭弧室是否漏气:灭弧室真空度靠严格的生产工艺和出厂检测来保证。
真空断路器的性能和使用寿命,取决于真空灭弧室密封性能的好坏,因此真空灭弧室必须防止漏气,否则性能劣化,在运行中,规定每年进行一次检查。
(3)检查二次回路的接线有否松动;检查辅助开关的接触是否完好;二次回路的接线松动及辅助开关的接触不完好,都直接影响断路器作为控制和保护的动作不正确。
(4)检查测量每相主导电回路的电阻值:由于真空管触头之间的接触电阻与触头间的压力有关,在一定范围内,压力越大,接触电阻越小越稳定。
因此,一般真空开关每相的接触电阻不要大于80熨。
(5)检查传动部分的润滑情况。
(6)按机械说明书进行各项操作。
(7)将吸附在导电部分及绝缘子上的灰尘擦去并仔细检查紧固螺栓有否松动。
2真空断路器的装配与调整(1)在装配过程中应注意下列主要环节:①在固定合闸电磁铁底架时,应保证分闸跳板能自由转动,调节底座上螺钉高度,使分闸跳板与支架上的滚轴间隙保持1.5~2mm。
②固定主轴时,应保证轴中心底架轴销中心的水平距离为72mm。
垂直(系底座加工面)距离为62mm。
③扇形板尖端接触面处于支架上滚轮的正中,调节螺钉使滚轮与扇形接触面的接触点至扇形板尖端距离保持为2~4mm。
④调节合闸电磁铁动铁芯的推杆伸出长度,使铁芯运动至最高位置时,扇形板尖端接触面与支架上轮间隙保持在1.5~2mm。
⑤安装真空灭弧室,注意保持导杆与基座上导向导套处于同心轴线,垫好橡垫,压上压板并紧固。
真空开关的维护检修要求ZN-10型真空断路器是三相联动的户内式高压断呼器,它通常配备电磁操作机构或电动储能弹簧操作机械,适用于额定电压10kV及从下的,以电缆为出线的户内配电系统。
1真空断路器的维护与检修真空断路器必须每年定期维护和检查,称之为小修,其项目包括:(1)检查断路器的超程和行程:超行程的减少,就是触头的磨损量。
因此,每次调整超行程时必须进行记录,当触头磨损量累计超过4mm时,应更换灭弧室。
(2)检查真空灭弧室是否漏气:灭弧室真空度靠严格的生产工艺和出厂检测来保证。
真空断路器的性能和使用寿命,取决于真空灭弧室密封性能的好坏,因此真空灭弧室必须防止漏气,否则性能劣化,在运行中,规定每年进行一次检查。
(3)检查二次回路的接线有否松动;检查辅助开关的接触是否完好;二次回路的接线松动及辅助开关的接触不完好,都直接影响断路器作为控制和保护的动作不正确。
(4)检查测量每相主导电回路的电阻值:由于真空管触头之间的接触电阻与触头间的压力有关,在一定范围内,压力越大,接触电阻越小越稳定。
因此,一般真空开关每相的接触电阻不要大于80熨。
(5)检查传动部分的润滑情况。
(6)按机械说明书进行各项操作。
(7)将吸附在导电部分及绝缘子上的灰尘擦去并仔细检查紧固螺栓有否松动。
2真空断路器的装配与调整(1)在装配过程中应注意下列主要环节:①在固定合闸电磁铁底架时,应保证分闸跳板能自由转动,调节底座上螺钉高度,使分闸跳板与支架上的滚轴间隙保持1.5~2mm。
②固定主轴时,应保证轴中心底架轴销中心的水平距离为72mm。
垂直(系底座加工面)距离为62mm。
③扇形板尖端接触面处于支架上滚轮的正中,调节螺钉使滚轮与扇形接触面的接触点至扇形板尖端距离保持为2~4mm。
④调节合闸电磁铁动铁芯的推杆伸出长度,使铁芯运动至最高位置时,扇形板尖端接触面与支架上轮间隙保持在1.5~2mm。
⑤安装真空灭弧室,注意保持导杆与基座上导向导套处于同心轴线,垫好橡垫,压上压板并紧固。
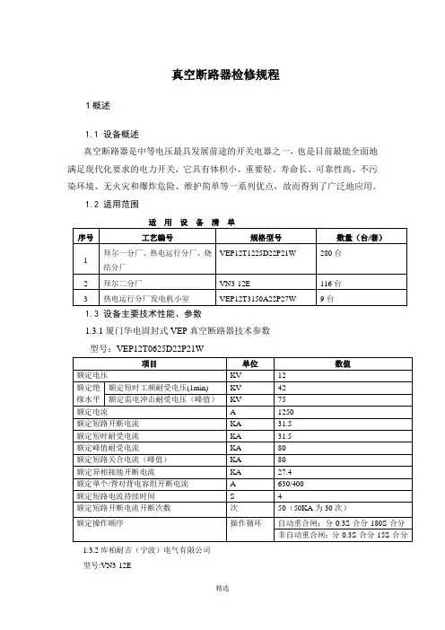
真空断路器检修规程1概述1.1 设备概述真空断路器是中等电压最具发展前途的开关电器之一,也是目前最能全面地满足现代化要求的电力开关,它具有体积小、重要轻、寿命长、可靠性高、不污染环境、无火灾和爆炸危险、维护简单等一系列优点,故而得到了广泛地应用。
1.2 适用范围适用设备清单1.3 设备主要技术性能、参数1.3.1厦门华电固封式VEP真空断路器技术参数型号:VEP12T0625D22P21W1.3.2库柏耐吉(宁波)电气有限公司型号:VN3-12E型号VN3-12E 额定电压(KV) 12 额定短时工频耐受电压Ud(1min)[kV]42 额定频率(HZ) 50/60额定雷电冲击耐受电压Up[kV]75 燃弧时间[ms] 10~15 全开断时间[ms]30~65 合闸时间[ms] 35~70额定电容器组开断电流[A] 400储能电机额定电压[v]AC220,DC110,DC220额定操作电压[v] AC220,DC110,DC220机械寿命(次) 30000/200002制造厂家库柏耐吉(宁波)电气有限公司1.4主要零部件1.4.1真空灭弧室主要由气密绝缘外壳、导电电极、屏敝极、波纹管和其它零部件组成。
如下图所示:1)气密绝缘系统由玻璃、陶瓷或微晶玻璃制成的气密绝缘筒、动端盖板、定端盖板、不锈钢波纹管组成。
2)导电系统由定导电杆、定跑弧面、定触头、动触头、动跑弧面、动导电杆组成。
3)屏蔽系统包括屏蔽筒、屏蔽罩及其他零件。
其主要作用是:防止触头燃弧过程中产生大量的金属蒸气和液滴喷溅,污染绝缘外壳的内壁,避免造成真空灭弧室外壳的绝缘强度下降或产生闪络;改善真空灭弧室的电场分布;有利于真空灭弧室外壳的小形化;吸收一部分电弧能量,冷疑电弧生成物。
1.4.2基本构成:真空断路器主要由真空灭弧室(开关管)和操动机构组成。
结构如下图所示:1.5设备点检标准序号点检内容判定基准点检周期点检状态点检方法停车运转五感仪器其它1 分、合位置指示指示正确,并与当时实际运行工况相符1D √√2 支持绝缘子无裂痕及放电异声1D √√3 真空灭弧室无异常1Y √√4 接地完好1D √5 引线接触部分无过热,引线弛度适中1D √6 电磁操动机构机构箱门平整、开启灵活、关闭紧密1Y √7 电磁操动机构分、合闸线圈线圈无冒烟异味1Y √√8 电磁操动机构直流电源回路接线端子无松脱、无铜绿或锈蚀1Y √√1.6设备易损件清单合闸线圈、分闸线圈、真空泡1.7设备备件清单VEP12T1225D22P21W型备件清单2真空断路器维护保养结合预防性试验清扫真空灭弧室、绝缘杆、支持绝缘子等元件表面的积灰和污秽物。
真空断路器检修流程下载温馨提示:该文档是我店铺精心编制而成,希望大家下载以后,能够帮助大家解决实际的问题。
文档下载后可定制随意修改,请根据实际需要进行相应的调整和使用,谢谢!并且,本店铺为大家提供各种各样类型的实用资料,如教育随笔、日记赏析、句子摘抄、古诗大全、经典美文、话题作文、工作总结、词语解析、文案摘录、其他资料等等,如想了解不同资料格式和写法,敬请关注!Download tips: This document is carefully compiled by theeditor. I hope that after you download them,they can help yousolve practical problems. The document can be customized andmodified after downloading,please adjust and use it according toactual needs, thank you!In addition, our shop provides you with various types ofpractical materials,such as educational essays, diaryappreciation,sentence excerpts,ancient poems,classic articles,topic composition,work summary,word parsing,copy excerpts,other materials and so on,want to know different data formats andwriting methods,please pay attention!真空断路器检修流程一、准备工作阶段1. 确定检修计划:根据真空断路器的运行情况和维护要求,制定详细的检修计划,包括检修时间、检修内容、检修人员等。
真空断路器的状态检测、诊断与处理发布时间:2005-9-6 点击次数:791概述真空断路器是一种用真空作为灭弧介质和绝缘介质的断路器,由于这种断路器开断可靠性高,可频繁操作,寿命长,体积小,结构简单,维护工作量少等优点,目前在中压领域得到广泛应用。
但是真空断路器在使用中可能会出现一些不正常的运行状态,严重威胁电力系统的安全运行,所以必须经常地对真空断路器进行状态检测.检测反应真空断路器运行状态的电气和机械方面特性参数。
将测出的参数进行综合分析诊断.确定真空断路器是否需要检修、应如何检修等。
2常见的真空断路器不正常运行状态2.1灭弧室方面(1)真空度下降。
(2)触头接触面经多次开断电流后逐渐被电磨损,触头厚度减小。
(3)接触电阻增大等。
2.2操动机构方面(1)合闸弹跳时间过大。
(2)机构的“跳跃”现象。
(3)机构的“拒动”现象等。
3诊断分析方法3.1真空度的检测根据电力行业标准《10〜35kV户内高压真空断路器订货技术条件》(DIA03/91)要求,真空断路器灭弧室真空度不得低于6.62 X10-2Pa。
否则会影响它的开断能力和耐压水平。
真空灭弧室真空度降低的原因主要是灭弧室漏气和内部金属材料含气释放,因此必须按照《电力设备预防性试验规程》(DIJF596-1996)规定在大、小修时都要测量真空灭弧室的真空度。
目前,比较可行和实用的检测手段有:3.1.1交流耐压法这种方法在运行中是一种比较简便有效的检测方法。
《规程》规定,要定期对断路器主回路对地、相间及断口进行交流耐压试验。
试验电压值如表1所示。
其方法如下:触头开距为额定开距。
在触头间施加额定试验电压,如果真空灭弧室内发生持续火花放电,则表明真空度已严重降低,否则表明真空度符合要求。
表1奠空斷路器交流耐压试验电压值系统标称设备*离试验电压饪¥(有效值)加压时间/ 电压ZkV 电压/k¥相对地相间断口min3 3.625252567>230(20)30(20)30101242(28)42(28)42(28)151846465620246565653540.5959595注:括号内和外数据分別对应是和非低电阻接地系统。
高压开关柜手车工作位置和试验位置一般手车有三个工作位:1.工作位:2.试验位:3.检修位.1、检修位置,就是把断路器拉出柜外,这点清楚,不拉出来如何检修;2、试验位置,把断路器拉到断路器可动作,但断路器与一次系统是脱离的,且是安全脱离的,就是一次触头间能保证安全距离的位置(动触头和静触头在脱开位置),二次插头还插在插座上,只要一合操作电源,就可以试验二次回路和断路器动作是否正常;3、工作位置(热备用),开关柜所有元器件都处于工作状态,只是断路器没有合闸;(动触头和静触头在闭合位置),这种状态叫热备用,马上需要合闸的线路应放在热备用,自动合闸的也需要放在热备用,现场按钮操作启动的电机开关也需要放在热备用。
手车开关的优点由于它无母线及线路刀闸,母线全封闭,柜体全封闭,占地面积小,能防止小动物进入开关柜内,避免了由小动物引起的接地相间短路故障。
操作使用安全方便、可靠性高。
10kV VS1开关是插入式的,安装在手车上,开关和操作机构是一体化的弹簧储能操作机构。
采用手车式结构安装在柜体内。
首先了解手车开关与其他开关操作的区别,手车开关本体所处的三种位置,即工作位置、试验位置、检修位置。
(1)工作位置:手车开关本体在开关柜内,一次插件(动、静插头)已插好。
(2)试验位置:手车开关本体在开关柜内,且开关本体限定在“试验”位置,一次插件(动、静插头)在断开位置。
(3)检修位置:手车开关本体在开关柜外。
开关的操作采用丝杠、螺母传动方式推进、退出断路器。
(1)推进:断路器处于试验位置并处于分闸状态,打开小门(摇进机构左、右把手及接地开关连锁操作把手需到位置),插入摇把,将断路器摇进至工作位置,推入柜内后取下摇把,关闭小门,方可分、合断路器。
(2)退出:断路器处于工作位置并处于分闸状态,打开小门(摇进机构左、右把手及接地开关连锁操作把手需到位置),插入摇把,将断路器摇出至试验位置,取下摇把,关闭小门,方可分、合断路器。
前言本标准根据国家电力公司《电业安全工作规程》、《防止电力生产设备二十五重大事故的要点》、原水电部《发电厂检修规程》中有关规定,在原平顶山鸿翔热电有限责任公司《电气检修规程》的基础上进行修订。
本标准规定了检修人员在真空断路器大、小修,平时检修的处理方法,杜绝违章作业,保证员工在电力生产活动中的人身安全,是检修人员的工作指导书。
本标准所代替的标准于1996年发布实施,本次修订、复审、再版并发布实施。
本标准自实施之日起,所替代的原平顶山电厂企业标准《QB/PD-106-01.17-96 真空断路器检修规程》同时废止。
本标准由公司标准化办公室提出。
本标准由生产计划部归口。
本标准由检修公司电气专业负责起草。
本标准起草:孟红生本标准审核:郭静宇张绍勇本标准审定:张士豪本标准批准:卢利江本标准由生产计划部负责解释。
真空断路器检修规程1 主题内容与适用范围1.1本规程规定了ZN5-10、ZN28-10、ZN-35真空断路器的检修周期、标准检修项目、检修工艺、质量标准、试验项目。
1.2本规程适用于平顶山鸿翔热电有限责任公司真空断路器的检修。
2 断路器的技术参数(见表1)表 1 真空断路器的技术参数1、分闸弹簧;2、合闸线圈;3、复位弹簧;4、静铁心;5、拉杆;6、导套7、合闸动铁心;8、抬杠;9、支架;10、拉簧;11、掣子;12、滚子;13、拉簧;14、轴销;15、掣子;16、滚子;17、主轴;18、合闸手柄;19、分闸按钮;20、分闸摇臂;21、分闸电磁铁;22、主轴拐臂;23、底座;24、绝缘子;25、绝缘支架;26、触头弹簧;27、软连接;28、真空灭弧室;29、橡胶垫;30、上压板;31、下压板;32、上导电夹;33、橡胶垫;34、导套;35、下导电夹;36、联结头;37、锁紧螺帽;38、调节螺钉;39、压簧;40、带孔销;图 1 断路器结构图1、基架;2、螺栓;3、螺栓;4、上铝支架;5、真空灭弧室;6、绝缘杆;7、下铝支架;8、导电夹;9、软连接;10、导杆;11、拐臂;12、活接螺栓;13、绝缘子;14、绝缘子;15、压簧;16、缓冲器;17、转轴;18、轴承座;19、拉簧;20、导向板;图 2 断路器外型图图 3 真空灭弧室结构图3 开关检修周期及检修项目3.1 开关检修周期3.1.1定期大修:三年1次3.1.2定期小修:每年1次~2次3.1.3灭弧室真空度检验:12个月3.2 开关的检修项目。