传感器原理与应用习题解答周真苑惠娟
- 格式:doc
- 大小:5.29 MB
- 文档页数:71
习题集1.1 什么是传感器?1.2 传感器由哪几部分组成?试述它们的作用及相互关系。
1.3 简述传感器主要发展趋势,并说明现代检测系统的特征。
1.4 传感器如何分类?1.5传感器的静态特性是什么?由哪些性能指标描述?它们一般可用哪些公式表示?1.6传感器的线性度是如何确定的?电阻应变式传感器3.1 何为电阻应变效应?怎样利用这种效应制成应变片?3.2 什么是应变片的灵敏系数?它与金属电阻丝的灵敏系数有何不同?为什么?3.3 金属应变片与半导体应变片在工作原理上有何不同?半导体应变片灵敏系数范围是多少,金属应变片灵敏系数范围是多少?为什么有这种差别,说明其优缺点。
3.4 一应变片的电阻R=120Ω,灵敏系数k =2.05,用作应变为800/m m μ的传感元件。
求:①R ∆和/R R ∆;② 若电源电压U =3V ,初始平衡时电桥的输出电压U 0。
3.5 在以钢为材料的实心圆柱形试件上,沿轴线和圆周方向各贴一片电阻为120Ω的金属应变片R 1和R 2(如图3-28a 所示),把这两应变片接入电桥(见图3-28b )。
若钢的泊松系数0.285μ=,应变片的灵敏系数k =2,电桥电源电压U =2V ,当试件受轴向拉伸时,测得应变片R 1的电阻变化值。
试求:①轴向应变;②电桥的输出电压。
3.6 图3-31为一直流电桥,负载电阻R L 趋于无穷。
图中E=4V ,R 1=R 2=R 3=R 4=120Ω,试求:① R 1为金属应变片,其余为外接电阻,当R 1的增量为ΔR 1=1.2Ω时,电桥输出电压U 0=? ② R 1、R 2为金属应变片,感应应变大小变化相同,其余为外接电阻,电桥输出电压U 0=? ③ R 1、R 2为金属应变片,如果感应应变大小相反,且ΔR 1=ΔR 2 =,电桥输出电压U 0=?电容式传感器4.1 如何改善单极式变极距型电容传感器的非线性?4.2 差动式变极距型电容传感器,若初始容量1280C C pF ==,初始距离04mm δ=,当动极板相对于定极板位移了0.75mm δ∆=时,试计算其非线性误差。
传感器原理及工程应用习题参考答案:篇一:《传感器原理及工程应用》第四版(郁有文)课后答案第一章传感与检测技术的理论基础1.什么是测量值的绝对误差、相对误差、引用误差?答:某量值的测得值和真值之差称为绝对误差。
相对误差有实际相对误差和标称相对误差两种表示方法。
实际相对误差是绝对误差与被测量的真值之比;标称相对误差是绝对误差与测得值之比。
引用误差是仪表中通用的一种误差表示方法,也用相对误差表示,它是相对于仪表满量程的一种误差。
引用误差是绝对误差(在仪表中指的是某一刻度点的示值误差)与仪表的量程之比。
2.什么是测量误差?测量误差有几种表示方法?它们通常应用在什么场合?答:测量误差是测得值与被测量的真值之差。
测量误差可用绝对误差和相对误差表示,引用误差也是相对误差的一种表示方法。
在实际测量中,有时要用到修正值,而修正值是与绝对误差大小相等符号相反的值。
在计算相对误差时也必须知道绝对误差的大小才能计算。
采用绝对误差难以评定测量精度的高低,而采用相对误差比较客观地反映测量精度。
引用误差是仪表中应用的一种相对误差,仪表的精度是用引用误差表示的。
3.用测量范围为-50~+150kPa的压力传感器测量140kPa压力时,传感器测得示值为142kPa,求该示值的绝对误差、实际相对误差、标称相对误差和引用误差。
解:绝对误差??142?140?2kPa实际相对误差标称相对误差引用误差??142?140?100%?1.43%140 ??142?140?100%?1.41%142 142?140?100%?1%150?(?50) ??4.什么是随机误差?随机误差产生的原因是什么?如何减小随机误差对测量结果的影响?答:在同一测量条件下,多次测量同一被测量时,其绝对值和符号以不可预定方式变化着的误差称为随机误差。
随机误差是由很多不便掌握或暂时未能掌握的微小因素(测量装置方面的因素、环境方面的因素、人员方面的因素),如电磁场的微变,零件的摩擦、间隙,热起伏,空气扰动,气压及湿度的变化,测量人员感觉器官的生理变化等,对测量值的综合影响所造成的。
《传感器原理与应用》作业参考答案作业一1.传感器有哪些组成部分?在检测过程中各起什么作用?答:传感器通常由敏感元件、传感元件及测量转换电路三部分组成。
各部分在检测过程中所起作用是:敏感元件是在传感器中直接感受被测量,并输出与被测量成一定联系的另一物理量的元件,如电阻式传感器中的弹性敏感元件可将力转换为位移。
传感元件是能将敏感元件的输出量转换为适于传输和测量的电参量的元件,如应变片可将应变转换为电阻量。
测量转换电路可将传感元件输出的电参量转换成易于处理的电量信号。
2.传感器有哪些分类方法?各有哪些传感器?答:按工作原理分有参量传感器、发电传感器、数字传感器和特殊传感器;按被测量性质分有机械量传感器、热工量传感器、成分量传感器、状态量传感器、探伤传感器等;按输出量形类分有模拟式、数字式和开关式;按传感器的结构分有直接式传感器、差分式传感器和补偿式传感器。
3.测量误差是如何分类的?答:按表示方法分有绝对误差和相对误差;按误差出现的规律分有系统误差、随机误差和粗大误差按误差来源分有工具误差和方法误差按被测量随时间变化的速度分有静态误差和动态误差按使用条件分有基本误差和附加误差按误差与被测量的关系分有定值误差和积累误差。
4.弹性敏感元件在传感器中起什么作用?答:弹性敏感元件在传感器技术中占有很重要的地位,是检测系统的基本元件,它能直接感受被测物理量〔如力、位移、速度、压力等〕的变化,进而将其转化为本身的应变或位移,然后再由各种不同形式的传感元件将这些量变换成电量。
5.弹性敏感元件有哪几种基本形式?各有什么用途和特点?答:弹性敏感元件形式上基本分成两大类,即将力变换成应变或位移的变换力的弹性敏感元件和将压力变换成应变或位移的变换压力的弹性敏感元件。
变换力的弹性敏感元件通常有等截面轴、环状弹性敏感元件、悬臂梁和扭转轴等。
实心等截面轴在力的作用下其位移很小,因此常用它的应变作为输出量。
它的主要优点是结构简单、加工方便、测量范围宽、可承受极大的载荷、缺点是灵敏度低。
第1章 传感器的一般特性1.1 什么叫传感器?它由哪几部分组成?并说出各部分的作用及其相互间的关系。
1.2 简述传感器的作用和地位及其传感器技术的发展方向。
1.3 传感器的静态特性指什么?衡量它的性能指标主要有哪些? 1.4 传感器的动态特性指什么?常用的分析方法有哪几种? 1.5 传感器的标定有哪几种?为什么要对传感器进行标定? 1.6 某传感器给定精度为2%F·S ,满度值为50mV ,零位值为10mV ,求可能出现的最大误差δ(以mV 计)。
当传感器使用在满量程的1/2和1/8时,计算可能产生的测量百分误差。
由你的计算结果能得出什么结论? 解:满量程(F▪S )为50﹣10=40(mV)可能出现的最大误差为:δ=40⨯2%=0.8(mV) 当使用在1/2和1/8满量程时,其测量相对误差分别为:%4%10021408.01=⨯⨯=γ %16%10081408.02=⨯⨯=γ结论:测量值越接近传感器(仪表)的满量程,测量误差越小。
1.7 有两个传感器测量系统,其动态特性可以分别用下面两个微分方程描述,试求这两个系统的时间常数τ和静态灵敏度K 。
1)T y dt dy5105.1330-⨯=+式中, y ——输出电压,V ;T ——输入温度,℃。
2)x y dt dy6.92.44.1=+式中,y ——输出电压,μV ;x ——输入压力,Pa 。
解:根据题给传感器微分方程,得 (1) τ=30/3=10(s),K=1.5 10 5/3=0.5 10 5(V/℃);(2) τ=1.4/4.2=1/3(s),K=9.6/4.2=2.29(μV/Pa)。
1.8 已知一热电偶的时间常数τ=10s ,如果用它来测量一台炉子的温度,炉内温度在540℃至500℃之间接近正弦曲线波动,周期为80s ,静态灵敏度K=1。
试求该热电偶输出的最大值和最小值。
以及输入与输出之间的相位差和滞后时间。
解:依题意,炉内温度变化规律可表示为x(t) =520+20sin(ωt)℃由周期T=80s ,则温度变化频率f =1/T ,其相应的圆频率 ω=2πf =2π/80=π/40; 温度传感器(热电偶)对炉内温度的响应y(t)为y(t)=520+Bsin(ωt+ϕ)℃热电偶为一阶传感器,其动态响应的幅频特性为()()7860104011112022.B A =⎪⎪⎭⎫⎝⎛⨯π+=ωτ+==ω因此,热电偶输出信号波动幅值为B=20⨯A(ω)=20⨯0.786=15.7℃由此可得输出温度的最大值和最小值分别为y(t)|m ax =520+B=520+15.7=535.7℃ y(t)|m in =520﹣B=520-15.7=504.3℃输出信号的相位差ϕ为ϕ(ω)= -arctan(ωτ)= -arctan(2π/80⨯10)= -38.2︒ 相应的时间滞后为∆t =()s 4.838.4236080=⨯1.9 一压电式加速度传感器的动态特性可以用如下的微分方程来描述,即x y dt dy dt y d 1010322100.111025.2100.3⨯=⨯+⨯+式中,y ——输出电荷量,pC ;x ——输入加速度,m/s 2。
可编辑修改精选全文完整版1、测量系统的静态特性指标主要有2、被测量的数值处在稳定状态下,传感器输出与输入的关系称为传感器的______特性。
3、霍尔元件灵敏度的物理意义是4、算式是计算传感器________的公式,当S在传感器的测量范围内为常量时,说明该传感器是________。
5、涡流传感器的线圈与被测物体的距离减小时,互感系数M将________。
6、热电偶所产生的热电动势是电动势和电动势组成的,其表达式为7、半导体应变片以________效应为主,它的灵敏度系数比金属应变片的______。
8、横向效应使应变式传感器的电阻丝灵敏系数变_______。
空气介质变隙式电容传感器中,提高灵敏度和减少非线性误差是矛盾的,为此实际中大都采用________式电容传感器。
9、压磁式传感器的工作原理是:某些铁磁物质在外界机械力作用下,其内部产生,从而引起,这种现象称为,相反,某些铁磁物质在外界磁场的作用下会产生,这种现象称为10、压电陶瓷起初并没有压电效应,经过________处理后才具有压电效应。
11、电阻应变片式传感器按制造材料可分为材料和材料。
12、测量过程中存在着测量误差,按性质可被分为、和三类1、电阻应变片阻值为120,灵敏系数2K,沿纵向粘贴于直径为m05.0的圆形钢柱表面,钢材的弹性模量211 /102mNE,3.0,(1)求钢柱受N4108.9拉力作用时应变片电阻的变化量R 和相对变化量R R (;(2)又若应变片沿钢柱圆周方向粘贴,问受同样拉力作用时应变片电阻的相对变化量为多少?2、有一台变间隙非接触式电容测微仪,其传感器的极板半径r=5mm,假设与被测工件的初始间隙d0=0.5mm。
已知试真空的介电常数等于8.854×10-12 F/m,求:(1)极板未移动时,电容的初始电容值。
(2)极板沿不同方向移动时,传感器的位移灵敏度K(已知空气相对介电常数1ε,真空的介电常数F/m108548ε120.)。
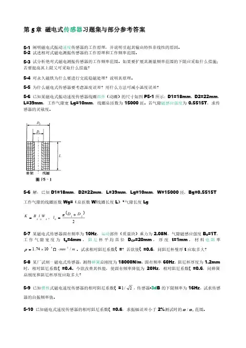
5-6 解:已知D1=18mm221+p2/,解:已知ξ=0.6,振幅误差小于2%。
若振动体作简谐振动,即当输入信号x 0为正弦波时,可得到频率传递函数为正弦波时,可得到频率传递函数÷÷øöççèæ+÷÷øöççèæ-÷÷øöççèæ=02020021)(w w x w w w w w j j x x t 得 振幅比2022020021úûùêëé÷÷øöççèæ+úúûùêêëé÷÷øöççèæ-÷÷øöççèæ=w w x w w w w j x x t0x x t =1.02时,0w w =3.51;0x x t =0.98时,0w w=1.45因要求0w w>>1,一般取0w w ≥3,所以取0w w ≥3.515-11 已知磁电式振动速度已知磁电式振动速度传感器传感器的固有频率n f =15Hz ,阻尼系数ξ=0.7。
若输入频率为f=45Hz 的简谐振动,求传感器输出的振幅误差为多少?谐振动,求传感器输出的振幅误差为多少?5-12 何谓何谓霍尔效应霍尔效应?利用霍尔效应可进行哪些参数测量? 答:当答:当电流电流垂直于外磁场通过导体时,在导体的垂直于磁场和电流方向的两个端面之间会出现电势差,这一现象便是霍尔效应。
《传感器原理与应用》习题集与部分参考答案——第1章教材:传感器技术(第3版)贾伯年主编,及其他参考书绪论0-1 综述你所理解的传感器概念。
0-2 何谓结构型传感器?何谓物性型传感器?试述两者的应用特点。
0-3 一个可供实用的传感器由哪几部分构成?各部分的功用是什么?试用框图示出你所理解的传感器系统。
答:传感器一般由敏感元件、转换元件和转换电路(或其它辅助器件)三部分组成。
组成框图如下:(1)敏感元件:是直接感受被测量,并输出与被测量成确定关系的某一物理量的元件,如波纹膜盒、光敏电阻等。
(2)转换元件:敏感元件的输出就是它的输入,其把输入转换成电路参数量。
(3)转换电路:上述电路参数接入转换电路,便可转换成电量输出。
0-4 就传感器技术在未来社会中的地位、作用及其发展方向,综述你的见解。
答:(1)社会对传感器需求的新动向:社会需求是传感器技术发展的强大动力,随着现代化科学技术,特别是大规模集成电路技术的飞速发展和电脑的普及,传感器在新的技术革命中的地位和作用将更为突出。
(2)传感器技术的发展趋势:当前,人们在充分利用先进的电子技术条件,研究和采用合适的外部电路以及最大限度地提高现有传感器的性能价格比的同时,正在寻求传感器技术发展的新途径。
如:1)开发新型传感器,从原有的工作机理启发人们进一步探索具有新效应的敏感功能材料,并以此研制出具有新原理的新型物性型传感器件,这是发展高性能、多功能、低成本和小型化传感器的重要途径;2)传感器的集成化和多功能化,固态功能材料——半导体、电介质、强磁体的进一步开发和集成技术的不断发展,为传感器集成化开辟了广阔的前景;3)传感器的智能化,“电五官”与“电脑”的结合,就是传感器的智能化;4)研究生物感官,开发仿生传感器。
0-5 简述自动检测系统组成。
答:自动检测系统由被检测量、敏感元件(测检元件)、电子测量(转换)电路、输出单元组成。
0-6 什么是传感器、自动检测技术?答:传感器是信息采集系统的首要部件,是实现现代化测量和自动控制的主要环节,是现代信息产业的源头,其广义定义为:能够感受规定的被测量并按照一定的规律转换成可用输出信号的器件和装置,通常由敏感元件和转换元件组成;其狭义定义为:一种以一定的精确度将被测量(非电信号)转换为与之有确定对应关系、便于应用的电量的测量装置,通常由敏感元件、转换元件和转换电路组成。
习题参考答案 第1章 概述 1.1 什么是传感器?按照国标定义,“传感器”应该如何说明含义? 答: 一种能把特定的信息(物理、化学、生物)按一定规律转换成某种可用信号输出的器件和装置。从狭义角度对传感器定义是:能把外界非电信息转换成电信号输出的器件。
我国国家标准(GB7665—87)对传感器(Sensor/transducer)的定义是:“能够感受规定的被测量并按照一定规律转换成可用输出信号的器件和装置”。
定义表明传感器有这样三层含义:(1) 它是由敏感元件和转换元件构成的一种检测装置;(2) 能按一定规律将被测量转换成电信号输出;(3) 传感器的输出与输入之间存在确定的关系。按使用的场合不同传感器又称为变换器、换能器、探测器。
1.2 传感器由哪几部分组成?试述它们的作用及相互关系。 答: 组成——由敏感元件、转换元件、基本电路组成; 作用与关系——敏感元件感知被测量,并将其传送给转换元件,转换元件将这个被感知的量转换为电参数,基本电路将电参数转换为易测量的电信号。
1.4 传感器如何分类?按传感器检测的范畴可分为哪几种? 按照我国制定的传感器分类体系表,传感器分为物理量传感器、化学量传感器以及生物量传感器三大类,含12个小类。按传感器的检测对象可分为:力学量、热学量、流体量、光学量、电量、磁学量、声学量、化学量、生物量、机器人等等。
1.5 传感器的图形符号如何表示?它们各部分代表什么含义?应注意哪些问题?
图形符号见教材。 各部分含义如下: ①敏感元件:指传感器中直接感受被测量的部分。 ②传感器:能感受规定的被测量并按照一定规律转换成可用输出信号的器件或装置,通常由敏感元件和转换元件组成。 ③信号调理器:对于输入和输出信号进行转换的装置。 ④变送器:将信号变换为标准信号输出。
《传感器原理及工程应用》 完整版习题答案第1章 传感与检测技术的理论基础(P26) 1 — 1 :测量的定义?答:测量是以确定被测量的值或获取测量结果为目的的一系列操作。
所以,测量也就是将被测量与同种性质的标准量进行比较,确定被测量对标准量的倍数。
1 —2 :什么是测量值的绝对误差、相对误差、引用误差? 答:绝对误差是测量结果与真值之差 ,即:绝对误差=测量值一真值相对误差是绝对误差与被测量真值之比 ,常用绝对误差与测量值之比,以百分数表示,即:相对误差=绝对误差/测量值 x 100%引用误差是绝对误差与量程之比,以百分数表示, 即:引用误差=绝对误差/量程 x 100%1 - 3 用测量围为—50〜150kPa 的压力传感器测量 140kPa 的压力时,传感器测得示值 为142kPa ,求该示值的绝对误差、实际相对误差、标称相对误差和引用误差。
解:已知: 真值 L _ 140kPa 测量值x _ 142kPa 测量上限_ 150kPa测量下限=—50kPa绝对误差 △ _x-L=142-140=2(kPa)实际相对误差 _—_2「43% L 140 标称相对误差2 _-_1.41%x 142_ 2测量上限-测量下限 =150 — ( — 50)1 — 10 对某节流元件(孔板)开孔直径 d 20的尺寸进行了 15次测量,测量数据如下(单位: mm ): 120.42 120.43 120.40 120.42 120.43 120.39 120.30 120.40120.43120.41120.43120.42120.39120.39120.40引用误差试用格拉布斯准则判断上述数据是否含有粗大误差,并写出其测量结果。
解:序 号 测量值 d 2o (mm)残余误差 残余误差V i (d 20i d 2o )(mm)V (d 20i d 20 (i 7))(mm)1 120.42 0.016 0.009 2 120.43 0.026 0.019 3 120.40 —0.004 —0.011 4 120.42 0.016 0.0095 120.43 0.026 0.019 6120.39 —0.014 —0.7 120.30 —0.1048 120.40 —0.004 —0.011 9 120.43 0.026 0.019 10 120.41 0.006 —0.001 11 120.43 0.026 0.019 12 120.42 0.016 0.009 13 120.39 —0.014 —0. 14 120.39 —0.014 —0. 15120.40—0.004—0.011d 20120.404mmJ i 10.0327mm\ i 7 0.0161mmd 20(i 7) 120.411mmd201115 1d20V 14 1G d200.0788( mm) G d 200.0382(mm)o则 G d2° 2.41 0.0327 0.0788(mm) v 70.104 , 所以d 7为粗大误差数据,应当剔除。
《传感器原理及工程应用》完整版习题答案第1章 传感与检测技术的理论基础(P26)1—1:测量的定义?答:测量是以确定被测量的值或获取测量结果为目的的一系列操作。
所以, 测量也就是将被测量与同种性质的标准量进行比较, 确定被测量对标准量的倍数。
1—2:什么是测量值的绝对误差、相对误差、引用误差? 1-3 用测量范围为-50~150kPa 的压力传感器测量140kPa 的压力时,传感器测得示值为142kPa ,求该示值的绝对误差、实际相对误差、标称相对误差和引用误差。
解:已知: 真值L =140kPa 测量值x =142kPa 测量上限=150kPa 测量下限=-50kPa∴ 绝对误差 Δ=x-L=142-140=2(kPa)实际相对误差 %==43.11402≈∆L δ标称相对误差%==41.11422≈∆x δ引用误差%--=测量上限-测量下限=1)50(1502≈∆γ1-10 对某节流元件(孔板)开孔直径d 20的尺寸进行了15次测量,测量数据如下(单位:mm ):120.42 120.43 120.40 120.42 120.43 120.39 120.30 120.40 120.43 120.41 120.43 120.42 120.39 120.39 120.40试用格拉布斯准则判断上述数据是否含有粗大误差,并写出其测量结果。
答:绝对误差是测量结果与真值之差, 即: 绝对误差=测量值—真值相对误差是绝对误差与被测量真值之比,常用绝对误差与测量值之比,以百分数表示 ,即: 相对误差=绝对误差/测量值 ×100% 引用误差是绝对误差与量程之比,以百分数表示, 即: 引用误差=绝对误差/量程 ×100%解:当n =15时,若取置信概率P =0.95,查表可得格拉布斯系数G =2.41。
则 2072.410.03270.0788()0.104d G mm v σ=⨯=<=-,所以7d 为粗大误差数据,应当剔除。
姓名: 得分:一、一、 填空题。
(20分)分)1系统误差可分为恒指误差和变值误差两大类。
系统误差可分为恒指误差和变值误差两大类。
3、压电元件的压电效应具有方向性和还原性。
、压电元件的压电效应具有方向性和还原性。
4《传感器原理与应用》测验及答案班级: 、传感器是由敏感、传感器是由敏感元件元件、传感元件及测量转换电路三部分组成的。
、传感元件及测量转换电路三部分组成的。
2、 、有、有光照光照时光敏二极管导通,无光照时光敏二极管截止。
时光敏二极管导通,无光照时光敏二极管截止。
5、霍尔传感器的基本转换原理是将被测量所引起的、霍尔传感器的基本转换原理是将被测量所引起的磁场磁场变化转换成为霍尔为霍尔电势电势的输出。
的输出。
二、简答题。
(80分)分)1、下图是射击弹着点示意图,试分析各包含哪些误差?设想各由哪些原因造成?些原因造成?参考答案:a 图包含系统误差和粗大误差,系统误差原因是由于刻度盘分度差错或刻度盘移动,粗大误差原因是测量人员的粗大误差原因是测量人员的粗心粗心大意或电子测量仪器突然受到强大的干扰。
B 图包含随机误差也有粗大误差,c 图包含随机误差和系统误差。
图包含随机误差和系统误差。
2、简述、简述传感器传感器这一定义包含的三个方面。
(20分)分)答:(1)传感器是一种测量装置,能够完成一定的检测任务;)传感器是一种测量装置,能够完成一定的检测任务; (2)它的输入量种类很多,且多为模拟信号的非)它的输入量种类很多,且多为模拟信号的非电量电量;(3)它的输出量是经转换后的电量信号,且有一定的)它的输出量是经转换后的电量信号,且有一定的对应关系对应关系和转换精度。
换精度。
3、什么是、什么是霍尔效应霍尔效应?(20分)分)答:在半导体薄片相对的两个侧面通上控制答:在半导体薄片相对的两个侧面通上控制电流电流I ,在和此侧面相互垂直的方向加上磁场B ,则在半导体另外的两个侧面会产生一个大小与控制电流I 和磁场B 乘积成乘积成正比正比的电动势E H ,这个,这个电势电势就是霍尔电势,霍尔元件具有的这种现象叫做霍尔效应。
《传感器原理与应用》及《传感器与测量技术》习题集与部分参考答案教材:传感器技术(第3版)贾伯年主编,及其他参考书第4章 电容式传感器4-1 电容式传感器可分为哪几类?各自的主要用途是什么? 答:(1)变极距型电容传感器:在微位移检测中应用最广。
(2)变面积型电容传感器:适合测量较大的直线位移和角位移。
(3)变介质型电容传感器:可用于非导电散材物料的物位测量。
4-2 试述变极距型电容传感器产生非线性误差的原因及在设计中如何减小这一误差?答:原因:灵敏度S 与初始极距0δ的平方成反比,用减少0δ的办法来提高灵敏度,但0δ的减小会导致非线性误差增大。
采用差动式,可比单极式灵敏度提高一倍,且非线性误差大为减小。
由于结构上的对称性,它还能有效地补偿温度变化所造成的误差。
4-3 为什么电容式传感器的绝缘、屏蔽和电缆问题特别重要?设计和应用中如何解决这些问题? 答:电容式传感器由于受结构与尺寸的限制,其电容量都很小,属于小功率、高阻抗器,因此极易受外界干扰,尤其是受大于它几倍、几十倍的、且具有随机性的电缆寄生电容的干扰,它与传感器电容相并联,严重影响传感器的输出特性,甚至会淹没没有用信号而不能使用。
解决:驱动电缆法、整体屏蔽法、采用组合式与集成技术。
4-4 电容式传感器的测量电路主要有哪几种?各自的目的及特点是什么?使用这些测量电路时应注意哪些问题?4-5 为什么高频工作的电容式传感器连接电缆的长度不能任意变动?答:因为连接电缆的变化会导致传感器的分布电容、等效电感都会发生变化,会使等效电容等参数会发生改变,最终导致了传感器的使用条件与标定条件发生了改变,从而改变了传感器的输入输出特性。
4-6 简述电容测厚仪的工作原理及测试步骤。
4-7 试计算图P4-1所示各电容传感元件的总电容表达式。
4-8如图P4-2所示,在压力比指示系统中采用差动式变极距电容传感器,已知原始极距1δ=2δ=0.25mm ,极板直径D =38.2mm ,采用电桥电路作为其转换电路,电容传感器的两个电容分别接R =5.1k Ω的电阻后作为电桥的两个桥臂,并接有效值为U1=60V 的电源电压,其频率为f =400Hz ,电桥的另两桥臂为相同的固定电容C =0.001μF 。
传感器技术与应用习题答案习题1l.1 检测系统由哪几部分组成? 说明各部分的作用。
答:检测系统是由被测对象、传感器、数据传输环节、数据处理环节和数据显示环节构成。
传感器是把被测量转换成电学量的装置,显然,传感器是检测系统与被测对象直接发生联系的部件,是检测系统最重要的环节,检测系统获取信息的质量往往是由传感器的性能确定的。
数据传输、处理环节,又称之为测量电路,它的作用是将传感器的输出信号转换成易于测量的电压或电流信号。
数据显示记录环节是检测人员和检测系统联系的主要环节,主要作用是使人们了解被测量的大小或变化的过程。
常用的有模拟显示、数字显示和图像显示三种。
1.2 传感器的型号有几部分组成?各部分有何意义?答:传感器是由敏感元件、转换元件和测量电路组成,敏感元件:直接感受被测量的变化,并输出与被测量成确定关系的某一物理量的元件,它是传感器的核心。
转换元件:将敏感元件输出的物理量转换成适于传输或测量电信号的元件。
测量电路:将转换元件输出的电信号进行进一步转换和处理的部分,如放大、滤波、线性化、补偿等,以获得更好的品质特性,便于后续电路实现显示、记录、处理及控制等功能。
1.3 测量稳压电源输出电压随负载变化的情况时,应当采用何种测量方法? 如何进行?答:直接测量。
使用电压表进行测量,对仪表读数不需要经过任何运算,直接表示测量所需要的结果。
1.4 某线性位移测量仪,当被测位移由4.5mm变到5.0mm时,位移测量仪的输出电压由3.5V 减至2.5V,试求该仪器的灵敏度。
解: 灵敏度s=(3.5-2.5)v/(5.0-4.5)mm=2v/mm1.5 有三台测温仪表,量程均为0~800℃,精度等级分别为2.5级、2.0级和1.5级,现要测量500℃的温度,要求相对误差不超过2.5%,选那台仪表合理?答:2.5级时的最大绝对误差值为20℃,测量500℃时的相对误差为4%;2.0级时的最大绝对误差值为16℃,测量500℃时的相对误差为3.2%;1.5级时的最大绝对误差值为12℃,测量500℃时的相对误差为2.4%。
第1章 传感器的技术基础 1.传感器的定义是什么? 答:传感器最早来自于“sensor”一词,就是感觉的意思。随着传感器技术的发展,在工程技术领域中,传感器被认为是生物体的工程模拟物。而且要求传感器不但要对被测量敏感,还要就有把它对被测量的响应传送出去的功能,也就是说真正实现能“感”到,会“传”到的功能。 传感器是获取信息的一种装置,其定义可分为广义和狭义两种。广义定义的传感器是指那些能感受外界信息并按一定规律转换成某种可用信号输出的器件和装置,以满足信息的传输、处理、记录、显示和控制等要求。这里的“可用信号”是指便于处理、传输的信号,一般为电信号,如电压、电流、电阻、电容、频率等。狭义定义的传感器是指将外界信息按一定规律转换成电量的装置才叫传感器。 按照国家标准GB7665—87对传感器下的定义是:“能感受规定的被测量并按照一定的规律转换成可用输出信号的器件或装置,通常由敏感元件和转换元件组成”。 国际电工委员会(IEC)将传感器定义为:传感器是测量系统中的一种前置部件,它将输入变量转换成可供测量的信号。美国测量协会又将传感器定义为“对应于特定被测量提供有效电信号输出的器件”。传感器也称为变换器、换能器或探测器。如前所述.感受被测量、并将被测量转换为易于测量、传输和处理的信号的装置或器件称为传感器。 2.简述传感器的主要分类方法。 答:(1)据传感器与外界信息和变换效应的工作原理,可分为物理传感器、化学传感器和生物传感器三大类。 (2)按输入信息分类。传感器按输入量分类有力敏传感器、位置传感器、液面传感器、能耗传感器、速度传感器、热敏传感器、振动传感器、湿敏传感器、磁敏传感器、气敏传感器、真空度传感器等。这种分类对传感器的应用很方便。 (3)按应用范围分类。根据传感器的应用范围的不同,通常分为工业用、民用、科研用、医用、军用传感器等。按具体使用场合,还可分为汽车用、舰船用、航空航天用传感器等。如果根据使用目的的不同,还可分为计测用、监测用、检查用、控制用、分析用传感器等。 3.传感器主要由哪些部分组成?并简单介绍各个组成部分。 答:传感器的核心部件是敏感元件,它是传感器中用来感知外界信息和转换成有用信息的元件。传感器一般由敏感元件、传感元件和基本转换电路三部分组成。
传感元件转换电路敏感元件被测量电量
图1-1传感器的组成 (1)敏感元件直接感受被测量,并以确定的关系输出某一物理量。 (2)传感元件将敏感元件输出的非电物理量转换成电路参数量或电量。 (3)基本转换电路将电路参数转换成便于测量的电量。基本转换电路的类型又与不同的工作原理的传感器有关。因此常把基本转换电路作为传感器的组成环节之一。 4.传感器的静态特性的参数主要有哪些? 答:表征传感器的静态特性的主要参数有:线性度、灵敏度、分辨力和迟滞、重复性、稳定性、漂移、阈值等。 5.传感器未来发展的方向主要有哪些? 答:(1)开发新材料 (2)提高传感器性能扩大检测范围 (3)传感器的微型化和微功耗 (4)传感器的智能化 (5)传感器的集成化和多功能化 (6)传感器的数字化与网络化 第2章 电阻式传感器 1.电阻式传感器的定义,并简单说明它的优缺点。 答:电阻式传感器是一种能把非电物理量(如位移、力、压力、加速度、扭矩等)转换成与之有确定对应关系的电阻阻值,再经过测量电桥转换成便于传送和记录的电压(电流)信号的一种装置。它在非电量检测中应用十分广泛。 电阻式传感器具有一系列的优点,如结构简单、输出精度较高、线性和稳定性好等;但它受环境条件(如温度)影响较大,且有分辨力不高等不足之处。 2.说明电阻应变片的组成、规格及分类。 答:组成:电阻应变片由敏感栅、基片、覆盖层和引出线等部分组成。规格:应变片规格一般是以有效使用面积和敏感栅的电阻值来表示。分类:电阻应变片按其敏感栅的材料不同,可分为金属电阻应变片和半导体应变片两大类。常见的金属电阻应变片的有丝式、箔式和薄膜式三种形式。 3.什么叫应变效应?利用应变效应解释金属电阻应变片的工作原理。 答:电阻丝在外力作用下发生机械变形时,其阻值发生变化,此现象称为电阻“应变效应”。根据这种效应,将应变片用特制胶水粘在被测材料的表面,被测材料在外力的作用下产生的应变就会传送到应变片上,使应变片的阻值发生变化,通过测量应变片电阻值的变化就可得知被测量的大小。 4.金属电阻应变片与半导体应变片的工作原理有何区别?各有何优缺点? 答:金属电阻应变片可分为:(1)丝式应变片:其优点是粘贴性能好,能保证有效地传递变形,性能稳定.且可制成满足高温、强的磁场、核辐射等特殊条件使用的应变片。缺点是U形应变片的圆弧形弯曲段呈现横向效应,H形应变片的焊点过多,可靠性下降; (2)箔式应变片:优点是黏合情况好,散热能力较强,输出功率较大,灵敏度高等。在工艺上可按需要制成任意形状,易于大量生产,成本低廉,在电测中获得广泛应用。尤其在常温条件下,箔式应变片已逐渐取代了丝式应变片。(3)薄膜型是在薄绝缘基片上蒸镀金属制成。它灵敏度系数高,易于实现工业化;特别是它可以直接制作在弹性敏感元件上,形成测量元件或传感器。由于这种方法免去了应变片的粘贴工艺过程,因此具有一定优势。 半导体应变片:是用锗或硅等半导体材料制成敏感栅。半导体应变片最突出的优点:灵敏度高,可测微小应变、机械滞后小、横向效应小、体积小。主要缺点:温度稳定性差、灵敏度系数分散性大,所以在使用时需采用温度补偿和非线性补偿措施。 5.简单介绍应变片的粘贴工艺步骤: 答:①应变片的检查与选择首先要对采用的应变片进行外观检查,观察应变片的敏感栅是否整齐、均匀,是否有锈斑以及短路和折弯等现象。其次要对选用的应变片的阻值进行测量,阻值选取合适将对传感器的平衡调整带来方便。 ②试件的表面处理为了获得良好的粘合强度,必须对试件表面进行处理,清除试件表面杂质、油污及疏松层等。一般的处理办法可采用砂纸打磨,较好的处理方法是采用无油喷砂法,这样不但能得到比抛光更大的表面积,而且可以获得质量均匀的结果。为了表面的清洁,可用化学清洗剂如氯化碳、丙酮、甲苯等进行反复清洗,也可采用超声波清洗。值得注意的是,为避免氧化,应变片的粘贴尽快进行。如果不立刻贴片,可涂上一层凡士林暂作保护。 ③底层处理为了保证应变片能牢固地贴在拭件上,并具有足够的绝缘电阻,改善胶接性能,可在粘贴位置涂上一层底胶。 ④贴片将应变片底面用清洁剂清洗干净,然后在试件表面和应变片底面各涂上一层薄而均匀的粘合剂。待稍干后,将应变片对准划线位置迅速贴上,然后盖一层玻璃纸,用手指或胶锟加压,挤出气泡及多余的胶水,保证胶层尽可能薄而均匀。 ⑤固化粘合剂的固化是否完全,直接影响到胶的物理机械性能。关键是要掌握好温度、时间和循环周期。无论是自然干燥还是加热固化都要严格按照工艺规范进行。为了防止强度降低、绝缘破坏以及电化腐蚀,在固化后的应变片上应涂上防潮保护层,防潮层一般可采用稀释的粘合胶。 ⑥粘贴质量检查首先是从外观上检查粘贴位置是否正确,粘合层是否有气泡、漏粘、破损等。然后是测量应变片敏感栅是否有有断路或短路现象,测量敏感栅的绝缘电阻以及线和试件之间的绝缘电阻。一般情况下,绝缘电阻为50MΩ即可,有些高精度测量,则需要200MΩ以上。 ⑦引线焊接与组桥连线检查合格后既可焊接引出导线,引线应适当加以固定。应变片之间通过粗细合适的漆包线连接组成桥路。连接长度应尽量一致,且不宜过多。 ⑧防护和屏蔽为了保证应变片工作的长期稳定性,应采取防潮、防水等措施,如在应变片及其引出线上涂以石蜡、石蜡松香混合剂、环氧树脂、有机硅、清漆等保护层。 6.说明差动电桥减小温度误差的原理。 答:巧妙地安装应变片而不需补偿并能得到灵敏度的提高。如图2-1,测悬梁的弯曲应变时,将两个应变片分别贴于上下两面对称位置,R1与RB特性相同,所以两电阻变化值相同而符号相反。将R1
与RB按图2-4装在R1和R2的位置,因而电桥输出电压比单片时增加
1倍。当梁上下温度一致时,RB与R1可起温度补偿作用。
2-1 应变片受力变化图 7.电阻应变片的基本测量电路有哪些?试比较它们的特点。 答:直流电桥:(1)等臂电桥:电桥供电电压U越高,输出电压U0越大,灵敏度越高。但提高电源电压使应变片和桥臂电阻功耗增加,温度误差增大。一般电源电压取3V~6V为宜。增大电阻应变片的灵敏系数K,可提高电桥的输出电压。(2)差动电桥:克服和减小非线性误差.提高电桥灵敏度。半桥差动电路:是单臂工作时的2倍,同时还具有温度补偿作用。全桥差动电路不仅没有非线性误差,而且电压灵敏度为单片工作时的4倍,同时仍具有温度补偿作用。 交流电桥:与直流电桥相比,应用交流电桥时应注意以下几个方面的问题;(1)交流电桥的电源通常为正弦波电源,在分析、计算时,仅对基波而言,而在误差分析中需考虑高次谐波的影响。 (2)可以用线性电路和方法分析交流电桥,但对非线性元件需在规定的条件下进行线性化处理。 (3)交流电桥至少需要两个可调参数才能保证电桥平衡,调整参数时必须满足平衡条件。 8.说明电桥的工作原理。若按不同的桥臂工作方式,可分为哪几种?各自的输出电压如何计算? 答:由于应变片电桥电路的输出信号一般比较微弱,所以目前大部分电阻应变式传感器的电桥输出端与直流放大器相连,如图2-2所示
图2-2直流电桥 (1)等臂电桥当R1R4=R2R3时,称为等臂电桥,即电桥处于平衡状态时,输出电压U0=0。若电桥各臂均有相应电阻增量,得
114422330
11223344
()()()()()()RRRRRRRRUURRRRRRRR
当R1=R2=R3=R4=R时,又iR(i=1,2,3,4)很小,上式可简