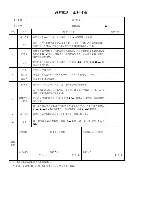
001-表C8-2 悬挑式脚手架验收表
- 格式:xls
- 大小:31.00 KB
- 文档页数:1
悬挑式脚手架搭设验收记录表悬挑式脚手架搭设验收记录表注意事项:1.验收时应按合同要求检查并填写,对于不合格部分须在检查表上注明。
2.填写各项项目时应尽量详实,避免遗漏。
3.如有项未及,可在表格空白处添加。
项目名称:悬挑式脚手架工程名称及地点:建设单位:承建单位:搭设单位:检查项目实测数据结论一、脚手架材料1.主材要求:(1)钢管规格:(2)材质:2.附件:(1)立杆底座规格:(2)挂钩规格:(3)安全绳规格:注:以上要求均应符合合同约定及有关规定要求。
二、脚手架搭设1.脚手架整体结构:(1)总体结构合理稳定,无明显裂缝、变形、松动等缺陷。
(2)脚手架各部位已稳固连接,固定牢靠,没有松动,无可拆卸部分没有轻易松动脱落现象。
(3)墙体挂件牢固,无破损、变形、开裂等现象。
(4)吊笼平稳可靠,起吊机械结构牢固,工作空间充足。
2.材料、附件及加工质量:(1)脚手架材料规格齐全,材质配合合理,加工精度符合技术要求。
(2)立杆底座规格、挂钩规格、安全绳规格等符合工程技术要求。
三、安全保障1.安全网:(1)用网铁丝符合要求,网络破损无缝隙,防护效果良好。
(2)悬挑脚手架的施工阶段必须设置安全网并加固连接点。
2.通道:(1)悬挑式脚手架的通道必须防滑,不易滑倒。
(2)通道应与脚手架结构可靠连接,不能发生脱离现象。
3.安全绳:(1)悬挑式脚手架的安全绳必须符合规模,铁件齐全,不得有锈蚀开裂。
(2)安全绳应按照技术要求加固连接点。
四、验收结论本次悬挑式脚手架搭设验收合格。
检查人员签字:检查日期:送验单位签字:。
悬挑式脚手架验收表一、项目基本信息项目名称项目地点负责单位施工单位监理单位二、验收依据•《建筑施工安全规范》GB5-1988•《悬挑式脚手架》GB/T11781-2000•《建筑施工安全技术规程》JGJT328-2019三、验收人员•验收人员:__________•监理人员:__________•施工单位代表:__________四、验收时间•验收时间:__________五、验收内容1. 脚手架搭设是否符合要求检查项目是否符合要求悬挑式脚手架的基础是否牢固,承重能力是否合格是 / 否悬挑式脚手架钢管规格、钢板尺寸和悬挑长度是否符合是 / 否求要求脚手架搭设是否标准,悬挂件和吊卡是否牢固可靠是 / 否端头扣件、悬挂点板卡等是否完好无损是 / 否是 / 否悬挂脚手架的受力梁材料尺寸、截面形状和间距是否满足要求悬挂脚手架是否符合规定的悬挂标高要求是 / 否悬挂脚手架单一个体的安全系数是否符合标准是 / 否2. 脚手架表面及周边是否存在安全隐患检查项目是否存在安全隐患脚手架周边是否有障碍物是 / 否脚手架表面是否有松动、破损、锈蚀等现象是 / 否脚手架是否有倾斜、下沉、断开等现象是 / 否脚手架是否有渗漏、漏水等现象是 / 否3. 人员安全防护措施是否符合要求检查项目是否符合要求工人是否佩戴安全帽、安全带等防护用品是 / 否是 / 否工人是否在脚手架内用电及挂置设备安装情况是否符合要求求职业健康检查结果是否符合要求是 / 否4. 使用人员是否经过培训及持证上岗检查项目是否符合要求其他操作人员是否进行了安全作业培训是 / 否其他操作人员是否持有相应的操作证是 / 否六、验收结果验收结论验收意见合格不合格七、不合格项处理意见不合格项目处理措施责任单位处理期限八、验收人员签字验收人员签字:__________监理人员签字:__________施工单位代表签字:__________。
悬挑脚手架验收记录表(DOC 44页)部门: xxx时间: xxx整理范文,仅供参考,可下载自行编辑悬挑脚手架验收记录表年月日附件:1西安铁路枢纽西安站改扩建工程迁建机务段、车辆段及客整所剩余工程XZGS-1标段单身宿舍综合楼外架工程专项施工方案编制:日期:复核:日期:审批:日期:中铁二十局集团有限公司西安站改工程项目经理部二〇一六年一月目录一、工程概况及编制依据 (6)(一)工程概况 (6)(二)编制依据 (6)二、外脚手架搭设方案 (7)(一)双排扣件式落地钢管脚手架 (7)(二)外挑脚手架 (7)三、组织机构和主要周转料具计划 (9)(一)组织机构 (9)(二)主要周转料具需用计划 (9)四、脚手架工程施工要点 (9)(一)脚手架材质要求 (9)(二)搭设构造措施 (10)(三)、地基处理 (17)(四)脚手架的检查与验收 (17)五、悬挑式扣件钢管脚手架计算书 (18)六、落地脚手架计算 (30)七、安全管理工作 (38)一、工程概况及编制依据第一节(一)工程概况本工程为西安铁路枢纽西安站改扩建工程迁建西安机务段单身宿舍楼工程,建设地点在西安市火车东站内。
本工程结构形式为框架剪力墙结构,建筑结构安全等级为二级,建筑抗震设防类别为丙类,框架的抗震等级为二级,地基基础的设计等级为丙类,结构设计使用年限为50年;建筑耐火等级为二级。
本建筑为主楼主体16层,局部16层,附楼主体2层11.1m,局部3层14.4m,室内地面标高±0.000m相对于绝对高程409.1m,室内外高差450mm。
总建筑面积为23124平方米。
地上16层,建筑总高度为62.4m。
第二节(二)编制依据1. 西安铁路枢纽西安站改扩建工程迁建西安机务段工程施工图纸及设计文件;2.《建筑施工扣件式钢管脚手架安全技术规范》(JGJ130-2011);3.《建筑施工模板安全技术规范》(JGJ162-2008);4.《建筑结构荷载规范》(GB50009-2012);5.《混凝土结构设计规范》(GB50010-2010);6.《建筑施工高空作业安全技术规程》(JGJ80-2011);7.《建筑施工手册》第五版;8.《建筑施工计算手册》江正荣著。
悬挑脚手架验收记录表一、基本信息标题内容工程名称承包单位施工单位悬挑脚手架名称悬挑脚手架编号悬挑脚手架制造商悬挑脚手架型号验收日期验收人员联系方式二、验收内容1. 基础部分序号验收内容验收标准验收结果1 基础设施是否存在问题基础设施应符合国家建筑安全规范GB50007-2002和《悬挑式脚手架安全技术规程》JGJ159-2008的要求。
2. 构架部分序号验收内容验收标准验收结果号结果2.1 构件是否基本齐全且完好构件符合制造方的生产质量要求,轻重结构电焊焊缝均应连续牢固。
2.2 构件的接口应牢固可靠构件与构件之间的接口牢固可靠,且焊接质量符合《焊接质量要求》GB11345的规定。
2.3 悬挑脚手架的水平度符合要求悬挑脚手架的水平度不大于斜弦杆长度的1/300,但不应超过30mm。
2.4 悬挑脚手架的纵向度符合要求悬挑脚手架的纵向度不大于跨度的1/500,但不应超过30mm。
2.5 悬挑脚手架的稳定性在悬挑状态下,脚手架应能够保持稳定。
2.6 悬挑脚手架的承载力悬挑脚手架应满足设计要求和承载力要求,或符合相关规范的要求。
2.7 悬挑脚手架的防腐处理是否符合要求悬挑脚手架的构件表面应进行防腐处理。
3. 安全设施部分序号验收内容验收标准验收结果3.1 安全网是否牢固安全网应留置在脚手架的任何一侧和末端,并与悬挑脚手架同向搭设。
3.2 安全绳是否妥善保管安全绳应按照规定标准配备和正确使用,并妥善保管。
3.3 救生设施是否齐备悬挑脚手架应详细设计救生设施。
号果3.4 疏散通道是否畅通疏散通道应保持畅通,无堆积、无杂物。
3.5 投入使用前的安全检查投入使用前应进行安全检查,满足安全要求后方可使用。
三、验收结论序号验收部分验收结果1 基础部分2 构件部分3 安全设施部分总体结论四、验收意见验收意见五、验收人员签字验收人员签字验收人员1验收人员2验收人员3以上为典型悬挑脚手架验收记录表,具体情况根据实际需要进行调整。
悬挑脚手架验收表悬挑脚手架验收表一、概述悬挑脚手架是一种用于施工作业的临时性设备,为了确保施工安全和质量,对悬挑脚手架进行验收是必要的。
本文档旨在提供一个详细的悬挑脚手架验收表范本,供工程师和监理人员进行参考和使用。
二、验收要点1.悬挑脚手架的设计和施工是否符合相关规范和标准,如GB 50018《建筑结构荷载规范》等;2.脚手架悬挑部分是否牢固可靠,没有任何松动或变形;3.脚手架的悬挑部分是否存在裂纹或其他结构缺陷;4.脚手架的支撑和连接部分是否稳定,没有任何松动或断裂;5.脚手架的各个支撑点是否垂直、均匀分布,符合设计要求;6.脚手架的主梁和悬挑梁是否采用了合适的型钢,符合设计要求;7.脚手架的钢管是否采用了合适的材质和规格,如Q235B钢管;8.脚手架的安全防护设施是否齐全,如安全网、防滑槽等;9.脚手架的工作台面是否平整,不出现明显的倾斜或凹凸;10.脚手架的施工记录和验收报告是否齐全完整。
三、验收过程1.施工单位应提供悬挑脚手架的设计图纸、计算书和工艺方案;2.监理人员应对悬挑脚手架的设计和施工进行审核和评估,并将评估结果记录;3.监理人员应进行现场巡检,检查悬挑脚手架是否符合设计要求;4.监理人员应对每个验收要点进行详细检查,记录检查结果;5.如发现悬挑脚手架存在安全隐患或不合格之处,监理人员应及时提出整改要求;6.根据监理人员的检查结果和整改要求,施工单位应对悬挑脚手架进行整改并重新验收;7.整改完成后,监理人员应再次进行现场巡检,并重新记录检查结果。
四、附件本文档所涉及附件如下:1.悬挑脚手架设计图纸;2.悬挑脚手架计算书;3.悬挑脚手架工艺方案;4.悬挑脚手架的施工记录;5.悬挑脚手架的验收报告。
五、法律名词及注释1.悬挑脚手架:一种用于施工作业的临时性设备,常用于高层建筑中的外墙装修和喷涂等工作;2.GB 50018《建筑结构荷载规范》:中国建筑行业关于结构荷载设计的规范标准。
悬挑式脚手架验收记录表一、工程概述本次验收的悬挑式脚手架位于_____工程的_____部位,脚手架搭设高度为_____米,悬挑钢梁的间距为_____米,采用的钢管规格为_____。
二、验收依据1、《建筑施工扣件式钢管脚手架安全技术规范》(JGJ130-2011)2、施工方案及相关设计文件3、国家及地方现行的有关安全生产的法律法规三、验收人员验收负责人:_____参加验收人员:_____、_____、_____、_____四、验收内容及标准1、施工方案(1)施工方案是否经过审批,内容是否完整、可行。
(2)是否有针对性的安全技术措施。
2、悬挑钢梁(1)悬挑钢梁的型号、规格是否符合设计要求。
(2)钢梁的间距是否符合方案要求,最大间距不得超过_____米。
(3)钢梁的锚固长度是否符合要求,锚固端压点应采用不少于 2个(对)的 U 形钢筋拉环或锚固螺栓与建筑结构梁板固定,U 形钢筋拉环或锚固螺栓应预埋至混凝土梁、板底层钢筋位置,并应与混凝土梁、板底层钢筋焊接或绑扎牢固,其锚固长度应符合现行国家标准《混凝土结构设计规范》GB50010 中钢筋锚固的规定。
(4)钢梁外端是否设置钢丝绳或钢拉杆与上一层建筑结构斜拉结,且与钢梁的夹角应不小于 45 度。
3、架体搭设(1)立杆的间距、垂直度是否符合要求,立杆纵距不得大于_____米,横距不得大于_____米,垂直度偏差不得大于架高的 1/200。
(2)大横杆的步距是否符合要求,步距不得大于_____米。
(3)剪刀撑的设置是否符合要求,应在架体外侧周边及内部纵、横向每隔 5m~8m,由底至顶设置连续竖向剪刀撑,剪刀撑宽度应为5m~8m;在竖向剪刀撑顶部交点平面应设置连续水平剪刀撑。
当支撑脚手架局部所承受的荷载较大,或立杆需加密设置时,剪刀撑的设置应相应加密。
(4)连墙件的设置是否符合要求,连墙件应从架体底层第一步纵向水平杆处开始设置,按照两步三跨的原则进行布置,连墙件应靠近主节点设置,偏离主节点的距离不应大于 300mm。
悬挑式脚手架验收记录表一、项目概述本次悬挑式脚手架的搭建是为了在某商场进行外立面翻新工作,该项目的投标企业为A公司,其负责项目总体施工工作。
安装悬挑式脚手架的主体材料为Q235钢管,并使用了支撑杆、悬挂臂等配件,以保证施工的安全性。
二、验收情况本次悬挑式脚手架的验收工作由A公司安全主管带领相关责任人员进行组织,验收标准按照国家标准《悬挑式脚手架安全技术规程》(GB / T 16270 - 1996)进行。
验收结果如下:2.1 悬挑式脚手架立杆、横杆1.立杆、横杆选择的是直径为48mm的Q235钢管,且表面无锈蚀现象,经过测量其长度均符合要求。
2.立杆、横杆连接方式采用扣件连接,连接数量符合要求,且扣件连接紧固可靠。
3.立杆、横杆沿纵向、横向的间距符合要求。
4.立杆、横杆在垂直于支撑面方向的偏斜度符合要求。
2.2 支撑系统1.支撑杆所使用的材料为直径为34mm的Q235钢管,其长度和数量满足要求。
2.支撑杆的连接方式采用扣件连接,连接数量符合要求,且紧固可靠。
3.支撑底座使用了600mmX600mm的方形钢板,并与地面接触牢固,无泥浆、杂物等物品侵入。
4.支撑杆与支撑底座连接可靠,无应力集中现象发生。
2.3 悬挂系统1.悬挂臂选择的是直径为48mm的Q235钢管,且表面无锈蚀现象,经过测量其长度均符合要求。
2.悬挂臂的连接方式采用扣件连接,连接数量符合要求,且扣件连接紧固可靠。
3.悬挂托臂间距在500mm-800mm之间,按规定设置制动器,制动效果满足要求。
4.悬挂系统的吊装钢丝绳线径为8.3mm,承载力不小于6300N,并牢固地连接在吊点上,长度符合要求。
2.4 安全设施1.悬挑式脚手架设置了安全网,网目尺寸为100mmX100mm的草编网,其悬挂、固定方式满足要求。
2.在悬挑式脚手架底部的工作平台设置了安全围栏,围栏高度为1.1m,采用钢管搭建,围栏与底座连接紧固可靠,并有专人负责检查维护围栏,以保持其完好无损。
悬挑式脚手架验收表(精)1. 概述本文档描述了悬挑式脚手架验收的标准和检查表。
悬挑式脚手架是一种在施工现场经常使用的设备,通过检查和验收,保证悬挑式脚手架的所有构件和系统满足安全标准并可靠地运行。
2. 验收标准悬挑式脚手架验收应满足以下标准:•悬挑式脚手架应符合国家安全标准 GB10055-2007 的规定。
•悬挑式脚手架的设计、制造、运输、安装、使用和拆除应符合国家相关安全标准规定。
•悬挑式脚手架的结构应牢固、稳定,符合设计要求。
•悬挑式脚手架的各配件应固定牢固,不应出现松动、变形、开裂、断裂等现象。
•进行悬挑式脚手架验收前,应先进行安全检查和功能测试,确保所有构件和系统完好、安全。
3. 检查表在进行悬挑式脚手架验收时,需按照以下检查表逐一检查:3.1 立杆检查项目检查内容立杆基础立杆基础应符合设计要求,坚实、平稳,无裂纹、积水等现象立杆材质立杆材质应符合设计要求,无锈蚀、变形等现象立杆连接件立杆连接件应固定牢固,不应出现松动、变形、开裂、断裂等现象3.2 横杆检查项目检查内容横杆材质横杆材质应符合设计要求,无锈蚀、变形等现象横杆连接件横杆连接件应固定牢固,不应出现松动、变形、开裂、断裂等现象3.3 悬挂臂检查项目检查内容悬挂臂本体悬挂臂应符合设计要求,结构牢固,无变形、开裂等现象悬挂臂连接件悬挂臂连接件应固定牢固,不应出现松动、变形、开裂、断裂等现象悬挂臂绳索悬挂臂绳索应符合相关安全标准规定,无裂纹、磨损、脱股等现象3.4 悬挂平台检查项目检查内容悬挂平台悬挂平台应符合设计要求,结构牢固,无变形、开裂等现象悬挂平台固定件悬挂平台固定件应固定牢固,不应出现松动、变形、开裂、断裂等现象悬挂平台安全装置悬挂平台安全装置应符合相关安全标准规定,无损坏、变形等现象4. 验收流程进行悬挑式脚手架验收,应按照以下流程操作:1.拟定验收计划。
2.进行安全检查和功能测试。
3.逐一检查悬挑式脚手架各构件和系统是否符合安全标准。
悬挑式脚手架验收记录表背景介绍悬挑式脚手架是建筑施工过程中常用的升降设备,它能够快速安装、拆卸,提高建筑施工效率。
然而,悬挑式脚手架的施工需要注意安全问题,在使用之前需要进行验收,确保能够安全使用。
验收要求悬挑式脚手架的验收应包括以下内容:1.脚手架的安装是否符合设计要求,是否稳定;2.脚手架的构件是否完整、无锈蚀、断裂等缺陷;3.脚手架的连接件是否紧固可靠;4.脚手架的各种制动、限位等安全装置是否完好;5.脚手架的固定是否符合要求,是否牢固可靠;6.脚手架网、保护板等安全防护设施是否完好;7.脚手架的坠落防护措施是否到位;8.脚手架使用过程中的升降操作是否安全、灵活。
验收记录表本次悬挑式脚手架验收记录表如下:项目验收标准验收结果脚手架安装安装是否符合设计要求,是否稳定符合/不符合构件缺陷构件是否完整、无锈蚀、断裂等缺陷完整/有缺陷连接件紧固连接件是否紧固可靠紧固可靠/松动安全装置各种制动、限位等安全装置是否完好完好/损坏固定情况固定是否符合要求,是否牢固可靠符合/不符合防护设施安全防护设施是否完好完好/损坏坠落防护坠落防护措施是否到位到位/未到位升降操作使用过程中的升降操作是否安全、灵活安全、灵活/不安全、不灵活验收结果处理针对验收结果,需要采取相应的处理措施:1.对于不符合要求的部分,需要及时进行调整、修复、更换等工作;2.对于紧急情况,需要立即处理,确保施工安全;3.同时,施工团队也应定期对脚手架进行保养和维护,确保设备的长期使用安全。
结语悬挑式脚手架是建筑施工过程中必不可少的设备,验收工作尤为重要。
通过本次验收记录表的使用,可以对悬挑式脚手架的安全问题进行全面审核和评估,加强建筑施工安全,提高施工效率。
悬挑式外脚手架验收表一、验收背景和目的悬挑式外脚手架是一种常见的施工设施,广泛应用于各种建筑项目中。
为了确保施工安全,提高工程质量,本次验收将对悬挑式外脚手架的安装、稳固、承载能力以及安全防护措施进行全面的检查和评估。
二、验收依据1、国家相关施工规范和标准;2、施工图纸和技术要求;3、施工企业和现场管理制度。
三、验收内容及方法1、脚手架安装:检查脚手架的安装是否符合规范,是否按照施工图纸要求进行;2、脚手架稳固:检查脚手架的支撑和固定是否稳固,对不稳定的部位进行加固;3、承载能力测试:对脚手架的承载能力进行测试,确保其能够满足施工要求;4、安全防护措施:检查脚手架是否配备了必要的安全防护措施,如防坠落装置、安全网等;5、脚手架清洁和保养:检查脚手架是否保持清洁,有无锈蚀、油污等情况,对受损部位进行修复和保养。
四、验收结果及建议经过本次验收,发现部分脚手架安装存在不规范现象,部分支撑和固定部位需要加强稳固;承载能力测试结果符合施工要求;安全防护措施基本配备齐全,但部分需要更换或维修。
建议施工单位对不规范的安装进行整改,加强脚手架的稳固性,对安全防护措施进行定期检查和更换。
五、结论本次验收表明,悬挑式外脚手架在安装、稳固、承载能力以及安全防护措施方面存在一定的问题。
为了确保施工安全和工程质量,建议施工单位加强管理,严格按照规范进行安装和使用,同时加强维护和保养工作。
在未来的施工过程中,应严格按照相关规定进行验收,确保施工安全和质量。
悬挑脚手架验收表一、验收背景和目的悬挑脚手架验收表是为了确保悬挑脚手架的安全性和稳定性,保障施工人员的生命安全和施工顺利进行而设计的。
本验收表旨在通过对悬挑脚手架的各项指标进行全面、细致的检测和评估,确保其符合相关规范和标准,为施工提供安全可靠的操作平台。
二、验收依据本验收表依据《建筑施工扣件式钢管脚手架安全技术规范》(JGJ130-2011)、《建筑施工高处作业安全技术规范》(JGJ80-2016)等相关标准和规范进行编制。