防锈油配方
- 格式:doc
- 大小:24.50 KB
- 文档页数:6
高铁道岔防锈油制作配比自从动车组事件后,大家对于动车一词应该是比较的了解了。
今天我们来分享的就是动车道岔的防锈工程所用的防锈剂。
主要讲讲这个高铁道岔防锈剂的配方。
特性1.本品采用多种防锈剂复合增加其防锈性,使用合成的低粘度的基础油辅以分散剂和斯盘80(山梨粮醇单油醋酸)增强其渗透性,使防锈剂能透过锈蚀层到达金属表面,使油膜全覆盖于金属表面,经过多次筛选基础油和各种添加剂的复合比例使该油品粘度控制在40度,20~50mm/s,即保证良好的渗透性又能在1~2h内干燥。
并且,该油品属于硬膜防锈油,干燥后露天存放,减少灰尘的粘附,保证产品外观美。
2.无毒,不污染环境。
现有防锈油品中含有易挥发的轻油馏分,不断散发在车间空气中,操作工人长期接触轻馏分中的芳烃,可以对人休形成积累型损害,具有刺激性气味,污染大气环境。
本品采用的基础油经过高压加氢脱掉芳香烃,可以最大限度保证人体健康,尽可能降低对于操作环境的污染。
3.如果防锈油的粘度不够,形成的膜薄,难以形成对锈层和金属表面的全覆盖,防锈效果不好,如果防锈油的粘度过大,油品在短时间内没有浸锈层,就已经形成硬膜,堵住了锈层中的氧气和水分,致使锈蚀继续并扩大,甚至使防锈油膜剥落,本品防锈油成品的粘度适当,防锈效果更好。
用途与用法本品主要应用于高铁道岔防锈。
使用时可采取喷涂,刷涂和浸涂的方法,在涂敷前应用工具抹去尘土和浮锈。
配方(质量份)基础油异构烷烃54防锈剂石油磺酸钠47成膜剂沥青6斯盘80 4制作方法首先将60~80%基础油加入反应壶加热搅拌到100~140度加入防锈剂,再加入成膜剂,增粘剂和抗氧剂,继续搅拌,冷却至30~50度,再加入斯盘80和余量的基础油,断续搅拌1~3h过滤后,即得成品,获得防锈油成品的闪点50~60度,40度的粘度20~50mm/s.注意事项本品各组份质量配比范围为:基础油40~60,防锈剂5~25,成膜剂1~20,斯盘80 1~5,增粘剂1~6,抗氧剂0.1~2.希望用了这个防锈剂后,对于动车道岔会得到更大的保障。
防锈油配方及成分作用防锈油,这可是个神奇的东西!咱们平时用的工具、机械,尤其是金属制品,时间一长就容易生锈,像个老爷爷,掉了不少“牙齿”。
但防锈油的出现,就像是给它们穿上了防护服,真的是救星啊!要知道,防锈油的配方就像一碗好汤,各种成分都得配得刚刚好,才能让金属保持光鲜亮丽。
咱们得说说基本成分,通常情况下,防锈油里会有矿物油。
矿物油可不是随便的油,它可是一种经过精炼的油料,能够形成一层保护膜,就像是给金属穿上了一层保护衣。
大家可能会想,哎,油不都滑溜溜的吗?对呀!正是因为它的滑溜,才能抵御水分和空气的侵蚀。
这层膜可不能小觑,它简直就是金属的“铠甲”,让生锈无处遁形。
还有一种成分,叫做添加剂。
这个可有意思了,添加剂可以分成几类,有的负责防腐,有的增强润滑,真是各司其职。
防腐剂就像是给金属打了一针疫苗,抵挡各种“细菌”的侵袭。
而润滑剂则能让金属在摩擦中游刃有余,像个身手敏捷的武林高手,不容易被磨损。
这些添加剂的组合,让防锈油的作用更加全面,真是让人感叹科技的力量。
说到防锈油,很多人脑海中可能会浮现出那种黑乎乎的、腻腻的油脂。
其实现在的防锈油,已经进化到很高的境界,甚至有些还无色无味,使用起来特别方便,完全没有了以往油腻腻的感觉,简直是给人一种焕然一新的体验。
大家想象一下,家里的铁锹、铲子,或者是一些金属玩具,定期涂抹一点儿,简直就是给它们来个“SPA”,既保养了,又延长了使用寿命,何乐而不为呢?而且防锈油不仅仅是用在家里,工厂、车间,甚至是船舶、航空器上都能看到它的身影。
那些机械在运行时,难免会遇到摩擦、碰撞、潮湿,防锈油就像是一位默默无闻的守护者,保证它们能平安无事。
可以说,它真的是工业界的“隐形冠军”,可别小看了这小小的瓶子,背后可是蕴藏了不少科学和技术的智慧。
说到应用,其实使用防锈油也不复杂,大家平时在家里保养工具时,记得用干净的布沾一点防锈油,轻轻擦拭就行了。
轻松得很,没什么技术含量。
就像给金属朋友们上油,保养得当,它们会更加听话,使用寿命也会变得长久,简直是经济又实惠的好办法。
防锈油配方成分分析,技术工艺及除锈原理导读:本文详细介绍防锈油的研究背景,原理,参考配方等,本文中的配方数据经过修改,如需更详细资料,可咨询我们的技术工程师。
防锈油广泛应用于金属表面防锈处理,禾川化学引进国外配方破译技术,专业从事防锈油成分分析、配方还原、研发外包服务,为防锈油相关企业提供一整套配方技术解决方案。
1.背景金属是现代机械工业、国防工业、石油工业以及其它部门最重要的结构材料,但它易受外界环境或介质的化学、电化学的作用引起变质或损坏,这就是人们通常所说的金属腐蚀。
腐蚀是使材料破坏的主要形式之一,对国民经济和国防建设中的各个部门造成很大的损失。
据统计,每年由于金属锈蚀所造成的直接经济损失约占国民经济总产值的2%~4%,以2005年我国GDPl8.23万亿元人民币计算,我国全年因锈蚀而造成的损失至少达360亿元以上,其危害十分惊人。
为避免锈蚀,人们采取了各种各样的方法,用防锈油来保护金属制品便是目前最常见的防护方法之一。
防锈油是机电、军工和金属加工等行业必备的一种助剂,其用途是对半成品或成品进行防锈。
国外防锈油是在第二次世界大战中由美国首先发展起来的,并于1952年订出了完整的MIL-P-116B标准,共20个品种(即P系列),分为溶剂稀释型、防锈脂型(包括石油脂型和皂基润滑脂型)、润滑油型(包括矿物油型和合成油型)、指纹去除型、气相型等五类。
日本于1952年开始研究,在1959-1966年,根据美军规格标准制订了日本工业标准JIS,并进行了规格的系列化,即NP系列。
随后于1980年又进行了修订,将产品分为指纹去除型、普通防锈油型、溶剂稀释型、防锈脂型和气相防锈油型五大类,共16个品种。
日本防锈油脂规格是根据美军规格标准而制订的,基本上反映了国外发达国家的水平。
国内防锈油脂是随着钢铁和机械工业的发展而发展起来的,60年代开始出现产品。
武汉材料保护研究所制订了GB4879—85“防锈包装”标准,列出了国产防锈油的种类和指标;北京石油化工科学研究院等单位,在调查和分析的基础上,参考日本J1SK2246-1980规格标准根据我国国情制订了我国的防锈油脂规格标准。
硬膜防锈油 Prepared on 22 November 2020硬膜防锈油分析报告防锈油是机电,军工和金属加工等行业必备的一种助剂,其用途是对半成品或成品进行防锈。
防锈油有硬膜防锈油和软膜防锈油两种。
其中硬膜防锈油根据成膜层是否透明又分为透明膜防锈油和不透明膜防锈油。
快干透明硬膜防锈油,与其他防锈油相比,具有油膜薄,防锈性好,涂层干燥快,透明美观等特点,而且生产工艺简单,成本低廉。
我上网查文献资料,查到了一些快干硬膜防锈油的配方,我综合考虑试验了以下面配方为主的实验:原料百分比作用类型石油树脂10成膜剂十二醇增塑剂硬脂酸铝防锈剂苯并三氮唑有机溶剂松节油5辅助溶剂有机碱性缓蚀剂0-6缓蚀剂120#溶剂油主溶剂实验步骤:先把石油树脂和十二醇用120#溶剂油加热溶解,再把苯并三氮唑作为缓蚀剂加入其中。
再用松节油作为助溶剂溶解硬脂酸铝,用它与上面溶解好的溶液进行混合,得到硬膜防锈油。
1#硬膜防锈油:石油树脂:10十二醇:硬脂酸铝:苯并三氮唑(海明自有样品):松节油:5乙醇:1120#溶剂油:811#硬膜防锈油的实验步骤与上面步骤一样,实验注意事项:(1).缓蚀剂苯并三氮唑不易加多,否则不易溶解。
因为没有有机碱性缓蚀剂,用乙醇溶解苯并三氮唑(≤)。
(2).120#溶剂油的味道大,闪电低,用它加热溶解石油树脂时要小心,控制好温度,很容易发生燃烧,引起火灾。
实验现象及结果:金黄色液体,有刺激性气味。
1#硬膜防锈油与天津荣邦化工的样品做铁板防锈对比实验,在铁板上刷上面两种防锈油,把铁板放在烟雾机中温度35℃,48小时后1#铁板上有锈迹象,天津荣邦防锈油的铁板上除了边缘有锈点,表面上未锈。
1#样品需要进一步改进,成膜还可以。
2#硬膜防锈油石油树脂:10十二醇:硬脂酸铝:苯并三氮唑(海明自有样品):松节油:5乙醇:2120#溶剂油:80有机碱性缓蚀剂实验现象及结果:外观呈橙黄色颗粒液体,2#防锈油做铁板防锈试验,放置在35℃,48小时后2#铁板上有锈迹。
防锈油材料1. 防锈油中的抗氧化剂防锈油在贮存和使用过程中,通常因受光、热和金属等的作用而发生自由基连锁降解反应,导致油品产生沉淀或凝胶而变质,为此通常需加入一种能阻止或减缓防锈油氧化变质的添加剂-抗氧化剂。
防锈油中常用的抗氧化剂有酚类和胺类。
1.2,6-二叔丁基对甲酚:它是以异丁烯和对甲酚在浓硫酸催化下发生烷基化反应,再经中和精制而成,是一种自由基反应终止剂,代号为T501,也称264。
常温下为白色或微黄结晶,在防锈油中的常用量为0.3%.2.二苯胺:它是苯胺在无水三氯化铝催化作用下,进行缩合反应,再经盐析中和、蒸馏、结晶而得,是一种自由基反应终止剂。
常温下,无色至浅灰色结晶,可燃,有芳香味,曝光后成灰黑色,溶于矿油、乙醚、苯、冰醋酸和二硫化碳。
3.丁基辛基二硫代磷酸锌:其是以异辛醇、正丁醇、五氧化二磷及氧化锌为原料,以150SN中性油为稀释剂,经硫磷化、皂化反应,再经真空脱水过滤而得,代号T202.是一种过氧化分解剂,同时具有抗磨和抗腐性能,在较高的温度下仍有较好的抗氧化性,可用作润滑型防锈油的抗氧化剂,常用量为0.5%.2. 防锈油的辅助材料为了使防锈油能满足不同防锈对象、不同使用工艺及贮存等需要,配方中除了油溶性缓蚀剂和上述某些辅助添加剂外,有时还需加入一些特殊的添加剂。
1.消泡剂:对于使用防锈油或者润滑型防锈油的设备,当机器运转时,与油液接触的空气层被振动,部分被带入油液中,成形的小气泡难以消失,消泡剂分子则可迅速进入气泡与油液的界面,破坏界面液膜的力学平衡,达到破坏泡沫或抑制泡沫的目的。
甲基硅油是常用的一种消泡剂。
2.极压添加剂:对于使用防锈油设备,机器运转时,相互接触的金属表面的局部有时会产生很高的压力和大量的摩擦热,使金属间的油性膜遭到破坏,造成部件严重磨损或烧结。
极压添加剂在上述条件下可与金属面形成熔点较低、剪切强度较小的化学反应膜,代替金属间的直接磨擦,减少磨擦阻力,防止金属表面的擦伤和烧结。
防锈油配方防锈油基本由基础油、缓蚀剂、防锈剂组成。
下面配方中基础油是机油和煤油,缓蚀剂是石油磺酸钡、氧化石油脂钡和油酸,防锈剂是辛酸二环己胺。
选择配方以渗透性、流动性、缓蚀剂对水的置换性、抗水性等指标考虑。
防锈油主要成分【主要成分】:F201防锈油:防锈添加剂,干洗油,基础油,锭子油,石油磺酸钡,环烷酸锌,工业凡士林。
F20-1防锈油:变压器油,精制矿物油,石油磺酸钠、羊毛脂镁皂等金属防锈添加剂调配制成。
常温脱水性防锈油配方:10号机油:(质量分数%,下同)26,煤油:53,石油磺酸钡:8,氧化石油脂钡:4,辛酸二环己胺7,油酸:2。
环保型钢铁水基防锈剂配方:葡萄糖酸盐、三乙醇胺、钼酸盐、有机磷酸、苯甲酸钠、非离子表面活性剂、剩余为去离子水,其制备方法为:按照重量比例称取个成分,依次加入25-60℃去离子水中,搅拌溶解,混合均匀,即成稳定性好的透明防锈剂。
F-31防锈油配方(%) :石油磺酸钠15,羊毛脂镁皂5,10号机械油10,煤油4,二苯胺0.2~0.3,工业凡士林余量.FY-5浓缩型防锈油配方(%) :石油磺酸钡20,环烷酸锌15,灯用煤油35,工业凡士林余量.特种防锈油配方(%) :石油磺酸钡4,石油磺酸钠1,环烷酸锌2,30号机械油余量.以上配方适用于工厂半成品或配套入库封存零件用.被封存的零件最好用石蜡纸包上.此类防锈油在室内能保证金属1年左右不生锈.上述4个配方,除201防锈油对铜有变色外,其它配方对铜均可用.但201防锈油铸铁防锈效果最好.7号防锈油配方(%) :石油磺酸钡5,羊毛脂镁皂5,变压器油90.F-1防锈油配方(%) :N-油酰肌氨酸十八胺1,石油磺酸钡8,石油磺酸钠1,司苯-80 2,邻苯二甲酸二丁酯3,苯骈三氮唑0.15,2.6二叔丁基对甲酚0.5,20号机械油余量.F-33防锈油配方(%) :石油磺酸钡4,羊毛脂4,743钡皂2,石油磺酸钠1,苯骈三氮唑0.1,10号或20号机械油余量.F-41防锈油配方(%) :石油磺酸钡0.3,司苯-80 0.3,2.6二叔丁基对甲酚0.3,二甲基硅油10ppm,25号变压器余量.以上配方适用于室内临时性的封存,也可作精密零件加工工序间的防锈.这类防锈油具有一定的润滑性,可封存机械设备.使用时,不用清洗即可投入工作.F-21置换型防锈油配方(%) :石油磺酸钡1.5~2,正丁醇0.3~0.4,汽轮机油(20号或30号)8~9,煤油余量.F-3置换型防锈油配方(%) :石油磺酸钡3,苯骈三氮唑0.01,油酸1,三乙醇胺0.5,32号汽轮汽油15,煤油余量.置换型防锈油配方(%) :石油磺酸钡4,羊毛脂2,743钡皂,2石油磺酸钠1,苯骈三氮唑0.1,10号机械油15~20,煤油余量.置换型防锈油配方(%) :磺化羊毛脂钙盐30,石蜡油50,磺化蓖麻油2,戊醇5,汽油13.滚珠轴承防锈油配方(%) :石油磺酸钡(高分子)2.5~3.5,羊毛脂2~2.5,环烷酸锌1~1.5,正丁醇1~1.5,10号变压器油5~8,煤油余量.以上配方适用于机械加工工序间的防锈,能中和和置换手汗.防锈期一般为1~3个月.硬膜防锈油配方(%) :5号沥青22,松香7,汽油71.此方适用于露天库金属材料的防锈.水溶性防锈油这是一种含乳化剂的防锈油.使用时以水稀释成乳液状,它成本低,以水做溶剂使用安全.这种防锈油大多用于工序间防锈.配方1(份) :氧化蜡膏钠钡皂10,石油磺酸钠0.5,石油磺酸钡1,磷酸脂三乙醇胺盐1.使用时用油12份与水88份调配.适用于工序间防锈.配方2(%) :氧化蜡膏钡皂5,氧化蜡膏胺皂5,石油磺酸钠0.3,水89.7.此配方用于工序间时防锈及磨床冷却液.仪表防锈油配方(%) :苯骈三氮唑0.3,石油磺酸钡5,环烷酸锌1,羊毛脂2,磷酸三丁酯2,基础油(22#透平油) 余量.此配方性能较全面,对钢,铝,黄铜,紫铜,青铜防锈效果均较好,适于仪表和有色金属的封存.通用防锈油一般通用防锈油乃是在通常矿物油中加入油溶性缓蚀剂和某些改性添加剂.由于基础油和添加剂不同,这种防锈油可分成很多种类.轻质(低粘度)防锈油,大多用于精密仪表.中质(中粘度)防锈油,可用于一般仪器和武器.这种油最低温度要在-20℃时使用.重质(高粘度)防锈油,可用于大型机电设备,通常要求润滑防锈两用.这种油多数适用于在常温下应用.钢、黄铜、铝防锈油配方(%) :石油磺酸钡2,羊毛脂镁皂2,变压器油余量。
防锈工艺研究论文——乳化型防锈油万年华(沈阳理工大学应用化学专业,沈阳市110168)摘要防锈油脂是在石油类基本组分中加入油溶性缓蚀剂及辅助添加剂等组成,多用于金属制品主要是钢铁制品的工序间、运输或贮存时的暂时防锈。
工件在工序间的加工、转移、检查等过程中,其表面会粘附一些手汗或水分,这会引起金属腐蚀。
为了防止金属的此类腐蚀,人们最早采用涂油的方法,即将润滑油、凡士林等油脂类物质涂在金属表面以保护金属,但是这种防锈效果并不理想,采用置换性防锈油则是一种较好的解决方法。
置换性防锈油是在基础油中加入油溶性缓蚀剂、乳化剂及辅助添加剂等,它能把金属表面上的水膜和汗液置换成油膜并形成一层薄而紧密的保护层,阻止水分、汗液以及其它腐蚀介质对金属的腐蚀。
它具有效果好、使用方便、成本低廉、易施工和易去除等优点,因此得到广泛应用《11防锈乳化油的研制》。
本文简单的介绍乳化型防锈油的目的意义,配方工艺和优缺点,国内外研究现状及趋势。
关键词:乳化;防锈;油Abstract:Antirust oil is added to the basic components of petroleum oil-soluble additives, corrosion inhibitors and auxiliary components, metal products is mainly used for iron and steel products, processes, the transport or temporary storage when the rust. Between the workpiece in the process of processing, transfer, inspection process, the surface will adhere to a number of hands sweat or moisture, which can cause metal corrosion. To prevent such corrosion of the metal, people first used the method with oil, about oil, Vaseline or other oil substances applied to the metal surface to protect the metal, but the rust is not satisfactory, the use of the replacement of the anti-rust oil is a better solution. Replacement of anti-rust oil is added in the base oil soluble corrosion inhibitors, emulsifiers and auxiliary additives, it can water film on the metal surface and the sweat is replaced and the formation of a thin film protective layer closely to prevent water, sweat, and other corrosive medium on the corrosion of metals. It has a good effect, easy to use, low cost, easy construction and easy to remove, etc., so widely used. This article describes a simple anti-rust oil emulsion type purpose and significance, formulation process and the advantages and disadvantages, research status and trends.Keywords: Emulsification; Antirust; Oil目录1目的和意义 (4)2国内研究现状 (4)2.1缓蚀剂 (4)2.2乳化剂 (4)2.3油样 (5)2.4优点 (5)2.5缺点 (6)2.6乳化型防锈油封存工艺 (6)2.6.1清洗 (6)2.6.2过渡清洗 (6)2.6.3涂油 (6)2.6.4包装 (7)3国外研究现状 (7)4目前存在问题 (7)5需要研究的内容 (8)6发展趋势和方向 (8)6.1多功能性 (8)6.2薄油膜 (8)6.3低粘度性 (8)6.4较高的环保要求 (8)6.5重视包装 (8)7结束语 (9)8参考文献 (10)1目的和意义金属是现代机械工业、国防工业、石油工业以及其它部门最重要的结构材料,但它易受外界环境或介质的化学、电化学的作用引起变质或损坏,这就是人们通常所说的金属腐蚀。
防锈油是一款外观呈红褐色具有防锈功能的油溶剂。
由油溶性缓蚀剂、基础油和辅助添加剂等组成。
根据性能和用途,除锈油样本图片可分为指纹除去型防锈油、水稀释型防锈油、溶剂稀释型防锈油、防锈润滑两用油、封存防锈油、置换型防锈油、薄层油、防锈脂和气相防锈油等。
防锈油中常用的缓蚀剂有脂肪酸或环烷酸的碱土金属盐、环烷酸铅、环烷酸锌、石油磺酸钠、石油磺酸钡、石油磺酸钙、三油酸牛脂二胺、松香胺等。
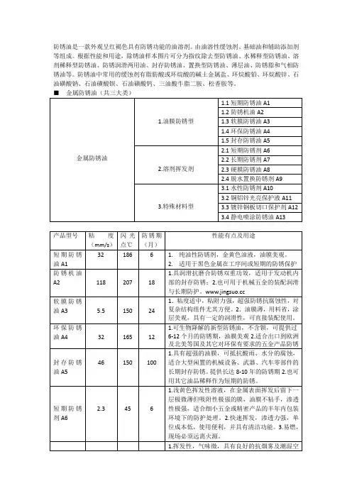
■金属防锈油(共三大类)所有数据都来自晶索润滑油,未经同意,切勿使用!附:沿海地区如何正确使用防锈油一、防止机械零件表面产生的水气膜和化学物质如果防锈油本身没有质量问题,在一般条件下进行长期防锈选用、封存防锈油、硬膜防锈油、防锈油脂都不会出现问题,但在湿潮的高温天气,情况就发生了很大的变化,原本没有问题的防锈油产品就可能会出现问题。
因为在湿热条件下,首先机械零件表面会附着一层极薄的水气膜,在使用一般防锈油封闭后,水气膜无法排出,水膜会随时间逐步迁移,最后聚集在某一部位(该部位一般在下部、角落、凹处或底部平面边缘),条件成熟时,聚集的水珠就发生化学氧化,产生锈蚀;其次,机械零件表面残留的化学物质(如切削液中的各种水溶性无机盐,可以乳化的某些易产生酸根的表面活性剂、有机物等;清洗剂中的水溶性无机盐等),他们在潮湿的水气中因溶解而聚集,被油封闭后无法排出,最后,在高温下发生电化学及化学反应,此类锈蚀产生较快,往往二个星期内就开始显现。
二、防止使用含火碱、硅酸盐成份的清洗剂有时机械零件清洗后进行防腐蚀处理,此时应保证将化学清洗剂清洗干净,不能使用含火碱、硅酸盐成份的清洗剂,并在清洗后直接浸泡脱水油脱水,脱水后可使用脱水防锈油或其他防锈油(硬膜防锈油除处)进行长期防锈。
大型机械零件只能采用喷涂或涮涂时,必须使用脱水防锈油,以确保除去手汗或其他污垢。
特别注意的是北方较干燥的沿海地区使用防锈油进行防腐蚀处理时,也应优先使用脱水效果好的脱水防锈油。
三乙醇胺硼酸酯防锈配方
以下是一种可能的三乙醇胺硼酸酯防锈配方:
1. 三乙醇胺硼酸酯10-30%
2. 甲基异丙基酮10-30%
3. 二甲苯10-20%
4. 氧化锌5-10%
5. 环氧树脂5-10%
6. 去离子水10-20%
其中,三乙醇胺硼酸酯和甲基异丙基酮具有良好的防腐蚀性能,二甲苯则是一种溶剂,可以帮助将其他成分混合在一起。
氧化锌是一种抗紫外线和氧化的添加剂,能够延长涂层的使用寿命。
环氧树脂用于提高涂层的附着力和硬度。
去离子水则是将其他成分混合在一起的溶剂。
需要注意的是,以上配方仅供参考,具体配方需要根据具体需求和使用条件进行微调。
同时,使用时需要注意安全,避免皮肤、眼睛的接触,并保持通风良好。
一种长寿命轴承防锈油及其制备方法,防锈油的成分按重量百分比包括:基础油:15~25%;中性磺酸钡:10~15%;烷基苯磺酸钡:2~5%;高碱值磺酸钙:2%~5%;氧化石蜡丁酯:1%~5%;乳化剂:1%~2%;抗氧剂:0.1%~0.5%;余量为溶剂油;基础油由聚α烯烃和加氢精制矿物油组成,其中聚α烯烃的重量百分比为20%~30%;中性磺酸钡的分子量不低于1100,其中磺酸钡含量不低于50%;高碱值磺酸钙的总碱值不低于300。
本技术与现有的轴承防锈油相比,体系更加稳定并具有更强的抗氧化性,能够在三年的储存期保持体系稳定使轴承的表面不会干结而出现黄斑等现象,提升了轴承防锈油的寿命,涂抹后形成的油膜较薄,更容易去除更换,能够更好地满足轴承长时间储存的要求。
权利要求书1.一种长寿命轴承防锈油,其特征在于:防锈油的成分按重量百分比包括:基础油:15~25%;中性磺酸钡:10~15%;烷基苯磺酸钡:2~5%;高碱值磺酸钙:2%~5%;氧化石蜡丁酯:1%~5%;乳化剂:1%~2%;抗氧剂:0.1%~0.5%;余量为溶剂油;所述的基础油由聚α烯烃和加氢精制矿物油组成,其中聚α烯烃的重量百分比为20%~30%;所述的中性磺酸钡的分子量不低于1100,其中磺酸钡含量不低于50%;所述的高碱值磺酸钙的总碱值不低于300。
2.根据权利要求1所述的一种长寿命轴承防锈油,其特征在于:所述的乳化剂为聚异丁烯丁二酸酐。
3.根据权利要求1所述的一种长寿命轴承防锈油,其特征在于:所述的抗氧剂由2,6-丁基苯酚衍生物和丁基辛基二苯胺组成。
4.根据权利要求1所述的一种长寿命轴承防锈油,其特征在于:所述的溶剂油为脱芳烃溶剂油,溶剂油的闪点为70℃~80℃。
5.权利要求1所述的一种长寿命轴承防锈油的制备方法,其特征在于,包括以下步骤:步骤1、将基础油加入调和釜中加热至100℃~110℃,再向基础油中添加中性磺酸钡、烷基苯磺酸钡和高碱值磺酸钙,在添加过程中对基础油进行搅拌,然后对调和釜中的混合液控温搅拌1小时;步骤2、对调和釜进行降温使步骤1所得的混合液温度降至80℃~90℃,再向混合液中添加氧化石蜡丁酯、乳化剂和抗氧剂,然后对调和釜中的混合液控温搅拌1~2小时;步骤3、使步骤2所得的混合液温度降至室温,再向混合液中添加溶剂油,搅拌均匀后使用孔径为1~1.5μm的滤袋滤出杂质,即获得防锈油成品,制备完成。
硬膜防锈油分析报告防锈油是机电,军工和金属加工等行业必备的一种助剂,其用途是对半成品或成品进行防锈。
防锈油有硬膜防锈油和软膜防锈油两种。
其中硬膜防锈油根据成膜层是否透明又分为透明膜防锈油和不透明膜防锈油。
快干透明硬膜防锈油,与其他防锈油相比,具有油膜薄,防锈性好,涂层干燥快,透明美观等特点,而且生产工艺简单,成本低廉。
我上网查文献资料,查到了一些快干硬膜防锈油的配方,我综合考虑试验了以下面配方为主的实验:原料百分比作用类型石油树脂10成膜剂十二醇 1.5增塑剂硬脂酸铝1.4防锈剂苯并三氮唑0.5有机溶剂松节油5辅助溶剂有机碱性缓蚀剂0-6缓蚀剂120#溶剂油75.5-81主溶剂实验步骤:先把石油树脂和十二醇用120#溶剂油加热溶解,再把苯并三氮唑作为缓蚀剂加入其中。
再用松节油作为助溶剂溶解硬脂酸铝,用它与上面溶解好的溶液进行混合,得到硬膜防锈油。
1#硬膜防锈油:石油树脂:10十二醇:1.5硬脂酸铝:1.5苯并三氮唑(海明自有样品):0.5松节油:5乙醇:1120#溶剂油:811#硬膜防锈油的实验步骤与上面步骤一样,实验注意事项:(1).缓蚀剂苯并三氮唑不易加多,否则不易溶解。
因为没有有机碱性缓蚀剂,用乙醇溶解苯并三氮唑(≤0.5)。
(2).120#溶剂油的味道大,闪电低,用它加热溶解石油树脂时要小心,控制好温度,很容易发生燃烧,引起火灾。
实验现象及结果:金黄色液体,有刺激性气味。
1#硬膜防锈油与天津荣邦化工的样品做铁板防锈对比实验,在铁板上刷上面两种防锈油,把铁板放在烟雾机中温度35℃,48小时后1#铁板上有锈迹象,天津荣邦防锈油的铁板上除了边缘有锈点,表面上未锈。
1#样品需要进一步改进,成膜还可以。
2#硬膜防锈油石油树脂:10十二醇:1.5硬脂酸铝:1.5苯并三氮唑(海明自有样品):0.3松节油:5乙醇:2120#溶剂油:80有机碱性缓蚀剂3.6实验现象及结果:外观呈橙黄色颗粒液体,2#防锈油做铁板防锈试验,放置在35℃,48小时后2#铁板上有锈迹。
【关键字】分析防锈油配方成分分析,技术工艺及除锈原理导读:本文详细介绍防锈油的研究背景,原理,参考配方等,本文中的配方数据经过修改,如需更详细资料,可咨询我们的技术工程师。
防锈油广泛应用于金属表面防锈处理,禾川化学引进国外配方破译技术,专业从事防锈油成分分析、配方还原、研发外包服务,为防锈油相关企业提供一整套配方技术解决方案。
1.背景金属是现代机械工业、国防工业、石油工业以及其它部门最重要的结构材料,但它易受外界环境或介质的化学、电化学的作用引起变质或损坏,这就是人们通常所说的金属腐蚀。
腐蚀是使材料破坏的主要形式之一,对国民经济和国防建设中的各个部门造成很大的损失。
据统计,每年由于金属锈蚀所造成的直接经济损失约占国民经济总产值的2%~4%,以2005年我国GDPl8.23万亿元人民币计算,我国全年因锈蚀而造成的损失至少达360亿元以上,其危害十分惊人。
为避免锈蚀,人们采取了各种各样的方法,用防锈油来保护金属制品便是目前最常见的防护方法之一。
防锈油是机电、军工和金属加工等行业必备的一种助剂,其用途是对半成品或成品进行防锈。
国外防锈油是在第二次世界大战中由美国首先发展起来的,并于1952年订出了完整的MIL-P-116B标准,共20个品种(即P系列),分为溶剂稀释型、防锈脂型(包括石油脂型和皂基润滑脂型)、润滑油型(包括矿物油型和合成油型)、指纹去除型、气相型等五类。
日本于1952年开始研究,在1959-1966年,根据美军规格标准制订了日本工业标准JIS,并进行了规格的系列化,即NP系列。
随后于1980年又进行了修订,将产品分为指纹去除型、普通防锈油型、溶剂稀释型、防锈脂型和气相防锈油型五大类,共16个品种。
日本防锈油脂规格是根据美军规格标准而制订的,基本上反映了国外发达国家的水平。
国内防锈油脂是随着钢铁和机械工业的发展而发展起来的,60年代开始出现产品。
武汉材料保护研究所制订了GB4879—85“防锈包装”标准,列出了国产防锈油的种类和指标;北京石油化工科学研究院等单位,在调查和分析的根底上,参考日本J1SK2246-1980规格标准根据我国国情制订了我国的防锈油脂规格标准。
防锈油配方
利用物理的或化学的条件,使金属减缓锈蚀叫防锈。
防止金属锈蚀的方法很多,最常用的方法是在金属表面覆盖各种防蚀保护层,也可在液态的或气态的防蚀介质中加入缓蚀剂,使金属表面生成保护膜,以隔绝金属表面与腐蚀性物质的接触。
F-31防锈油
配方(%) :
石油磺酸钠15,
羊毛脂镁皂5,
10号机械油10,
煤油4,
二苯胺0.2~0.3,
工业凡士林余量.
FY-5浓缩型防锈油
配方(%) :
石油磺酸钡20,
环烷酸锌15,
灯用煤油35,
工业凡士林余量.
特种防锈油
配方(%) :
石油磺酸钡4,
石油磺酸钠1,
环烷酸锌2,
30号机械油余量.
以上配方适用于工厂半成品或配套入库封存零件用.被封存的零件最好用石蜡纸包上.此类防锈油在室内能保证金属1年左右不生锈.上述4个配方,除201防锈油对铜有变色外,其它配方对铜均可用.但201防锈油铸铁防锈效果最好.
7号防锈油
配方(%) :
石油磺酸钡5,
羊毛脂镁皂5,
变压器油90.
F-1防锈油
配方(%) :
N-油酰肌氨酸十八胺1, 石油磺酸钡8,
石油磺酸钠1,
司苯-80 2,
邻苯二甲酸二丁酯3,
苯骈三氮唑0.15,
2.6二叔丁基对甲酚0.5, 20号机械油余量.
F-33防锈油
配方(%) :
石油磺酸钡4,
羊毛脂4,
743钡皂2,
石油磺酸钠1,
苯骈三氮唑0.1,
10号或20号机械油余量. F-41防锈油
配方(%) :
石油磺酸钡0.3,
司苯-80 0.3,
2.6二叔丁基对甲酚0.3, 二甲基硅油10ppm,
25号变压器余量.
以上配方适用于室内临时性的封存,也可作精密零件加工工序间的防锈.这类防锈油具有一定的润滑性,可封存机械设备.使用时,不用清洗即可投入工作.
F-21置换型防锈油
配方(%) :
石油磺酸钡1.5~2,
正丁醇0.3~0.4,
汽轮机油(20号或30号)8~9,煤油余量.
F-3置换型防锈油
配方(%) :
石油磺酸钡3,
苯骈三氮唑0.01,
油酸1,
三乙醇胺0.5,
32号汽轮汽油15,
煤油余量.
置换型防锈油
配方(%) :
石油磺酸钡4,
羊毛脂2,
743钡皂,2
石油磺酸钠1,
苯骈三氮唑0.1,
10号机械油15~20,
煤油余量.
置换型防锈油
配方(%) :
磺化羊毛脂钙盐30,
石蜡油50,
磺化蓖麻油2,
戊醇5,
汽油13.
滚珠轴承防锈油
配方(%) :
石油磺酸钡(高分子)2.5~3.5,
羊毛脂2~2.5,
环烷酸锌1~1.5,
正丁醇1~1.5,
10号变压器油5~8,
煤油余量.
以上配方适用于机械加工工序间的防锈,能中和和置换手汗.防锈期一般为1~3个月.
硬膜防锈油
配方(%) :
5号沥青22,
松香7,
汽油71.
此方适用于露天库金属材料的防锈.
水溶性防锈油
这是一种含乳化剂的防锈油.使用时以水稀释成乳液状,它成本低,以水做溶剂使用安全.这种防锈油大多用于工序间防锈.
配方1(份) :
氧化蜡膏钠钡皂10,
石油磺酸钠0.5,
石油磺酸钡1,
磷酸脂三乙醇胺盐1.
使用时用油12份与水88份调配.适用于工序间防锈.
配方2(%) :氧化蜡膏钡皂5,氧化蜡膏胺皂5,石油磺酸钠0.3,水89.7.
此配方用于工序间时防锈及磨床冷却液.
仪表防锈油
配方(%) :
苯骈三氮唑0.3,
石油磺酸钡5,
环烷酸锌1,
羊毛脂2,
磷酸三丁酯2,
基础油(22#透平油) 余量.
此配方性能较全面,对钢,铝,黄铜,紫铜,青铜防锈效果均较好,适于仪表和有色金属的封存.
通用防锈油
一般通用防锈油乃是在通常矿物油中加入油溶性缓蚀剂和某些改性添加剂.由于基础油和添加剂不同,这种防锈油可分成很多种类.轻质(低粘度)防锈油,大多用于精密仪表.中质(中粘度)防锈油,可用于一般仪器和武器.这种油最低温度要在-20℃时使用.重质(高粘度)防锈油,可用于大型机电设备,通常要求润滑防锈两用.这种油多数适用于在常温下应用.
钢、黄铜、铝防锈油
配方(%) :
石油磺酸钡2,
羊毛脂镁皂2,
变压器油余量。
101防锈油
配方(%) :
石油磺酸钡0.5,
环烷酸锌0.2,
羊毛脂0.3,
苯骈三氮唑0.1,
变压器油余量.
此配方对许多金属具有防锈性能,但防锈不够理想,通常用其作浸泡储存防锈.
201防锈油
配方(%) :
石油磺酸钡20,
环烷酸锌15,
工业凡士林30,
灯用煤油35.
此配方不但对钢的防锈效果好,对铸铁也具有相当高的防锈作用,用于一般机械制作2年储存防锈.目前一些出口到热带,亚热带国家的金属制品,大多采用此种防锈油.
105仪表油
配方(%) :
十七烯基咪唑啉1,
环烷酸锌1.5,
苯骈三氮唑0.2,
五氯联苯0.3,
8#航空润滑油余量.
此配方对钢,黄铜,紫铜,青铜,铍青铜等防锈效果较好.。