建筑施工技术计算题
- 格式:docx
- 大小:187.74 KB
- 文档页数:3
建设工程施工计算题一、项目背景某公司筹划在某地区新建一座大型商业综合体项目,该项目由地下车库、商业楼、写字楼和住宅楼构成,总建筑面积为10万平方米。
为了确保工程施工的顺利进行,需要进行施工计算,以保证工程的质量和安全。
二、地下车库施工计算1. 地下车库结构设计要求地下车库为三层,每层高度为3米。
地下车库支撑结构采用钢筋混凝土框架结构,桩基采用C30混凝土。
地下车库的地板和顶板均采用C25混凝土。
2. 施工计算(1)桩基计算根据设计图纸要求,地下车库桩基采用直径为1米的PHC桩,计算工程所需PHC桩的数量和总长。
(2)地下车库钢筋混凝土施工计算根据设计要求,计算地下车库的钢筋和混凝土用量,包括框架结构、地板和顶板的钢筋和混凝土使用量。
三、商业楼施工计算1. 商业楼结构设计要求商业楼为五层,每层高度为4米。
商业楼采用钢筋混凝土框架结构,楼板采用梁板结构,梁柱采用梁柱节点连接。
商业楼梁板采用C30混凝土。
2. 施工计算(1)商业楼框架结构计算根据设计要求,计算商业楼框架结构的钢筋用量和混凝土用量。
(2)商业楼梁板结构计算根据设计要求,计算商业楼梁板结构的钢筋用量和混凝土用量。
四、写字楼施工计算1. 写字楼结构设计要求写字楼为十层,每层高度为5米。
写字楼采用双层桁架结构,楼板采用双向板,柱采用钢管柱。
写字楼楼板和柱采用C40混凝土。
2. 施工计算(1)写字楼桁架结构计算根据设计要求,计算写字楼桁架结构的钢材用量和混凝土用量。
(2)写字楼楼板和柱结构计算根据设计要求,计算写字楼楼板和柱结构的钢筋用量和混凝土用量。
五、住宅楼施工计算1. 住宅楼结构设计要求住宅楼为二十层,每层高度为3米。
住宅楼采用框架墙结构,楼板采用双向板,柱采用钢筋混凝土柱。
住宅楼楼板和柱采用C35混凝土。
2. 施工计算(1)住宅楼框架墙结构计算根据设计要求,计算住宅楼框架墙结构的钢筋用量和混凝土用量。
(2)住宅楼楼板和柱结构计算根据设计要求,计算住宅楼楼板和柱结构的钢筋用量和混凝土用量。
中央广播电视大学2009-2010学年度第二学期“开放专科”期末考试建筑施工技术试题一、判断正误题(每题2分,共12分)1.施工降水应在基础垫层施工完成后才能停止。
()2.抓铲挖土机的挖土特点是“直上直下,自重切土”。
()3.立皮数杆的作用是控制砌筑墙体的竖向尺寸以及各部件的标高。
()4.构件按照最小配筋率控制时,应按照等强度代换的原则进行钢筋代换。
() 5.后张法是先浇筑混凝土后张拉预应力筋的预应力混凝土生产方法。
()6.平移轴线法用来检查屋架的轴线直线度。
()二、单项选择题(每题2分,共14分)1.在基坑中常用()用作既档土又防水的支护结构。
A.预制桩B.灌注桩C.土层锚杆D.连续钢板桩2.拔桩时,桩锤应选用()。
A.落锤B.单动汽锤C.双动汽锤D.柴油锤3.砖墙砌体灰缝厚度一般应控制在()左右。
A.8mmB.10mmC.12mmD.15mm4.拆装方便、通用性强、周转率高的模板是()。
A.滑升模板B.组合钢模板C大模板D.爬升模板5.搅拌机加料顺序一般为()。
A.砂一水泥-石子一水B.石子一水泥-砂一水C.水一水泥一砂-石子D.水泥一石子一水一砂6.起重机滑轮组的省力系数0.275,钢筋混凝土构件重180kN,卷扬机应选用()A.JJM3B.JJK3C.JJM5D.JJK57.卷材屋面防水的防水层应在()上面。
A.保温层B.保护层C.找平层D.基层三、多项选择题(每题4分,共20分)1.土钉支护的施工工序主要是()。
A.成孔B.插钢筋C预应力筋张拉D.注浆E.喷射混凝土2.套管成孔灌注桩施工时常宜发生的工程事故有()。
A.断桩B.缩径桩C.吊脚桩D.桩尖进水E.孔壁坍塌F.夹泥3.钢筋锥螺纹连接的主要优点是()。
A.受气候影响大B.施工速度慢C.施工速度快D.受气候影小E.应用范围广4.预应力提高了结构的(构件)的()。
A.强度B.刚度C.抗裂性D.抗冻性E.耐久性5.下列哪些内容与屋架的吊装有关()。
建筑的施工技术计算题
1.某场地平整有4000m3的填方量需从附近取土填筑,其土质为密实的沙粘土(Ks=1.25,Ks’=1.05),试计算:
(1)填土的挖方量;
(2)已知运输工具的斗容量为2m3,需运多少车次?
2.某工程基础(地下室)外围尺寸为35m×20m,埋深4.5m,为满足施工要求,基坑底面尺寸在基础外每侧留0.6m宽的工作面;基坑长边按1:0.5放坡,短边按1:0.33放坡。
已知土的最初可松性系数K1=1.25,最终可松性系数K2=1.05。
试计算:
(1)基坑开挖的土方量?
(2)现场留做回填土用的土方量?
3.基础平面尺寸为30m×10m,埋设深度为标高-3.5m,自然地面标高为-0.5m,四面防坡1:0.33,并要求每边留出0.5m的工作宽度,试求:
(1)基坑放灰线的尺寸;
(2)基坑的挖土工作量;
(3)当基础体积为153m时,则弃土量为多少?
(ks1.24,ks1.04)3'
4.设混凝土水灰比为0.6,已知设计配合比为水泥:砂:石子=260㎏:650㎏:1380㎏,现测得工地砂含水率为3%,石子含水率为1%,试计算施工配合比。
若搅拌机的装料容积为400L,每次搅拌所需材料又是多少?
5.混凝土实验室配合比1:2.46:4.67,水灰比0.55,每立方米混凝土的水泥用量280㎏,现场实测砂的含水率3﹪,石子的含水率2﹪。
现在用J1-250型搅拌机,试计算搅拌机的一次投料量。
6.某梁采用C30混凝土,原设计纵筋为620(fy310N/mm2),已知梁断面尺寸为宽×高=300㎜×300㎜,试用Ⅰ级钢筋
(fy210N/mm2)进行代换。
建筑施工技术考试题之简答题计算题四、简答题(每题 7 分,共 42 分)1.为什么在雨季施工时,土方边坡要留的宽一点?07.1 雨季进行土方开挖施工对土方边坡有什么影响?答题要点: (1)雨季进行土方边坡施工时,应增加边坡的宽度。
(2)因为雨季施工时,土的含水量增大,抗剪强度降低,容易引起边坡塌方。
42.在土方填筑施工中,为什么要控制填土的含水量?答题要点:填土含水量小时,土颗粒间摩擦力大,不宜被压实;填土含水量大时,土颗粒间孔隙全部被水填充而处于饱和状态,也不宜被压实;只有当填土的含水量适中时,土颗粒间摩擦力由于土中水的润滑作用而减小,填土容易被压实。
18.简述土方工程施工主要特点。
08.7土方工程的施工特点。
11.7 土方工程的施工特点及主要施工内容。
答题要点:工程量大、施工条件复杂。
露天作业,受地区、气候、水文地质等条件影响大等。
21.制定土方工程施工方案的依据是什么? 09.7答题要点:(1)工程类型与规模。
(2)施工现场的工程及水文地质情况。
(3)现有机械设备条件。
(4)工期要求。
23.哪些土料不宜作回填土。
10.1答题要点:含水量大的粘土、冻土,有机物含量大于8%的土,水溶性硫酸盐含量大于5%的土均不得用作回填土料。
19.影响填土压实质量的因素有哪些? 08.7答题要点:影响填土压实质量的因素有很多,其中主要有:填土的含水量、压实功、及铺土厚度。
31.简述流砂现象产生的原因? 12.1答题要点:由于地下水的水力坡度大,即动水压力大,且动水压力的方向与土的重力方向相反,土不仅受水的浮力,而且受动水压力的作用,有向上举的趋势。
当动水压力等于或大于土的浸水密度时,土颗粒处于悬浮状态,发生流砂现象。
13.流砂防治的途径是什么?具体措施有哪些? 08.1/10.7/13.1/13.7答题要点:流砂防治的主要途径是减小或平衡动水压力或改变其方向。
具体措施为:(1)抢挖法。
(2)打钢板桩法。
(3)水下挖土法。
吊装机械的选择1、柱采用斜吊法吊装。
最长最重的柱子Z2,重6.4t,长13.10m要求起重量 Q=Q1+Q2=6.4+0.3=6.7t要求起重高度H=h1+h2+h3+h4=0+0.3+8.86+3=12.16m现初选用W1-100型履带式起重机,起重机臂长23m,当Q=7t>6.7t时相应的起重半径R=7m,起重高度H=19m>12.16m,满足吊装柱子的要求。
由此选用W1-100型履带式起重机,起重机臂长23m。
2、屋架采用两点绑扎吊装。
屋架采用两点绑扎安装,安装所要求的起重量和起重高度不统一,屋架分为低跨犀架和高跨屋架,在此以高跨屋架的计算为准。
要求起重量Q=Q1+Q2=4.46+0.3=4.76t要求起重高度H=h1+h2+h3+h4=11.34+0.3+2.6+3=17.24m现初选用W1-100型履带式起重机,起重机臂长为23m,查表得当起重量Q=5t 时,起重半径R=9 m,其中高度H=19m>17.24m,故满足吊装屋架的要求。
由此可按柱的选择方案选用W1-100型履带式起重机.3、屋面板要求起重量Q=Q1+Q2=1.35+0.2=1.55t要求起重高度H=h1+h2+h3+h4=11.34+0.3+0.24+2.5=14.38m吊装高跨跨中屋面板时,采用W1-100型履带式起重机,h=11.34-1.7=9.64m最小起重臂长度时的起重臂仰角arc arc54α=︒所需最小起重臂长度L min=h/sina+(a+g)/cosa=9.64/sin54+4/co54=18.7m选用W1-100履带式起重机,起重臂长23m,仰角54°,吊装屋面板时的起重半径R=F+Lcosa=1.3+18.7*cos54=12.3m查W1-100履带式起重机的性能曲线,当L=23m,R=12.5m时,Q=3t>1.55t,H=17m>14.38m,满足吊装高跨度跨中屋面板的要求。
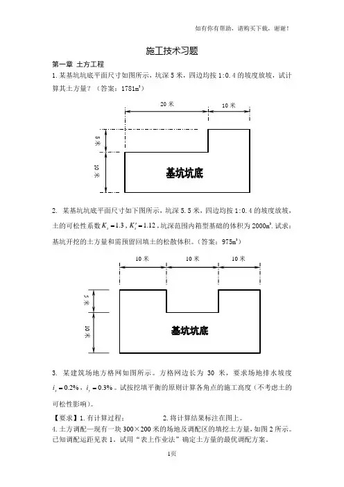
施工技术习题第一章 土方工程1.某基坑坑底平面尺寸如图所示,坑深5米,四边均按1:0.4的坡度放坡,试计算其土方量?(答案:1781m 3)2. 某基坑坑底平面尺寸如下图所示,坑深5.5米,四边均按1:0.4的坡度放坡,土的可松性系数 1.3s K =, 1.12s K '=,坑深范围内箱型基础的体积为2000m 3.试求:基坑开挖的土方量和需预留回填土的松散体积。
(答案:975m 3)3. 某建筑场地方格网如图所示。
方格网边长为30米,要求场地排水坡度0.2%x i =,0.3%y i =。
试按挖填平衡的原则计算各角点的施工高度(不考虑土的可松性影响)。
【要求】1.有计算过程; 2.将计算结果标注在图上。
4.土方调配—现有一块300×200米的场地及调配区的填挖土方量,如图2所示。
已知调配运距见表1。
试用“表上作业法”确定土方量的最优调配方案。
表1 土方调配运距表注:小方格内运距单位为米。
5. 某工程基坑底的平面尺寸为40.5m×16.5m,底面标高-7.0m(地面标高为±0.500m)。
已知地下水位面为-3m,土层渗透系数K=18m/d,-14m以下为不透水层,基坑边坡1:0.5。
拟采用轻型井点降水,其井管长度为6m,滤管长度1.5m,管径38mm。
总管直径100mm,每节长4m,与井点管接口的间距为1m。
试进行降水设计。
【提示】先验证若将井点管顶置于地面,判断井点管长度是否满足。
若不满足,可以先开挖天然地面,降低井点管的起始高度(下挖极限是-3m),直至满足。
要求:1.有计算过程;2. 画出平面布置图和高程布置图。
【作业总体要求】1. 作业本用大软面抄;2. 题目要抄写(或打印本题贴于作业本上);3. 计算过程要清楚4. 画图要简介明了。
5. 不得抄袭,否则对自己严重不负责;第二章作业1.画出下列预制桩吊升时,离地那一刻的弯矩图(关键截面的弯矩大小要标注)?2. 查询资料,论述泥浆护壁成孔灌注桩、沉管灌注桩、预制桩、螺旋钻孔灌注桩施工时典型的质量问题?(四个问题选做一个。
《建筑施工技术》模拟试卷二一、填空题(每空1分,共10分)1、土方工程按照( )程度,分松软土、普通土、坚土等( )类。
2、基坑坑壁支护有( )、( )以及两种形式结合使用的混合型三种类型。
3、套管成孔灌注桩的沉管方法主要有( )、( )。
4、砖墙砌筑临时,间断处留槎的方式有( )、( )。
5、吊车梁平面位置的校正方法主要有( )和( )两种。
二、选择题(每题1分,共10分)1、大型场地平整工程,当填挖深度不大时,土方机械宜选用( ) A推土机B反铲挖土机 C 正铲挖土 D 抓铲挖土2、为提高单桩承载力( )施工中常用复打法施工A泥浆护壁成孔灌注桩 B 套管成孔灌注桩 C干作业成孔灌注桩D静力压桩3、砖墙砌体灰缝厚度一般应控制在( )左右 A 8mm B 10mm C 12mm D 15mm4、闪光对焊主要用于( ) A钢筋网的连接B钢筋搭接C坚向钢筋连接 D水平钢筋连接5、预应力筋拉的变形是 A 弹性变形 B 塑性变形 C 弹塑性变形 D 都不是6、钢筋混凝土预制桩的混凝土强度达到设计强度的( )时,才可打桩作业 A 50% B70% C 90% D 100%7、滑升模板施工时,砼出模强度宜控制在( )N/mm2 A 0.1~0.3 B1~3 C10~30 D100~3008、J1-400型搅拌机进料容量为( )升A350 B400 C260 D7509、当柱平放起吊抗弯强度不足时,柱的绑扎起吊方法应采用( ) A斜吊法B旋转法C直吊法D滑行法10、沥青的延伸度是表示沥青的( ) A粘性B抗老化性C塑性D温度稳定性三、简答题(每题5分,共40分)1、哪些土不宜作回填土?2、灌注桩与预制桩相比,具有哪些特点?3、砌筑用脚手架的基本要什么?4、钢筋冷拉和预应力钢筋拉的作用有什么区别?5、什么是施工缝?施工缝留设的一般原则是什么?6、为什么要进行钢筋下料长度的计算?7、柱的吊升方法有几种?桅杆式和履带式起重机对柱的吊升有什么影响?8、先法施工时,常用哪些措施来减少砼收缩和徐变引起的预应力损失?四、计算题(40分)1、采用轻型井点降水,自然地面标高+45.00m,地下水位标高+43.20m,基坑底标高+40.70m,地基土的渗透系数为15m/d,含水层厚度10m,井点管埋深5.8m,井点管围成的面积1256m2,滤管长1m。
建筑施工技术案例题一、 土方工程算设计标高;算零线;算挖填土方量1.某建筑物基坑体积为2548m 3,附近有个容积为1560m 3的基坑需回填,试求前者挖出的土将后者填满夯实后还剩下多少土?需要运多少车?(Ks =1.26,K ’s =1.05,车斗容量为3.5m 3)31156014861.05v m '== 31254814861062v m ''=-=321062 1.261338v m =⨯=;运车数=1338/3.5=383辆2.某建筑场地土方工程中,基坑开挖后将附近两个容积为1000 m 3和776m 3的弃土坑进行了回填,还剩余松散土1648.8 m 3,试问基坑有多大体积?(Ks =1.26,K ’s =1.05) 解:1000+776=1776 m 31776/1.05=1691.43 m 3 1648.8/1.26=1308.57 m 3 1691.43+1308.57=3000 m 33.某场地平整的方格网边长为20m ,角点的地面标高如图1所示,地面排水坡度i x =3‰,i y =2‰,试计算确定场地平整达到挖填平衡的设计标高H 0和考虑排水坡后的各角点设计标高(H n )并标注于图各角点右下角,施工高度标注于图角点右上角。
并求零线。
解:由图知,方格数N=7考虑泄水坡度计算得;H8‘=28.67mH1‘=H o-40×3‰+20×20‰=28.67-0.12+0.04=28.59m H2‘=H1+20×3‰=28.59+0.06=28.65mH3‘=H2+20×3‰=28.65+0.06=28.71mH4‘=H3+20×3‰=28.7l+0.06=28.77mH5‘=H4+20×3‰=28.77+0.06=28.83mH6‘=H o-40×3‰=28.67-0.12=28.55mH7‘=H6+20×3‰=28.55+O.06=28.61mH9‘=H8+20×3‰=28.67+0.06=28.73mH10‘=H9+20×3‰=28.73+0.06=28.79mH11‘=H0-40×3‰-20×2‰=28.67-O.12-O.04=28.51mH12‘=H11+20×3‰=28.51+0.06=28.57mH13‘=H12+20×3‰=28.57+0.06=28.63mH14‘=H13+20×3‰=28.63+0.06=28.69m将调整后的场地设计标高标注于图角点右下角上,其与自然地面标高之差,即为施工需挖(+)或填(-)土方高度(见图角点右上角)。
建筑工程施工技术参考资料一、填空题(本大题共7 37 分,共37 小题,每小题1 分)1. 内部振动器:又称______。
1. 参考答案:插入式振动器2. 水井的类型:无压完整井、无压非完整井、承压完整井、______。
2. 参考答案:承压非完整井3. ______是将无粘结预应力筋像普通布筋一样先铺设在支好的模板内,然后浇筑混凝土,待混凝土达到设计规定强度后进行张拉锚固的施工方法。
3. 参考答案:后张无粘结预应力混凝土施工方法4. 水泥砂浆在______ 宜采用。
4. 参考答案:建筑基础砌筑中5. ______ 是为施工作业需要所搭设的临时性的架子。
5. 参考答案:脚手架6. 卷材的铺贴方向应根据屋面坡度或______ 而确定。
6. 参考答案:是否受震动荷载7. 水下或泥浆中浇筑混凝土一般采用______。
7. 参考答案:导管法8. ______直接埋在构件或结构中不再取出,特别适用于留设曲线孔道。
8. 参考答案:预埋波纹管法9. 土方施工中要考虑土的可松性,是由于土方工程量是以______ 来计算的,土的可松性用______来表示。
9. 参考答案:自然状态的体积;可松性系数10. 在进行模板的施工设计时,就应考虑模板的______ ,以便更多的模板参加周转,减少模板用量,降低工程成本。
模板的拆除时间与构件混凝土的强度以及模板所处的位置有关。
10. 参考答案:拆除顺序和拆除时间11. 小规格饰面板(砖)的施工常采用______方法;大规格或安装高度超过1米的饰面板(砖)施工常采用_____方法。
11. 参考答案:镶贴、安装12. 砖墙砌筑临时,间断处留槎的方式有______ 、______ 。
12. 参考答案:直槎斜槎13. 预应力筋放张时,对配筋不多的钢丝,可用剪切,______等方法放张。
13. 参考答案:切割14. 土层锚杆的承载能力取决于______ 、______ 、锚固体与钻孔土壁之间的摩阻力等因素。
建筑施工技术案例题一、 土方工程算设计标高;算零线;算挖填土方量1.某建筑物基坑体积为2548m 3,附近有个容积为1560m 3的基坑需回填,试求前者挖出的土将后者填满夯实后还剩下多少土?需要运多少车?(Ks =1.26,K ’s =1.05,车斗容量为3.5m 3) 321062 1.261338v m =⨯=;运车数=1338/3.5=383辆2.某建筑场地土方工程中,基坑开挖后将附近两个容积为1000 m 3和776m 3的弃土坑进行了回填,还剩余松散土1648.8 m 3,试问基坑有多大体积?(Ks =1.26,K ’s =1.05)解:1000+776=1776 m 31776/1.05=1691.43 m 3 1648.8/1.26=1308.57 m 3 1691.43+1308.57=3000 m 33.某场地平整的方格网边长为20m ,角点的地面标高如图1所示,地面排水坡度i x =3‰,i y =2‰,试计算确定场地平整达到挖填平衡的设计标高H 0和考虑排水坡后的各角点设计标高(H n )并标注于图各角点右下角,施工高度标注于图角点右上角。
并求零线。
解:由图知,方格数 N =7考虑泄水坡度计算得; H 8‘=28.67m H 1‘=H o -40×3‰+20×20‰=28.67-0.12+0.04=28.59m H 2‘=H 1+20×3‰=28.59+0.06=28.65m H 3‘=H 2+20×3‰=28.65+0.06=28.71m H 4‘=H 3+20×3‰=28.7l+0.06=28.77m H 5‘=H 4+20×3‰=28.77+0.06=28.83m H 6‘=H o -40×3‰=28.67-0.12=28.55m H 7‘=H 6+20×3‰=28.55+O.06=28.61m H 9‘=H 8+20×3‰=28.67+0.06=28.73m H 10‘=H 9+20×3‰=28.73+0.06=28.79m H 11‘=H 0-40×3‰-20×2‰=28.67-O.12-O.04=28.51m H 12‘=H 11+20×3‰=28.51+0.06=28.57m H 13‘=H 12+20×3‰=28.57+0.06=28.63m H 14‘=H 13+20×3‰=28.63+0.06=28.69m将调整后的场地设计标高标注于图角点右下角上,其与自然地面标高之差,即为施工需挖(+)或填(-)土方高度(见图角点右上角)。
专升本《建筑施工技术》考试试题及答案第一章 土方工程一、填空题1.土方工程的施工往往具有 工程量大 、 劳动繁重 、 施工条件复杂 等特点。
2.土方施工中,按照 土的开挖难易程度 划分,土可分为松软土、普通土、坚土、砂砾坚土、软石、次坚石、坚石、特坚石八类。
3.土方施工中要考虑土的可松性,是由于土方工程量是以 自然状态的体积 来计算的,土的可松性用 可松性系数 来表示。
4.场地平整用三角棱柱体确定初步设计标高的计算公式()4321043241z z z z n z ∑+∑+∑+∑= 土方量计算中部分填挖方时的计算公式V 锥= ))((63231332H H H H H a ++⋅ ; V 楔= []1233231332))((6H H H H H H H H a ++-++5.最佳设计平面既能使 土方工程量最小 又能保证 填方量相等 ,一般可用 最小二乘法 方法求解。
6.影响土方边坡稳定的因素主要有 土质、开挖深度、施工工期、地下水水位、坡顶荷载、气候条件因素 。
7.计算水井系统时,水井可分成 承压完整井、承压非完整井、无压完整井、无压非完整井 。
8.一般轻型井点的管路系统包括 滤管、井点管、弯联管、总管 。
9.填土的压实方法有 碾压、夯实、振动压实 其中 夯实、振动压实 适用于非粘性土。
10.防治流砂的方法有 水下挖土法、人工降低地下水位法、枯水期施工、地下连续墙、抛大石块法、打钢板桩法 。
11.挖土机根据工作装置可分成 正铲、反铲、抓铲、拉铲 等类型。
二、是非题:1、动水压力GD 的大小与水力坡度i 成正比,与地下水渗流路程L 成反比。
(√)2、当动水压力GD 大于土的浮重度γw'时,土粒便会产生流砂现象。
(×)3、井点平面环形布置运用于大面积基坑降水。
如采用U 形布置,则井点不封闭的一段应设在基坑的任一短边位置。
(×)4、集水井的开挖随基坑逐层开挖,并保持低于挖土面1.0~2.0m.(×)0.7--1.0m5、土的渗透系数小于0.1m/d 时,应选择喷射轻型井点降水。
()22012202221201m 34.238.411.978.1465.2F F 4F 6H V m 11.98.478.1441F m 8.44.22b a F m 78.145.233.04.25.233.022mh 2b mh 2a F 33.05.2h 4.2b 2a F F 4F 6H V )()()(代入基本公式)(中截面面积:)(下截面面积:)()()())((上截面面积:;高跨比为;;);(解:基本公式:挖挖=++=++=∴=+==⨯=⨯==⨯+⨯⨯⨯+=++====++=施工技术作业姓名:赵强 学号:1200002163一、JGGC010*******题目图片: 按下图计算基坑的挖方量、二、JGGC010*******题目图片:某建筑外墙采用毛石基础,其断面尺寸如下图所示,地基为粘土,已知土的可松性系数 k= 1.3, k'=1.05 。
试计算每100 m 长基槽的挖方量;若留下回填土后,余土要求全部运走,计算预留填土量及弃土量。
)()—()—(弃土量:)(——预留填方量:)()(基础所占体积:)()(高下底)(上底长基槽挖方量解:留挖弃基挖留基基挖3S 3S 33m 95.1603.119.284408K V V V m 19.28405.16.109408K V V V m 6.10910037.09.067.05.007.14.0L A V m 40810028.167.186.2L 2AL V m 100=⨯=⨯==='==⨯⨯+⨯+⨯===⨯⨯+=⨯+==三:JGGC010*******题目图片:某建筑场地地形图和方格网(边长a=20.0 m)布置如图所示。
土壤为二类土,场地地面泄水坡度ix=0.3%,iy=0.2% 。
试确定场地设计标高(不考虑土的可松性影响,余土加宽边坡),计算各方格挖、填土方工程量。
()()()()()()m 47.9Z 4Z 2Z n41H m72.150m 41.916.986.943.94Z 4151.96m m 14.991.886.980.827.1011.914.1075.92Z 2m33.38m 52.965.871.1045.9Z 14210421=++==+++⨯==+++++++⨯==+++=∑∑∑∑∑∑所以:知):由标高计算公式可解(3)3。
最新国家开放大学电大2349《建筑施工技术》机考计算选择题题库及答案
计算选择题
※ 18m跨度的钢筋混凝土屋架,重4.5t,安装到标高 14.5m的柱顶,停机面标高-0.90m。
吊钩中心至屋架下弦的距离为6m.计算:
(1).起重量 Q=( )
C 4.7t
(2).起重高度H=( )
A 21.7m
※采用无压非完整井系统进行降水施工,实测地下含水层的厚度为8m,渗透系数为16m/d,降水深度要求不小于3.5m.假想半径为24m,抽水影响深度为10m, 通过计算选择正确的选项。
(1).抽水影响半径R=( )
C 77m
(2).基坑涌水量Q=()m3/昼夜
B 1889
※采用无压非完整井系统进行降水施工,实测地下水含水层厚度为8m,渗透系数为10m/d;降水深度要求不小于3m,如果假想半径为24m,计算抽水影响深度10m。
通过计算选择正确的选项。
(1).抽水影响半径=()
A 52.32m
(2).基坑涌水量=()m3/昼夜
D 1577
※钢筋混凝土柱重50kN,柱长8m,安装到标高 8.0m的框架柱上,吊钩中心距柱顶2m,采用-100型履带式起重机.停机面标高-0.80m.计算:
(1).起重量 Q=( )
C 52KN
(2). 起重高度H=( )
D 19.2m
※钢筋混凝土柱重60kN,柱长6m,安装到标高 6.0m的框架柱上,吊钩中心距柱顶2m,采用-100型履带式起重机.停机面标高-0.50m.计算选择起重机的起重量和起重高度?
(1).起重量 Q=( )
C 62KN。
1、已知某基槽需挖土方500m3,基础体积为150 m3,土的最初可松性为1.3,最终可松性为1.1,计算预留回填量和弃土量
2、某土方工程的挖方量为31000m ,已知该土
的
05.1,25.1='=s s K K ,实际需运走的土方量是多少?
3、有200m 3的填方量而从挖方区取土填筑,已知土的最初可松性系为1.2,最终可松性
系数为1.1,试计算:
(1)填土的挖方量 (2)如果运输工具的斗容量为2m 3,需运多少车?
4、某基坑底长80m ,宽60m ,深8m ,四边放坡,边坡坡度1:0.5,试计算挖土土方工程量。
如地下室的外围尺寸为78m ×58m ,土的最终可松性系数为's
K =1.03,试求出地下室部分回填土量及回填所需的天然土。
5、某工程基坑坑底尺寸20m×30m,基坑深4.2m,边坡均按1:0.3放坡;基础和地下室完工后周围回填土。
已知回填用土185m3,实测得土的最终可松性系数Ksˊ=1.03,场内多余土用6 m3自卸车外运488车次(基坑开挖前场地已平整)。
试计算:①该土的最初可松性系数;②基础在基坑内的体积。
P6计算结合土的三相示意图,质量体积数据计算天然含水量w、天然密度ρ和孔隙率n天然含水量w=mw/ms×100% 天然密度ρ=m/v 孔隙率n=Vv/V×100%计算环刀取样的数据表中给出相关数据,计算土壤压实度灌砂筒与原有砂重为4000克,圆锥体内砂重为270克,灌沙筒与剩余砂重m2=2720克,量砂密度为1.42g/cm3,试坑内湿试样重1460克,求压实度。
(称取30克试样,用酒精烧两遍后称重量为25.9克,P大为1.89g/ cm3)解:M=4000-2720-270=1010克V=M/ρ砂=1010/1.42=711.3 cm3ρ土湿= m1/V=1460/711.3=2.05 g/ cm3W水=(30-25.9)*100%/25.9=15.8% 1+ W水=30/25.9=1.158ρ干=ρ土湿/(1+W水)=2.05/1.158=1.77 g/ cm3压实度K= ρ干*100%/ρ大=1.77*100%/1.89=93.7%P17 给出零线及标高计算土方量P19 计算给出一个表,有填方区T,挖方区W 数量,以及运距,要求做土方P32计算轻型井点系统降水设计(平面布置、高程布置、画出图形)书上例题P33计算 根据基坑涌水量、井点管长度、直径,滤管长度,计算井点管数量及井距C.计算井点管数量及井距:单根井点管出水量(选井管直径为ø38) q=65πdl 3/1K=65×3.14×0.038×1×3/112=17.76m3/d (d=滤管内径 l=滤管长度 K=土的渗透系数)井点管数量:n=1.1Q/q=1.1×758.19/17.76=47.0根(Q=井点系统涌水量 q=单根井点管的最大出水量 ) 井距:D=L/n=68.8/47=1.46m (L=总管长度 n=井点管根数) 取井距为1.4m ,井点管实际总根数为49根P41计算 结合土方量算配几台铲运机、台班产量,公式1-34;1-35铲运机小时生产率Ph 按下式计算:Ph=3600·q ·Kc/c t Ks(m3/h )q —铲斗容量(m3)Kc —铲斗装土的充盈系数(一般砂土为0.75;其他土为0.85~1.3)Ks —土的可松性系数 Tc —从挖土开始到卸土完毕,每循环延续的时间(s ),可按下式计算:3212t t v lt t cc+++=(s ) 式中t1—装土时间,一般取60s~90s ;l —平均运距,由开行路线定(m );Vc —运土与回程的平均速度,一般取1~2m/s ;t2—卸土时间,一般取15—30s ;t3—换挡和调头时间,一般取30s 。