建筑物沉降观测记录(工程资料第一部分第一卷)
- 格式:xls
- 大小:28.50 KB
- 文档页数:1
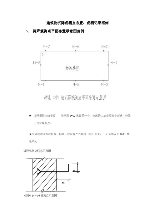
建筑物沉降观测点布置、观测记录范例
一、沉降观测点平面布置示意图范例
★沉降观测点的布设,每间隔8-12米设置一个,建筑物山墙必须在中部适中位置上设有观测点。
★沉降观测点布设位置、标高,应设置在外檐墙(柱)面上,正负零以上100-150毫米处
沉降观测点标志示意图
30
50
光圆¢14~16观测点示意图
二、沉降观测记录填写范例:填写范例详见附件。
三、沉降观测具体要求
1公司所属各项目部专职负责沉降观测员已确定,沉降观测工作自2012年4月25~27日开始对建筑物沉降观测点的进行布置。
4月28日开始第一次沉降观测;要求各位项目经理布置安排、跟催此项工作。
2设置各建筑物沉降观测点并绘制平面布置示意图,且按顺序编号,选定或引侧水准点做好沉降观测准备。
详见建筑物沉降观测点平面布置示意图范例
3沉降观测周期要求:①主体结构工程施工阶段,每完成一层主体结构,进行一次沉降观测;②建筑装饰施工阶段或竣工维修收尾项目,每10~15天观测一次,每月观测不得少于2次;详见沉降观测记录表。
③项目经理应对沉降观测记录应审核确认签字。
④对建设单位已委托第三方已布置沉降点观测的,由项目经理向建设单位索取一份沉降观测记录复印件上报工程部。
4建筑物的沉降观测数据整理汇总后上报工程部,工程部将上报沉降观测记录做备份文件做工程资料存档,并沉降观测记录上传公司相关领导。
工程部
2012年4月24日。
建筑物沉降、变形观测测量记录(续表)第 1 次观测:共页第页
建筑物沉降、变形观测测量记录(续表)第 2 次观测:共页第页
建筑物沉降、变形观测测量记录(续表)第 3 次观测:共页第页
建筑物沉降、变形观测测量记录(续表)第 4 次观测:共页第页
建筑物沉降、变形观测测量记录(续表)
建筑物沉降、变形观测测量记录(续表)第 6 次观测:共页第页
建筑物沉降、变形观测测量记录(续表)第7 次观测:共页第页
建筑物沉降、变形观测测量记录(续表)第8 次观测:共页第页
建筑物沉降、变形观测测量记录(续表)
建筑物沉降、变形观测测量记录(续表)
建筑物沉降、变形观测测量记录(续表)
建筑物沉降、变形观测测量记录(续表)
建筑物沉降、变形观测测量记录(续表)
建筑物沉降、变形观测测量记录(续表)
建筑物沉降、变形观测测量记录(续表)
建筑物沉降、变形观测测量记录(续表)
建筑物沉降、变形观测测量记录(续表)
建筑物沉降、变形观测测量记录(续表)
建筑物沉降、变形观测测量记录(续表)
建筑物沉降、变形观测测量记录(续表)
建筑物沉降、变形观测测量记录(续表)
建筑物沉降、变形观测测量记录(续表)
建筑物沉降、变形观测测量记录(续表)。
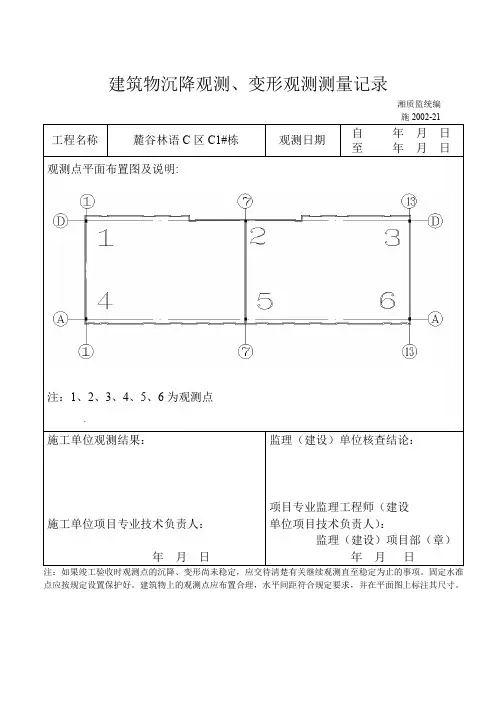
建筑物沉降观测、变形观测测量记录湘质监统编注:1、2、3、4、5、6为观测点注:如果竣工验收时观测点的沉降、变形尚未稳定,应交待清楚有关继续观测直至稳定为止的事项。
固定水准点应按规定设置保护好。
建筑物上的观测点应布置合理,水平间距符合规定要求,并在平面图上标注其尺寸。
建筑物沉降观测、变形观测测量记录(续表)湘质监统编施2002-21 第1 次观测:共页第页建筑物沉降观测、变形观测测量记录(续表)湘质监统编施2002-21 第2 次观测:共页第页建筑物沉降观测、变形观测测量记录(续表)湘质监统编施2002-21 第3 次观测:共页第页建筑物沉降观测、变形观测测量记录(续表)湘质监统编施2002-21 第4 次观测:共页第页建筑物沉降观测、变形观测测量记录(续表)湘质监统编施2002-21 第5 次观测:共页第页建筑物沉降观测、变形观测测量记录(续表)湘质监统编施2002-21建筑物沉降观测、变形观测测量记录(续表)湘质监统编施2002-21建筑物沉降观测、变形观测测量记录(续表)湘质监统编施2002-21建筑物沉降观测、变形观测测量记录(续表)湘质监统编施2002-21 第次观测:共页第页建筑物沉降观测、变形观测测量记录(续表)湘质监统编施2002-21 第次观测:共页第页建筑物沉降观测、变形观测测量记录(续表)湘质监统编施2002-21建筑物沉降观测、变形观测测量记录(续表)湘质监统编施2002-21建筑物沉降观测、变形观测测量记录(续表)湘质监统编施2002-21建筑物沉降观测、变形观测测量记录(续表)湘质监统编施2002-21建筑物沉降观测、变形观测测量记录(续表)湘质监统编施2002-21建筑物沉降观测、变形观测测量记录(续表)湘质监统编施2002-21建筑物沉降观测、变形观测测量记录(续表)湘质监统编施2002-21建筑物沉降观测、变形观测测量记录(续表)湘质监统编施2002-21建筑物沉降观测、变形观测测量记录(续表)湘质监统编施2002-21建筑物沉降观测、变形观测测量记录(续表)湘质监统编施2002-21第20次观测:共页第页建筑物沉降观测、变形观测测量记录(续表)湘质监统编施2002-21 第20次观测:共页第页建筑物沉降观测、变形观测测量记录(续表)湘质监统编施2002-21 第20次观测:共页第页。
建筑物沉降观测记录表(填写范例)建建筑筑物物沉沉降降观观测测记记录录表表单位(子单位)工程名称安龙县钱相乡便民利民服务中心结构型式框架结构建筑层次5仪器水准仪水准点号数及高程点号:3号水准点/高程:+0.215测点第1次第2次第3次第4次8月9日8月15日8月8月28日9月10日初次高程(m)本次下沉本次累计本次累计本次累计天气天气高程天气高程下沉下沉天气高程下沉下沉天气高程下沉下沉情况情况(m)(mm)情况(m)(mm)(mm)情况(m)(mm)(mm)情况(m)(mm)(mm)1晴0.594晴0.5940多云0.59311晴0.59301晴0.592122晴0.617晴0.6170多云0.61700晴0.61611晴0.616013晴0.556晴0.5560多云0.55600晴0.55511晴0.554124晴0.581晴0.5810多云0.58011晴0.58001晴0.57912G晴0.566晴0.5660多云0.56600晴0.56511晴0.56501形首层二层三层四层五层象进度测量人沉降观测点布置图(注:跟随本表尚应附各测点沉降曲线图及总沉降量曲线图。
)测量人:计算人:审核人:观测单位印章:建建筑筑物物沉沉降降观观测测记记录录表表GD2301061GD2301061单位(子单位)工程名称张子龙厂房工程结构型式框架结构建筑层次5仪器水准仪水准点号数及高程25±0.1月10日本次累计本次累计本次累计本次累计本次累计天气高程下沉下沉天气高程下沉下沉天气高程下沉下沉天气高程下沉下沉天气高程下沉下沉情况(m)(mm)(mm)情况(m)(mm)(mm)情况(m)(mm)(mm)情况(m)(mm)(mm)情况(m)(mm)(mm)1/A晴0.599月11日10月5日10月24日11月15日12月12日初次高程(m)本次下沉本次累计本次累计本次累计天气天气高程天气高程下沉下沉天气高程下沉下沉天气高程下沉下沉情况情况(m)(mm)情况(m)(mm)(mm)情况(m)(mm)(mm)情况(m)(mm)(mm)18/A晴0.586晴0.5860多云0.58600晴0.58511晴0.5850118/D晴0.578晴0.5780晴0.57800晴0.57711晴0.5770118/G晴0.569晴0.5690晴0.56811晴0.56801晴0.56712形首层二层三层四层五层象进度测量人沉降观测点布置图(注:跟随本表尚应附各测点沉降曲线图及总沉降量曲线图。
建筑物沉降观测测量记录检验(建)表5.1.7-2 编号:XXXX-0301-001 工程名称XXXXXXXXX渔光互补光伏发电项目35KV开关站土建工程(配电楼)水准点所在位置永久水准点水准点高程108.02观测起止日期2021.5.1至2021.6.15 观测性质见证观测工程地点XXXXXX测量仪器仪器名称:水准仪沉降观测结果观测点编号观测点相对标高(m)第一次第二次第三次2021年 5 月 1 日 2021年5月20日 2021年6月15日标高(m)沉降量(mm) 标高(m)沉降量(mm) 标高(m)沉降量(mm)本次累计本次累计本次累计SJ1106.90 106.899 0.001 0.001 106.899 0.00 0.001 106.898 0.001 0.002 SJ2 106.90 106.896 0.004 0.004 106.895 0.001 0.004 106.894 0.001 0.005 SJ3 106.15 106.147 0.003 0.003 106.147 0.000 0.003 106.145 0.002 0.005 SJ4 106.90 106.899 0.001 0.001 106.898 0.001 0.001 106.898 0.000 0.001 SJ5106.90 106.898 0.002 0.002 106.898 0.000 0.002 106.898 0.00 0.002 观测点布置简图施工单位项目技术负责人施测人监理(建设)单位监理工程师(建设单位项目专业技术负责人)。