2_排水沟的设计流量(区分水田旱地)
- 格式:doc
- 大小:34.50 KB
- 文档页数:3
浙江省国土资源厅办公室关于印发《浙江省土地整治垦造水田建设标准(试行)》的通知文章属性•【制定机关】浙江省国土资源厅•【公布日期】2014.06.30•【字号】浙土资办[2014]79号•【施行日期】2014.06.30•【效力等级】地方规范性文件•【时效性】现行有效•【主题分类】土地资源,水土保持正文浙江省国土资源厅办公室关于印发《浙江省土地整治垦造水田建设标准(试行)》的通知(浙土资办〔2014〕79号)各市、县(市、区)国土资源局:为贯彻落实最严格的耕地保护制度,执行“先建备补”、“占优补优”和“占水田,补水田”的耕地占补平衡规定,根据国土资源部《关于强化管控落实最严格耕地保护制度的通知》(国土资发〔2014〕18号)要求,省厅组织开展了土地整治垦造水田建设标准的编制工作,形成了《浙江省土地整治垦造水田建设标准(试行)》,并已通过部、省专家联合评审。
现印发给你们,请认真贯彻执行。
各地在垦造水田建设过程中遇到的问题,请及时向省土地整理中心反馈。
联系人:陈新明联系电话:*************浙江省国土资源厅办公室2014年6月30日浙江省土地整治垦造水田建设标准(试行)浙江省国土资源厅2014年6月目录1 适用范围2 规范性引用文件3 术语4 区域划分5 选址条件6 田间工程6.1土地平整工程6.2 农田水利工程6.2.1 灌溉水源6.2.2 灌排渠道6.2.3 渠系建筑物6.3 田间道路工程6.4 农田防护林工程7 工程质量保证年限8 其他附录附录A 垦造水田区域类型划分附录B 水田田块规模附录C 水田格田平整要求附录D 水田耕作层和防渗层要求附录E 水田灌溉工程附录F 水田排水工程1 适用范围本标准规定了浙江省土地整治垦造水田建设术语、区域划分、选址条件、田间工程等方面的内容。
本标准适用于浙江省土地整治垦造水田的建设,包括宜耕后备资源垦造水田以及其他耕地(旱地)改造提升为水田。
2 规范性引用文件下列标准中的条款通过引用而成为本标准的条款。
1、确定暴雨强度式中——设计暴雨强度,L/s·ha;P——设计重现期,a;t——降雨历时,min;A1,c,b,n——地方参数,根究统计方法计算确定。
根据南京地区统计数据,A1=17.9,c =0.671,b =13.3,n =0.8。
设计重现期取为20年。
降雨历时取为10min。
2、地表水汇流量计算式中Q——雨水设计流量,L/s;——径流系数,其值小于1(取0.8);F——汇水面积,ha;q——设计暴雨强度,L/s·ha。
根据治理区的地形条件,坡脚排水沟控制的汇水面积F=0.111 ha;坡顶截水沟控制的汇水面积F=0.051 ha。
坡脚处雨水汇流量:坡顶处雨水汇流量:2、截(排)水沟设计通过汇水面积及暴雨强度计算截(排)水沟的设计流量。
根据设计流量确定截(排)水沟断面尺寸,并复核其流速是否满足允许值。
⑴截(排)水沟的水力半径式中——水力半径,m;——过水断面积,m2;——湿周,即断面中水与固体边界相接触部分的周长,m。
根据计算得出排水沟水力半径如下表:⑵截(排)水沟的泄水能力式中——设计的泄水能力,m3/s;——平均流速,m/s;——过水断面,m2。
其中式中——平均流速,m/s;——水力半径,m;——排水沟坡度,取0.5%;——沟壁的粗糙系数,截(排)水沟类型为浆砌片石明沟,取0.025。
①截(排)水沟设计流速复核坡脚排水沟设计流速:坡顶截水沟设计流速:②截(排)水沟的泄水能力坡脚排水沟泄水能力:坡顶截水沟泄水能力:。
农田水利工程排水沟设计的分析发表时间:2018-08-06T14:08:57.463Z 来源:《基层建设》2018年第17期作者:地里木拉提•阿不都热西提[导读] 摘要:我国属于农业大国,我国非常重要的一项基本国策就是科技兴农。
水利部新疆维吾尔自治区水利水电勘测设计研究院新疆维吾尔自治区 830013摘要:我国属于农业大国,我国非常重要的一项基本国策就是科技兴农。
近些年以来,随着我国沙化面积的不断增加及森林面积的逐渐减少,生态环境受到严重的破坏,相当一部分的省份出现大面积的干旱,对我国粮食的总产量带来直接的影响。
本文针对农田水利工程排水沟的设计进行了探讨。
关键词:农田;水利工程;排水沟;设计农田排水沟通常是指天然形成的裸露在地表或者以排水为目的而挖掘的水道,一般不包括埋设在农田地表以下的暗管排水管道。
它可以排除地表多余的水分,排除农田里面残留的化肥农药,还对生态净水的建立起着重要作用。
所以设计好的排水沟,对农田水利建设是必不可少的。
1.田间排水沟的设计要素在进行排水沟设计时,要重点考虑排水系统工程布局和工程标准,确定田间排水沟深度和间距,分析计算各级排水沟道和建筑物的流量、水位、断面尺寸和工程量。
田间排水沟设计的关键是确定排水沟的深度、间距、断面、比降边坡系数等要素。
1.1田间排水沟的间距田间排水沟间距和断面尺寸由排水要求和机耕要求确定。
阿克苏地区降雨量少的地区排水沟间距一般为150-400m 米。
云南南部雨水丰沛的南部地区的排水沟间距为100-200m。
1.2田间排水沟的断面除涝排水沟的断面根据排涝流量确定。
排水沟的断面尺寸通过水力计算确定。
先选择排水沟底的纵向坡降、横断面的边坡系数及沟床的糙率。
兼有除涝和防渍的排水沟,一般按照排渍的要求确定沟深,再初步拟定过水断面,再校核是否满足除涝要求。
1.3田间排水沟的沟深农沟沟深一般为1m左右。
最末一级的地下水排水沟的深度,根据排水任务而定。
1 总则1.0.1 为统一灌溉与排水工程设计要求,提高工程设计质量,保证工程安全,节水节地,降低能耗,保护水环境,合理利用水土资源,充分发挥工程综合效益,制定本规范。
1.0.2 本规范适用于新建、扩建和改建的灌溉与排水工程设计。
1.0.3 灌溉与排水工程设计,必须认真执行国家有关技术经济政策,根据流域水利规划和区域水土资源平衡的要求,全面搜集分析所需资料,进行必要的勘察、观测和实验,积极采用新技术、新工艺、新材料,做到因地制宜,综合治理,经济实用,方便管理。
1.0.4灌溉与排水工程设计除应符合本规范外,尚应符合国家现行的有关标准的规定。
2 工程等级划分2.0.1蓄水枢纽工程等别应根据总蓄水容积的大小,按表2.0.1确定。
表2.0.1 蓄水枢纽工程分等指标工程等别ⅠⅡⅢⅣⅤ规模大(1)型大(2)型中型小(1)型小(2)型总蓄水容量(108m3)>1010~11~0.10.1~0.01<0.012.0.2引水枢纽工程等别应根据引水流量的大小,按表2.0.2确定。
表2.0.2 引水枢纽工程分等指标工程等别ⅠⅡⅢⅣⅤ规模大(1)型大(2)型中型小(1)型小(2)型引水流量(m3/s)>200200~5050~1010~2<22.0.3 提水枢纽工程等别应根据单站装机流量或单站装机功率的大小,按表2.0.3确定。
当提水枢纽工程按单站装机流量和单机装机功率分属两个不同工程等别时,应按其中较高的等别确定。
2.0.4 蓄水、引水和提水枢纽工程中的水工建筑物级别,应根据所属枢纽工程的等别与建筑物重要性,按表2.0.4确定。
表2.0.3 提水枢纽工程分等指标工程等别ⅠⅡⅢⅣⅤ规模大(1)型大(2)型中型小(1)型小(2)型单站装机流量(m3/s)>200200~5050~1010~2<2单站装机功率(MW)3030~1010~11~0.1<0.1注:“装机”系指包括备用机组在内的全部机组。
排洪沟编号集雨面积(km 2)(河长)沟长(km)平均坡降(‰)洪峰流量(m 3/s)1#0.0130.2231.80.0982#0.0060.1643.80.048R—水力半径;χ—排水沟断面湿周;C—谢才系数;排洪沟断面按明渠均匀流公式谢才公式计算:R=A/χC=R 1/6/n式中: Q—设计坡面最大径流量;A—排水沟断面面积; =85mm,Cv6=0.50=140mm,Cv 24=0.45 根据项目区1:10000地形图量测区内各溪流集雨面积、河道长、坡降,其它参数参照当地水文部门提供的数据,分别计算两条排洪沟10年一遇的洪峰流量,详见表5-5。
表5-5 项目区排洪沟设计洪水社硎排水沟是如何计算(3)排洪沟水力计算 社硎村兰前后山经常由于暴雨产生漫流,损毁房屋基础以及农田,项目设置两条排洪沟,汇集山坡漫流,直排入河。
因流域内无实测水文资料,采用推理公式由暴雨推求设计洪水,暴雨参数由《福建省暴雨等值线图》查得: =48mm,Cv1=0.45hH 1h H 6h H 24h H 1h H 6hH 24RiC A Qn—沟渠的糙率,浆砌石明沟取0.025;i—沟道比降。
经计算,设计排洪沟断面能满足洪水过流要求。
下面这个表我是从其他《水土保持方案》复制过来的,他们是从那里查来的?是不是其他项目也可以用?根据《福建省暴雨等值线图》和《中国暴雨统计参数图集》,项目区暴雨特征值见表4-1。
设计频率暴雨值(mm,P= %)中的(P= %)表示什么意思? 是不是表示1小时的平均降水量48mm? 是不是表示6小时的平均降水量85mm? 是不是表示24小时的平均降水量140mm?A—(是不是表示要求得排水沟的断面面积?)式中R(从那里来?)R是不是水力半径RQ—设计坡面最大径流量;(从那里来?)R—水力半径;(从那里来?)C—谢才系数;(从那里来?)χ—排水沟断面湿周;(从那里来?)Cv6=0.50是表示什么意思?Cv24=0.45是表示什么意思?Cv1=0.45是表示什么意思?hH 1hH 6hH 24n—沟渠的糙率,(从那里来?)浆砌石明沟取0.025;(从那里来?)i—沟道比降。
农田水利工程排水沟设计的思考摘要:农田排水沟不仅作为农田水利基础设施的重要组成部分,通过及时降渍排涝有力的为农业高产稳产起到“保驾护航”的作用,而且作为农业生态系统的重要组成部分,对于维持农业生态系统平衡和流域生态系统健康有着重要作用。
本文针对农田水利工程排水沟的设计进行了探讨。
关键词:农田;水利工程;排水沟;设计农田排水沟通常是指天然形成的裸露在地表或者以排水为目的而挖掘的水道,一般不包括埋设在农田地表以下的暗管排水管道。
它可以排除地表多余的水分,排除农田里面残留的化肥农药,还对生态净水的建立起着重要作用。
所以设计好的排水沟,对农田水利建设是必不可少的。
1 设计依据农田排水沟计算公式均以《农田排水技术规范》中调控地下水位的末级固定沟间距计算公式及使用条件为依据,见表1.表1 末级固定沟间距计算公式2 排水沟设计要点在进行排水沟设计时,要重点考虑排水系统工程布局和工程标准,确定田间排水沟深度和间距,分析计算各级排水沟道和建筑物的流量、水位、断面尺寸和工程量。
田间排水沟设计的关键是确定排水沟的深度、间距、断面、比降边坡系数等要素。
尽量避免破坏原有的建设,并充分分析周围建筑的水位和流量,计算出工程量,确定排水沟的间距和深度,这些是建设排水沟的要点。
2.1 间距和沟深农田排水沟的间距是按机耕和排水的要求来确定的,排水沟的深度则是因排水任务的轻重而定,如主要负责排除污渍,深度在0.8~1.5m 之间较为适宜,若是负责其他任务,应具体情况具体分析。
一般情况下,排水沟的间距和沟深是有密不可分的关系的,在农田水利建设过程中应充分考虑这一点,一般先根据实际条件和要求,确定沟深,再确定间距。
在勘测过程中还要结合相关地区的资料,人员的实际经验多方面的分析确定沟深和间距。
在要求的地下水位一定时,沟深大则间距大,沟深小则间距也小。
因此存在许多方案,宜用经济比较加以确定。
2.2 断面农田排水沟断面的决定因素是排水的流量,断面的尺寸则需通过水利来计算最后才可确定。
农田排水设计计算书1. 引言这份文档旨在提供农田排水设计计算书的范例和指导。
农田排水设计计算书是农田排水系统设计过程中的重要文件,旨在确定排水设施的设计参数和尺寸,以确保农田的有效排水和灌溉。
2. 设计要求农田排水设计的目标是确保排水系统的可靠性、经济性和可持续性。
设计要求包括以下方面:- 降雨量和排水需求的分析- 农田土壤类型和含水量的调查- 农田地形和坡度的评估- 运行和管理的可行性研究3. 设计步骤农田排水设计计算书的编制包括以下步骤:步骤1: 数据收集和分析- 收集降雨量、蒸发量、蒸腾量等气候数据- 进行土壤调查,了解土壤类型、含水量等参数- 研究农田地形和坡度情况步骤2: 设计排水系统- 根据数据分析结果确定排水系统的设计要求- 选择合适的排水方式,如重力排水、泵浦排水等- 设计农田排水管道、沟渠等排水设施的尺寸和布置步骤3: 计算设计参数- 计算排水管道、沟渠等尺寸- 确定排水设施的倾斜度和水流速度- 评估排水系统的产水量和处理能力步骤4: 编制设计计算书- 汇总设计参数和计算结果- 编写设计计算书,包括排水系统的设计方案、尺寸计算、水流量计算等内容4. 结论农田排水设计计算书是农田排水系统设计过程中的重要文件,它提供了农田排水系统设计的依据和参数。
在编制设计计算书时,应根据实际情况进行准确的数据收集和分析,并合理选择和设计排水设施。
同时,要注意保证排水系统的可靠性和可持续性,以提高农田的生产效益和资源利用效率。
参考文献:- 张三. (2010). 农田排水系统设计手册. 农业出版社.- 李四. (2015). 农田排水技术与应用. 农村出版社.。
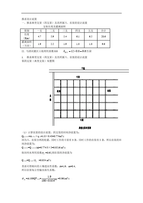
推求设计流量一、推求典型支渠(四支渠)及其所属斗,农渠的设计流量注. 马清河灌区土地利用系数0.8 120.89.6A =⨯=灌区万亩 1. 推求典型支渠(四支渠)及其所属斗、农渠的设计流量 第四支渠(典型支渠)布置图(1)计算农渠的设计流量,四支渠的田间净流量为: Q 4支田净=A 四支×q 设=1.8×0.43=0.774m 3/s因为斗,农渠分两组轮灌,同时工作的斗渠有3条,同时工作的农渠有5条,所以农渠的田间净流量为:Q 农田净=Q 支田净/nk=0.774/3×5=0.0516 m 3/s 取田间水利用系数f η=0.95,则农渠的净流量为 Q 农净=Q 农净/f η =0.054 m 3/s查表可得相应的土壤透水性系数:A=1.9,m=0.4, 所以农渠每公里输水损失系数:σ农=A/100Q m 农净=0.41.91000.054⨯=0.061m 3/s所以农渠的设计流量为:Q 农毛=Q 农净(1+σ农 L 农)=0.054(10.0610.8)⨯+⨯=0.057 m 3/s (L 农 =0.8千米) (2)计算斗渠的设计流量,因为一条斗渠内同时工作的农渠有5条,所以斗渠的净流量等于5条农渠的毛流量之和: Q 斗净=5×Q 农毛=5×0.057=0.285 m 3/s农渠分两组轮灌。
各组要求斗渠供给的净流量相等,但是,第Ⅱ组轮灌组距斗渠进水口较远,输水损失较多,据此求得斗渠毛流量较大,以第Ⅱ组轮灌组灌水时需要的斗渠毛流量作为斗渠的设计流量。
斗渠的平均工作长度L 4=1.8Km因为斗渠每公里输水损失系数为σ斗= A/100Q m 斗净=0.0314所以斗渠的设计流量为:Q 斗毛=Q 斗净(1+σ斗 L 斗)=0.301 m 3/s(3)计算四支渠的设计流量;斗渠也是分两组轮灌,以第Ⅱ轮灌组要求的支渠毛流量作为支渠的设计流量,支渠的平均工作长度L 支=4.9Km 支渠的净流量为:Q 支净=3×Q 斗毛=0.903 m 3/s支渠每公里输水损失系数:σ支 = A/100Q m 支净=0.0198支渠的毛流量为:Q 四支毛=Q 四支净(1+ σ支L 四支)=0.991 m 3/s 2. 计算四支渠的灌溉水利用系数0.7740.991Q Q η===三支田净三支水三支毛0.783. 计算其他支渠的设计流量1) 计算其他支渠的田间净流量 Q 1支田净=1.9×0.43=0.817m 3/s Q 2支田净=2.2×0.43=0.946m 3/s Q 3支田净=1.9×0.43=0.817m 3/s Q 5支田净=1.8×0.43=0.774m 3/s2) 计算其他支渠的设计流量 以典型支渠(四支渠)的灌溉水利用系数作为扩大指标,用来计算其他支渠的设计流量。
第七章排水沟道系统规划§1 排水沟道系统规划布置一、明沟排水系统的组成田间排水工程(毛、腰、墒沟)排水沟道系统(干、支、斗、农沟)排水闸、涵、站等建筑物排水承泄区(江、河、湖、海等)二、明沟排水系统的类型1.一般排水系统(1)排水沟道系统组成:干、支、斗、农沟。
(2)作用:一般只起排水作用。
(3)适用:有一定坡度的坡地平原地区;干旱、半干旱地区。
2.综合利用排水系统(也称河网)(1)组成1)骨干河网干河(一级河)支河(二级河)相当于干沟2)基本河网大沟(三级河)相当于支沟中沟(四级河)相当于斗沟小沟(丰产沟,生产河)相当于农沟3)墒网毛沟腰沟墒沟(2)作用:除排水作用处、还有滞涝、引蓄水灌溉、养殖、航道等作用。
(3)河网的主要特征(河网的特征是由其综合利用功能所决定的):深:沟河要深,能排地面水,也能降地下水,蓄水灌溉。
网:水系成网,调度灵活。
平:沟底要平,能排能引,航运、养殖。
分:分级分片控制,高低片分级控制。
高水高排、低水低排其中“深”为关键。
(原因:“深”是综合利用的关键)(3)适用:地形平坦的平原或圩区。
三、规划布置原则1.低处布置:各片低处。
2.分片排水:高水高排、低水低排。
3.洪涝分治:修堤防、撇洪沟等。
4.滞蓄结合:减少排水量。
5.统筹规划:与渠道、道路、林网、居民点、行政区结合。
6.灌排分开:各成系统有利于灌、也有利于排。
7.降低造价:可利用天然河道、顺直、减少交叉建筑物。
8.安全可靠:土质好、防止坍塌。
9.综合利用:如引水灌溉、船运、水产养殖等。
(以上9条原则只板书标题,不板书释内容)四、规划布置方法1.山丘区干渠:尽可能利用天然河道。
支渠:也可利用天然河道。
斗、农沟:地面有一定坡度时,用灌排相邻布置;平坦时,作灌排相间。
一般斗沟间距400~1000m,深1.5~2m;农沟间距100~300m,深1.0~1.5m。
2.平原地区江苏河网的一般规格:(1)徐淮平原大沟中沟小沟间距(m)2000~5000 500~1000 100~200沟深(m) 4~5 2.5~3 2底宽(m) 4~6 2~3 1~2(2)通南和太湖平原大沟中沟小沟间距(m) 1000~3000 600~1000 150~200沟深(m) 4.6~6.5 3.5~6.0 2底宽(m) 3~6 2~4 13.圩区外河网:地区骨干河网(干、支河)内河网:由中心河、生产河组成较小的圩区宜采用丰字形内河网。
室外排水设计流量和设计水质1 生活污水量和工业废水量1.1城镇旱流污水设计流量,应按下列公式计算:Q dr=Q d+Q m (1.1) 式中:Q dr-截留井以前的旱流污水设计流量(L/s);Q d-设计综合生活污水量(L/s);Q m -设计工业废水量(L/s);在地下水位较高的地区,应考虑入渗地下水量,其量宜根据测定资料确定。
1.2居民生活污水定额和综合生活污水定额应根据当地采用的用水定额,结合建筑内部给排水设施水平和排水系统普及程度等因素确定。
可按当地相关用水定额的80%~90%采用。
1.3综合生活污水量总变化系数可按当地实际综合生活污水量变化资料采用,没有测定资料时,可按本规范表1.3的规定取值。
综合生活污水量总变化系数注:当污水平均日流量为中间数值时,总变化系数可用内插法求得。
1.4工业区内生活污水量、沐浴污水量的确定,应符合现行国家标准《建筑给水排水设计规范》GB50015的有关规定。
1.5工业区内工业废水量和变化系数的确定,应根据工艺特点,并与国家现行的工业用水量有关规定协调。
2 雨水量2.1雨水设计流量,应按下列公式计算:Q s =q ΨF(2.1)式中:Q s -雨水设计流量(L/s );q -设计暴雨强度[L/(s ·hm 2)]; Ψ-径流系数; F -汇水面积(hm 2)。
注:当有允许排入雨水管道的生产废水排入雨水管道时,应将其水量计算在内。
2.2径流系数,可按本规范表2.2-1的规定取值,汇水面积的平均径流系数按地面种类加权平均计算;综合径流系数,可按本规范表2.2-2的规定取值。
径 流 系 数综合径流系数2.3设计暴雨强度,应按下列公式计算:nb t P C A q )+()lg +1(167=1 (2.3)式中:q -设计暴雨强度[L/(s ·hm 2)];t -降雨历时(min );P-设计重现期(a);A1、C、n、b-参数,根据统计方法进行计算确定。
农业排水沟渠设计方案农业排水沟渠是农田水利工程的重要组成部分,它对提高农田灌溉效率、调节农田水分状况、预防水灾等起着关键作用。
下面是一个针对农业排水沟渠的设计方案。
一、设计目标:1. 实现农田灌溉、排水的高效率和高质量;2. 分析农田周边地理环境,确定排水方案;3. 提高农田地力,促进农作物的健康生长。
二、设计原则:1. 充分利用地势和局部自然差异;2. 保证农田排水渠的合理深度和宽度;3. 确保农田排水渠的排水能力。
三、设计内容:1. 地理环境评估:调查农田周边地理环境,分析地形、土壤、降雨等情况,确定排水方式。
2. 排水渠宽度和深度:根据农田大小和周边环境,合理设计排水渠的宽度和深度,一般应保持一定的比例,大致为宽度的1/3到1/2。
3. 排水沟渠类型:根据渠道的位置和土质条件,设计适合的排水沟渠类型,主要包括开放式排水沟渠和地下排水沟渠。
4. 渠道工程:确保排水渠的稳定性和排水能力,进行清淤、疏浚等工程,同时考虑到农田的利用效率和排水质量。
5. 要考虑农田排水渠的密封性,避免渗漏和水流返灌。
6. 渠道维护:加强排水渠的日常维护和清理工作,确保排水渠的通畅和正常运行。
7. 根据实际需要,设计排水渠的与周边农田水网的连通方式,确保排水渠与农田水网的畅通。
四、设计步骤:1. 调查:对农田的地理环境进行全面评估,包括地形、土壤、降雨等情况。
2. 选择:根据调查结果,选择合适的排水方式和渠道类型。
3. 规划:根据农田大小和周边环境,规划排水渠的宽度和深度,并确定排水渠与农田水网的连通方式。
4. 设计:进行排水渠的具体设计,包括渠道的位置、长度、渠底宽度、底坡和断面形状等。
5. 施工:根据设计方案,进行排水渠的施工工作。
6. 维护:加强对排水渠的维护和清理工作,确保排水渠的通畅。
五、预期效果:通过合理的农业排水沟渠设计方案,可以提高农田的灌溉效率和排水能力,降低农田水分浸润、坍塌和土壤侵蚀的风险,从而促进良好的农作物生长和丰收。
§2 排水沟的设计流量
排水设计流量:排涝设计流量、排渍设计流量
一、设计排涝流量(最大设计流量)
设计排涝流量:排除在某一排涝设计标准下的暴雨产生的地面径流的排水流量。
作用:确定排水沟断面(骨干排水沟)排水建筑物的尺寸。
(一)地区排涝模数经验公式法
排涝模数:排涝区单位面积(km2)的上排涝流量,单位:m3/s/km2
用符号q表示。
计算步骤:
(1)确定计算暴雨P
(2)计算设计净雨R
(3)用经验公式计算排涝模数q
(4)计算设计排涝流量Q
1.确定设计卜雨P
(1)历时:
F=100~500平方公里选1日暴雨
F=500~3000平方公里选3日暴雨
(2)暴雨量:由设计标准进行频率分析计算得到。
2.求设计净雨深R
(1)水田地区
采用暴雨扣损法
(2)旱田地区
(3)有水田也有旱田
3.计算排涝模数
式中:R ——设计净雨,mm;
K——综合系数,表8-5;
m——峰量指数,表8-5;
n——递减指数,表8-5。
4.计算排涝流量
Q=qF
适用:地区性骨干排涝河道。
(二)平均排除法
1.计算方法
(1)特点
以排涝历时内的平均排流量作为设计排涝流量:
农田会受短时间淹没。
适用:规模较小的排水沟道。
(2)计算
式中:T—排涝历时(d);
t—每排水时间(h),一般自排t=24h,抽排t=20~22h 。
自排时上述公式为简化为
计算R时注意:
①水田和旱地的设计净雨计算方法同前;
②平原河网地区宜考虑排水沟滞蓄;
③圩区应考虑预降滞蓄,圩堤渗漏产水和套闸进水。