贴片电阻阻值规格
- 格式:docx
- 大小:52.99 KB
- 文档页数:8
0402贴片电阻的阻值封范围摘要:1.贴片电阻的概述2.0402 贴片电阻的规格和功率3.贴片电阻的阻值表示方法4.0402 贴片电阻的阻值范围5.结论正文:贴片电阻,又称表面贴装电阻,是一种新型电阻器件,其特点是体积小、重量轻、安装方便、精度高、稳定性好等。
在电子产品中应用广泛,特别是在智能手机、平板电脑、笔记本电脑等高端电子产品中,贴片电阻的使用越来越广泛。
0402 贴片电阻是一种常见的贴片电阻规格,其尺寸为1.000 毫米×0.500 毫米,功率为1/16 瓦。
这种电阻通常用于低功率、高精度的电子设备中。
贴片电阻的阻值表示方法主要有两种:第一种是2 位数字后面加一字母表示法。
这种方法前面两位数字表示电阻值的有效数值,后面的字母表示有效数值后面应乘以10 的多少次方,单位为欧姆。
例如:02C 表示10210210.2k 欧姆,27E 表示1871041.87M 欧姆。
第二种是3 位数字表示法。
这种表示方法前两位数字代表电阻值的有效数字,第3 位数字表示在有效数字后面应添加”0”的个数。
当电阻小于10 时,在代码中用R 表示电阻值小数点的位置。
例如:330 表示33 欧姆,221 表示220 欧姆,683 表示68000 欧姆,即68k 欧姆。
0402 贴片电阻的阻值范围根据功率和精度的不同,可以从1 欧姆到1M 欧姆不等。
在实际应用中,根据电路设计和产品性能要求,需要选择合适的阻值。
综上所述,0402 贴片电阻作为一种常见的贴片电阻规格,具有较小的体积、轻巧的重量、高精度和高稳定性等特点,广泛应用于各类电子产品中。
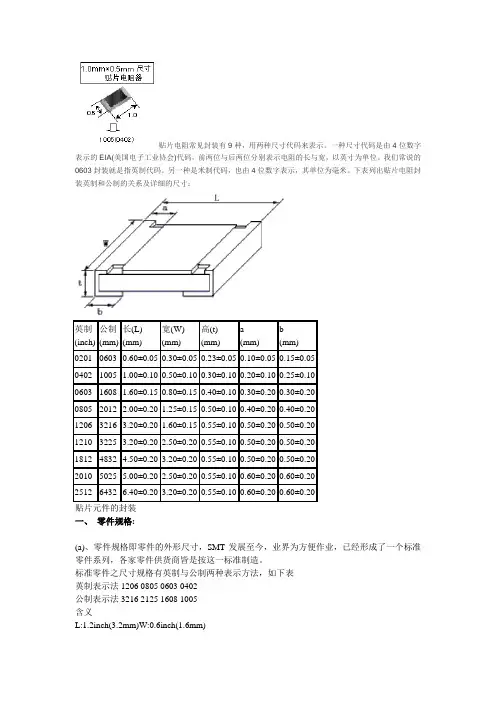
贴片电阻规格、封装、尺寸(总4页)-CAL-FENGHAI.-(YICAI)-Company One1-CAL-本页仅作为文档封面,使用请直接删除贴片电阻常见封装有9种,用两种尺寸代码来表示。
一种尺寸代码是由4位数字表示的EIA(美国电子工业协会)代码,前两位与后两位分别表示电阻的长与宽,以英寸为单位。
我们常说的0603封装就是指英制代码。
另一种是米制代码,也由4位数字表示,其单位为毫米。
下表列出贴片电阻封装英制和公制的关系及详细的尺寸:英制(inch)公制(mm)长(L)(mm)宽(W)(mm)高(t)(mm)a(mm)b(mm)020106030.60±0.050.30±0.050.23±0.050.10±0.050.15±0.05 04021005 1.00±0.100.50±0.100.30±0.100.20±0.100.25±0.10 06031608 1.60±0.150.80±0.150.40±0.100.30±0.200.30±0.20 08052012 2.00±0.201.25±0.150.50±0.100.40±0.200.40±0.20 12063216 3.20±0.201.60±0.150.55±0.100.50±0.200.50±0.20 12103225 3.20±0.202.50±0.200.55±0.100.50±0.200.50±0.20 18124832 4.50±0.203.20±0.200.55±0.100.50±0.200.50±0.20 20105025 5.00±0.202.50±0.200.55±0.100.60±0.200.60±0.20 25126432 6.40±0.203.20±0.200.55±0.100.60±0.200.60±0.20一、零件规格:(a)、零件规格即零件的外形尺寸,SMT发展至今,业界为方便作业,已经形成了一个标准零件系列,各家零件供货商皆是按这一标准制造。
贴片电阻常见封装有9种,用两种尺寸代码来表示。
一种尺寸代码是由4位数字表示的EIA(美国电子工业协会)代码,前两位与后两位分别表示电阻的长与宽,以英寸为单位。
我们常说的0603封装就是指英制代码。
另一种是米制代码,也由4位数字表示,其单位为毫米。
下表列出贴片电阻封装英制和公制的关系及详细的尺寸:英制(inch) 公制(mm)长(L)(mm)宽(W)(mm)高(t)(mm)a(mm)b(mm)0201 0603 0.60±0.05 0.30±0.05 0.23±0.05 0.10±0.05 0.15±0.050402 1005 1.00±0.10 0.50±0.10 0.30±0.10 0.20±0.10 0.25±0.100603 1608 1.60±0.15 0.80±0.15 0.40±0.10 0.30±0.20 0.30±0.200805 2012 2.00±0.20 1.25±0.15 0.50±0.10 0.40±0.20 0.40±0.201206 3216 3.20±0.20 1.60±0.15 0.55±0.10 0.50±0.20 0.50±0.201210 3225 3.20±0.20 2.50±0.20 0.55±0.10 0.50±0.20 0.50±0.201812 4832 4.50±0.20 3.20±0.20 0.55±0.10 0.50±0.20 0.50±0.202010 5025 5.00±0.20 2.50±0.20 0.55±0.10 0.60±0.20 0.60±0.202512 6432 6.40±0.20 3.20±0.20 0.55±0.10 0.60±0.20 0.60±0.20贴片元件的封装一、零件规格:(a)、零件规格即零件的外形尺寸,SMT发展至今,业界为方便作业,已经形成了一个标准零件系列,各家零件供货商皆是按这一标准制造。
贴片电阻常见封装有9种,用两种尺寸代码来表示。
一种尺寸代码是由4位数字表示的EIA(美国电子工业协会)代码,前两位与后两位分别表示电阻的长与宽,以英寸为单位。
我们常说的0603封装就是指英制代码。
另一种是米制代码,也由4位数字表示,其单位为毫米。
下表列出贴片电阻封装英制和公制的关系及详细的尺寸:英制(inch) 公制(mm)长(L)(mm)宽(W)(mm)高(t)(mm)a(mm)b(mm)0201 0603 0.60±0.05 0.30±0.05 0.23±0.05 0.10±0.05 0.15±0.050402 1005 1.00±0.10 0.50±0.10 0.30±0.10 0.20±0.10 0.25±0.100603 1608 1.60±0.15 0.80±0.15 0.40±0.10 0.30±0.20 0.30±0.200805 2012 2.00±0.20 1.25±0.15 0.50±0.10 0.40±0.20 0.40±0.201206 3216 3.20±0.20 1.60±0.15 0.55±0.10 0.50±0.20 0.50±0.201210 3225 3.20±0.20 2.50±0.20 0.55±0.10 0.50±0.20 0.50±0.201812 4832 4.50±0.20 3.20±0.20 0.55±0.10 0.50±0.20 0.50±0.202010 5025 5.00±0.20 2.50±0.20 0.55±0.10 0.60±0.20 0.60±0.202512 6432 6.40±0.20 3.20±0.20 0.55±0.10 0.60±0.20 0.60±0.20贴片元件的封装一、零件规格:(a)、零件规格即零件的外形尺寸,SMT发展至今,业界为方便作业,已经形成了一个标准零件系列,各家零件供货商皆是按这一标准制造。
贴片电阻标准阻值常规的贴片电阻阻值采用E24,E96系列。
1948年IEC第12技术委员会(无线电通讯)在斯德哥尔摩会议讨论过程中,一致同意国际标准化最紧迫的课题之一就是电阻器和0.1uF以下电容器的优先数系列。
尽管想使这些系列按照10√10数系标准化,但在若干国家内由于上述元件针对5√10、10√10和20√10允许偏差进行标准化已经采用了12√10数系,而在采用了12√10数系的这些国家中要改变商业惯例是不切合实际的。
虽然采用10√10数系更符合ISO的惯例,但考虑到现实情况委员会只能对不得不推荐12√10数系表示遗憾。
优先数E6、E12和E24系列提案是1950年在巴黎会议上被接受的,随后发布了IEC 63号标准(第一版)。
电阻器和电容器优先数系数系GB/T2471-1995E系列是一种由几何级数构成的数列。
E系列首先在英国的电工工业中应用,故采用Electricity的第一个字母E标志这一系列,它是以6√10(10开6次方) 、12√10 、24√10、48√10、96√10 、192√10为公比的几何级数,分别称为E6系列、E12系列、E24系列、E48系列、E96系列、E192系列。
即:--E6系列的公比为6√10≈1.47数列:1.470=1;1.471≈1.5;1.472≈2.2;1.473≈3.2;1.474≈4.7;1.475≈6.8--E12系列的公比12√10≈1.21--E24系列的公比为24√10≈1.10--E48系列的公比为48√10≈1.049--E96系列的公比为96√10≈1.024--E192系列的公比为192√10≈1.012E系列由国际电工委员会(IEC)于1952年发布为国际标准,该系列适用于电子元件方面。
如:--E6系列适用于允差±20%(M)的电阻、电容和电感数值--E12系列适用于允差±10%(K)的电阻、电容和电感数值--E24系列适用于允差±5%(J)的电阻、电容和电感数值(注:现也用于1%的电阻)--E48系列适用于允差±2%(G)的电阻数值--E96系列适用于允差±1%(F)的电阻数值--E192系列适用于允差±0.5%(D)的电阻和电容器数值从以上可以看出,以上电阻的偏差极限是相重叠的,所以无论生产的电阻值是多少,都可把它规为某一标称值,即可做到零废品生产。
封装:0805精确度:1%阻值范围:E96全系列88.7 92X 887 92A 8.87K 92B 88.7K 92C 887K 92D90.9 93X 908 93A 9.09K 93B 90.9K 93C 909K 93D93.1 94X 931 94A 9.31K 94B 93.1K 94C 931K 94D95.3 95X 953 95A 9.53K 95B 95.3K 95C 953K 95D97.6 96X 976 96A 9.76K 96B 97.6K 96C 976K 96D133R是多少欧?133J呢?R和J代表的是精密度还是?最佳答案133R是133欧(这是英国标法)英文字代表误差,G=2%、F=1%、D=0.5%、C=0.25%、B=0.1%、A(或Ω)=0.05%、Q=0.02%、T=0.01%、V=0.005%。
国内贴片电阻的命名方法:1、5%精度的命名:RS-05K102JT2、1%精度的命名:RS-05K1002FTR -表示电阻S -表示功率0402是1/16W、0603是1/10W、0805是1/8W、1206是1/4W、 1210是1/3W、1812是1/2W、2010是3/4W、2512是1W。
05 -表示尺寸(英寸):02表示0402、03表示0603、05表示0805、06表示1206、1210表示1210、1812表示1812、10表示2010、12表示2512。
K -表示温度系数为100PPM,102-5%精度阻值表示法:前两位表示有效数字,第三位表示有多少个零,基本单位是Ω,102=1000Ω=1KΩ。
1002是1%阻值表示法:前三位表示有效数字,第四位表示有多少个零,基本单位是Ω,1002=10000Ω=10KΩ。
J -表示精度为5%、F-表示精度为1%。
T -表示编带包装贴片电阻阻值误差精度有±1%、±2%、±5%、±10%精度,常规用的最多的是±1%和±5%,±5%精度的常规是用三位数来表示例例512,前面两位是有效数字,第三位数2表示有多少个零,基本单位是Ω,这样就是5100欧,1000Ω=1KΩ,1000000Ω=1MΩ为了区分±5%,±1%的电阻,于是±1%的电阻常规多数用4位数来表示,这样前三位是表示有效数字,第四位表示有多少个零4531也就是4530Ω,也就等于4.53KΩ参考资料:/view/1253292.htmJ -表示精度为5%、F-表示精度为1%。
贴片电阻Fixed Chip Resistors,ChipR简述 (2)贴片电阻基本结构 (2)贴片电阻分类 (4)贴片电阻规格、封装、尺寸 (4)贴片电阻额定功率及工作电压 (5)贴片电阻标识 (6)常规3位数标注法:XXY (7)常规4位数标注法:XXY (7)3位数乘数代码(Multiplier Code)标注法:XXY (7)贴片电阻生产厂家、规格书 (11)贴片电阻命名方法 (11)贴片电阻的参考价格 (12)简述我们常说的贴片电阻(SMD Resistor)叫"片式固定电阻器"(Chip Fixed Resistor),又叫"矩形片状电阻"(Rectangular Chip Resistors),是由ROHM公司发明并最早推出市场的。
特点是耐潮湿,耐高温,可靠度高,外观尺寸均匀,精确且温度系数与阻值公差小。
按生产工艺分厚膜(Thick Film Chip Resistors)、薄膜(Thin Film Chip Resistors )两种。
厚膜是采用丝网印刷将电阻性材料淀积在绝缘基体(例如玻璃或氧化铝陶瓷)上,然后烧结形成的。
我们通常所见的多为厚膜片式电阻,精度范围±0.5% ~ 10%,温度系数:±50PPM/℃~ ±400PPM/℃。
薄膜是在真空中采用蒸发和溅射等工艺将电阻性材料淀积在绝缘基体工艺(真空镀膜技术)制成,特点是低温度系数(±5PPM/℃),高精度(±0.01%~±1%)。
封装有:0201,0402,0603,0805,1206,1210,1812,2010,2512。
其常规系列的精度为5%,1%。
阻值范围从0.1欧姆到20M欧姆。
标准阻值有E24,E96系列。
功率有1/20W、1/16W、1/8W、1/10W、1/4W、1/2W、1W。
特性:•体积小,重量轻•适合波峰焊和回流焊•机械强度高,高频特性优越•常用规格价格比传统的引线电阻还便宜•生产成本低,配合自动贴片机,适合现代电子产品规模化生产使用状况:由于价格便宜,生产方便,能大面积减少PCB面积,减少产品外观尺寸,现在已取代绝大部分传统引线电阻。
贴片电阻的命名国内贴片电阻的命名方法:1、5%精度的命名:RS-05K102JT2、1%精度的命名:RS-05K1002FTR -表示电阻S -表示功率0402是1/16W、0603是1/10W、0805是1/8W、1206是1/4W、1210是1/3W、1812是1/2W、2010是3/4W、2512是1W。
05 -表示尺寸(英寸):02表示0402、03表示0603、05表示0805、06表示1206、1210表示1210、1812表示1812、10表示1210、12表示2512。
K -表示温度系数为100PPM,102-5%精度阻值表示法:前两位表示有效数字,第三位表示有多少个零,基本单位是Ω,102=10000Ω=1KΩ。
1002是1%阻值表示法:前三位表示有效数字,第四位表示有多少个零,基本单位是Ω,1002=100000Ω=10KΩ。
J -表示精度为5%、F-表示精度为1%。
T -表示编带包装贴片电容的命名,国内和国外的产家有一此区别但所包含的参数是一样的。
贴片电容的命名所包含的参数:1、贴片电容的尺寸(0201、0402、0603、0805、1206、1210、1808、1812、2220、2225)2、贴片电容的材质(COG、X7R、Y5V、Z5U、RH、SH)3、要求达到的精度(±0.1PF、±0.25PF、±0.5PF、5%、10%、20%)4、电压(4V 、6.3V、10V、16V、25V、50V、100V、250V、500V、1000V、2000V、3000V)5、容量(0PF-47UF)6、端头的要求(N表示三层电极)7、包装的要求(T表示编带包装,P表示散包装)例风华系列的贴片电容的命名:0805CG102J500NT0805:是指该贴片电容的尺寸大小,这是用英寸来表示的08表示长度是0.08英寸(换算成mm=0.08*24.50=1.96mm)、05表示宽度为0.05英寸(换算成mm=0.05*24.50=1.225ccm)CG :是表示生产电容要求用的材质,102 :是指电容容量,前面两位是有效数字、后面的2表示有多少个零102=10×102也就是=1000PFJ :是要求电容的容量值达到的误差精度为5%,介质材料和误差精度是配对的500 :是要求电容承受的耐压为50V 同样500前面两位是有效数字,后面是指有多少个零。
常用贴片电阻规格
常用贴片电阻规格以欧姆为单位的常见参数有以下几种:
1. 1/8W(0.125W):适用于一般电子设备,如小型仪器和家用电子产品。
2. 1/4W(0.25W):适用于中等功率的电子设备,如电视机、音响等。
3. 1/2W(0.5W):适用于需要较大功率的电子设备,如功放器、机箱等。
4. 1W:适用于大功率设备,如电源、变频器等。
此外,贴片电阻还有一些常见的规格参数,如阻值、公差和封装尺寸等。
阻值通常以欧姆(Ω)为单位,常见规格有10Ω、100Ω、1kΩ、10kΩ、100kΩ等。
公差表示电阻器的阻值与标称阻值之间的允许偏差范围,常见的公差有±1%、±5%等。
封装尺寸通常以英寸为单位,常见规格有0402、0603、0805、1206等。
这些规格通常用来描述贴片电阻的尺寸大小。
需要注意的是,具体使用哪种规格的贴片电阻需要根据实际的电路设计需求来确定。
不同的电子设备对电阻的功率、阻值和封装尺寸等要求都不尽相同,因此在选购的时候需要根据具体的应用需求进行选择。
贴片电阻的标准封装及额定功率国内贴片电阻的命名方法:1、5%精度的命名:RS-05K102JT2、1%精度的命名:RS-05K1002FTR -表示电阻S -表示功率0402 是1/16W、0603 是1/10W、0805 是1/8W、1206 是1/4W、 1210 是1/3W、1812 是1/2W、2010 是3/4W、2512 是1W。
05 -表示尺寸(英寸):02 表示0402、03 表示0603、05 表示0805、06 表示1206、1210 表示1210、1812 表示1812、10 表示1210、12 表示2512。
K -表示温度系数为100PPM,102-5%精度阻值表示法:前两位表示有效数字,第三位表示有多少个零,基本单位是Ω,102=10000Ω=1KΩ。
1002 是1%阻值表示法:前三位表示有效数字,第四位表示有多少个零,基本单位是Ω,1002=100000Ω=10KΩ。
J -表示精度为5%、F-表示精度为1%。
T -表示编带包装0805 的焊盘大小虽然固定,但是厚度和陶瓷的材质会有差别,普通的允许耗散功率是1/10W-1/8W,功率型(绿色)可以做到1/4W。
如果你想让贴片电阻有较大的功耗,建议你把焊盘做在面积比较大的覆铜上,这样,普通0805 封装的电阻1/4W 也不会有问题,只是热稳定性稍微差一点点。
1206 的在1/8W-1/2W 之间电容电阻外形尺寸与封装的对应关系是:0402=1.0mmx0.5mm 0603=1.6mmx0.8mm 0805=2.0mmx1.2mm1206=3.2mmx1.6mm 1210=3.2mmx2.5mm 1812=4.5mmx3.2mm2225=5.6mmx6.5mm封装 额定功率@ 70°C英制(mil) 公制(mm) 常规功率系列 提升功率系列 最大工作电压(V)0201 0603 1/20W / 250402 1005 1/16W / 500603 1608 1/16W 1/10W 500805 2012 1/10W 1/8W 1501206 3216 1/8W 1/4W 2001210 3225 1/4W 1/3W 2001812 4832 1/2W / 2002010 5025 1/2W 3/4W 2002512 6432 1W / 200标准阻值表1E-96 0603F(+1%) Standard Resistance Table阻值 代码 阻值 代码 阻值 代码 阻值 代码 阻值 代码10.0 01X 100 01A 1.00K 01B 10.0K 01C 100K 01D10.2 02X 102 02A 1.02K 02B 10.2K 02C 102K 02D10.5 03X 105 03A 1.05K 03B 10.5K 03C 105K 03D10.7 04X 107 04A 1.07K 04B 10.7K 04C 107K 04D11.0 05X 110 05A 1.10K 05B 11.0K 05C 110K 05D11.3 06X 113 06A 1.13K 06B 11.3K 06C 113K 06D 11.5 07X 115 07A 1.15K 07B 11.5K 07C 115K 07D11.8 08X 118 08A 1.18K 08B 11.8K 08C 118K 08D12.1 09X 121 09A 1.21K 09B 12.1K 09C 121K 09D 12.4 10X 124 10A 1.24K 10B 12.4K 10C 124K 10D12.7 11X 127 11A 1.27K 11B 12.7K 11C 127K 11D13.0 12X 130 12A 1.30K 12B 13.0K 12C 130K 12D 13.3 13X 133 13A 1.33K 13B 13.3K 13C 133K 13D13.7 14X 137 14A 1.37K 14B 13.7K 14C 137K 14D14.0 15X 140 15A 1.40K 15B 14.0K 15C 140K 15D 14.3 16X 143 16A 1.43K 16B 14.3K 16C 143K 16D14.7 17X 147 17A 1.47K 17B 14.7K 17C 147K 17D15.0 18X 150 18A 1.50K 18B 15.0K 18C 150K 18D 15.4 19X 154 19A 1.54K 19B 15.4K 19C 154K 19D15.8 20X 158 20A 1.58K 20B 15.8K 20C 158K 20D16.2 21X 162 21A 1.62K 21B 16.2K 21C 162K 21D 16.5 22X 165 22A 1.65K 22B 16.5K 22C 165K 22D16.9 23X 169 23A 1.69K 23B 16.9K 23C 169K 23D17.4 24X 174 24A 1.74K 24B 17.4K 24C 174K 24D17.8 25X 178 25A 1.78K 25B 17.8K 25C 178K 25D18.2 26X 182 26A 1.82K 26B 18.2K 26C 182K 26D18.7 27X 187 27A 1.87K 27B 18.7K 27C 187K 27D19.1 28X 191 28A 1.91K 28B 19.1K 28C 191K 28D19.6 29X 196 29A 1.96K 29B 19.6K 29C 196K 29D20.0 30X 200 30A 2.00K 30B 20.0K 30C 200K 30D20.5 31X 205 31A 2.05K 31B 20.5K 31C 205K 31D21.0 32X 210 32A 2.10K 32B 21.0K 32C 210K 32D21.5 33X 215 33A 2.15K 33B 21.5K 33C 215K 33D22.1 34X 221 34A 2.21K 34B 22.1K 34C 221K 34D22.6 35X 226 35A 2.26K 35B 22.6K 35C 226K 35D23.2 36X 232 36A 2.32K 36B 23.2K 36C 232K 36D23.7 37X 237 37A 2.37K 37B 23.7K 37C 237K 37D24.3 38X 243 38A 2.43K 38B 24.3K 38C 243K 38D24.9 39X 249 39A 2.49K 39B 24.9K 39C 249K 39D25.5 40X 255 40A 2.55K 40B 25.5K 40C 255K 40D26.1 41X 261 41A 2.61K 41B 26.1K 41C 261K 41D26.7 42X 267 42A 2.67K 42B 26.7K 42C 267K 42D27.4 43X 274 43A 2.74K 43B 27.4K 43C 274K 43D28.0 44X 280 44A 2.80K 44B 28.0K 44C 280K 44D28.7 45X 287 45A 2.87K 45B 28.7K 45C 287K 45D29.4 46X 294 46A 2.94K 46B 29.4K 46C 294K 46D30.1 47X 301 47A 3.01K 47B 30.1K 47C 301K 47D 30.9 48X 309 48A 3.09K 48B 30.9K 48C 309K 48D。
贴片电阻规格、封装、尺寸ChipR Dimensions 、Footprint简述基本结构分类规格、封装、尺寸额定功率及工作电压阻值,标准阻值标识规格书、生产厂家命名方法价格、报价创建时间:2005-12-30 最后修改时间:2006-10-29贴片电阻套件为方便学生、研发人员试验和产品试制,特推出片式电阻系列套件。
简述我们常说的贴片电阻(SMD Resistor)叫"片式固定电阻器"(Chip Fixed Resistor),又叫"矩形片状电阻"(Rectangular Chip Resistors),是由ROHM公司发明并最早推出市场的。
特点是耐潮湿,耐高温,可靠度高,外观尺寸均匀,精确且温度系数与阻值公差小。
按生产工艺分厚膜(Thick Film Chip Resistors)、薄膜(Thin Film Chip Resistors )两种。
厚膜是采用丝网印刷将电阻性材料淀积在绝缘基体(例如玻璃或氧化铝陶瓷)上,然后烧结形成的。
我们通常所见的多为厚膜片式电阻,精度范围±0.5% ~ 10%,温度系数:±50PPM/℃~ ±400PPM/℃。
薄膜是在真空中采用蒸发和溅射等工艺将电阻性材料淀积在绝缘基体工艺(真空镀膜技术)制成,特点是低温度系数(±5PPM/℃),高精度(±0.01%~±1%)。
封装有:0201,0402,0603,0805,1206,1210,1812,2010,2512。
其常规系列的精度为5%,1%。
阻值范围从0.1欧姆到20M欧姆。
标准阻值有E24,E96系列。
功率有1/20W、1/16W、1/8W、1/10W、1/4W、1/2W、1W。
特性:•体积小,重量轻•适合波峰焊和回流焊•机械强度高,高频特性优越•常用规格价格比传统的引线电阻还便宜•生产成本低,配合自动贴片机,适合现代电子产品规模化生产使用状况:由于价格便宜,生产方便,能大面积减少PCB面积,减少产品外观尺寸,现在已取代绝大部分传统引线电阻。