BWS2000超高精度全温补数字双轴倾角传感器
- 格式:pdf
- 大小:2.53 MB
- 文档页数:10
双轴倾角传感器的工作原理双轴倾角传感器是一种用于测量物体在水平和垂直方向上的倾斜角度的装置。
它通常由两个单轴倾角传感器组成,分别测量物体相对于水平和垂直方向的倾斜角度,并将结果合并以提供更准确的测量结果。
单轴倾角传感器在了解双轴倾角传感器之前,首先需要了解单轴倾角传感器的工作原理。
单轴倾角传感器通过利用重力和加速度计原理来测量物体相对于水平方向的倾斜角度。
单轴倾角传感器通常包含一个加速度计和一个微机电系统(MEMS)芯片。
加速度计是一种能够测量物体加速度的装置,而MEMS芯片则是一种集成了多个微小机械元件的芯片。
当物体处于静止状态时,加速度计会受到重力的作用,产生一个与重力大小相等但方向相反的加速度。
这个加速度会被加速度计测量并转换为电信号。
MEMS芯片中包含微小机械元件,这些元件可以根据测得的电信号来确定物体相对于水平方向的倾斜角度。
一种常见的设计是利用微小弹簧和质量块组成一个振动系统,通过测量振动频率的变化来计算倾斜角度。
双轴倾角传感器双轴倾角传感器在单轴倾角传感器的基础上进行了扩展,它包含两个单轴倾角传感器,分别用于测量物体相对于水平和垂直方向的倾斜角度。
双轴倾角传感器通常采用一个三维加速度计和一个三维陀螺仪来实现。
加速度计仍然负责测量重力加速度,并通过MEMS芯片将其转换为电信号。
而陀螺仪则可用于测量物体的旋转速度。
在双轴倾角传感器中,两个单轴倾角传感器分别与水平和垂直方向对齐。
通过将两个单轴传感器的测量结果合并,可以得到物体相对于水平和垂直方向的综合倾斜角度。
具体而言,当物体同时发生旋转和倾斜时,陀螺仪可以提供旋转角速度的测量结果,而加速度计则可以提供倾斜角度的测量结果。
通过将这两个结果进行合并,就可以得到物体在水平和垂直方向上的综合倾斜角度。
双轴倾角传感器通常还包含一个微处理器,用于处理和计算传感器的测量结果。
微处理器可以根据传感器提供的数据来计算出物体在水平和垂直方向上的实际倾斜角度,并将结果输出给用户。
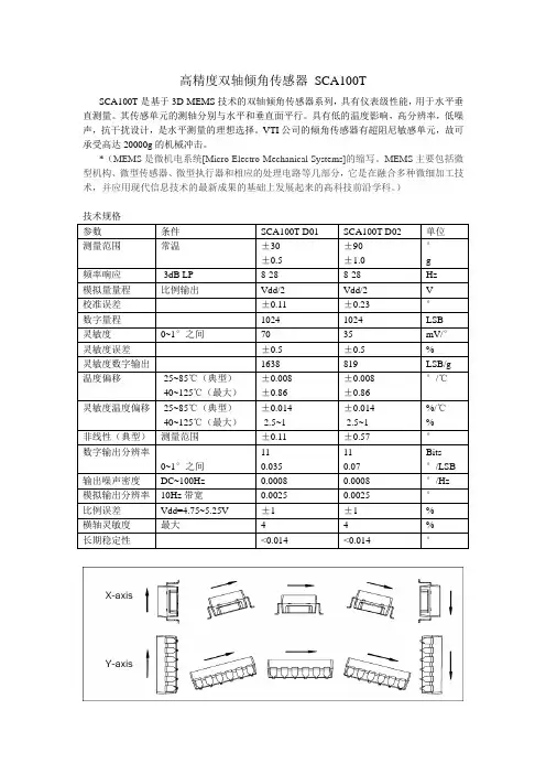
高精度双轴倾角传感器SCA100T
SCA100T是基于3D-MEMS技术的双轴倾角传感器系列,具有仪表级性能,用于水平垂直测量。
其传感单元的测轴分别与水平和垂直面平行。
具有低的温度影响,高分辨率,低噪声,抗干扰设计,是水平测量的理想选择。
VTI公司的倾角传感器有超阻尼敏感单元,故可承受高达20000g的机械冲击。
*(MEMS是微机电系统[Micro-Electro-Mechanical Systems]的缩写。
MEMS主要包括微型机构、微型传感器、微型执行器和相应的处理电路等几部分,它是在融合多种微细加工技术,并应用现代信息技术的最新成果的基础上发展起来的高科技前沿学科。
)
技术规格。
双轴倾角传感器原理
双轴倾角传感器是一种用于测量物体在平面内的倾斜角度的设备。
其原理基于两个轴线相互垂直,分别测量物体在水平和垂直方向上的倾斜角度。
这种传感器通常由两个加速度计组成,一个测量水平方向上的加速度,另一个则测量垂直方向上的加速度。
在使用双轴倾角传感器时,需要将其安装在需要测量的物体上,并通过电路将其与计算机或其他设备连接起来。
当物体发生倾斜时,传感器会检测到加速度变化,并将数据发送至计算机进行处理。
通过对这些数据进行分析和处理,便可以得出物体在平面内的倾斜角度。
双轴倾角传感器广泛应用于各种领域,如建筑、机械、航空航天等。
例如,在建筑领域中,它可以用于监测建筑物的地基沉降情况、墙壁和屋顶的变形情况等;而在机械领域中,则可以用于监测机器运行时的振动情况、工件加工时的精度等。
总之,双轴倾角传感器是一种非常实用的测量设备,其原理简单而有效,应用范围广泛。
随着科技的不断发展,相信它的应用将会越来越广泛,为各行各业带来更多便利和效益。
双轴倾角传感器原理一、引言双轴倾角传感器是一种常用的测量设备,用于测量物体在二维平面上的倾斜角度。
它广泛应用于工程、航空航天、建筑等领域。
本文将详细探讨双轴倾角传感器的原理、工作原理以及应用场景。
二、传感器原理双轴倾角传感器基于加速度计原理,利用重力加速度与传感器的倾斜角度之间的关系进行测量。
其工作原理可以分为四个步骤:2.1 加速度计双轴倾角传感器内部搭载了微机电系统(MEMS)加速度计。
加速度计通过检测物体的加速度来推导出倾斜角度。
常见的加速度计类型包括电容式加速度计和压阻式加速度计。
2.2 重力加速度测量当传感器处于水平位置时,重力对加速度计产生的作用相对较小,可以忽略不计。
但当传感器被倾斜时,重力将会使加速度计产生一个分量,该分量与倾斜角度成正比。
2.3 电子信号转换传感器将加速度计测量到的重力加速度转换为相应的电子信号。
通常使用模拟-数字转换器(ADC)将模拟信号转换为数字信号。
2.4 角度计算传感器根据已转换的数字信号计算出物体的倾斜角度。
常见的算法包括三角函数算法和卡尔曼滤波算法。
三、工作原理双轴倾角传感器通过使用两个加速度计分别测量物体在水平和竖直方向上的倾斜角度,从而得出物体的二维倾斜角度。
其具体工作原理如下:3.1 水平方向倾斜角度测量传感器通过与水平面平行放置的加速度计测量物体在水平方向上的倾斜角度。
当物体向左倾斜时,水平方向受到的重力加速度会增加;当物体向右倾斜时,水平方向受到的重力加速度会减小。
3.2 竖直方向倾斜角度测量传感器通过与竖直方向平行放置的加速度计测量物体在竖直方向上的倾斜角度。
当物体向上倾斜时,竖直方向受到的重力加速度会增加;当物体向下倾斜时,竖直方向受到的重力加速度会减小。
3.3 综合计算将水平方向和竖直方向的倾斜角度综合计算,就可以得到物体的二维倾斜角度。
这一计算通常使用三角函数算法或卡尔曼滤波算法。
四、应用场景双轴倾角传感器在众多领域都有广泛应用,下面列举几个常见的应用场景:4.1 工程测量双轴倾角传感器可以用于测量建筑物的倾斜度、道路的坡度等。
双轴倾角仪的工作原理双轴倾角仪是一种用于测量物体的倾斜角度的仪器。
它主要由两个传感器组成,每个传感器分别测量物体在水平和垂直方向的倾斜角度,并通过信号处理和计算来确定物体的整体倾斜角度。
双轴倾角仪的工作原理基于重力传感技术和加速度计原理。
重力传感技术利用重力对物体产生的作用力来测量物体的倾斜角度,而加速度计原理则利用在物体倾斜时产生的加速度来测量倾斜角度。
双轴倾角仪结合了这两种原理,从而能够同时测量物体在水平和垂直方向上的倾斜角度。
具体来说,双轴倾角仪一般使用微机电系统(MEMS)传感器作为重力传感器和加速度计。
MEMS传感器是一种通过微加工技术制造的微小传感器,它具有小巧、低功耗和高精度等特点,非常适合于制作倾角仪。
在双轴倾角仪中,重力传感器通常采用压阻或霍尔元件作为敏感元件。
这些敏感元件受到重力作用时会产生相应的变化,通过测量这些变化可以推算出物体在水平和垂直方向上的倾斜角度。
加速度计通常采用微机电系统中的微弹簧加速度计,它基于惯性原理工作。
当物体发生加速度变化时,微弹簧受到外力作用而发生形变,通过测量微弹簧的形变量可以推算出物体的加速度,从而得到倾斜角度。
双轴倾角仪还会配备信号处理和计算电路,用于处理从重力传感器和加速度计传回的信号,并计算出物体的整体倾斜角度。
在信号处理和计算过程中,常常需要校正仪器的误差,因为传感器在制造和使用过程中难免会存在一些误差。
校正的方法包括静态校准和动态校准。
静态校准是在采集物体静止时进行的,通过将仪器放置在平稳的水平面上,记录下重力传感器和加速度计的初始值,然后通过比较实际测量值和初始值来推算出误差并进行校正。
动态校准是在采集物体运动时进行的,通过监测物体的运动情况,结合加速度计的数据来修正误差。
一旦校正完成,双轴倾角仪可以准确地测量物体的倾斜角度。
它广泛应用于各种需要测量倾斜角度的领域,如建筑工程、地质勘探、航空航天等。
同时,随着技术的不断进步,双轴倾角仪的精度和性能还将得到进一步提高,以满足更加复杂和精细的测量需求。
双轴倾角传感器CB-SCP110用户手册目录1、简介l产品概述------------------------------------------------2 l产品特点------------------------------------------------2 l应用范围------------------------------------------------22、技术指标---------------------------------------------------33、硬件接线定义-----------------------------------------------34、机械外形尺寸-----------------------------------------------35、通信协议---------------------------------------------------46、传感器测试软件工具介绍-------------------------------------47、使用注意事项-----------------------------------------------48、售后服务---------------------------------------------------5简介产品概述:CB-SCP110系列倾角传感器是通过测量静态重力加速度的变化来测量倾斜角度的。
采用高精度仪器级芯片,设计考虑多用户的需求,制造采用表贴工艺,双层屏蔽,具备抗电磁干扰,美观、坚固、防湿等特点。
具有数字和模拟两种输出形式。
该产品随温度和时间的变化仍有极好的稳定性。
此外,它还具有高分辨率、低噪声、承受高冲击和过载的特点。
产品主要适用于缓慢变化或静态角度测量。
产品特点:l双轴同时连续测量;l角度值上传有自动和被动两种工作方式;l零点可通过通信方式随时修改设置;l产品防水等级IP55,双层屏蔽,硬件看门狗,宽电压范围,抗冲击振动能力强;l信号输出方式(RS485或4-20mA)及通信电缆长度可定制。
双轴倾角传感器原理
双轴倾角传感器(Dual-axisInclinometer)是一种用于测量坡度和倾斜测量器,它是一种利用加速度传感器(accelerometer),由X、Y轴上的一组加速度传感器组成,可以检测X、Y轴方向上的倾斜倾角。
双轴倾角传感器可以在两个不同方向上测量倾斜角度,常用于地质勘探、航空运输、海洋运输、军事航空、汽车和船检测等应用场合。
原理:
双轴倾角传感器采用加速度传感器,它利用加速度测量X、Y轴方向上的倾斜倾角。
加速度传感器可以相对计算得到X轴和Y轴上的倾斜倾角,然后根据这些数据可以确定物体倾斜的状态。
双轴倾角传感器的优势:
1、准确性:双轴倾角传感器由X、Y轴上的一组加速度传感器组成,它们的测量准确度较高,可以满足高精度应用的要求。
2、灵敏性:双轴倾角传感器在测量倾斜角度时,数据收集速度更快,精度也更高。
3、稳定性:双轴倾角传感器结构紧凑,在惯性、温度和外界干扰方面的稳定性较强。
4、易于维护:双轴倾角传感器的维护和维修方法简单,而且它不需要拆卸和更换零件,可以减少维护成本。
- 1 -。
双轴倾角传感器的工作原理一、引言双轴倾角传感器是一种常用的测量仪器,广泛应用于工业自动化、航空航天、地质勘探等领域。
其主要作用是测量物体在水平面和垂直面的倾斜角度。
本文将详细介绍双轴倾角传感器的工作原理。
二、双轴倾角传感器的结构双轴倾角传感器主要由两个部分组成:测量元件和信号处理电路。
其中,测量元件包括两个加速度计和一个微处理器,信号处理电路则包括滤波、放大和AD转换等功能模块。
三、加速度计的工作原理加速度计是测量物体加速度或重力加速度的仪器。
其基本原理是利用牛顿第二定律F=ma(F为力,m为质量,a为加速度)来实现测量。
常见的加速度计有机械式和电子式两种。
机械式加速度计采用弹簧系统或质点系统来实现测量,其优点是精度高,但缺点是体积大且易受外界干扰。
电子式加速度计则采用压电晶体或微电子机械系统(MEMS)来实现测量。
其中,压电晶体加速度计利用压电效应来实现测量,其优点是灵敏度高、响应速度快、体积小,但缺点是易受温度变化和机械震动影响;MEMS加速度计则采用微机电系统技术制造,其优点是体积小、功耗低、精度高,但缺点是价格较高。
四、双轴倾角传感器的工作原理双轴倾角传感器采用两个加速度计来测量物体在水平面和垂直面的倾斜角度。
其中,一个加速度计安装在X轴方向上,另一个加速度计安装在Y轴方向上。
当物体发生倾斜时,两个加速度计将检测到不同的重力分量,并将其转换为电信号输出。
具体来说,在水平面上,X轴方向的加速度计将检测到物体所受重力分量的sinθ值(θ为物体与水平面夹角),Y轴方向的加速度计则检测到cosθ值。
同理,在垂直面上,X轴方向的加速度计将检测到cosθ值,Y轴方向的加速度计则检测到sinθ值。
通过对这些信号进行处理和计算,就可以得到物体在水平面和垂直面的倾斜角度。
五、信号处理电路的作用双轴倾角传感器的信号处理电路主要包括滤波、放大和AD转换等功能模块。
其中,滤波模块用于去除信号中的高频噪声,保证测量结果的稳定性;放大模块则用于增强信号强度,提高测量精度;AD转换模块则将模拟信号转换为数字信号,方便存储和处理。
国内统一刊号CN31-1424/TB 双轴倾角传感器示值误差检测方法杨宁 刘莹 刘浩 任苗苗 / 陕西省计量科学研究院摘 要 通过分析双轴倾角传感器的工作原理,利用现有的角度转台校准装置,保证双轴倾角传感器检测时的安装要求,来检测此类双轴倾角传感器示值误差,保证了该类传感器量值传递的准确性。
关键词 双轴倾角传感器;角度转台校准装置;示值误差0 引言随着双轴倾角传感器在航空航海、机械、交通、建筑等各领域的广泛使用,其示值误差的校准检测也越来越受到重视。
1 双轴倾角传感器工作原理倾角传感器经常用于系统的水平角度变化测量,作为一种检测工具,它已成为航空航海、土木工程、石油钻井、工业自动化、机械加工等领域不可缺少的重要测量工具。
用它可测量被测平面相对于水平位置的倾斜度、两部件相互之间的平行度和垂直度等。
随着硅微机械传感器测量(MEMS)技术的发展,采用MEMS 技术、数字输出的双轴倾角传感器使用逐渐增多。
双轴倾角传感器(见图1)用于各种角度的测量。
例如,高精度激光仪器的水平度、工程机械设备调平、远距离测距仪器、高空平台安全保护、定向卫星通信天线的俯仰角测量、船舶航行姿态测量、盾构顶管应用、大坝检测、火炮炮管初射角度测量、雷达车辆平台检测、卫星通信车姿态检测等。
当倾角传感器静止时,也就是侧面和垂直方向没有加速度作用,那么作用在它上面的只有重力加速度。
重力垂直轴与加速度传感器灵敏轴之间的夹角就是倾斜角。
一般意义上的倾角传感器是静态测量或者准静态测量,一旦有外界加速度,那么加速度芯片测出的加速度就包含外界加速度,故计算出来的角度就不准确。
因此,双轴倾角传感器采用高端MEMS 技术,传感器内部采用高分辨力差分数模转换器,内置自动补偿和滤波算法,很大程度减小了环境变化引起的误差。
把静态重力场的变化转换成倾角变化,通过数字方式直接输出当前的横滚角和俯仰角的角度值。
因此,传感器的示值误差需要进行检测,保证其量值传递可靠。
doi: 10.11857/j.issn.1674-5124.2020060104基于线结构光的叶片型面特征检测方法研究刘浩浩1, 殷 鸣1, 王宗平2, 欧登荧1, 谢罗峰1, 殷国富1,2(1. 四川大学机械工程学院,四川 成都 610065; 2. 四川大学空天科学与工程学院,四川 成都 610065)摘 要: 叶片是燃气轮机和航空发动机的核心部件,随着我国两机行业的高速发展,对于叶片在研发、生产和维修等方面全生命周期检测的要求不断提高。
光学测量是目前叶片三维形貌高效检测的新手段,但是在测量精度等方面相比传统三坐标测量机仍存在一定局限。
该文提出一种基于线结构光的叶片型面特征检测方法,设计开发一套四自由度检测平台,针对基于标定物的平台位姿校准和数据采集方法开展研究,并以某气轮机导向叶片为检测对象进行实验测试。
测试数据与精密三坐标测量机实测数据的对比结果表明:型面型线轮廓度偏差在±0.02 mm 以内,截面主要特征参数偏差均在±0.018 mm 以内,该文面向叶片型面实际检测需求的方法可行。
关键词: 线结构光; 叶片光学检测; 型面检测; 型线检测; 数据拼接中图分类号: TH741; TB9文献标志码: A文章编号: 1674–5124(2021)02–0006–07Research on feature detection method of blade surface based on line structured lightLIU Haohao 1, YIN Ming 1, WANG Zongping 2, OU Dengying 1, XIE Luofeng 1, YIN Guofu 1,2(1. School of Mechanical Engineering, Sichuan University, Chengdu 610065, China;2. School of Aeronautics and Astronautics, Sichuan University, Chengdu 610065, China)Abstract : Blade is the core component of the gas turbine and the aeroengine. With the rapid development of the gas turbine and the aeroengine industry in China, the requirements of blade life cycle testing in research and development, production and maintenance are continuously increasing. At present, optical measurement is a new way to efficiently measure the three-dimensional shape of blade, but it still has some limitations in measuring accuracy by comparing with the traditional coordinate measuring machine(CMM). In this paper, a method of blade profile feature detection based on line structured light is proposed, and a set of four degrees of freedom detection platform is designed and developed. The methods of platform pose calibration and data acquisition based on calibrator are studied, and a gas turbine blade is tested. The comparison between the test data and the measured data of the precise CMM shows that the deviation of the profile line is within ±0.02 mm,and the deviation of the main characteristic parameters of the profile surface is within ±0.018 mm, which verifies the feasibility of the method proposed in this paper for the actual detection requirements of the blade profile.收稿日期: 2020-06-21;收到修改稿日期: 2020-07-21基金项目: 中国制造2025四川行动资金项目(2018CD00225);2018年国家工业强基工程项目(TC180A3Y1-22);2018年智能制造新模式应用项目(2019QT-工信厅装函[2018]265)作者简介: 刘浩浩(1996-),男,湖北潜江市人,硕士研究生,专业方向为叶片光学检测。
倾角计(双轴)的技术参数可能包括以下内容:
测量范围:通常为0~30°,也有其他范围的测量范围。
测量精度:一般为±0.06°,也有更高的精度要求。
分辨率:一般为0.0001°,也有更高的分辨率。
测量方向:一般为X、Y两个方向。
时间漂移:一般为±0.08°/月。
更新时间:一般为30ms。
上电启动时间:一般为0.5s。
壳体材料:一般为铝合金。
外形尺寸:一般为826438mm。
整机重量:一般为205g。
抗外界电磁干扰能力强、能承受大冲击震动,是工业级别的传感设备。
具有显著的负载能力和非常好的冲击耐久性,而不需要附加其他器件。
可以调节输出频率,内置零位调整,可以根据要求定制零位调整按钮,从而实现在角度置零的功能。
内置滤波功能,可以实现在振动场合测量倾角的目标。
请注意,以上参数仅供参考,具体参数可能因产品型号和制造商而有所不同。
如有需要,请参考产品说明书或联系制造商获取准确的技术参数。